| Министерство транспорта Российской Федерации
Федеральное агентство железнодорожного транспорта
Федеральное государственное образовательное учреждение
Среднего профессионального образования
Уфимский техникум железнодорожного транспорта
МЕТОДИЧЕСКИЕ УКАЗАНИЯ
к выполнению
Лабораторной работы № 8
по дисциплине
Перегонные системы автоматики
Тема:
Исследование и анализ работы
схемы контроля блок-участка
в системе АБТ
Разработал преподаватель
дисциплины:
Перегонные системы
автоматики
С.А. Войнов
ОДОБРЕНО
Цикловой комиссией
Специальности 190701
Войнов С. А. Методические указания к выполнению лабораторной работы № 8 по дисциплине Перегонные системы автоматики для специальности 220204 Автоматика и телемеханика на транспорте (по видам транспорта) ( на железнодорожном транспорте). Уфа: ИВЦ УТЖТ, 2007.- 12с.
Методические указания для студентов очного и заочного отделений к выполнению лабораторной работы № 8 по дисциплине «Перегонные системы автоматики». Исследование и анализ работы схемы контроля блок-участка в системе АБТ. Содержит пошаговый материал по разделам лабораторной работы для изучения принципов работы схемы контроля блок-участка в системе АБТ
Автор: Войнов С.А.- преподаватель спец. дисциплин Уфимского
техникума железнодорожного
транспорта.
Рецензенты:
Р.Р. Юсупов – кандидат технических наук, зав. кафедры «О и
ПД» филиала Сам ГУПС в г. Уфа.
М.Р. Таймасова – зам. директора по научной работе Уфимского
техникума железнодорожного транспорта.
Ответственный за выпуск: Вильман С.В.
© ИВЦ УТЖТ
Лабораторная работа № 8
Тема:
Исследование и анализ работы схемы контроля
блок-участка в системе АБТ.
Цель: Закрепить знания о работе схемы контроля блок-участка в
системе АБТ.
Оборудование: Принципиальная электрическая схема
схемы двухпутной автоблокировки типа
АБТ-2-91.
1
Теоретический материал
1.1 Аппаратура автоблокировки
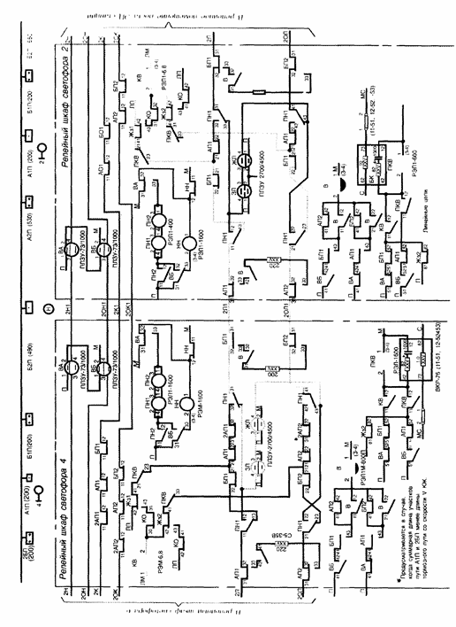
Полная принципиальная схема сигнальной установки, как правило, включает в себя цепи смены направления, двойного снижения напряжения и линейные схемы управления огнями светофора, включение сигнальных реле, схемы питающих устройств контрольных цепей ЧДК и выбора кодовых сигналов АЛС, цепи подачи извещения, Т-ОТ , М-ОМ , схемы тональных рельсовых цепей ТРЦ3 и ТРЦ4 , а так же цепи устройств связи. Вся указанная на этих схемах аппаратура располагается в релейном шкафу.
Забиваем Сайты В ТОП КУВАЛДОЙ - Уникальные возможности от SeoHammer
Каждая ссылка анализируется по трем пакетам оценки: SEO, Трафик и SMM.
SeoHammer делает продвижение сайта прозрачным и простым занятием.
Ссылки, вечные ссылки, статьи, упоминания, пресс-релизы - используйте по максимуму потенциал SeoHammer для продвижения вашего сайта.
Что умеет делать SeoHammer
— Продвижение в один клик, интеллектуальный подбор запросов, покупка самых лучших ссылок с высокой степенью качества у лучших бирж ссылок.
— Регулярная проверка качества ссылок по более чем 100 показателям и ежедневный пересчет показателей качества проекта.
— Все известные форматы ссылок: арендные ссылки, вечные ссылки, публикации (упоминания, мнения, отзывы, статьи, пресс-релизы).
— SeoHammer покажет, где рост или падение, а также запросы, на которые нужно обратить внимание.
SeoHammer еще предоставляет технологию Буст, она ускоряет продвижение в десятки раз,
а первые результаты появляются уже в течение первых 7 дней.
Зарегистрироваться и Начать продвижение
Назначение реле и приборов:
Н - реле направления, фиксирующее установленное направление движения.
ПН1, ПН2 – повторители реле направления, переключающие линейные цепи, цепи кодирования для работы устройств в зависимости от установленного направления движения.
Л1, Л2 – линейные реле.
КВ – реле включения посылки сигналов АЛС.
ДСН- реле режима двойного снижения напряжения
Ж1, Ж2 – реле , контролирующие свободность блок-участка за путевым светофором и защитного участка за следующим по ходу движения светофором.
З – реле контролирует свободность за путевым светофором двух и более блок-участков.
КО – реле, контролирующее горение лампы красного огня при запрещающем показании светофора.
КО1 – реле , контролирующее исправность основной нити красной лампы.
КО2 – реле , контролирующее исправность резервной нити красной лампы.
РО – контролирует исправность основных нитей ламп желтого и зеленого огня при их включении.
ЖО – контролирует горение лампы разрешающего огня на путевом светофоре (для предвходной сигнальной установки).
Т- трансмиттерное реле, включающее коды сигналов числовой АЛС в РЦ;
ГК – генератор частотного диспетчерского контроля типа ГКШ, передающий на станцию информацию о свободности (занятости) блок-участка, а так же информацию о наличии неисправности в устройствах.
А – реле контроля наличия основного питания в РШ сигнальной установке.
А1 – реле контроля наличия резервного питания в РШ сигнальной установки.
КПТ – кодовый путевой трансмиттер , типа КПТШ-515 ;
А2ПО, А2ПД – основное и дополнительное путевые реле ТРЦ3;
А1ПО, А1ПД – основное и дополнительное путевые реле ТРЦ4;
АП1,АП2 – основное и дублирующее реле ТРЦ3 и ТРЦ4 ;
Б1ПО, Б1ПД – основное и дополнительное путевое реле ТРЦ4 ;
Б2ПО, Б2ПД – основное и дополнительное путевое реле ТРЦ3;
БП1, БП2 – основное и дублирующее реле ТРЦ3 и ТРЦ4 за путевым светофором.
1Г – генератор сигналов рельсовой цепи типа ГРЦ4 , предназначен для формирования и усиления амплитудно-модулированных сигналов рельсовых цепей с несущими частотами в диапазоне 5 кГц и частотами модуляции 8 и 12Гц. 1Ф – фильтр питающего конца типа ФРЦ4 ограничивает спектр амплитудно-модулированного сигнала поступающего с ГРЦ4 и защищает его от перенапряжений, возникающих в рельсовой линии.
А1ПП, Б1ПП – приемник сигналов рельсовой цепи ПРЦ4, предназначен для приема амплитудно-модулированных сигналов из рельсовой цепи ГРЦ4. Выполнен на плате реле ДСШ.
Сервис онлайн-записи на собственном Telegram-боте
Попробуйте сервис онлайн-записи VisitTime на основе вашего собственного Telegram-бота:
— Разгрузит мастера, специалиста или компанию;
— Позволит гибко управлять расписанием и загрузкой;
— Разошлет оповещения о новых услугах или акциях;
— Позволит принять оплату на карту/кошелек/счет;
— Позволит записываться на групповые и персональные посещения;
— Поможет получить от клиента отзывы о визите к вам;
— Включает в себя сервис чаевых.
Для новых пользователей первый месяц бесплатно.
Зарегистрироваться в сервисе
2Г – генератор путевой (типа ГП 8, 9, 11) сигналов контроля рельсовой цепи предназначен для формирования и усиления амплитудно-модулированных сигналов рельсовой цепи с несущими частотами 420, 480 и 580 Гц и частотами модуляции 8 и 12 Гц.
А2ПП, Б2ПП – приемник путевых сигналов ПП, предназначен для приема амплитудно-модулированных сигналов из рельсовой цепи ТРЦ3.
1.2
Работа схемы автоблокировки при установленном
направлении движения
Схемы рельсовых цепей одной СУ в наиболее распространенном варианте их применения приведены на рис.1. В зависимости от длины БУ, наличия переезда и его удаленности от сигнальной точки может измениться количество аппаратуры ТРЦ или ее подключение. Например, параметры аппаратуры позволяют последовательно подключать к одной паре жил не только два приемника, но и приемник ТРЦ4 с передающей аппаратурой ТРЦ3. Но в любом случае схемы рельсовых цепей остаются неизменными.
Для питания рельсовых цепей А1П/Б1П в релейном шкафу установлен генератор ГП4 с фильтром ФРЦ4Л, а для рельсовых цепей А2П/Б2П ‑ генератор ГП3/8,9,11 с фильтром ФПМ8,9,11. При проектировании АБТ в схемах ТРЦ для каждого генератора и фильтра указывают внешние настроечные перемычки в соответствии с требуемой комбинацией частот, а в регулировочных таблицах ‑ напряжения на выходе генератора в зависимости от длины РЦ.
Величина сопротивления резистора в РЦ выбирается исходя из длины соединительного кабеля и удельного сопротивления его жил таким образом, чтобы получить в сумме 400 Ом.
В качестве согласующего трансформатора используется ПОБС-2А с коэффициентом трансформации n=38.
Защитные резисторы Rз
предусмотрены во всех УСЗ, кроме места установки дроссель-трансформаторов. В настоящее время вместо двух параллельно включаемых регулируемых проволочных резисторов рекомендуется использовать более надежные и долговечные резисторы РПН (резистор постоянный низкоомный). Эти резисторы выпускаются на номинальные сопротивления от 0,11 Ом до 0,5 Ом.
Подключение питающих жил ТРЦ4 рекомендуется производить не к рельсам, а непосредственно к выводам основной обмотки ДТ. Этим обеспечивается контроль целости дроссельных перемычек. В соответствии с методическими указаниями И-206-91 в системе АБТ применялись дроссель-трансформаторы ДТ-0,6 с разомкнутой дополнительной обмоткой.
В настоящее время начато производство более дешевых и удобных в эксплуатации сухих дросселей типа ДП-20, ДП-150 и ДП-300, которые рассчитаны на пропускание уравнивающего постоянного тягового тока до 20, 150 и 300 А соответственно. Кроме того, у дросселей предусмотрены выводы средней точки обмотки для организации заземления металлических конструкций. Для участков с тягой переменного тока разработаны аналогичные дроссели Д-20, Д-150 и Д-300. Дроссели ДП-20 и Д-20 имеют малые габариты, применяются только для выравнивания тягового тока и устанавливаются в путевых ящиках.
Разновидности путевых приемников ПП1 и ПРЦ4Л1 выбираются в зависимости от принятой комбинации частот питания конкретных РЦ и указываются на схемах ТРЦ. В соответствии с этим выбираются и указываются номера выводов для подключения основных путевых реле А1ПО, А2ПО, Б1ПО и Б2ПО. Дублирующие путевые реле А1ПД, А2ПД, Б1ПД и Б2ПД подключаются к приемникам через блок выпрямителей сопряжения БВС4Л. Этим обеспечивается управление путевыми реле через разные выходные цепи путевого приемника, что должно способствовать повышению безопасности работы схемы. Ранее применялись путевые реле типа АНШ2-1230 с параллельным включением обмоток, что обеспечивало напряжение срабатывания реле 3,5 В. В настоящее время, рекомендуются к использованию новые реле типа АНШ2-310 с последовательным включением обмоток.
Состояние участка пути, оборудованного рельсовыми цепями А1П и А2П, контролируется общими повторителями основных и дополнительных путевых реле этих РЦ. Дублированные повторители АП1 и АП2 включены по схеме с двухполюсным размыканием (см. рис. 4.3). Для рельсовых цепей Б1П и Б2П применена аналогичная схема. Схемные зависимости в системе АБТ осуществляются этими повторителями.
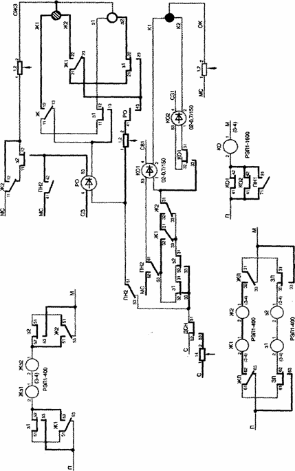
В системе АБТ для передачи информации на локомотив предусмотрена числовая АЛС.
Кодирование рельсовых цепей блок-участка производится от впередистоящей СУ по соединительным жилам кабеля рельсовых цепей по мере вступления на них поезда (см. рис. 2). Для этого предусмотрено поочередное подключение схемы кодирования к жилам кабеля параллельно конденсатору СК1. Причем рельсовые цепи Б1П и Б2П кодируются совместно путем подачи кодового сигнала по питающим жилам П(П, М) (точки 1‑2).
Формирование кодовых сигналов осуществляет кодовый путевой трансмиттер КПТ типа КПТШ-515, а выбор требуемого кодового сигнала ‑ контакты сигнальных реле Ж1 (Ж2) и З. Трансмиттерное реле Т, работая в такт с импульсами выбранной кодовой комбинации, модулирует ток вторичной обмотки кодирующего трансформатора ТК типа ПОБС-3А (см. рис. 2). Напряжение на вторичной обмотке трансформатора ТК устанавливается в соответствии с регулировочными таблицами.
Вступление головы поезда за светофор предыдущей СУ фиксируется кодововключающим реле КВ по линейной цепи Л-ОЛ. Оно встает под ток и своими контактами включает кодовый сигнал в точки 1‑2. По мере вступления поезда на рельсовые цепи А2П и А1П обесточиваются путевые реле этих РЦ и поочередно подключают кодовый сигнал в точки 3‑4 и 5‑6. При этом кодирование каждой предыдущей рельсовой цепи прекращается.
При движении поезда по неправильному пути контакты реле направления Н перестраивают схему кодирования, что обеспечивает последовательное подключение кодовых сигналов в точки 7‑8, 9‑10, 5‑6. Как уже отмечалось, для кодирования рельсовых цепей А2П и А1П в этом случае предусмотрены отдельные жилы кабеля КП1-КМ1. Для подключения этих жил в путевом ящике Б2П/А2П устанавливается конденсатор, который при правильном направлении движения шунтируется тыловым контактом ПН1 в релейном шкафу предыдущей СУ (см. рис. 1).
Назначение каждой линейной цепи указано в п. 2. В данном пункте рассматривается схема цепи Л-ОЛ, обеспечивающая логическую связь между проходными светофорами и управление кодововключающим реле. Для примера рассмотрим цепь между сигнальными установками 4 и 2 светофоров (рис. 2).
Передача информации осуществляется с использованием полярного признака тока, который воспринимают дублированные линейные реле Л1 и Л2 (комбинированные реле типа КМШ-450).
Сообщения формируются и передаются от 2-й СУ к 4-й следующим образом:
· о состоянии светофора 2 (открыт или закрыт) ‑ контактами дублированных сигнальных реле Ж1, Ж2 (подается ток прямой или обратной полярности);
· о состоянии рельсовых цепей А1П и А2П блок-участка 4П – контактами дублированных реле АП1, АП2 (при занятости любой из этих РЦ цепь Л-ОЛ разрывается);
· о состоянии защитного участка ‑ контактами реле БП1, БП2 (повторители путевых реле рельсовых цепей Б1П и Б2П за светофором 4). При занятом защитном участке линейная цепь разрывается. Этим обеспечивается включение красного огня на светофоре 4 даже при свободном 4П и исключаются последствия при проезде поездом запрещающего сигнала;
· о неисправности лампы красного огня ‑ контактами огневого реле КО, которые при перегорании обеих нитей лампы красного огня обрывают линейную цепь.
Кроме того, в линейную цепь Л-ОЛ на 4-й сигнальной установке введены контакты реле БП1 и БП2, контролирующих состояние рельсовых цепей Б1П и Б2П блок-участка 2П.
Введение в схему линейной цепи кодововключающего реле КВ и шунтирующих цепочек через тыловые контакты реле А… и Б… позволило передавать информацию от 4СУ на 2СУ о вступлении поезда на блок-участок 4П
. При отсутствии поезда ток, протекающий по цепи Л-ОЛ через достаточно большое сопротивления обмоток реле Л1 и Л2, недостаточен для срабатывания реле КВ.
При вступлении головы поезда за 4-й светофор реле БП1, БП2 шунтируют обмотки реле Л1 и Л2, ток увеличивается и реле КВ притягивает свой якорь. При освобождении рельсовых цепей Б возбужденное состояние реле КВ сохраняется за счет шунтирующей цепочки через тыловые контакты реле АП1, АП2.
Контакты реле КВ в шунтирующей цепи исключают передачу на локомотив, следующий по блок-участку 6П, кодового сигнала от 2СУ при ложной занятости или изломе рельса на 4П. Этим обеспечивается соответствие показаний напольного и локомотивного светофоров.
При смене направления движения линейная цепь коммутируется контактами реле ПН1 для передачи информации в противоположном направлении.
В системе АБТ предусмотрены двухнитевые лампы для всех огней светофора (рис. 3). При неисправности основных нитей происходит автоматическое подключение питания к резервным нитям ламп, а при перегорании обеих нитей лампы красного огня закрытого светофора производится "перенос" красного огня на предыдущий светофор.
Выбор огней светофоров осуществляется контактами сигнального реле З и дублированных сигнальных реле Ж1 и Ж2, состояния которых зависят от состояния линейных реле Л1, Л2.
В схеме применено двухполюсное размыкание цепей питания ламп разрешающих огней
. Кроме того, с целью повышения безопасности функционирования схемы она построена таким образом, что включение разрешающих огней
происходит через последовательно включенные фронтовые контакты дублированных реле Ж1 и Ж2, а их выключение и включение запрещающего сигнала
происходит при обесточивании любого из этих реле.
Огневые реле выполняют следующие функции:
· РО ‑ контроль основных нитей ламп разрешающих огней в горячем состоянии и включение резервных нитей;
· КО1 ‑ контроль основной нити лампы красного огня в холодном и горячем состояниях и включение резервной нити;
· КО2 ‑ контроль резервной нити лампы красного огня в холодном и горячем состояниях.
Цепь контроля нитей ламп красного огня в холодном состоянии организована от источника С31-МС через последовательно включенные высокоомную и низкоомную обмотки огневого реле.
При обесточивании любого из указанных реле информация о неисправности передается на ближайшую станцию по цепям диспетчерского контроля. Кроме того, при перегорании обеих нитей лампы красного огня закрытого светофора осуществляется процедура "переноса" красного огня на предыдущий светофор. Это реализуется с помощью реле КО, которое своими контактами разрывает линейную цепь Л-ОЛ.
При смене направления движения контакт реле ПН2 отключает питание разрешающих огней светофора. Контакты реле Ж1 и ПН2 в цепи высокоомной обмотки реле РО исключают его ложное обесточивание при горении красного огня или при установленном встречном направлении движения.
2 Ход выполнения работы
Для выполнения процесса исследования схемы выполните следующие действия:
А) Определите назначения реле в схеме автоблокировки;
определить их функциональное участие в схеме;
Б) Руководствуясь теоретическими сведениями, выясните, как
происходит процесс работы схемы автоблокировки при
правильном направлении движения;
В) Определите по схеме автоблокировки функциональное
назначение реле ЖЛ и ЗЛ;
Г) Выясните, как происходит процесс работы схемы
автоблокировки при неправильном направлении движения;
Какие элементы схемы участвуют в этом режиме работы схемы
автоблокировки;
Д) Определите роль реле КВ, ПКВ и В на сигнальных установках;
Е) Выделите, на основании пунктов А- Д, основные положения
работы схемы двухпутной трехзначной автоблокировки АБТ;
Ж) Ответьте на контрольные вопросы по вариантам;
З) Составьте отчет о проделанной работе.
3 Контрольные вопросы
На основании исследования схемы, ответьте на следующие контрольные вопросы по вариантам:
| Вариант
|
Вопросы
|
| 1
|
2
|
| 1
|
Рассмотреть взаимосвязь между реле А2ПО, А1ПО и показаниями проходного светофора автоблокировки
|
| 2
|
Рассмотреть функцию и роль работы реле НН, ПН1, ПН2 на 4 сигнальной установке
|
| 3
|
Рассмотреть цепи питания реле ЖЛ и ЗЛ на сигнальной установке 2 и определить их назначение в схеме
|
| 4
|
Рассмотреть цепи питания реле В на сигнальной установке 4 и определить их назначение в схеме
|
| 5
|
Описать работу автоблокировки в установленном направлении движения на 2 сигнальной установке
|
| 6
|
Рассмотреть цепи питания реле ЖЛ и ЗЛ на сигнальной установке 4 и определить их назначение в схеме
|
| 7
|
Рассмотреть цепи питания реле КВ и ПКВ на сигнальной установке 2 и определить их назначение в схеме
|
| 8
|
Рассмотреть работу сигнальной установки 4 по посылке кодов АЛС
|
| 9
|
Описать работу автоблокировки в установленном направлении движения на 4 сигнальной установке
|
| 10
|
Определить роль цепи 2Л1-2ОЛ1 в работе схемы автоблокировки
|
| 1
|
2
|
| 11
|
Рассмотреть цепи питания ламп огней светофора
|
| 12
|
Рассмотреть цепи питания реле КВ и ПКВ на сигнальной установке 4 и определить их назначение в схеме
|
| 13
|
Рассмотреть работу сигнальной установки 2 по посылке кодов АЛС
|
| 14
|
Рассмотреть функцию и роль работы реле НН, ПН1, ПН2 на 2 сигнальной установке
|
| 15
|
Рассмотреть взаимосвязь между реле Б1ПО, Б2ПО и показаниями проходного светофора автоблокировки
|
| 16
|
Определить по схеме, функцию реле АП1 и АП2 в схеме автоблокировки
|
4 Литература
1. Перегонные системы автоматики. Учебник для техникумов и колледжей ж.д. транспорта/В.Ю. Виноградова, В.А. Воронин, Е.А. Казаков, Д.В. Швалов, Е.Е. Шухина; Под ред. В.Ю. Виноградовой.-М.: Маршрут, 2005.
2. Казаков А.А., Бубнов В.Д., Казаков Е.А. Автоматизированные системы интервального регулирования движения поездов: Учебник для техникумов ж.д. транспорта. М.: Транспорт, 1995.
3. Казаков А.А., Бубнов В.Д., Казаков Е.А. Системы интервального регулирования движения поездов: Учебник для техникумов ж.д. транспорта. М.: Транспорт, 1986.
 





|