| Министерство образования и науки Российской Федерации
Федеральное агентство по образованию
ГОУ ВПО «Уральский государственный технический университет – УПИ
имени первого Президента России Б.Н. Ельцина»
ИССЛЕДОВАНИЕ ИНТЕГРАЛЬНОГО ОПЕРАЦИОННОГО УСИЛИТЕЛЯ
Методические указания к выполнению лабораторной работы по дисциплине
Микроэлектроника
для направления для направления 210100 «Электроника и микроэлектроника»,
для специальности 210107 «Электронное машиностроение»
Екатеринбург
2008
УДК 621.37
Составитель И.Н.Тихонов
Научный редактор доц., канд.техн.наук В.Н.Гулин
ИССЛЕДОВАНИЕ ИНТЕГРАЛЬНОГО ОПЕРАЦИОННОГО УСИЛИТЕЛЯ: Методические указания к лабораторной работе по курсу "Микроэлектроника" / И.Н.Тихонов. Екатеринбург: УГТУ - УПИ, 2008. 36 с.
В лабораторной работе исследуются характеристики и параметры операционного усилителя на интегральной микросхеме с резистивной обратной связью.
Библиогр.: 4 назв. Рис.25. Прил.3.
Подготовлено кафедрой
"Электронное машиностроение".
© ГОУ ВПО «Уральский государственный технический университет – УПИ», 2008
1.
ВВЕДЕНИЕ
1.1.
Цель работы
Исследование характеристик и параметров аналоговых устройств на операционном усилителе с резистивной обратной связью.
1.2.
Краткое содержание работы
1. Изучение теоретических сведений об операционных усилителях с резистивной обратной связью и устройствах на их основе.
2. Изучение методики исследования, составление схем установок для выполнения экспериментальной части работы, подготовка заготовки отчета.
3. Выполнение эксперимента, анализ результатов.
4. Оформление и защита отчета.
2.
ТЕОРЕТИЧЕСКАЯ ЧАСТЬ
2.1.
Общие сведения об операционных усилителях
Операционным усилителем (ОУ) называют высококачественный усилитель постоянного тока, предназначенный для выполнения различных операций с аналоговыми сигналами: их усиление и ослабление, сложение и вычитание, интегрирование и дифференцирование, логарифмирование, преобразование их формы и др. Все эти операции ОУ выполняет с помощью цепей положительной и отрицательной обратной связи, в состав которых могут входить сопротивления, емкости и индуктивности, диоды, транзисторы и другие элементы.
Согласно ГОСТ 2.759-82 на схемах радиоаппаратуры ОУ обозначается прямоугольником (рис. 2.1,а), в верхней части которого изображается равносторонний треугольник, указывающий направление передачи. Оба вывода входов ОУ делают с одной стороны прямоугольника, обычно слева, а выход – с противоположной стороны. Вход, сигнал с которого передается на выход ОУ без изменения фазы, называется неинвертирующим, или прямым. Другой вход является инвертирующим (инверсионным) и отмечается кружком.
Забиваем Сайты В ТОП КУВАЛДОЙ - Уникальные возможности от SeoHammer
Каждая ссылка анализируется по трем пакетам оценки: SEO, Трафик и SMM.
SeoHammer делает продвижение сайта прозрачным и простым занятием.
Ссылки, вечные ссылки, статьи, упоминания, пресс-релизы - используйте по максимуму потенциал SeoHammer для продвижения вашего сайта.
Что умеет делать SeoHammer
— Продвижение в один клик, интеллектуальный подбор запросов, покупка самых лучших ссылок с высокой степенью качества у лучших бирж ссылок.
— Регулярная проверка качества ссылок по более чем 100 показателям и ежедневный пересчет показателей качества проекта.
— Все известные форматы ссылок: арендные ссылки, вечные ссылки, публикации (упоминания, мнения, отзывы, статьи, пресс-релизы).
— SeoHammer покажет, где рост или падение, а также запросы, на которые нужно обратить внимание.
SeoHammer еще предоставляет технологию Буст, она ускоряет продвижение в десятки раз,
а первые результаты появляются уже в течение первых 7 дней.
Зарегистрироваться и Начать продвижение
Прямоугольник может быть разграничен на основное и дополнительные одно или два поля, расположенные по обе стороны от основного. На дополнительных полях указывают назначение дополнительных выводов ОУ (питание, коррекция, балансировка нуля, корпус микросхемы). Большинство ОУ питаются от двух разнополярных источников питания, как правило, равной величины + и .
а) б)
Рис.2.1. Условное обозначение ОУ:
а) обозначение ОУ согласно ГОСТ 2.759-82;
б) обозначение ОУ, широко распространенное в технической литературе
На рис.2.1,б приведено широко распространенное в технической литературе обозначение ОУ в виде равностороннего треугольника, которое будет использоваться в настоящих методических указаниях.
Входная цепь ОУ обычно выполняется по дифференциальной схеме и входные сигналы можно подавать как на любой из двух входов, так и на оба входа.
Выходное напряжение при дифференциальном включении определяется следующим выражением:
,
где К0
– коэффициент усиления ОУ.
При этом одно из входных напряжений может быть равно нулю, а второй вход включен на корпус. Если оба входа ОУ соединить вместе, то имеем один вход, а приложенный к нему сигнал называется синфазным входным сигналом = = .
Идеальный операционный усилитель должен обладать следующими свойствами:
- дифференциальный коэффициент передачи (усиления) - неограниченно большая величина,
- бесконечно большое входное сопротивление,
- нулевое выходное сопротивление,
- полностью подавляет синфазную составляющую сигнала,
- бесконечная полоса пропускания.
Реальные ОУ по своим параметрам весьма близки к идеальным ОУ. Поэтому при решении многих задач реальные ОУ можно заменять идеальными и рассматривать их как усилительные "кирпичики", из которых можно строить различные усилительно-преобразовательные устройства.
2.2.
Структура ОУ
Для современных интегральных ОУ характерны две структуры: трехкаскадная и двухкаскадная.
Трехкаскадная структура (рис.2.2,а) включает дифференциальный усилитель (ДУ), усилитель напряжения (УН), усилитель амплитуды (УА) и выходной эмиттерный повторитель (ЭП) [9-11].
Сервис онлайн-записи на собственном Telegram-боте
Попробуйте сервис онлайн-записи VisitTime на основе вашего собственного Telegram-бота:
— Разгрузит мастера, специалиста или компанию;
— Позволит гибко управлять расписанием и загрузкой;
— Разошлет оповещения о новых услугах или акциях;
— Позволит принять оплату на карту/кошелек/счет;
— Позволит записываться на групповые и персональные посещения;
— Поможет получить от клиента отзывы о визите к вам;
— Включает в себя сервис чаевых.
Для новых пользователей первый месяц бесплатно.
Зарегистрироваться в сервисе

а)

б)
Рис. 2.2. Структура типового ОУ: трехкаскадная (а) и двухкаскадная (б) модели ОУ
Первый каскад ОУ - дифференциальный с эмиттерной связью и резисторной нагрузкой, необходимой для уменьшения дрейфа нуля, подавления синфазной помехи, увеличения входного сопротивления и усиления входного дифференциального сигнала.
Второй каскад - усилитель напряжения обеспечивает основное усиление входного дифференциального сигнала по напряжению, строится также по дифференциальной схеме и включает специальную схему сдвига потенциала.
В третьем каскаде – усилителе амплитуды – обычно совмещаются схемы усиления сигнала, схемы сдвига уровня и формирования выходного двухполярного неискаженного сигнала. Как правило, все схемы ОУ заканчиваются эмиттерными повторителями (ЭП), которые определяют нагрузочную способность ОУ и не участвуют в формировании его коэффициента усиления.
Двухкаскадная модель ОУ (рис.2.2,б) включает дифференциальный усилитель (ДУ), усилитель амплитуды (УА) и выходной эмиттерный повторитель (ЭП). В этой модели первый каскад выполняет функции входного ДУ и малосигнального УН, а также схемы сдвига уровня.
В остальном каскады УА и ЭП не отличаются от одноименной трехкаскадной модели.
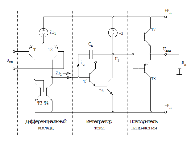
На рис.2.3 приведена упрощенная принципиальная схема двухкаскадного ОУ [9-11]. Дифференциальный каскад ОУ выполнен на транзисторах Т1…Т4. Транзисторы Т1, Т2 образуют дифференциальный усилитель, а транзисторы Т3, Т4 - его динамическую нагрузку. Выходным сигналом дифференциального каскада является 2i1
- ток, который поступает в интегрирующее звено, выполненное на транзисторах Т5, Т6 и корректирующее емкость . Выходным сигналом интегратора тока является напряжение U1
, равное напряжению на конденсаторе .
Повторитель напряжения выполнен на транзисторах Т7, Т8 по схеме с эмиттерной нагрузкой.

Рис.2.3. Упрощенная принципиальная схема двухкаскадного ОУ
В лабораторной работе исследуется двухкаскадный ОУ 140УД8Б, принципиальная схема которого приведена в прил. 3.
Некоторые особенности схемы 140УД8Б:
а) входной дифференциальный каскад выполнен на полевых транзисторах Т1, Т2 и Т3, Т4, включенных по каскодной схеме;
б) балансировка ОУ осуществляется с помощью внешнего потенциометра 0.5 - 2к, включенного между 2-м и 6-м выводами ОУ (эмиттеры транзисторов Т5, Т6) и источником питания - ;
в) для обеспечения устойчивости усилителя (т.е. для устранения опасности самовозбуждения) применена внутренняя коррекция с помощью емкости С, включенной между выходом 2-го каскада (коллекторы транзисторов Т7, Т8) и первым каскадом (база транзистора Т9).
2.3.
Основные параметры ОУ
Для полного описания свойств ОУ необходимо знать десятки его параметров. Рассмотрим основные из них.
1. Коэффициент усиления дифференциального входного сигнала без обратной связи К0
, равного десяткам - сотням тысяч раз.
2. Напряжение смещения ( ) - величина постоянного входного напряжения, при котором выходное напряжение равно нулю.
3. Коэффициент ослабления синфазного входного сигнала ( ) - отношение коэффициента усиления дифференциального входного напряжения ОУ к коэффициенту усиления синфазного входного напряжения или коэффициент, равный отношению синфазного входного напряжения к дифференциальному входному напряжению, вызывающих одно и то же приращение выходного напряжения. Обычно выражается в децибеллах и на низких частотах составляет от 60 до 120 дБ.
4. Максимальное входное синфазное напряжение - это такое напряжение постоянного тока, примененное к обоим входам одновременно, при котором коэффициент ослабления синфазного входного сигнала на переменном токе уменьшается в 2 раза (на 6 дБ).
5. Входное сопротивление для дифференциального сигнала или дифференциальное входное сопротивление . Оно составляет от единиц килоом до десятков мегаом.
6. Синфазное входное сопротивление - это сопротивление между корпусом и замкнутыми друг с другом входами. Оно составляет обычно не менее десятков мегаом.
7. Выходное сопротивление ОУ обычно невелико и не превышает сотен ом. Часто вместо выходного сопротивления ОУ дается величина минимального сопротивления нагрузки
.
8. Верхняя граничная частота , определяемая для ОУ без обратной связи на уровне 0.707К0
.
9. Частота единичного усиления F1
– это частота, на которой коэффициент усиления ОУ =1.
10. Скорость нарастания выходного напряжения ( ) - максимальная скорость изменения выходного напряжения ОУ при воздействии на вход импульса максимального входного напряжения прямоугольной формы.
11. Время нарастания (время установления) – это время изменения нормированной переходной характеристики от уровня 0.1 до уровня 0.9.
12. Входная емкость .
13. Разность входных токов ( ) - разность значений токов, протекающих через входы дифференциального ОУ при заданном значении входного напряжения. Она тем меньше, чем симметричнее усилительные плечи первого каскада, чем выше входное сопротивление ОУ и при применении на входе полевых структур.
2.4.
Характеристики ОУ
Передаточная характеристика ОУ по постоянному току – это зависимость UВЫХ
от UВХ
. Схема для измерения передаточной характеристики ОУ по постоянному току показана на рис.2.4.

Рис.2.4. Схема включения ОУ по постоянному току
Передаточные характеристики ОУ для инвертирующего и неинвертирующего включения приведены на рис.2.5.

Рис.2.5. Передаточные характеристики ОУ по постоянному току для инвертирующего (1) и неинвертирующего (2) включения ОУ
При отсутствии обратной связи тангенс угла наклона характеристик в диапазоне … равен коэффициенту усиления К0
. Максимальное напряжение близко к напряжению источников питания ± . В реальных ОУ наблюдается разбаланс, который устраняется подачей на вход ОУ внешнего напряжения смещения нуля .
На рис.2.6 приведена эквивалентная схема компенсации разбаланса ОУ, а на рис.2.7 - передаточные характеристики ОУ с учетом напряжения смещения нуля и его компенсации.

Рис.2.6. Эквивалентная схема компенсации разбаланса ОУ

Рис.2.7. Передаточная характеристика ОУ по постоянному току с учетом смещения нуля (1,2) и его компенсации (3)
Операционные усилители, имеющие трехкаскадную структуру (рис.2.2,а) для малого сигнала обладают амплитудно-частотной характеристикой (АЧХ) с тремя полюсами.
Амплитудно-частотная и фазово-частотная характеристики ОУ, снятые в режиме малого сигнала, имеют вид, изображенный на рис.2.8 [4].
Плавные кривые линии - реальные характеристики, ломаные прямые - их аппроксимации. Наиболее распространенной является аппроксимация частотной характеристики отрезками прямых, наклон которых соответствует n·20дБ/декаду, а фазовой - участками, фазовый сдвиг на которых равен n· , где n = 0,1,2,... (так называемые диаграммы Боде).
Диаграммы Боде соответствуют внутренней структуре частотной и фазовой характеристик многокаскадного ОУ, которые складываются из характеристик отдельных каскадов
,
.

Рис.2.8. Малосигнальные характеристики трехкаскадного ОУ:
а) амплитудно-частотная;
б) фазово-частотная
Характеристики отдельных каскадов близки к характеристикам эквивалентной RC-
цепи [3]:
 ,
;
0 ,
,
где - верхняя граничная частота i-го каскада,
- постоянная времени эквивалентной RC-цепи i-го каскада.
Таким образом, частоты излома характеристик ОУ соответствуют (примерно) граничным частотам отдельных каскадов. Погрешность аппроксимации не превышает обычно 3дБ для частотной и π/4 для фазовой характеристики, что часто достаточно для практических целей пользования ОУ. Следует иметь в виду, что если граничные частоты отдельных каскадов близки друг к другу, то реальные характеристики не показывают в явном виде изломы, соответствующие аппроксимации по Боде.
Параметры амплитудно-частотной и фазово-частотной характеристик:
- верхняя граничная частота ОУ с разомкнутой обратной связью, измеренная в режиме малого сигнала. Ее величина определяется частотной характеристикой самого инерционного каскада ОУ и, в свою очередь, определяет ход переходной характеристики ОУ;
- частота единичного усиления – это частота, на которой модуль коэффициента усиления ОУ равен единице;
- частота, на которой внутренний фазовый сдвиг в ОУ достигает величины p радиан (1800
). При применении ОУ с внешней частотно-независимой отрицательной обратной связью именно на этой частоте возникает самовозбуждение, если на ней петлевое усиление.
Отличительной особенностью двухкаскадного ОУ является то, что АЧХ обладает только двумя полюсами и имеет только две частоты излома и .
В целях обеспечения устойчивости ОУ вводится коррекция АЧХ. В трехкаскадном ОУ используются две RC – цепи, подключаемые к УН и УА, которые создают дополнительную задержку по фазе высокочастотного сигнала до π и тем самым обеспечивают устойчивую работу усилителя. Отличительной особенностью двухкаскадного ОУ является то, что для коррекции его АЧХ в целях обеспечения устойчивости при ООС необходима лишь одна емкость . На рис 2.9 приведена упрощенная структурная схема двухкаскадного ОУ с учетом коррекции АЧХ.

Рис.2.9. Упрощенная структурная схема двухкаскадного ОУ
с коррекцией АЧХ
(К1
, К2
, К3
– коэффициенты усиления ДУ, УА, ЭП соответственно)
Полагая, что АЧХ ОУ будет определять в основном второй каскад, практически выполняющий операцию интегрирования, АЧХ имеет вид [11]
,
где - коэффициент усиления ДУ,
- коэффициент усиления УА в области средней частоты,
= 1 - коэффициент усиления ЭП,
- постоянная времени.

Рис.2.10. Малосигнальная АЧХ двухкаскадного ОУ
Таким образом, малосигнальная АЧХ двухкаскадного ОУ принимает вид, изображенный на рис.2.10, отображает закон уменьшения коэффициента усиления с изменением частоты f и имеет две особые точки: граничную частоту и частоту единичного усиления .
Наиболее универсальной и наглядной характеристикой ОУ является переходная характеристика (рис.2.11), позволяющая в режиме малого сигнала определить линейные искажения импульсного сигнала, в том числе время нарастания выходного сигнала при воздействии единичного напряжения на входе усилителя.

Рис.2.11. Переходная характеристика ОУ
( - время нарастания)
При большом уровне сигнала ОУ характеризуется скоростью нарастания выходного напряжения, которая определяется внутренними токами и емкостями схемы. Из-за ограниченной скорости отклика большого сигнала с ростом частоты снижается амплитуда неискаженного выходного сигнала ОУ.
При воздействии синусоидального сигнала на входе ОУ имеем [11]
.
Скорость изменения выходного сигнала является функцией времени
.
При этом максимальная скорость изменения выходного сигнала наблюдается при t = 0 и не может превышать быстродействие ОУ 
.
Условие для максимального неискаженного выходного сигнала имеет вид:
,
а для максимальной частоты входного гармонического сигнала при заданных величинах и 
.
На рис.2.12 показаны диаграммы, иллюстрирующие изменение неискаженной амплитуды на выходе ОУ при различных частотах входного сигнала.

Рис.2.12. Диаграммы, показывающие образование треугольных,
ограниченных по скорости нарастания, выходных сигналов ОУ (б) при одинаковых амплитудах выходных сигналов с разными частотами (а)
2.5.
Схема включения ОУ
Для обеспечения нормальной работы ОУ необходимо выполнять правила включения их в схему.
ОУ питаются, как правило, от двухполярного источника питания с равными напряжениями ( 12.6 В, 15 В и др.). Причем, если заземляется одна из внутренних точек ОУ, то допустима нестабильность и асимметрия  .
При включении ОУ без или с неглубокой обратной связью может потребоваться балансировка ОУ. У ОУ 140УД8 потенциометр балансировки специально предусмотрен; а балансировку других ОУ можно выполнить, подав на один из входов напряжение смещения нуля от делителя напряжения блока питания стенда. При глубокой отрицательной обратной связи по постоянному току балансировка осуществляется автоматически и дополнительных мер принимать не нужно.
Многие ОУ при введении внешней обратной связи становятся склонны к самовозбуждению. Для устранения самовозбуждения в ОУ первых выпусков применяются цепи внешней коррекции, уменьшающие усиление или изменяющие фазовый сдвиг таким образом, чтобы выполнилось условие: на частоте, на которой фазовый сдвиг петлевого усиления равен 2p, модуль .
ОУ типа 140УД8 содержат внутренние элементы коррекции и сохраняют устойчивость при любой глубине обратной связи без дополнительных элементов коррекции.
Для защиты ОУ от неправильных режимов работы обычно применяют следующие:
- между входами ОУ в параллель навстречу друг другу включают 2 точечных кремниевых диода. Эти диоды, практически не шунтируя вход ОУ при малых дифференциальных сигналах, ограничивают максимальную величину дифференциального сигнала на уровне 0.7-1В, предотвращая пробой транзисторов входного каскада;
- на выход ОУ, не имеющий внутренней защиты от короткого замыкания, включают ограничительное сопротивление порядка сотен ом.
3.
ТИПОВЫЕ ВКЛЮЧЕНИЯ ОУ С РЕЗИСТИВНОЙ ОБРАТНОЙ СВЯЗЬЮ
Внешняя частотно-независимая резистивная обратная связь, охватывающая ОУ, изменяет его коэффициент усиления и полосу частот, не изменяя формы частотной характеристики. В зависимости от того, на какой вход ОУ подается полезный сигнал, различают инвертирующее, Неинвертирующее и дифференциальное включения ОУ.
3.1.
Инвертирующее включение ОУ
Инвертирующее включение является основной схемой включения ОУ. В этом случае сигнал подается на инвертирующий вход ОУ, а неинвертирующий вход заземляется через резистор R3 или непосредственно (рис.3.1).

Рис.3.1. Основная схема включения ОУ
Элементы схемы:
- резистор в цепи управления,
- резистор обратной связи,
- резистор балансировки.
Резистор создает параллельную отрицательную обратную связь по напряжению. При идеальном ОУ потенциалы его входов будут равны нулю (j-
= j+
= 0), так как неинвертирующий вход заземлен, а разность потенциалов между входами равна нулю. Соответственно входной ток схемы равен и весь течет через резистор , так как входной ток ОУ равен нулю.
С учетом вышеперечисленного для идеального ОУ коэффициент усиления схемы равен [3, 4]
, (3.1а)
входное сопротивление
, (3.1б)
выходное сопротивление
, (3.1в)
верхняя граничная частота
. (3.1г)
Таким образом, при применении идеального ОУ параметры схемы определяются только внешними элементами - , , их величиной и стабильностью и т.д.
Достоинства инвертирующего включения ОУ - простота, отсутствие синфазной помехи. Недостаток - невысокое входное сопротивление.
Реальные ОУ имеют конечные величины параметров что обуславливает неточность соотношений (3.1а) - (3.1г). Для анализа воспользуемся эквивалентной схемой инвертирующего ОУ (рис.3.2).

Рис.3.2. Эквивалентная схема основной схемы включения ОУ
С учетом неидеальности ОУ коэффициент усиления ОУ
, (3.2)
где - коэффициент передачи цепи обратной связи
, (3.3)
К1
- коэффициент передачи входной цепи
.
При имеем
,
,
.
Входное сопротивление
, (3.4)
выходное сопротивление
. (3.5)
Верхняя граничная частота лежит в пределах от до и тем выше, чем глубже обратная связь, т.е. чем меньше .
Выражениями (3.1) тем правомернее пользоваться, чем сильнее неравенства
. (3.6)
У современных ОУ они довольно просто выполняются.
На основе рассмотренной схемы включения ОУ можно реализовать инвертирующие усилители с плоской частотной характеристикой и коэффициентами усиления (рис.7.6). На рис.3.3 приведен сумматор на ОУ при инвертирующем включении, обладающий следующими свойствами:
- слабым взаимовлиянием источников сигнала (хорошая развязка обусловлена тем, что потенциал общей точки входа ОУ (т.А) близок к нулю);
- возможностью суммировать большое количество сигналов с различными весами в соответствии с величинами и т.д.:

где ,
,
.

Рис.3.3. Сумматор на инвертирующем ОУ
3.2.
Неинвертирующее включение ОУ
Схема неинвертирующего включения ОУ представлена на рис.3.4,а [3,4].

а) б)
Рис.3.4. Неинвертирующее включение ОУ:
а) основная схема
;
б) повторитель
Резисторы и создают последовательную отрицательную обратную связь по напряжению. Резистор может использоваться для балансировки ОУ.
Основные параметры схемы неинвертирующего включения для идеального ОУ следующие:
- коэффициент усиления
, (3.7а)
- входное сопротивление
, (3.7б)
- выходное сопротивление
, (3.7в)
- верхняя граничная частота
. (3.7г)
Достоинство схемы - высокое входное сопротивление.
С учетом ограниченности величин параметров реального ОУ - коэффициент усиления неинвертирующего ОУ
, (3.8)
где
, (3.9)
- входное сопротивление
, (3.10)
- выходное сопротивление
, (3.11)
- верхняя граничная частота
лежит в пределах от до (при
).
На основе рассмотренной схемы можно получить неинвертирующие усилители с коэффициентом усиления и высоким входным сопротивлением. Благодаря этому неинвертирующий усилитель часто применяется в измерительных устройствах.
При R2
= ∞ и R1
= R3
= 0 имеем повторитель на операционном усилителе (Кu
= 1) (рис. 3.4, б).
3.3.
Операционный усилитель при дифференциальном включении (дифференциальный усилитель)
Схема при дифференциальном включении ОУ приведена на рис.3.5 [4–6].

Рис. 3.5. Схема при дифференциальном включении ОУ
(дифференциальный усилитель)
Такой усилитель, как и дифференциальный каскад, предназначен для усиления разности двух входных напряжений Uвх
1
и Uвх
2
. Схема является сочетанием инвертирующего и неинвертирующего включения ОУ. При этом для выравнивания коэффициентов передачи с обоих входов напряжение на инвертирующий вход ОУ подается через резистивный делитель R2
и R3
.
При = ∞ и Rос
= 0 коэффициент передачи при инвертирующем включении равен
,
при неинвертирующем включении
.
Если выполняется следующее равенство , то имеем .
При этом выходное напряжение равно
,
т.е. зависит от разности входных сигналов и слабо чувствительных к синфазному входному сигналу.
3.4.
Синфазное включение ОУ
Если к обоим входам ОУ прикладываются напряжения одной и той же амплитуды и фазы, то такое включение ОУ называется синфазным включением.
Схема при синфазном включении ОУ приведена на рис. 3.6 [4-7].

Рис. 3.6. Синфазное включение ОУ
При R1
= R3
и R2
= R4
и идеальном ОУ выходной сигнал равен нулю. В реальных ОУ это условие практически не выполняется, и при Uвх
1
= Uвх
2
выходной сигнал не равен нулю.
Коэффициент передачи синфазного сигнала при Uвх
1
= Uвх
2
.
Обычно много меньше единицы, что затрудняет использование этого параметра.
Более удобным является другой параметр, а именно коэффициент ослабления синфазного сигнала , равный отношению коэффициента усиления дифференциального сигнала К0
к коэффициенту передачи синфазного сигнала
.
3.5.
Выбор операционного усилителя
Выбор ОУ производится путем сравнения требований на усилитель (величин , , , , , и т.д.) с паспортными параметрами ОУ ( , , , , и т.д.).
Необходимым условием правильного выбора ОУ является выполнение следующих соотношений [3-6]:
а) по коэффициенту усиления
, (3.12а)
б) по частотным свойствам в режиме малого сигнала
(3.12б)
(это довольно жесткое условие, предполагающее применение в ОУ коррекции с отставанием по фазе, сильно сужающей полосу пропускания; реально можно получить площадь усиления больше, чем частота единичного усиления ОУ ),
в) по динамическому диапазону
, (3.12в)
г) по быстродействию в режиме большого сигнала
. (3.12г)
Если этим условиям удовлетворяют несколько ОУ, то выбирают наиболее соответствующий остальным требованиям
3.6.
Выбор и расчет элементов схемы
Рассмотрим расчет величин внешних элементов усилителя на ОУ: цепей обратной связи, коррекции, балансировки, защиты от перегрузки и т.д., а именно определим величину резисторов , , (см. рис.3.1) [4]. Эти элементы обеспечивают нормальный режим работы ОУ (балансировка) и требуемые усилительно-частотные параметры усилителя.
При инвертирующем включении (рис. 3.1) величина определяется из соотношения (если задано значение входного сопротивления усилителя) или в соответствии с (3.1а). Более точно значение определим из (3.2) и (3.3).
Наибольшая величина ограничивается допустимым падением напряжения при протекании входного тока ОУ (обычно 10% от ), т.е.
. (3.13)
Сопротивление при этом равно
.
Величина подключаемой нагрузки определяется нагрузочной способностью ОУ, а именно:
. (3.14)
Максимальные значения и ограничены допустимым ухудшением частотных характеристик усилителя за счет наличия паразитных емкостей схемы Сп
(например, на рис. 3.2 емкости Сп
). При этом имеем следующее соотношение:
. (3.15)
На практике обычно величину берут не более единиц мегаом ввиду трудностей, возникающих из-за паразитных токов утечки, обусловленных технологией изготовления усилителя.
Величина находится из следующих условий:
- если собственно ОУ сбалансирован ( = 0, = 0), то
.
Соотношение верно при условии, что >> (внутреннего сопротивления источника сигнала) или включает , >> , что обычно выполняется,
- если существует начальный разбаланс ОУ, то его можно уменьшить, используя падение напряжения на за счет протекания входного тока
.
В большинстве случаев и при малых входных токах ОУ, как правило, резистор не используется.
Покажем расчет усилителя на следующем примере. Требуется рассчитать усилитель со следующими параметрами:
= 100, = 6В, = 10 кОм, = 0, = 10 кГц.
Выбираем тип ОУ, который с точки зрения частотных свойств должен иметь ³ × = 1 МГц.
 × = 1.5 В/мкс.
Этим требованиям удовлетворяет ОУ 140УД8Б. Выбираем и рассчитываем навесные элементы в соответствии с (3.13):
= 10 кОм.
В соответствии с (3.15) и приняв величину паразитной емкости = =20 пФ, имеем
»1.0 МОм.
При = 1 МОм имеем
= 10 кОм.
При Iвх
= 1 нA = 10-9 A
падение напряжения на R3
, будет равно UR
3
= =0.01 мВ, что значительно меньше Uсм
. Следовательно, при малых Iсм
сопротивление R3
можно не использовать.
4.
КРАТКИЕ СВЕДЕНИЯ О ЛАБОРАТОРНОМ СТЕНДЕ
Исследуемый операционный усилитель 140УД8 вмонтирован в плату с набором монтажных гнезд. Напряжение питания к нему подведено, а вывод "корпус" - заземлен.
Для защиты микросхем от перегрузки между входами встречно включены диоды Д220, а последовательно с выходами - резисторы 1 килоом.
Для монтажа схем на плату выведены выводы 3 и 4 (инвертирующий и неинвертирующий входы) и вывод 7 (выход).
Балансировка 140УД8 производится потенциометром, встроенным в стенд.
Сборка схемы испытаний производится с помощью гибких перемычек и сопротивлений, набор которых имеется в лабораторном столе. Для исследования используются приборы С1-93, Г3-112.
5.
ДОМАШНЕЕ ЗАДАНИЕ
1. Изучить описание экспериментальной установки, основные параметры и правила пользования измерительными приборами (см. методические указания к лабораторной работе № 1 по курсу "Схемотехника АЭУ") [12].
2. Изучить особенности схемотехники, параметры и характеристики операционных усилителей общего назначения.
3. Изучить способы включения, параметры и характеристики при включении операционных усилителей с резистивной обратной связью.
4. Выбрать и рассчитать резисторы цепи управления и обратной связи с целью получения коэффициентов усиления , где - номер стола. Величины резисторов R1
и R2
рекомендуется выбирать из условий
R1
³ 1.0 кОм R2
£1.0 МОм,
а также с учетом имеющихся в лаборатории номиналов резисторов. Выбор провести:
- для инвертирующего включения ОУ,
- для неинвертирующего включения ОУ,
- для дифференциальное включение ОУ.
5. Составить схему установки для измерения коэффициента усиления и , максимального входного сигнала , скорости нарастания выходного напряжения , времени нарастания выходного напряжения tнар
,
амплитудно-частотной характеристики ОУ:
- при инвертирующем включении ОУ,
- при неинвертирующем включении ОУ,
- при дифференциальном включении ОУ.
6. Составить схему установки для измерения коэффициента усиления, максимального входного сигнала , скорости нарастания выходного напряжения , времени нарастания выходного напряжения tнар
,
граничных частот и частоты единичного усиления для повторителя на ОУ.
7. Составить схему установки для измерения коэффициента ослабления синфазного входного сигнала.
6.
ЭКСПЕРИМЕНТАЛЬНАЯ ЧАСТЬ
1. Ознакомление с работой приборов.
2. Исследование масштабного усилителя при инвертирующем включении ОУ с заданными коэффициентами усиления и . Измеряются:
- максимальное входное напряжение ,
- коэффициент усиления по напряжению ,
- входное сопротивление Rвх
,
- амплитудно-частотная характеристика (Р) (до уровня ослабления коэффициента усиления не менее 40 дБ) при двух значениях амплитуды входного сигнала,
- частота единичного усиления f1
и верхняя граничная частота fв
,
- максимальная скорость нарастания выходного напряжения ,
- время нарастания выходного напряжения tнар
.
3. Исследование масштабного усилителя при неинвертирующем включении ОУ с заданными коэффициентами усиления и . Измеряются:
- максимальное входное напряжение ,
- коэффициент усиления по напряжению ,
- амплитудно-частотная характеристика (Р) (до уровня ослабления коэффициента усиления не менее 40 дБ) при двух значениях амплитуды входного сигнала,
- частота единичного усиления f1
и верхняя граничная частота fв
,
- максимальная скорость нарастания выходного напряжения ,
- время нарастания выходного напряжения tнар
.
4. Исследование усилителя при дифференциальном включении ОУ с заданными коэффициентами усиления и . Измеряются коэффициенты усиления по напряжению в полосе пропускания усилителя.
Измеряются:
- коэффициент усиления по напряжению ,
- верхняя граничная частота ,
- максимальное входное напряжение 
при двух способах подачи сигнала генератора Еi
(рис.3.5):
а) на инвертирующий вход
(вход включен на корпус),
б) на неинвертирующий вход
(вход включен на корпус).
5. Исследование повторителя на ОУ. Измеряются:
- коэффициент усиления по напряжению ,
- верхняя граничная частота fв
,
- максимальная скорость нарастания выходного напряжения ,
- время нарастания выходного напряжения tнар
.
6. Исследование усилителя при синфазном включении ОУ при = = = . Измеряется коэффициент передачи синфазного сигнала при заданных соотношениях = .
7.
МЕТОДИЧЕСКИЕ УКАЗАНИЯ
Измерение производить на частоте 1 кГц, при появлении небольших нелинейных искажений балансировкой добиться симметричного искажения синусоиды. Измерение остальных параметров производить при .
1. Рекомендуемые для использования схемы:
- при инвертирующем включении ОУ – рис.7.1,
- при неинвертирующем включении ОУ – рис.7.2,
- при исследовании повторителя на ОУ – рис.7.3,
- при дифференциальном включении ОУ – рис.7.4,
- при синфазном включении ОУ – рис.7.5.
2. При измерении максимального входного сигнала с Г3-112 на вход исследуемого усилителя подается синусоидальный сигнал в полосе его пропускания в диапазоне частот от 1.0 до 10.0 кГц и фиксируется значение , при котором начинают появляться искажения в выходном сигнале.

Рис.7.1. Инвертирующее включение ОУ

Рис.7.2. Неинвертирующее включение ОУ
Рис.7.3. Повторитель на ОУ

Рис. 7.4. Дифференциальное включение ОУ

Рис. 7.5. Синфазное включение ОУ
3. Измерения , , производить по методике, используемой в лабораторной работе №1 по курсу [9] при подаче на вход синусоидального сигнала в диапазоне частот от 1.0 до 10.0 кГц и амплитуде входного сигнала .
4. Амплитудно-частотная характеристика измерения в диапазоне частот, когда неравномерность коэффициента усиления не менее 40 дБ при обязательном измерении частоты единичного усиления и при двух значениях амплитуды входного сигнала и 
На рис.7.6 приведена типичная амплитудно-частотная характеристика (АЧХ) усилителя на ОУ.
Рис. 7.6. Типичная амплитудно-частотная характеристика усилителя на ОУ: 1 – без ООС, 2 – с ООС
5. Время нарастания выходного напряжения tнар
и скорость нарастания выходного напряжения измеряются двумя способами.
а) При подаче на вход прямоугольных импульсов с генератора Г3-112 (режим "меандр")
На рис 7.7 иллюстрируется методика измерения времени нарастания выходного напряжения tнар
и скорости нарастания выходного напряжения . При этом tнар
определяем как время, за которое выходное напряжение изменяется от уровня 0.1 до уровня 0.9 установившегося значения, а - как отношение приращения выходного напряжения к времени нарастания tнар
, за которое произошло это нарастание.
Рис. 7.7. Время нарастания t нар
и скорость нарастания выходного напряжения 
б) При подаче на вход синусоидального сигнала
При подаче на вход усилителя с генератора Г3-112 синусоидального сигнала частоты, близкой к верхней граничной частоте fв
,
измеряется максимально достижимая крутизна изменения синусоидального выходного сигнала в момент пересечения среднего уровня при увеличении амплитуды входного сигнала (см. рис.2.12). Обязательным условием при этом является то, что амплитуда входного сигнала не должна превышать .
6. Измерение коэффициента ослабления синфазного сигнала
Методика измерения сводится к подключению на оба входа некоторого напряжения и измерению вызванного им выходного напряжения [7]. Используется схема с дифференциальным сбалансированным входом, приведенная на рис. 7.5.
Коэффициент передачи схемы по дифференциальному сигналу для измерения должен быть большим (не менее тысячи), поскольку коэффициент усиления синфазного сигнала мал. Ввиду того, что к обоим входам усилителя приложено одно и то же напряжение, выходное напряжение окажется небольшим и будет определяться значением коэффициента усиления синфазного сигнала усилителя. Так как здесь нет дифференциального входного напряжения, то коэффициент передачи усилителя, изображенного на схеме рис. 7.5, будет иметь вид
,
где ,
- коэффициент усиления ОУ без ОС.
Подставляя в первое выражение значение b и разрешая это равенство относительно , при получим
= .
8.
СОДЕРЖАНИЕ ОТЧЕТА
Отчет по лабораторной работе должен содержать:
1. Цель работы.
2. Таблица паспортных параметров исследуемого ОУ.
3. Схемы измерительных установок.
4. Расчет величин элементов схем.
5. Таблица и графики экспериментальных зависимостей.
6. Анализ результатов эксперимента.
9.
ВОПРОСЫ ДЛЯ САМОПРОВЕРКИ
1. Дайте определение операционного усилителя. Перечислите достоинства ОУ в интегральном исполнении, обеспечившие их широкое применение.
2. Сформулируйте цель и содержание данной лабораторной работы.
3. Почему при отсутствии входного напряжения (входы заземлены) выходное напряжение ОУ ( ), как правило, не равно нулю. Какие меры предпринимают для уменьшения ?
4. Нарисуйте передаточную характеристику ОУ. Укажите на ней , . Определите по ней .
5. Нарисуйте частотную характеристику ОУ. Укажите на ней частоты 
6. Поясните связь фазовой и частотной характеристик ОУ.
7. Поясните условия, при которых ОУ может самовозбуждаться. Каковы пути устранения самовозбуждения?
8. Нарисуйте масштабный усилитель на ОУ. Поясните соображения по выбору величин его элементов. Поясните, как зависит его коэффициент усиления от выходного сопротивления источника сигнала.
10.
СПИСОК ЛИТЕРАТУР
Ы
1. Павлов В.Н., Ногин В.Н. Схемотехника аналоговых электронных устройств: Учебник для вузов. М.: Радио и связь, 2007. 320 с.
2. Ногин В.Н. Аналоговые электронные устройства. М.: Радио и связь, 2001. 304 с.
3. Алексенко А.Г., Коломбет Е.А., Стародуб Г.И. Применение прецизионных аналоговых микросхем. М.: Радио и связь, 2005. 256 с.
4. Свирид В.Л. Микросхемотехника аналоговых электронных устройств. Минск: Дизайн ПРО, 2008. 256 с.
Основные параметры операционного усилителя 140 УД8
| №
п/п
|
Наименование
|
140УД8А
|
140УД8Б
|
Режим
измерения
|
| 1
|
Коэффициент усиления по напряжению, , В/мВ
|
50
|
|
=5 кОм
|
| 2
|
Граничная частота единичного усиления, , МГц
|
1.0
|
1.0
|
На уровне =3 дБ
|
| 3
|
Скорость нарастания выходного напряжения, , В/мкс
|
2
|
5
|
|
| 4
|
Входной ток, , мкА
|

|

|
|
| 5
|
Максимальное входное синфазное напряжение, , В
|
10
|
10
|
Линейный режим усиления
|
| 6
|
Максимальное выходное напряжение, , В
|
10
|
8
|
При =12.6 В
|
| 7
|
Напряжение смещения, , мВ
|
50
|
100
|
При = 0
|
| 8
|
Разность входных токов, , мкА
|

|

|
При = 0
|
| 9
|
Коэффициент ослабления синфазного сигнала, , дБ
|
70
|
70
|
Без обратной связи
|
| 10
|
Температурный дрейф напряжения смещения, ΔI СМ
ТЕМП
, мкВ/град.
|
50
|
100
|
|
| 11
|
Напряжение питания, ЕП
, В
|

|

|
|
| 12
|
Ток, потребляемый от источника, , мА
|
3
|
3
|
|
| 13
|
Рассеиваемая мощность, , мВт
|
|
200
|
|
| 14
|
Емкость нагрузки, , нФ
|
500
|
500
|
|
| 15
|
Сопротивление нагрузки, , кОм
|
2
|
2
|
|
| 16
|
Диапазон рабочих температур, ΔТРАБ
, град. Цельсия
|
-60+85
|
-60+85
|
Зависит от типа корпуса
|
Схема включения и назначение выводов К140УД8
Схема включения зависит от типа корпуса Назначение выводов

| Вывод
|
Назначение
|
| 1
|
Общий
|
| 2
|
Балансировка
|
| 3
|
Вход инвертирующий
|
| 4
|
Вход неинвертирующий
|
| 5
|
Питание, -ЕП
|
| 6
|
Балансировка
|
| 7
|
Выход
|
| 8
|
Питание, +ЕП
|
Принципиальная схема К140УД8

|