| МИНИСТЕРСТВО СЕЛЬСКОГО ХОЗЯЙСТВА
И ПРОДОВОЛЬСТВИЯ РЕСПУБЛИКИ БЕЛАРУСЬ
Главное управление ОБРАЗОВАНИЯ, науки И КАДРОВ
Учреждение образования
«БЕЛОРУССКАЯ ГОСУДАРСТВЕННАЯ
СЕЛЬСКОХОЗЯЙСТВЕННАЯ АКАДЕМИЯ»
Кафедра мелиоративных и строительных машин
бетоносмесители
Методические указания к лабораторным занятиям
Для студентов специальностей 1-74 06 04 – техническое обеспечение
мелиоративных и водохозяйственных работ, 1-74 04 01 – сельское строительство и обустройство территорий
Одобрено методической комиссией факультета механизации сельского хозяйства 05.02.2005.
Составил В. А. ДРЕМУК.
УДК 693.542.52(072)
Бетоносмесители:
Методические указания /Белорусская государственная сельскохозяйственная академия; Сост. В. А. Д р е м у к. Горки, 2005. 33 с.
Приведены основные типы и конструктивные схемы бетоносмесителей. Даны указания по изучению конструкции, технической эксплуатации и технике безопасности при работе.
Таблиц 5. Рисунков 11. Библиогр. 6.
Рецензент канд. техн. наук, доцент М. П. Третьяк.
Ó Составление. В.А. Дремук, 2005
Ó Учреждение образования
«Белорусская государственная
сельскохозяйственная академия», 2005
Цель работы:
1. Изучить технические характеристики бетоносмесителей.
2. Изучить устройство, работу и регулировки бетоносмесителей.
3. Ознакомиться с возможными неисправностями механизмов бетоносмесителей и способами их устранения.
4. Ознакомиться с правилами техники безопасности во время эксплуатации и при техническом обслуживании бетоносмесителей.
Оснащение и учебно-наглядные пособия:
1.Узлы и макеты бетоносмесителей.
2. Учебные плакаты по изучению конструкций механизмов бетоносмесителей.
3. Технические средства обучения.
4. Методические указания по выполнению лабораторной работы, литература.
Порядок выполнения работы
1. Изучить конструкцию, принцип работы и регулировки узлов и агрегатов бетоносмесителей.
2. Изучить устройство и работу механической и гидравлической систем управления.
3. Изучить особенности эксплуатации бетоносмесителей.
4. Изучить возможные неисправности бетоносмесителей и способы их устранения.
5. Изучить технику безопасности при эксплуатации и техническом обслуживании бетоносмесителей.
1. Общие сведения
Процесс приготовления бетонной смеси состоит из операций дозирования компонентов и их смешивания.
Забиваем Сайты В ТОП КУВАЛДОЙ - Уникальные возможности от SeoHammer
Каждая ссылка анализируется по трем пакетам оценки: SEO, Трафик и SMM.
SeoHammer делает продвижение сайта прозрачным и простым занятием.
Ссылки, вечные ссылки, статьи, упоминания, пресс-релизы - используйте по максимуму потенциал SeoHammer для продвижения вашего сайта.
Что умеет делать SeoHammer
— Продвижение в один клик, интеллектуальный подбор запросов, покупка самых лучших ссылок с высокой степенью качества у лучших бирж ссылок.
— Регулярная проверка качества ссылок по более чем 100 показателям и ежедневный пересчет показателей качества проекта.
— Все известные форматы ссылок: арендные ссылки, вечные ссылки, публикации (упоминания, мнения, отзывы, статьи, пресс-релизы).
— SeoHammer покажет, где рост или падение, а также запросы, на которые нужно обратить внимание.
SeoHammer еще предоставляет технологию Буст, она ускоряет продвижение в десятки раз,
а первые результаты появляются уже в течение первых 7 дней.
Зарегистрироваться и Начать продвижение
Для приготовления бетонных смесей из отдозированных компонентов: вяжущего (цемента), воды, химических добавок и заполнителей (песка, щебня или гравия) предназначены бетоносмесители. Их классифицируют по трём основным признакам: условиям эксплуатации, режиму работы и способу перемешивания.
По условиям эксплуатации различают передвижные и стационарные бетоносмесители.
Передвижные
бетоносмесители используют для небольших объёмов работ на рассредоточенных объектах или при возведении линейно-протяженных объектов. Они имеют ёмкость готового замеса малых и средних размеров.
Стационарные
бетоносмесители используют в течение длительного периода на одном месте в комплекте технологического оборудования бетоносмесительных установок и заводов средней и большой производительности.
По режиму работы бетоносмесители делятся на две группы: цикличного и непрерывного действия.
В цикличных
бетоносмесителях
процесс приготовления бетонной смеси происходит по операциям: загрузка, перемешивание и выгрузка готового замеса. Следующая порция отдозированных компонентов подается в смесительную ёмкость после выгрузки готового замеса. Такой способ приготовления позволяет регулировать продолжительность смешивания в зависимости от состава смеси и используется при производстве бетонной смеси различных марок.
Рабочие органы цикличного бетоносмесителя работают в повторнократковременном режиме, что отрицательно влияет на срок службы. Главным параметром цикличных бетоносмесителей является полезная вместимость ёмкости, в которой смешиваются компоненты. В технической характеристике вместимость характеризует объём готового замеса в литрах, а также объём загрузки сыпучих компонентов.
Бетоносмесители непрерывного действия
загружаются компонентами бетонной смеси непрерывным потоком постоянного сечения с помощью ленточных питателей или ленточных конвейеров. Компоненты подаются в бетоносмеситель одновременно и в процессе перемешивания перемещаются к разгрузочному люку. Готовая смесь непрерывно поступает в транспортные средства. Главным параметром является производительность по готовой смеси - 5, 30, 60, 120, и 240 м3
/ч. Они широко применяются в строительстве, где требуется одномарочный бетон в больших объёмах.
По способу смешивания бетоносмесители разделяются на гравитационные и принудительного действия.
Гравитационные
цикличные смесители характеризуются несложными конструкцией и кинематической схемой, возможностью работать с заполнителями крупностью 120...150 мм, незначительным изнашиванием рабочих органов, малой энергоёмкостью процесса, простотой обслуживания и эксплуатации, низкой себестоимостью. Оптимальное время смешивания в таких смесителях 60...120 с, а полный цикл, включая загрузку, смешивание, выгрузку и возврат барабана в исходное положение, – 90...180 с. ГОСТ 16349-85 предусматривает 13 типоразмеров гравитационных бетоносмесителей с объёмом готового замеса бетонной смеси: 33, 65, 165, 250, 330, 500, 750, 1000, 2000, 3000, 4000, 5000, 6000 л. Гравитационный бетоносмеситель представляет собой барабан, вращающийся вокруг горизонтальной или наклонной к горизонту (обычно до 15) оси с закреплёнными на его внутренней поверхности лопастями. В зависимости от формы смесительного барабана бетоносмесители могут быть с наклоняющимся барабаном грушевидной и двухконусной формы, с чашевидным или корытообразным корпусом, с лопастными горизонтальными валами и горизонтальным цилиндрическим барабаном. При вращении барабана компоненты бетонной смеси подхватываются лопастями, расположенными на внутренней поверхности барабана, поднимаются в положение, при котором свободно падают, перемешиваясь с нижними слоями, которые в свою очередь увлекаются вверх. Таким образом происходит смешивание компонентов. Эти смесители хорошо смешивают умеренно подвижные и подвижные бетонные смеси, но не обеспечивают достаточной однородности жёстких и малоподвижных бетонных смесей.
Сервис онлайн-записи на собственном Telegram-боте
Попробуйте сервис онлайн-записи VisitTime на основе вашего собственного Telegram-бота:
— Разгрузит мастера, специалиста или компанию;
— Позволит гибко управлять расписанием и загрузкой;
— Разошлет оповещения о новых услугах или акциях;
— Позволит принять оплату на карту/кошелек/счет;
— Позволит записываться на групповые и персональные посещения;
— Поможет получить от клиента отзывы о визите к вам;
— Включает в себя сервис чаевых.
Для новых пользователей первый месяц бесплатно.
Зарегистрироваться в сервисе
Гравитационные смесители непрерывного действия представляют собой вращающийся барабан, на внутренней поверхности которого размещены лопасти. После загрузки составляющих в смеситель они захватываются лопастями, поднимаются вверх и, падая, перемещаются по оси барабана к его разгрузочному концу. Лопасти располагаются под таким углом, чтобы во время движения по барабану все компоненты хорошо перемешивались. В конце барабана установлен лоток для разгрузки смеси. Такие машины применяют при строительстве больших объектов. Производительность их 120...130 м /ч. По сравнению с бетоносмесителями цикличного действия они имеют более простое устройство и меньшую металлоёмкость, а их управление легче автоматизировать.
В смесителях принудительного действия
потоки смешиваемой массы создаются лопастями, движущимися внутри смесительной ёмкости.
К преимуществам смесителей принудительного действия относятся большая активность процесса, предотвращение комкования смеси, к недостаткам – ограниченное применение крупных заполнителей, большая энергоёмкость процесса, значительный износ рабочих поверхностей, высокая себестоимость процесса. Оптимальное время смешивания 30...50 с, полный цикл – 75...120с.
Цикличные бетоносмесители принудительного действия. Использование таких бетоносмесителей наиболее рационально на заводах железобетонных изделий для приготовления мелкозернистых, малоподвижных и жёстких бетонных смесей. Приготовление смесей с крупностью фракций более 70 мм нежелательно, так как возможно заклинивание частиц между движущимися лопастями и стенками корпуса. ГОСТ 16349-85 предусматривает 11 типоразмеров бетоносмесителей принудительного действия с объёмом готового замеса бетонной смеси 33, 65, 165, 250, 330, 500, 750, 1000, 2000, 3000, 4000 л.
Цикличные бетоносмесители принудительного действия бывают нескольких типов: с корытообразным корпусом (лотковые смесители) и горизонтальными смешивающими валами; с цилиндрическим корпусом чашей (роторные или тарельчатые смесители) и вертикально расположенными смешивающими валами.
Бетоносмесители с корытообразным корпусом и горизонтальными смешивающими валами бывают: с одним смешивающим валом и выгрузкой путём опрокидывания; с одним смешивающим валом и выгрузкой через люк, находящийся в нижней части корпуса; с двумя смешивающими валами и донной выгрузкой через люк. Бетоносмесители с цилиндрическим корпусом чашей и вертикально расположенными смешивающими валами могут быть противоточные, с одновременным вращением чаши и смешивающих валов, с вращающейся и неподвижной чашей.
Обязательным условием работы бетоносмесителя такого типа является загрузка его исходными материалами при вращающемся роторе. Одновременно с подачей через патрубок отдозированных заполнителей и цемента по трубе подаётся соответствующая доза воды. Смесительное устройство при этом интенсивно перемешивает компоненты в однородную смесь. По сравнению с гравитационными бетоносмесители принудительного действия более металлоёмки и энергоёмки, сложнее по конструкции, но обеспечивают быстрое и высококачественное перемешивание бетонных смесей, различных по подвижности и жёсткости.
Бетоносмесители непрерывного действия с принудительным перемешиванием имеют производительность 5, 30, и 60 м3
/ч. Характерной особенностью таких машин является наличие двухвальной лопастной мешалки, как у смесителей асфальтобетонных установок. Эти бетоносмесители применяют на передвижных и стационарных бетонных заводах для приготовления жёстких и подвижных смесей с крупностью заполнителя 40 мм и строительных растворов.
Кроме того, бетоносмесители классифицируют:
по способу загрузки – на бетоносмесители со скиповым ковшом, со специальным дозатором, с загрузочной воронкой и ручной загрузкой;
по степени автоматизации – на неавтоматизированные, полуавтоматизированные, автоматизированные с программным управлением.
по типу управления – на бетоносмесители с ручным, электромеханическим, гидравлическим и пневматическим управлением.
Кроме перечисленных принципиальных признаков, смесители классифицируются по конструктивных признакам: по типу привода, числу двигателей, форме смесительного барабана, типу перемешивающего устройства, расположению оси перемешивающего устройства в пространстве, способу разгрузки и т.п. Классификация по этим признакам приводится ниже применительно к конкретным типам бетоносмесителей.
2. Гравитационные бетоносмесители
Наиболее распространенными являются гравитационные смесители периодического действия, представляющие собой установленный на опорах опрокидной двухконусный барабан с размешенными на его стенках лопастями. Перемешивание происходит за счет того, что все загруженные в барабан составляющие смеси попеременно то поднимаются вверх, то под действием силы тяжести падают вниз.
Бетоносмеситель СБ-116А передвижной, предназначен для приготовления бетонной смеси с крупностью заполнителя до 40 мм. Он состоит из смесительного барабана, редуктора, механизма поворота и фиксации барабана, рамы с ходовой частью на пневматических колесах (рис. 1).

Рис. 1. Бетоносмеситель СБ-116А: 1 —
редуктор; 2 — кожух; 3 — клиновой ремень; 4
— двигатель 2СД-М1-11; 5 — колесо; б — дышло; 7 — рама;
8 — смесительный барабан; 9 — лопасть
Смесительный барабан выполнен из листовой стали. Верхняя часть его имеет форму усеченного конуса, нижняя — цилиндра, в днище которого вварена втулка для посадки на вал редуктора. К стенкам барабана крепятся лопасти, которые можно быстро заменить при износе. Бетоносмеситель имеет редуктор, который со смесительным барабаном поворачивается вокруг своей оси на подшипниках, изменяя положение оси смесительного барабана. Управление смесительным барабаном осуществляется вручную с помощью рукоятки, установленной на корпусе редуктора. Положение барабана фиксируется штырем рукоятки, который входит в отверстие кронштейна на раме бетоносмесителя.
Привод вращения смесительного барабана осуществляется от двигателя внутреннего сгорания через клиноременную передачу и редуктор.
Бетоносмеситель СБ-174 предназначен для приготовления однородной бетонной смеси с крупностью заполнителя до 70 мм. Он представляет собой передвижную (на полозьях) машину цикличного действия, состоящую из следующих основных узлов: рамы, смесительного барабана с траверсой, механизма подъема и опускания загрузочного ковша, вододозировочной системы и пульта управления.
Рама сварной конструкции служит основанием, на котором смонтированы все механизмы смесителя. Сварной смесительный барабан состоит из горловины, обечайки, ступицы и днища, выполненных из листовой стали. На внутренней поверхности барабана укреплены три изогнутые по кривой смесительные лопасти. Барабан укреплен на оси редуктора. Механизм опрокидывания барабана состоит из штурвала ручного опрокидывания барабана, редуктора, тормозного шкива, фиксатора с тягой, пружины и ножной педали.
Техническая характеристика бетоносмесителя СБ-174
Вместимость смесительного барабана, л:
по загрузке ……………………………………..100
по готовому замесу ……………………….……65
Наибольшая крупность заполнителя, мм ….…40
Способ загрузки ………………………….…….Ручной
Способ выгрузки ………………………….……Опрокидывание
Мощность привода вращения барабана, кВт ...0,55
Габариты (без дышла), мм
длина ………………………………………….1380
ширина ………………………………….…….100
высота …………………………………………1400
Масса, кг ………………………………………...150
Разработчик НПО ВНИИстройдормаш
Изготовитель Тюменский завод строительных машин
Бетоносмеситель СБ-16Г (рис. 2) предназначен для приготовления бетонных смесей различных марок на стройках. Он представляет собой стационарную машину цикличного действия, состоящую из рамы, траверсы, смесительного барабана, гидроопрокидывателя, скипового подъемника, механизма подъема и опускания ковша, системы водопитания и электрооборудования.
Смесительный барабан выполнен из листовой стали. Верхняя часть его имеет форму усеченного конуса, нижняя — цилиндра, в днище которого вварена втулка для посадки на вал редуктора. К стенкам барабана прикреплены лопасти (три с помощью болтов, а три приварены). Опрокидывание смесительного барабана осуществляется гидроопрокидывателем, состоящим из гидроцилиндра, рычага, гидропривода и гидрораспределителя управления.
Гидроцилиндр закреплен к стойке рамы, там же размещена гидросистема с приводом. Скиповый подъемник состоит из рамы, загрузочного ковша, вибратора и механизма подъема и опускания ковша. К. задней стенке ковша приварены две оси с роликами для передвижения ковша по направляющим рамы.
Электрооборудование бетоносмесителя состоит из электродвигателей и системы управления ими, включающих в себя магнитные кнопки управления, конечные выключатели и защиту.

Рис. 2. Бетоносмеситель СБ-16Г:
1
— сжил; 2
— вододоэировочная система; 3 — правый швеллер в сборе; 4
— смеситель в сборе; 5 — дверца электрошкафа; 6 — электрооборудование; 7 — рама смесителя; 8 — левый швеллер в сборе; 9
— система
волопитания: 10
— ключ
Бетоносмеситель СБ-91Б (рис. 3) предназначен для приготовления подвижных бетонных смесей на бетонных заводах и бетоносмеситсльных установках. Он может также работать на открытых площадках под навесом при температуре окружающей среды не ниже +2°С. Основным оборудованием бетоносмесителя являются: рама, смесительный барабан, траверса, гидроопрокидыватель, механизмы вращения и опрокидывания смесительного барабана, электрооборудование, включающее аппаратуру пуска, защиты и управления.
Перевод барабана из положения приготовления смеси в положение выгрузки (и обратно) осуществляется поворотом траверсы (вместе с барабаном и редуктором) гидроцилиндром через рычаг.
При автоматическом режиме работы с нажатием кнопки «Пуск» происходит вращение барабана, с помощью кнопки «Назад» смесительный барабан устанавливается в положение загрузки (13° к горизонту, горловиной вниз). После окончания перемешивания барабан переводится в положение выгрузки (60° к горизонту, горловиной вниз) нажатием на кнопку «Вперед».

Рис. 3. Бетоносмеситель СБ-91 Б:
1
— смеситель в сборе; 2 — ключ; 3 — дверь в сборе; 4
— рама бетоносмесителя; 5 — гидроопрокидыватель;6 — электрооборудование
После выгрузки барабан переводится в положение загрузки и перемешивания. Цикл повторяется. Остановка вращения барабана осуществляется кнопкой «Стоп».
Бетоносмеситель СБ-153 состоит из рамы, смесительного барабана, пневматического привода и электрооборудования.
В средней части траверсы вмонтирован дифференциальный планетарный цилиндрический редуктор.
Смесительный барабан имеет форму двух усеченных конусов. Внутри барабана на кронштейнах-держателях укреплены шесть лопастей. Пневматический привод служит для опрокидывания барабана при выгрузке бетонной смеси, возврата и фиксации его в положении загрузки. Питание электродвигателя осуществляется от электрической сети напряжением 380 В. Загрузка и выгрузка смеси механизированы и осуществляются только при вращающемся барабане.
Технические характеристики гравитационных бетоносмесителей приведены в табл. 1.
Таблица 1. Технические характеристики гравитационных бетоносмесителей
| Наименование показателей
|
СБ-116А
|
СБ-16В
|
СБ-91 Б
|
СБ-153
|
| Вместимость смесительного барабана, л:
по загрузке
по готовому замесу
|
100
65
|
500
330
|
750
500
|
1500
1000
|
| Число циклов в час
|
26
|
32
|
30
|
22
|
| Частота вращения смесительного барабана
|
20
|
16
|
18
|
17,6
|
| Угол наклона смесительного барабана к горизонту, град:
при перемешивании
при разгрузке
|
12
40
|
17
60
|
13
60
|
15
55
|
| тип двигателя внутреннего сгорания
тип электродвигателя
|
2СД-М1-11
|
4АХ80А4
|
А02-21-4
|
4А160М6УЗ
|
| Наименование показателей
|
СБ-116А
|
СБ-16В
|
СБ-91Б
|
СБ-153
|
| мощность, кВт
|
1,48
|
4
|
4
|
15
|
| Механизм опрокидывания смесительного барабана:
Тип электродвигателя
Мощность, кВт
Частота вращения, мин -1
|
—
|
4АХ80А4
1,1
1400
|
АО2-21-4 1,1
1400
|
Пневматический
|
| Гидронасос: тип
производительность, л/мин
|
—
|
БГ12-41
8
|
Г12-41
8
|
—
|
| Гидроцилиндр: диаметр, мм
длина хода, мм
|
—
|
—
|
65
250
|
—
|
| Рабочее давление воздуха, МПа
|
—
|
—
|
—
|
0,4–0,6
|
| Мощность привода вибратора, кВт
|
—
|
0,27
|
—
|
—
|
| Габариты, мм:
длина
ширина
высота
|
1850
1060
1270
|
2550
2020
2850
|
1850
2000
1800
|
2600
2522
2300
|
| Масса, кг
|
245
|
1900
|
1270
|
2700
|
| Разработчик
|
НПО ВНИИстройдормаш. Гипростроммаш совместно с заводом-изготовителем
|
| Изготовитель
|
Тюменский завод строительных машин
|
Славянский завод строительных машин
|
3. БЕТОНОСМЕСИТЕЛИ ПРИНУДИТЕЛЬНОГО ДЕЙСТВИЯ
В таких смесителях перемешивание выполняют лопасти специальной формы, насажанные на вертикальный вал, расположенный в центре цилиндрической чаши смесителя.
Бетоносмеситель СБ-133А (рис. 4) цикличный турбулентный передвижной предназначен для приготовления бетонных смесей с осадкой конуса 3 см и строительных растворов подвижностью 4 см. Основное оборудование его: ротор, неподвижный бак, разгрузочное устройство и электродвигатель.
Составляющие смеси загружаются отдельными порциями через отверстия в крышке бака. Компоненты смеси перемешиваются с помощью быстроврашающегося ротора, который представляет собой своеобразное рабочее колесо насоса, помещенное в неподвижном цилиндрическом баке с основанием в виде усеченного конуса, днище которого футеровано.

Рис. 4. Бетоносмеситель СБ-133А:
1
— натяжной болт; 2 — электродвигатель; 3 — щиток; 4
— ротор; 5 — лопасть; 6 — крышка; 7 — бак; 8 — выгрузочное устройство; 9 — розетка; 10
— ограждение; 11
— вилка; 12
— кабель; 13
— основание с приводным валом; 14
— стопорное кольцо; 15
— колесо; 16 — вал электродвигателя; 17
— шкив; 18
— ремень; 19
— салазки
Вращение ротора осуществляется от электродвигателя через клиноременную передачу. При вращении ротор лопатками отбрасывает смесь к конусной части бака. Две лопатки, установленные на стенке бака, тормозят движение смеси от окружности и направляют ее спирально вверх, откуда смесь, падая на ротор, вновь вовлекается в движение. Разгрузочное устройство находится в нижней части бака. При загрузке компонентов смеси и перемешивании оно закрывается крышкой с резиновым уплотнением. Через нижний рычаг, который может свободно поворачиваться на оси относительно кронштейна, крышка шарнирно присоединяется к баку.
Электродвигатель крепится к основанию, что позволяет осуществлять натяжение ремней при ослабленных болтовых креплениях. Сверху электродвигатель закрыт щитком.
Смеситель загружается при включенном электродвигателе и в строгой последовательности: вода, цемент, заполнители. Загружается он заполнителями равномерно за 30 с (более интенсивная подача заполнителей может привести к заклиниванию ротора и его остановке).
Бетоносмеситель СБ-141 предназначен для приготовления бетонных смесей с крупностью заполнителя до 70 мм. Он состоит из чаши, смесительного устройства, верхней рамы, основной рамы, вертикального вала, привода смесительного устройства, скипового подъемника, выгрузочного устройства, системы водоподачи, электрооборудования.
Принцип работы бетоносмесителя следующий: дозированные составляющие смеси подаются ковшом скипового подъемника в чашу, одновременно в смесь вводится необходимое количество воды. С помощью смесительного устройства смесь перемещается по круговой траектории к периферии или к центру чаши и перемешивается лопастями в вертикальном направлении. После перемешивания смесь выгружается. Затем цикл повторяется. Специальное устройство, закрепленное на вертикальном валу, приводится во вращение от электродвигателя через клиноременную передачу и двухступенчатый цилиндрический редуктор. Устройство представляет собой ротор, снабженный наружной, внутренней и средней лопастями. На роторе размещены на специальных кронштейнах наружный и внутренний скребки. Лопасти укреплены на кронштейнах, которые могут поворачиваться в корпусе подвески.
Разгрузочное устройство состоит из сектора, рамы и пневмоцилиндра. Сектор представляет собой литую чугунную деталь с плоской поверхностью, закрывающей разгрузочное отверстие в днище чаши. Скиповой подъемник состоит из рамы, загрузочного ковша и привода. Привод разгрузочного устройства осуществляет и опускание ковша. Ковш останавливается в крайних (верхнем и нижнем) положениях с помощью двух кулачков, закрепленных на зубчатом колесе, и двух конечных выключателей.
Электрооборудование бетоносмесителя включает электродвигатели, пусковую электроаппаратуру, электропроводку, электрошкаф.
Технологические характеристики бетоносмесителей принудительного действия приведены в табл. 2.
Таблица 2. Технические характеристики бетоносмесителей
принудительного действия
| Наименование показателей
|
СБ-142
|
СБ-133А
|
СБ-141
|
СБ-169
|
СБ-163
|
СБ-146А
|
СБ-138А
|
| Вместимость по загрузке сухими составляющими, л
|
50
|
100
|
375
|
375
|
1500
|
750
|
1500
|
| Объем готового замеса, л:
бетонной смеси
раствора
|
33
45
|
65
80
|
250
300
|
250
300
|
1000
|
500
650
|
1000 1200
|
| Число циклов в час: при приготовлении бетонных смесей
при приготовлении строительных растворов
|
45
60
|
45
60
|
48
|
55
60
|
50
|
45
33
|
45
33
|
| Продолжительность перемешивания, с:
при приготовлении бетонных смесей
|
48
|
72
|
48
|
60
|
92
|
50
|
50
|
| при приготовлении строительных растворов
|
48
|
—
|
—
|
60
|
—
|
65
|
65
|
| Наибольшая крупность заполнителя, мм
|
40
|
40
|
70
|
70
|
70
|
70
|
70
|
| Мощность двигателя, кВт
|
7,2
|
4
|
15
|
7,5
|
30
|
22
|
37
|
| Рабочее давление в пневмоцилиндре, МПа
|
—
|
—
|
0,6
|
0,6
|
0,6
|
0,6
|
0,6
|
| Габариты, мм:
длина
ширина
высота
|
1050 820 870
|
1000 660 1000
|
2500 2000 2200
|
2220 1960 1780
|
3290 2000 1515
|
2500 2326 1750
|
2850 2700 1850
|
| Масса, кг
|
260
|
155
|
1970
|
1800
|
5600
|
2600
|
3500
|
| Разработчик
|
НПО ВНИИстройдормаш
|
| Изготовитель
|
Новосибирский завод строительных машин
|
Славянский завод строительных машин
|
Бетоносмеситель СБ-142 лабораторный принудительного перемешивания. Предназначен для приготовления бетонных и цементно-песчаных смесей на плотных и пористых заполнителях в лабораторных условиях.
Бетоносмеситель СБ-146А предназначен для приготовления бетонных смесей на заводах сборного железобетона, бетонорастворных заводах, бетоносмесительных установках.
Он состоит из неподвижного цилиндрического корпуса-чаши, ротора со смесительными лопастями, крышки чаши, редуктора, затвора, пневмоцилиндра, пульта управления, двигателя.
Кольцевое смесительное пространство чаши между днищем, наружной и внутренней цилиндрическими обечайками, защищено изнутри сменной броней. В днище корпуса имеется секторное отверстие для выгрузки смеси, закрываемое затвором. Открывание и закрывание затвора осуществляется пневмоцилиндром. В крышке чаши имеются загрузочный патрубок для раздельной загрузки инертных материалов и цемента, вытяжной патрубок для соединения с аспирационной системой, смотровой люк и труба для подачи воды.
На корпусе ротора закреплены держатели смесительных лопастей и очистные скребки. Держатели лопастей соединяются с корпусом при помощи торсионов, которые предохраняют ротор и редуктор от поломок при заклинивании крупных кусков заполнителей.
Привод бетоносмесителя осуществляется от двигателя через зубчатую муфту и планетарный редуктор. Выходной вал редуктора жестко закреплен на чаше бетоносмесителя.
Бетоносмеситель работает следующим образом: при вращающемся роторе загружаются дозированные сухие составляющие смеси, и одновременно по трубе подастся заданная доза воды. Перемешивание материалов производится до образования однородной смеси. Готовая смесь выгружается через затвор.
4. СПЕЦИАЛИЗИРОВАННЫЕ АВТОМОБИЛИ
ДЛЯ ДОСТАВКИ БЕТОННОЙ СМЕСИ
Для транспортирования бетонной смеси на строительные объекты применяются автотранспортные средства четырех видов: автосамосвалы, автобетоносмесители, автобетоновозы и автобадьевозы.
Использование до последнего времени автомобилей-самосвалов
для перевозки бетонной смеси приводит к значительным затратам ручного труда для се дополнительного перемешивания после разгрузки и очистки кузова. Автомобили-самосвалы имеют ограниченную область применения. Ими можно перевозить бетонную смесь только по дорогам с асфальтовым покрытием и на расстояния до 25 км, а по другим видам дорог в радиусе не более 15 км.
Автобетоносмесители предназначены для доставки дозированных компонентов бетонной смеси, приготовления се в пути следования или по прибытии на строительный объект, а также доставки готовой бетонной смеси и выдачи ее потребителю. Автобетоносмесители рассчитаны на работу в условиях умеренного климата. Они могут загружаться от специальных установок для выдачи сухих смесей, а также от передвижных и стационарных бетонных заводов, приспособленных для выдачи сухих смесей. В автобетоносмесителях можно перевозить смесь практически на неограниченные расстояния, однако наибольшая эффективность достигается при транспортировании на расстояние до 80 км.
Промышленностью выпускается три типа автобетоносмесителей СБ-92-1А, СБ-92В-1, СБ-I59A. Принципиально они мало чем отличаются, различия существуют лишь в приводе смесительного барабана. В автобетоносмесителе СБ-159А привод гидравлический с отбором мощности от двигателя, а в автобетоносмесителе СБ-92-1А вращение смесительного барабана осуществляется от редуктора через цепную передачу.
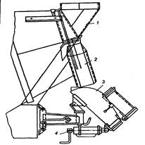
Автобетоносмеситель СБ-92-1А (рис. 5) рассчитан на работу при температуре окружающей среды выше 0°С. Загрузка его может осуществляться от специальных установок сухих компонентов бетонной смеси, а также от передвижных и стационарных бетонных заводов, приспособленных для выдачи сухих смесей.
Основные узлы автобетоносмесителя: шасси автомобиля, рама в сборе, смесительный барабан, загрузочно-разгрузочное устройство, бак для подачи воды, привод смесительного барабана и система управления приводом.
На раме под углом 15° к горизонту устанавливается смесительный барабан (рис. 6) на три опорные точки: на сферический подшипник в передней части передней стойки и на два опорных ролика на задней стойке, на которые опирается бандаж концевой части барабана. При движении автобетоносмесителя смесительный барабан фиксируется стопором, расположенным на задней стойке. Смесительный барабан снабжен двумя винтовыми лопастями, обеспечивающими перемещение бетонной смеси при вращении барабана по часовой стрелке и разгрузку при вращении в обратном направлении. Барабан имеет два люка: один аварийный, который крепится болтами, второй смотровой, закрепленный на двух петлях с помощью эксцентрикового прижима.
Привод смесительного барабана состоит из индивидуального двигателя внутреннего сгорания, муфты сцепления, карданного вала и реверсивного редуктора. Вращение смесительного барабана осуществляется от редуктора через цепную передачу. Частота вращения смесительного барабана при загрузке выбирается в зависимости от производительности питающей установки и составляет 9–14,5 мин -1
.


Рис. 5. Автобетоносмеситель СБ-92-1А: 1
— насосы КамАЗ-5511; 2
— управление компрессором; 3 — бак для воды; 4
— привод смесительного барабана; 5
— смесительный барабан; 6 — загрузочно-разгрузочное устройство; 7 — рама; 8 — управление реверсом редуктора; 9 — панель контрольно-измерительных приборов; 10
— муфта сцепления; 11
— муфта насоса; 12
— управление подачей топлива.
После загрузки смесительного барабана частота вращения двигателя уменьшается; перемешивание идет при частоте вращения смесителя 12 мин -1
, побуждение готовой бетонной смеси – 9 мин -1
.

Рис. 6. Смесительный барабан:
1 — лопасти; 2 — бандаж;
3 — зубчатый венец; 4 — подшипник.
Загрузочно-разгрузочное устройство (рис. 7) состоит из загрузочного бункера, приемного и разгрузочного лотков, отклоняющего устройства. Приемный лоток охватывает выходное отверстие смесительного барабана и направляет бетонную смесь на разгрузочный лоток. Изменение угла наклона лотка осуществляют винтом. В передней части лотка имеется шарнир для складывания его и транспортное положение. Лоток может наращиваться дополнительным лотком, который крепится на крыле автобетоносмесителя.
В зависимости от вида смеси, загружаемой в барабан автобетоносмесителя, возможна его работа в трех режимах:
- при доставке сухой смеси
, содержащей высушенные заполнители, – включение барабана и подача в него воды из водяного бака в пути следования или на строительном объекте за 10–20 мин. до разгрузки (режим А);
- при доставке сухой смеси
, содержащей влажные заполнители, частично затворенной смеси — включение барабана и подача в него воды непосредственно после его наполнения (режим Б);
- при доставке готовой смеси
— периодическое включение барабана во время транспортирования смеси до объекта или постоянное вращение барабана с минимальной частотой при периодическом увеличении частоты вращения (режим В). Доставка бетонной смеси автобетоносмесителем при постоянном вращении барабана с частотой более 2–3,5 мин -1
не рекомендуется.
| Рис. 7. Загрузочно-разгрузочное устройство: 1
— загрузочный бункер; 2
— приемный лоток; 3 — разгрузочный лоток; 4
— отклоняющее устройство.
|
|
При эксплуатации автобетоносмесителей в режиме А составляющие смеси должны быть сухими, влажность песка не более 0,2—0,5%, иначе в барабане смесителя могут образоваться комья слипшегося заполнителя и цемента, что ухудшает качество бетона и затрудняет выгрузку смеси из барабана.
Технические характеристики автобетоносмесителей приведены в табл. 3.
Таблица 3. Технические характеристики автобетоносмесителей
| Наименование показателей
|
СБ-92-1А
|
СБ-159А
|
СБ-92В-1
|
| Базовый автомобиль
|
КамАЗ-5511
|
КамАЗ-551 1
|
КамАЗ-5511
|
| Геометрический объем смесительного барабана, м3
|
8
|
8
|
8
|
| Объем смесительного барабана по выходу готовой бетонной смеси, м 3
:
при приготовлении бетонной смеси в бетоносмесителе из сухих компонентов
при транспортировании готовой бетонной смеси
|
4
5
|
4
5
|
4
5
|
| Вместимость бака для воды, л
|
750
|
400 (800)
|
750
|
| Время перемешивания, мин.
|
15-20
|
15-20
|
15-20
|
| Привод смесительного барабана:
тип
мощность, кВт
|
От дизельного двигателя
Д-144-66
40
|
Гидравлический
58,5
|
От дизельного двигателя
Д-144-66
40
|
| Продолжение табл. 3
|
| Частота вращения смесительного барабана, мин-1
:
при загрузке и перемешивании
при выгрузке
при побуждении
|
9-14,5
6,5-10,
1 9
|
19
11
9
|
12
8
8
|
| Темп выгрузки, м3
/мин,
при подвижности бетонной смеси:
1-2 см
3-5 см
7-8 см
|
0,5
1
2
|
0,5
1
2
|
0,5
1
2
|
| Наибольшая скорость движения при полной нагрузке, км/ч
|
60
|
60
|
60
|
| Габариты, мм:
длина
ширина
высота
|
7500
2500
3450
|
7250
2500
3350
|
8030
2650
3680
|
| Масса автобетоносмесителя, кг:
порожнего
загруженного
|
10150
19150
|
9500
19150
|
12300
22600
|
Техническая характеристика автобетоносмесителя СМБ-49 (рис. 8)
Геометрический объём смесительного барабрана, м3
………….8
Вместимость смесительного барабана по выходу
готовой смеси в зависимости от объёмной массы, м3
:
при 1,6 т/м3
……………………………………………….…..4
при 1,8 т/м3
……………………………………………….…..3,6
при 2,2 т/м3
…………………………………………………...2,9
Привод смесительного барабана …………………гидравлический
Мощность, потребляемая гидроприводом смесителя, кВт ….…32
Угол наклона оси смесительного барабана, град ………….……15
Частота вращения смесительного барабана, мин-1
………….…0–16
Продолжительность перемешивания, не более …………………20
Темп выгрузки при подвижности бетонной смеси
5–6 см, м3
/мин, не менее …………………………………………..1
Вместимость бака для воды, л …………………………………..400
Высота загрузки смесительного бака, мм ……………………..3500
Высота выгрузки, мм ……………………………………………1900
Максимальная скорость движения груженого
автобетоносмесителя, км/ч ……………………………………….60
Масса, кг:
технологического оборудования ……………………………2800
снаряженного автобетоносмесителя ………………………..9000
автобетоносмесителя полной массой ……………………...16000
Габаритные размеры, мм ……………………...7500 ´ 2500 ´ 3500
Изготовитель …………………Могилёвский автомобильный завод

Рис. 8. Автобетоносмеситель СМБ-49
Автобетоновоз (рис. 9) отличается от автомобиля-самосвала, главным образом, устройством кузова, который выполнен в форме гондолы (мульды) с крутонаклоненной задней стенкой. Угол наклона к горизонту кузова достигает 80°, а задней стенки – 48°. Кузов расположен на шасси автомобиля в зоне минимальной вибрации рамы, благодаря чему обеспечивается сохранность перевозимой бетонной смеси от расслоения и разбрызгивания. Для предохранения смеси от воздействия атмосферных осадков и ветра кузов оборудован крышкой, а от воздействия отрицательных и положительных температур — двойной обшивкой с зазором между ее листами.
Автобетоновозы предназначены для перевозки готовых бетонных смесей без их побуждения в пути (режим Г) на расстояние до 45 км.
Автобетоновозы, автомобили-самосвалы и бадьевозы могут применяться для доставки частично затворенных бетонных смесей (режим Д) с их последующим приготовлением на строительных объектах.


Рис. 9. Автобетоновоз на базе автомобиля: а – транспортное положение; б – положение разгрузки; в – поперечный разрез кузова; 1– открытая часть кузова; 2– кузов; 3– упор; 4– телескопический подъёмник; 5– гидравлический цилиндр для открывания и закрывания крышки кузова; 6– шасси; 7– крышка в закрытом положении; 8– закрытая часть кузова; крышка в открытом положении.
Находит также широкое применение доставка растворов на строительные объекты специализированным автотранспортом – авторастворовозами.
Авторастворовоз СБ-89В (рис. 10) предназначен для перевозки растворов различных марок при подвижности смеси 5–13 см с механическим побуждением в пути и порционной выдачи их на строительных площадках. Он может использоваться при температуре от – 20 до +40°С.
Авторастворовоз состоит из комплекта технологического оборудования, установленного на шасси автомобиля.
В состав оборудования входят цистерна в сборе, побудитель, привод побудителя, коробка отбора мощности, затвор, разгрузочное устройство, платформа, гидрооборудование. Цистерна представляет собой цилиндрический резервуар сварной конструкции с загрузочной горловиной в верхней части. Горловина закрывается двумя крышками с запорами, внутри горловины установлены предохранительные решетки. Цилиндрическая часть цистерны утеплена термоизоляционным материалом и облицована.

Рис. 10. Авторастворовоз СБ-89В: 1
– цистерна; 2 — лопастной побудитель; 3
– фланец разгрузочной течки; 4
– дополнительный лоток; 5 – рукоятка включения механизма побуждения; 6 – рукоятка управления механизмом запирания конвейера; 7 – рама шасси; 8
– выдвижной ленточный конвейер; 9
– блокирующий золотник; 10
– трехпозиционный гидрораспределитель; 11
– фланец; 12
– привод гидронасоса.
Лопастной побудитель цистерны предназначен для перемешивания раствора с целью предотвращения его расплавления. На винтовых лопастях имеются пазы для регулирования их положения и для крепления.
Раствор выгружается из цистерны в приемный резервуар выдвижным ленточным конвейером через шиберный затвор-отсекатель. Авторастворовоз работает следующим образом. Цистерна загружается раствором, в пути следования периодически включается побудитель для побуждения раствора (побудитель должен вращаться почасовой стрелке). Включение (выключение) побудителя осуществляется гидрораспределителем. На месте выдачи раствора следует открыть дверцу пульта управления, расфиксировать разгрузочное устройство и установить с помощью винта нужный угол наклона лотка.
Техническая характеристика авторастворовоза С-89В
Вместимость цистерны, м3
:
загрузочная …………………………………. 1,6
геометрическая ………………………………2,5
Частота вращения лопастного побудите- …….8
ля, мин"1
Установленная мощность, кВт ………………50
Вместимость бака гидросистемы, л ………….50
Высота, мм:
загрузки ………………………………………2350
разгрузки ……………………………………..1100
Тип базового шасси ……………………………ЗИЛ-130 АН
Наибольшая скорость движения по шос- ……60
се, км/ч
Габариты, мм:
длина …………………………………………..7100
ширина ………………………………………...2450
высота ………………………………………….2350
Масса, кг …………………………………………6400
Разработчик и изготовитель Туймазинский завод автобетоновозов
Технические характеристика авторастворосмесителя СБ-178-1 (рис. 11)
Объем приготовленной смеси - ……………..1,6 м3;
Объем перевозимой смеси - …………………2,6 м3;
Тип привода - гидромеханический;
Частота вращения смесительного вала - ……5….20 об/мин;
Продолжительность перемешивания -……... 15…20 мин;
Вместимость бака для воды - ………………..600 л;
Высота загрузки - …………………………….2400 мм;
Высота выгрузки - …………………………….290…680 мм;
Скорость передвижения по автодорогам - …..60 км/ч;
Двигатель шасси - …………………………….КамАЗ-740;
Число и расположение цилиндров - …………V8;
Мощность при 2600 об/мин - …………………220 л.с.;
Максимальный крутящий момент - ………….68 кГ×м;
Величина отбора мощности - …………………60 л.с.

Рис. 11. Авторастворосмеситель СБ-178-1.
Предельные расстояния доставки на строительные объекты бетонных смесей при различных режимах работы специализированных автомобилей можно определить по данным табл. 4 и 5.
Таблица 4. Предельные расстояния доставки тяжелых бетонных смесей
в различных режимах (А; Б, В, Г), км
| Подвижность смеси, см
|
Вид дорожного покрытия
|
Скорость транспортирования, км/ч
|
Авто6етоносмесителем
|
Автобетоновозом
|
Автомобилем-самосвалом
|
Автобадьевозом
|
| А
|
Б
|
В
|
Г
|
д
|
Г
|
Д
|
Г
|
Д
|
| 1–3
4–6
7–9
10–14
|
Бетонное,
асфальтобетонное
|
30
|
Не ограничено
|
120
100
80
60
|
100
80
60
45
|
45
30
20
15
|
90
60
40
30
|
30
20
15
—
|
45
30
22
15
|
25
15
10
—
|
35
25
20
—
|
| 1–3
4–6
7–9
10–14
|
Грунтовое,
улучшенное
|
15
|
То же
То же
То же
То же
|
–
–
–
–
|
—
—
—
—
|
12
9
5,5
4
|
20
15
9
7
|
7
5
4
—
|
10
7
5
—
|
5
3
2
—
|
7
5
3
—
|
Примечание. Данные приведены для условий: температура воздуха +20...+30°С; температура бетонной смеси +15...+25°С.
Таблица 5. Предельные расстояния доставки тяжелых бетонных смесей
в различных режимах (А, Б, В, Г), км
| Подвижность смеси, см
|
Вид дорожного покрытия
|
Скорость транспортирования, км/ч
|
Автобетоносмесителем
|
Автобетоновозом
|
Автомобилем-самосвалом
|
Автобадье-возом
|
| А
|
Б
|
В
|
Г
|
Д
|
Г
|
Д
|
Г
|
| 1–3
4–6
7–9
10–14
|
Бетонное, асфальтобетонное
|
30
|
Не ограничено
|
100
80
70
60
|
80
60
50
40
|
30
25
15
10
|
50
40
30
20
|
25
18
10
8
|
40
30
15
10
|
20
13
8
6
|
| 1–3
4–6
7–9
|
Грунтовое, улучшенное
|
15
|
—
|
—
|
—
|
10
7
5
|
16
12
8
|
7
4
3
|
—
|
5
3
2
|
Примечание. Данные приведены для условий: температура воздуха +20...+30°С; температура бетонной смеси +15...+25°С.
5. Бетоносмесители непрерывного действия
Гравитационный бетоносмеситель непрерывного действия
Бетоносмеситель состоит из смесительного барабана, загрузочной воронки, рамы, роликовой опоры, разгрузочной воронки, привода смесительного барабана.
Смесительный барабан представляет собой цилиндрическую обечайку, сваренную из листовой стали. Внутренняя поверхность барабана снабжена футеровкой, состоящей из отдельных износостойких секций, закреплённых на обечайке. На внутренней поверхности барабана под углом к его оси прикреплены плоские лопасти, которые можно заменять. Лопасти располагаются под таким углом, чтобы во время движения по барабану все компоненты хорошо перемешивались. В конце барабана установлен лоток для разгрузки смеси. Барабан двумя бандажами опирается на опорные ролики. Ролики барабана смонтированы на металлической раме, установленной на бетонном фундаменте. Вращение барабана осуществляется от электродвигателя через соединительную муфту, редуктор и зубчатый венец.
Бетоносмесители непрерывного действия с принудительным перемешиванием
Данные бетоносмесители по конструкции однотипны и могут работать как цикличные.
Бетоносмеситель состоит из привода, корпуса и двух лопастных валов. Привод валов смесителя осуществлён от электродвигателя через клиноременную передачу, редуктор, уравнительную муфту и открытую зубчатую передачу.
Корпус бетоносмесителя сварной из листовой стали корытообразного сечения, внутри облицован футеровкой из плит или износостойкой листовой стали для предохранения от изнашивания. Корпус установлен на раме и сверху закрыт крышкой. Внутри корпуса смонтированы два вала, на которых приклеплены болтами смесительные лопасти. Благодаря открытой зубчатой передаче валы вращаются синхронно навстречу друг другу. Для обеспечения продвижения бетонной смеси лопасти устанавливают по прерывистой винтовой линии. При таком расположении лопастей встречные потоки смешиваемой массы в поперечном направлении перемещаются интенсивно, а вдоль корпуса смесителя – сравнительно медленно, благодаря чему достигается однородность смеси. Производительность бетоносмесителя можно регулировать поворотом лопастей относительно оси вала в пределах от 0 до 90° .
В передней части смесителя установлена загрузочная воронка, куда непрерывно подаётся сухая смесь; в другом конце смесителя имеется трубопровод, по которому поступает вода. Готовая бетонная смесь подаётся или прямо в транспортные средства, или в специальный копильник. Управление работой смесителя автоматизировано. Работа смесителя взаимосвязана с дозаторами и другими необходимыми механизмами с помощью автоблокировки. Копильник позволяет накапливать бетонную смесь при перерывах в подаче автомобилей-самосвалов или других транспортных средств, предотвращает отстои смесителя и обеспечивает быструю загрузку транспорта.
6. Особенности эксплуатации оборудования
для приготовления бетонных смесей
При эксплуатации оборудования необходимо выполнять требования, относящиеся к любой строительной машине, а также некоторые специфические требования.
К общим требованиям относятся ежесменные осмотры машин, при которых особое внимание необходимо обращать на состояние фрикционных муфт и тормозов, концевых выключателей и стопорных устройств, так как неудовлетворительная их работа может привести к авариям и травмам.
Чрезмерный износ лопастей смесительных машин ухудшает качество смеси и может привести к поломке лопастей и валов, так как при недопустимых зазорах между лопастью и стенкой барабана может происходить заклинивание щебня. Износившиеся лопасти необходимо своевременно заменять. Затем производится смазка узлов машин. Перед пуском бетоносмесителей с наклоняющимся барабаном нужно несколько раз произвести наклон и подъем барабана, проследив за плавностью его движения, работой пневмопривода и за герметичностью сочленения загрузочных устройств со смесительным барабаном.
Во время работы необходимо наблюдать за показаниями манометров в системе гидро-(пневмо)привода, за нагревом подшипников опорных роликов и других подшипниковых узлов, а также за герметизацией каналов движения материалов. Во время работы машин нельзя производить никаких регулировок. Запрещается «помогать» машине во время операций загрузки или выгрузки. Обслуживающий персонал после сигнала «Пуск» должен находиться только на рабочих постах и специальных площадках.
При неудовлетворительном уходе за машиной, в частности, при плохой очистке ее барабана в ощутимых пределах уменьшается полезный объем барабана, что снижает производительность, а также повышает расход энергии, так как приходится вращать дополнительные массы. Поэтому в процессе работы через каждые 2 ч и в конце смены нужно промывать барабаны смесителей водой, а гравитационные бетоносмесители водой со щебнем. В конце смены необходимо промывать машины в целом водой из шланга. При мойке машин их электродвигатели должны быть отключены от сети.
6. ИНСТРУКЦИЯ ПО ОХРАНЕ ТРУДА ДЛЯ БЕТОНЩИКА
Общие требования безопасности
1. К бетонным работам допускаются рабочие, достигшие возраста 18 лет, прошедшие медицинское освидетельствование и обучение в соответствии с квалификационным разрядом. К ручным работам по укладке и уплотнению бетона, грунта, щебеночно-гравийных оснований женщины не допускаются.
2. К самостоятельной работе допускаются рабочие, прошедшие стажировку и обучение безопасным методам и приемам работы. Полученные знания техники безопасности должны быть подтверждены выданным удостоверением и записью в журнале установленной формы.
3. Повторный инструктаж по охране труда необходимо проходить один раз в 3 месяца.
4. Работать с электроинструментом разрешается бетонщикам, имеющим соответствующую группу по электробезопасности не ниже III.
5. К электропрогреву бетона допускаются лица, прошедшие специальный курс обучения способам оказания первой медицинской помощи при поражении электрическим током и инструктаж по охране труда при электропрогреве бетона.
6. Бетонщик обязан соблюдать требования правил внутреннего трудового распорядка, действующие на предприятии. Запрещается находиться на территории предприятия, на рабочем месте или в рабочее время в состоянии алкогольного, наркотического или токсикологического опьянения.
7. Курить разрешается только в специально отведенных местах. Бетонщик обязан выполнять требования пожарной и электробезопасности.
8. Основными опасными факторами
являются:
8.1. движущиеся машины и их части;
8.2. неизолированные токоведущие части электроустановок;
8.3. грузы, перемещаемые грузоподъемными машинами;
8.4. не огражденные проемы на высоте более 1,3 м, открытые люки, колодцы, траншеи, шурфы;
8.5. неблагоприятные погодные условия при работе на открытой площадке (пониженная или повышенная температура воздуха, сильный дождь, гроза, снегопад, ветер более 9 м/сек, гололед);
8.6. плохая освещенность рабочего места, проходов и проездов;
8.7. неисправные механизмы и инструмент;
8.8. вибрация и шум на рабочем месте;
8.9. ожоги при использовании пара;
8.10. высокое давление в системах.
9. Бетонщик обязан пользоваться выданными ему спецодеждой, спецобувью и средствами индивидуальной защиты.
10. Бетонщик в случае получения травмы обязан сообщить об этом руководителю или другому должностному лицу нанимателя либо попросить это сделать другого работника, затем обратиться в здравпункт или медучреждение. Бетонщик обязан знать приемы оказания доврачебной помощи.
11. При обнаружении неисправности инструмента, оборудования и приспособлений и других неполадок сообщить мастеру.
12. Во время работы необходимо соблюдать правила личной гигиены.
13. За невыполнение требований настоящей инструкции бетонщик несет ответственность в соответствии с действующим законодательством.
Требования безопасности перед началом работы
1. Получить задание у мастера и надеть спецодежду, спецобувь, осмотреть и приготовить средства индивидуальной защиты.
Спецодежда и обувь должны быть целыми, подобранными по размеру, иметь все крепления (пуговицы, замки, шнурки и др.).
Головной убор надеть плотно, убрав под него волосы.
При осмотре средств индивидуальной защиты проверьте: наличие у защитной каски срока носки. При обнаружении трещин, вмятин, обрывов креплений сдайте ее мастеру и получите новую; а также проверьте соответствие типа предохранительного пояса предстоящей работе, дату последнего испытания пояса (они должны испытываться каждые 6 месяцев). Требуйте инструкцию на применение пояса.
2. Осмотреть инструмент и механизмы; о неисправностях сообщить мастеру для их устранения.
3.Осмотреть и при необходимости очистить рабочее место и проходы к нему от посторонних предметов, мусора, грязи, а в зимнее время – от снега, льда и посыпать песком.
При осмотре рабочего места обратить внимание на: наличие и исправность средств подмащивания; исправность тары и опалубки; достаточность освещенности рабочего места. Освещенность можно проверить люксметром, вызвав инженера по охране труда. Подходы к рабочим местам должны иметь освещенность не меньше 5 лк на уровне ступеней площадок и проходов. Освещенность рабочих мест в горизонтальной и вертикальной плоскостях на всех уровнях должна быть не менее 100 лк.
4. Обнаруженные нарушения требований безопасности и недостатки должны быть устранены собственными силами, а при невозможности сделать это бетонщики обязаны незамедлительно сообщить о них бригадиру или руководителю работ.
Требования безопасности во время работы
Для создания безопасных условий труда при приготовлении бетонной смеси соблюдают следующие правила.
1. Площадки в пределах рабочей зоны бетоносмесителей, включая подъезды и склады материалов, содержат в чистоте и не загромождают. Все работающие механизмы освещают.
2. Подъёмники, бункера, лотки и другие устройства для подачи материалов ограждают, а все корпуса электродвигателей заземляют.
3. При установке бетоносмесителя на помосте вокруг него устраивают площадки с перилами.
4. Закрытые помещения, в которых работают с пылящими материалами и добавками, оборудуют вентиляцией или устройствами, предупреждающими распыление материалов. Пылеобразование в основном возникает при транспортировании и перегрузке цемента, поэтому во время таких операций рабочие должны пользоваться противопылевой спецодеждой, защитными очками с плотной оправой, а для защиты дыхательных путей – респираторами.
5. При приготовлении бетонных смесей с химическими добавками соблюдают меры предосторожности против ожогов, повреждения глаз и отравления. Необходимо остерегаться попадания на кожу и в пищу растворов солей, особенно нитритов и нитратов. Не следует допускать к приготовлению растворов указанных добавок лиц с повреждениями кожного покрова (ссадинами, ожогами, царапинами, раздражениями), поражением век и глаз. Во время приготовления растворов добавок на рабочих должна быть спецодежда из водоотталкивающей ткани, очки, резиновые сапоги и перчатки.
6. До пуска в эксплуатацию каждую установленную или отремонтированную машину осматривают или испытывают.
Перед очисткой, смазыванием и ремонтом машины и механизмы останавливают. До их включения машинист даёт сигнал.
Осмотр, очистка и ремонт бетоносмесителя разрешаются только после удаления из цепи электродвигателей плавких вставок предохранителей и вывешивания на пусковых устройствах (кнопках магнитных пускателей, рубильниках) плакатов "Не включать - работают люди!"
7. При выгрузке бетонной смеси из бетоносмесителя запрещается
ускорять опорожнение вращающегося барабана лопатой или любым другим приспособлением. Очищать приямок ковша скипового подьёмника можно только после дополнительного закрепления поднятого ковша. Пребывание рабочих под поднятым и незакреплённым ковшом не допускается.
ЛИТЕРАТУРА
1. Сергеев В. П. Строительные машины и оборудование. – М.: Высш. шк., 1987. – 376 с.: ил.
2. Мартынов В. Д., Алешин Н. И., Морозов Б. П. Строительные машины и монтажное оборудование. – М.: Машиностроение, 1990.– 352 с.: ил.
3. Белецкий Б. Ф. Строительные машины и оборудование. Справочное пособие. – Ростов н /Д: Феникс, 2002. – 592 с.
4. Артемьев К. А., Алексеева Т. В., Белокрылов В. Г. и др. Дорожные машины. В 2-ч частях. Ч. II. Машины для устройства дорожных покрытий. /В.М. Ворожейкин, А.С. Парфёнов, В.Б. Пермяков, О.Н. Сивакова. – М.: Машиностроение, 1982.– 396 с.: ил
5. Мартынов В. Д., Сергеев В. П. Строительные машины. – М.: Высш. шк., 1970. – 304 с.: ил.
6. Васильев А. А. Дорожные машины.– М.: Машиностроение, 1987.– 416 с.: ил.
С О Д Е Р Ж А Н И Е
| 1. Общие сведения .....................................................................................................................
|
3
|
| 2. Гравитационные смесители..............................................................................................................
|
7
|
| 3.Бетоносмесители принудительного действия............................................................................................................
|
11
|
| 4. Специализированные автомобили для доставки бетонной смеси.........................................................................................................
|
15
|
| 5. Бетоносмесители непрерывного действия............................................................................................................
|
26
|
| 5. Особенности эксплуатации оборудования для приготовления бетонных смесей................................................................................................................
|
27
|
| 6. Инструкция по охране труда для бетонщика..........................................................................................................
|
28
|
| Литература..............................................................................................................
|
32
|
У ч е б н о - м е т о д и ч е с к о е и з д а н и е
Владимир Алексеевич Дремук
бетоносмесители
Методические указания к лабораторным занятиям
Редактор
Техн. редактор
Корректор
Подписано в печать .
Формат 60 ´ 84 1
/16
. Бумага для множительных аппаратов.
Печать ризографическая. Гарнитура "Таймс".
Усл. печ. л. . Уч.-изд. л. .
Тираж экз. Заказ . Цена руб.
Редакционно-издательский отдел БГСХА
213410, г. Горки Могилёвской области, ул. Студенческая, 2
Отпечатано на ризографе копировально-множительного бюро
БГСХА, г. Горки, ул. Мичурина, 5
|