| МИНИСТЕРСТВО ПУТЕЙ СООБЩЕНИЯ СССР
МОСКОВСКИЙ ОРДЕНА ЛЕНИНА
И ОРДЕНА ТРУДОВОГО КРАСНОГО ЗНАМЕНИ
ИНСТИТУТ ИНЖЕНЕРОВ ЖЕЛЕЗНОДОРОЖНОГО ТРАНСПОРТА
им. Ф. Э. ДЗЕРЖИНСКОГО
Кафедра охраны труда
ИССЛЕДОВАНИЕ ОСВЕТИТЕЛЬНЫХ УСЛОВИЙ
Методические указания
к
лабораторно-исследовательской работе № 3
Москва 1989
МИНИСТЕРСТВО ПУТЕЙ СООБЩЕНИЯ СССР
МОСКОВСКИЙ ОРДЕНА ЛЕНИНА
И ОРДЕНА ТРУДОВОГО КРАСНОГО ЗНАМЕНИ
ИНСТИТУТ ИНЖЕНЕРОВ ЖЕЛЕЗНОДОРОЖНОГО ТРАНСПОРТА
им. Ф. Э. ДЗЕРЖИНСКОГО
Кафедра охраны труда
Утверждено
редакционно-издательским советом института
ИССЛЕДОВАНИЕ ОСВЕТИТЕЛЬНЫХ УСЛОВИЙ
Методические указания к лабораторно-исследовательской работе № 3
по дисциплине
«ОХРАНА ТРУДА»
Издание шестое
Москва 1989
Автор-составитель: доцент МИИТа В. О. Дегтярев.
Рецензенты: Л. И. Титова (РИИЖТ), Д.' И. Сучков (МИИТ).
ПРЕДИСЛОВИЕ
Настоящее издание является неоднократно переработанным и дополненным с момента создания этой лабораторной работы на кафедре «Охрана труда» МИИТа, оставаясь при этом оригинальной в своем роде и позволяющей решать специфический набор задач, обусловленных проблемами улучшения осветительных условий труда.
К настоящему времени работа представляет собою лабораторно-исследовательский комплекс, на котором студенты могут изучать теоретические и отрабатывать начальные практические навыки по осветительной технике производственных помещений. В состав работы включено изучение общих вопросов осветительной техники с точки зрения оптимальности производственной зрительной задачи, технических характеристик выбора наиболее употребительных в современной практике электрических источников света и осветительных приборов, вопросов теории и практики нормирования осветительных условий, набора необходимых расчетов, а также приемов и аппаратуры контроля нормируемых параметров, которые реализуются осветительными установками. Лабораторный комплекс дает также возможность изучать закономерности изменения осветительных условий при переменных параметрах электрической сети, геометрии размещения осветительных приборов. Проблемы безопасности труда, связанные с неизбежной пульсацией светового потока газоразрядных источников света, рекомендуется изучать при помощи стробоскопического диска и получения соответствующих осциллограмм изменения освещенностей в тех или иных схемах включения люминесцентных ламп в электрическую сеть.
Забиваем Сайты В ТОП КУВАЛДОЙ - Уникальные возможности от SeoHammer
Каждая ссылка анализируется по трем пакетам оценки: SEO, Трафик и SMM.
SeoHammer делает продвижение сайта прозрачным и простым занятием.
Ссылки, вечные ссылки, статьи, упоминания, пресс-релизы - используйте по максимуму потенциал SeoHammer для продвижения вашего сайта.
Что умеет делать SeoHammer
— Продвижение в один клик, интеллектуальный подбор запросов, покупка самых лучших ссылок с высокой степенью качества у лучших бирж ссылок.
— Регулярная проверка качества ссылок по более чем 100 показателям и ежедневный пересчет показателей качества проекта.
— Все известные форматы ссылок: арендные ссылки, вечные ссылки, публикации (упоминания, мнения, отзывы, статьи, пресс-релизы).
— SeoHammer покажет, где рост или падение, а также запросы, на которые нужно обратить внимание.
SeoHammer еще предоставляет технологию Буст, она ускоряет продвижение в десятки раз,
а первые результаты появляются уже в течение первых 7 дней.
Зарегистрироваться и Начать продвижение
Для расширения творческих возможностей студентов по самостоятельной работе методические указания сопровождаются широким справочным материалом и большим набором контрольных вопросов для самопроверки качества усвоения знаний и навыков, полученных в результате выполнения работы.
В настоящее время кафедра начала готовить цикл устройств автоматизации записи графической и цифровой информации, получаемой студентами при экспериментальных исследованиях на лабораторном стенде. Кроме того также разрабатывается цикл программного обеспечения лабораторного практикума с целью выполнения всех работ с широким и комплексным использованием ЭВМ.
Заведующий кафедрой, проф. М. А. Шевандин
Цель работы: ознакомить студентов с методами измерения освещенности, научить исследовать осветительные условия и рассчитывать их для рабочих мест, выявлять возможности появления стробоскопического эффекта и находить пути его ликвидации.
ТЕОРЕТИЧЕСКАЯ ЧАСТЬ
Оптическая система глаза создает на сетчатке, устилающей глазное дно, уменьшенное обратное действительное изображение предметов. В результате фотохимических реакций, происходящих в нервных окончаниях, и создаваемых ими токовых импульсов в сознании человека возникает ощущение света. Орган зрения различает предметы благодаря разнице яркостей их и фона, на котором они рассматриваются.
Для создания благоприятных и безопасных условий труда большое значение имеет достаточная освещенность рабочей поверхности, правильное направление света, отсутствие резких теней и бликов. Недостаточное или нерациональное освещение не только затрудняет работу и ведет к снижению производительности труда, но может явиться также причиной травматизма. Постоянное перенапряжение зрения, как правило, приводит к его ослаблению.
Неблагоприятное влияние на зрение оказывает не только недостаточность и неравномерность освещения во времени и пространстве, но и слишком большая яркость поверхностей, находящихся в поле зрения. Чрезмерное световое раздражение вызывает чувство ослепленности.
Искусственное освещение
Для искусственного освещения применяются в настоящее время электрические лампы: накаливания, люминесцентные ДРЛ, натриевые, ксеноновые и ряд других источников света.
Люминесцентная лампа
представляет собой стеклянную трубку с двумя вольфрамовыми электродами, концы которых присоединены к четырем штырькам. В трубке находятся аргон и ртутные пары, давление которых при работе лампы составляет 0,01 мм рт. ст. Внутренняя поверхность трубки покрыта слоем люминофора.
Сервис онлайн-записи на собственном Telegram-боте
Попробуйте сервис онлайн-записи VisitTime на основе вашего собственного Telegram-бота:
— Разгрузит мастера, специалиста или компанию;
— Позволит гибко управлять расписанием и загрузкой;
— Разошлет оповещения о новых услугах или акциях;
— Позволит принять оплату на карту/кошелек/счет;
— Позволит записываться на групповые и персональные посещения;
— Поможет получить от клиента отзывы о визите к вам;
— Включает в себя сервис чаевых.
Для новых пользователей первый месяц бесплатно.
Зарегистрироваться в сервисе
При электрическом разряде в трубке возникает излучение, в спектре которого преобладают ультрафиолетовые луч. Это излучение поглощается слоем люминофора, возбуждает его и вызывает фотолюминесценцию видимым светом. Спектральный состав света лампы зависит от выбранного состава люминофора.
Основные особенности люминесцентных ламп.
1. Спектральный состав светового излучения приближается к дневному. В настоящее время выпускаются лампы шести типов: ЛД — дневного света, ЛДЦ — дневного света для правильной цветопередачи, ЛБ — белого света, ЛХБ — холодно-белого света, ЛТБ — тепло-белого света, ЛЕ — естественного света.
2. Высокая световая отдача (до 75 лм/Вт).
3. Ограниченная единичная мощность ламп (15—80 Вт).
4. Высокий срок службы (свыше 10 тыс. ч).
5. Низкая температура частей лампы (около 40°С).
6. Малая яркость (5 тыс. ÷ 8 тыс. кд/м2
).
7. Малая по сравнению с лампами накаливания чувствительность к колебаниям напряжения.
8. Пульсация светового потока ламп.
9. Люминесцентные лампы с обычной аппаратурой пригодны только для сетей переменного тока.
Дуговая ртутная люминесцентная лампа (лампа ДРЛ)
состоит из кварцевой трубки, содержащей ртутные пары при давлении 2—4 атм и внешней стеклянной колбы, на внутреннюю поверхность которой нанесен слой люминофора. Ртутный разряд происходит в кварцевой трубке, через которую свободно проходят ультрафиолетовые лучи, генерируемые разрядом. Они заставляют светиться люминофоры и исправлять тем самым цветность видимого спектра, излучаемого ртутной лампой.
Основное достоинство ламп ДРЛ — сочетание высокой световой отдачи (до 55 лм/Вт) и большого срока службы (до 10 тыс. ч) с возможностью сосредоточения в небольшом объеме значительной световой и электрической мощности.
Лампы ДРЛ находят применение для освещения высоких цехов и открытых пространств.
Коэффициенты полезного действия ламп накаливания — до 3%, люминесцентных — до 10% и ламп ДРЛ — до 20%.
В настоящее время в ртутных лампах и лампах накаливания начинают использовать иод и другие галогены
Их пары в лампах значительно улучшают качественные характеристики источников света и увеличивают срок службы.
Принцип работы натриевых и ксеноновых ламп основан на свечении паров натрия и ксенона при пропускании через них мощного пучка электронов.
Всем газоразрядным источникам света присущ так называемый стробоскопический эффект,
вызывающий искажение восприятия движущихся предметов. Например, если смотреть на вращающееся в пульсирующем световом потоке колесо, то кажется, что оно остановилось или вращается в обратную сторону. (Очень часто стробоскопический эффект наблюдается также и в кинематографе.) Это объясняется тем, что при включении лампы в сеть переменного тока стандартной частоты 50 Гц имеются моменты, когда в лампе нет тока, и световой поток ее значительно снижается. Такое явление чрезвычайно опасно, так как человек не может визуально контролировать скорость и направление движения вращающихся деталей.
Явление стробоскопического эффекта может быть практически полностью устранено применение двух- или трехламповых схем включения. Двухламповая схема имеет дроссель с «опережающей» и «отстающей» обмотками, в каждую из которых включается по одной лампе. Трехламповая схема состоит из трех одноламповых, включенных в разные фазы трехфазной сети. Другой, более действенный способ ликвидации стробоскопического эффекта — это питание люминесцентных светильников токами повышенных частот (например, 400 Гц). При работе ламп накаливания стробоскопический эффект не наблюдается благодаря тепловой инерции нити накала.
Расчет освещенности негоризонтальных поверхностей, а также локализованного и наружного освещения, производится различными методами. К ним относятся методы: удельной мощности, точечный, комбинированный, изолюкс. Наиболее распространенным в проектной практике является расчет освещения по методу коэффициента использования.
Этот метод дает возможность подсчитать световой поток источников света, необходимый для создания нормированной освещенности расчетной горизонтальной поверхности.
Расчетное уравнение метода коэффициента использования
E∙k∙S∙z
,
N
∙η
∙γ
где Ф — световой поток каждой из ламп, лм;
Е
— минимальная нормируемая освещенность, лк;
к —
коэффициент запаса;
S — площадь помещения, м2
;
z
— отношение средней освещенности к минимальной. Этот коэффициент необходимо вводить в связи с тем, что нормируется не средняя, а минимальная Е.
В большинстве случаев принимается z
=1,1÷1,2
;
N
— выбранное число светильников (см. конец с. 7и с 8);
η — коэффициент использования светового потока (в долях единицы), т. е. отношение светового потока, падающего на расчетную поверхность, к суммарному потоку всех ламп находится в зависимости от величины индекса помещения i
коэффициентов отражения потолка и стен, а также от типа принятого светильника. В табл. 7, 8 приложения значения η приводятся исходя из того, что коэффициент отражения расчетной поверхности ρр
=0,1. Только при светлых полах или большом количестве столов с белой бумагой рр
= 0,3. Это обстоятельство может увеличить η
на 1-7%;
γ
— коэффициент затенения на рабочем месте. Может приниматься равным 0,8 ÷ 0,9.
,
где S — площадь помещения, м2
;
h
— расчетная высота подвески светильника над рабочей поверхностью, м,
А и В
— стороны помещения, м.
Обычно до расчета принимаются Е
и N
,
по формуле находится Ф и по табл. 2 и 3 подбирается ближайшая стандартная лампа. В практике допускаются отклонения потока ламп от расчетного до —10 и +20%. При расчете люминесцентного освещения световой поток ламп известен, и конструктивно определено количество ламп в светильнике, поэтому определяется необходимое число светильников.
Количество светильников N
определяется из условия равномерного освещения (рис. 1 и табл. 1 приложения).
Размеры, определяющие размещение светильников в помещении, даны на рис. 1

Рис. 1.
Размеры, определяющие установку светильников в помещении: а-в разрезе; б — в плане для ламп накаливания; в — в плане для люминесцентных ламп;
h - расчетная высота, hс
— свес, h
—
высота рабочей расчетной поверхности, Н
— высота помещения, L
— расстояние между светильниками или между рядами светильников, l
— расстояние от крайних светильников или крайних рядов светильников до стен
Свес hс
обычно принимается равным 0,5 — 0,7 м. Высота рабочей поверхности h
р
чаще всего бывает 0,8 — 1,0 м.
Форму светового поля следует принимать в виде квадрата, см. рис. 1,6 (заштрихованное поле), ромба с углом 60° или прямоугольника с отношением сторон не более 1,5.
Для различных типов светильников существуют наивыгоднейшие отношения расстояния L
между светильниками к расчетной высоте h
(табл. 1 приложения).
Необходимости точного соблюдения отношения L
:
h
нет.
Люминесцентные светильники, как правило, надо размещать сплошными рядами.
Во всех случаях расстояние от крайних светильников до стен должно быть в пределах от 0,5L до 0.3L в зависимости от расположения у стен оборудования.
L
определяется из отношений λ —
L
:
h
.
Различают светотехнически λс
и энергетически λэ
наивыгоднейшие отношения по расположению светильников. При использовании люминесцентных ламп, а также ламп накаливания предельных мощностей, следует учитывать λс
в остальных случаях — λэ
.
Кроме количественных характеристик освещения (табл.4 приложения), очень важно также учитывать и качественные показатели. К ним относятся ограничение блескости, постоянство освещенности на расчетной поверхности и во времени (из-за колебаний напряжения сети, а также пульсации тока газоразрядных ламп), спектральный состав, глубина теней и др. Перечисленные качественные показатели специально учитываются при проектировании осветительных установок. Коэффициент пульсации надо учитывать при выборе источника света.

в действующих нормах он регламентируется следующим образом
Допустимый Кп
(%) для разрядов работ по табл. 4 приложения
| При одном общем освещении…………………...
В системе комбинированного освещения:
Для общего…………………………………………
Для местного……………………………………….
|
I
и
II
|
III
|
IV, V,VI
|
| 10
20
10
|
15
20
15
|
20
20
20
|
Повышение Кп
до 30% допускается для работ VI разряда при невозможности возникновения стробоскопического эффекта.
ЭКСПЕРИМЕНТАЛЬНАЯ ЧАСТЬ
Приборы и установки
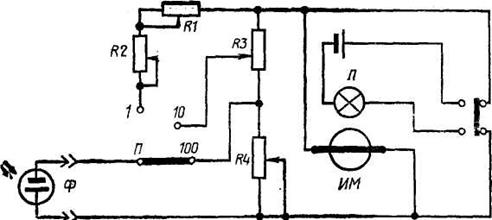
1. Для контроля и измерения освещенности в лабораторной работе применяется фотоэлектрический люксметр Ю-17. Он состоит из селенового фотоэлемента, измерителя магнитоэлектрической системы, электрической цепи, содержащей резисторы и переключатели пределов измерения (рис. 2). Когда световой поток падает на фотоэлемент, в его цепи возникает ток, величина которого пропорциональна освещенности. По отклонению подвижной части измерительного механизма определяют величину освещенности в месте измерения. Прибор градуируется так, что его стрелка показывает освещенность в люксах для того диапазона, который соответствует положению переключателя.

Рис. 2. Принципиальная электрическая схема люксметра Ю-17: Ф — фотоэлемент типа Ф-107 с косинусоисправляющим устройством (светочувствительная поверхность — 27 см2
); ИМ — измерительный механизм со шкалой и световым указателем Л; R
— резисторы; П — переключатель пределов измерения ( 1-10—100 лк).
Основная погрешность люксметра Ю-17 не более ±10% от измеренной величины. Косинусная погрешность при угле падения света 60° — не более ±7%, при угле 80ْ —15%;
от измеренной величины.
Для увеличения диапазона предела измерений люксметр снабжается переключателем и светофильтром. Измерение высокой освещенности проводится с наложенным на фотоэлемент светофильтром, частично поглощающим световой поток. Замеренная в этих условиях освещенность определяется как произведение показаний люксметра на коэффициент светофильтра.
Перед началом работы с люксметром надо проверить, стоит ли световой указатель (при отключенном фотоэлементе) на нуле, и, если нет, установить его при помощи корректора.
При измерениях люксметром освещенности, создаваемой люминесцентными лампами, необходимо вводить поправочные коэффициенты для ламп типа: ЛД-0,88, ЛДЦ-0,95, ЛБ-1,15, ДРЛ-1,20. Этот коэффициент для ламп накаливания равен 1,0.
2. Стенд для исследования осветительных условий на рабочем месте состоит из двух основных частей. Первая — управляющая — включает в себя ЛАТР, вольтметр, схему включения люминесцентного светильника (рис. 3) с переключателем на лампу накаливания и механизм подъема-опускания светильника типа «Люцета». Вторая часть — установка для исследования стробоскопического эффекта — состоит из трех
Рис. 3. Схема включения в сеть двух люминесцентных ламп:
Л1
, Л2
— лампы; ПРУ — пускорегулирующее устройство; 1—8 — контакты ПРУ
люминесцентных ламп (20 Вт, 220 В), двигателя со стробоскопическим диском и панели управления. На панели управления можно выполнить подключение ламп к одной фазе или к разным фазам трехфазной сети.
ПОРЯДОК ПРОВЕДЕНИЯ РАБОТЫ
1. Ознакомиться с устройством люксметра. В отчет о лабораторной работе занести схему люксметра (см. рис. 2) и его техническую характеристику.
2. По заданным схемам рассчитать искусственное освещение рабочих мест. Преподавателем задается: минимальный размер объекта различения, контраст и светлота фона, система освещения, источник света, размеры помещения, тип светильника, напряжение сети и характер производства по запыленности; остальные данные студент принимает самостоятельно
по соответствующим таблицам (см. приложение). Схему помещения и графический расчет количества светильников привести в отчете (см. рис. 1).
3. Данные для светотехнического расчета и его результаты занести в табл. 1 и 2, все расчеты привести в отчете.
Таблица 1
| Минимальный размер деталей различения
|
Контраст объекта с фоном
|
Светлота фона
|
Система освещения
|
Источник света
|
Тип светильника
|
Размеры помещения
|
Напряжение сети, В
|
Характер производства по запыленности
|
| A
|
B
|
H
|
Таблица 2
| Нормированная освещенность
|
Расчетная высота
|
Расстояние между светильниками
|
Количество светильников
|
Коэффициент запаса
|
Коэффициент
|
Размеры помещения
|
Индекс помещения
|
Коэффициент использования светового потока
|
Световой поток ламп
|
Выбранный источник света
|
| Рас
чет
ный
|
По
ГОСТу
|
Мощ-ность
|
тип
|
| A
|
B
|
| E
|
h
|
L
|
N
|
k
|
z
|
ρп
|
ρст
|
i
|
η
|
Фст
|
Ф
|
Действительный Кп
—
(см. табл. 10 приложения)
4. Подать напряжение на стенд, тумблер «сеть» включить.
5. На установке для исследования стробоскопического эффекта (левая часть стенда) включить три люминесцентные лампы на одну фазу трехфазной электрической сети, для чего нижний левый тумблер повернуть вниз. Поочередно включить лампы № 1 — 3.
6. Левым верхним тумблером включить двигатель со стробоскопическим диском. Выяснить сущность стробоскопического эффекта (мнимые: остановка диска или вращение его в обратную сторону). Включить осциллограф его собственным тумблером «сеть».
Получить на экране осциллографа кривую изменения освещенности во времени и рассчитать по ней коэффициент пульсации КП.
7.
Перевести нижний левый тумблер в верхнее положение, т. е. подключить три лампы на разные фазы трехфазной сети (иначе, сместить на 120° фазы пульсации каждой лампы относительно друг друга). Стробоскопический эффект в этом случае пропадает или значительно уменьшается. Изменяется также и картина на экране осциллографа.
8. В произвольной форме описать явление стробоскопического эффекта при различных схемах включения и методы его ликвидации. Графически показать изменение светового потока во времени Ф = f
(
t
)
в зависимости от синусоидального изменения тока f
= φ(t
), питающего лампы. Графики выполнить для одной лампы и отдельно для трех ламп, включенных в разные фазы трехфазной сети.
9. Нижний левый тумблер поставить в нейтральное положение. Выключить двигатель стробоскопического диска, лампы № 1 — 3 и осциллограф.
10. Нижний правый тумблер повернуть вверх. Контроль включения установки — показания вольтметра и работа светильника с лампой накаливания. Ручкой ЛАТРа установить напряжение 220 В.
11. Уменьшая при помощи ЛАТРа напряжение питания светильника с лампой накаливания, заполнить табл. 3 изменения освещенности (по люксметру).
Таблица 3
| U,
в
|
240
|
220
|
210
|
200
|
190
|
180
|
170
|
160
|
150
|
140
|
130
|
120
|
110
|
100
|
| Е, лк
|
12. Нижним правым тумблером включить светильник с люминесцентными лампами; при уменьшении напряжения снять характеристики освещенности от данного светильника, заполнив табл. 4. В зависимости от типа ламп в результаты измерений освещенности внести соответствующие поправочные коэффициенты k
.
Действительная освещенность E = Еизм∙к
(значения k
см. с. 10). Обозначение типа лампы нанесено на ее цоколе, а также на панели лабораторного стенда.
Таблица 4
| U
,
в
|
240
|
220
|
210
|
200
|
190
|
180
|
170
|
160
|
150
|
140
|
130
|
120
|
110
|
100
|
| E,изм
|
| k
|
| Е, лк
|
13. Несколько раз, снижая
напряжение, определить его минимальное значение, при котором прекращает работать каждая из люминесцентных ламп.
Также несколько раз, повышая
напряжение, найти его минимальную величину, когда каждая из ламп зажигается. Эти критические моменты отметить на кривой Е
= f
(
U
).
14. При напряжении 220 В измерить и записать в табл. 5 изменение освещенности в зависимости от высоты подвески светильника над рабочей поверхностью лабораторного стола h
(механизм спуска-подъема управляется двумя кнопками на пульте с указательными стрелками вверх ↑
и вниз ↓).
Указатель h
в сантиметрах расположен на стене рядом со стендом.
Таблица 5
| h , см
|
200
|
190
|
180
|
170
|
160
|
150
|
140
|
130
|
120
|
110
|
100
|
| Е, лк
|
15. По данным табл. 3 — 5 построить кривые изменения освещенности в зависимости от напряжения сети Е =
f
(
U
)
и от высоты Е =
f
(
h
)
и сделать по ним сравнительные выводы в произвольной форме.
16. Изучить и привести в отчете схему включения двух лампового люминесцентного светильника (см. рис. 3). Объяснить принцип антистробоскопичности схемы.
17. Привести рабочее место в исходное состояние.
ПРИЛОЖЕНИЕ
Таблица 1
Наивыгоднейшие значения λ=
L/
h для светильников с лампами накаливания и люминесцентными
| Тип
|
Наименование светильника
|
λс
|
λв
|
| У
Уз
Гэ
ЗН
Лц
Шм
СК
ВЗГ
|
Универсаль
Универсаль с затенителем
Глубоко излучатель эмалированный
Зеркальная лампа глубокого светораспределения
Люцетта цельного стекла
Шар молочного стекла
Светильники кольцевые подвесные
Взрывозащищенный без отражателя
ОД, ОДР,ПВЛ-6,ОДО,ОДОР
ШОД, ШЛП
|
1,5
1,4
1,4
0,9
1,4
2,0
1,5
2,0
1,4
1,3
|
1,9
1,8
1,7
0,9
1,6
2,8
1,7
2,7
-
-
|
Таблица 2
Лампы накаливания
общего назначения (по ГОСТ 2239—79)
| М ощ-
ность, Вт
|
Лампы 127 В
|
Лампы 220 В
|
Цоколь
|
| Тип
|
Световой поток, лм
|
Тип
|
Световой поток, лм
|
| 15
|
В 127—15
|
135
|
В 220—15
|
105
|
Е-27
|
| 25
|
В 127—25
|
260
|
В 220—25
|
220
|
»
|
| 40
|
В 127—40
|
485
|
Б 220—40
|
415
|
»
|
| 40
|
БК 127—40
|
520
|
БК 220—40
|
460
|
»
|
| 60
|
Б 127—60
|
810
|
Б 220-60
|
715
|
»
|
| 60
|
БК 127—60
|
875
|
БК 220—60
|
790
|
»
|
| 100
|
Б 127—100
|
1540
|
Б 220-100
|
1350
|
»
|
| 100
|
БК 127—100
|
1630
|
БК 220—100
|
1450
|
»
|
| 150
|
Г 127—150
|
2280
|
Г 220—150
|
2090
|
»
|
| 150
|
—
|
—
|
Б 220—150
|
2100
|
»
|
| 200
|
Г 127—200
|
3200
|
Г 220—200
|
2920
|
»
|
| 200
|
—
|
—
|
Б 220-200
|
2920
|
»
|
Продолжение табл. 2
| Мощность, Вт
|
Лампы 127 В
|
Лампы 220 В
|
Цоколь
|
| Тип
|
Световой поток, лм
|
Тип
|
Световой поток, лм
|
| 300 500 750 1000 1500
|
Г 127—300 Г 127—500
Г 127—1000 Г 127—1500
|
4900 8700
19100 29600
|
Г 220-300 Г 220—500 Г 220—750 Г 220—1000 Г 220—1500
|
4600 8300 13100 18600 29000
|
»
Е-40
»
»
»
|
Примечания: 1. В типе лампы буквы обозначают: Н — лампа накаливания, В — вакуумная, Г — газонаполненная, Б — биспиральная, БК — биспиральная криптоновая.
2. Световые потоки указаны для ламп в прозрачных колбах. Лампы до 150 Вт включительно могут изготовляться в матированных или молочных колбах с уменьшением светового потока соответственно на 3 и 20%.
3. Номинальный срок службы всех ламп 1 тыс. ч.
4. К концу срока службы световой поток в среднем на 15% меньше первоначального.
5. В типе цоколя буква Е обозначает — резьбовой, а цифры 27 и 40—диаметр резьбы (в мм).
Таблица 3
Люминесцентные лампы прямолинейной формы (по ГОСТ
6825—74)
| Мощность номинальная, Вт
|
Напряжение на лампе, В
|
Ток лампы, А
|
Полная длина лампы, мм
|
Расчетный световой поток ламп, лм
|
| лдц
|
лд
|
ЛХБ
|
ЛТБ
|
ЛБ
|
ЛЕ
|
| 15 20
40 80
|
54 57 103 102
|
0,33 0,37 0,43 0,86
|
452 640 1214 1514
|
475 780 1995 3380
|
560 870
2225 3865
|
640 890 2470 4220
|
665 925 2450 4300
|
720
1120 2850 4960
|
2000
|
Примечания: 1. В таблице приводятся не номинальные, а несколько пониженные средние световые потоки. Их рекомендуется принимать исходя из того, что предусмотренный ГОСТом спад светового потока в течение срока службы не компенсируется нормируемыми значениями коэффициента запаса.
2. Средний срок службы ламп 10000 ч.
3. По ГОСТ 6825—74 световые потоки ламп ЛБ—40, ЛДЦ—80 увеличиваются на 5%, а ЛХБ—40, ЛТБ—40 — на 15%.
Таблица 4
Освещенность на рабочих поверхностях (в точках ее минимального
значения) при искусственном освещении для производственных
помещений (по СНиП 11—4—79)
| Разряд и наименьший размер объекта различия
|
Под-разряд
|
Контраст объекта с фоном
|
Характеристика фона
|
Освещенность, лк
|
| Комбинированное освещение
|
Одно общее освещение
|
| I. Работы наивысшей точности; размер объекта менее 0,15 мм
|
а б в
г
|
Малый Малый Средний Малый Средний Большой Средний Большой Большой
|
Темный Средний Темный Зветлый Средний Темный Светлый Средний Светлый
|
5000 4000 2500
1500
|
1500 1250 750
400
|
| II. Работы очень высокой точности; размер объекта — 0,15—0,3 мм
|
а б в
г
|
Малый Малый Средний Малый Средний Большой Средний Большой Большой
|
Темный Средний Темный Светлый Средний Темный Светлый Средний Светлый
|
4000 3000 2000
1000
|
1250 750 500
300
|
| III. Работы высокой точности; размер объекта — 0,3—0,5 мм
|
а б
в г
|
2000 1000 750 400
|
500 300 300 200
|
| IV. Работы средней точности; размер объекта 0,5— 1,0 мм
|
а б в
г
|
750 500 400 300
|
З00
200 200 150
|
| V. Работы малой точности; размер объекта 1 — 5 мм
|
а б в г
|
300 200
|
200 150 150 100
|
| VI. Грубая работа; размер объекта более 5 мм
|
—
|
Любой
|
Любой
|
—
|
150
|
| VII. Работа со светящимися материалами и изделиями в горячих цехах
|
Любой
|
Любой
|
—
|
200
|
ПРИМЕЧАНИЯ: I. Лампы накаливания применяются только в
случаях невозможности или технической нецелесообразности применения газоразрядных ламп.
2. Под термином «объект различения» понимается отдельная часть рассматриваемого предмета (например нить ткани, точка, линия, царапина, пятно, штрих на мерительном инструменте и т. д.), которую требуется различать при работе.
3. Фон (степень светлоты) считается: темным — при коэффициенте отражения поверхности 0.2 и менее; светлым — при коэффициенте отражения поверхности более 0,4; средним — от 0,2 до 0,4.
4. Контраст объекта различения с фоном считается: малым — если его величина менее 0,2 (яркость объекта и фона мало отличаются); средним—если его величина равна 0,2—0,5 (заметно отличаются); большим — если его величина более 0,5 (резко отличаются).
Таблица 5
Ступени шкалы освещенпости, лк
| 1,0
|
10
|
100
|
1000
|
| 1250
|
| 150
|
1500
|
| 0,2
|
2,0
|
20
|
200
|
2000
|
| 2500
|
| 0.3
|
3,0
|
30
|
300
|
3000
|
| 400
|
3500
|
| 0,5
|
5.0
|
50
|
500
|
4000
|
| 600
|
4500
|
| 7,0
|
75
|
750
|
5000
|
Примечания: 1. В качестве нормируемых величин принимаются только указанные в шкале значения освещенностей. Промежуточные значения принимать не разрешается.
2. Нормы освещенности по табл. 4 следует повышать на одну ступень по настоящей шкале:
а) при работах I—IV разрядов, если рассматриваемый объект расположен на расстоянии 0,5—1 м до глаз работающего;
б) при работах I—IV разрядов, если напряженная зрительная работа выполняется непрерывно более половины рабочего дня (например, визуальный контроль изделий);
в) при повышенной опасности травматизма в
местах, где освещенность от системы общего освещения составляет 150 лк или менее (например, при работах на циркулярных пилах, гильотинных ножницах);
г) в помещениях, специально предназначенных для работы или производственного обучения подростков, при нормируемой освещенности 300 лк или менее;
д) при специальных повышенных санитарных требованиях к помещениям;
е) при размещении деталей на движущихся поверхностях.
Таблица б
Значения коэффициентов запаса
| №
п/п
|
Помещения и территории
|
Примеры помещений
|
При лампах
|
Количество регулярных чисток светильника в
год
|
| газо-
раз-ряд-ных
|
накаливания
|
| 1
|
Производственные помещения с воздушной средой, содержащей в рабочей зоне: а) свыше 5 мг/мэ пыли, дыма, копоти
|
Агломерационные фабрики, цементн. заводы и обрубные отделения литейных цехов
|
2,0
|
1,7
|
18
|
| б) от 1 до 5 мг/мз
пыли, дыма, копоти
|
Цехи кузнечные, литейные, мартеновские, сварочные, сборного железобетона
|
1,8
|
1,5
|
6
|
| в) менее 1 мг/м3
пыли, дыма, копоти
|
Цехи инструментальные, сборочные, механические, механосборочные, пошивочные, ткацкие, прядильные, деревообрабатывающие
|
1,5
|
1,3
|
4
|
| г) значительные концентрации паров, кислот, щелочей, газов, способные при соприкосновении с влагой образовать слабые растворы кислот, щелочей, обладающих большой коррозирующей способностью
|
Цехи химических заводов Цехи гальванических покрытий с применением электроли за
|
1,8
|
1,5
|
6
|
| 2
|
Производственные помещения с особым режимом по чистоте воздуха при обслуживании светильников: а) с технического этажа б) снизу из помещения
|
1,3 1,4
|
1,15 1,2
|
4
2
|
Продолжение табл. 6
| №
п/п
|
Помещения и территории
|
Примеры помещений
|
При лампах
|
Количество регулярных чисток светильника в год
|
| газо-раз-ряд-ных
|
накаливания
|
| 3
|
Помещения общественных и жилых зданий
|
Кабинеты и рабочие помещения общественных зданий, жилые комнаты, учебные помещения, лаборатории, читальные залы, торговые, для совещаний и т. д.
|
1,5
|
1,3
|
2
|
| 4
|
Территории: а) металлургических, химических, гор-нообрабатывающих предприятий, шахт, рудников, ж.-д. станций и прилегающих к ним улиц и дорог б) промышленных предприятий (кроме указанных в п. а) и общественных зданий
|
1,5 1,5
|
1,4
1,3
|
4 2
|
| 5
|
Улицы, площади, дороги, территории жилых районов, выставок, бульвары
|
1,5
|
1.3
|
2
|
Таблица 9
Значения коэффициентов отражения стен и потолка
| Характер отражающей поверхности
|
Коэффициент отражения ρ, %
|
| Побеленный потолок; побеленные стены с окнами, закрытыми белыми шторами
Побеленные стены при незавешенных окнах, побеленный потолок в сырых помещениях; чистый бетонный и светлый деревянный потолок
Бетонный потолок в грязных помещениях; деревянный потолок; бетонные стены с окнами, стены, оклеенные светлыми обоями
Стены и потолки в помещениях с большим количеством темной пыли; сплошное стекление без штор, красный кирпич неоштукатуренный; стены с темными обоями
|
70
50
30
10
|
Таблица 10
Значения коэффициентов пульсации для различных типов ламп и различных способов их включения
| Тип ламп
|
Значение Кп, % для
|
| одной
лампы
|
двух ламп
в схеме отстающе-
го и опережающе-
го тока
|
двух
ламп в
разных
фазах
|
трех
ламп
в разных
фазах
|
| ЛБ и ЛТБ
|
25
|
10,5
|
10
|
2,2
|
| ЛХБ
|
35
|
15
|
15
|
3,1
|
| лдц
|
40
|
17
|
17
|
3,5
|
| лд
|
55
|
23
|
23
|
5,0
|
| ДРЛ
|
65
|
—
|
31
|
5,0
|
| ДКсТ
|
130
|
—
|
65
|
5,0
|
КОНТРОЛЬНЫЕ
ВОПРОСЫ
1. Перечислите все известные Вам типы электрических источников света. Назовите световую отдачу каждого из них.
2. Расскажите о принципах генерации световой энергии в каждом типе источников света.
3. Как различаются люминесцентные лампы по спектральному составу светового излучения и чем это обусловливается?
4. Объясните принцип действия газоразрядных ламп высокого давления.
5. Назовите основные положительные и отрицательные качества люминесцентных ламп.
6. Расскажите о явлении стробоскопического эффекта, его опасности.
7. Перечислите все источники света, которые могут вызвать стробоскопический эффект.
8. Почему лампы накаливания не могут создать стробоскопического эффекта?
9. В чем принципиально состоят все способы борьбы со стробоскопическим эффектом?
10. Перечислите известные Вам способы борьбы со стробоскопическим эффектом.
11. Напишите расчетное уравнение метода «коэффициента использованиям
12. В каких случаях можно пользоваться этим методом?
13. Как определяется нормируемая освещенность; от каких факторов она зависит?
14. Зачем в светотехнические расчеты вводится коэффициент запаса? Что он учитывает?
15. В зависимости от каких факторов определяется коэффициент запаса?
16. Почему необходимо учитывать при расчетах отношение средней освещенности к минимальной? Покажите эту необходимость.
17. В чем заключается физический смысл коэффициента использования светового потока?
18. Перечислите семь факторов, от которых зависит величина коэффициента использования.
19. Каким прибором измеряют освещенность? Объясните принцип действия этого прибора. Приведите его принципиальную схему.
20. Каковы правила пользования люксметром при проверке его работоспособности и при измерении освещенности, создаваемой всеми известными Вам источниками света?
21. Как находится число светильников при расчете но методу коэффициента использования? От чего зависит это число?
22. Почему при определении нормы Е необходимо в числе других факторов учитывать также шкалу освещенности?
23. У каких источников света (люминесцентных или ламп накаливания наблюдается более интенсивное снижение светового потока в связи с уменьшением напряжения в сети?
24. Как характеризуется зависимость освещенности при изменении расстояния между светильниками и освещаемой поверхностью?
25. Почему лампы накаливания одного номинала мощности, но разных напряжений имеют различные световые потоки?
26. Каков средний срок службы ламп накаливания, люминесцентных?
27. Что такое объект различения?
28. Что такое фон? Чем оценивается его характеристика?
29. Как надо размещать люминесцентные светильники в помещениях?
30. Почему минимальные напряжения прекращения работы люминесцентной лампы и зажигания ее отличаются по величине. Какое из этих напряжений меньше?
СПИСОК ЛИТЕРАТУРЫ
1. Мешков В. В. Осветительные установки. — М.: Госэнергоиздат 1947.
2. СНиП II—4—79. Естественное и искусственное освещение. Нормы проектирования // Светотехника, 1979, № 10.
3. Кнорринг Г. М. Справочная книга для проектирования электрического освещения. — Л.: Энергия, 1976.
4. Д е г т я р ев В. О. Исследование осветительных условий МИИТ, 1978, 1982.
СОДЕРЖАНИЕ
Предисловие .... 3
Теоретическая часть 4
Искусственное освещение 4
Экспериментальная часть 9
Приборы и установки 9
Порядок проведения работы 11
Приложение 15
Контрольные вопросы 24
Список литературы 25
Виктор Олегович Дягтерев
ИССЛЕДОВАНИЕ ОСВЕТИТЕЛЬНЫХ УСЛОВИИ
Методические указания к лабораторно-исследовательской работе № 3
Редактор Г. А. Чоботова
Техн. редактор М. Б. Остапович
Корректор А. В. В л а
з н е в а
Сдано в набор 07.02.89 г. Подписано к печати 11.09.89 г
Формат 60X84'/i6.Печ. л. 1,75.Зак. 371. Тир. 1000
Бесплатно.
Редакцнонно-издательскнй отдел МИИТа
101475, Москва, ул. Образцова, 15
Типография МИИТа

|