| МИНИСТЕРСТВО СЕЛЬСКОГО ХОЗЯЙСТВА
И ПРОДОВОЛЬСТВИЯ РЕСПУБЛИКИ БЕЛАРУСЬ
ГЛАВНОЕ УПРАВЛЕНИЕ ОБРАЗОВАНИЯ, НАУКИ И КАДРОВ
УЧРЕЖДЕНИЕ ОБРАЗОВАНИЯ
“БЕЛОРУССКАЯ ГОСУДАРСТВЕННАЯ
СЕЛЬСКОХОЗЯЙСТВЕННАЯ АКАДЕМИЯ”

Кафедра строительства и эксплуатации ГМС
АВТОМАТИЗАЦИЯ
мелиоративных и
водохозяйственных
систем
методические указания по РАЗРАБОТКЕ
СИСТЕМ АВТОМАТИЗАЦИИ В КУРСОВЫХ
И дипломнЫХ проектАХ
Для студентов специальности 1-74 05 01 –
мелиорация и водное хозяйство
издание второе, переработанное и дополненное
Горки 2008
МИНИСТЕРСТВО СЕЛЬСКОГО ХОЗЯЙСТВА
И ПРОДОВОЛЬСТВИЯ РЕСПУБЛИКИ БЕЛАРУСЬ
ГЛАВНОЕ УПРАВЛЕНИЕ ОБРАЗОВАНИЯ, НАУКИ И КАДРОВ
УЧРЕЖДЕНИЕ ОБРАЗОВАНИЯ
“БЕЛОРУССКАЯ ГОСУДАРСТВЕННАЯ
СЕЛЬСКОХОЗЯЙСТВЕННАЯ АКАДЕМИЯ”

Кафедра строительства и эксплуатации ГМС
АВТОМАТИЗАЦИЯ
мелиоративных и
водохозяйственных
систем
методические указания по РАЗРАБОТКЕ
СИСТЕМ АВТОМАТИЗАЦИИ В КУРСОВЫХ
И дипломнЫХ проектАХ
Для студентов специальности 1-74 05 01 –
мелиорация и водное хозяйство
издание второе, переработанное и дополненное
Горки 2008
Одобрено методической комиссией мелиоративно-строительного факультета 02.07.2008 (протокол№9).
Составили: Л.И. КУМАЧЕВ.
УДК 62–52
Автоматизация мелиоративных и водохозяйственных систем: м
етодические указания; издание второе, переработанное и дополненное / Белорусская государственная сельскохозяйственная академия; сост. Л. И. Кумачев. Горки, 2008. 24 с.
Приведены общие принципы выбора средств автоматизации на мелиоративных объектах, технологические и принципиальные схемы систем автоматического измерения и контроля основных технологических параметров на мелиорируемых объектах, а также регулирования уровней воды в открытых водотоках, подпочвенного увлажнения, насосных станций, вертикального дренажа, капельного орошения, систем сельскохозяйственного водоснабжения.
Рисунков 13. Библиогр. 4.
Рецензент: М. А. ЖАРСКИЙ, к.т. н, доцент кафедры мелиорации и водного хозяйства.
Ó Составление. Л. И. Кумачев, 2008
Ó Учреждение образования
“Белорусская государственная
сельскохозяйственная академия”, 2008
ВВЕДЕНИЕ
Одним из признаков технического совершенства запроектированной мелиоративной системы является автоматизация ее в той или иной степени. Поэтому весьма желательно разработать раздел в дипломном проекте, посвященный автоматизации. Однако студенты испытывают значительные трудности при разработке этого раздела с помощью имеющихся литературных источников. Настоящие методические указания в определенной степени решают эту проблему. В них изложены общие принципы выбора средств автоматизации, даны приемы автоматизации измерения, контроля и регулирования ряда технологических параметров на мелиорируемых объектах. Изложена методика и приведены варианты технических средств автоматизации подпочвенного увлажнения, польдерных насосных станции и польдерных мелиоративных систем, вертикального дренажа, дождевания.
Забиваем Сайты В ТОП КУВАЛДОЙ - Уникальные возможности от SeoHammer
Каждая ссылка анализируется по трем пакетам оценки: SEO, Трафик и SMM.
SeoHammer делает продвижение сайта прозрачным и простым занятием.
Ссылки, вечные ссылки, статьи, упоминания, пресс-релизы - используйте по максимуму потенциал SeoHammer для продвижения вашего сайта.
Что умеет делать SeoHammer
— Продвижение в один клик, интеллектуальный подбор запросов, покупка самых лучших ссылок с высокой степенью качества у лучших бирж ссылок.
— Регулярная проверка качества ссылок по более чем 100 показателям и ежедневный пересчет показателей качества проекта.
— Все известные форматы ссылок: арендные ссылки, вечные ссылки, публикации (упоминания, мнения, отзывы, статьи, пресс-релизы).
— SeoHammer покажет, где рост или падение, а также запросы, на которые нужно обратить внимание.
SeoHammer еще предоставляет технологию Буст, она ускоряет продвижение в десятки раз,
а первые результаты появляются уже в течение первых 7 дней.
Зарегистрироваться и Начать продвижение
1. ОБЩИЕ ПРИНЦИПЫ ВЫБОРА СРЕДСТВ
АВТОМАТИЗАЦИИ НА МЕЛИОРИРУЕМЫХ ОБЪЕКТАХ
Прежде всего студенту следует хорошо изучить особенности автоматизируемого технологического процесса (скорости протекания процесса, характера изменений в нем, диапазоны контроля и регулирования). Нужно также учесть климатические условия, в которых будет работать автоматика (ход температур, влияние влажности воздуха и т.д.). Выяснить, имеется ли на объекте электроэнергия или ее следует подвести с помощью специальной силовой линии. Подвод электроэнергии – дорогое мероприятие, и его стоимость может превзойти стоимость средств автоматики.
При выборе варианта автоматизации следует отдавать предпочтение наиболее простому из них, так как с повышением сложности систем увеличивается количество элементов, входящих в ее состав и возрастает вероятность ее отказа. Одну и ту же задачу можно решить с помощью электрической и гидравлической автоматики. Например, стабилизация уровня воды в верхнем или нижнем бьефе гидротехнического сооружения может быть осуществлена с помощью простого гидравлического затвора-автомата или же с помощью электрифицированного гидротехнического сооружения. В первом варианте нет необходимости в электроэнергии, высока надежность и он предпочтительнее второго. Если же ставится более сложная задача, например, регулирование уровня воды в канале в зависимости от положения уровня грунтовой воды в почве, то вариант с затвором-гидроавтоматом неприемлем. Необходима разработка более сложного, электрического авторегулятора с датчиками уровня грунтовой воды, размещенными в поле.
При выборе технических средств автоматизации нужно учесть, сопоставимы ли скорости протекания процессов в объекте с быстродействием средств автоматики, будет ли достаточно эффективным воздействие на объект автоматизированного регулирующего устройства [1]. Например, приведет ли автоматическая перестановка затвора к достаточно быстрому изменению положения уровня грунтовой воды в почве? Не будет ли слишком большим отставание положения уровня воды в наблюдательном колодце от перемещающегося уровня грунтовой воды в почве? Колодец в этом случае является составным элементом датчика уровня грунтовой воды. От его конструкции и размеров зависит эффективность работы датчика и всей системы автоматики в целом. При большой инерционности датчика появятся значительные ошибки регулирования положения уровня грунтовой воды в почве. Возникнут условия для подтопления корневой системы растений, и это может привести к снижению урожая.
Сервис онлайн-записи на собственном Telegram-боте
Попробуйте сервис онлайн-записи VisitTime на основе вашего собственного Telegram-бота:
— Разгрузит мастера, специалиста или компанию;
— Позволит гибко управлять расписанием и загрузкой;
— Разошлет оповещения о новых услугах или акциях;
— Позволит принять оплату на карту/кошелек/счет;
— Позволит записываться на групповые и персональные посещения;
— Поможет получить от клиента отзывы о визите к вам;
— Включает в себя сервис чаевых.
Для новых пользователей первый месяц бесплатно.
Зарегистрироваться в сервисе
Следует учесть, что при разработке автоматизированных систем регулирования на мелиорируемых землях, ошибки, допущенные в любом звене системы, приведут к значительному снижению эффективности автоматизации и к неоправданному расходованию материальных средств. Это следует иметь в виду при разработке автоматизированных систем в дипломных проектах.
2. АВТОМАТИЗАЦИЯ ИЗМЕРЕНИЯ И КОНТРОЛЯ
ОСНОВНЫХ ТЕХНОЛОГИЧЕСКИХ ПАРАМЕТРОВ НА
МЕЛИОРИРУЕМЫХ ОБЪЕКТАХ
Измеряемыми (контролируемыми) технологическими параметрами на мелиорируемых землях обычно являются следующие: уровень воды или расход ее в открытом водотоке, расход воды в трубопроводе, давление (напор), влажность почвы, уровень грунтовой поды и т.д. Надежность функционирования систем автоматического измерения (контроля) зависит от правильности выбора типа соответствующего датчика. Для измерения уровней или расходов воды в открытых водотоках можно использовать потенциометрические, сельсинные, частотные и другие датчики, устанавливаемые в специальных колодцах на берегу. Колодец изготавливают из труб или железобетонных колец. Кабель от датчика прокладывают в почве с помощью щелерезной машины. Глубина закладки кабеля должна быть больше глубины вспашки почвы. Для соединительного кабеля обычно используют алюминиевый или медный провод в двойной полихлорвиниловой изоляции.
Характер передаваемой по кабелю информации зависит от конструкции и принципа действии датчика уровня воды. Обычно используют датчики поплавкового типа. В качестве вторичных преобразователей применяют потенциометры, сельсины, генераторы переменного тока и т.д. Выходными сигналами датчиков, передаваемыми по соединительному кабелю, соответственно могут быть: переменное сопротивление потенциометра, переменное выходное напряжение сельсина, переменный ток генератора с частотой, зависящей от измеряемого уровня воды. Переданная по кабелю информация принимается на пульте измерительным прибором или же записывается на ленту самописца. В качестве измерительных приборов применяют вольтметры, омметры, частотомеры и др. Наиболее часто используемые варианты датчиков уровня воды и измерительных систем приведены в литературных источниках: [2], [3], [4].
В дипломном проекте необходимо четко сформулировать задачи систем автоматики, перечислить элементы, входящие в состав систем, привести схемы и описать их работу.
Системы автоматического контроля уровней воды обеспечивают не только измерение интересующего параметра и передачу информации на пульт, но и сравнение результатов измерения с требуемой величиной уровня воды. Если результат сравнения свидетельствует о предельно допустимом отклонении фактической величины от заданной, то должно сработать командное устройство, входящее в состав системы контроля. Оно включит соответствующее средство сигнализации, например, световое табло с надписью «Уровень предельно высокий», электрический звонок, сирену и т.д.
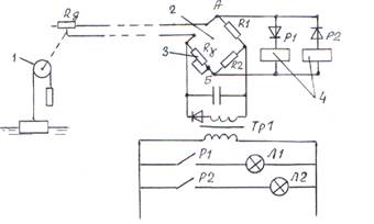
Блок-схема системы автоматического контроля показана па рис. 1. Принципиальная электрическая схема этой же системы приведена на рис. 2. В ней использован поплавковый датчик уровня воды с потенциометрическим преобразователем Rд
на выходе. Выходное переменное сопротивление Rд
зависит от уровня воды. С помощью линии связи оно подведено к мостику сопротивлений 2, выполняющему функции блока сравнения фактической и заданной величины уровня. Заданная величина хранится в другом потенциометре R3
входящем в состав мостика сопротивлений и называемом задатчиком З. В его конструкции имеется поворотная ручка со шкалой требуемых значений уровней воды. В мостике происходит сравнение фактического и заданного уровней воды, как сравнение двух величин электрического сопротивления: сопротивления датчика Rд
и сопротивления задатчика Rз
. Если они равны, то мостик сбалансирован, между точками А и Б напряжение равно нулю. Если же фактический уровень изменяется, то соответственно баланс мостика нарушается, и между точками А и Б возникает напряжение. По мере увеличения отклонения уровня от заданного, это напряжение увеличивается. Электромагнитные реле Р1 и Р2 вместе с диодами выполняют функции командного устройства. Одно из них (в зависимости от полярности напряжения между точками А и Б) срабатывает в момент, когда это напряжение станет равным порогу срабатывания реле. Диоды используются для распознавания полярности действующего напряжения, которая зависит от направления отклонения фактического уровня воды от заданного. Контакты командных реле Р1 и Р2 управляют работой сигнальных ламп. Настраивается система на сигнализацию требуемого уровня воды путем поворота ручки задатчика З и установки ее в положение, соответствующее заданной отметке поверхности воды.

Рис. 1. Блок-схема системы контроля:
Д – датчик; З – задатчик; КУ – командное устройство; СС – средства сигнализации.
Системы измерения или контроля влажности почвы строятся по аналогичным схемам. Если использовать гипсовый датчик влажности почвы, у которого выходным сигналом является величина электрического сопротивления, то электрическая принципиальная схема системы контроля влажности почвы будет аналогична той, которая приведена на рис. 2.

Рис. 2. Система контроля уровня воды:
1 – датчик; 2 – блок сравнения; 3 – задатчик; 4 – командное устройство.
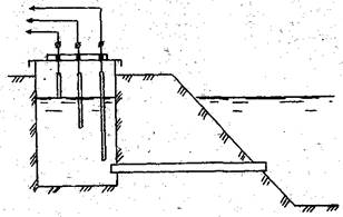
Для контроля уровней воды в системах водоснабжения, в напорных водоемах осушительно-увлажнительных систем, в каналах, прудах и т.д. широкое применение находят стержневые реле уровня воды [2]. Их стержневые датчики монтируют в специальных колодцах, выполненных из металлических или асбоцементных труб небольшого диаметра (рис. 3). Датчик соединяют с пультом с помощью кабеля. На

Рис. 3. Установка стержневого датчика уровня воды в колодце.
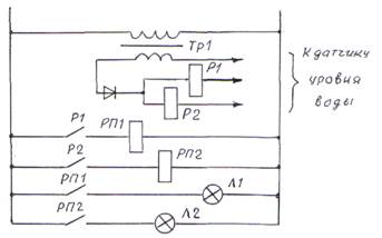
пульте (рис. 4) устанавливают понижающий трансформатор Tp
1, а также высокочувствительные электромагнитные реле Р1 и Р2 срабатывающие при замыкании стержней датчика водой. Контакты этих реле

Рис. 4. Система контроля уровня воды.
маломощные и обычно управляют током в катушках промежуточных электромагнитных реле РП1 и РП2. Контакты последних имеют значительную коммутационную мощность и включают сигнальные лампы Л1 и Л2. Стержневой датчик уровней воды настраивают перемещением его стержней и закреплением их на определенной высоте так, чтобы их нижние концы соответствовали отметкам контролируемых уровней воды. Самый длинный стержень датчика должен постоянно находиться в воде при любых положениях уровня.
3. АВТОМАТИЗАЦИЯ РЕГУЛИРОВАНИЯ УРОВНЕЙ ВОДЫ
В ОТКРЫТЫХ ВОДОТОКАХ
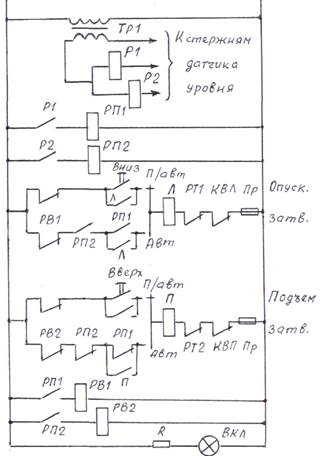
Технически совершенные мелиоративные системы оснащают подпорными гидротехническими сооружениями, способными управлять уровнями воды. Наибольший эффект от таких систем можно получить при автоматизации управления сооружениями. Для этого в дипломном проекте необходимо разработать соответствующие системы автоматики. Разработка начинается с четкого формулирования задачи автоматики. Например, «Перемещать затвор трубы-регулятора и, тем самым, поддерживать постоянство уровня воды в нижнем бьефе независимо от изменения притока воды к трубе». После того как сформулирована задача, необходимо уяснить, какой технологический параметр система автоматики должна контролировать. В нашем примере нужно организовать контроль уровня воды в нижнем бьефе трубы-регулятора. Всякие отклонения этого уровня от требуемого должны вызывать перемещения затвора. Важно правильно выбрать тип датчика уровня воды и место его установки. Типы датчиков описаны в п. 2. Датчик устанавливают в колодце на берегу канала на расстоянии 50...150 м ниже трубы-регулятора, т.е. там, где поток ламинарный и характеристики его устойчивы во времени. Откосы и дно канала в этом месте бетонируют. Кабель от датчика укладывают в почве на глубине, превышающей глубину вспашки. Подводят кабель к станции управления. Последняя может быть устроена в виде железного ящика-шкафа, закрепленного на железобетонном столбе. Устанавливают столб недалеко от трубы-регулятора. К станции управления подводят электрический ка6ель с напряжением 380В. В шкафу станции управления монтируют все элементы, автоматики, за исключением датчика, установленного в колодце.
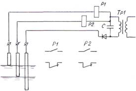
Важным является вопрос о типе датчика уровня воды. В нашем случае затвор трубы-регулятора может перемещаться время от времени, т.е. эпизодически. Значит, в качестве датчика уровня ДУ можно применять стержневой датчик (рис. 5) с дискретным характером работы. Роль задающего устройства и роль устройства сравнения выполняют стержни датчика. В шкафу станции управления нужно разместить два высокочувствительных реле, блок питания для них, два промежуточных реле и элементы системы управления электродвигателем затвора: магнитные пускатели, переключатель режима работы Авт-П/авт, кнопки Пуск и Стоп, предохранители, рубильник и тепловые реле защиты.

Рис. 5. Электрическая принципиальная схема реле уровня стержневого типа.
Электрическая принципиальная схема системы автоматики приведена на рис. 6. Работает система следующим образом. Если уровни воды изменяются так, что нет касания воды верхнего стержня датчика или же нет отрыва ее поверхности от среднего стержня, то электродвигатель не включается и затвор неподвижен. Если же есть касание воды верхнего стержня, то срабатывает реле Р1, а затем и РП1. Контакты реле РП1 замыкаются и запускается электродвигатель. Затвор опускается. Начинает уменьшаться уровень, но от затвора до места установки стержневого датчика уровня расстояние равно 50...150 м и поэтому возможно перерегулирование уровня вследствие транспортного запаздывания в нижнем бьефе канала. Реле времени PB1 исключает это. Контакты реле PП1, замыкаясь, включают реле PB1 одновременно с пуском электродвигателя. Оно отсчитывает заданное время (в это время затвор двигается вниз), а затем своими размыкающими контактами размыкает цепь управления и выключает электродвигатель. Поток в нижнем бьефе стабилизируется.
Допустим, что новое положение уровня воды такое, что он уже не касается верхнего стержня датчика. Контакты реле P1 (и реле PП1) будут находиться в исходном положении. Контакты PП1 разомкнуты, и реле PB1 также находится в исходном положении. Его контакты замкнуты. Цепь управления готова к новому пуску электродвигателя. Реле времени PB1 нужно настроить так, чтобы за установленное время затвор успевал опуститься настолько, что новое положение уровня воды находилось бы в допустимом диапазоне.

Рис. 6. Система регулирования уровня воды.
Аналогично работает система автоматики и в случае понижения уровня воды и отрыва его от среднего стержня датчика. Затвор приподнимается, и уровень в нижнем бьефе принимает нужное положение. Рассмотренная система автоматики относится к импульсным системам регулирования.
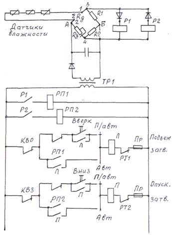
4. АВТОМАТИЗАЦИЯ ПОДПОЧВЕННОГО УВЛАЖНЕНИЯ
На некоторых мелиорируемых объектах можно осуществить достаточно эффективное регулирование влажности почвы в корнеобитаемом слое почвы шлюзованием. Мелиоративная система в этом случае содержит открытые каналы с регулируемыми уровнями воды (с помощью электрифицированных труб-регуляторов или шлюзов-регулято-ров), а также закрытую дренажную систему, которая используется для подпочвенного увлажнения водой из каналов.
Следует иметь в виду, что эффективность процессов регулирования влажности почвы шлюзованием зависит от свойств последней, от свойств подстилающих, горизонтов. Поэтому в дипломном проекте должно быть соответствующее обоснование. Эффект увлажнения почвы достигается определенным подъемом уровня грунтовой воды.
В литературе имеются рекомендации по оптимальному положению этого уровня по месяцам в зависимости от типа почв, вида сельскохозяйственной культуры и фазы развития растения. Зная это, можно сконструировать систему автоматического регулирования влажности почвы по положению уровня грунтовой воды. Для этого понадобятся стержневые датчики уровня воды, которые следует установить на объекте в специальных скважинах. Стержни датчиков должны быть настроены на требуемое положение уровня воды. Устройство и работа системы регулирования будут такими же, как и в случае, описанном ранее (рис. 5, 6). Нужно, однако, учесть, что после перестановки затвора в новое положение понадобится значительное время для перехода мелиорируемого объекта в новый статический режим, когда установится новое устойчивое положение уровня грунтовой воды. Это время может достигать 5...10 ч и более, что отразится на выборе типа реле времени, которое должно обеспечивать такую большую паузу.
Если регулирование влажности почвы будет осуществляться по информации, поступающей не от датчиков уровня грунтовых вод, а от датчиков влажности почвы, то в этом случае устройство автоматической системы и ее конструкция будут зависеть от типа датчиков влажности почвы. Так, если кислотная реакция почвенной воды нейтральная или слабощелочная (РН = 5...7), то с успехом можно применить гипсовые датчики влажности почвы (рис. 7). Их равномерно по площади объекта устанавливают в почву и соединяют в общую последовательную электрическую цепь с помощью кабеля, уложенного на глубине, превышающей глубину вспашки почвы. Конец линии связи выводят к станции управления, установленной рядом с регулирующим гидротехническим сооружением.
Количество датчиков зависит от характера поверхности почвы. Обычно объекты с торфяной почвой имеют спокойный рельеф, и датчики можно ставить из расчета 1…3 датчика на каждые 50...70 га. Если же рельеф местности, более выражен, с западинами, то количество датчиков должно быть увеличено до 5…7. Выходным сигналом гипсового датчика является величина его электрического сопротивления, зависящая от влажности почвы. Поэтому в составе автоматической системы должно быть предусмотрено соответствующее задающее устройство, устройство сравнения, командное устройство, рассчитанные на восприятие информации от датчика.

Рис. 7. Схема установки гипсового датчика влажности почвы:
1 – датчик; 2 – соединительный кабель; 3 – колышек-сторож.
Принципиальная электрическая схема системы регулирования представлена на рис. 8. Подземный, кабель (от датчиков влажности почвы) подключен к точкам 1 и 2 мостика сопротивлений, выполняющего функции устройства сравнения. В качестве задающего устройства использован потенциометр R3
со шкалой требуемых значений влажности почвы. Высокочувствительные реле Р1 и Р2 выполняют функции командного устройства. Реле PП1 и РП2 увеличивают мощность команд и передают их в цепь управления электродвигателем затвора.
Работает система следующим образом. Если влажность почвы близка к заданной, то суммарное электрическое сопротивление датчиков влажности равно сопротивлению задающего устройства. Мостик сопротивлений сбалансирован. На его выходе (точки 3 и 4) нет напряжения, и командные реле P1 и Р2.находятся в исходных положениях. Их контакты разомкнуты. Поэтому разомкнуты и контакты реле РП1 и РП2. Электродвигатель затвора выключен.

Рис. 8. Система регулирования влажности почвы шлюзованием.
При подсыхании почвы и уменьшении ее влажности увеличивается электрическое сопротивление цепи гипсовых датчиков влажности почвы. Мостик сопротивлений разбалансируется. Увеличивается выходное напряжение в точках 3 и 4 мостика. В момент, когда это напряжение станет равным порогу срабатывания реле Р2 оно сработает. Замкнутся его контакты. Сработает реле РП2 и замкнет свои контакты в цепи запуска электродвигателя затвора в направлении его опускания. Затвор опустится до определенного расчетного положения, и двигатель будет выключен концевым выключателем. Уровень воды в канале начнет повышаться. Это:
будет способствовать подъему уровня грунтовой воды в почве и увеличению влажности корнеобитаемого слоя почвы.
По мере увеличения влажности почвы мостик сопротивлений возвращается в сбалансированное положение. Уменьшается выходное напряжение в точках 3 и 4. Реле Р2 переходит в исходное положение. Обесточивается катушка реле РП2 и размыкаются его контакты в цепи управления электродвигателем. При дальнейшем увеличении влажности почвы система действует следующим образом. Уменьшается электрическое сопротивление цепи датчиков. Мостик начинает разбалансироваться в обратном направлении. В точках 3 и 4 возникает выходное напряжение обратной полярности, и под его влиянием реле Р2 уже сработать не может, так как этому препятствует диод. Реле P1 может сработать, так как диод в цепи катушки P1 этому не препятствует. При определенной влажности почвы реле P1 сработает. Это вызовет срабатывание реле PП1 и запуск электродвигателя на подъем затвора. Затвор займет заранее определенное расчетами верхнее положение. Уровень воды в канале начнет понижаться. Это повлечет за собой, понижение уровня грунтовой воды в почве и уменьшение ее влажности.
Таким образом, при плавных, медленных изменениях влажности почвы имеет место эпизодическое перемещение затвора, занимающего заранее установленные расчетные положения. Очевидно, эта система относится к системам регулирования релейного действия. Положения затвора должны обеспечивать требуемые уровни воды в верхнем бьефе канала при известных значениях расхода воды, в канале. В дипломном проекте должны быть соответствующие расчеты положений затвора.
Если увлажнение почвы осуществляется подачей воды в осушительную систему из напорного водоема НВ, построенного на диктующей отметке местности, то необходимо предусмотреть автоматизацию подкачки воды в НВ с помощью насосной станции. Технологическая схема мелиоративной системы показана на рис. 9. Перед увлажнением закрывают электрозадвижку Э32. В результате этого прекращается осушительное действие дренажной системы. При включении насосной станции, в автоматическом режиме открывается задвижка Э31, установленная на напорном трубопроводе и вода поступает по трубопроводу в НВ.

Рис. 9. Технологическая схема автоматизированной системы:
НС – насосная станция; ЭЗ1 и ЭЗ2 – электрозадвижки;
РУ – реле уровня воды; НВ – напорный водоем.
Уровень воды в НВ достигает заданной отметки. Срабатывает реле уровня РУ, установленное в НВ, и выключает насос. Вода в НВ расходуется на увлажнение почвы. Уровень ее понижается. Реле РУ переходит в исходное положение и снова включает насос и т.д. Частота включений насоса вначале будет относительно высокой. Потом, когда влажность почвы повысится, включения насоса станут более редкими вследствие увеличения ширины зоны смоченной почвы вокруг дрен-увлажнителей и увеличения длины пути фильтрации в более удаленное от дрен зоны почвы.
Таким образом, увлажнение почвы осуществляется без контроля ее фактической влажности. Оператор назначает срок начала увлажнения. Автоматизирован лишь процесс подачи воды в НВ. Можно усовершенствовать систему. Для этого следует ввести в ее состав контроль фактической влажности почвы.
5. АВТОМАТИЗАЦИЯ ПОЛЬДЕРНЫХ НАСОСНЫХ СТАНЦИЙ
Осушительные насосные станции (НС) на польдерных системах работают с переменной производительностью. Чаще всего производительность НС изменяют дискретно путем изменения количества одновременно работающих насосов (при однотипных насосах) или же путем изменения комбинации одновременно работающих насосов (при разных насосных агрегатах). В таблице 1 приведен вариант дискретного изменения производительности насосной станции.
Знак (+) означает, что насос включен. Как видно, путем изменения комбинаций и количества одновременно работающих (всего пяти) насосов можно менять производительность насосной станции в 10 раз при постоянном шаге дискретности.
Для автоматического управления работой насосов можно использовать стержневое реле уровня, установленное в аванкамере, аналогичное показанному на рис. 5. Число коротких стержней датчика уровня воды должно соответствовать числу насосных агрегатов. Касание воды одного из этих стержней соответствует выработке команды на включение соответствующего насоса. По мере повышения уровня воды и последовательного касания все более коротких (или более высоко установленных) стержней датчика, все большее количество насосных агрегатов будет включено. При снижении уровня имеет место обратный процесс, т.е. насосы поочередно выключаются.
Таблица 1. Вариант дискретного изменения производительности
насосной станции
| Производительность насосной станции
|
Производительность насосных агрегатов
|
| №1
|
№2
|
№3
|
№4
|
№5
|
| Q1
|
Q1
|
2Q1
|
3Q1
|
3Q1
|
| Q1
|
+
|
–
|
–
|
–
|
–
|
| 2Q1
|
+
|
+
|
–
|
–
|
–
|
| 3Q1
|
+
|
–
|
+
|
–
|
–
|
| 4Q1
|
+
|
+
|
+
|
–
|
–
|
| 5Q1
|
–
|
–
|
+
|
+
|
| 6Q1
|
–
|
+
|
+
|
+
|
–
|
| 7Q1
|
+
|
+
|
+
|
| 8Q1
|
–
|
–
|
+
|
+
|
+
|
| 9Q1
|
+
|
–
|
+
|
+
|
+
|
| 10Q1
|
+
|
+
|
+
|
+
|
+
|
| Q1
|
| Q1
|
Принципиальная электрическая схема управления электродвигателем одного насосного агрегата показана на рис. 10. При касании водой стержня датчика (рис. 5) срабатывает высокочувствительное реле P1. Если касание кратковременное, то никакой реакции на него не будет. Если же оно длительное, то сработает реле времени PB1 и замкнет свои контакты в цепи питания промежуточного реле РП1. Последнее замкнет контакты в цепи управления электродвигателя, и насос за-пустится. Он будет работать все время, пока уровень воды находится на отметках не ниже конца стержня датчика. Если же уровень в аванкамере понизился и стержень датчика воды не касается, то высокочувствительное реле P1 перейдет в исходное положение. Катушка РВ будет обесточена. Реле РП1 также перейдет в исходное положение, и его контакты разомкнут цепь управления электродвигателем. Насосный агрегат остановится. Остальные насосные агрегаты имеют аналогичные схемы управления.
Если уровень воды в верхнем бьефе насосной станции достаточно низкий и вода может удаляться с польдерной системы самотеком по специально построенной для этого сливной трубе, уложенной под дамбой, то включать насосы нецелесообразно. В этом случае устанавливают в верхнем бьефе стержневой датчик уровня воды с двумя

Рис. 10. Система управления насосным агрегатом.
стержнями. Настраивают его на минимальный уровень воды, при котором возможно удаление ее с объекта самотеком. Если вода не касается стержней датчика, то (рис. 11) реле Р1 размыкает цепь питания промежуточного реле РП1. Его контакты размыкаются и обесточивают катушку контактора K1, который при этом выключит насосную станцию и сделает невозможным пуск какого-либо из насосов. Одновременно контакты реле РП1 замкнутся и откроется электрозадвижка на сливной трубе, уложенной под дамбой. Вода будет удаляться с осушаемой территории самотеком. Если же уровень воды в верхнем бьефе повысится и коснется стержней датчика, то сработают реле Р1, РВ и РП1. Включится электропитание насосной станции, и она войдет в дежурный режим (готовность к пуску). Одновременно замкнутся контакты реле РП1 и электрозадвижка на сливной трубе закроется. При повышении уровня насосы будут автоматически включаться.
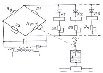
В некоторых более ответственных случаях необходимо учитывать не только положение уровня воды в аванкамере насосной станции, но и скорость его подъема или понижения. В зависимости от этих двух параметров следует выбирать комбинацию или количество одновременно работающих насосов. Датчик уровня воды в аванкамере должен быть поплавковым с потенциометрическим преобразователем. Выходной величиной, несущей информацию о положении уровня воды, является электрическое сопротивление Rд
преобразователя. Оно включено в состав мостика сопротивлений (рис. 12), выполняющего роль блока сравнения уровней заданного и фактического.

Рис. 11. Система управления задвижкой на водовыпуске.

Рис. 12. Система управления насосными агрегатами с коррекцией
по скорости хода уровня воды.
Задающее, устройство R3
выполнено в виде потенциометра со шкалой требуемых уровней воды. С его помощью можно сбалансировать мостик сопротивлений в момент, когда уровень воды в аванкамере достаточно низкий и не требуется включения ни одного насоса. Для этого поворачивают ручку потенциометра R3
, добиваясь нулевого показания вольтметра. Если уровень воды начинает повышаться, то изменяется величина сопротивления Rд
. Мостик сопротивлений разбалансируется. Появляется и все более возрастает выходное напряжение. Уровень воды достигает отметки, при которой нужно включить первый насосный агрегат. В этот момент изменяет величину переменного сопротивления R2 и добиваются срабатывания высокочувствительного реле Р1. Его контакты замкнутся и это будет команда для включения насосного агрегата №1. Аналогично настраивают командные реле P2, P3...Pn (по числу насосов). Таким образом, при повышении уровня насосы будут в определенном порядке включаться, а при его понижении – выключаться в обратном порядке.
Для учета скорости перемещения уровня воды введен дифференциальный блок с потенциометром Rдиф
. Чем выше скорость перемещения уровня, тем больше изменится Rдиф
. Это изменение внесет «свою долю» в разбаланс мостика сопротивлений и приведет к появлению повышенного значения Uвых
и к включению большего количества насосов, чем в случае, если бы уровень повышался медленнее.
В результате получился пропорциональный авторегулятор с коррекцией по скорости, типа ПД. Он обеспечивает более высокое качество регулирования уровня воды в нижнем бьефе и надежно защищает осушаемую территорию от возможных затоплений.
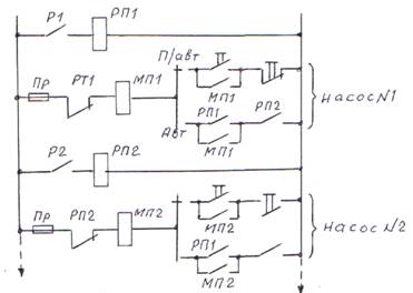
6. АВТОМАТИЗИРОВАННЫЙ ВЕРТИКАЛЬНЫЙ ДРЕНАЖ
Скважины вертикального дренажа обычно располагают «кустом». Расстояние между ними определяется радиусом влияния скважины. Во время работы насосов понижается уровень грунтовой воды в почве. Для контроля истинного положения этого уровня в центре «куста» устанавливают наблюдательную скважину и помещают в нее стержневой датчик уровня воды, аналогичный показанному на рис. 5 и содержащий 3 стержня. Касание воды верхнего стержня вызывает срабатывание высокочувствительного реле P1. Его контакты замкнутся и выработают команду «Пуск» электродвигателям погружных насосов. Принципиальная электрическая схема управления насосными агрегатами показана на рис. 13. Как видно, срабатывание реле P1 вызывает замыкание контактов реле РП1 в цепи управления и за этим следует пуск насоса. Уровень грунтовой воды после этого понижается, и реле P1 переходит в нормальное положение. Его контакты размыкаются. Поэтому реле РП1 тоже переходит в нормальное положение и размыкает свои контакты в цепи управления. Они заблокированы контактами магнитного пускателя МП, и поэтому насос продолжает работать. Уровень воды в скважине датчика понижается и отрывается от среднего стержня (см. рис. 5). Реле Р2 переходит в нормальное положение, размыкает свои контакты и обесточивает катушку реле РП2. Контакты реле РП2 размыкаются в цепи управления и выключают насосный агрегат. Остальные насосные агрегаты включаются и выключаются аналогично и одновременно. Делается это с помощью свободных контактов реле РП1 и РП2. Установка требуемого положения уровня грунтовой воды (норма осушения) достигается перемещением стрежней датчика уровня и установкой их на нужных отметках.

Рис. 13. Принципиальная электрическая схема управления
насосными агрегатами вертикального дренажа.
Все средства управления сосредоточены в стальном шкафу, закрепленном на столбе, заглубленном в землю. Рядом должен быть расположен и понижающий трансформатор.
7. АВТОМАТИЗАЦИЯ ДОЖДЕВАНИЯ
При разработке раздела дипломного проекта, посвященного автоматизации дождевания, следует иметь в виду, что наиболее приспособленными для автоматизации являются, стационарные дождевальные системы, а также системы с дождевальными машинами «Фрегат». Степень их автоматизации может быть различной. Так, в более простом варианте можно разрабатывать систему автоматического определения сроков поливов, а сам полив (включение и выключение насосной станции) будет осуществляться с помощью оператора. В этом случае можно использовать систему автоматического контроля влажности почвы, представленную в п. 4. Электромагнитные реле P1 и Р2 (рис. 8) своими контактами будут включать световые табло с надписями: «Влаги в почве достаточно» или «Нужен полив». Параллельно второму световому табло можно включить электрический звонок для более надежного оповещения оператора о необходимости включения дождевальных установок. Дождевальные установки могут включаться в определенной последовательности и на определенное время. Для этого используется устройство, устанавливаемое на напорном трубопроводе и периодически снижающее давление «после себя».
В результате в напорном трубопроводе давление изменяется в виде импульсов. На каждой дождевальной установке смонтированы устройства, воспринимающие эти импульсы и преобразующие их в определенный угол поворота крана, подающего воду в дождевальную установку. Краны настроены так, что после очередного импульса снижения давления один из них закроется, а другой откроется и т.д. Это позволяет включать установки поочередно и тем самым снизить потребную мощность насосной станции.
В случае, если студент принял решение разработать систему автоматического управления оросительной насосной станцией по информации, поступающей от датчиков, то за основу следует принять систему автоматического контроля влажности почвы, аналогичную показанной на рис. 8. Но в этом случае контакты реле Р1 и Р2 должны быть включены в цепь управления электродвигателем насоса. При снижении влажности почвы до значения, установленного на шкале задатчика Rд
, сработает реле (например Р1) и включит насосный агрегат. Полив начнется автоматически. Все дождевальные установки, оборудованные счетчиками импульсов снижения давления в трубопроводе, сработают поочередно, и после выключения последней давление в трубопроводе повысится до значения, соответствующего расходу, равному нулю. Для автоматического выключения насоса в цепи управления необходимо разместить нормально замкнутые контакты реле давления. После повышения давления в трубопроводе реле сработает. Его контакты разомкнуться, и насос будет выключен.
Если дождевальные установки не оборудованы счетчиками импульсов снижения давления и работают не поочередно, а одновременно, то в этом случае длительность дождевания регулируют с помощью реле времени РВ. Его катушку и контакты включают, как показано на рис. 10. После истечения заданного времени контакты реле размыкают цепь управления электродвигателем и насос выключается. Таким образом, датчик влажности почвы включает насосную установку, а реле времени ее выключает.
Если в качестве дождевальной техники использованы «Фрегаты», то система автоматического управления дождеванием ничем не отличается от ранее рассмотренной, «Фрегаты» поставляются заводами-изготовителями со своей штатной автоматикой: системой регулирования скорости тележек, механической, гидравлической (или электрической) системами защиты при недопустимых искривлениях трубопровода машины. Они защищают дождевальные машины от поломок во время дождевания. Настройка и регулировка этих систем осуществляется согласно инструкциям.
ЛИТЕРАТУРА
1. Бородин, И.Ф. Автоматизация технологических процессов. – М.: Агропромиздат, 2005. 270 с.
2. Бочкарев, Я.В. Основы автоматики и автоматизация технологических процессов в гидромелиорации / Я.В. Бочкарев, М.З. Ганкин, Е.Е. Овчаров. – М.: Колос, 1969. 322 с.
3. Бочкарев, Я.В. Основы автоматики и автоматизация технологических процессов в гидромелиорации / Я.В. Бочкарев, Е.Е. Овчаров. – М.: Колос, 1981. 335 с.
4. Баховец, Б.А. Основы автоматики и автоматизация производственных процессов в гидромелиорации: учебник для вузов / Б.А. Баховец, Я.В. Ткачук. – Львов: Выща школа, 1989. 336 с.
СОДЕРЖАНИЕ
Введение…………………………………………………………………………………...3
1. Общие принципы выбора средств автоматизации на мелиорируемых объектах….3
2. Автоматизация измерения и контроля основных технологических параметров на
мелиорируемых объектах……………………………………………………………………...4
3. Автоматизация регулирования уровней воды в открытых водотоках……………...8
4. Автоматизация подпочвенного увлажнения………………………………………...11
5. Автоматизация польдерных насосных станций……………………………………..15
6. Автоматизированный вертикальный дренаж………………………………………..19
7. Автоматизация дождевания…………………………………………………………..20
Литература………………………………………………………………………………..22
Учебно-методическое издание
Леонид Иванович Кумачев
автоматизация мелиоративных и
водохозяйственных систем
Методические указания по разработке систем автоматизации
в курсовых и дипломных проектах
Ответственный за выпуск Л.И. КУМАЧЕВ
Компьютерный набор и верстка Н. М. Тимошенко
Подписано в печать 1.10.2008 г.
Формат 60´84 1
/16
. Бумага для множительных аппаратов.
Печать ризографическая. Гарнитура “Таймс”.
Усл. печ. л. 1,39. Уч.-изд. л. 1,27.
Тираж 75 экз. Заказ . Цена 2120 руб.
Отпечатано с оригинал-макета в отделе издания учебно-методической литературы,
ризографии и художественно-оформительской деятельности БГСХА
213407, Могилевская обл., г. Горки, ул. Мичурина, 5
|