| Федеральное агентство по образованию
Государственное образовательное учреждение
высшего профессионального образования
«Ивановский государственный энергетический
университет имени В.И. Ленина»
Кафедра «Безопасность жизнедеятельности»
Моделирование защитного зануления электрооборудования
Методические указания к лабораторной работе
по курсу «Безопасность жизнедеятельности»
Иваново 2009
Составители: Д.А. Климов
Редактор А.Г. Горбунов
Предназначены для выполнения лабораторной работы по курсу «Безопасность жизнедеятельности». Дан список контрольных вопросов.
Утверждены цикловой методической комиссией ИФФ.
Рецензент
кафедра безопасности жизнедеятельности ГОУ ВПО «Ивановский государственный энергетический университет имени В.И.Ленина»
МОДЕЛИРОВАНИЕ ЗАЩИТНОГО ЗАНУЛЕНИЯ ЭЛЕКТРООБОРУДОВАНИЯ
Методические указания к лабораторной работе
по курсу «Безопасность жизнедеятельности»
Составители: КЛИМОВ Дмитрий Александрович
Редактор С.М. Коткова
Лицензия №
Подписано в печать Формат
Печать плоская. Усл. печ. л. Тираж 200 экз. Заказ №
ГОУ ВПО «Ивановский государственный энергетический университет имени В.И. Ленина»
153003, г.Иваново, ул.Рабфаковская, 34.
Отпечатано в РИО ИГЭУ
Содержание
| 1. Описание лабораторного стенда
|
4
|
| 2. Схема лабораторного стенда для проведения работы
|
5
|
| 3. Подготовка и проведение измерений с помощью электронного мультиметра
|
6
|
| 4. Требования по технике безопасности
|
7
|
| 5. Содержание работы
|
8
|
| 6. Порядок выполнения работы
|
8
|
| 7. Содержание отчета
|
9
|
| Контрольные вопросы
|
11
|
| Библиографический список
|
11
|
Цель работы
:
исследовать влияние режима нейтрали, сопротивления нулевого провода, повторного заземлителя и сопротивления замыкания на землю на условия электробезопасности сети
.
Терминология:
Защитное зануление
в электроустановках напряжением до 1 кВ – преднамеренное соединение открытых проводящих частей с глухозаземленной нейтралью генератора или трансформатора в сетях трехфазного тока, с глухозаземленным выводом источника однофазного тока, с заземленной точкой источника в сетях постоянного тока, выполняемое в целях электробезопасности.
Нулевым защитным проводником
называется проводник, соединяющий зануляемые части с глухозаземленной нейтральной точкой обмотки источника тока или ее эквивалентом. Нулевой защитный проводник следует отличать от нулевого рабочего проводника, который также соединен с глухозаземленной нейтральной точкой источника тока, но предназначен для питания током электроприемников, т.е. по нему проходит рабочий ток.
Забиваем Сайты В ТОП КУВАЛДОЙ - Уникальные возможности от SeoHammer
Каждая ссылка анализируется по трем пакетам оценки: SEO, Трафик и SMM.
SeoHammer делает продвижение сайта прозрачным и простым занятием.
Ссылки, вечные ссылки, статьи, упоминания, пресс-релизы - используйте по максимуму потенциал SeoHammer для продвижения вашего сайта.
Что умеет делать SeoHammer
— Продвижение в один клик, интеллектуальный подбор запросов, покупка самых лучших ссылок с высокой степенью качества у лучших бирж ссылок.
— Регулярная проверка качества ссылок по более чем 100 показателям и ежедневный пересчет показателей качества проекта.
— Все известные форматы ссылок: арендные ссылки, вечные ссылки, публикации (упоминания, мнения, отзывы, статьи, пресс-релизы).
— SeoHammer покажет, где рост или падение, а также запросы, на которые нужно обратить внимание.
SeoHammer еще предоставляет технологию Буст, она ускоряет продвижение в десятки раз,
а первые результаты появляются уже в течение первых 7 дней.
Зарегистрироваться и Начать продвижение
Назначение нулевого защитного проводника
– создание для тока короткого замыкания цепи с малым сопротивлением, чтобы этот ток был достаточным для быстрого отключения поврежденной установки от сети.
Повторное заземление нулевого защитного проводника
выполняется для уменьшения опасности поражения людей электрическим током, возникающей при обрыве защитного проводника и замыкании фазы на корпус за местом обрыва.
Нейтраль
– общая точка обмоток генераторов или трансформаторов, питающих сеть; напряжения на выходных зажимах источника электроэнергии, измеренные относительно нейтрали, равны.
Глухозаземленная нейтраль источника электроэнергии
– нейтраль генератора или трансформатора в сетях трехфазного тока напряжением до 1 кВ, присоединенная к заземляющему устройству непосредственно или через малое сопротивление.
Изолированная нейтраль
– нейтраль генератора или трансформатора в сетях трехфазного тока напряжением до 1 кВ, не присоединенная к заземляющему устройству или присоединенная к нему через приборы сигнализации, измерения, защиты и подобные им устройства, имеющие большое сопротивление.
1. Описание лабораторного стенда
Комплект типового лабораторного оборудования предназначен для проведения лабораторных работ по специальностям «Безопасность жизнедеятельности в техносфере», «Безопасность технологических процессов и производств (по отраслям)» и другим инженерным специальностям.
Аппаратная часть комплекта выполнена по блочному (модульному) принципу и содержит:
- спроектированные с учебными целями натурные аналоги элементов электрической системы;
- источники питания;
- измерительные преобразователи и приборы;
- составной лабораторный стол со встроенными контейнерами для хранения проводников и методических материалов, рамами для установки необходимых в эксперименте функциональных блоков.
Питание комплекта осуществляется от трехфазной электрической сети напряжением 380 В с нейтральным и защитным проводниками.
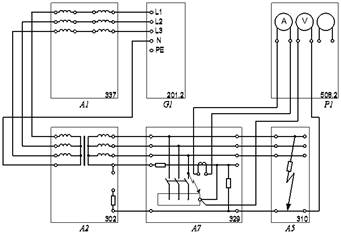
2. Схема лабораторного стенда для проведения работы

Рис. 1. Электрическая схема соединений
Таблица 2.1.
Перечень используемой в лабораторной работе аппаратуры
| Обозначение
|
Наименование
|
Тип
|
Параметры
Сервис онлайн-записи на собственном Telegram-боте
Попробуйте сервис онлайн-записи VisitTime на основе вашего собственного Telegram-бота:
— Разгрузит мастера, специалиста или компанию;
— Позволит гибко управлять расписанием и загрузкой;
— Разошлет оповещения о новых услугах или акциях;
— Позволит принять оплату на карту/кошелек/счет;
— Позволит записываться на групповые и персональные посещения;
— Поможет получить от клиента отзывы о визите к вам;
— Включает в себя сервис чаевых.
Для новых пользователей первый месяц бесплатно.
Зарегистрироваться в сервисе
(предельные)
|
| G1
|
Трехфазный источник питания
|
201.2
|
400 В ~; 16 А
|
| А1
|
Блок линейных дросселей
|
337
|
6х1,0 Гн; 0,5 А
|
| А2
|
Трехфазный трансформатор
|
302
|
250 В·А,
380/380 В,
Y-0/Y-0
|
| А5
|
Модель замыкания на землю
|
310
|
380 В ~; 3 ´ 0.5 А
|
| А7
|
Модель зануления
|
329
|
380 В ~; 3 ´ 0.5 А
|
| Р1
|
Блок мультиметров
|
508.2
|
3 мультиметра
0…1000 В ;
0…10 А ;
0…20 МОм
|
| 
|

|

|
| 337
|
201.2
|
508.2
|
| 
|

|

|
|
| 302
|
329
|
310
|
|
Рис. 2. Блоки для сборки схемы
3. Подготовка и проведение измерений с помощью электронного мультиметра
Для измерения трех базовых электрических величин (напряжения, тока и омического сопротивления) используется мультиметр. До его подключения к цепи необходимо выполнить следующие операции:
- установка рода тока (постоянный/переменный);
- выбор диапазона измерений соответственно ожидаемому результату измерений;
- правильное подсоединение зажимов мультиметра к измеряемой цепи.

Рис. 3. Присоединение мультиметра как вольтметра

Рис. 4. Присоединение мультиметра как амперметра

Рис. 5. Присоединение мультиметра как омметра
4. Требования по технике безопасности
1. К работе со стендом допускаются лица, прошедшие первичный инструктаж, ознакомленные с устройством стенда и порядком выполнения лабораторной работы.
2. Запрещается самостоятельная выемка/вставка блоков стенда.
3. Запрещается использование проводов с поврежденной изоляцией или рукоятками контактов.
4. При сборке схемы запрещается натяжение проводов.
5. Запрещается включение собранной электрической схемы для проведения лабораторной работы без проверки правильности сборки руководителем работы.
6. Запрещается извлечение/замена плавких предохранителей из блоков стенда.
7. Запрещается самостоятельно регулировать или ремонтировать блоки, панели управления, выключатели, системы блокировки или какие-либо другие части стенда. Ремонт производится только специалистами.
8. Во время работы оборудование стенда должно быть заземлено.
9. При обнаружении каких-либо неисправностей необходимо сообщит о них руководителю лабораторной работы или персоналу лаборатории.
5. Содержание работы
1. Исследование влияния режима нейтрали электрической сети на эффективность защитного зануления.
2. Исследование влияния сопротивления нулевого провода на условия электробезопасности.
3. Исследование влияния сопротивления повторного заземления на условия электробезопасности.
4. Исследование влияния сопротивления замыкания на землю в сети с изолированной нейтралью на условия электробезопасности.
6. Порядок выполнения работы
1. Убедитесь, что устройства, используемые в эксперименте, отключены от сети электропитания.
2. Соедините гнезда защитного заземления « » устройств, используемых в эксперименте, с гнездом «РЕ» источника G1 (рис. 1).
3. Соедините аппаратуру в соответствии с электрической схемой соединений (рис. 1).
4. Установите у модели А5 сопротивление замыкания на землю R
ЗАМ
= ∞
(рис. 1, 2).
5. Сопротивление замыкания на землю R
ЗАМ
≠ ∞
устанавливайте только при моделировании режима изолированной нейтрали питающей электрической сети (R
0
= ∞
модели A2 рис. 1, 2)!
6. Режим глухозаземленной (изолированной) нейтрали питающей электрической сети моделируйте установкой (отсутствием) перемычки между гнездом нейтральной точки трансформатора и гнездом сопротивления заземлителя R
0
в блоке трехфазного трансформатора А2 (рис. 1, 2).
7. Наличие повторного заземления моделируйте установкой любого его значимого сопротивления R
П
≠ ∞
.
8. Включите источник G1 и питание блока мультиметров Р1.
9. Замыкание фазы на корпус электрооборудования моделируйте установкой выключателя S блока A7 в положение «ВКЛ.».
10. Ток короткого замыкания измеряйте с помощью амперметра, напряжение на корпусе электрооборудования измеряйте с помощью вольтметра блока мультиметров Р1.
Результаты экспериментов занесите в таблицы 7.1 и 7.2.
11. При величинах сопротивления цепи короткого замыкания RN
= 1, 2, 3 Ом
блока A7 и возникновении короткого замыкания фазы на корпус электрооборудования (выключатель S включен) защита отключает
электрооборудование от сети, что проявляется в отсутствии свечения светодиодов в фазах подходящих к нему проводов.
12. При величинах сопротивления цепи короткого замыкания RN
= 5, 10, 15, 20 Ом
блока A7 и возникновении короткого замыкания фазы на корпус электрооборудования (выключатель S включен) защита не отключает
электрооборудование от сети, что проявляется в наличии свечения светодиодов в фазах подходящих к нему проводов.
13. По завершении эксперимента отключите источник G1 и питание блока мультиметров Р1 (рис. 1, 2).
14. Демонтируйте собранную для проведения лабораторной работы электрическую схему.
7. Содержание отчета
Отчет должен содержать в себе данные, полученные в ходе проведения лабораторной работы, оформленные в виде таблиц и графиков (строятся по полученным зависимостям); результаты анализа и сравнения; выводы по разделам отчета.
Таблица 7.1
Зависимость тока короткого замыкания и напряжения на корпусе электрооборудования от сопротивления КЗ и повторного заземлителя
Rзам
=∞
(сеть с глухозаземленной нейтралью R0
=4 Ом)
| Ток короткого замыкания
|
Напряжение на корпусе
|
Сопротивление повторного заземлителя
|
Сопротивление цепи короткого замыкания
|
| I
КЗ
(А)
|
U
К
(В)
|
R
П
(Ом)
|
RN
(Ом)
|
| |
|
∞
|
var
|
| |
|
var
|
var
|
Примечание: var – изменяемое значение параметра по заданию руководителя
Таблица 7.2
Зависимость тока короткого замыкания и напряжения на корпусе электрооборудования от сопротивления КЗ и повторного заземлителя
Rзам
≠∞
(сеть с изолированной нейтралью R0
=∞
)
| Ток короткого замыкания
|
Напряжение на корпусе
|
Сопротивление замыкания на землю
|
Сопротивление повторного заземлителя
|
Сопротивление цепи короткого замыкания
|
| I
КЗ
(А)
|
U
К
(В)
|
R
ЗАМ
(Ом)
|
R
П
(Ом)
|
RN
(Ом)
|
| |
|
var
|
∞
|
var
|
| |
|
var
|
var
|
var
|
Примечание: var – изменяемое значение параметра по заданию руководителя
Контрольные вопросы
1. Что такое защитное зануление?
2. В каких сетях используют зануление для обеспечения электробезопасности?
3. Каково назначение нулевого защитного проводника?
4. Дать определение «нейтрали».
5. В чем заключается разница между сетями с глухозаземленной и изолированной нейтралью?
6. Для чего предназначены повторные заземлители?
7. Каким должно быть время срабатывания защитной автоматики, предназначенной для отключения питающей сети с защитным занулением?
Библиографический список
1. Правила
устройства электроустановок.- 7-е изд., перераб. и доп.- М.: Энегроатомиздат, 2002.
2. Сенигов, П. Н.
Основы электробезопасности. Руководство по выполнению базовых экспериментов. ОЭБ.001 РБЭ (912).- Челябинск: ООО «Учебная техника», 2004.
|