| Открытое акционерное общество «Газпром»
Негосударственное образовательное учреждение
Среднего профессионального образования
Новоуренгойский техникум газовой промышленности
«Автоматизация производственных процессов»
Методические указания и контрольные задания
для студентов-заочников
образовательных учреждений среднего
профессионального образования
для специальности 13050251 «
Сооружение и эксплуатация
газонефтепроводов и газонефтехранилищ»
среднего профессионального образования
(базовый уровень)
Новый Уренгой, 2005
1 Введение
Рабочая программа учебной дисциплины «Автоматизация производственных процессов» предназначена для реализации государственных требований к минимуму содержания и уровню подготовки выпускников по специальности 13050251 «Сооружение и эксплуатация газонефтепроводов и газонефтехранилищ». Данная программа является общей для всех форм обучения. Рабочая программа составлена в соответствии с примерной программой, утвержденной учебно-методическим кабинетом по горному, нефтяному, энергетическому образованию – Государственное образовательное учреждение Минэнерго России от 25.06.2003 г..
Учебная дисциплина «Автоматизация производственных процессов» является специальной, устанавливающей базовые знания для изучения других дисциплин и получения практических навыков работы с приборами и аппаратами контроля за работой технологического оборудования. При изучении данной учебной дисциплины необходимы знания и умения, которые получены студентами при изучении общеобразовательных и общепрофессиональных дисциплин: математика, информатика, физика, инженерная графика, техническая механика, материаловедение, гидравлика, электротехника и электроника.
Программа дисциплины предусматривает изучение конструкции, принципа действия и применение датчиков и вторичных приборов, основ теории автоматического регулирования, автоматизации основных технологических процессов при хранении и транспортировке нефти, газа и конденсата. Также предусматривается изучение структуры автоматизированных систем управления технологическими процессами, их обеспечение.
Учитывая специфику подготовки специалистов для региона рассматривается автоматический контроль и сигнализация ГПА-Ц-16 с авиаприводом и ГПА-2 «Урал», ГПА-Ц-25, микропроцессорная система централизованного контроля и управления МСЦКУ-50, система ССС.
Забиваем Сайты В ТОП КУВАЛДОЙ - Уникальные возможности от SeoHammer
Каждая ссылка анализируется по трем пакетам оценки: SEO, Трафик и SMM.
SeoHammer делает продвижение сайта прозрачным и простым занятием.
Ссылки, вечные ссылки, статьи, упоминания, пресс-релизы - используйте по максимуму потенциал SeoHammer для продвижения вашего сайта.
Что умеет делать SeoHammer
— Продвижение в один клик, интеллектуальный подбор запросов, покупка самых лучших ссылок с высокой степенью качества у лучших бирж ссылок.
— Регулярная проверка качества ссылок по более чем 100 показателям и ежедневный пересчет показателей качества проекта.
— Все известные форматы ссылок: арендные ссылки, вечные ссылки, публикации (упоминания, мнения, отзывы, статьи, пресс-релизы).
— SeoHammer покажет, где рост или падение, а также запросы, на которые нужно обратить внимание.
SeoHammer еще предоставляет технологию Буст, она ускоряет продвижение в десятки раз,
а первые результаты появляются уже в течение первых 7 дней.
Зарегистрироваться и Начать продвижение
Материал программы необходимо систематически пополнять новейшими сведениями о достижениях в области автоматизации производства, новых средствах автоматизации, применяемых в газовой отрасли.
По учебному плану изучение данной дисциплины предусматривает проведение обзорных лекций и лабораторных работ в период лабораторно-экзаменационной сессии и межсессионных консультаций. Большая часть теоретического материала подлежит самостоятельному изучению студентами-заочниками, и в качестве одной из форм самостоятельной работы студентов предусмотрено выполнение домашней контрольной работы, включающей задания практического характера. Лабораторные работы предназначены для углубленного изучения теоретического материала и получения практических навыков и умения при работе со средствами измерения и автоматизации.
В качестве итогового контроля знаний предусматривается экзамен.
В результате изучения дисциплины студент должен
знать :
- назначение и функции каждого элемента в системе автоматического регулирования, конструкцию и принцип действия серийных датчиков и вторичных приборов, исполнительных устройств, принципы регулирования параметров, использование ЭВМ в АСУ ТП, схемы автоматизации технологических процессов.
уметь :
- составлять и читать функциональные схемы автоматизации технологических процессов, производить основные технические измерения, работать с вторичными приборами, выбирать по справочникам и каталогам приборы.
Цель методических указаний – оказать помощь студентам-заочникам при выполнении домашней контрольной работы и изучении теоретического курса дисциплины.
2 Тематический план
| Наименование
Разделов и тем
|
Кол-во ауд.
Часов для очной формы обучения
|
| всего
|
Лаб. и практ.
занятий
|
| Введение
|
2
|
-
|
| Раздел 1 Основные понятия и определения, элементы систем автоматизации
|
32
|
12
10
2
|
| Тема 1.1
Классификация и функции элементов автоматики
|
2
|
| Тема 1.2
Датчики технологических параметров и измерительные приборы
|
24
|
| Тема 1.3
Элементы устройств автоматического управления, защиты и сигнализации
|
6
|
| Раздел 2 Основы теории автоматического регулирования
|
22
|
6
6
|
| Тема 2.1
Основные сведения об автоматических системах регулирования
|
4
|
| Тема 2.2
Объекты регулирования и их характеристики
Тема 2.3
Технические средства автоматизации
Тема 2.4
Исполнительные устройства автомати-зированных систем
Сервис онлайн-записи на собственном Telegram-боте
Попробуйте сервис онлайн-записи VisitTime на основе вашего собственного Telegram-бота:
— Разгрузит мастера, специалиста или компанию;
— Позволит гибко управлять расписанием и загрузкой;
— Разошлет оповещения о новых услугах или акциях;
— Позволит принять оплату на карту/кошелек/счет;
— Позволит записываться на групповые и персональные посещения;
— Поможет получить от клиента отзывы о визите к вам;
— Включает в себя сервис чаевых.
Для новых пользователей первый месяц бесплатно.
Зарегистрироваться в сервисе
|
2
12
4
|
| Раздел 3 Принципы построения схем автоматизации
|
4
|
|
| Тема 3.1
Техническая документация на средства и системы автоматизации
Тема 3.2
Функциональные схемы автоматизированных систем управления производственными процессами
|
2
2
|
| Раздел 4 Автоматизация оборудования перекачивающих и компрессорных станций
Тема 4.1
Автоматизация компрессорных станций с газомоторными компрессорами
|
24
4
|
|
| Тема 4.2
Автоматизация газотурбинных установок на компрессорных станциях магистральных трубопроводов
Тема 4.3
Автоматизация компрессорных станций с электроприводными газоперекачивающими агрегатами
Тема 4.4
Автоматизация вспомогательных служб компрессорных станций газопроводов
Тема 4.5
Автоматизация насосных станций нефтепроводов
Тема 4.6
Автоматизация вспомогательных сооружений на нефтепроводах
|
4
4
|
|
| 4
4
4
|
| Раздел 5 Автоматизация оборудования и сооружений предприятий хранения и распределения нефти, нефтепродуктов и газа
Тема 5.1
Автоматизация станций подземного хранения газа
Тема 5.2
Автоматизация газораспределительных станций
Тема 5.3
Автоматизация хранения и распределения нефтепродуктов
Тема 5.4
Автоматизация баз сжиженного газа
|
10
2
2
4
2
|
|
| Раздел 6 Автоматизация и телемеханизация линейной части газонефтепроводов
Тема 6.1
Принципы защиты от коррозии подземных металлических трубопроводов
Тема 6.2
Телеконтроль станций катодной защиты
Тема 6.3
Автоматизация слива конденсата
Тема 6.4
Автоматизация запорных органов на линейной части магистральных трубопроводов
|
10
2
2
2
4
|
|
| Раздел 7 Автоматизированные системы управления технологическими процессами
Тема 7.1
Автоматизированные системы управления технологическими процессами
|
6
6
|
|
| Всего
|
110
|
18
|
4 Перечень лабораторных работ
| № работы
|
Наименование работы
|
Кол-во часов
|
| 1
|
Лабораторная работа № 1
Изучение конструкции и поверка манометра
|
2
|
| 2
|
Лабораторная работа № 2
Изучение конструкции и поверка измерительного преобразователя давления
|
2
|
| 3
|
Лабораторная работа № 3
Моделирование систем автоматического управления с использованием программируемого логического контроллера
|
2
|
5 Литература
Основная :
1 Комягин А.Ф. Автоматизация производственных процессов и АСУ ТП газонефтепроводов, М., Недра, 1983.
2 Озол П.Ж. Автоматизация компрессорных станций с электроприводными газоперекачивающими агрегатами, Л., Недра, 1981.
3 Клюев А.С. Автоматическое регулирование, М., Недра, 1986.
4 Подкопаев А.П. Технологические измерения и контрольно-измерительные приборы, М., Недра, 1986.
5 Плотников В.М. Средства контроля и автоматизации объектов транспорта газа, М., Недра, 1985.
6 Андреев Е.Б., Попадько В.Е. Технические средства систем управления технологическими процессами в нефтяной и газовой промышленности, М., РГУ нефти и газа им. И.М.Губкина, 2004.
7 Клюев А.С. Проектирование систем автоматизации технологических процессов, М., Энергия, 1980.
8 Болтон У. Справочник инженера-метролога, М., Додека, 2002.
Дополнительная :
1 Исакович Р.Я., Контроль и автоматизация добычи нефти и газа, М., Недра, 1985.
2 Лапшенков Г.И., Автоматизация производственных процессов в химической промышленности , М., Химия, 1988.
3 Суринович В.К., Борщенко Л.И., Машинист технологических компрессоров, М., Недра, 1986.
4 Самсонов В.С., Автоматизированные системы управления, М., Высшая школа, 1985.
5 Справочник по автоматизации в газовой промышленности, М., Недра, 1990.
6 Кязимов К.Г. Основы газового хозяйства, М., Высшая школа, 1987.
7 Уильямс А.Ф., Лом У.Л. Сжиженные нефтяные газы, М., Недра, 1985.
8 Глазков А.М. Электрооборудование насосных, компрессорных станций и нефтебаз, М., Недра, 1980.
9 Журналы «Контрольно-измерительные приборы и системы».
10 Журналы «Компьютер-пресс».
Стандарты:
РМГ 29-99 Метрология. Термины и определения.
ГОСТ 8.157-75 ГСИ Шкалы температурные практические.
ГОСТ 8.361-74 ГСИ Расход жидкости и газа. Методики выполнения измерений по скорости в одной точке сечения трубы.
ГОСТ 8.407-74 ГСИ Расходомеры несжимаемых жидкостей. Нормируемые метрологические характеристики
ГОСТ 8.271-77 Средства измерения давления. Термины, определения.
ГОСТ 15528-86 Приборы для измерения расхода и количества жидкости, газа, пара. Термины и определения.
ГОСТ 21.404-85 СПДС. Автоматизация технологических процессов. Обозначения условные. Приборы и средства автоматизации в схемах.
6 Методические указания
к выполнению контрольной работы
Учебным планом предусматривается одна домашняя контрольная работа.
Контрольная работа является составной частью самостоятельной работы студента заочной формы обучения по усвоению программы дисциплины.
Контрольное задание включает три задачи и два теоретических вопроса. При выполнении задач предусматривается определение параметров и характеристик приборов и измерительных преобразователей температуры, давления, расхода газа и жидкости, уровня жидкости, влажности газа и воздуха; определение метрологических параметров и характеристик приборов и измерительных преобразователей. Задачи, расчеты и теоретические вопросы должны выполняться с подробными пояснениями и ссылками на литературу. При решении задач необходимо использовать методические указания. (п.п. 6.1-6.5), Приложения, рекомендуемую литературу.
Перед выполнением каждого задания необходимо изучить программный материал курса, относящийся к данной теме.
При выполнении контрольной работы необходимо :
- правильно оформить графики. Оси координат должны быть обозначены, на осях проставлены масштабные деления и их цифровые значения. Чертить графики необходимо на клетчатой или миллиметровой бумаге;
- схемы чертить в соответствии с действующими стандартами на буквенные и графические обозначения элементов схем (схемы можно выполнить в графическом редакторе на компьютере);
- список литературы должен быть приведен в конце контрольной работы. При выполнении работы должны быть приведены ссылки на использованную литературу;
- все расчеты производятся в системе СИ;
- справочные данные и коэффициенты указаны в Приложении … методических указаний или в справочной литературе
Применение ксерокопий в задании, требующем графического выполнения схем, не допускается.
Контрольные задания разработаны на 30 вариантов. Номер варианта соответствует порядковому номеру студента по списку в журнале учебных занятий.
Контрольные работы, выполненные небрежно, с нарушением предъявляемых требований и не соответствующие заданному варианту, не зачитываются.
6.1 Измерение температуры
(задача № 1 для вариантов 1 – 30)
1
Термометры расширения действуют на основании способности жидкости изменять свой объем, а твердых тел – размер при изменении температуры.
Жидкостный термометр расширения состоит из резервуара, заполненного жидкостью (ртуть, спирт), капиллярной трубки и шкалы. Объем жидкости в зависимости от температуры определяется по формуле
V = V0
[ 1+ αV
(t – t0
)] (6.1)
где V и V0
– объемы жидкости при температурах tо
и tо
0
, м3
;
αV
- коэффициент объемного расширения, 1/Со
.
Дилатометрический термометр расширения действует на основании использования теплового линейного расширения твердых тел (стержней, пластинок, спиралей).
l = l0
[1 + (t – t0
)] (6.2)
где l и l0
– линейные размеры при температуре t и t0
, м;
α e
- коэффициент линейного расширения, 1/о
С.
Перемещение стержня с большим коэффициентом линейного расширения передается через рычажную передачу указательной стрелке. Относительное перемещение стрелки
l,
вызванное изменением температуры, находят по формуле:
l = k l0
α
e
t, (6.3)
где k – отношение плеч рычага;
l0
– начальная длина стержня, м;
t - измерение температуры, о
С.
2
Манометрический термометр состоит из чувствительного элемента – термобаллона, погруженного в измерительную среду, капиллярной трубки и трубчато-пружинного манометра. Все элементы соединены герметично, вследствие чего внутренняя полость термометра представляет собой замкнутое пространство, заполненное газом или жидкостью. При нагревании термобаллона в системе создается давление, которое вызывает перемещение механизма указателя.
В газовых термометрах термобаллон заполнен азотом, аргоном или гелием, и зависимость давления от температуры определяется по формуле:
Р = Р0
[ 1+ αV
(t – t0
)] (6.4)
где Р, Р0
– давление газа при температурах t и t0
, Па;
α V
- коэффициент объемного расширения газа, 1/Со
.
3
Термоэлектрический преобразователь (термопара) работает на основании возникновения термо-ЭДС в цепи, состоящей из двух разнородных проводников при наличии разности температур t и t0
соединений их концов.
Одно из соединений термопары (холодный спай) находится в среде с постоянной температурой, а другое (горячий спай) – в измерительной среде. Зависимость Е = f
(t,t0
) , близка к линейной и определяется материалами проводников термоэлектрической цепи. Для расчетов используются градуировочные таблицы значений Е= f
(t,t0
) при t0
=0о
С, которые приведены в приложении А.
Обычно измерения проводят в окружающей среде, температура которой отличается от 0о
С, поэтому необходимо вводить поправку на температуру холодных спаев. Её можно рассчитать по формуле:
tист
= tи
+ k(tх
– t0
)], (6.5)
где tист
и tи
– истинное и измеренное значение температуры, о
С;
tх
и t0
- температура холодных спаев при измерении и градуировке
(t0
= 0о
С);
k - поправочный коэффициент, значение которого приведено в приложении 1.
Термопара работает в комплекте со вторичными приборами: милливольтметром и потенциометром.
Напряжение на выводах милливольтметра связано с термо-ЭДС соотношением
Et
U = --------------, (6.6)
1 + Rвн
/ RV
где Rвн
– сопротивление измерительной цепи (термопары, соединительных проводов, контактов и т.д.), Ом;
RV
- внутреннее сопротивление вольтметра, Ом.
Металлические проволочные термосопротивления характеризуются следующими зависимостями сопротивления от температуры: платиновые (ТСП) в диапазоне от 0о
до 650о
С
Rt
= Ro
(1+ α 1
t + α2
t2
), (6.7)
где α 1
= 3,97 10-3
1/о
С температурные коэффициенты
α 2
= 5,85 10-7
1/о
С2
сопротивления
медные (ТСМ) в диапазоне от -50о
С до 180о
С
Rt
= Ro
(1+ α t
t) (6.8)
где α t
= 4,26 10-3
1/о
С.
Сопротивление Ro
градуируют при 0о
С. В Приложении показаны основные данные термосопротивлений.
Термосопротивления работают в комплекте со вторичными приборами: логометрами и измерительными мостами.
Схема уравновешенного моста приведена на рисунке 1. В одно из плеч моста включено термосопротивление. Питание от источника напряжения GB подключено к одной из диагоналей моста, в другую включен измерительный прибор. Если мост уравновешен, то ток в измерительной диагонали равен нулю; условие равновесия моста R2
Rt
= R1
R3
.
Рисунок 1 – Схема уравновешенного моста
Принцип измерения температуры состоит в том, что при изменении сопротивления Rt
с помощью переменного резистора R3
добиваются равновесия моста. Указатель шкалы связан с подвижным контактом переменного резистора R3
(шкала отградуирована в о
С).
6.2 Измерение давления
(задача 2 для вариантов 1-14)
1
Жидкостные манометры.
В жидкостных манометрах используется принцип сообщающихся сосудов. Действие их основано на уравновешивании измеряемого давления силой тяжести столба жидкости .
Для U-образного двухтрубного манометра давления определяется по разности уровней жидкости в трубах, в которые подаются атмосферное и абсолютное давления (или разность давлений).
Рисунок 2 – Жидкостный манометр
Ризб
= rgh (6.9)
P = P1
– P2
= rqh, (6.10)
где r - плотность заполняющей трубки жидкости, кг/м3
q - ускорение силы тяжести, м/с2
.
2
Деформационные манометры действуют по принципу преобразования давления в перемещение упругого элемента. В зависимости от типа применяемых элементов различают мембранные, сильфонные, трубчато-пружинные манометры.
1 – мембрана; 2 - рычаг; 3 – стрелка; 4 – шкала
Рисунок 3 – Деформационный манометр (мембранный)
Максимальное перемещение центра мембраны под действием давления (рисунок 3) определяется по формуле:
PD4
dmax
= 0,17 (6.11)
16 EG
h
где ЕG
– модуль упругости, Па;
D - диаметр мембраны, м;
h - толщина мембраны, м;
Максимальное допустимое механическое напряжение на мембране dmax
(Па):
PD2
d max
= 0,75 (6.12)
4h2
3
Электрические преобразователи давления действуют по принципу преобразования давления в электрический сигнал. К таким преобразователям относятся пьезоэлектрические, тензометрические, емкостные.
В пьезоэлектрических преобразователях используется явление возникновения напряжения U на гранях кристаллов при воздействии на них механического усилия или давления.
1012
К Р S
U = (6.13 )
Cвх
/ n + Co
где К- пьезоэлектрическая постоянная, Кл/н
( для кварца К = 2,2 10-12
Кл/н);
S – площадь поверхности кристалла, м2
Свх
– емкость измерительной цепи, пФ;
Со
– емкость кристалла, пФ;
n - число пластинок кристалла;
Р - давление (Па).
Емкость Со
(пФ) пьезокристалла определяется по формуле:
8,9 e S
С0
= (6.14)
h
где e - относительная диэлектрическая проницаемость ( для кварца e= 4,5);
h - толщина кристалла, м;
S - площадь пластины, м2
.
В тензометрических преобразователях давления используется явление изменения сопротивления металлических проволочных и полупроводниковых резисторов при их деформации.
Обычно тензометрические датчики наклеивают на упругие элементы (например, мембраны) преобразователей давления и включают в мостовые измерительные схемы.
Относительное изменение сопротивления R линейно зависит от изменения длины l.
R Кq
l Кq
F
----- = ---------- = -------, (6.15)
R l S EG
где Кq
- коэффициент тензочувствительности (0,5 – 2,5);
F - сила, приложенная к площади S упругого элемента
ЕG
– модуль упругости, Па.
В емкостных преобразователях давления использовано явление изменения емкости плоского конденсатора при изменении расстояния между его обкладками под действием давления [1].
6.3 Измерение расхода жидкости и газа
(задача 2 для вариантов 15-30)
Расход вещества – это масса или объем вещества проходящего через известное сечение в единицу времени (м3
/с, кг/с).
1
Измерение расхода методом переменного перепада давления.
Расходоизмерительная система состоит из сужающего устройства (диафрагма, сопло), устанавливаемого в трубопроводе, импульсных трубок и дифманометров.
Действие расходомеров этого типа основано на измерении перепада давления потока на сужающем устройстве. Объемный расход газов и жидкостей QV
через сужающее устройство определяется по формуле:
QV
= αQ
*
eC
*mQ
2
 (6.16)
где αQ
- коэффициент расхода (приложение );
eC
- коэффициент сжимаемости (для жидкости eC
= 1);
rV
- плотность жидкости или газа, кг/м3
;
Р - перепад давления, Па;
mQ
- d/D – характеристический коэффициент (0,05 mQ
0,6);
d - диаметр сужающего устройства;
D - диаметр трубопровода.
При измерении расхода с помощью сужающих устройств требуются нормированные условия среды (температура и атмосферное давление).
2 Турбинные расходомеры
В турбинных расходомерах основным элементом служит турбинка (крыльчатка), вращающаяся в потоке жидкости. Вращение передается через специальный механизм к счетному устройству. Частота вращения турбинки n пропорциональна средней скорости потока Vср
и расходу Q
K Vср
K QV
n = -------- = ---------, (6.17)
l S * l
где К – постоянный коэффициент для данного типа счетчика;
l - шаг лопастей турбинки, м;
S - площадь поперечного сечения, м2
.
3 Объемные расходомеры
В объемных расходомерах вращаются два подвижных элемента (шестерни, восьмиричные роторы), отмеривающие при своем движении определенные объемы жидкости (измерительный объем). Объемный расход определяется по формуле:
q n
QV
= ---------, (6.18)
t1
– t2
где q - измерительный объем, м3
n – количество;
t1
– t2
– промежуток времени, с.
Контроль и учет расхода жидкости проводится по результатам подсчета числа оборотов шестерен.
4 Индукционные (электромагнитные) расходомеры
Индукционные расходомеры служат для непосредственного преобразования расхода в электрический сигнал. Они предназначены для измерения расхода проводящих жидкостей. Действие индукционных расходомеров основано на возникновении ЭДС в трубопроводе между полюсами электромагнита, которая снимается с помощью электродов.
B*D*Q
E = B* D* Vср
= (6.19)
S
где В - магнитная индукция между полюсами электромагнита, Тл;
D - внешний диаметр трубы, равный расстоянию между электродами, м;
S - площадь поперечного сечения трубы, м2
.
Для тонкостенных трубопроводов ЭДС определяется по формуле:
4 В Q
Е = ---------, (6.20)
D
6.4 Измерение уровня
(Задача 3 для вариантов 1-16)
1
Поплавковые уровнемеры действуют по принципу перемещения поплавка на поверхности жидкости. Это перемещение затем с помощью механической или электрической передачи поступает на прибор. Уравнение равновесия систем имеет вид:
rV
V + mпр
= mп
mтр
, (6.21)
где V - объем вытесняемой поплавком жидкости, м3
;
rV
- плотность жидкости, кг/м3
;
mпр
, mп
, mтр
, - соответственно масса противовеса, поплавка, неуравнове-шенной части троса.
2 Пьезометрические (гидростатические) уровнемеры основаны на принци-пе продувания воздуха через пневматическую трубку, опущенную в резервуар и измерения гидростатического давления.
Р =rqh, (6.22)
где r - плотность жидкости, кг/м3
;
q - ускорение силы тяжести, м/с2
;
h - высота столба жидкости.
Принцип работы уровнемеров–дифманометров основан на измерении разности давлений жидкости в резервуаре и уравнительном сосуде. Используются дифманометры-уровнемеры, но их следует градуировать при определенной плотности жидкости.
Р =rqh (6.23)
4
Электрические преобразователи уровня (емкостные) основаны на использовании емкостного метода, т.е. зависимости конденсаторного устройства от уровня заполняющей его жидкости. Устройство емкостного уровнемера представляет собой параллельно соединенные цилиндрические конденсаторы С1
(образован частью электродов и жидкостью, уровень которой изменяется) и С0
(образован частью электродов и воздухом). Емкость уровнемера определяется по формуле:
2
С = С1
+ С0
= [leа
(l0
– l) e0
] (6.24)
ln (D1
/D2
)
где l0
и l - полная длина цилиндра (резервуара) и длина его, заполненная жидкостью, м;
e0
и eа
- абсолютные диэлектрические проницаемость воздуха и жидкости, Ф/м;
D1
и D2
- диаметры внешнего цилиндра (резервуара) и внутреннего
цилиндра (электрода), м.
Сх
Рисунок 4 – Емкостной уровнемер
5
Волновые уровнемеры действуют по принципу отражения звуко-вых или электромагнитных волн от поверхности измеряемой жидкости. Обычно в волновых уровнемерах измеряется время запаздывания отраженного сигнала относительно излучаемого
2h
t = (6.25)
V
где h – расстояние от излучателя до поверхности, м;
V – скорость распространения волны в среде над измеряемой
поверхностью, м/с;
Скорость распространения электромагнитной волны зависит от свойств среды.
V = (6.26)
где ea
ma
- абсолютная диэлектрическая (Ф/м) и магнитная (Гн/м) проницае-мость среды.
Например, скорость распространения электромагнитных волн в воздухе составляет 299 106
м/с.
Скорость звуковой волны (V, м/с) в воздухе определяется по формуле
V = = ec
KR
T, (6.27)
где ec
- коэффициент сжимаемости газов, м2
/Н;
KR
- универсальная газовая постоянная, равная 8134 Дж(кг К);
Р, Т - Давление и температура среды/
6.5 Измерение влажности воздуха, газа
(Задача №3 для вариантов 17-23)
1
Психрометрический метод .
Он основан на использовании зависимости относительной влажности воздуха от разности температур сухого и влажного термометров. Для определения влажности используется психометрическая таблица
(приложение 6). Приборы, основанные на психометрическом методе, оснащены двумя одинаковыми термометрами (термосопротивлениями), один из которых постоянно влажный. При этом используются различные мостовые схемы, рисунок 5.
R
R5
Rc
RM
R4
R2
Uпит
Рисунок 5 – Мостовая схема психрометра
3 Конденсационный метод
Конденсационный метод основан на определении относительной влажности по известным температурам воздуха (газа) и точки росы. Эта точка
контролируется визуально или с помощью фотоэлементов. При расчетах можно пользоваться следующим выражением для относительной влажности:
а +
Т – в (
Т – Тd
)
j = ----------------------------- * 100% , (6.28)
а +
Т + в (
Т – Тd
)
где Т и Тd
- температура воздуха и точки росы;
а
и в
- постоянные коэффициенты (в диапазоне температур воздуха 293 313К, а =
105, в
= 3,9).
Одна из схем гигрометра приведена на рисунке 6.
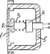
1-источник света; 2- зеркальце; 3- фотоэлемент; 4- усилитель; 5- реле;
6 -полупроводниковая батарея; 7-термоэлектрический преобразователь
Рисунок 6 – Фотоэлектрический гигрометр
Охладителем является полупроводниковая термоэлектрическая батарея 7, работающая по принципу эффекта Пельтье: повышение температуры одного спая и понижение температуры другого спая при прохождении тока в термоэлектрической цепи. К холодному спаю полупроводникового элемента батареи припаяно металлическое зеркальце 2. Для измерения температуры зеркальца к его поверхности припаян термоэлектрический преобразователь, подключенный к милливольтметру.
В отсутствии на поверхности зеркала конденсата, падающий на него от осветителя 1 световой поток отражается и попадает на фотоэлемент 3. В цепи фотоэлемента проходит фототок, который усиливается электронным усилителем и управляет работой реле 5. При этом через термоэлемент полупроводниковой батареи 6 проходит ток и зеркало охлаждается. Появление конденсата на поверхности зеркала приводит к рассеянию светового потока, уменьшающего освещенность фотоэлемента, уменьшению фототока и переключению реле, при котором питание термоэлемента отключается. Так как окружающая температура выше температуры зеркала, конденсат с поверхности зеркала быстро испаряется, и реле вновь включает в работу термоэлемент полупроводниковой батареи.
4
Емкостные влагомеры
Работают по принципу изменения емкости конденсатора, в котором измеряемое вещество играет роль диэлектрика, с изменением его влажности.
С =
(6.29)
где eа
- абсолютная диэлектрическая проницаемость, Ф/м;
l - высота слоя измеряемого вещества, м;
D1
и D2
-внутренний и внешний диаметры измерительного конденсатора, м.
7 Задания для контрольных работ
Вариант 1
1. При изменении температуры на 40°С° относительное изменение высоты столбика ртутного термометра составляет 1,02 по сравнению с первоначальным. При каком изменении температуры оно будет 1,08, если коэффициент объёмного расширения ртути 1,72 10-4
1/С°?
2. Атмосферное давление в зоне установки двухтрубного манометра, заполненного ртутью с rv
=14 г/см3
, равно 101,3 кПа. Определить избыточное и абсолютное давления, если разность уровней 100 мм.
3. В поплавковом уровнемере масса поплавка 2,8 кг, объём 420 см3
, масса противовеса 2 кг. При измерении верхнего уровня поплавок находится на расстоянии 5 м от дна резервуара, а противовес – на расстоянии 2 м, масса троса 0,2 кг на погонный метр. Определить, какая часть объема поплавка будет погружена, если плотность измеряемой жидкости 950 кг/м3
.
4. Автоматизация газомоторного компрессора. Автоматический контроль параметров в электрической системе.
5. Виды и методы измерений. Погрешности измерений.
Вариант 2
1. Каким должен быть рабочий ход стержня длиной 100 мм латунного термометра расширения со шкалой -100-5000
С? Коэффициент линейного расширения принять 0,2 10-4
1/С°.
2. Абсолютное давление контролируемой среды менялось от 500 до 1200 кПа, атмосферное давление 101,3 кПа. Определить, в каких пределах меняется разность уровней в двухтрубном манометре, заполненном ртутью с rv
=14 г/см3
.
3. Масса поплавка уровнемера 3 кг. При изменении нижнего уровня он находится на расстоянии 0,2 м от дна резервуара, а противовес массой 2 кг – на высоте 3,5 м. Масса троса 0,2 кг на погонный метр. Определить наименьший объём, который должен иметь поплавок, если плотность жидкости 1000 кг/м3
.
4. Автоматический запуск и остановка газомоторного компрессора.
5. Средства измерений, их метрологические характеристики.
Вариант 3
1. При увеличении перепада температур на 200°С° относительное изменение длины стержня равно 1% от первоначального значения l0
. Найти коэффициент линейного расширения материала стержня.
2. Жидкостный манометр отградуирован при атмосферном давлении 101,3 кПа на измерение абсолютного давления до 130 кПа Изменится ли избыточное давление прибора, заполненного ртутью, при падении атмосферного давления до 97 кПа.? Определить относительную погрешность измерения абсолютного давления, если показание прибора соответствует 130 кПа.
3. Определить передаточное число редуктора поплавкового уровнемера, одно из колёс которого связано с барабаном, наматывающим трос, другое – со стрелкой указателя, если при перемещении поплавка от 0 до 1,5 м угол поворота указателя равен 270°. Диаметр барабана 100 мм.
4. Автоматический контроль и сигнализация основных параметров газотурбинных установок на компрессорных станциях.
5. Термометры расширения. Устройство, принцип действия, область применения.
Вариант 4
1. Длина указателя дилатометрического термометра равна 150 мм, а расстояние от её точки крепления до латунного стержня (aс
=0,2 10-4
1/С°) равно 15 мм. Найти цену деления и чувствительность термометра, если начальная длина стержня l0
=50 мм.
2. Жидкостный манометр, заполненный спиртом, градуируется при температуре 20°С; плотность спирта rV
0
=800 кг/м3
. Определить, как изменится чувствительность прибора при температуре 30°С, если рV
=790 кг/м3
. Найти погрешность измерения давления Ризб
= ±1кПа.
3. Контактно-механический уровнемер рассчитан на измерение уровня до 5 м. Сколько оборотов сделает электромеханическая лебёдка диаметром 0,5 м? Выбрать коэффициент передачи редуктора, связывающего лебёдку с сельсином-датчиком, если его поворот должен быть не более 180°.
4. Регулирование параметров газотурбинных агрегатов.
5. Манометрические термометры. Устройство, принцип действия, типы, область применения.
Вариант 5
1. Выбрать соотношение плеч рычага дилатометрического термометра с диапазоном измерения –100… -500°С° так, чтобы его шкала имела линейный размер 60 мм. В термометре используется латунный стержень (aс
=0,2 10-4
1/С°) длиной l0
=100 мм
2. Длина каждой из трубок U-образного манометра 0,5 м. Для каких избыточных давлений можно использовать манометр, если его заполнить ртутью (рV
=13800 кг/м3
), водой (рV
=100 кг/м3
) или спиртом (рV
=800 кг/м3
)?
3. На рисунке 7 приведена принципиальная схема мембранного сигнализатора уровня. При каком давлении среды сработает сигнализатор с мембраной диаметром 50 мм и толщиной 0,5 мм, если модуль упругости материала мембраны Е =20 ГПа, а рабочий ход микропереключателя 2 мм?
4. Автоматизация газоперекачивающих агрегатов ГПА-Ц-6,3.
5. Термоэлектрические преобразователи. Устройство, принцип действия, типы, характеристики.

1 – мембрана, 2 – диск, 3 – возвратная пружина,
4 – микропереключатель, 5 – корпус
Рисунок 7 – Мембранный сигнализатор уровня
Вариант 6
1. На какие давления должна быть рассчитана термосистема жидкостного манометрического термометра со шкалой от –1000
С до 3500
С, если при 20°С° давление 1,5 МПа, а коэффициент объёмного расширения aV
=0,2%/ С°?
2. На рисунке 8 приведен грузопоршневой манометр. Диаметр поршня 50 мм. Рассчитать массу груза таким образом, чтобы с помощью манометра можно было измерить давление до 1 кПа.
3. Какой минимальный уровень жидкости номинальной плотностью рV
=950 кг/м3
можно измерить с помощью буйкового уровнемера, если масса буйка 5 кг, диаметр 40 мм?
4. Автоматизация газоперекачивающих агрегатов ГПА-Ц-16.
5. Термосопротивления, конструкция, принцип действия, характеристики, типы. Термометры ГПА.

1 – груз, 2 – поршень, 3 – измерительный цилиндр
Рисунок 8 – Грузопоршневой манометр
Вариант 7
1. Найти начальный перепад температур термобаллона, если при его увеличении на 100°С° давление в термосистеме газового манометрического термометра увеличилось в 2 раза.
2. Мембрана манометра диаметром 80 мм, толщиной 0,8 мм, с модулем упругости 150 ГПа деформируется под действием давления от 2 до 5 мм. Найти диапазон измеряемых давлений.
3. Показания дифманометра пьезометрического уровнемера 1 кПа.. Определить значения уровня жидкости номинальной плотностью rV
=880 кг/м3
в резервуаре.
4. Система агрегатной автоматики А-705-15-09М.
5. Деформационные манометры. Устройство, принцип работы, область применения.
Вариант 8
1. Найти значение термо-ЭДС для термопары типа ТПП при температуре измеряемой среды Т=500
С. Температура холодных спаев 0°С° (см. таблицу).
2. Для мембраны манометра толщиной 0,8 мм, диаметром 64 мм и модулём упругости 150 ГПа, допустимое напряжение не должно превышать 450 МПа. Определить наибольшее измеряемое давление и максимально допустимое перемещение центра мембраны, если Е
G
=200 ГПа.
3. Пьезометрический уровнемер рассчитан на измерение уровня до 0,5 м в жидкости плотностью 1200 кг/м3
. Абсолютное давление в резервуаре 50 кПа. Определить минимальное давление воздуха в пьезометрической трубке, необходимое для измерения максимального уровня (рисунок 9).
4. Система агрегатной автоматики МСЦКУ-50.
5. Грузопоршневые манометры. Устройство, принцип работы, область применения.

Рисунок 9 – Пьезометрический уровнемер
Вариант 9
1. Измеренное значения термо-ЭДС для термопары типа ТХА при температуре холодных спаев Т0
=0°С составило 5,2 мВ; Найти значение температуры контролируемой среды (см. таблицу).
2. Определить напряжение на обкладках пьезоэлектрического преобразователя давления, состоящего из пяти пластинок кварца толщиной 1мм и площадью поверхности 100 мм2
, если ёмкость измерительной цепи Свх
=20 пФ, а к преобразователю приложено давление 500 кПа.
3. Давление в напорной трубке уровнемера 200 кП. Плотность воды в открытом резервуаре при нормальных атмосферных условиях rV
=1000кг/м3
. Какой максимальный уровень можно измерить пьезометрическим уровнемером (рисунок 9)?
4. Запуск и остановка электроприводного газоперекачивающего агрегата.
5. Измерительные преобразователи давления тензорезисторные. Устройство, принцип действия, область применения.
Вариант 10
1. Найти значения температурной чувствительности термопары типа ТХК в диапазоне температур от 0 до 5000
С. Построить график зависимости чувствительности от температуры.
2. Напряжение на пьезокристалле кварца преобразователя давления меняется от 10 до 50 В. Определить диапазон изменения давления в случае использования четырёх пластин толщиной 0,8 мм и размером 20х10 мм каждая. Ёмкость измерительной цепи 10 пФ.
3. Для измерения уровня жидкости в закрытом резервуаре используют дифференциальный манометр. Определить показания прибора при изменении уровня от 1 до 3 м, если плотность жидкости rV
=1050 кг/м3
, давление воздуха в резервуаре 200 кПа. Найти давления в плюсовой и минусовой трубках манометра.
4. Автоматический контроль и сигнализация основных параметров электроприводного газоперекачивающего агрегата.
5. Измерительные преобразователи давления дифференциально-трансформаторные. Устройство, принцип действия, область применения.
Вариант 11
1. Измеренное значение термо-ЭДС при температуре Т=150°С° составляет 1,1 В. Определить тип использованной термопары и погрешность нахождения термо-ЭДС Е (150, Т0
) при Т0
=0°С°.
2. Подобрать число пластин пьезоэлектрического преобразователя так, чтобы при давлении 10 атм напряжение на его выходе было 30 В. Ёмкость преобразователя С0
=5пФ, ёмкость измерительной цепи Свх
=8пФ, площадь пластины S = 100 мм2
.
3. Для измерения уровня жидкости плотностью rV
=1050 кг/м3
в открытом резервуаре используют дифференциальный манометр, минусовая трубка которого соединена с атмосферным воздухом. Определить показания манометра при нулевом уровне и максимальном уровне воды 5м, если он расположен ниже нулевого уровня резервуара на 3 м.
4. Автоматизация воздушных компрессорных установок.
5. Гидростатические уровнемеры. Устройство, принцип действия, область применения.
Вариант 12
1. При измерении температуры с помощью термопары типа ТХА термо-ЭДС равна 5,5мВ при температуре холодных спаев Т0
=30°С°. Найти истинное и измеренные значения температуры.
2. Тензодатчик сопротивлением 500 Ом и длиной 50 мм наклеен на мембрану деформационного манометра. При давлении 5 кПа его длина стала 55 мм. Определить чувствительность тензодатчика и изменение сопротивления , если кД
=2.
3. На рисунке 10 приведена схема простейшего гидростатического уровнемера – водомерного стекла. Определить объём и массу воды в измерительном резервуаре диаметром 1 м, если максимальный уровень в трубке соответствовал 0,8 м. Плотность воды 990 кг/м3
.
4. Автоматизация установок водоснабжения.
5. Поплавковые и буйковые уровнемеры. Устройство, принцип работы, область применения.

Рисунок 10 – Водомерное стекло
Вариант 13
1. До какой температуры окружающей среды, в которой расположены холодные спаи термопары типа ТПП, можно проводить измерение температуры в диапазоне от 100 до 2000
С, с погрешностью измерения не выше 100
С?
2. Для измерения давления воздуха используют ёмкостный манометр. При отсутствии давления расстояние между обкладкой и тонкой мембраной 1 мм, ёмкость прибора С=100 пФ. Определить значения ёмкости при перемещении мембраны на 0,2 и 0,8 мм при давлениях 10 и 40 кПа. Определить чувствительность ёмкостного манометров.
3. Для измерения уровня воды используют цилиндрический конденсатор. Длина цилиндра 1,5 м, диаметр 40 мм и 5 мм. Определить наибольший диапазон изменения емкости конденсатора.
4. Автоматизация котельных установок.
5. Средства контроля за концевыми уплотнителями вала турбин и нагнетателей ГПА.
Вариант 14
1. Построить график зависимости Е (Т, Т0
)=f(Т) для термопары типа ТХА в диапазоне от 0 до 600°С при Т0
=0°С. Как изменится график при температуре холодных спаев 20°С?
2. Ёмкостный манометр используют для измерения давления жидкости от 10 до 50 кПа, причём ёмкость меняется от 4 до 20 пФ. В измерительной цепи его применяют в резонансном контуре с индуктивностью 0,1 мГн, питание которого от источника переменного напряжения с f=4 МГц. При каком давлении контур будет работать в режиме резонанса?
3. Начальная ёмкость конденсатора ёмкостного уровнемера при отсутствии жидкости в нём 50 пФ. Определить значения ёмкости при значениях уровня 0,25Нmax
для жидкости с относительной диэлектрической проницаемостью =8.
4. Автоматизация источников энергоснабжения на компрессорных станциях.
5. Автоматизированные системы управления (АСУ). Режимы работы АСУ. АСУ «Промысл».
Вариант 15
1. Термопару типа ТХК используют в диапазоне температур от 0° до 600°С. Найти значения термо-ЭДС Е(300, 100), если градуировка термопары проведена при Т0
=0°С.
2. По трубопроводу диаметром D
=100 мм движется поток жидкости со средней скоростью 5 м/с. Определить объёмный и массовый расходы жидкости, если её плотность rV
= 955кг/м3
.
3. Чувствительность ёмкостного уровнемера 10 нФ/м. Определить изменение реактивного сопротивления конденсатора при измерении уровня от 0,5 до 1 м, если измерительная цепь подключается к источнику переменного ток напряжения частотой 10 кГц. Ёмкостью соединительных линий пренебречь.
4. Автоматический контроль работы нефтеперекачивающего агрегата и насосной станции.
5. Измерители положения колокола газгольдеров.
Вариант 16
1. Термопара ТХА помещена в среду, температура которой меняется от 50 до 100°С. Определить изменение напряжения на выводах милливольтметра с внутренним сопротивлением RV
=150 Ом, если сопротивление измерительной цепи RВН
=15 Ом, а температура холодных спаев равна градуировочной.
2. При измерении уровня радиоволновым методом время запаздывания отраженного сигнала равно 0,1 мкс. Определить уровень вещества, если радиоизлучатель находится на высоте 25 метров над дном резервуара.
3. Какие диаметры отверстий должны быть у сужающих устройств для измерения расхода в трубах диаметром Д=80 мм?
4. Автоматизация вспомогательных установок насосных станций нефтепроводов.
5. Объемные счетчики расходов. Устройство, принцип действия, область применения.
Вариант 17
1. Напряжение на выводах милливольтметра 0,8мВ при подключении к термопаре типа ТПП. Определить значение температуры среды, если RВН
=25 Ом, RV
=200 Ом, а температура холодных спаев 0°С.
2. При измерении расхода воды в трубопроводе диаметром D=100 мм с помощью нормальной диафрагмы d=50 мм перепад давления составляет 100 кПа. Найти значения объёмного расхода.
3. Погрешности измерения термометров составляют +-1°С. Определить погрешность измерения влажности при действительной температуре сухого термометра 23°С° и влажного 18°С° (рисунок 5).
4. Автоматизация резервуарных парков.
5. Измерение расхода методом переменного перепада давления. Типы сужающих устройств.
Вариант 18
1. Милливольтметр снабжён шкалами для измерения напряжения 0-10мВ и температуры 0-100°С. Он отградуирован при сопротивлениях RV
=150 Ом и RВН
=15 Ом. Определить систематическую погрешность измерения при подключении термопары с RВН
=10 Ом.
2. Расход воздуха в трубопроводе диаметром Д=300 мм меняется от 140 до 200 м3
/ч. Определить, на какие перепады давления должен быть рассчитан дифманометр, устанавливаемый в нормальную диафрагму d=30 мм. Плотность воздуха 1,033 кг/м3
, коэффициент сжимаемости =0,87.
3. На рисунке 5 приведена принципиальная схема психрометра с уравновешенным мостом. Записать уравнение равновесия моста при R2
=R4
и R5
=R и определить полное сопротивление переменного резистора шкалы R, если максимальная разность сухого и мокрого терморезисторов 10 Ом.
4. Автоматизация установок подогрева нефти.
5. Турбинные расходомеры. Устройство, принцип действия, область применения.
Вариант 19
1. Внутреннее сопротивление милливольтметра со шкалами напряжения 0-10 мВ и температуры 0-100°С составляет 200 Ом. Определить систематическую погрешность при температуре холодных спаев термопар ТПП Т0
=20°С, если сопротивление измерительной цепи во всех случаях соответствует градуировочному.
2. При изменении расхода в 1,5 раза перепад давления в сужающем устройстве увеличился на 10 кПа. Определить первоначальное значение перепада давления.
3. В качестве чувствительных элементов психрометра использованы медные терморезисторы ТСМ 100. При температуре сухого термометра 25°С равновесие моста произошло при сопротивлении RX
=2 Ом. Найти относительную влажность воздуха (рисунок 5), R5
= R, R2
= R4
.
4. Схема закачки и отбора газа из подземного хранилища. Контроль и регулирование параметров.
5. Ультразвуковые расходомеры. Устройство, принцип действия, область применения.
Вариант 20
1. Для измерения температуры использован автоматический потенциометр класса точности 0,5 с ценой деления шкалы 20С/мВ. Найти наибольшие абсолютные погрешности измерения напряжения и температуры. Диапазон измерения 200-600°С. тип термопары ТХА.
2. Наибольший расход воды в трубопроводе диаметром D=250 мм равен 240 м3
/ч. К сужающему устройству подключён дифманометр с верхним пределом шкалы Dр=20 кПа Подобрать параметры нормальных диафрагмы или сопла для измерения расхода в данном случае.
3. При измерении относительной влажности с помощью гигрометра температура точки росы равна 10°С°. Определить значение влажности при температуре воздуха 25°С°.
4. Автоматизация газораспределительной станции БК-ГРС.
5. Функциональная схема САР. Назначение каждого из элементов и устройств, входящих в него.
Вариант 21
1. Найти значение сопротивления платинового терморезистора при температурах измеряемой среды Т =50°С,если при Т=0°С RТ0
=100 Ом.
2. Для измерения расхода воздуха с нормальными значениями плотности рV
=1,035 кг/м3
и коэффициента сжимаемости с
=0,91 в трубопроводе диаметром Д=100 мм используется нормальное сопло с m2
Q
=0,31. Номинальное значение расхода QН
=150 м3
/ч. Найти погрешность определения расхода, если в результате изменения температуры и влажности воздуха его параметры стали равны rV
=1,08кг/м3
и с
= 0,85.
3. Для измерения температуры зеркальца гигрометра использовалась термопара типа ТПП с термостатированием холодных спаев при 0°С. Определить относительную влажность воздуха с температурой 20°С, если напряжение термопары 64 мкВ.
4. Автоматизация газораспределительной станции ПРГ-Т.
5. Переходные процессы в САР. Показатели качества регулирования.
Вариант 22
1. Измеренные значения сопротивления платинового терморезистора градуировки 50 П составили 50 и 70 Ом. Найти значение температуры контролируемой среды.
2. Расход в турбинном тахометрическом расходомере меняется от 30 до 70 м3
/ч. Каким оборотам турбинки соответствуют эти значения расхода, если проходной диаметр 50 мм, а шаг лопастей турбинки 40 мм? Коэффициент К принять равным 0,6.
3. Температура зеркальца гигрометра 10°С измерена с точностью +-0,5°С. Определить относительную погрешность измерения относительной влажности воздуха при температуре Т=20°С.
4. Автоматизация газораспределительной станции АГРС.
5. Элементарные типовые звенья САР, уравнения их движения, характеристики.
Вариант 23
1. Найти значения температурной чувствительности платинового терморезистора градуировки 10 П в диапазоне от –50 до 200°С в точках шкалы через каждые 50°С. Построить график зависимости чувствительности от температуры.
2. Частота вращения турбины тахометрического расходомера равна 900 об/мин. Найти значение расхода, если проходной диаметр 60 мм, а на турбине диаметром 40 мм установлено восемь лопастей. Коэффициент к=0,75.
3. При изменении влажности от 12 до 18% диэлектрическая проницаемость изменилась от 4,5 до 15. Определить изменение ёмкости влагомера, если l
=100 мм, отношение D2
/D1
=1,5. Найти ёмкость незаполненного конденсатора.
4. Схема автоматического ограничения налива железнодорожных цистерн.
5. Соединение звеньев, построение структурных систем САР.
Вариант 24
1. Измеренное значение сопротивления терморезистора при температуре Т=120°С составило 146 Ом. Определить его градуировку и погрешность нахождения температуры.
2. При изменении расхода в 1,2 раза частота вращения турбины увеличилась на 100 об/мин. Найти первоначальное число оборотов и чувствительность тахометрического расходомера, если первоначальный расход был 10 м3
/ч.
3. Определить верхний предел измерения манометра класса точности 1,5, если максимальная абсолютная погрешность манометра 0,3 кПа.
4.Автоматизация операций при наливе нефтепродуктов в автоцистерны.
5. Объекты регулирования и их характеристики.
Вариант 25
1. При изменении температуры на 100°С сопротивление медного терморезистора увеличилось в 1,2 раза. Найти первоначальное и конечное значения температуры.
2. В турбинном расходомере с индуктивным преобразователем в диапазоне частоты вращения 500...800 об/мин значение ЭДС меняется от 20 до 40 В. Определить частоту вращения и расход при напряжении 25 В, если шкала отградуирована от 20 до 80 м3
/ч. Шкала прибора равномерная.
3. Манометр класса точности 0,2 имеет верхний предел измерения 10 МПа, количество делений на шкале 250. Определить цену деления, чувствительность манометра, наибольшую абсолютную погрешность и значение измеряемой величины давления, если стрелка манометра находится на отметке 60 делений.
4. Схемы электрохимической защиты газопровода. Автоматическое регулирование катодной защиты трубопровода АРТЗ.
5. Регуляторы прямого действия (температуры, давления, уровня). Устройство, принцип действия, область применения.
Вариант 26
1. Сколько метров медной проволоки диаметром 0,1 мм необходимо для изготовления терморезистора градуировки 100М? Удельное сопротивление меди при 0°С равно 0,0176*10-6
Ом*м.
2. В турбинном расходомере с индуктивным преобразователем измерительным прибором служит вольтметр с диапазоном измерения 10 В и классом точности 1,5. Определить наибольшую абсолютную погрешность измерения расхода, если чувствительность расходомера 0,5 .
3. При поверке технического манометра на 10 МПа класса точности 1,5 образцовым манометром были получены следующие результаты :
| Показания технического манометра, МПа
|
Показания образцового манометра, МПа
|
| ход вверх
|
ход вниз
|
| 0
2
4
6
8
10
|
0
2,05
3,95
6
7,95
10
|
0
2
4,03
6,02
8
10
|
Дать заключение о результатах поверки.
4. Схема электрохимической защиты газопровода. Автоматическое регулирование катодной защиты трубопровода ПАСК.
5. Элементы пневмоавтоматики. Схемы, устройство, принцип действия.
Вариант 27
1. Терморезистор градуировки 50М выполнен из медной проволоки, намотанной виток к витку на керамический каркас диаметром 10 мм. Определить число витков и длину намотки, если диаметр проволоки 0,1 мм и удельное сопротивление меди 0,0176*10-6
Ом*м.
2. Шестерни в объемном расходомере сделали в течение 20 мин 120 оборотов. Определить средний расход, если объем отсекаемой жидкости 50 см3
.
3. Для измерения давления 50 кПа использовались поочередно два манометра: один – класса точности 1,5 с чувствительностью 1 дел/кПа и шкалой на 100 делений; другой – класса точности 1,0 с ценой деления 2кПа/дел и шкалой на 100 делений. Какой прибор лучше использовать для измерения давления?
4. Схема организации телеконтроля установок катодной защиты.
5.Пневматические исполнительные механизмы. Назначение, характеристики, применение. Позиционер.
Вариант 28
1. В схеме измерения сопротивления с помощью уравновешенного моста на рисунке 1 сопротивления плеч R2
= 10 кОм и R1
= 1 кОм. Определить полное сопротивление переменного резистора R3
, если в качестве Rt
применяется терморезистор градуировки 100М, а температура меняется от -50 до +50 °С.
2. Расход воды в тонкостенном трубопроводе диаметром 40 мм изменяется от 50 до 100 м3
/ч. Его измеряют с помощью индукционного расходомера, в магнитной цепи которого создается индукция В= 1,2 Тл. Определить изменения ЭДС в измерительной обмотке.
3. Определить класс точности манометра с верхним пределом измерения 10 МПа, если максимальная абсолютная погрешность 0,15 МПа.
4. Автоматизация слива конденсата.
5. Электрический привод. Схема управления электроприводной задвижки.
Вариант 29
1. При измерении сопротивления с помощью схемы уравновешенного моста (см. рисунок 7) сопротивления R3
=1200 Ом. Найти температуру контролируемой среды, если R2
= 800 Ом, R1
=100 Ом, а в качестве Rт
используется терморезистор градуировки 100П.
2. В индукционном расходомере значения ЭДС 0,8 В. Определить расход жидкости в трубопроводе с внутренним диаметром dвн
=30 мм и внешним D=40 мм, если создаваемая магнитной цепью индукция В=1 Тл.
3. Определить пределы измерения логометра класса точности 1,5, если максимальная абсолютная погрешность равна 1,5°С.
4. Автоматизация запорных органов на линейной части магистральных трубопроводов. Схема привода дистанционно управляемых газовых кранов.
5. Регулирующие органы исполнительных устройств. Назначение, виды, устройство, принцип действия регулирующих органов.
Вариант 30
1. Переменный резистор R3
в схеме на рисунке 1 характеризуется полным сопротивлением 330 Ом и шкалой 0-200° С. Какое отношение сопротивлений R2
и R1
необходимо выбрать при использовании терморезисторов ТСП 100.
2. При градуировке индукционного расходомера верхнему пределу 500 м3
/ч соответствует значение ЭДС 6 В для трубопровода dвн
= 41 мм и D = 50 мм. Определить индукцию в магнитной цепи и цену деления шкалы прибора.
3. Определить вариацию манометра в делениях. Манометр класса точности 0,2 с верхним пределом измерения 100 кПа, на шкале 250делений.
4. Система «Вега» управления общестанционными и режимными кранами.
5. Автоматизированные системы управления (АСУ). Назначение, структура, классификация, обеспечение АСУ.
| Методические указания составлены в соответствии с рабочей программой по учебной дисциплине «Автоматизация производственных процессов»
Заместитель директора
по учебной работе
_____________А.В.Кугаевский
«___»____________ г.
|
Составитель: Игнатенко М.Н. – преподаватель спецдисциплин
Редактор : Константинова Е.Г. – зав.кафедрой НТГП
|