| РЕФЕРАТ
Работа содержит 22 листа, 12 рисунков, 4 таблицы, 7 источников литературы.
РАСЧЕТ ПОСАДОК ЦИЛИНДРИЧЕСКИХ, ШПОНОЧНЫХ СОЕДИНЕНИЙ, ПОДШИПНИКОВ КАЧЕНИЯ И РАСЧЕТ РАЗМЕРНОЙ ЦЕПИ.
Объектом курсовой работы является узел, используемый в машиностроении.
Основное содержание курсовой работы составляет правильный выбор посадок различных соединений, оформление рабочих чертежей узлов и деталей, описание конструкции узла, обоснование выбора окончательных видов обработки, выбор средств измерений и решение размерной цепи.
Исходными данными для выполнения курсовой работы являются индивидуальные задания, выдаваемые преподавателем. Задание включает пять задач по различным видам соединений заданного узла, в том числе одну из его размерных цепей.
1 ОПИСАНИЕ КОНСТРУКЦИИ УЗЛА
Данный узел представляет собой привод шкива водяного насоса. На вал 4 посажены корпус 12, крыльчатка 11, шкив 2. Шкив закреплен с одной стороны крышкой 10, с другой – крышкой 1. соединение крышек со шкивом осуществляется с помощью болтов6 и 16. Шкив закреплен на валу через шариковые подшипники 3. Между ними установлена распорная втулка 9 и стопорное кольцо 8. Закрепление подшипников осуществляется с помощью шайбы 7, закрепленной 4 болтами, завернутых в корпус.
2 АНАЛИЗ ПОСАДКИ
Посадка задана размером и числовыми значениями

где: Ø480 – номинальный размер соединения
-0,055 – верхнее отклонение размера отверстия
-0,095 – нижнее отклонение размера отверстия
0 – верхнее отклонение размера вала
-0,061 – нижнее отклонение размера вала

Рисунок 2.1 Схема расположения полей допусков соединения
2.1 Определение допусков отверстия и вала
Допуск отверстия:
Допуск вала:  
Примем значения допусков по ГОСТу 25346 – 89 для отверстия JT6, для вала JT7.
TD =40 мкм, 6 квалитет (Таблица 1.8 /2/)
Td = 63 мкм,7 квалитет (Таблица 1.8 /2/)
2.2 Основные отклонения и их обозначения
Для вала основное отклонение равно нулю, что соответствует буквенному обозначению «h» (Таблица 1.9 /2/). Для отверстия основное отклонение ES равно -55мкм, что соответствует буквенному обозначению «P» (Таблица 1.10 /2/).
Предельные отклонения:
для отверстия 
для вала 
2.3 Характеристика посадки
Забиваем Сайты В ТОП КУВАЛДОЙ - Уникальные возможности от SeoHammer
Каждая ссылка анализируется по трем пакетам оценки: SEO, Трафик и SMM.
SeoHammer делает продвижение сайта прозрачным и простым занятием.
Ссылки, вечные ссылки, статьи, упоминания, пресс-релизы - используйте по максимуму потенциал SeoHammer для продвижения вашего сайта.
Что умеет делать SeoHammer
— Продвижение в один клик, интеллектуальный подбор запросов, покупка самых лучших ссылок с высокой степенью качества у лучших бирж ссылок.
— Регулярная проверка качества ссылок по более чем 100 показателям и ежедневный пересчет показателей качества проекта.
— Все известные форматы ссылок: арендные ссылки, вечные ссылки, публикации (упоминания, мнения, отзывы, статьи, пресс-релизы).
— SeoHammer покажет, где рост или падение, а также запросы, на которые нужно обратить внимание.
SeoHammer еще предоставляет технологию Буст, она ускоряет продвижение в десятки раз,
а первые результаты появляются уже в течение первых 7 дней.
Зарегистрироваться и Начать продвижение
Посадка в системе вала, т.к. поле допуска вала основное с верхним отклонением равным 0. посадка переходная, т.к. поле допуска вала пересекается с полем допуска отверстия.
Посадка относится к предпочтительным (таблица 17 и 18 /3/).
2.4 Расчетные характеристики посадки
2.4.1 Предельные размеры
Наибольший диаметр отверстия 
Наименьший диаметр отверстия 
Наибольший диаметр вала 
Наименьший диаметр вала 
2.4.2 Определение предельных и среднего зазоров
Наибольший натяг 
Наименьший натяг 
Средний натяг  
2.4.3 Допуск посадки


Выводы: Совпадение значений переходной посадки и допуска посадки с проверочными, свидетельствует о верности расчетов.
2.5 Вероятностные характеристики посадки
Среднее квадратическое отклонения отверстия и вала:

Среднее квадратическое отклонение посадки:

Вероятный допуск посадки:

Вероятностные натяги:
- наибольший вероятностный натяг:

- наименьший вероятностный натяг:

Проверка:


Рисунок 2.2 Схема предельных и вероятностных натягов посадки
Расчётные характеристики посадки сведем в таблицу 2.1.

Таблица 2.1 Сводные данные по расчёту характеристик посадки
| Наименование параметров
|
Обозначение
|
Величина
|
| Отверстие
|
Отклонение,
мкм
|
Верхнее
|

|
-55
|
| Нижнее
|

|
-95
|
| Основное
|

|
верхнее
|
| Предельные размеры, мкм.
|
Наибольший
|

|
479,945
|
| Наименьший
|

|
479,905
|
| Допуск, мкм.
|

|
40
|
| Вал
|
Отклонения, мкм.
|
Верхнее
|

|
0
|
| Нижнее
|

|
-63
|
| Основное
|

|
верхнее
|
| Предельные размеры, мкм.
|
Наибольший
|

|
480
|
| Наименьший
|

|
479,937
|
| Допуск, мкм.
|

|
63
|
| Посадка
|
Номинальный размер
|

|
480
|
| Предельные зазоры, мкм.
|
Наибольший
|

|
95
|
| Наименьший
|

|
-8
|
| Средний
|

|
43,5
|
| Вероятностные зазоры, мкм.
|
Наибольший
|

|
80,82
|
| Наименьший
|

|
6,18
|
| Допуск посадки, мкм.
|
Предельный
|

|
103
|
| Вероятностн.
|

|
74,64
|
2.6 Дополнительные данные для оформления рабочих чертежей и контроля деталей
Эти данные относят к конкретным деталям, которые мы условно принимаем при расчетах, поэтому в качестве примера рассмотрим посадку бронзовой втулки в чугунный корпус редуктора.
Принимаем относительную геометрическую точность формы нормальную (А) по таблице 2.19 /2/ со средним соотношением допусков формы и размера (2Тф
/Тd
)100=60%.
Степени точности по таблице 2.20 /2/ принимаются для втулки (IT8) – седьмая, и для корпуса (IT8) – седьмая.
Числовые значения допусков цилиндричности по таблице 2.18 /2/: для отверстия корпуса и для втулки – 16 мкм.
Шероховатость поверхностей в соединении определяется в зависимости от квалитета и допуска формы по таблице 2.67 /2/. Для отверстия Ra=1,6 мкм, для втулки Ra= 0,8 мкм.
Способы окончательной обработки поверхностей деталей в соединении определяем по таблице 2.66 /2/:
Сервис онлайн-записи на собственном Telegram-боте
Попробуйте сервис онлайн-записи VisitTime на основе вашего собственного Telegram-бота:
— Разгрузит мастера, специалиста или компанию;
— Позволит гибко управлять расписанием и загрузкой;
— Разошлет оповещения о новых услугах или акциях;
— Позволит принять оплату на карту/кошелек/счет;
— Позволит записываться на групповые и персональные посещения;
— Поможет получить от клиента отзывы о визите к вам;
— Включает в себя сервис чаевых.
Для новых пользователей первый месяц бесплатно.
Зарегистрироваться в сервисе
· отверстие в корпусе – чистовое растачивание дает Ra =1,6…3,2 мкм при экономическом квалитете точности IT8;
· наружная поверхность бронзовой втулки – обтачиванием продольной подачи при Ra = 1,6…3,2 мкм и экономическом квалитете точности IT8.
Контроль размеров для измерения вала по таблице 2 /6/, при допускаемой погрешности δизм
= ± 5мкм, проводим гладким микрометром. Контроллеры из размеров отверстия по таблице 2 /6/, при допускаемой погрешности δизм
= ±9 мкм, проводим индикаторным нутромером.
Узел в сборе Корпус Втулка
Рисунок 2.3 Эскиз посадки втулки в корпус и сопрягаемых деталей
3 ПОСАДКИ ПОДШИПНИКОВ КАЧЕНИЯ
3.1 Обоснование характера работы подшипника
Заданный узел относится к редукторам общего машиностроения, к которым не предъявляются особые требования к точности узла, ограничению вибраций, поэтому может быть принят класс точности «0» по ГОСТ 520-89.
Из чертежа видно, что вращается шкив вместе с наружным кольцом подшипника, а внутреннее кольцо установлено неподвижно в корпусе. На подшипник через вал передается нагрузка от крыльчатки постоянная по направлению. Отсюда следует, что на внешнее кольцо действует циркуляционное, а на внутреннее – местное нагружение.
3.2 Расчет и выбор стандартного подшипника.
Режим работы подшипника оценивается по интенсивности нагружения:

где Р – динамическая эквивалентная нагрузка, Н;
с – динамическая грузоподъемность, Н.
Р=7000 Н.
Для спокойного режима работы по ГОСТ 3325-85 необходимо

откуда

когда

По таблице 7 ГОСТ 8338-75 для подшипника с внутренним диаметром d=50мм этому условно отвечает подшипник тяжелой серии №410, для которого наружный диметр D=130мм, ширина кольца В=31мм, координата фаски r=3.5мм.
3.3 Выбор посадок колец подшипника.
Под циркуляционно нагруженное кольцо, посадку выбирают по интенсивности нагружения
,
где - интенсивность нагружения,
В – конструктивная ширина кольца,

n – количество подшипников на опоре,
- динамический коэффициент,
=1…1,8
F – коэффициент, учитывающий ослабление натяга.
F=1…2
 
По таблице 4.89 /8/ рекомендуется поле допуска вала – h5.
По таблице 4.92 /8/ рекомендуется поле допуска корпуса – К7.
Таким образом, условное обозначение посадки «внутреннее кольцо – вал» -
А условное обозначение посадки «наружное кольцо – корпус» - .
3.4 Расчет посадок подшипника
Для расчета посадок колец подшипника на вал и в корпус отверстия принимаются средние диаметры колец (dm и Dm ) и их допускаемые отклонения (Ddm и DDm) для полей допусков колец L0 и l0.
Для выбранных посадок отклонения посадочных мест вала и корпусов принимается по ГОСТ 25347-86.
Предельные размеры вала и корпуса:

Предельные размеры внутреннего и наружного колец подшипника:

Предельные зазоры и натяги в соединении «вал – внутреннее кольцо»:

«корпус – наружное кольцо»:


Сводные данные по расчету посадок колец подшипника приведены в таблице 3.1.
Таблица 3.1 Расчётные характеристики посадок колец подшипника
| Элементы соединения
|
Наименование параметров
|
Обозначение
|
Величина
|
| Корпус-наружное кольцо подшипника
|
Отверстие

|
Отклонения,
мкм
|
Верхнее
Нижнее
|


|
+70
0
|
| Предельные диаметры, мм
|
Наибольший
Наименьший
|


|
130,07
130
|
| Вал

|
Отклонения среднего диаметра, мм
|
Верхнее
Нижнее
|

|
0
-18
|
| Предельные размеры среднего диаметра, мм
|
Наибольший
Наименьший
|


|
130
129,982
|
| Посадка
|
Зазоры, мкм
|
Наибольший
Наименьший
|


|
70
0
|
| Внутреннее кольцо подшипника - вал
|
Отверстие

|
Отклонения среднего диаметра, мм
|
Верхнее
Нижнее
|

|
0
-12
|
| Предельные размеры среднего диаметра, мм
|
Наибольший
Наименьший
|


|
50
49,988
|
| Вал

|
Отклонения,
мкм
|
Верхнее
Нижнее
|


|
+18
+2
|
| Предельные диаметры, мм
|
Наибольший
Наименьший
|


|
50,018
50,002
|
| Посадка
|
Натяги, мкм
|
Наибольший
Наименьший
|


|
30
2
|
4 АНАЛИЗ ПОСАДКИ ПО АНАЛОГИИ.
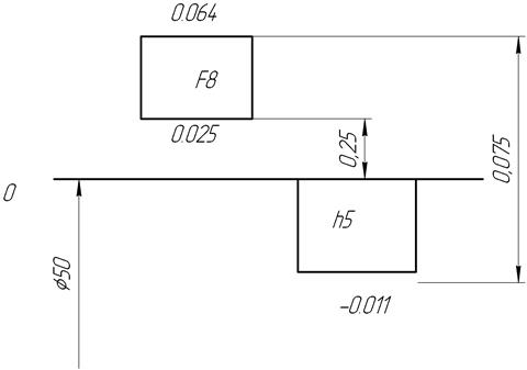
Необходимо выбрать посадку распорной втулки с диаметром 50мм.
Эта втулка изготовлена под размер Ø50 h5 для посадки на корпус изделия между подшипниками. Для посадки распорной втулки нужно выбрать поле допуска, обеспечивающее гарантированный зазор.
По ГОСТ 25346-89 выбираем основное отклонение отверстия +25 мкм, что соответствует обозначению поля допуска «F». При выборе данного поля допуска получается минимальный гарантированный зазор, обеспечивающий простоту разборки и сборки сопряжения. Квалитет для втулки выбираем из условия простоты обработки при изготовлении. Принимаем 8 квалитет, что может быть достигнут чистовым точением втулки /3/. Таким образом, получаем комбинированную (специальную) посадку:

Для выбранной посадки приведем схему полей допусков с указанием предельных размеров, отклонений, значений зазоров или натягов и эскиз соединения с указанием принятой посадки.

Рисунок 4.1 Схема полей допусков
Необходимо выбрать посадку между корпусом и втулкой.
Эта втулка изготовлена под размер Ø50 h7. Для посадки распорной втулки нужно выбрать поле допуска, обеспечивающее гарантированный зазор.
По ГОСТ 25346-89 выбираем основное отклонение отверстия +25 мкм, что соответствует обозначению поля допуска «F». При выборе данного поля допуска получается минимальный гарантированный зазор, обеспечивающий простоту разборки и сборки сопряжения. Квалитет для втулки выбираем из условия простоты обработки при изготовлении. Принимаем 8 квалитет, что может быть достигнут чистовым точением втулки /3/. Таким образом, получаем комбинированную (специальную) посадку:

Для выбранной посадки приведем схему полей допусков с указанием предельных размеров, отклонений, значений зазоров или натягов и эскиз соединения с указанием принятой посадки.

Рисунок 4.2 Схеме полей допусков
Необходимо выбрать посадку между крыльчаткой и втулкой.
Эта втулка изготовлена под размер Ø41 h7. Для посадки распорной втулки нужно выбрать поле допуска, обеспечивающее гарантированный зазор.
По ГОСТ 25346-89 выбираем основное отклонение отверстия +25 мкм, что соответствует обозначению поля допуска «F». При выборе данного поля допуска получается минимальный гарантированный зазор, обеспечивающий простоту разборки и сборки сопряжения. Квалитет для втулки выбираем из условия простоты обработки при изготовлении. Принимаем 8 квалитет, что может быть достигнут чистовым точением втулки /3/. Таким образом, получаем комбинированную (специальную) посадку:

Для выбранной посадки приведем схему полей допусков с указанием предельных размеров, отклонений, значений зазоров или натягов и эскиз соединения с указанием принятой посадки.

Рисунок 4.3 Схема полей допусков
5
ПОСАДКИ ШПОНОЧНОГО СОЕДИНЕНИЯ
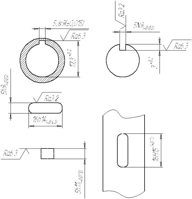
Размеры шпонки, предельные отклонения выбираются по таблице 4.64 /8/.
Шпонка призматическая.

Номинальные размеры:
- сечение шпонки 
- глубина паза вала 
- глубина паза втулки 
- длина шпонки 
Соединение шпонки – паз вала 
Соединение шпонки – паз втулки 
Глубина паза вала 
Размер на втулке
Длина шпонки 
Длина паза вала
Метод обработки: шпонки – фрезерование; паз вала – фрезерование; паз втулки – протягивание или чистовое долбление. Шпонки могут быть изготовлены из чистотянутой заготовки.
Шероховатость шпонки, пазов вала и втулки ; для пазов, нижней и верхней поверхности шпонки  .
Шпонка 5×5×16 ГОСТ 8788 – 68.

Рисунок 4.1 Шпонка.
6 РАСЧЕТ РАЗМЕРНОЙ ЦЕПИ
Рисунок 6.1 Размерная цепь

Корректировка размеров звеньев

Расчет на max-min:

Ближайшее значение а=160 мкм, JT12. Допуски звеньев по 12 квалитету.

Проверка принятых допусков

Предельные отклонения звеньев: назначаем на охватываемые размеры как для основного вала, не охватывающие – как для основного отверстия.

Отклонения звена Б∆
:

Проверка:

Вероятностный расчет:

Ближайшее значение а=250 мкм, JT13.
Допуски звеньев по 13 квалитету.

Проверка принятых допусков: 
Среднее отклонения звеньев:

Среднее отклонение звена Б1
:

| Звено
|
Б∆
|
Б1
|
Б2
|
Б3
|
| Вид звена
|
замык
|
увелич
|
уменьш
|
уменьш
|
| Размеры,мкм
|
3-0,6
|
26
|
15
|
8
|
| Ед. допуска,мкм
|
─
|
1,31
|
1,08
|
0,3
|
| Расчет на max-min
|
| Табл. допуск, мкм
|
─
|
210
|
180
|
150
|
| Прин. допуск, мкм
|
600
|
270
|
180
|
150
|
| Верх. отклонение, мкм
|
0
|
-330
|
0
|
0
|
| Нижн. отклонение, мкм
|
-600
|
-600
|
-180
|
-150
|
| 3-0,6
|
|
15-0,18
|
8-0,15
|
| Вероятностный расчет
|
| Табл. допуск, мкм
|
─
|
330
|
270
|
220
|
| Прин. допуск, мкм
|
600
|
330
|
270
|
220
|
| Верх. откл, мкм
|
0
|
-380
|
0
|
0
|
| Нижн. откл, мкм
|
-600
|
-710
|
-270
|
-220
|
| Среднее откл, мкм
|
-300
|
-545
|
-135
|
-110
|
| 3-0,6
|
26-0,71
|
15-0,27
|
8-0,22
|
БИБЛИОГРАФИЯ
1 Серый И.С. Взаимозаменяемость, стандартизация и технические измерения. – М.: Машиностроение, 1987. – 334с.
2 Мягков В.Д. Допуски и посадки /справочник. ч.1/. – Л.: Машиностроение, 1983. – 541с.
3 Мягков В.Д. Допуски и посадки /справочник. ч.2/. – Л.: Машиностроение, 1983. – 541с.
4 Козловский Н.С. Основы стандартизации, допуски и технические измерения. – М.: Машиностроение, 1982. – 284с.
5 Подшипники качения. Часть 1 – М.: Издательство стандартов. 1989. – 185с.
6 Методические указания. Выбор универсальных средств измерения линейных размеров до 500 (по применению ГОСТ 8.051-81) РД50-98-86. – М.: Издательство стандартов, 1987. – 83с.
7 Подшипники качения. Сборник государственных стандартов. Ч 1 – М.: Издательство стандартов, 1989. – 439с.
|