|
УДК 629.7.067.8
Сулейманов Р.Р.
Разработка устройства защиты трехфазных потребителей.
Пояснительная записка содержит ___ страницы, состоит из _ частей, содержит __ рисунков, __ таблиц, __ библиографических источников, приложение содержит __ страницу.
УСТРОЙСТВО ЗАЩИТЫ ТРЁХФАЗНЫХ ПОТРЕБИТЕЛЕЙ.
Предложено и разработано устройство защиты трехфазных потребителей, предназначенное для экстренного отключения потребителя трехфазного переменного тока – устройство защиты.
Произведено системотехническое проектирование устройства защиты. Определены и подобраны комплектующие для обеспечения требуемой функциональности.
Разработана схема электрическая принципиальная, спроектирован печатный узел.
Проведены экономические расчеты, рассмотрены аспекты безопасности при изготовлении устройства.
Содержание
Введение.
1 Теоретическая часть.
1.1 Трехфазная система энергоснабжения
1.2
Электрооборудование самолета ИЛ - 76
2 Системотехническое проектирование УЗ.
2.1 Структура устройства защиты
3 Схемотехническое пректирование.
3.1 Проектирование блоков устройства
3.1.1 Проектирование токовых трансформаторов
3.1.2 Проектирование выпрямителя
3.1.3 Выбор ограничителя напряжения
3.2 Принцип работы устройства
3.3 Выбор элементной базы………………………………………………………..
4. Конструкторское проектирование……………………………………………...
4.1 Обоснование выбора применяемых материалов
4.2 Расчёт геометрических размеров печатной платы…………………………...
4.3 Расчёт на механические воздействия…………………………………………
4.4 Тепловой расчет РЭС………………………………………………………….
4.5 Расчет надежности.
5. Технологическое проектирование……………………………………………...
5.1 Технологический процесс изготовления УЗ………………………………
5.2 Расчет надежности тех. процесса…………………………………………
5.3 Расчет коэффициента технологичности………………………………………
6 Организационно-экономический блок.
6 Экономическая часть ……………………………………………………………
6.1 Конструкторская подготовка производства…………………………………..
6.1.1 Составление перечня этапов и работ ОКР………………………………….
6.1.2 Расчет трудоемкости ОКР…………………………………………………...
6.1.3 Планирование ОКР, составление календарного плана-графика…………..
6.1.4 Расчёт сметной стоимости выполняемой работы………………………….
6.1.5 Калькуляция опытного образца……………………………………………..
Забиваем Сайты В ТОП КУВАЛДОЙ - Уникальные возможности от SeoHammer
Каждая ссылка анализируется по трем пакетам оценки: SEO, Трафик и SMM.
SeoHammer делает продвижение сайта прозрачным и простым занятием.
Ссылки, вечные ссылки, статьи, упоминания, пресс-релизы - используйте по максимуму потенциал SeoHammer для продвижения вашего сайта.
Что умеет делать SeoHammer
— Продвижение в один клик, интеллектуальный подбор запросов, покупка самых лучших ссылок с высокой степенью качества у лучших бирж ссылок.
— Регулярная проверка качества ссылок по более чем 100 показателям и ежедневный пересчет показателей качества проекта.
— Все известные форматы ссылок: арендные ссылки, вечные ссылки, публикации (упоминания, мнения, отзывы, статьи, пресс-релизы).
— SeoHammer покажет, где рост или падение, а также запросы, на которые нужно обратить внимание.
SeoHammer еще предоставляет технологию Буст, она ускоряет продвижение в десятки раз,
а первые результаты появляются уже в течение первых 7 дней.
Зарегистрироваться и Начать продвижение
6.2 Технологическая подготовка производства…………………………………..
6.2.1 Стадии и этапы ТПП…………………………………………………………
6.2.2 Расчет трудоемкости ТПП……………………………………………...........
6.2.3. Расчет сметной стоимости выполнения ТПП……………………………...
6.3 Внедрение нового изделия в производство…………………………………..
7 Мероприятия по охране труда.
7.1 Безопасность жизнедеятельности.
7.2 Противопожарные мероприятия.
8 Разработка программы испытаний.
Заключение.
Список используемых источников.
Введение
Одним из важных условий успешной работы промышленных и энергетических предприятий, транспортной системы, предприятий коммунально-бытовой сферы и спокойной жизни бытового потребителя является обеспечение стабильности и качества потребляемой электроэнергии. С этой целью в схемах электропитания широко используются разнообразные типы релейных защит. Такие устройства обеспечивают, в частности, защиту нагрузки при обрыве и перекосе фаз, при выходе напряжения из заданного диапазона, при неправильном чередовании или при слипании фаз. При этом релейная защита используется как непосредственно на конечном защищаемом объекте (например, электродвигателе), так и в специальных электрических схемах. К сожалению, большая часть устройств, производимых предприятиями стран СНГ, была разработана еще во времена СССР. Как следствие, такие устройства обладают весьма ограниченными возможностями и невысокой надежностью (используются устаревшие комплектующие). Поэтому их применение не позволяет обеспечить 100%-ю защиту электрооборудования.
В современной военной и гражданской авиации для защиты трехфазных потребителей немало важную роль играют различные автоматы отключения фаз. При их отказе возможна поломка бортовых потребителей, что может привезти к катастрофе.
При конструировании различных устройств, предназначенных для авиации нужно учитывать несколько важных деталей. Во-первых, малые габаритные размеры. Во-вторых, массы изделий должны быть минимизированы. В-третьих, высокий уровень надежности.
В этой работе автор пытается решить актуальную задачу по созданию устройства защиты трехфазных потребителей, учитывая все вышеперечисленные параметры.
1 Теоретическая часть
1.1 Трехфазная система энергоснабжения
Для передачи и распределения электроэнергии в подавляющем большинстве случаев используется трехфазная система энергоснабжения, т.е. система, в ветвях которой действуют три одинаковые по амплитуде синусоидальные ЭДС, имеющие одну и ту же частоту, но сдвинутые по фазе одна относительно другой на угол 1200
. Такая система была изобретена и разработана во всех деталях, включая трехфазные трансформатор и асинхронный двигатель в 1891 г. выдающимся русским инженерном М.О. Доливо - Добровольским.
Сервис онлайн-записи на собственном Telegram-боте
Попробуйте сервис онлайн-записи VisitTime на основе вашего собственного Telegram-бота:
— Разгрузит мастера, специалиста или компанию;
— Позволит гибко управлять расписанием и загрузкой;
— Разошлет оповещения о новых услугах или акциях;
— Позволит принять оплату на карту/кошелек/счет;
— Позволит записываться на групповые и персональные посещения;
— Поможет получить от клиента отзывы о визите к вам;
— Включает в себя сервис чаевых.
Для новых пользователей первый месяц бесплатно.
Зарегистрироваться в сервисе
В трехфазной системе технико-экономические преимущества синусоидальных токов проявляются в наибольшей степени (снижается расход проводниковых материалов в линии электропередач, возрастает КПД устройств и т.п.). Поэтому энергетические системы выполняют как трехфазные системы генераторов, линий электропередач и трансформаторов, обеспечивающих трехфазным электропитанием промышленные потребители, которые, в основном, являются трехфазными, например: асинхронные и синхронные двигатели, мощные электрические печи, электромагниты и т.п. Однофазные потребители также получают питание от трехфазных сетей.
Трехфазные синхронные генераторы и двигатели, трехфазные асинхронные двигатели и трансформаторы, более просты в производстве, экономичны и надежны в эксплуатации. В трехфазных системах достаточно просто получить вращающееся магнитное поле, воздействие которого на проводники с током положено в основу принципа работы асинхронных и синхронных электродвигателей.
Источником электрической энергии в трехфазной цепи является синхронный генератор. Независимо от способа соединения фаз источника линейные напряжения между линейными проводами трехфазной цепи одинаковы и сдвинуты по фазе относительно друг друга на угол , вследствие чего сумма их мгновенных значений или векторов всегда равна нулю. Однако значение линейных напряжений при соединении фаз источника треугольником будут в раз меньше, чем значения линейных напряжений при соединении фаз того же источника звездой.
1.2 Электрооборудование самолета
Электрооборудование является основной частью всего самолетного оборудования и предназначено для питания всех электрических потребителей, установленных на самолете, а также запуска двигателей. Оно включает в себя источники постоянного и переменного тока, аппаратуру регулирования, коммутационные устройства и аппаратуру системы запуска двигателей.
Источником электроэнергии постоянного тока является стартер-генератор и аккумуляторные батареи.
Стартер – генератор является основным источником электроэнергии постоянного тока на вертолете и одновременно используется в качестве электростартера при запуске двигателей от бортовых аккумуляторных батарей или от аэродромного источника постоянного тока.
Аккумуляторные батареи являются постоянным действующим резервным источником электроэнергии постоянного тока и служат:
- для питания жизненно необходимых потребителей при отказе обоих генераторов
- для автономного запуска двигателей
- для проверки систем электро- и радиооборудования при отсутствии аэродромного источника питания и при не работающих двигателях.
Рассмотрим подробнее систему электроснабжения самолета ИЛ-76.
Система СП3С4П60В переменного трёхфазного тока напряжением 200/115 В является первичной и основной системой электроснабжения на самолёте. Система объединяет 4 канала по числу синхронных генераторов ГТ-60ПЧ6А и разделяется на 2 независимые подсистемы: подсистему левого и правого борта с двумя генераторами, работающими раздельно или параллельно, в каждой независимой подсистеме. Предусмотрена параллельная работа 3-х генераторов, параллельная работа 4-х генераторов исключается. Генераторы подключены через приводы постоянных оборотов (ППО). С каждым генератором работает аппаратура:
- БЗУ-376СП — блок защиты и управления, предназначен для обеспечения нормального функционирования генераторов при раздельной или параллельной работе.
- БРН-208М7Б — блок регулирования напряжения предназначен для стабилизации заданного напряжения генератора переменного тока и равномерной нагрузке параллельно работающих генераторов.
- БРЧ-62БМ — блок регулирования частоты и МКЧ-62ТВ — механизм коррекции частоты.
- БТТ-60ПМ — блок трансформаторов тока.
- БКШ-76 — блок коммутации шин.
- БПП-76 — блок переключения питания
Резервным источником переменного тока является генератор ГТ-40ПЧ6 (генератор на вспомогательной силовой установке - ВСУ). Он представляет собой трёхфазный синхронный бесконтактный генератор, который используется на земле и в полёте до высоты 7000 м. при отказе основных генераторов.
Аварийным источником переменного однофазного тока напряжением 115 В 400 Гц является электромашинный преобразователь ПО-750А. В качестве наземных источников используются агрегаты АПА-50 и АЭМГ-60. Они подсоединяются к розетке ШРАП-400Ф, расположенного в правом обтекателе шасси.
Система электроснабжения постоянным током напряжением 27 В является вторичной и состоит из двух независимых подсистем — левого и правого борта. Основными источниками являются 4 выпрямительных устройства ВУ-6А(Б), которые обеспечивают преобразование электроэнергии переменного тока 200 В 400 Гц в постоянное 28,5 В. Вспомогательным источником является стартер-генератор ГС-12ТО ВСУ ТА-6, который используется в качестве стартера при запуске ВСУ и в качестве генератора после выхода ВСУ на номинальный режим. Аварийными источниками являются 4 щелочные аккумуляторные батареи 20НКБН-25-УЗ, которые расположены по 2 шт. в обтекателях шасси (слева и справа). Аккумуляторные батареи обеспечивают питание жизненно важных потребителей в течение 20…30 минут или 20 минут при 3-х неудавшихся запусках ВСУ. При питании всех потребителей время работы уменьшается примерно в 3 раза.
Основными источниками переменного трёхфазного тока 36 В 400 Гц являются 2 силовых трёхфазных понижающих трансформатора ТС320СО4А. Первичные обмотки трансформаторов питаются от шин борт сети переменного трёхфазного тока напряжением 200/115 В. Мощность ТС320СО4А 2 кВт. Трансформаторы подключены к шинам РУ-25 и РУ-26, которые используются для питания потребителей ПНК. Резервным источником является преобразователь ПТ-125Ц, который преобразует постоянный ток напряжением 27 В в переменный трёхфазный ток напряжением 36 В 400 Гц. Преобразователь ПТ-125Ц является автономным источником питания авиагоризонта АГБ-3К, выключателя коррекции ВК-90М, магнитного самописца МСРП-64. Аварийное питание однофазным переменным током напряжением 36 В частотой 400 Гц осуществляется от трансформатора ТС-1-025. Мощностью 0,25 кВА, питеается от ПО-750. Потребители 36 В 400 Гц подключаются одним проводом через автомат защиты к шине, а вторым — на корпус самолёта.
Для обеспечения безопасной работы узлов и устройств самолета применяют автоматы защиты, предназначеные для защиты потребителей трехфазного переменного тока при обрыве одной или двух фаз контролируемой сети.
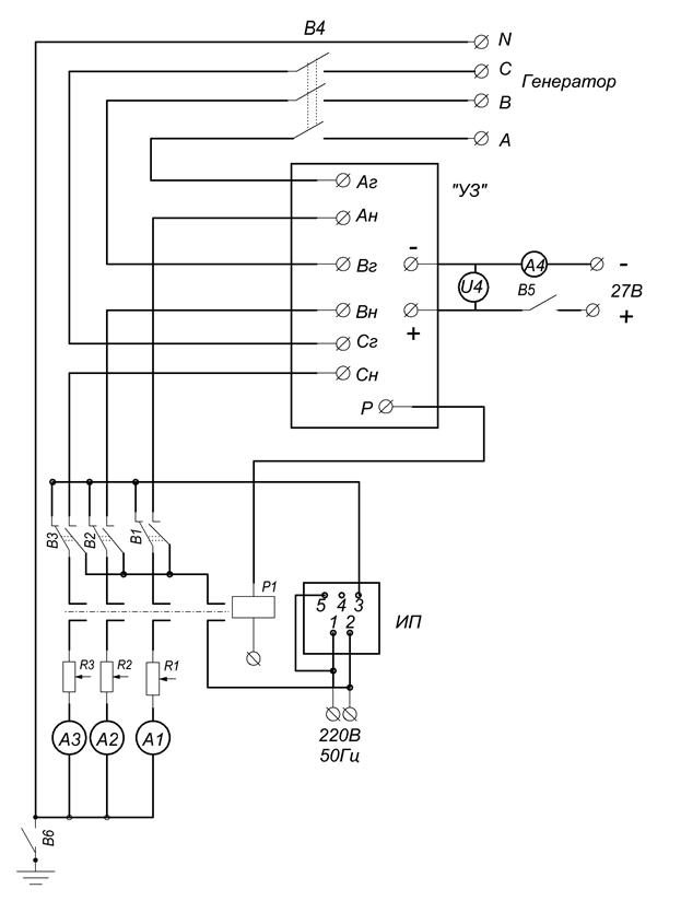
2 Системотехническая часть
2.1 Структура устройства защиты
Для того чтобы сформировать на функциональном уровне структуру разрабатываемого устройства защиты необходимо рассмотреть его основные функции.
1) Функция обнаружения обрыва фаз.
2) Предохранение элементов схемы от перегрузок по току и напряжению при токах короткого замыкания в контролируемой линии.
3) Выпрямление и фильтрация напряжения.
4) Независимая работа каждой из трёх фаз устройства защиты.
5) Обеспечение срабатывания устройства за время 1-2с после обрыва одной или двух фаз контролируемой линии.
6) Стабилизация напряжения.
На основании вышеизложенного, функциональная схема устройства защиты принимает следующий вид (рисунок 3.1).

Рисунок 3.1 Функциональная схема устройства защиты.
1)Датчики.
Датчиками обрыва фаз служат токовые трансформаторы Е1, Е2, Е3
. При протекания тока через первичные обмотки трансформаторов на вторичных обмотках индуктируются переменные напряжения.
2) Блок защиты.
Диоды ограничительные предохраняют элементы схемы от перегрузок по току и напряжению при токах короткого замыкания в контролируемой линии (рисунок 3.2).

Рисунок 3.2
3) Блок выпрямления и фильтрации напряжения.
Напряжения выпрямляются двухполупериодной мостовой схемой, на диодных мостах Д7, Д8, Д9.
Выпрямленные напряжения фильтруются конденсаторами С1 – С3
.
4) Блок диодного суммирования (рисунок 3.3).
Диоды представляют собой схему диодного суммирования и необходимы для независимой работы каждой из трёх ячеек устройства защиты (рисунок 3.3).

Рисунок 3.3
5) Блок временной цепи.
Временная цепь R
7,
R
8,
C
4, Д18, Т2, Д19
выполнена таким образом, чтобы обеспечить срабатывание автомата за время 1-2с после обрыва одной или двух фаз контролируемой линии.
6) Стабилизатор напряжения (рисунок 3.4).
На транзисторе, резисторе и стабилитронах выполнен стабилизатор напряжения.
Рисунок 3.4
7) Коммутационные устройства. Р1, Р
2. Устройства предназначены для замыкания и размыкания электрических цепей в устройствах автоматики, телемеханики, сигнализации, контроля и защиты
3 Схемотехническая часть
УЗ состоит из одной платы печатной (ПП), на которой установлены резисторы, конденсаторы, транзисторы, диоды, стабилитроны, реле. Кроме того, в устройство устанавливаются трансформаторы тока.
Схема электрическая принципиальная представлена в приложении и соответствует чертежу СПТИ.210201.001 Э3.
Поскольку эксплуатация УЗ производится в авиации, то для создания готового устройства использовались ЭРЭ расширенного температурного диапазона, либо специализированные ЭРЭ, аттестованные для применения в авиации.
3.1 Проектирование блоков устройства защиты
3.1.1 Проектирование токовых трансформаторов
Трансформаторы тока используются в качестве датчиков тока в системах защиты по току. Измеряемым током чаще всего является ток первичной обмотки силового трансформатора, амплитуда которого пропорциональна току нагрузки.
Конструкция трансформатора тока представляет собой кольцо из ферромагнитного материала с обмоткой, в отверстие которого продет провод с измеряемым током i
1
. Данный провод играет роль первичной обмотки с число витков w
1
= 1.
Вторичная обмотка, намотанная на кольце, нагружена на резистор R, выполняющий функцию линейного преобразователя вторичного тока в напряжение:
u
2
=
i
2
R
Напряжение u2
, являясь знакопеременным, подается на вход выпрямителя, где преобразуется в постоянное.
Для выпрямителя трансформатор тока вместе с резистором R должен выступать в качестве генератора э.д.с. с малым внутренним сопротивлением, что может быть обеспечено при достаточно малой величине R. В то же время величина R не должна быть слишком малой, с тем чтобы обеспечить требуемую амплитуду U
а2
выходного напряжения u
2
.
Будем считать рассматриваемый трансформатор тока идеальным. Тогда можем записать:
i
2
=
i
1
/
w
(3.1.1)
где w
— число витков вторичной обмотки.
Из этого равенства следует, что ток i
2
может быть выбран существенно меньшим измеряемого тока i
1
путем соответствующего выбора числа витков обмотки.
Далее получаем:
u
2
=
R
×
i
1
/
w
Перейдем к расчету трансформатора тока. Допустим, требуется рассчитать трансформатор тока для двухтактного мостового преобразователя. Исходными данными для расчета являются:
— амплитуда измеряемого тока i
а1
= 0,5 А;
— действующее значение измеряемого тока I
1
= 0,35 А;
— амплитуда выходного напряжения Ua
2
= 8,2 В;
Зададимся величиной сопротивления R
= 10 кОм
. Равенство, записанное для мгновенных значений напряжения u
2
и тока i
2
,
справедливо также и для их амплитудных значений Ua
2
и Ia
2
, на основании чего можем найти:
Ia
2
=
Ua
2
/
R
=8.2
B
/10кОм=0,82 мА
По формуле (3.1.1) справедливой для мгновенных, амплитудных и действующих значений входящих в нее величин, найдем число витков обмотки и действующее значение вторичного тока:
w=Ia1
/Ia2
=0.5A/0.82
м
A= 610
витков
.
I
2
=
I
1
/
w
= 0.35/610= 57,4
×
10-3
Определим сечение и диаметр провода обмотки, приняв плотность тока j
=3
A
/мм2
:
S
пр
= I2
/j=
57,4
×
10-3
/3=0.0191
мм
2
d2
пр
= 4
×
S
пр
/
p
= 4
×
0.0191 / 3,14
d
пр
= 0,116
В качестве провода обмотки будем использовать провод марки ПЭТВ-2 с диаметром по меди dnp
= 0,200 мм
(диаметр по изоляции dnp
. из
=0,240 мм
).
Выберем сердечник трансформатора тока, исходя из условия размещаемое™ обмотки на нем и наличия отверстия для продевания провода с измеряемым током. Допустим, в качестве провода с измеряемым током использован провод марки МГТФ 1 ×
0,12, имеющий сечение 0,12 мм2
и внешний диаметр dnp
1
из
= 1 мм.
В качестве сердечника трансформатора будем использовать кольцо К20х10х5 из феррита марки 1500НМЗ, имеющее S
= 10 мм2
.
Проверим размещаемость обмотки на выбранном сердечнике. Наложим на сердечник изоляцию из лакоткани ЛШMC-105-0,10 толщиной D
из
= 0,10 мм
с 50%-ным перекрытием.
Найдем диаметр и длину 1-го слоя:
d
сл1
=
d
- 4
D
из
–
d
пр
из
= 10 - 4 • 0,1 - 0,240 = 9,36 мм;
lсл
=
p
•
d
сл1
= 3,14• 9,36 =29,4 мм.
(d — внутренний диаметр сердечника).
Максимальное число витков в 1-м слое без учета неплотности намотки составит:
W
сл1
max
=
l
сл1
/
d
пр из
= 29,4/0,24=122 витка
Аналогично остальные слои.
Обмотка поместится в шести слоях.
Поверх обмотки наложим внешнюю изоляцию из лакоткани ЛШМС - 105-0,10 с 50%-ным перекрытием. Найдем диаметр отверстия:
d
отв
=
d
сл6
–
d
пр
из
- 4
D
из
= 6,16 - 0,24 - 4 • 0,1 = 5,52 мм.
Видим, что диаметр отверстия вполне достаточен для продевания через него провода с измеряемым током.
Важным условием функционирования трансформатора тока является обеспечение работы сердечника без захода в область насыщения. Чтобы определить, обеспечено ли выполнение данного условия, необходимо найти максимальную индукцию в сердечнике. Напомним, что данная формула справедлива для режима перемагничивания по симметричному циклу при прямоугольном входном воздействии с паузой на нуле. Ранее было принято q = 0,25. получаем:
Bmax
=
qUa
2
/ 2
wfS
= 0.25•8.2/2•610•400•10•10-5
=0.042 Тл
Основываясь на библиографических данных для феррита 1500НМЗ, можем заключить, что сердечник трансформатора тока далек от насыщения.
Представляет интерес определить, насколько верно предположение об идеальности трансформатора тока, принятое выше. Чтобы ответить на этот вопрос, необходимо найти намагничивающий ток трансформатора тока и сравнить его с измеряемым током i
1
.
Найдем максимальное значение напряженности в сердечнике, подставив в нее m = 1500:
Hmax
=
Bmax
/
m
o
m
=0.042/4
p
•1500•10-7
= 22,23
A
/м
При w
= 1
получим:
I
m
max
=
Hmax
•
I
ср
= 22,23•25,133•10-3
=0,56 А
Полученное значение немного больше Ia
1
, что, в принципе, можно считать довольно хорошим результатом.
3.1.2 Проектирование выпрямителя
В преобладающем большинстве конструкций используется двухполупериодный выпрямитель, диоды которого включены по мостовой схеме. Рассчитать выпрямитель - значит правильно выбрать выпрямительные диоды и конденсатор фильтра, а также определить необходимое переменное напряжение, снимаемое для выпрямления с вторичной обмотки трансформатора. Исходными данными для расчета выпрямителя служат: требуемое напряжение на нагрузке Uн
и потребляемый ею максимальный ток Iн
.
а) По току нагрузки определяем максимальный ток, текущий через каждый диод выпрямительного моста:
Iд
= 0,5СIн
Iд
= 0,5 • 2,4 • 0,1 = 0,12 А
где: Iд
- ток через диод, А; Iн
- максимальный ток нагрузки, А; С - коэффициент, зависящий от тока нагрузки.
б). Подсчитываем обратное напряжение, которое будет приложено к каждому диоду выпрямителя:
Uобр
= 1,5Uн
,
Uобр=
1,5
•8,2=12,3 В
где: Uобр
- обратное напряжение, В; Uн
- напряжение на нагрузке, В.
в) Выбираем диоды, у которых значения выпрямленного тока и допустимого обратного напряжения равны или превышают расчетные. Нам подходит диоды 2Д103А. Пригоден также выпрямительный блок КЦ417Б.
г) Определяем емкость конденсатора фильтра:
Сф
= 3200Iн
/ Uн
Kп
,
Сф
= 3200
•0,82 / 8,2 •0,05= 6,4 мкФ
,
где: Сф
- емкость конденсатора фильтра, мкФ; Iн
- максимальный ток нагрузки. мA; Uн
- напряжение на нагрузке, В; Kп
- коэффициент пульсации выпрямленного напряжения (отношение амплитудного значения переменной составляющей на выходе выпрямителя к среднему значению выпрямленного напряжения).
Конденсатор выбираем К52-9-100В-6,8мкФ.
3.1.3 Выбор ограничителя напряжения
При воздействии ЭМИ искусственного и естественного происхождения могут возникать необратимые и обратимые повреждения в аппаратуре, которые связаны главным образом с электрическими пробоями элементов, перегоранием цепей и контуров. Обратимые изменения (кратковременные отказы и сбои) связаны с появлением ложных сигналов в узлах и блоках, подавлением полезных сигналов, искажением информации.
Для защиты цепей аппаратуры и ее элементов от различного рода перегрузок по напряжению используют газоразрядные и полупроводниковые ограничители. К газоразрядным ограничителям относятся разрядники, к полупроводниковым — полупроводниковые ограничители напряжения, металлооксидные варисторы и полупроводниковые приборы общего применения.
По сравнению с другими классами ограничителей напряжения разрядники имеют весьма высокие напряжения, большое значение допустимого тока и малые межэлектродные емкости, что позволяет использовать их для защиты цепей аппаратуры от ЭМИ искусственного и естественного происхождения, когда энергия, выделяемая в ограничителе, достаточно велика. Но применение только одних разрядников из-за значительного времени их срабатывания не решает проблемы защиты многих полупроводниковых приборов и микросхем, поскольку для них недопустимы начальные выбросы напряжений, пропускаемые разрядником. Величина выброса напряжения у разрядников в значительной степени зависит от скорости нарастания фронта воздействующего импульса. При больших величина выброса напряжения может возрасти в 5..6 раз по сравнению со статическим напряжением возникновения разряда. Этот недостаток разрядников в меньшей степени проявляется у варисторов и совсем отсутствует у полупроводниковых ограничителей напряжения.
Полупроводниковые ограничители напряжения и варисторы выгодно отличаются от разрядников тем, что напряжение пробоя у них ниже напряжения ограничения (у разрядников оно значительно выше напряжения поддержания разряда), поэтому при применении, полупроводниковых ограничителей защищаемые ими цепи не шунтируются после прохождения импульса тока переходного процесса, как это имеет место у разрядников. Наличие низкого напряжения поддержания разряда у разрядников ограничивает их применение для защиты цепей постоянного тока, в которых напряжение источника выше напряжения поддержания разряда. Полупроводниковые ограничители и варисторы имеют диапазон напряжений 0,7.. .2000 В, что позволяет использовать их для защиты различных по назначению радиотехнических цепей, в состав которых входят чувствительные к переходным процессам полупроводниковые приборы и интегральные микросхемы.
Кроме специализированных ограничителей напряжения в качестве элементов защиты могут быть использованы: ПП общего применения: импульсные диоды, диоды с барьером Шотки, p-i-n диоды, импульсные стабилитроны, высоковольтные выпрямительные столбы, диоды с низкоомной базой, диоды на основе арсенида галлия и др. Полупроводниковые элементы защиты, а также варисторы и разрядники благодаря особенностям вольт - амперной характеристики (ВАХ) при отсутствии импульса напряжения практически не потребляют энергии в цепи, так как их сопротивление очень велико (0,1 ... 100 МОм) и, следовательно, практически не рассеивают дополнительной мощности. При возникновении импульса напряжения с амплитудой, превышающей пороговое значение для данного элемента защиты, его сопротивление резко уменьшается (0,01 ... 10 Ом). В результате импульсное напряжение на защищаемой цепи ограничивается до заданного уровня. При этом ток протекает в основном через элемент защиты, минуя нагрузку, и достигает в ряде случаев сотни ампер. Однако средняя рассеиваемая мощность, выделяемая в ограничителе, невелика, так как длительность импульсов напряжения, возникающих в цепях при действии ЭМИ искусственного и естественного происхождения, не превышает десятков микросекунд. Поэтому элементы защиты, обладая большой импульсной рассеиваемой мощностью, имеют малые габариты и массу. Кроме того, они имеют большое быстродействие, что важно для защиты цепей при высоких скоростях нарастания импульсов напряжения, свойственных ЭМИ искусственного происхождения.
Для обеспечения эффективной защиты цепей аппаратуры от электрических перегрузок по напряжению е помощью ограничителей напряжений параметры и характеристики последних должны удовлетворять следующим требованиям:
- технические характеристики и параметры ограничителей при отсутствии перегрузок по напряжению не должны влиять на характеристики функциональных блоков и устройств, в которых они используются;
- уровень напряжения во время действия импульса переходного процесса в точках подключения ограничителя должен быть как можно ближе к нормальному уровню напряжения, действующему до перегрузки;
- надежность ограничителя должна быть выше надежности блоков и устройств, которые нуждаются в защите;
- быстродействие ограничителей должно быть максимально возможным, чтобы обеспечить эффективную защиту при больших скоростях изменений напряжений переходных процессов;
- максимально допустимые токи ограничителей должны быть больше тока, создаваемого максимально возможным уровнем напряжения;
- диапазон рабочих напряжений ограничителей должен быть достаточно широким;
- динамическое сопротивление в проводящем состоянии должно быть минимально возможным;
- параметры и характеристики ограничителей должны соответствовать требованиям по устойчивости к воздействию механических, климатических и специальных факторов, предъявляемым к аппаратуре.
Проанализировав теоретический материал был выбран ограничитель напряжения 2С408А2.
Ограничитель напряжения кремниевый диффузионный средней мощности. Предназначен для защиты цепей аппаратуры постоянного и переменного токов от импульсных электрических перегрузок по напряжению. Выпускаются в металлостеклянном корпусе с гибкими выводами. Тип ограничителя указывается на корпусе. Корпус в рабочем режиме служит положительным электродом (анодом). Масса прибора не более 2,3 г.
Импульсное напряжение ограничения 8,5 В
Постоянный обратный ток 0,3мА.
Рекомендации по применению:
- Изгиб выводов допускается не ближе 3 мм от корпуса или расплющенной части трубки с радиусом закругления не менее 2 мм. Растягивающая выводы сила не должна превышать 19,6 Н.
- Минимальное расстояние места пайки выводов от корпуса или расплющенной части трубки 3 мм. Температура корпуса при пайке не должна превышать + 125° С.
- Допускается последовательное соединение любого числа диодов.
- Допускается параллельное включение диодов при условии, что разница их напряжений пробоя не превышает 20 мВ.
3.2 Принцип работы устройства.
Устройство работает следующим образом:
При протекания тока через первичные обмотки трансформаторов на вторичных обмотках индуктируются переменные напряжения, которые выпрямляются двухполупериодной мостовой схемой на диодных мостах Д7, Д8, Д9.
Выпрямленные напряжения фильтруются конденсаторами С1 – С3.
Далее идет схема диодного суммировании, работающая следующим образом: при протекании токов в фазах защищаемой линии к резисторам R
1,
R
2,
R
3
приложено выпрямленное напряжение. Все три выпрямителя соединяются в звезду объединением выводов одинаковой полярности. Напряжение U
1,
U
2,
U
3
на резисторах R
1,
R
2,
R
3
оказывается одинаковым и разность между ними равна нулю.
В случае обрыва фазы А
, напряжение U
1
окажется равным нулю. При этом «минусы» двух оставшихся напряжений (
U
2,
U
3)
через резистор R
1
, диоды Д10, Д15
резисторы R
4,
R
5
окажутся приложенными к базе транзистора Т1. При обрыве другой любой фазы работы схемы аналогична.
При обрыве фаз, например А
и В
, напряжения U
1,
U
2
равны нулю, «минус» напряжения U
3
через резисторы R
1,
R
2
, диоды Д10, Д12, Д15
и резисторы R
4,
R
5
прикладываются к базе транзистора Т1.
В исходном состоянии (наличие или отсутствие тока во всех трех фазах контролируемой сети) транзистор Т1
открыт за счет положительного смещения по цепи R
5,
R
6
. Вход транзистора Т2
шунтируется открытым транзистором Т1.
Транзистор Т2
находится в закрытом состоянии. Цепь базового тока транзистора Т3
разорвана, транзистор Т3
закрыт. Аналогично закрыт транзистор Т4
. Обмотка реле Р1
обесточена. Через нормально замкнутые контакты 3-4 реле Р2
подается напряжение питания на обмотку внешнего контактора, через контакты которого осуществляется подключение трехфазной нагрузки к генератору.
Как указано выше, при обрыве одной или двух фаз контролируемой линии к базе транзистора Т1
подается отрицательное напряжение, которое запирает транзистор Т1
. При закрытом транзисторе Т1
происходит заряд конденсатора С4
. Когда напряжение на конденсаторах суммарной величины трех напряжений (напряжение стабилизации стабилитрона Д19
, напряжение перехода база – эмиттер транзистора Т2
и напряжение перехода Д18
) транзистор Т2
открывается, следовательно, откроются транзисторы Т3
и Т4
, сработает реле Р1
. Нормально разомкнутые контакты 2-3 реле Р1
замкнутся, что вызовет срабатывание реле Р2,
которое заблокирует своими нормально разомкнутыми контактам 3-5. Цепь питания внешнего контактора разорвется, нагрузка отключится от генератора. После отключения нагрузки от генератора вся схема, кроме реле Р2
вернется в исходное состояние.
Внешний контактор будет находится в обесточенном состоянии (нагрузка отключена от генератора) до кратковременного снятия напряжения питания в цепи управления.
На диоде Д15
и резисторах R
4,
R
5
осуществляется падение напряжения, этим исключается открывание транзистора Т1.
Диод Д16
создает путь токам диодного сумматора и не допускает на базе транзистора Т1
отрицательного напряжения более (0,8-1,0)В.
Резистором R
9
и стабилитроном Д17
осуществляется дополнительная стабилизация напряжения для цепи, задающей время срабатывания устройства.
Диод Д20
и резистор R
16
, диод Д21
и резистор R
17
создают запирающее смещение соответственно транзисторов Т3, Т4.
Диод Д23
предохраняет транзистор Т4
от бросков обратного напряжения в момент закрывания транзистора Т4.
Диод Д22
предохраняет схему автомата при включения напряжения питания обратной полярности.
Диоды ограничительные Д1, Д2, Д3, Д4, Д5, Д6
предохраняют элементы схемы от перегрузок по току и напряжению при токах короткого замыкания в контролируемой линии. Диод Д26
предохраняет схему автомата от воздействия импульсов обратного напряжения по цепи питания.
3.3 Выбор элементной базы
3.3.1 Токовые трансформаторы
Е1, Е2, Е3 -
Токовые трансформаторы.
Датчики состоят из сердечника, изолированного двумя слоями лакоткани. Датчики покрыты эмалью ЭЛ-274.
3.3.2 Диоды
Д1, Д2, Д3, Д4, Д5, Д6
-
2С408А2.
Диоды ограничительные кремниевые, диффузионные, несимметричные, средней мощности. Предназначены для одностороннего ограничения импульсов напряжения.
Напряжение пробоя U
пр=6В
при обратном токе I
обр
=1мА.
Импульсное напряжение ограничения не более 10В
.
Д7, Д8, Д9 -
КЦ417В.
Напряжения выпрямляются двухполупериодной мостовой схемой, на диодных мостах. В качестве мостов были взяты блоки КЦ417В
состоящие из кремниевых диффузионных диодов, соединенных по мостовой схеме выпускаются в пластмассовом корпусе с гибкими выводами.
Импульсное обратное напряжение U
обр
=200В.
Средний выпрямленный ток I
=1А.
Частота без снижения электрических режимов 5 кГц.
Температура окружающей среды от - 60…+ 110 С.
Д10 – Д16, Д18, Д20 – Д22
-
2Д103А.
Диоды кремниевые, диффузионные. Выпускаются в пластмассовом корпусе с гибкими выводами.
Постоянное прямое напряжение U
пр
=1,2В
при I
пр
=50мА
Постоянное обратное напряжение U
обр
=75В
Температура окружающей среды от - 60…+ 125 С
Постоянный средний прямой ток
I
пр
=100мА
Д23, Д26
– 2Д120А
. Диоды кремниевые, диффузионные.
Постоянное прямое напряжение при токе I
пр
=300мА
не более 1В.
Постоянный обратный ток при U
обр
=100В
не более 10мкА
Д19
- 2С156А
Стабилитрон кремниевый, сплавной малой мощности. Стабилитрон предназначен для стабилизации номинального напряжения U= 3,3…6,8В в диапазоне токов стабилизации 3…81мА.
Д24, Д25
- Д818Г
. Стабилитроны кремниевые, диффузионно-сплавные, малой мощности, прецизионные. Предназначены для стабилизации номинального напряжения 9В
в диапазоне токов стабилизации 3…33мА
с высокими требованиями к стабилизации напряжения в диапазоне температур -60…+125 С.
Напряжение стабилизации U
ст
=8,55…9,45В
при I
ст
=10мА
Д17
– 2С516Б
Стабилитрон.
3.3.3 Резисторы
R
1..
R
24
-
С2-33Н.
Резисторы постоянные непроволочные всеклиматического изолированного варианта исполнения, предназначены для работы в электрических цепях постоянного, переменного токов и в импульсном режиме, для ручной и автоматизированной сборки аппаратуры.
Гарантированная стабильность в течении 1000 ч.
Диапазон рабочих температур от минус 60 до + 155 °С.
Минимальная наработка 25 000 ч.
3.3.4 Конденсаторы
C
1,
C
2,
C
3 -
К52-9-100В-6,8мкФ.
Электролитические танталовые объемно – пористые. Конденсаторы предназначены для работы в цепях постоянного, и пульсирующего тока в импульсном режиме.
С4 -
К53-66.
Танталовый оксидно-полупроводниковый полярный конденсатор в герметичном цилиндрическом стальном корпусе.
Благодаря применению высоко емких танталовых порошков новый конденсатор имеет лучшие, по сравнению с отечественными аналогами, параметры удельной емкости.
Применение новых конденсаторов позволит увеличить плотность монтажа компонентов на поверхность платы с одновременным уменьшением трудоемкости и повышением качества монтажа, повысить безотказность и долговечность работы устройства, снизить себестоимость конечной продукции.
С5
- КМ-4б-М47.
Стеклокерамический конденсатор предназначен для работы в цепях постоянного переменного пульсирующего и импульсного тока.
3.3.5 Транзисторы
Т1, Т2
- 2Т312Б
кремниевые эпитаксиально - планарные n-p-n универсальные высокочастотные маломощные. Предназначены для применения в переключательных, усилительных и генераторных схемах радиоэлектронной аппаратуры. Напряжение насыщения коллектор – эмиттер U
=0,7В
при I
к
=20мА,
I
б
=2мА.
Т3
- 2Т208Л
кремниевые планарно - эпитаксиальные, маломощные. Напряжение насыщения коллектор – эмиттер U
=0,3В
при I
к
=300мА,
I
б
=60мА.
Т4, Т5
- 2Т630А
кремниевые планарные n-p-n усилительные высокочастотные, Предназначен для импульсных и усилительных схем. Напряжение насыщения коллектор – эмиттер U
=0,3В
при I
к
=150мА,
I
б
=15мА.
3.3.6 Реле
Р1 -
РЭС49
Устройства предназначены для замыкания и размыкания электрических цепей в устройствах автоматики, телемеханики, сигнализации, контроля и защиты, в системах связи и передачи информации. РЭС49
может коммутировать цепи только постоянного тока. Минимальное время срабатывания составляет 3мс.
Рабочее напряжение U
=27(-5+9)В
Время срабатывания 3мс.,
время отпускания 2мс.
Ток срабатывания I
ср
=8мА
, ток отпускания I
отп
=1,6мА
Р2
- РЭС34
может коммутировать цепи постоянного и переменного тока частотой 50…1100Гц.
Рабочее напряжение U
=27(-3+3)В
Время срабатывания 21мс., время отпускания 3мс.
Ток срабатывания I
ср
=6,3мА
, ток отпускания I
отп
=1,0мА
4 Конструкторское проектирование
4.1 Обоснование выбора применяемых материалов
Конструкция устройства выполняется на печатной плате из фольгированного стеклотекстолита СТФТ-2-35-1,5. Выбор стеклотекстолита обусловлен тем, что стеклотекстолит имеет ряд преимуществ по сравнению с гетинаксом.
Стеклотекстолит имеет высокую механическую прочность, высокую нагревостойкость (до 180 °С), высокое удельное объемное сопротивление (5∙1012
Ом/см), малый тангенс угла диэлектрических потерь (0,03), прочность сцепления фольги с основанием (10 Н/см2
).
Гетинакс имеет удельное, объемное сопротивление (1∙109
Ом/см), тангенс угла диэлектрических потерь (0,07), прочность сцепления фольги с основанием (19 Н/см2
). Гетинакс уступает стеклотекстолиту, как по электрическим, так и по физико-механическим свойствам.
Пайка будет осуществлться припоем ПОС-61 ГОСТ 21931-76. Выбор данного припоя, несмотря на его высокую стоимость, оправдывается тем, что у него более низкая температура плавления по сравнению с другими припоями (припой ПОС-61 обладает температурой плавления 185°С), малое время кристаллизации, что позволяет применять этот припой в автоматизированных линиях пайки, что увеличивает скорость пайки и ее качество.
Размеры печатной платы выбирают такими, чтобы при раскрое платы из стандартного стеклотекстолита получался наименьший расход. В качестве элементов схем используют электрорадиоэлементы (ЭРЭ), предназначенные для радиоэлектронной аппаратуры широкого применения.
Флюс ФКСП ТУ 102.911 канифольно-спиртовой. Он обладает максимальной активностью, при температуре плюс 170°С. Остатки флюса легко удаляются спиртом. Для ремонтных работ используется канифоль сосновая ГОСТ 19113-73. Остатки канифоли легко удаляются спиртом.
Для снятия остатков флюса и канифоли применяется этиловый спирт ТУ577227-64, не ухудшает изоляционных свойств платы.
В качестве материала для корпуса будем использовать прессматериал АГ-4В ГОСТ 20437-75. Предназначен для изготовления прямым, литьевым прессованием, а также намоткой с последующим отверждением деталей конструкционного и электротехнического назначения повышенной прочности, пригодных для работы в интервале температур от минус 196 до плюс 200 градусов С и в условиях тропического климата.
4.2 Расчёт геометрических размеров печатной платы
Таблица 4.2
| Элементы
|
Кол-во
|
Длинна, мм
|
Ширина, мм
|
Диаметр, мм
|
Площадь, мм2
|
Масса, г
|
| Диоды и сборки
|
Д1.. Д
6
|
6
|
8,8
|
|
6
|
317
|
12
|
| Д1
0.. Д
16, Д27
|
8
|
3
|
|
2
|
48
|
2
|
| Д7, Д8, Д9
|
3
|
20
|
12,5
|
|
750
|
10,5
|
| Д27
|
1
|
3
|
|
2
|
6
|
0,1
|
| Д18, Д20, Д22
|
3
|
3
|
|
2
|
18
|
0,3
|
| Д19
|
1
|
15
|
|
5
|
75
|
0,3
|
| Д23,
Д26
|
2
|
6
|
|
3
|
36
|
0,5
|
| Д24,
Д25
|
2
|
15
|
|
7
|
210
|
2
|
| Конденсаторы
|
C1..
C3
|
3
|
18
|
|
4,8
|
260
|
10,5
|
| С4
|
1
|
12
|
|
7
|
84
|
4,5
|
| С5
|
1
|
6,5
|
5,5
|
|
36
|
1
|
| Резисторы
|
R1.. R17
|
17
|
6,0
|
|
2,2
|
225
|
2,55
|
| R18
|
1
|
3,0
|
|
7,0
|
21
|
0,25
|
| Реле
|
Р1
|
1
|
10,4
|
|
5,3
|
56
|
3,5
|
| Р2
|
1
|
18
|
|
12,5
|
225
|
11,5
|
| Транзисторы
|
T1,
T2
|
2
|
|
|
7,3
|
43
|
2
|
| T3
|
1
|
|
|
6
|
29
|
1
|
| T4,
T5
|
2
|
|
|
9,5
|
73
|
2
|
| Всего
|
|
|
|
|
|
2510
|
66,5
|
Элементы конструкции размещены на печатной плате из фольгированного стеклотекстолита СТФТ-2-35-1,5. Монтаж на печатных платах осуществляется согласно СПТИ.465677.001СБ.
Определяется минимальная ширина, мм
, печатного проводника по постоянному току для цепей питания и заземления:
, (4.2.1)
где I
max
– максимальный постоянный ток в проводниках,
j
доп
– допустимая плотность тока, выбирается в зависимости от метода изготовления ( j
доп
= 20 А
/мм
²) [17],
t
– толщина проводника (t
=
0,035 мм
).
мм
.
Вычисляем минимальную ширину проводника исходя из допустимого падения напряжения на нём:
, (4.2.2)
где – удельное объёмное сопротивление: Ом·мм²/м, l
–длина проводника, м, –допустимое падение напряжения, не превышающее 5% от питающего напряжения.
мм
.
Рассчитываем номинальный эффективный диаметр монтажных отверстий:
, (4.2.3)
где – максимальный диаметр вывода устанавливаемого ЭРЭ; – нижнее предельное отклонение от номинального диаметра монтажного отверстия, мм
; – разница между минимальным диаметром отверстия и максимальным диаметром вывода ЭРЭ, её выбирают в пределах 0,1…0,4 мм
( мм
).
Диаметры выводов устанавливаемых ЭРЭ: d
э
=
0,6 мм
, d
э
=
1 мм.
Нижние предельные отклонения: мм
. [17].
Диаметры монтажных отверстий:


Определяем номинальный эффективный диаметр контактных площадок:
, (4.1.4)
где b
– величина гарантийного пояска, мм; – верхнее предельное отклонение диаметра контактной площадки, мм; – значение подтравливания диэлектрика в отверстии ( мм
); – значение позиционного допуска расположения осей отверстий в диаметральном выражении ( мм
); – значение позиционного допуска расположения контактных площадок в диаметральном выражении ( мм
); – предельное отклонение диаметра контактной площадки ( мм
).
Номинальные диаметры контактных площадок:


Определение минимального расстояния между центрами двух контактных площадок для возможности прокладки n проводников по 3-му классу точности:
, (4.1.5)
где – диаметры контактных площадок, t
– ширина печатных проводников, n
– число проводников, S
– расстояние между печатными проводниками, - технологический допуск, = 0,05 мм
.
При n
= 1, для случая D
1
= D
2
= 1,7 мм
.

При n
= 2, l
min
= 3 мм
.
Согласно произведенным расчетам параметров печатного монтажа выбирается комбинированный метод изготовления и 3 класс точности ПП (ГОСТ 23751-86), который предусматривает следующие ограничения: минимальное значение номинальной ширины проводника – 0,25 мм, номинальное расстояние между проводниками – 0,25 мм.
Расчет объема и массы блока.
Масса платы определяется суммой масс элементов входящих в ее состав:
· плата печатная;
· радиоэлементы;
· припой;
· лак.
Объём платы печатной V
ппс
= A
× B
× h
= (140 × 55 × 2)ּ10-3
= 15,4 см3
.
Плотность стеклотекстолита .
Масса платы печатной:
M
ппс
=V
пос.
∙
ρст
=15,4∙
1,6=25 г.
Рассчитываем площадь печатной платы по формуле:
S
П.П.
=
S
Х
Q
где Q – коэффициент заполнения печатной платы, (Q=4)
тогда:
S
П.П.
=2510 Х 4= 10040 мм2
Размеры платы ограничены S
П.П
=140 Х
55=7700 мм2
Рассчитываем массу печатной платы с элементами
Мпп
=Мэл-ов
+Мплаты
+Мпайки
+Мвинтов
=66,5+0,0019 Х 7700+5+24=110 г.
Рассчитываем массу всей конструкции:
M
ус-ва
=Мкорпуса
+2 Х Мкрышки
+Мпп
+3 Х Мтрансформатора
+9 Х Мвыводных винтов
=100+2х50+110+3х25+9х15=520 г.
4.3 Расчёт на механические воздействия.
Целью расчёта является определение действующих на элементы изделия перегрузок при действии вибрации и ударов. При необходимости производится выбор и расчёт системы амортизации.
Расчёт частоты собственных колебаний печатной платы с закрепленными на ней элементами
Определим цилиндрическую жесткость D
, Н/м:
, (4.2.1)
где E
– модуль упругости ( Н/м);
h
– толщина платы ( 2 мм);
V
– коэффициент Пуассона ( ).
Н/м.
Определение частоты собственных колебаний для равномерно нагруженной платы:
, (4.2.2)
где a
– длина платы (a
= 0,06 м);
b
– ширина платы (b
= 0,05 м);
M
– масса платы с элементами ( кг);
Гц.
Определим максимальный относительный коэффициент перемещения:
(4.2.3)
где Ну
– ударное усилие импульса, Ну
= 25 м/с2
;
; (4.2.4)
τ
– длительность ударного импульса τ = 7мс.
,
.
Проверяем выполнение условия ударопрочности по следующему критерию:

где b
– размер стороны печатной платы, параллельно которой установлены ЭРЭ (b = 50 мм
).

Неравенство указывает на высокую ударопрочность изделия.
Согласно приведенным расчетам устройство может эксплуатироваться при частоте вынужденных колебаний до 3000 Гц, остается запас 75 Гц для обеспечения устойчивости системы. Что говорит о возможности транспортировки наземным транспортом.
4.4 Тепловой расчет РЭС
а) Рассчитаем поверхность корпуса блока [19]
Условная длина 50 мм (L
1
), условная ширина 50 мм (L
2
), условная высота 20 мм (L
3
).
Sk
=2∙
(L
1
L
2
+
(L
1
+
L
2
) ∙
L
3
) (4.3.1)
Sk
=2∙
(0,05∙
0,05+(0,05 + 0,05) ∙
0,02) = 0,009 м2
б) Определим условную поверхность нагретой зоны, она определяется по формуле:
SS
=2∙
(L
1
L
2
+(L
1
+
L
2
) ∙
L
3
∙
K
3
), (4.3.2)
SS
=2∙
(0,05∙
0,05+(0,05 + 0,05) ∙
0,02∙
0,022) = 0,0052 м2
K
3
– коэффициент Пуассона.

в) Удельная мощность блока

По графику зависимости температуры блока от удельной мощности [19] определяем абсолютную температуру нагрева внутри блока: 24ºС. Такая температура вполне допустима.
По данным расчета выбираем площадь печатной платы не менее 7700 мм2
и выбираем печатную плату размерами 140х
55 мм, так как необходимо учитывать площадь под крепеж печатной платы к корпусу.
Конструкция «УЗ», собрана на печатной плате с печатным монтажом. Этот монтаж характеризуется жесткостью, обеспечивает доступ к ЭРЭ. Печатный монтаж можно производить механизировано и автоматизировано. Он дает возможность применения механизации при подготовке ЭРЭ к монтажу. Сначала устанавливаются на печатную плату резисторы, затем конденсаторы, диоды и в последнюю очередь транзисторы.
Печатная плата выполнена из фольгированного стеклотекстолита толщиной 1,5мм. Стеклотекстолит обладает повышенной влагостойкостью и лучшими электрическими параметрами по сравнению с гетинаксом. Пайка осуществляется припоем ПОС-61 ГОСТ 21031-76. выбор данного припоя, несмотря на его высокую стоимость, оправдывается тем, что у него низкая температура плавления по сравнению с другими припоями, малое время кристаллизации, что позволяет применять этот припой в автоматизированных линиях пайки, что увеличивает скорость пайки и ее качество. Для облегчения пайки используем спиртово-канифольный флюс марки ФКС ОСТ 4.033.200. он хорош тем, что не содержит токсичных компонентов и в небольших концентрациях в воздухе безвреден для здоровья человека. Кроме того, в своем составе флюс не содержит кислот, полионелитов, поэтому не разрушает место пайки, а так же способствует качественной промывке. Для промывки платы используем спирт марки А.
4.5
Расчет количественных характеристик надежности схемы
Надежность – это свойство изделия выполнять заданные функции в определенных условиях эксплуатации при сохранении значений основных параметров в заранее установленных пределах. Надежность – физическое свойство изделия, которое зависит от количества и качества, входящих в его состав элементов, от условий в которых оно эксплуатируется (чем выше температура окружающей среды, чем больше относительная влажность воздуха, перегрузки при вибрациях и т. д., тем меньше надежность), и от ряда других причин.
Расчет надежности позволяет определить вероятность безотказной работы за определенное время наработки на отказ, то есть позволяет планировать возможность отказа «УЗ».
Произведем расчет надежности разработанной схемы «УЗ». При ориентировочных оценках надежности для каждого типа элементов определяется интенсивность отказов в номинальном режиме λjн
. Особенности эксплуатации «УЗ» учитываются с помощью поправочных коэффициентов kλ
.
Физически он характеризует тот факт, что при эксплуатации изделия в реальных условиях (определяемых его назначением) отказов в ней может быть в десятки и сотни раз больше, чем при ее работе в лабораторных условиях. В этой формуле kλ1
учитывает суммарное воздействие вибраций ударных нагрузок, kλ
2
учитывает воздействия температуры влажности, kλ3
учитывает влияние атмосферного давления,
k
н
– коэффициент нагрузки.
Чтобы оценить основные показатели изделия с учетом режимов работы его элементов, для каждого типа элемента и соответствующего ему режима выпишем значения поправочных коэффициентов α
j
[27]. Необходимо вычислить произведение λj
αj
n
i
, где
n
i
– количество элементов определенного типа.
Необходимыми данными для расчета являются:
=1,5 (Авиационное устройство)
= 1,0 (по влажности 60%-70%, по температуре 20-40 С)
= 1,0 (по высоте, 0-3 км)
– коэффициент нагрузки: для активных элементов 0,7
для пассивных элементов 0,4.
коэффициент нагрузки kн
указан в таблице.
Тогда kλ
=1,5.
Для удобства расчета и наглядности все вычисления были сведены в таблицу (таблица 4.4.1)
Таблица 4.4.1
| Наименование
|
Кол-во элементов ni
|
Ин-ть отказа λjн 10-6
ч-1
|
Ин-ть отказа λj 10-6
ч-1
|
ni*λj
|
Коэффициент нагрузки Кн
|
Поправочный коэффициент αj
|
λj*αj*ni 10-6
ч-1
|
| 1 Диод
|
19
|
0,7
|
0,73
|
14
|
0,7
|
0,92
|
12,9
|
| 2 Диодная сборка
|
3
|
1,7
|
1,8
|
5,3
|
0,7
|
0,98
|
5,2
|
| 3 Резистор
|
18
|
0,4
|
0,24
|
1,2
|
0,4
|
0,75
|
0,9
|
| 4 Конденсатор
|
5
|
1,2
|
0,72
|
3,6
|
0,4
|
0,94
|
3,4
|
| 5 Реле
|
2
|
0,25
|
0,15
|
0,3
|
0,4
|
0,95
|
0,28
|
| 6 Стабилитрон
|
4
|
0,6
|
0,63
|
2,52
|
0,7
|
0,92
|
2,3
|
| 7 Транзистор
|
5
|
0,7
|
0,7
|
3,6
|
0,7
|
0,55
|
2
|
| 8 Катушка
|
3
|
0,5
|
0,3
|
0,9
|
0,4
|
0,98
|
0,88
|
| 9 Пайка
|
178
|
0,01
|
0,01
|
1,78
|
0,4
|
0,2
|
0,36
|
| 10 Плата
|
1
|
0,7
|
0,42
|
0,42
|
0,4
|
0,2
|
0,1
|
| 11 Провода соединительные
|
10
|
0,015
|
0,01
|
0,1
|
0,4
|
0,2
|
0,02
|
| Итого:
|
28,34
|
На основании полученных данных строим график безотказной работы «УЗ» по формуле (4.4.1):
(4.4.1)

Рисунок 4.4.1 – Изменение вероятности безотказной
работы с течением времени.
По имеющимся данным определим следующие характеристики надежности:
1. Приемлемый уровень вероятности безотказной работы Pa
= 0,98 соответствует Тa
= 700 ч;
2. Браковочный уровень вероятности безотказной работы определяется на уровне Тb
= 6000 ч и должен быть не менее Pβ
> 0,9. Полученное значение на уровне Тb
=6000 ч составляет Pβ
= 0,92.
Рассчитаем вероятность безотказной работы изделия в течение гарантийной наработки 10000 часов. Для нерезервированных систем по формуле:
,
где l - интенсивность отказов системы.
, (4.4.2)
где – число элементов.
 1/ч
Рассчитаем вероятность безотказной работы в течение заданной наработки.
(4.4.3)
где ч. - заданная наработка.

Находим среднее время наработки на отказ:

(4.4.4)
ч.
Таким образом, получаем расчётные значения: среднее время наработки на отказ – 35285,82ч ≈ 4 года; вероятность безотказной работы системы – 0,75 в течение заданной наработки.
5 Технологическое проектирование
5.1 Выбор основного направления техпроцесса
Технологический процесс делится на операции, как по трудоемкости, так и по технологической завершенности. За одним рабочим местом могут закрепляться до десяти операций, работы выполняют рабочие средней и высокой квалификации III - V разрядов.
Выбор варианта схемы техпроцесса включает в себя выбор видов работ, их обоснование, методы их выполнения (они должны быть более рациональными), их последовательность, обоснование методов контроля. Выбранный техпроцесс изображают в виде структурной схемы, в которой отображают содержание операций и их последовательность.
Для производства цифрового измерителя индуктивности и емкости предполагается использовать типовые технологические процессы, разработанные и используемые на ОАО "СЭГЗ", для сборки и монтажа:
1) ТПП 321 основные требования к сборке;
2) ТПП 326-2 зачистка, формовка и лужение выводов радиоэлементов (лужение производится припоем ПОС-61);
3) ТПП 331 общие требования подготовки рабочего места к сборке и монтажу;
4) ТПП 366 монтаж печатной платы;
5) ТПП 371 общие требования к монтажу и технический контроль монтажа;
6) ТПП 376 монтаж микросхем на печатную плату;
7) ТПП 722 общие требования и контроль механической сборки узлов и блоков;
8) ТПП 736 общие требования по защите от статического электричества при работе над интегральными микросхемами и полупроводниковыми приборами;
9) операция контроля производится по инструкции проверки устройства.
5.1 Техпроцесс создания УЗ проходит в следующей последовательности:
1. ТП изготовления печатной платы
1.1. Заготовка материала (стеклотекстолит), обработка контура;
1.2. Формирование защитного рельефа;
1.3. Травление меди;
1.4. Удаление защитного рельефа;
1.5. Сверление отверстий;
1.6. Лужение рисунка платы;
1.7. Промывка платы;
1.8. Сушка платы;
1.9. Визуальный контроль качества.
2. ТП сборки платы
2.1 Входной контроль параметров ЭРЭ;
2.2 Формовка и подготовка выводов навесных ЭРЭ и М/С;
2.3 Установка ЭРЭ и М/С;
2.4 Пайка элементов;
2.5 Контроль контактных соединений;
2.6 Промывка;
2.7 Сушка;
2.8 Лакирование и сушка;
2.9 Контроль и диагностика.
3. ТП изготовления корпуса
3.1 Подготовка материала;
3.2 Литьё (крышки и основания)
3.3 Зачистка;
3.4 Контроль;
4. ТП сборки изделия
4.1 Подготовка к сборке;
4.2 Крепление платы на основание;
4.3 Крепление крышки к основанию;
4.4 Контроль сборки.
Таблица 5.1.1 - Техпроцесс изготовления платы печатной
| № опер.
|
Наименование и содержание операции.
|
Средства технического оснащения
|
Топ
на ед.
(мин)
|
Топ
на изд.
(мин)
|
| 1
|
Заготовка материала
|
Гильотинные ножницы
|
2
|
2
|
| 2
|
Формирование защитного рельефа
|
Печь сушильная, установка нанесения фоторезиса, стол рабочий, шкаф вытяжной, линия для проявления фоторезиса
|
8
|
8
|
| 3
|
Травление меди
|
Установка травления меди
|
13
|
13
|
| 4
|
Удаление защитного рельефа
|
Установка для удаления защитного рельефа
|
5
|
5
|
| 5
|
Разметка, сверление монтажных и крепёжных отверстий
|
Чертёжный инструмент, сверлильный станок, сверла.
|
10
|
10
|
| 6
|
Лужение рисунка платы
|
Защитная паяльная маска, установка пайки волной
|
1
|
1
|
| 7
|
Промывка и сушка платы
|
Сушильный шкаф, ванночка, перчатки.
|
7.5
|
7.5
|
| 8
|
Контроль
|
Стол, приспособление для визуального контроля
|
5
|
5
|
| Итог
|
|
|
51.5
|
51.5
|
Таблица 5.1.2 - Техпроцесс сборки платы печатной
| № опер.
|
Наименование и содержание операции
|
Средства технического оснащения
|
Топ
на ед.
(мин)
|
Топ
на изд.
(мин)
|
Исполнитель
|
| 1
|
Входной контроль ЭРЭ
|
Комплекс измерительных приборов
|
|
15
|
Контроллер
|
| 2
|
Подготовка ЭРЭ и проводов к монтажу, формовка и лужение выводов ЭРЭ.
|
Устройство зачистки выводов, пинцет прямой, плоскогубцы, кусачки боковые, установка для лужения выводов.
|
|
|
Монтажник
|
| |
Диоды (22 шт)
|
|
0.25
|
1.0
|
|
| |
Резисторы (18шт)
|
|
0.25
|
2.0
|
|
| |
Конденсаторы (5шт)
|
|
0.25
|
2.5
|
|
| |
Реле (2шт)
|
|
1.0
|
4.0
|
|
| |
Диодная сборка (3шт)
|
|
0.3
|
0.3
|
|
| |
Транзисторы (5шт)
|
|
0.3
|
0.6
|
|
| 3
|
Установка ЭРЭ, их закрепление подгибом выводов.
|
Пинцет прямой, устройство визуального контроля
|
|
|
Монтажник
|
| |
Диоды (22 шт)
|
|
0.125
|
0.5
|
|
| |
Резисторы (18шт)
|
|
0.125
|
1.0
|
|
| |
Конденсаторы (5шт)
|
|
0.125
|
1.25
|
|
| |
Реле (2шт)
|
|
0.5
|
2.0
|
|
| |
Диодная сборка (3шт)
|
|
0.2
|
0.2
|
|
| |
Транзисторы (5шт)
|
|
0.2
|
0.4
|
|
| 4
|
Пайка элементов волной
|
Установка для пайки волной
|
2.0
|
2.0
|
Монтажник
|
| 5
|
Контроль контактных соединений
|
Устройство визуального контроля
|
3.0
|
3.0
|
Монтажник
|
| 6
|
Промывка и сушка
|
Кисть, ванночка, шкаф вытяжной, подставка для плат
|
5.0
|
5.0
|
Лакировщик
|
| 7
|
Лакирование и сушка
|
Кисть филеночная, шкаф вытяжной.
|
20.0
|
20.0
|
Лакировщик
|
| 8
|
Контроль
|
Приспособление для визуального контроля, стол.
|
5.0
|
5.0
|
Контролёр
|
| Итог:
|
|
|
|
40.6
|
|
| |
|
|
|
|
|
Таблица 5.1.3 - Техпроцесс изготовления корпуса
| № опер.
|
Наименование и содержание операции
|
Средства технического оснащения
|
Топ
на ед.
(мин)
|
Топ
на изд.
(мин)
|
Исполнитель
|
| 1
|
Подготовка сырья и литьевой машины
|
Стол, литьевая форма
|
1.5
|
1.5
|
Литейщик
|
| 2
|
Загрузка сырья
|
Воронка, весы, литьевая машина
|
1.0
|
1.0
|
Литейщик
|
| 3
|
Подготовка расплава
|
Литьевая машина
|
3.5
|
3.5
|
Литейщик
|
| 4
|
Смыкание форм
|
Литьевая машина
|
0.5
|
0.5
|
Литейщик
|
| 5
|
Заполнение форм расплавом
|
Литьевая форма, литьевая машина
|
2.5
|
2.5
|
Литейщик
|
| 6
|
Выдержка под давлением в формах
|
Литьевая форма, литьевая машина
|
1.2
|
1.2
|
Литейщик
|
| 7
|
Выдержка без давления в формах
|
Литьевая машина
|
0.5
|
0.5
|
Литейщик
|
| 8
|
Извлечение изделий
|
Перчатки, пинцет
|
2.0
|
2.0
|
Литейщик
|
| 9
|
Убирание литников
|
Напильник, шлифовальный круг
|
2.3
|
2.3
|
Монтажник
|
| 10
|
Сушка
|
Сушильный шкаф
|
5.0
|
5.0
|
Лакировщик
|
| 11
|
Контроль
|
Приспособление для визуального контроля
|
1.0
|
1.0
|
Контролёр
|
| Итог:
|
|
|
|
20.0
|
|
Таблица 5.1.4 - Техпроцесс сборки изделия
| № опер.
|
Наименование и содержание операции
|
Средства технического оснащения
|
Топ
на изд.
(мин)
|
Исполнитель
|
| 1
|
Подготовка к сборке
|
Приспособление для визуального контроля, стол.
|
1.0
|
Монтажник
|
| 2
|
Установка платы на основание
|
Пинцет прямой, отвертка
|
0.25
|
Монтажник
|
| 3
|
Установка разъёмов в крышку корпуса
|
Отвертка
|
0.25
|
Монтажник
|
| 4
|
Соединение крышки с корпусом
|
Отвертка
|
0.5
|
Монтажник
|
| 5
|
Контроль сборки
|
Приспособление для визуального контроля
|
1.0
|
Контролёр
|
| Итог:
|
|
|
3.0
|
|
5.2 Расчет надежности техпроцесса
Надежность выпускаемой предприятием продукции зависит от средств, методов и систем контроля изделий на нем. Сам по себе контроль не создает качество и надежность, однако он регулирует, управляет ими. Надежность контроля оценивают количеством пропущенных бракованных изделий, зависящих от количества операций, которые должен проверить контролер. Стремятся ввести контроль после каждой операции, но при этом возникают большие экономические трудности, т.к. необходимы затраты на большое количество контролеров.
Для количественной оценки производственно-технологической надежности определим вероятность выпуска качественной продукции, обеспеченной соответствующими производственными и технологическими средствами [20]:
Рпт
(t
) = P
эл
(t
) ∙ P
к
(t
) ∙ P
т
(t
), (5.2.1)
где P
эл
(t
) – вероятность безотказной работы элементов, входящих в изделие, P
эл
(t
) = 0,95;
P
к
(t
) – вероятность отсутствия пропуска бракованных изделий при существующей системе контроля продукции, P
к
(t
) = 0,98;
P
т
(t
) – вероятность выпуска качественной продукции при осуществлении принятых для данного изделия техпроцессов, P
т
(t
) = 0,98.
Рпт
(t
) = 0,95 ∙ 0,98 ∙ 0,98 = 0,91
Полученное значение вероятности указывает на высокую надежность технологического процесса, что позволяет использовать его при изготовлении пульта.
5.3 Расчет коэффициента технологичности
Основным показателем, используемым для оценки технологичности конструкции, является комплексный показатель технологичности. Расчет ведется согласно [15].
1. Определяем коэффициент автоматизации и механизации монтажа изделия:
(5.2.2)
где Нам
– число соединений, полученных автоматизированным способом, Нам
=168;
Нм
– общее число монтажных соединений, Нм
=200.

2. Определяем коэффициент применения печатного монтажа в изделии:
, (5.2.3)
где – количество контактных площадок в изделии, пайка которых осуществляется групповым методом, ;
– общее количество паяных соединений в изделии, .

3. Определяем коэффициент механизации подготовки ЭРЭ к монтажу:
, (5.2.4)
где – число ЭРЭ, подготовленных к монтажу механизированным способом, ;
– число ЭРЭ, .

4. Определяем коэффициент применения типовых процессов
, (5.2.5)
где HТП
– количество типовых технологических процессов.
HП
– общее количество технологических процессов.

5. Определяем коэффициент повторяемости ЭРЭ
(5.2.6)
где НТ.ЭРЭ
– число применяемых типоразмеров ЭРЭ, НТ.ЭРЭ
=18;

6. Коэффициент применяемости
(5.2.7)
где НТ.пр.ЭРЭ
– число типов примененных ЭРЭ, НТ.пр.ЭРЭ
=20;

Определяем комплексный показатель технологичности конструкции:
, (5.2.8)
где – рассчитанные выше коэффициенты;
– коэффициент весомости -го коэффициента, определяется:
n
– номер частного показателя.

Из данного расчёта видно, что технологичность разработки (К
=0,76) соответствует требованиям задания на проект. Её можно повысить, применяя большее число деталей, изготовленных прогрессивными методами, а также механизируя операции контроля и настройки.
6 Экономическая часть
6.1 Конструкторская подготовка производства.
6.1.1 Составление перечня этапов и работ ОКР
Под опытно-конструкторской работой (ОКР) понимается совокупность процессов конструирования новых изделий, разработки конструкторской документации, ее корректировка по результатам изготовления и испытаний опытного образца нового изделия.
На данной стадии научные идеи, разработанные в ходе научно-исследовательских работ (НИР), воплощается в чертежи и опытные образцы новой техники, а также проводятся их всесторонние испытания.
ГОСТ 2.103 устанавливает следующие этапы разработки конструкторской документации:
1. Техническое задание (ТЗ).
В процессе разработки ТЗ устанавливается основное назначение изделия, технические требования, показатели качества и технико-экономические требования к проектируемому изделию. ТЗ утверждается заказчиком.
2. Техническое предложение.
Техническое предложение подготавливается разработчиком на основе ТЗ. На этом этапе ведётся разработка конструкторских документов, содержащих технические и технико-экономические обоснования целесообразности разработки документации на основании анализа ТЗ и различных вариантов возможных решений.
3. Эскизное проектирование
.
Это совокупность конструкторских документов, которые содержат принципиальные конструкторские решения, дающие представления об устройстве и принципах работы изделия. При разработке эскизного проекта осуществляется конструкторская проработка основных узлов изделия и их макетирование.
4. Техническое проектирование.
Вырабатывается окончательное представление о конструкции изделия и его отдельных узлов, уточняются параметры нового изделия.
5. Разработка рабочей документации
.
Разрабатываются конструкторские документы, предназначенные для изготовления и испытания, опытных образцов, а также для серийного производства. Производится корректировка рабочей документации по результатам испытаний.
6.1.2 Расчет трудоемкости ОКР
Расчёт трудоёмкости ОКР проведём по методу прямого счёта [1]. При разработке платы для ЭрКПЕ требуется выполнить 70 условных чертежей на форматах А4 на стадии рабочего проектирования. Нормативная трудоёмкость разработки конструкторской документации устройства на стадии рабочего проектирования определяется по формуле:
(6.1)
где tн– средняя норма времени для выпуска одного чертежа формата А4 по объекту 2 группы сложности и 2 группы новизны (t = 3,5),
N – количество условных чертежей формата А4 (N = 70),
К – коэффициент изменения трудоемкости,

КС
– коэффициент серийности изделия (1.2);
КУП
– коэффициент условий применения изделий (0.6);
КУ
– коэффициент унификации изделия (0.6);
КОТ
– коэффициент уровня организационно-технических условий (1).

н/ч
Расчёт общей трудоёмкости по всем стадиям выполнения конструкторской работы проводится по следующей формуле:
(6.2)
Нормативные трудоёмкости выполнения работ по ОКР в процентном соотношении от трудоёмкости рабочего проекта приведены в таблице 6.1.1 и позволяют рассчитать все составляющие формулы 6.2.
Таблица 6.1.1
| Типовые этапы ОКР
|
Трудоёмкость этапа, %
|
| 1. Разработка технического задания и технического предложения
|
20
|
| 2. Эскизный проект
|
60
|
| 3. Технический проект
|
150
|
| 4. Рабочий проект
|
100
|
| 5. Изготовление и отладка опытного образца
|
150
|
| 6. Заводские испытания опытного образца
|
30
|
| 7. Государственные испытания опытного образца
|
10
|
| 8. Корректировка документации:
|
110
|
| 9. Оформление технической документации
|
10
|
Трудоёмкость рабочего проекта находим по формуле:
н/ч. (6.3)
где Р – процент трудоемкости выполнения рабочей документации от трудоемкости всего рабочего проекта (Р=79%)
Расчет трудоёмкости технического задания и технического предложения находим по формуле:
н/ч. (6.4)
Трудоёмкость эскизного проекта определяется выражением:
н/ч. (6.5)
Трудоёмкость разработки технического проекта равна:
н/ч. (6.6)
Расчет трудоёмкости изготовления и отладки опытного образца находим по формуле:
н/ч. (6.7)
Расчет трудоёмкости по результатам государственных испытаний образца определяется по формуле:
н/ч. (6.8)
Расчет трудоёмкости по результатам заводских испытаний опытного образца находим по формуле:
н/ч (6.9)
Расчет трудоёмкости оформления технической документации находим по формуле:
н/ч. (6.10)
С учетом этапов корректировки конструкторской документации трудоемкость ТКОР
определяется выражением:
н/ч (6..11)
Общая трудоёмкость ОКР:

Определим численность научно-производственного и рабочего персонала:
, (6.12)
где П – продолжительность разработки (П = 1 месяц),
ТД
– действительный фонд рабочего времени одного работника, (ТД
= 176 ч);
 чел.
Численность исполнителей каждого этапа ОКР примем равной 1 человеку.
Количество дней, затрачиваемых на разработку, определяем по формуле:
(6.13)
где КВН
– коэффициент выполнения нормы (КВН
= 1,0)
дня.
6.1.3 Планирование ОКР, составление календарного плана-графика
Таблица 6.1.2
| №
п/п
|
Виды работ
|
Должность исполнителей
|
Трудоемкость, н/ч
|
Число
испол.
|
Длит. работ, дни
|
| 1
|
2
|
3
|
4
|
5
|
6
|
| 1
|
Техническое задание
а) анализ исходной информации
б) составление
в) согласование и утверждение
|
Инженер 2 кат.
Инженер 2 кат.
Вед. инженер
|
5,5
5
2,5
|
1
1
1
|
|
| 2
|
Техническое предложение
а) подбор и изучение инженерно-технической литературы
б) обзор и анализ вариантов
в) рассмотрение и утверждение технического предложения
|
Инженер 2 кат.
Вед. инженер
Вед. инженер
|
6
5
2,79
|
1
1
1
|
|
| Итого по 1 и 2 виду работ
|
26,79
|
2
|
1,7
|
| 3
|
Эскизный проект
а) сбор дополнительной информации
б) разработка структур-ных и функциональных схем изделия
в) разработка принципи-альных схем, проведение необходимых расчетов
г) изготовление и монтаж макета
д) оформление и рецензирование эскизного проекта
|
Инженер 2 кат.
Инженер 2 кат.
Инженер 2 кат.
Монтажник 4 разряда
Вед. инженер
|
10
16
24
16
14,38
|
1
1
1
1
1
|
|
| Итого по 3 виду работы
|
80,38
|
3
|
3,4
|
| 4
|
Технический проект
а) уточнение схем по результатам испытаний
б) расчет комплектующих элементов
в) разработка печатной платы
г) изготовление и монтаж технологического образца
д) регулировка и использование
е) контроль
ж) составление пояснительной записки
з) защита технического проекта
|
Инженер 2 кат.
Инженер 2 кат.
Тех-констр.
5 разряда
Монтажник 4 разряда
Испытатель
Инженер 2 кат.
Инженер 2 кат.
Вед. инженер
|
32
16
32
40,96
32
8
32
8
|
1
1
1
1
11
1
1
1
|
|
| Итого по 4 виду работы
|
200,96
|
5
|
5,1
|
| 5
|
Разработка рабочей документации
а) разработка и доработка всех видов чертежей
б) составление эксплу-атационно-технической документации
в) техническая подготовка производства
г) изготовление опытного образца
д) настройка и регулировка образца
е) заводские испытания
ж) корректировка КД по результатам заводских испытаний
з) оформление всего комплекта КД и ТД.
|
Инженер 2 кат.
Вед. инженер
Инженер 2 кат.
Монтажник
4 разряда
Испытатель
Инженер 2 кат.
Инженер 2 кат.
Вед. инженер
|
32
48
117,31
72
72
80
80
48
|
1
1
1
1
1
1
1
1
|
|
| Итого по 5 виду работы
|
549,31
|
4
|
11,8
|
| Всего
|
857,44
|
5
|
22
|
6.1.4 Расчёт сметной стоимости выполняемой работы
Сметная калькуляция является основным плановым документом, на базе которого осуществляется финансирование и учёт затрат на выполнение ОКР. Смета затрат рассматривается по калькуляционным статьям.
Статья ''Материалы, покупные комплектующие изделия (ПКИ) и полуфабрикаты (ПФ)''.
Расчёт материальных затрат с учётом стоимости материалов, израсходованных при выполнении конструкторских работ, ПКИ и ПФ необходимых для проведения ОКР, создания макетов, сводится в таблицы 6.1.3 и 6.1.4.
Таблица 6.1.3 (Материалы)
| Наименование
Материала
|
Единица
Измерения
|
Потребное количество
|
Цена оптовая за единицу, руб.
|
Сумма,
руб.
|
| ПОС-61 припой
|
Кг
|
0,01
|
200
|
2
|
| Канифоль
|
Кг
|
0,05
|
25
|
1,25
|
| Спирто-бензиновая смесь
|
Кг
|
0,2
|
15
|
3
|
| Стеклотекстолит СТФТ-2-35-1,5
|
Кг
|
0,015
|
180
|
2,7
|
| Краска маркировочная
|
Кг
|
0,005
|
15
|
0,075
|
| Провод монтажный МГТФ
|
Метр
|
3
|
4
|
12
|
| Итого
|
21,1
|
| ТЗР (7%)
|
1,48
|
| Всего с учётом ТЗР
|
22,6
|
Таблица 6.1.4 (ПКИ и ПФ)
| Наименование
|
Кол-во, шт.
|
Цена, руб.
|
Стоимость, руб.
|
| МЛТ-0,125
|
17
|
0,47
|
7,99
|
| МЛТ-0,25
|
1
|
0,66
|
0,66
|
| 2С408А2
|
6
|
319
|
1914
|
| КЦ417Б
|
3
|
20,46
|
61,38
|
| 2С516А
|
1
|
2,57
|
2,57
|
| 2С516Б
|
1
|
2,57
|
2,57
|
| 2Д103А
|
12
|
2,04
|
24,48
|
| 2Д106А
|
2
|
3,52
|
7,04
|
| Д818Г
|
2
|
20,58
|
51,16
|
| К52-100-6,8
|
3
|
410
|
1230
|
| К53-66-16-150
|
1
|
171,98
|
171,98
|
| КМ-4б-М47-56
|
1
|
4,48
|
4,48
|
| 2Т312Б
|
2
|
81,04
|
162,08
|
| 2Т208Л
|
1
|
57,77
|
57,77
|
| 2Т630А
|
2
|
170
|
340
|
| РЭС34
|
1
|
786
|
786
|
| РЭС49
|
1
|
248
|
248
|
| Итого
|
|
|
5072,16
|
| ТЗР(10%)
|
|
|
507,21
|
| Общая
|
|
|
5579,37
|
Статья ''Основная заработная плата исполнителей''
.
Основная заработная плата рассчитывается исходя из суммарной трудоёмкости работ и часовой тарифной ставки. Расчёт ведётся с использованием данных календарного плана-графика (таблица 6.1.2) по следующим формулам:
Для специалистов:
ЗПОСН.СПЦ
= Т • S • (К + 1), (6.14)
где Т – суммарная трудоёмкость, н/час,
S – часовая тарифная ставка, руб.,
К – районный коэффициент (К=0,15).
Для рабочих:
ЗПОСН.РАБ
= Т • S • (К + 1) • (П + 1), (6.15)
где П – премия 60% (П = 0,6).
Таблица 6.1.5 (Основная зарплата)
| Исполнитель
по категориям
и разрядам
|
Разряд
|
Суммарная трудоёмкость, н/ч
|
Часовая тарифная ставка
|
Сумма
ЗПосн., руб.
|
Ведущий инженер
|
14
|
128,67
|
19,79
|
2928,34
|
| Инженер II категории
|
9
|
463,81
|
15,6
|
8320,75
|
| Техник-конструктор
|
5
|
32
|
10,3
|
379,04
|
| Испытатель
|
5
|
104
|
6,73
|
1287,85
|
| Монтажник
|
4
|
128,96
|
6,73
|
1596,94
|
| Итого:
|
857,44
|
14512,92
|
статья: «дополнительная заработная плата»
К этой статье относятся выплаты, предусмотренные ТК: оплата отпусков, исполнение общественных обязанностей и т.д.
(6.16)
где коэффициент дополнительной заработной платы, ,
руб.
Статья: «Страховые взносы в бюджет»
руб. (6.17)
где нормативный коэффициент, равен 34%.
руб
.
Статья: «Производственные командировки»
Затраты по этой статье сведены в таблицу 6.1.6.
Таблица 6.1.6
| Командировка
|
| Пункт назначения
|
Г.Ижевск
|
| Цель командировки
|
Покупка радиоэлементов
|
| Продолжительность, сут.
|
1
|
| Число исполнителей, чел.
|
1
|
| Проездные, руб.
|
400
|
| Суточные, руб.
|
100
|
| Итого
|
500
|
статья: «о
бщехозяйственные расходы»
В статью «накладные расходы» включаются затраты не входящие напрямую в себестоимость ОКР. Они составляют 400% от основной заработной платы и равны 58051,67 рубля.
Затраты по всем статьям сведены в таблицу 6.1.7.
Таблица 6.1.7
| N
п/п
|
Статьи калькуляции
|
Сумма затрат, руб.
|
| 1.
|
Материалы
|
22,6
|
| 2.
|
Покупные комплектующие изделия и полуфабрикаты
|
5579,37
|
| 3.
|
Основная заработная плата исполнителей
|
14512,92
|
| 4.
|
Дополнительная заработная плата
|
4353,88
|
| 5.
|
Страховые взносы в бюджет
|
4905,37
|
| 6.
|
Производственные командировки
|
500
|
| 7.
|
Общехозяйственные расходы
|
58051,67
|
| 8.
|
Всего затрат
|
87905,81
|
6.1.5 Калькуляция опытного образца
Составляем калькуляцию опытного образца по следующим статьям.
Статья ''Материалы, ПКИ и ПФ''.
Статья “Материалы” сведена в таблицу 6.1.8, а данные по статье “Покупные, комплектующие изделия и полуфабрикаты” находятся в таблице 6.1.9.
Таблица 6.1.8 (Материалы)
| Наименование
Материала
|
Единица
Измерения
|
Потребное количество
|
Цена оптовая за единицу, руб.
|
Сумма,
руб.
|
| ПОС-61 припой
|
Кг
|
0,01
|
200
|
2
|
| Канифоль
|
Кг
|
0,05
|
25
|
1,25
|
| Спирто-бензиновая смесь
|
Кг
|
0,2
|
15
|
3
|
| Стеклотекстолит СТФТ-2-35-1,5
|
Кг
|
0,015
|
180
|
2,7
|
| Краска маркировочная
|
Кг
|
0,005
|
15
|
0,075
|
| Провод монтажный МГТФ
|
Метр
|
3
|
4
|
12
|
| Итого
|
21,1
|
| ТЗР (7%)
|
1,48
|
| Всего с учётом ТЗР
|
22,6
|
Таблица 6.1.9 (ПКИ и ПФ)
| Наименование
|
Кол-во, шт.
|
Цена, руб.
|
Стоимость, руб.
|
| МЛТ-0,125
|
17
|
0,47
|
7,99
|
| МЛТ-0,25
|
1
|
0,66
|
0,66
|
| 2С408А2
|
6
|
319
|
1914
|
| КЦ417Б
|
3
|
20,46
|
61,38
|
| 2С516А
|
1
|
2,57
|
2,57
|
| 2С516Б
|
1
|
2,57
|
2,57
|
| 2Д103А
|
12
|
2,04
|
24,48
|
| 2Д106А
|
2
|
3,52
|
7,04
|
| Д818Г
|
2
|
20,58
|
51,16
|
| К52-100-6,8
|
3
|
410
|
1230
|
| К53-66-16-150
|
1
|
171,98
|
171,98
|
| КМ-4б-М47-56
|
1
|
4,48
|
4,48
|
| 2Т312Б
|
2
|
81,04
|
162,08
|
| 2Т208Л
|
1
|
57,77
|
57,77
|
| 2Т630А
|
2
|
170
|
340
|
| РЭС34
|
1
|
786
|
786
|
| РЭС49
|
1
|
248
|
248
|
| Итого
|
|
|
5072,16
|
| ТЗР(10%)
|
|
|
507,21
|
| Общая
|
|
|
5579,37
|
Статья ''Основная заработная плата''.
Данные для расчёта берём из таблицы 6.1.2. Расчёт проводим по формуле 6.14. Результаты расчётов по статье сведены в таблицу 6.1.10.
Таблица 6.1.10 (Основная зарплата)
| Исполнитель
по категориям
и разрядам
|
Разряд
|
Суммарная трудоёмкость, н/ч
|
Часовая тарифная ставка
|
Сумма
Зпосн., руб.
|
| Монтажник
|
4
|
128,96
|
6,73
|
1596,94
|
| Итого
|
1596,94
|
Статья: «Дополнительная заработная плата».
К этой статье относятся выплаты, предусмотренные ТК: оплата отпусков, исполнение общественных обязанностей и т.д.
(6.18)
где коэффициент дополнительной заработной платы, ,
руб.
Статья: «Единый социальный налог».
руб, (6.19)
где нормативный коэффициент на социальные нужды, .
руб.
Статья: «Общехозяйственные расходы».
Накладные расходы составляют 400% от основной заработной платы, т.е. 6387,75 рублей.
Статья: «Производственная себестоимость».
Суммарные затраты по предыдущим статьям составляют производственную себестоимость :
руб.
Статья: «Коммерческие расходы».
Затраты на коммерческие расходы составляют 2% от производственной себестоимости:
193,39 руб.
Статья: «Полная себестоимость»
Полная себестоимость рассчитывается по формуле:
(6.20)
руб.
Калькуляция опытного образца приведена в таблице 6.1.11
Таблица 6.1.11
| N
п/п
|
Наименование статей калькуляции
|
Сумма затрат, руб.
|
| 1
|
Материалы, ПКИ и ПФ
|
5601,97
|
| 2
|
Основная заработная плата
|
1596,94
|
| 3
|
Дополнительная заработная плата
|
479,08
|
| 4
|
Единый социальный налог
|
539,76
|
| 5
|
Накладные расходы
|
6387,75
|
| 6
|
Производственная себестоимость
|
14605,5
|
| 7
|
Коммерческие расходы
|
193,39
|
| 8
|
Полная себестоимость
|
14798,89
|
6.2 Технологическая подготовка производства
Технологическая подготовка производства (ТПП) – это комплекс мер, работ, обеспечивающих технологическую готовность предприятия к выпуску изделий в соответствии с заданными технико-экономическими показателями, устанавливающими высокий технический уровень и минимальные трудовые и материальные затраты.
6.2.1 Стадии и этапы ТПП
Для правильной организации и планирования работ по ТПП они разбиваются на стадии согласно требованиям ЕСТПП. Состав стадий приведен в таблице 6.2.1.
Таблица 6.2.1.
| №
п/п
|
Наименование стадий
|
Трудоемкость стадий в % от стадии разработки рабочей технологии
|
| 1
|
Составление директивного графика ТПП
|
20
|
| 2
|
Разработка или модернизация рабочей технологии
|
100
|
| 3
|
Разработка перспективной технологии
|
110
|
| 4
|
Проектирование и изготовление средств технического оснащения, оборудования, оснастки, средств автоматизации и механизации технологического процесса
|
160
|
| 5
|
Проектирование и изготовление средств технологического оснащения процессов тех. контроля и испытаний
|
200
|
| 6
|
Разработка норм
|
50
|
| 7
|
Внедрение технологических процессов
|
170
|
| 8
|
Изготовление установочной партии
|
200
|
6.2.2 Расчет трудоемкости ТПП
Трудоемкость всей ТПП рассчитывается по формуле:
, (6.21)
где ti
– трудоемкость i
– той стадии ТПП,
n
– число стадий ТПП.
Трудоемкость i
– того этапа ТПП определяется:
, (6.22)
где tРРТ
– трудоемкость i
– того этапа разработки рабочей технологии,
УЭ
– удельный вес в процентах,
tД
– норма дополнительного времени, tД
= 0,6.
Трудоемкость стадии разработки рабочей технологии определяется:
t
РРТ
= t
ТПИПП
+ t
ТПЭМР
, (6.23)
где tТПИПП
– трудоемкость разработки и контроля ТП изготовления печатной платы,
tТПЭМР
– трудоемкость разработки и контроля ТП электромонтажных работ.
tТПИПП
= t'ПП
+ t"ПП
+ tМС
, (6.24)
где t'ПП
– норма времени на разработку одной печатной платы, t'ПП
= 1,2 н/ч,
t"ПП
– норма времени на контроль одного ТП для оригинальной печатной платы, t"ПП
= 0,4 н/ч,
tМС
– трудоемкость слесарной и механической обработки печатной платы,
tМС
= 6,2 н/ч.
Тогда tТПИПП
= 1,2 + 0,4 + 6,2 = 7,8 н/ч.
Трудоемкость разработки и контроля ТП электромонтажных работ определяется по формуле:
tТПЭМР
= tЭМР
• КЖ
• КП
• ККК
+ t'ЭМР
, (6.25)
где tЭМР
– норма времени на разработку одного ТП электромонтажных работ,
tЭМР
= 17,3 н/ч,
КЖ
– коэффициент жесткости технических условий, КЖ
= 1,25,
КП
– коэффициент, учитывающий номенклатуру проводов, КП
= 1,
ККК
– коэффициент, учитывающий количество контактов, ККК
= 1,1,
t'ЭМР
– норма времени на контроль одного ТП электромонтажных работ, t'ЭМР
= 9 н/ч.
Тогда tТПЭМР
= 17,3 • 1,25 • 1 • 1,1 + 9 =32,8 н/ч.
По формуле 6.23 рассчитываем трудоемкость стадии разработки рабочей технологии
tРРТ
= 7,8 + 32,8 = 40,6 н/ч.
По формуле 6.22 рассчитываем трудоемкость стадий ТПП, пользуясь коэффициентами таблицы 6.2.1. Данные расчетов занесем в таблицу 6.2.2.
Таблица 6.2.2
| № п/п
|
Наименование стадии
|
Трудоемкость, н/ч
|
| 1
|
Составление директивного графика ТПП
|
12,99
|
| 2
|
Разработка рабочей технологии
|
64,96
|
| 3
|
Разработка перспективной технологии
|
71,46
|
| 4
|
Проектирование средств тех. оснащения
|
103,94
|
| 5
|
Проектирование средств тех. оснащения ТП контроля и испытаний
|
129,92
|
| 6
|
Разработка норм
|
32,48
|
| 7
|
Внедрение технологических процессов
|
110,43
|
| 8
|
Изготовление установочной партии
|
129,92
|
| Общая трудоемкость ТПП
|
656,10
|
Рассчитаем численность работников:
, (6.26)
где ТЭФ
– действительный фонд рабочего времени в месяц, ТЭФ
= 176 ч,
ПР
– продолжительность разработки, ПР
= 1,5 мес.

Определим длительность выполнения всей ТПП
(6.27)
Таблица 6.2.3
| № п/п
|
Наименование стадии
|
Исполнитель
|
Трудоем-кость, н/ч
|
Количество исполни-телей, чел
|
Длитель-ность, дни
|
| 1
|
Составление директивного графика ТПП
|
Вед. инженер-технолог
Инженер-технолог I кат.
|
5,49
7,5
|
1
1
|
|
Итого
|
12,99
|
2
|
0,6
|
| 2
|
Разработка рабочей технологии
|
Вед. инженер-технолог
Инженер-технолог I кат.
|
32
32,48
|
1
1
|
|
Итого
|
64,96
|
2
|
3,2
|
| 3
|
Разработка перспективной технологии
|
Вед. инженер-технолог
Инженер-технолог I кат.
|
24,11
47,35
|
1
1
|
|
Итого
|
71,46
|
2
|
3,5
|
| 4
|
Проектирование и изготовление средств тех. оснащения
|
Вед. инженер-технолог
Инженер-технолог I кат. Монтажник 4 разряда
|
25,98
51,97
25,99
|
1
1
1
|
|
Итого
|
103,94
|
3
|
6,1
|
| 5
|
Проектирование и изготовление средств тех. оснащения процессов контроля и испытаний
|
Вед. инженер-технолог
Инженер-технолог I кат.
Монтажник 4 разряда
|
32,48
64,96
32,48
|
1
1
1
|
|
Итого
|
129,92
|
3
|
7,1
|
| 6
|
Разработка норм
|
Вед. инженер-технолог
Инженер-технолог I кат.
|
12,24
20,24
|
1
1
|
|
Итого
|
32,48
|
2
|
1,6
|
| 7
|
Внедрение техпроцессов
|
Вед. инженер-технолог
Инженер-технолог I кат.
|
45,15
65,25
|
1
1
|
|
Итого
|
110,40
|
2
|
5,5
|
| 8
|
Изготовление установочной партии
|
Вед. инженер-технолог
Инженер-технолог I кат.
Монтажник 4 разряда
|
30
50,6
49,32
|
1
1
1
|
|
Итого
|
129,92
|
3
|
6,4
|
| Всего ТПП
|
656,1
|
3
|
34
|
6.2.3 Расчет сметной стоимости выполнения ТПП
Расчет стоимости материалов на установочную партию 100 штук приведен в таблице 6.2.4.
Таблица 6.2.4 (Материалы).
| Наименование
Материала
|
Единица
Измерения
|
Потребное количество
|
Цена оптовая за единицу, руб.
|
Сумма,
руб.
|
| ПОС-61 припой
|
Кг
|
0,01
|
200
|
200
|
| Канифоль
|
Кг
|
0,05
|
25
|
125
|
| Спирто-бензиновая смесь
|
Кг
|
0,2
|
15
|
300
|
| Стеклотекстолит СТФТ-2-35-1,5.
|
Кг
|
0,015
|
180
|
270
|
| Краска маркировочная
|
Кг
|
0,005
|
15
|
7,5
|
| Провод монтажный МГТФ
|
Метр
|
3
|
4
|
1200
|
| Итого
|
2110
|
| ТЗР (7%)
|
148
|
| Всего с учётом ТЗР
|
2260
|
Расчет стоимости покупных комплектующих изделий и полуфабрикатов на установочную партию 100 штук приведен в таблице 6.2.5.
Таблица 6.2.5 (ПКИ и ПФ)
| Наименование
|
Кол-во, шт.
|
Цена, руб.
|
Стоимость, руб.
|
| МЛТ-0,125
|
17
|
0,47
|
799
|
| МЛТ-0,25
|
1
|
0,66
|
66
|
| 2С408А2
|
6
|
319
|
191400
|
| КЦ417Б
|
3
|
20,46
|
6138
|
| 2С516А
|
1
|
2,57
|
257
|
| 2С516Б
|
1
|
2,57
|
257
|
| 2Д103А
|
12
|
2,04
|
2448
|
| 2Д106А
|
2
|
3,52
|
704
|
| Д818Г
|
2
|
20,58
|
5116
|
| К52-100-6,8
|
3
|
410
|
123000
|
| К53-66-16-150
|
1
|
171,98
|
17198
|
| КМ-4б-М47-56
|
1
|
4,48
|
448
|
| 2Т312Б
|
2
|
81,04
|
16208
|
| 2Т208Л
|
1
|
57,77
|
5777
|
| 2Т630А
|
2
|
170
|
34000
|
| РЭС34
|
1
|
786
|
78600
|
| РЭС49
|
1
|
248
|
24800
|
| Итого
|
|
|
507216
|
| ТЗР(10%)
|
|
|
50721
|
| Общая
|
|
|
557937
|
Статья ''Основная заработная плата исполнителей''.
Рассчитываем основную заработную плату ИТР, задействованных в ТПП, исходя из трудоёмкости работ и часовой тарифной ставки. Результаты сведем в таблицу 6.2.6.
Таблица 6.2.6 (Основная зарплата ИТР)
| Исполнитель по категориям
|
Суммарная трудоёмкость, н/ч
|
Разряд
|
Часовая
тарифная
ставка
|
Сумма
ЗП осн., руб.
|
Ведущий инженер-технолог
|
207,48
|
12
|
19,79
|
4721,94
|
| Инженер-технолог I категории
|
340,35
|
11
|
15,6
|
6105,88
|
| Монтажник
|
108,57
|
4
|
6,73
|
1344,08
|
| Итого
|
656,4
|
|
-
|
12171,9
|
Рассчитываем основную заработную плату рабочих. Результаты сведем в таблицу 6.2.7.
Таблица 6.2.7 (Основная зарплата рабочих).
| Наименование операции
|
Разряд
|
Норма
времени
н/час
|
Часовая тарифная ставка
|
Сумма
ЗП осн.,
руб
|
| Изготовление ПП
|
4
|
3,8
|
15,40
|
58,52
|
| Слесарная
|
3
|
1,4
|
14,46
|
20,24
|
| Заготовительная
|
3
|
1,8
|
14,46
|
26,03
|
| Монтажная
|
4
|
5,2
|
14,46
|
75,19
|
| Регулировочная
|
5
|
2,4
|
15,4
|
36,96
|
| Сборочная
|
3
|
2,1
|
14,46
|
32,34
|
| Контрольная
|
5
|
1,8
|
15,40
|
27,72
|
| Транспортировка
|
5
|
0,8
|
15,40
|
12,32
|
| Итого
|
236,32
|
| Районный коэффициент (К=0,15)
|
35,45
|
| Итого
|
271,77
|
| Премия (П=0,6)
|
163,06
|
| Всего
|
434,83
|
Рассчитываем основную заработную плату рабочих на установочную партию 100 штук:
ЗР(ПАРТ)
= ЗПосн.РАБ.
• 100 = 434,83 • 100 = 43483 руб.
Рассчитываем суммарную заработную плату ТПП:
ЗПосн. = Зитр + Зр =12171,9+ 43483=55654,9руб.
статья: «дополнительная заработная плата»
Рассчитываем дополнительную заработную плату, она составляет 30% от основной заработной платы:
ЗПДОП.
= 30% от ЗПОСН.
; ЗПДОП.
= 16696,47руб.
Статья: «Единый социальный налог»
Единый социальный налог составляет 26% от основной и дополнительной заработной платы и равен 18811,36руб.
статья: «
Общехозяйственные расходы»
Накладные расходы составляют 400% от основной заработной платы и равны 222619,6 рублей. Затраты по всем статьям сведены в таблицу 6.2.8
Таблица 6.2.8
| N п/п
|
Статьи калькуляции
|
Сумма затрат, руб.
|
| 1.
|
Материалы, покупные комплектующие изделия и полуфабрикаты
|
560197
|
| 2.
|
Основная заработная плата исполнителей
|
55654,9
|
| 3.
|
Дополнительная заработная плата
|
16696,47
|
| 4.
|
Единый социальный налог
|
18811,36
|
| 5.
|
Общехозяйственные расходы
|
222619,6
|
| 7.
|
Всего затрат
|
873979,33
|
6.3 Внедрение нового изделия в производство
Таблица 6.3.1 (Калькуляция нового изделия).
| №
|
Статьи калькуляции
|
Сумма
затрат, руб.
|
Примечания
|
| 1
|
Материалы, ПКИ и ПФ (с учетом ТЗР)
|
5601,97
|
Таблицы 6.1.8, 6.1.9
|
| 2
|
Основная заработная плата
|
434,83
|
Таблица 6.2.7
|
| 3
|
Дополнительная заработная плата
|
130,45
|
30% от статьи 2
|
| 4
|
Единый социальный налог
|
146,98
|
26% от статей 2 и 3
|
| 5
|
Общехозяйственные расходы
|
1739,32
|
400% от статьи 2
|
| 6
|
Расходы на содержание и эксплуатацию оборудования
|
108,7
|
25% от статьи 2
|
| 7
|
Производственная себестоимость
|
8162,25
|
Сумма статей 1 ¸ 6
|
| 8
|
Коммерческие расходы
|
163,26
|
2% от статьи 7
|
| 9
|
Полная себестоимость
|
8325,5
|
Сумма статей 7 и 8
|
Прибыль рассчитываем по формуле
руб.
Оптовая цена определяется как сумма прибыли и полной себестоимости
руб.
Цотп=Цопт+18%=11790 руб.
Црозн=Цотп+20%=14147 руб.
6.4 Расчёт ожидаемого экономического эффекта.
Расчёт проведем по формуле:
ЭГ
= (Ц – С) • АГ
– К • ЕН
,
где Ц стоимость аналога Ц = 40000 руб.,
С – полная себестоимость изделия, С = 8325,5руб.,
АГ
– годовой выпуск продукции, АГ
= 100 шт,
К – сумма капитальных вложений,
ЕН
– нормированный коэффициент экономической эффективности (для радиотехнической промышленности ЕН
= 0,15).
Сумму капитальных вложений рассчитаем по формуле:
К = SОКР
+ SТПП
,
ЭГ
= (40000– 8325,5) • 100 – 0,15 • 873979,33= 3036353.
Найдём коэффициент экономической эффективности разработки по следующей формуле:
Результат формулы показывает, что производство будет эффективным, так как Е > ЕН
(3,4 > 0,15).
6.5 Расчёт срока окупаемости.
Расчёт производится по формуле:
(93)
года.
Проведенные расчеты показали, что данное устройство будет экономически обоснованным при заданном объеме производства. Затраченные капитальные вложения окупят себя уже через 0,3 года, что позволяет говорить о рентабельности данной разработки.
В процессе труда человек подвергается воздействию многочисленных производственных факторов, различных по своему происхождению, формам проявления, характерам действия и другим. В ряде случаев это воздействие может быть неблагоприятным. Такая ситуация возникает, когда система «человек – производственная среда» не сбалансирована, количественные характеристики производственных факторов отклоняются от нормируемого уровня и не соответствуют характеристикам человека. Производственные факторы, воздействие которых на работающего в определённых условиях приводит к повреждению организма (травме), внезапному резкому ухудшению здоровья или заболеванию, снижению работоспособности, называются соответственно опасными или вредными [39].
Опасные производственные факторы – это электрический ток, движущиеся части машин и механизмов, незащищённые подвижные элементы производственного оборудования и т.п. Их воздействие наносит ущерб здоровью человека почти мгновенно и приводит к такому негативному явлению, как производственный травматизм, характеризующийся совокупностью производственных травм.
Вредные производственные факторы – шум и вибрация машин и оборудования, электромагнитные колебания, недостаточная освещённость, запылённость и загазованность производственной среды, чрезмерная нервно-психическая и нервно-эмоциональная нагрузка и т.д. Воздействие вредных производственных факторов на человека имеет кумулятивный характер и приводит к такому негативному явлению, как профессиональные заболевания.
С охраной труда неразрывно связаны техника безопасности, т.е. система организационных и технических средств, предотвращающих воздействие на работающих опасных и вредных производственных факторов, и пожарная безопасность [39].
Под пожарной безопасностью понимается состояние объектов, при котором исключается возможность возникновения и развития пожара и обеспечивается защита материальных ценностей.
Появление сложных видов трудовой деятельности, обусловленное техническим прогрессом, влечёт за собой серьёзные требования к скорости выполнения человеком трудового процесса, точности, надёжности и другим системным и психофизиологическим характеристикам человека. Необходимо комплексное изучение процесса труда с точки зрения обеспечения безопасности и улучшения условий труда.
Анализ начнём с выявления потенциально опасных и вредных факторов, характерных данному виду производства. Основным объектом охраны труда является рабочее место, представляющее собой в общем случае пространство, в котором может находиться человек при выполнении производственно-технологических функций.
При конструировании рабочих мест учитываются следующие эргономические требования:
- достаточное рабочее пространство, позволяющее работающему человеку осуществлять необходимые движения и перемещения при эксплуатации и техническом обслуживании оборудования;
- достаточные физические, зрительные и слуховые связи между работающим человеком и оборудованием, а также между людьми в процессе выполнения общей трудовой задачи;
- оптимальное размещение рабочих мест в производственном помещении, а также безопасные и достаточные проходы для работающих людей;
- необходимое естественное и искусственное освещение;
- допустимый уровень шума и вибрации, создаваемых оборудованием рабочего места или другими источниками;
- наличие необходимых средств защиты, работающих от действия опасных и вредных производственных факторов (физических, химических, биологических, психофизиологических).
Конструкция рабочего места обеспечивает быстроту, безопасность, простоту и экономичность технического обслуживания в нормальных и аварийных условиях, полностью отвечает функциональным требованиям и предполагаемым условиям эксплуатации.
При изготовлении данного изделия используются органы управления, предназначенные для передачи управляющих воздействий от человека к машине, первого (органы управления, предназначенные для операций включения, выключения и переключения) и третьего (органы управления, с помощью которых осуществляется непрерывное регулирование и настройка аппаратуры) класса. Для защиты от случайного срабатывания органы управления расположены и ориентированы таким образом, чтобы оператор при выполнении своих функций не мог их случайно сдвинуть или задеть. Органы управления снабжены надёжной блокировкой, создающей механическое сопротивление, чтобы без определённого усилия их невозможно было переместить.
При организации рабочего места учтены основные антропометрические данные человека. Важнейшей характеристикой рабочего пространства является зона досягаемости моторного поля (пространство рабочего места с размещёнными в нём органами управления и другими техническими средствами, в котором осуществляются двигательные действия человека по выполнению рабочего задания).
При организации рабочего пространства учтены:
- степень подвижности оператора (при изготовлении данного изделия работа – «сидя»);
- потребность в обзоре рабочего места;
- необходимость использования рабочей поверхности для письма или других работ, а также хранения инструкций и материалов, используемых работающими людьми.
Проблема улучшения условий труда решается на всех стадиях разработки и эксплуатации оборудования и технологических процессов. Условия труда – это сложное объективное общественное явление, формирующееся в процессе труда под воздействием взаимосвязанных факторов социально-экономического, технико-организационного и естественно-природного характера и влияющие на здоровье, работоспособность человека, степень удовлетворённости трудом, эффективность и другие экономические результаты производства, на уровень жизни и всестороннее развитие человека, как главной производительной силы общества и сознательной личности. Необходимо проектировать, строить и внедрять в производство только такое оборудование и технологию, которые надёжно обеспечивают формирование благоприятных условий труда. Если не удаётся создать такую безопасную технику, необходимо оснастить соответствующие рабочие места, станки, машины, аппараты, а также самого работающего человека надёжными, технически совершенными защитными средствами. Факторы производственной среды, оказывающие влияние на формирование условий труда, различны по своему происхождению, формам проявления, характеру действия и ряду других особенностей. Они разделены на четыре основные группы.
К первой группе относятся санитарно-гигиенические элементы, составляющие внешнюю среду рабочей зоны (микроклимат, освещённость, механические колебания, шум и др.). Они создаются под воздействием применяемого оборудования и технологических процессов. Санитарно-гигиенические факторы оцениваются количественно и нормируются.
Ко второй группе относятся психофизиологические элементы (физическая нагрузка, нервно-психическое напряжение, рабочая поза и др.), обусловленные самим процессом труда.
К третьей группе относятся эстетические элементы, показывающие, какие элементы процесса производства труда могут вызвать эстетическое восприятие.
К четвёртой группе относятся социально-психологические элементы, характеризующие психологический климат, в котором протекает трудовой процесс.
Для обеспечения благоприятных условий труда на различных стадиях создания и эксплуатации систем и технологических процессов используются научно обоснованные нормативные материалы, рекомендации и требования.
Выбор параметров производственного освещения основывается на учёте требований, предъявляемых конкретным производственным процессом, в соответствии с действующими нормами и правилами. Анализ воздействия света на организм человека и основных свойств зрительного восприятия позволяет сформулировать основные требования к производственному освещению, которые заключаются в обеспечении достаточной освещённости рабочих мест поверхностей, равномерности распределения яркости, отсутствия глубоких и резких теней, постоянства освещённости во времени. СНиП-23-05-95 устанавливает минимальные уровни освещённости рабочих поверхностей в зависимости от точности зрительной работы, контраста объекта и фона, яркости фона, системы освещения и типа используемых ламп. Освещение рабочих мест может быть естественным и искусственным.
Естественное освещение может осуществляться через окна или световые проёмы в наружных стенах (боковое освещение), через застеклённые световые фонари и перекрытия (верхние) или через фонари и окна одновременно (комбинированное). Естественное освещение резко изменяется в течение дня, времени года и существенно зависит от атмосферных условий. От этих недостатков свободно искусственное освещение – освещение помещений искусственным светом с помощью электрических ламп.
При изготовлении данного изделия используется комбинированное освещение, при котором наряду с общим искусственным освещением используются светильники местного освещения для создания на рабочих местах освещённости более высоких уровней.
Для определения соответствия естественной освещённости в производственном помещении требуемым нормам измеряют освещённость: при верхнем и комбинированном освещении – в различных точках помещения с последующим усреднением; при боковом – на наименее освещённых рабочих местах. Для искусственного освещения нормируемым параметром является освещённость.
Расчет естественного освещения:
Расчет сводится к определению площади световых проемов в зависимости от нормированного значения коэффициента естественного освещения при боковом освещении:
(7.2.1)
где Sn
- площадь пола; ен
- нормируемое значение КЕО; К3
- коэффициент запаса; η0
-
световая характеристика окон; Кзд
- коэффициент, учитывающий затенение окон противостоящими зданиями; τ0
- общий коэффициент светопропускания, определяемы по формуле:
τ0
= τ1
∙ τ2
∙ τ3
∙ τ4
∙ τ5
, (7.2.2)
где τ1
- коэффициент светопропускания материала; τ2
- коэффициент, учитывающий потери света в переплетах светопроема; τ3
- коэффициент, учитывающий потери света в несущих конструкциях; τ4
- коэффициент, учитывающий потери света в солнцезащитных устройствах; τ5
- коэффициент, учитывающий потери света в защитной сетке, устанавливаемой под фонарями, принимаемый равным 0,9.
Исследуемым помещением является зданием ОАО «СЭГЗ» с площадью пола 40 м2
.
При выполнении расчета табличные данные были взяты из методических указаний.
Наименьшим объектом различения может быть печатный текст с толщиной линий букв 1мм, по таблице находим ен
- 1,2 %. Коэффициент запаса принимается равным 1, исходя из того, что светопропускающий материал расположен вертикально. Коэффициент Кзд
принимается равным 1.
Отношение глубины помещения к высоте от уровня условной рабочей поверхности до верха окна составляет , а отношение длины помещения к его глубине 1,5. Из этих соотношений находим коэффициент r1
=l,45 η0
=18. Находим остальные коэффициенты:
τ1
= 0,8; τ2
= 0,75; τ3
= 1; τ4
= 1; τ5
= 0,9.
Подставляя все значения в формулу (7.2.1) находим:

Из полученного результата видно, что естественного освещения не достаточно для помещения площадью 40 м2
, поэтому при изготовлении данного изделия используется комбинированное освещение, при котором наряду с общим искусственным освещением используются лампы местного освещения для создания на рабочих местах освещённости более высоких уровней.
Производственный микроклимат оказывает существенное влияние на работающего человека. Оптимальными микроклиматическими условиями считают сочетания параметров микроклимата, которые при длительном и систематическом воздействии на человека обеспечивают сохранение нормального функционального и теплового состояния организма без напряжений реакций терморегуляции. Они обеспечивают ощущение теплового комфорта и создают предпосылки для высокого уровня работоспособности. Обеспечение оптимальных для жизнедеятельности человека параметров микроклимата и воздушной среды осуществляется с помощью обширного комплекса методов и средств. Главный из них – разработка совершенных технологических процессов, исключающих выделение значительного тепла, образование пыли и газов и выделение их в окружающую среду или, по крайней мере, ограничивающих их до минимума, до предельно допустимых концентраций (ПДК). Комплекс мероприятий по защите работающих от перегрева включает использование теплоизоляции, уменьшающей поступление тепла от источников, применение защитных экранов и перегородок. Также необходимо обеспечить отвод вредных газов и выделений, образующихся при напайке радиодеталей на монтажную плату. В этом случае эффективной мерой защиты является вентиляция.
Возникновение пожаров в зданиях и сооружениях, особенности распространения огня в них зависят от того, из каких материалов (конструкций) они выполнены, каковы размеры зданий и их расположение.
По взрывной, взрывопожарной и пожарной опасности производства подразделяются на категории. Согласно существующим строительным нормам и правилам (СНиП) здания и сооружения по огнестойкости подразделяются на пять степеней. Степень огнестойкости зданий и сооружений определяется пределом их огнестойкости, выражаемым временем (в часах) от начала испытаний строительной конструкции на огнестойкость до возникновения в ней разрушающих или температурных признаков, ведущих к невозможности дальнейшей эксплуатации конструкции.
Так как при изготовлении устройства используются жидкости с температурой вспышки выше 610
C, горючие пыли или волокна с нижним пределом взрываемости более 65 г/м3
, твёрдые сгораемые вещества и материалы, то производство по пожароопасности относится к категории В, в соответствии с НБП-105-95. По огнестойкости здание относится ко II степени, в которой все конструкции выполнены из несгораемых материалов с пределами огнестойкости от 0,25 до 4 часов.
Степень огнестойкости может быть требуемой и фактической. Требуемая степень огнестойкости характеризует основные строительные части зданий, сооружений и конструкций. Фактическая степень огнестойкости характеризует в целом здание, сооружение, конструкции и определяется по худшей требуемой степени огнестойкости.
Причины пожаров и взрывов могут быть электрического и неэлектрического характера. К причинам электрического характера относятся:
- искрение в электрических аппаратах, машинах, электрические разряды и удары молнии;
- токи коротких замыканий, нагревающие проводники до высокой температуры, при которой может возникнуть воспламенение их изоляции, а также значительные электрические перегрузки проводов и обмоток электрических аппаратов и машин;
- плохие контакты в местах соединения проводов, когда вследствие большого переходного сопротивления выделяется большое количество тепла;
- электрическая дуга, возникающая в результате ошибочных операций с коммутационной аппаратурой при переключениях в электроустановках или во время дуговой электрической сварки, которая может вызвать воспламенение расположенных вблизи горючих материалов.
Причинами пожаров и взрывов неэлектрического характера могут быть:
- неосторожное обращение с огнём при газо-сварных работах;
- неисправность котельных и производственных печей, отопительных приборов и нарушение режимов их работы;
- неисправность производственного оборудования и нарушение технологического процесса, в результате которого возможно выделение горючих газов, паров или пыли в воздушную среду;
- курение в пожароопасных и взрывоопасных помещениях;
- самовоспламенение некоторых материалов.
Мероприятия, устраняющие причины пожаров и взрывов, подразделяются на: технические, эксплуатационные, организационные и режимные. К техническим мероприятиям относится соблюдение противопожарных норм при сооружении зданий, устройстве отопления и вентиляции, выборе и монтаже электрооборудования, устройстве молниезащиты и т.п. Эксплуатационные мероприятия предусматривают правильную эксплуатацию производственных машин, котельных и других силовых установок и электрооборудования, правильное содержание зданий и территорий предприятий. К организационным мероприятиям относятся обучение производственного персонала противопожарным правилам и издание необходимых инструкций и плакатов.
По правилам пожарной безопасности территории объектов должны постоянно содержаться в чистоте, мусор систематически удаляться на специально отведённые участки и по мере накопления вывозиться. Готовая продукция, оборудование, тара и другое имущество должны находиться на определённых участках. Все дороги и подъезды к зданиям, сооружениям и источникам воды необходимо очищать от завалов, содержать в исправности и освещать в ночное время. Проезды и противопожарные разрывы между отдельными зданиями и сооружениями не могут использоваться для складирования горючих предметов, различного оборудования, строительных материалов.
В каждом цехе, мастерской, складе и других помещениях должны быть вывешены таблички с указанием фамилии и должности лиц, ответственных за пожарную безопасность. Коридоры, проходы, основные и запасные выходы, тамбуры, лестничные клетки должны постоянно содержаться в исправном состоянии, ничем не загромождаться, а в ночное время освещаться. Если в технических помещениях применяются легковоспламеняющиеся и горючие жидкости для смазки, промывки и чистки оборудования, аппаратуры и деталей, то количество таких жидкостей не должно превышать суточную потребность. Курение допускается только в специально отведённых местах или комнатах, обозначенных соответствующими надписями и обеспеченных урнами с водой.
Весь пожарный инвентарь, противопожарное оборудование и первичные средства пожаротушения должны содержаться в исправном состоянии, находиться на видном месте, и к ним в любое время суток должен быть обеспечен беспрепятственный доступ. Все стационарные и переносные средства пожаротушения должны периодически проверяться и испытываться.
В производственных помещениях, на складах и других пожароопасных помещениях должны находиться средства пожарной сигнализации и тушения пожаров. В системе пожарной защиты находят широкое применение автоматические и полуавтоматические средства извещения о пожаре.
Наиболее дешёвым и распространенным средством тушения пожаров является вода. Она обладает высокой теплоёмкостью и большим испарением, что позволяет эффективно отбирать тепло от очагов пожара. Вместе с тем вода не может быть использована для тушения легковоспламеняющихся жидкостей (бензин, бензол, керосин и т.п.), а также электроустановок, находящихся под напряжением, без специальных мер защиты людей от поражения электрическим током через струю воды.
В пожароопасных помещениях для тушения пожаров применяют спринклерные и дренчерные установки, которые приводятся в действие специальными извещателями.
Спринклерные установки – автоматические устройства тушения пожаров водой. В этих установках система водопроводных труб, проложенных под потолком, снабжается ввинчиваемыми головками, которые запаиваются легкоплавким припоем. Повышение температуры до 60-80 градусов (по С) вызывает расплавление припоя и головка открывается, вследствие чего вода начинает заливать место пожара.
Дренчерная установка представляет собой также систему водопроводных труб, но головки этих установок, в отличие от спринклерных, постоянно открыты. Вода поступает при срабатывании клапанов с легкоплавкими припоями или при открывании задвижек ручным способом.
Для защиты людей от токсичных продуктов горения и дыма применяется противодымная защита, состоящая из вентилятора и вентиляционных каналов.
При тушении пожара эффективно применение химической пены, образуемой в результате взаимодействия с водой пеногенераторных порошков, состоящих из кислотной и щелочной частей. Получаемая из пеногенераторных порошков пена является универсальным средством тушения пожаров, за исключением спирта, ацетона и эфира.
В качестве средств местного пожаротушения применяются химические пенные огнетушители, но они не пригодны для тушения электроустановок, находящихся под напряжением, так как пена обладает свойством электропроводности.
Эффективным химическим средством тушения огня является углекислота. При быстром испарении углекислоты образуется снегообразная масса, которая, будучи направлена в зону пожара, снижает концентрацию кислорода и охлаждает горящее вещество. Ручные углекислотные огнетушители типов ОУ-2, ОУ-5 и ОУ-8 конструктивно отличаются ёмкостью баллона – соответственно 2, 5 и 8 л. Эти огнетушители предназначены для тушения небольших очагов пожара, применяются в закрытых помещениях и могут быть использованы в электроустановках, находящихся под напряжением, вследствие низкой электропроводности углекислоты. Все огнетушители подвергаются периодической проверке и при необходимости – перезарядке.
Требования к технологическому оборудованию
1. Все электрические пусковые устройства должны устанавливаться вне окрасочных и сушильных камер. Температура наружных поверхностей оборудования во время работы должна быть не более 60 о
С.
2. Все электроустановки должны быть защищены аппаратами от токов короткого замыкания и других ненормальных режимов, могущих привести к пожарам и загораниям.
Плавкие вставки предохранителей должны быть калиброваны с указанием на клейме номинального тока вставки.
3. Для предупреждения возможности накопления зарядов статического электричества на рабочих местах все электропроводные части технологического, испытательного оборудования должны быть заземлены независимо от применения других методов защиты от статического электричества.
Оборудование, оснастка, инструмент, не имеющие цепей питания от сети, должны подключаться к заземляющей клемме через сопротивление 1 Мом или находиться на металлическом листе.
Для отвода статического электричества, накапливающегося на людях, необходимо предусмотреть электростатические кольца или браслеты.
4. При эксплуатации электроустановок запрещается:
- использовать кабели и провода с поврежденной изоляцией и изоляцией, потерявшей в процессе эксплуатации защитные электроизоляционные свойства;
- использовать электродвигатели и другое электрооборудование, поверхностный нагрев которого при работе превышает температуру окружающего воздуха
более чем на 40 о
С;
- пользоваться электронагревательными приборами без огнестойких подставок, а также оставлять их включенными в сеть без присмотра;
- оставлять под напряжением кабели, провода с неизолированными концами;
- пользоваться поврежденными розетками, ответвительными и соединительными коробками, рубильниками и другими электроустановочными изделиями.
8 Программа испытаний
1) Объект испытаний – устройство защиты.
2) Цель испытаний – проверка на работоспособность, соответствие параметров техническому заданию.
3) Общие положения – параметры «УЗ» должны быть испытаны на исправных приборах, прошедших поверку. Испытания будут проводиться в 6 цехе ОАО «СЭГЗ».
4) Объем испытаний
а) Проверка комплектности и соответствие изделия конструкторским документам. Проверка внешнего вида.
б) Проверка сопротивления изоляции между цепями переменного и постоянного токов.
в) Проверка тока потребляемого цепью управления в рабочем состоянии устройства при номинальном напряжении цепи управления.
г) Проверка времени срабатывания устройства.
д) Проверка работоспособности устройства при обрыве одной или двух фаз.
е) Проверка на несрабатывание устройства при асимметрии токовых нагрузок до 50% в диапазоне рабочих токов.
ж) Проверка на несрабатывание устройства при обрыве трёх фаз, при обрыве нейтрали.
з) Проверка работоспособности устройства при предельных значениях напряжения цепи управления
и) Проверка падения напряжения на силовых выводах устройства: Аг - Ан, Вг – Вн, Сг – Сн.
5) Метрологическое обеспечение:
а) Амперметр Э59
б) Вольтметр М109
в) Вольтметр Д566
г) Вольтметр М4200
д) Милливольтметр В3-38
е) Миллиамперметр Э513
ж) Пульт проверки ЭМА - 714
з) Секундомер С100
и) Стабилизатор 10А
к) Частотомер Ф5043
6) Условия и порядок проведения испытаний:
а) Испытания проводятся в нормальных климатических условиях.
б) При проведении испытаний должны применятся приборы следующих классов точности:
- При измерении тока не ниже 0,5
- При измерении напряжения не ниже 0,5
- При измерении частоты не ниже 1,0
в) Проверка соответствия изделия конструкторским документам и проверка внешнего вида включают:
- При наружном осмотре проверяется качество сборки, отсутствие трещин, сколов, заусенцев и других дефектов.
- Проверка на соответствие габаритных и установочных размеров требованиям конструкторских документов производится нормализованным универсальным измерительным инструментом с допустимой погрешностью измерения согласно ГОСТ8.051-81.
г) Проверка сопротивления изоляции производится в выключенном состоянии в нормальных условиях и после теплового режима мегомметром напряжением 500В между выводами Ан и «+», Вн и «+», Сн и «+», Ан и «-», Вн и «-», Сн и «-», Аг и Вг, Аг и Сг, Вг и Сг.
д) Проверка тока, потребляемого цепью управления в рабочем состоянии устройства при номинальном напряжении цепи управления. Миллиамперметр включают последовательно в цепь управления устройства согласно схеме (рис 8.1)
е) Проверка времени срабатывания «УЗ» осуществляется по схеме (рис8.1)
- Установить требуемый ток в контролируемой сети.
- Установить напряжение постоянного тока цепи управления 27В.
- Включить В4, В5, В6 через 10с выключить В1, «УЗ» должен сработать, т.е. реле Р1 отключает нагрузку R1, R2, R3 от генератора, секундомер, фиксирующий время срабатывания устройства должно показывать 1-2с.
ж) Проверка работоспособности устройства выполняется по схеме (рис)
- Установить номинальное напряжение в цепи управления 27В. Включить выключатель В4.
- Включить выключатели В1, В2, В3, В6, В7 и нагрузками R1, R2, R3 установить ток по амперметрам А1, А2, А3 в пределах номинальных токов. Такое состояние устройства принимать условно за исходное.
- Выключить переключатель В1(обрыв фазы А), «УЗ» при этом должен сработать (т.е. реле Р1 должно отключить нагрузку R1, R2, R3 от генератора)
- Включить переключатель В1, «Уз» должен находится в выключенном состоянии.
- Произвести разблокировку «УЗ» путем кратковременного отключения цепи управления выключателем В4 (после разблокировки автомат должен возвратиться в исходное состояние).
- Аналогично произвести срабатывание «УЗ» при обрыве фаз В и С, для чего последовательно выключить переключатели В2 и В3.
- Для проверки работоспособности «УЗ» при одновременном обрыве двух фаз устройство устанавливают в исходное состояние и одновременно выключают переключатели В1, В2 (В1, В3 и В2, В3), «УЗ» при это должно сработать и отключить нагрузку R1, R2, R3 от генератора и находиться в таком состоянии до его разблокировки. Устройство считается выдержавшим проверку на работоспособность, если он срабатывает и отключает контролируемую сеть при обрыве одной или двух фаз в сети с заземленной и изолированной нейтралью.
з) Проверка на несрабатывание «УЗ» при асимметрии токовых нагрузок до 50% в диапазоне рабочих токов.
- Данная проверка проводится аналогично проверке работоспособности «УЗ» при обрыве одной или двух фаз с той разницей что в пределах рабочего диапазона в одной любой фазе нагрузки R1, R2, R3 устанавливается ток на 50% больше или меньше, чем в других фазах. (Таблица 8.1)
Таблица 8.1
| I фаза А, А
|
I фаза В, А
|
I фаза С, А
|
| 0,5
|
0,5
|
0,75
|
| 0,5
|
0,75
|
0,5
|
| 0,75
|
0,5
|
0,5
|
| 2
|
2
|
1
|
| 2
|
1
|
1
|
| 1
|
2
|
2
|
- Автомат считается выдержавшим проверку, если при такой асимметрии «УЗ» не сработает и остается в исходном состоянии.
и) Проверка на несрабатывание «УЗ»: при одновременном обрыве трех фаз, при обрыве нейтрали.
- Проверка производится аналогично проверке работоспособности «УЗ» при обрыве одной или двух фаз путём одновременного обрыва трёх фаз, при обрыве нейтрали.
- Проверка на обрыв трех фаз происходит при одновременном выключении В1, В2, В3, а при проверке на обрыв нейтрали – при выключении В5.
- «УЗ» считается выдержавшим проверку, если при обрыве трех фаз или нейтрали, он остался в исходном рабочем состоянии, т.е. не произошло отключения нагрузки R1, R2, R3 от генератора.
к) Проверка работоспособности «УЗ» при предельных значениях напряжения цепи управления (24,0В и 29,4В)
л) Проверка падения напряжения на выводах «УЗ».
- Замерить падение напряжения на выводах Аг-Ан, Вг-Вн,Сг-Сн вольтметром при максимальном токе. Падение напряжения на выводах должно быть не более 0,2В.

Рисунок 8.1
В данной работе были рассмотрены варианты реализации устройств с различными принципами действия, выбран наиболее подходящий по морфологическим и экономическим характеристикам, и на его основе было разработано устройство защиты трехфазных потребителей. Разработана схема электрическая принципиальная, спроектирован печатный узел.
При проведении конструкторских и технологических расчетов УЗ применены стандартные методики, в ходе которых получены следующие результаты: интенсивность отказов устройства λс
=28,34·10-6
ч –1
, среднее время безотказной работы t
ср
= 4,7 года, печатный монтаж соответствует 3 классу точности, технологичность конструкции составляет К
= 0,76.
Расчет предпроизводственных затрат определил следующие экономические показатели: затраты на ОКР равны 87905,81 руб.
; затраты на ТПП равны 873979,33 руб
.; производственная себестоимость нового изделия равна 8162,25руб
., полная себестоимость – 8325,5 руб
., цены оптовая, отпускная и розничная составили 9990, 11790 и 14146 руб
. соответственно; экономический эффект равен 3036353 руб
.
Список литературы
1. Мощные полупроводниковые приборы. Транзисторы: Справочник Б.А. Бородин, В.М. Ломакин, В.В. Мокряков; Под ред. А.В. Голомедова.- М.: Радио и связь, 1985. – 560с.: ил.
2. Электронные приборы для защиты РЭА от электрических перегрузок: Справочник / В.П. Черепанов, А.К. Хрулёв, И.П. Блудов. – М.: Радио и связь, 1994. - 224с.: ил.
3. Резисторы, конденсаторы, трансформаторы, дроссели, коммутационные устройства РЭА: Справочник / Н.Н. Акимов, Е.П. Ващуков, В.А. Прохоренко, Ю.П. Ходоренок. – Минск.: «Беларусь», 1994. – 587с.
4. Полупроводниковые приборы. Диоды выпрямительные, стабилитроны, тиристоры: Справочник / А.Б. Гитцевич, А.А. Зайцев, В.В. Мокряков. Под ред. А.В. Голомедова. - М.: Радио и связь, 1988. – 528с., ил.
5. Полупроводниковые приборы: Справочник / В. Л. Аронов. А.В. Баюков, А.А. Зайцев. Под общей редакцией Н.Н. Горюнова. – 2-е изд., перераб. – М.: Энергоатомиздат, 1985. – 904с., ил.
6. Безопасность жизнедеятельности: Учебник / Под ред. проф. Э.А. Арустамова. – 6-е изд., перераб. и доп. – М.: Издательство – торговая корпорация «Дашков и К», 2003. 496с.
7. Охрана труда на предприятии и охрана окружающей среды: Учебник для вузов/Н.И. Баклашов, Н.Ж. Китаева, Б.Д. Терехов. - М.: Радио и связь, 1989.
8. А. Медведев, Печатные платы. Конструкции и материалы, Техносфера, 2005, 304с.
9. В.И.Бобров, "Надежность технических систем", Учебное пособие - Москва: МГУП, 2004.- 236 с.
10. Яншин А.А. "Теоретические основы конструирования, технологии и надежности ЭВА", "Радио и связь",1983
11. http://www.elecond.ru/ Танталовые оксидно-полупроводниковых конденсаторы
12. http://www.inttools.ru/item/id5783/ «Трёхфазный стабилизатор напряжения»
13. http://metizi.com/ «Защита потребителей электроэнергии при авариях в энергосети»
14. http://remontblizko.ru/ «Устройств защиты для различных групп потребителей электроэнергии»
15. Технология производства радиоаппаратуры, В.И. Блаут - Блачева, А.П. Волоснов, Г.В. Смирнов М., "Энергия", 1972
16. http://fn.bmstu.ru/electro/new_site/labi/03/03.htm «Исследования трехфазных электрических цепей»
17. http://radiokot.ru/ «Трехфазные цепи»
18. http://ru.wikipedia.org/ «Трёхфазная система электроснабжения»
19. Перроте А.И. Сторчак А.И. Вопросы надежности радиоэлектронной аппаратуры. Изд. «Советское радио» М. 1976.
20. Опадчий Ю.Ф. «Аналоговая и цифровая электроника» М.: Горячая Линия – Телеком 2002
21. Подкин Ю.Г. Алгоритмы учебного и научного поиска. Учебное пособие / Ю. Г. Подкин. Ижевск: ИжГТУ, 2000. – 108 с.
22. Титце У., Шенк К. «Полупроводниковая схемотехника» - М.: Мир, 1982г.
23. Надежность технических систем: Справочник / И.А. Ушаков. – М.: Радио и связь, 1985. - 608с.: ил.
24. Патент РФ 2218645, кл. H02Н02H 7/085, 2003.
25. http://www.radio-service.ru/ Электронный каталог радиоэлементов.
26. Комаров Ю.Л. «Надежность радиоэлектронной аппаратуры»
Учебное пособие. Казань: Изд-во Казан.гос.техн.ун-та 2005. – 85с.
27. Инструкция по технической эксплуатации самолета Ил-76ТД . «Система электроснабжения самолета» - М.: АТБ Домодедово, 1974.
28. Электронные приборы для защиты РЭА от электрических перегрузок: Справочник / Черепанов В.П. – М.: Радио и связь, 1994. – 224 с.: ил.
ПРИЛОЖЕНИЯ
|