| Министерство образования Российской Федерации
Санкт-Петербургский государственный университет низкотемпературных и пищевых технологий
Кафедра электротехники и электроники
ЭЛЕКТРОТЕХНИКА И ЭЛЕКТРОНИКА
Методические указания к лабораторным работам по курсу «Электротехника и электроника» для студентов факультета заочного обучения и экстерната всех специальностей
Санкт-Петербург 2003
УДК 621.3
Афанасьева Н.А., Батяев А.А., Новотельнова А.В., Русанов А.В.
Электротехника и электроника: Метод. указания к лабораторным работам для студентов факультета заочного обучения и экстерната всех спец. / Под ред. Булата Л.П. – СПб.: СПбГУНиПТ, 2003. – 55 с.
Настоящие методические указания составлены для шести лабораторных работ, выполнение которых предусмотрено программой для студентов заочного обучения и экстерната. Методические указания охватывают наиболее важные разделы курса «Электротехника и электроника» (электрические цепи, электрические машины, промышленная электроника).
Рецензент
Канд. техн. наук, доц. Ю.А. Рахманов
Одобрены к изданию советом факультета техники пищевых производств
Ó Санкт-Петербургский государственный университет низкотемпературных и пищевых технологий, 2003
ВВЕДЕНИЕ
В методические указания включены шесть лабораторных работ по курсу «Электротехника и электроника», выполняемых студентами факультета заочного обучения и экстерната.
Первые две работы посвящены экспериментальному исследованию электрических цепей переменного тока. В лабораторной работе № 1 студенты исследуют поведение однофазной неразветвленной электрической цепи синусоидального тока при последовательном соединении элементов R
, L
, C
. Лабораторная работа № 2 посвящена изучению устройства и эксплуатации трехфазной электрической цепи синусоидального тока при соединении «звездой».
Выполнение двух следующих работ позволяет студентам ознакомиться с устройством и правилами использования трансформаторов (лабораторная работа № 3) и асинхронных двигателей переменного тока (лабораторная работа № 4).
Третий цикл лабораторных работ посвящен анализу работы электронных схем. В лабораторной работе № 5 рассматривается устройство и эксплуатационные возможности различных схем выпрямителей на диодах. Лабораторная работа № 6 иллюстрирует возможности использования устройств цифровой электроники.
Забиваем Сайты В ТОП КУВАЛДОЙ - Уникальные возможности от SeoHammer
Каждая ссылка анализируется по трем пакетам оценки: SEO, Трафик и SMM.
SeoHammer делает продвижение сайта прозрачным и простым занятием.
Ссылки, вечные ссылки, статьи, упоминания, пресс-релизы - используйте по максимуму потенциал SeoHammer для продвижения вашего сайта.
Что умеет делать SeoHammer
— Продвижение в один клик, интеллектуальный подбор запросов, покупка самых лучших ссылок с высокой степенью качества у лучших бирж ссылок.
— Регулярная проверка качества ссылок по более чем 100 показателям и ежедневный пересчет показателей качества проекта.
— Все известные форматы ссылок: арендные ссылки, вечные ссылки, публикации (упоминания, мнения, отзывы, статьи, пресс-релизы).
— SeoHammer покажет, где рост или падение, а также запросы, на которые нужно обратить внимание.
SeoHammer еще предоставляет технологию Буст, она ускоряет продвижение в десятки раз,
а первые результаты появляются уже в течение первых 7 дней.
Зарегистрироваться и Начать продвижение
Описания лабораторных работ содержат: изложение цели; общие сведения из теории; схему лабораторной установки; порядок выполнения работы; содержание отчета; контрольные вопросы; список рекомендованной литературы. Описания лабораторных работ являются основными методическими документами при проведении опытов. Перед проведением лабораторных работ студенты должны изучить организационно-методические правила и вопросы техники безопасности. Только после сдачи зачета по технике безопасности студенты могут быть допущены к работе в лаборатории. Каждый студент, получивший допуск, должен расписаться в соответствующем журнале в подтверждение того, что он ознакомлен с правилами техники безопасности.
ОСНОВНЫЕ ПРАВИЛА ТЕХНИКИ БЕЗОПАСНОСТИ
Лаборатория электрических цепей
1. К работе на стенде допускаются лица, прошедшие инструктаж и получившие зачет по технике безопасности для электроустановок до 1000 В.
2. Инструктаж по технике безопасности проводит преподаватель, ведущий лабораторные занятия в группе, перед каждой лабораторной работой.
3. Напряжение, подводимое к стенду, не должно превышать 220 В. О включении стенда под напряжение сигнализирует загорание лампы на стенном автомате и на самом стенде.
4. Сборку электрической схемы проводить только при выключенном напряжении питания и отключенном автомате.
5. Проверку электрической цепи лабораторной установки перед включением стенда под напряжение проводит инженер. Разрешение на включение стенда под напряжение и проведение опытов дает преподаватель, ведущий занятия.
6. При проведении опытов не допускается превышение номинальных режимов оборудования стенда и переключение проводов в схемах под напряжением.
7. После выполнения опытов с разрешения преподавателя следует снять напряжение со стенда, разобрать цепь, привести рабочее место в порядок и предъявить инженеру.
Лаборатория электрических машин
Соблюдать все перечисленные выше правила и в дополнение к ним:
1. При пуске электродвигателей необходимо соблюдать особую осторожность: не касаться руками или какими-либо предметами дви-жущихся частей.
2. Следить, чтобы не было превышения номинальных режимов работы электрооборудования.
3. Все переключения в схеме осуществлять при полной остановке двигателей и снятия напряжения питания стенда.
Лаборатория электроники
Соблюдать правила техники безопасности, изложенные выше и, кроме того:
Сервис онлайн-записи на собственном Telegram-боте
Попробуйте сервис онлайн-записи VisitTime на основе вашего собственного Telegram-бота:
— Разгрузит мастера, специалиста или компанию;
— Позволит гибко управлять расписанием и загрузкой;
— Разошлет оповещения о новых услугах или акциях;
— Позволит принять оплату на карту/кошелек/счет;
— Позволит записываться на групповые и персональные посещения;
— Поможет получить от клиента отзывы о визите к вам;
— Включает в себя сервис чаевых.
Для новых пользователей первый месяц бесплатно.
Зарегистрироваться в сервисе
1. При использовании электронных приборов (таких, как генераторы, осциллографы, вольтметры и др.) необходимо остерегаться одновременного касания руками или любыми токопроводящими предметами испытательной панели, находящейся под напряжением, и корпуса прибора, соединенного с клеммой прибора «┴».
2. Запрещается производить какие бы то ни было переключения на распределительном щите и на соседних лабораторных стендах. Заменять предохранители на стендах разрешается только инженеру.
Во всех лабораториях
1. При обнаружении каких бы то ни было неисправностей в схеме, необходимо НЕМЕДЛЕННО ОТКЛЮЧИТЬ
ее от сети и доложить об этом преподавателю.
2. При случайном попадании человека под напряжение необходимо немедленно освободить его от действия электрического тока путем отключения соответствующего выключателя или рубильника. При потере сознания и остановке дыхания необходимо освободить пострадавшего от стесняющей одежды и делать искусственное дыхание до прибытия врача.
ЛАБОРАТОРНАЯ РАБОТА № 1 (2)
*
ИССЛЕДОВАНИЕ НЕРАЗВЕТВЛЁННОЙ ЭЛЕКТРИЧЕСКОЙ ЦЕПИ СИНУСОИДАЛЬНОГО ТОКА. РЕЗОНАНС НАПРЯЖЕНИЙ
Цель работы
1. Исследовать электрическое состояние линейной неразветвленной цепи синусоидального тока при различных потребителях электрической энергии.
2. Приобрести навыки расчета параметров отдельных элементов электрической цепи при последовательном соединении R
-, L
- и С
-элементов.
3. Экспериментально подтвердить теоретические знания, полученные на лекциях и самостоятельных занятиях по неразветвленным электрическим цепям синусоидального тока.
Общие сведения
Резонанс напряжений наблюдается в электрической цепи однофазного переменного тока при последовательном соединении катушки индуктивности (с сопротивлениями: активным RK
и индуктивным XL
) и конденсатора (с емкостным сопротивлением XC
,
активным же сопротивлением RC
за его малостью пренебрегаем). В такой цепи резонанс напряжений может наступить при условии равенства индуктивного сопротивления катушки и емкостного сопротивления конденсатора, т. е. при XL
= XC
. Это выражение является условием резонанса напряжений.
В цепях переменного тока существует два вида нагрузок:
– Активная (ее сопротивление обозначается R
).
– Реактивная, которая может быть индуктивной (с сопротивлением XL
) и емкостной (с сопротивлением Xc
).
Активной нагрузкой являются все те потребители, на которых происходит преобразование электрической энергии в другие виды энергии – тепловую, световую, лучистую, механическую и т. д. На реактивных нагрузках происходит обмен энергией между катушкой индуктивности и конденсатором, причём индуктивность забирает из сети реактивную составляющую, а ёмкость отдаёт её в сеть.
Изменением ёмкости конденсатора или индуктивности катушки можно добиться равенства реактивных составляющих XL
= XC
, тогда в цепи остаётся одна активная составляющая и вся электрическая цепь ведёт себя как цепь с чисто активной нагрузкой. Это явление и происходит при резонансе напряжений.
Полное сопротивление цепи переменного тока при последовательном соединении нагрузок, указанных выше, обозначается Z
. В комплексном виде: Z
= R + j
(XL
– XC
).
Действующее значение полного сопротивления – это модуль комплексного числа, т. е. Z =
½ Z
½ = 
Закон Ома для такой цепи определяется выражением:
I
= 
Отсюда следует, что при резонансе напряжений ток в цепи максимальный. Действительно, если XL
= XC
, то Z = R; I = .
В данной лабораторной работе резонанса добиваемся изменением ёмкости конденсатора. Для трёх характерных точек (до резонанса, резонанс и после резонанса) необходимо построить векторные диаграммы.
При построении векторных диаграмм необходимо выбрать основной (базисный) вектор. В данном случае за базисный берётся вектор тока , так как при последовательном соединении нагрузок в каждый момент времени он одинаков. Этот вектор откладывается в произвольном направлении, причём конец вектора, обозначенный стрелкой, определяет не только его направление, но и его величину в выбранном масштабе. Все остальные вектора, а именно и , откладываются строго определённо относительно вектора тока: вектор опережает вектор тока на угол jК
(угол между током и напряжением катушки), а вектор отстаёт от вектора тока на угол jС
= 90° с учётом того, что активным сопротивлением конденсатора пренебрегаем.
Необходимо помнить, что положительным направлением вращения векторов считается направление против часовой стрелки. Угол jК
определяется через cos jК
=
.
Значения RK
и XL
определяются по измеренным данным, как указано далее в расчётной части. Этот угол для всех трёх точек на векторных диаграммах будет оставаться одним и тем же, так как значения XL
и RK
не меняются.
Далее, согласно второму закону Кирхгофа ( ) надо векторно (по правилу параллелограмма) сложить ранее построенные вектора  и ,
чтобы найти вектор полного напряжения . Угол между этим вектором и вектором тока называется углом сдвига фаз – угол j. Если векторную диаграмму построить в масштабе, то значение полного напряжения должно получиться, равным подведённому к схеме напряжению, а угол j должен быть равен расчётному.
Коэффициент мощности (cos j =
), рассчитанный или полученный из векторной диаграммы, является важным энергетическим параметром и показывает, какая часть электрической энергии может быть превращена в другой вид энергии. При резонансе напряжений cos j = 1, а это значит, что в случае резонанса вся электрическая энергия превращается в другой вид энергии, которая может быть полезно использована.
Пример построения векторной диаграммы для случая, когда , приведен на рис. 1.
Для других случаев векторные диаграммы строятся аналогично, только надо учесть, что действительные значения векторов напряжений будут иными.

Рис. 1
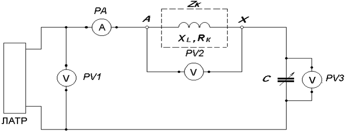
Схема лабораторной установки
Лабораторная установка по исследованию неразветвленной электрической цепи включает контрольно-измерительные приборы, коммутационно-защитные аппараты и потребители электрической энергии.
Питание установки осуществляется от сети переменного тока через регулирующий автотрансформатор ЛАТР.
На рис. 2 приведена электрическая схема лабораторной уста-новки для исследования линейной неразветвленной электрической цепи синусоидального тока.
Порядок выполнения работы
1. Собрать электрическую схему экспериментальной установки (рис. 2) для проведения исследований резонанса напряжений и предъявить для проверки инженеру.
2. С разрешения преподавателя установить с помощью регулирующего автотрансформатора ЛАТР требуемую величину напряжения и в процессе опыта поддерживать ее постоянной (U
= 20 В).
3. Изменяя емкость магазина от 5 до 30 мкФ, измерять с помощью вольтметров PV
2
и PV
3
величины напряжения UК
, UС
, а также ток I
с помощью амперметра РА.

Рис. 2. Электрическая схема неразветвленной электрической цепи:
ЛАТР – лабораторный автотрансформатор; PV1
– вольтметр на 30 В; PV2
– вольтметр на 75 В; PV3
– вольтметр на 75 В; PA
– амперметр на 300 мА; ZK
– катушка индуктивности; C
– магазин емкостей
Данные наблюдений занести в табл. 1.
Таблица 1
| № опыта
|
Измеряемые величины
|
Вычисляемые величины
|
| C
,
мкФ
|
I
,
мA
|
UK,
B
|
UC,
B
|
XC,
Ом
|
Z,
Ом
|
cos j
|
| 1
|
5
|
| 2
|
10
|
| 3
|
15
|
| 4
|
20
|
| 5
|
25
|
.
Значения емкостного сопротивления XC
для различных значений емкости определяются по формуле:

где f
– стандартная частота тока в сети (f
= 50 Гц); С
– значение емкости берется в фарадах (1мкФ = 10–6
Ф).
4. Для определения угла сдвига фаз между током и напряжением катушки, необходимо знать значения XL
и RK
. Эти значения опре-деляются из точки резонанса.
Действительно, если учесть, что при резонансе XL
= XC
,
то значение XL
надо взять равным вычисленному значению XС
для точки резонанса. Кроме того, в точке резонанса Z = RK
,
.
По опытным данным подсчитываются Z
, cos j и строятся:
– график зависимостей
; ; ;
– три векторные диаграммы исследуемой последовательной цепи при
XL
< XC
; XL
= XC
; XL
> XC
.
Содержание отчета
1. Электрическая схема экспериментальной установки.
2. Таблицы с вычисленными и измеренными величинами.
3. Теоретические и экспериментальные характеристики.
4. Векторные диаграммы.
5. Использованные формулы.
6. Краткие выводы. Сопоставление теоретических и экспериментальных характеристик с известными характеристиками из теории.
Контрольные вопросы
При допуске
к лабораторной работе:
1. Что называется резонансом напряжений?
2. Почему при резонансе напряжений ток в цепи достигает своего наибольшего значения?
3. При каком условии в цепи наступает резонанс напряжений?
4. Как рассчитать действующий ток в неразветвленной цепи синусоидального тока с потребителями электрической энергии, характеризуемыми сосредоточенными параметрами R, L
и С
?
5. От каких величин зависит полное сопротивление электрической цепи при последовательном соединении R, L
и С
элементов?
6. Как записывается закон Ома для цепи с последовательным соединением разных по характеру нагрузок?
При защите
лабораторной работы студент должен ответить на вопросы, проработанные при допуске к лабораторной работе, а также должен знать:
1. Как определить коэффициент мощности цепи и чему он равен при резонансе напряжений?
2. От каких параметров зависит значение угла сдвига фаз меж-ду напряжением и током?
3. По какой формуле рассчитывают активную, реактивную и полную мощности в линейной электрической цепи синусоидального тока?
4. Как строятся векторные диаграммы для цепи с последовательным соединением катушки индуктивности и емкости?
5. Чему равно полное сопротивление цепи при резонансе напряжений?
6. Какой характер (по нагрузке) имеет цепь с последовательным соединением катушки индуктивности и емкости при резонансе напряжений?
ЛАБОРАТОРНАЯ РАБОТА № 2 (4)
ИССЛЕДОВАНИЕ ТРЕХФАЗНОЙ ЦЕПИ ПЕРЕМЕННОГО ТОКА ПРИ СОЕДИНЕНИИ ПРИЁМНИКОВ ЗВЕЗДОЙ
Цель работы
1. Опытным путем найти соотношение между действующими фазными и линейными напряжениями и токами при равномерной и неравномерной нагрузке.
2. Установить роль нулевого провода в работе трехфазной установки при различных нагрузках.
3. Экспериментально подтвердить теоретические знания, полученные на лекциях и самостоятельных занятиях по трехфазным электрическим цепям при соединении звездой.
Общие сведения
Соединение звездой в трёхфазной цепи переменного тока – это такое соединение, при котором концы фаз приёмников соединяются в одну точку, называемую нейтральной или нулевой, а начала выводятся на источник питания – трёхфазный генератор.
Трёхфазный генератор всегда соединяется звездой и всегда симметричен. Фазы генератора обозначаются заглавными буквами А
, В
, С
, нейтральная точка – заглавной буквой N.
Начала фаз приём-ника обозначаются строчными буквами а
, b
, с
, концы фаз – x, y
, z, а нулевая точка – строчной буквой n.
Преимуществом трёхфазной цепи при соединении звездой является наличие двух напряжений – линейного и фазного.
Линейным проводом называется провод, соединяющий начало каждой фазы генератора с началом соответствующей фазы приёмника.
Линейные напряжения обозначаются: UAB
, UBC
, UCA
– для генератора и Uab
, Ubc
, Uca
– для приёмника. Они измеряются между двумя линейными проводами. Поскольку генератор всегда симметричен, то при любой нагрузке (симметричной и несимметричной) линейное напряжение U
л
= UAB
= UBC
= UCA
= Uab
= Ubc
= Uca
.
Провода, соединяющие концы фаз приёмника с нейтральной (нулевой) точкой называются фазными проводами, а напряжение, измеренное между началом и концом каждой фазы, называется фазным напряжением, соответственно они обозначаются UA
, UB
, UC
для генератора и Ua
, Ub
, Uc
– для приёмника. При симметричной нагрузке фаз приёмника они равны между собой, при несимметричной – не равны.
Провод, соединяющий нейтральную точку генератора N
c нейтральной точкой приёмника n,
называется нейтральным (нулевым) проводом, а напряжение, измеренное на нём при его размыкании, называется напряжением смещения нейтрали и обозначается UNn
.
Это напряжение может быть измерено только в случае несимметричной нагрузки. Его значение можно определить по формуле меж-узлового напряжения
,
где – комплексные значения фазных напряжений генератора; – комплексные значения полных проводимостей фаз приёмника, при этом надо помнить, что полная проводимость каждой фазы – это величина, обратная полному сопротивлению (
) той же фазы. Тогда при несимметричной нагрузке фаз комплексные значения фазных напряжений приёмника равны (согласно второму закону Кирхгофа):
; ; .
При построении векторной диаграммы фазных и линейных напряжений для симметричной
нагрузки надо учесть, что согласно второму закону Кирхгофа для каждого из трех контуров (включающего две фазы, например: а
и b
или a
и c
или b
и с
) можно записать
; .
Если потенциал нейтральной точки принять за начало отсчета, то фазные напряжения строятся от этой точки под углом 120° друг относительно друга, тогда (на основании вышеприведённых уравнений) линейные напряжения равны векторной разности фазных напряжений и образуют замкнутый равносторонний треугольник. При активной нагрузке (как в данной работе) фазные токи также равны и направлены по фазным напряжениям (ja
=
jb
=
jc
).
Ток в нулевом проводе даже при его включении равен нулю и диаграмма представлена на рис. 1.
Из этой диаграммы определяется соотношение между линейными и фазными напряжениями.
Действительно:
из заштрихованного треугольника можно записать 
иначе: U
л
= U
ф
.
Рис. 1
При несимметричной
нагрузке и отсутствии нулевого провода, когда фазные напряжения и токи не равны, напряжение смещения нейтрали поэтому потенциал нейтральной точки приёмника jn
смещается относительно потенциала нейтральной точки генератора jN
, т. е. из центра треугольника линейных напряжений. Векторная диаграмма в этом случае представлена на рис. 2.

Рис. 2
При несимметричной нагрузке фаз и включённом нулевом проводе происходит выравнивание фазных напряжений приёмника за счёт перераспределения токов в фазах, но появляется ток в нулевом проводе, равный векторной сумме фазных токов . В этом случае векторная диаграмма представлена на рис. 3.
Рис. 3
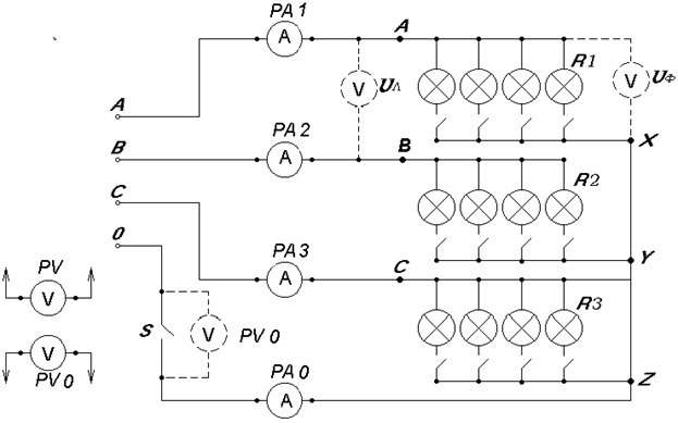
Схема лабораторной установки
Лабораторная работа по исследованию трехфазных электрических цепей включает контрольно-измерительные приборы, коммутационно-защитные аппараты и потребители электрической энергии.
Питание установки осуществляется от сети переменного трехфазного тока.
На рис. 4 приведена электрическая схема лабораторной установки для исследования трехфазной цепи при соединении приемников звездой. В качестве приемников в этой схеме используются три ламповых реостата.
Порядок выполнения работы
1. Ознакомиться с электрической схемой, приборами, аппаратами, элементами экспериментальной установки для проведения опыта и записать их технические характеристики в отчет.

Рис. 4. Электрическая схема при соединении приемников звездой:
амперметры PA
1, PA
2, PA
3 на 300 мА; амперметр PA0
на 0,25 А – переносной прибор; вольтметр PV
на 150 – 300 В; вольтметр PV0
на 75 В; R
1, R
2, R
3 – ламповые реостаты, S
– выключатель
2. Собрать электрическую схему экспериментальной установки (рис. 4) и предъявить для проверки лаборанту. С разрешения преподавателя провести опыты.
П р и м е ч а н и е. Действующие значения линейных токов, равные фазным токам, определяются по амперметрам РА
1
, РА
2
, РА
3
, а ток в нулевом проводе – по амперметру РА
0
. Линейные и фазные напряжения измеряются одним вольтметром путем касания его щупами начала и конца фазы при измерении фазных напряжений, а также начал двух фаз при измерении линейных напряжений. Напряжение U
0
измеряется на выключателе S.
3. При всех отключенных лампах в фазах (проверяется по состоянию их выключателей) и разомкнутом выключателе S
в нулевом проводе подать напряжение на схему нажатием кнопки «ВКЛ».
Последовательно установить различные режимы работы приемников, соединенных звездой, изменяя количество включенных в фазе ламп.
Режимы работы, подлежащие рассмотрению:
– максимальная равномерная нагрузка трех фаз (R
1= R
2 = R
3) без нулевого провода;
– то же с нулевым проводом;
– неравномерная нагрузка фаз (R
1 ¹ R
2 ¹ R
3) без нулевого провода;
– то же с нулевым проводом;
– неравномерная нагрузка фаз (R
1 = R
2; R
3 =
¥
), без нулевого провода;
– то же с нулевым проводом;
Показания приборов записываются в табл. 1.
Следует иметь в виду, что вольтметр PV
0
, будет давать показания, отличные от нуля, только в случае неравномерной нагрузки фаз и отключенном выключателе S.
Амперметр PA
0
будет давать показания, отличные от нуля, в случае неравномерной нагрузки фаз и включенном выключателе S.
Соотношение между линейными и фазными напряжениями определяется только при равномерной нагрузке фаз.
Мощности и сопротивления фаз рассчитываются по формулам:

.
; ; .
| № опыта
|
Соединение фаз
|
Состояние нагрузки
|
Число ламп в фазе
|
Измеряемые величины
|
| A
|
B
|
C
|
IA
, мА
|
IB
, мА
|
IC
, мА
|
I
0
, мА
|
Ua
, B
|
Ub
, B
|
Uc
, B
|
UAB
, B
|
UBC
, B
|
UCA
, B
|
U
0
, B
|
| 1
|
Y
|
R
1=R
2=R
3
|
4
|
4
|
4
|
|
|
|
|
|
|
|
|
|
|
|
| 2
|
Y0
|
R
1=R
2=R
3
|
4
|
4
|
4
|
|
|
|
|
|
|
|
|
|
|
|
| 3
|
Y
|
R
1¹R
2¹R
3
|
4
|
3
|
2
|
|
|
|
|
|
|
|
|
|
|
|
| 4
|
Y0
|
R
1¹R
2¹R
3
|
4
|
3
|
2
|
|
|
|
|
|
|
|
|
|
|
|
| 5
|
Y
|
R
1=R
2 R
3=¥
|
4
|
4
|
0
|
|
|
|
|
|
|
|
|
|
|
|
| 6
|
Y0
|
R
1=R
2 R
3=¥
|
4
|
4
|
0
|
|
|
|
|
|
|
|
|
|
|
|
Результаты вычислений записать в табл. 2.
Таблица 2
| № опыта
|
U
л
U
ф
|
Pa
, Bт
|
Pb
, Bт
|
Pc
, Bт
|
P
, Bт
|
Ra
, Oм
|
Rb
, Oм
|
Rc
, Oм
|
| 1
|
|
|
|
|
|
|
|
|
| 2
|
|
|
|
|
|
|
|
|
| 3
|
|
|
|
|
|
|
|
|
| 4
|
|
|
|
|
|
|
|
|
| 5
|
|
|
|
|
|
|
|
|
| 6
|
|
|
|
|
|
|
|
|
4. Предъявить данные опытов для проверки преподавателю и с его разрешения схему разобрать. Рабочее место привести в исходное состояние и предъявить лаборанту.
5. Построить векторные диаграммы напряжений и токов для исследованных режимов работы.
Содержание отчета
1. Электрическая схема лабораторной установки.
2. Таблицы с измеренными и вычисленными величинами.
3. Использованные формулы.
4. Векторные диаграммы напряжений и токов.
5. Краткие выводы. Сопоставление опытных и расчетных данных с известными положениями из теории.
Контрольные вопросы
При допуске
к лабораторной работе:
1. Какое соединение трехфазной цепи называется соединением звездой?
2. Как называются провода, отходящие от трехфазного генератора?
3. Какая нагрузка фаз называется симметричной?
4. Какие соотношения между действующими фазными и линейными напряжениями можно получить, и для каких режимов работы они справедливы?
5. Для какой нагрузки целесообразно включение нулевого провода?
6. При какой нагрузке фаз применяется четырехпроводная система?
7. В каком соотношении находятся линейные и фазные токи при соединении звездой?
8. Как находится активная мощность каждой фазы и всей цепи?
При защите
лабораторной работы студент должен ответить на вопросы, проработанные при допуске к лабораторной работе, а также должен знать:
1. Что произойдет, если нагрузка фаз будет неравномерной, а нулевой провод не подключен?
2. Как сказывается обрыв нейтрального провода на работе трех-фазной установки при различных режимах?
3. К чему приводит обрыв линейного провода в трехфазной установке?
4. Чему равен ток в нулевом проводе?
5. Как построить векторные диаграммы токов и напряжений соединения звездой для всех указанных режимов?
6. В каком соотношении находятся линейные напряжения при несимметричной нагрузке?
Лабораторная работа №3 (11)
ИСПЫТАНИЕ ОДНОФАЗНОГО ТРАНСФОРМАТОРА
Цель работы
1.
Приобрести практические навыки по использованию и испытанию трансформаторов.
2. Научиться опытным путем определять основные параметры и характеристики трансформаторов.
3. Экспериментально подтвердить теоретические знания, полученные на лекциях и самостоятельных занятиях.
Общие сведения
Трансформатором называют статическое электромагнитное устройство, предназначенное для преобразования посредством магнитного поля электрической энергии переменного тока одного напряжения в электрическую энергию переменного тока другого напряжения той же частоты.
Трансформаторы применяют в линиях электропередачи, в технике связи, автоматике, измерительной технике и других областях. В соответствии с назначением различают: силовые трансформаторы для питания электрических двигателей и электрических сетей; специальные трансформаторы для питания сварочных аппаратов, электропечей и других потребителей, измерительные трансформаторы для подключения измерительных приборов.
По числу фаз трансформаторы делят на одно- и трехфазные. По числу обмоток различают двухобмоточные и многообмоточные трансформаторы.
Трансформатор представляет собой замкнутый магнитопровод, на котором расположены две или несколько обмоток. Для уменьшения потерь на гистерезис магнитопровод изготовляют из магнитомягкого материала – трансформаторной стали, имеющей узкую петлю намагничивания. Для уменьшения потерь на вихревые токи (токи Фуко) в материал магнитопровода вводят примесь кремния, повышающую его электрическое сопротивление, а сам магнитопровод собирают из отдельных листов электротехнической стали толщиной 0,35–0,5 мм, изолированных друг от друга теплостойким лаком или специальной бумагой.
Обмотки трансформатора изготовляют из медного провода и располагают на одном и том же или на разных стержнях, рядом или одна под другой. В последнем случае непосредственно к стержню примыкает обмотка низшего напряжения, а поверх нее размещается обмотка высшего напряжения.
Обмотку трансформатора, к которой подводится напряжение питающей сети, называют первичной. Обмотку, к которой подсоединяется нагрузка – вторичной.
Работа трансформатора основана на явлении взаимной индукции. При подключении первичной обмотки трансформатора к сети переменного тока напряжением U
1
по обмотке начинает проходить ток I
1
, который создает в магнитопроводе переменный магнитный поток. Магнитный поток, пронизывая витки вторичной обмотки, индуцирует в ней э.д.с. Е
2
, которую можно использовать для питания нагрузки.
Одним из основных параметров трансформатора является коэффициент трансформации К
,
где U
1
, U
2
– напряжения на первичной и вторичной обмотках; w
1
, w
2
– число витков обмоток трансформатора (соответственно).
При работе трансформатора за счет токов в обмотках, а также перемагничивания магнитопровода и вихревых токов выделяется теплота, т. е. часть подводимой к трансформатору электрической мощности расходуется на потери. Обычно потери мощности составляют 1–5 % от номинальной мощности трансформатора. Потери разделяют на два вида:
– потери в стали сердечника (складываются из потерь, создаваемых перемагничиванием сердечника и вихревыми токами) – Р
ст
;
– потери в меди обмоток – Р
м
.
Потери в меди складываются из потерь в первичной обмотке и потерь во вторичной обмотке 
Р
м
= + .
Потери в стали зависят от конструкции сердечника трансформатора и свойств использованных материалов, а также величины магнитного потока в сердечнике, который в свою очередь определяется напряжением на первичной обмотке трансформатора U
1
. От нагрузки трансформатора потери в стали не зависят. Потери в меди, напротив, зависят от нагрузки.
Коэффициент полезного действия трансформатора h определяется как отношение полезной мощности (активной мощности вторичной обмотки – Р
2
) к затраченной (активной мощности, потребляемой первичной обмоткой трансформатора P
1
)
h = .
Опыт холостого хода трансформатора.
Холостым ходом трансформатора называется работа трансформатора без нагрузки, т. е. при разомкнутой вторичной обмотке. При проведении опыта холостого хода к вторичной обмотке трансформатора подключают вольтметр для измерения напряжения .
Так как сопротивление измерительной обмотки вольтметра велико, его включение имитирует размыкание вторичной обмотки.
К первичной обмотке подводится напряжение близкое к номинальному. В этом случае по первичной обмотке протекает ток холостого хода , ток во вторичной обмотке равен нулю. В опыте холостого хода можно определить коэффициент трансформации, мощность потерь в стали, коэффициент мощности, ток холостого хода трансформатора.
Опыт короткого замыкания
. Режимом короткого замыкания называется такой режим, когда выводы вторичной обмотки замыкаются токопроводом с сопротивлением равным нулю. В опыте короткого замыкания вторичная обмотка трансформатора замыкается на амперметр. Сопротивление измерительной обмотки амперметра мало, что практически идентично короткому замыканию.
При коротком замыкании вторичной обмотки трансформатора по ней протекает большой ток, так как ее сопротивление стремится к нулю. Поэтому опыт короткого замыкания производят на пониженном напряжении U
1к.з
. Напряжение на вторичной обмотке U
2к.з
равно нулю. Значения токов в первичной и вторичной обмотках не должны превышать номинальных значений. В опыте короткого замыкания определяются следующие параметры: потери в меди, величины сопротивлений обмоток, процентное значение первичного напряжения при коротком замыкании.
Схема лабораторной установки
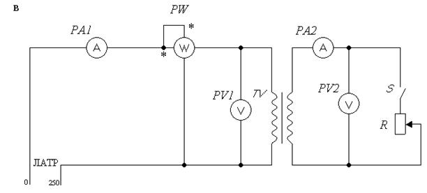
Лабораторная установка, предназначенная для испытания однофазного силового трансформатора, состоит из источника питания, однофазного трансформатора с воздушным охлаждением, контрольно-измерительных приборов, коммутационно-защитных аппаратов и потребителей энергии. Номинальные данные исследуемого в лабораторной работе трансформатора: S
н
= 60 ВА; U
1н
= 220 В; U
2н
= 12 В; I
1н
= 0,425 A; I
2н
=
5 А.
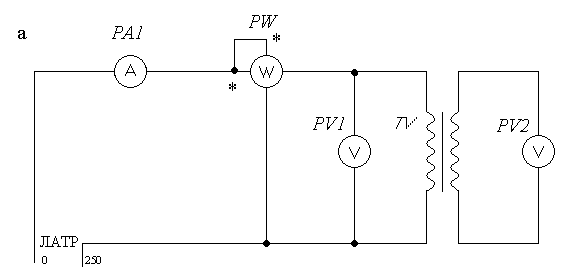
На рис. I приведены электрические схемы лабораторной установки для проведения опыта холостого хода (рис. 1, а), опыта короткого замыкания (рис. 1, б) и исследования работы трансформатора при нагрузке (рис. 1, в). Питание установки осуществляется от сети переменного тока. Входное напряжение регулируется автотрансформатором.
Порядок выполнения работы
1. Ознакомиться с электрической схемой, приборами, аппаратами и другим оборудованием экспериментальной установки, которое используется для испытания трансформаторов, и записать их технические характеристики и данные в отчет.
2. Собрать электрическую схему экспериментальной установки (рис. 1, а) для проведения опыта холостого хода и предъявить для проверки инженеру. При проведении опыта холостого хода использовать приборы: амперметр PA
1 на 500 мА,
вольтметр PV
1 на 250 В, ваттметр PW
на 300 В; 0,5 А, вольтметр РV
2 на 30 В.
При выполнении опыта первичная обмотка трансформатора включается на клеммы 220 В (нижние клеммы), а вторичная – на 12 В (крайние клеммы).
3. После проверки правильности соединений и получения разрешения на проведение опыта включить стенд, установить с помощью ЛАТР номинальное напряжение на первичной обмотке трансформатора. Вторичная обмотка трансформатора при опыте холостого хода замкнута на вольтметр. Ток во вторичной обмотке трансформатора I
2 = 0. Данные наблюдения опыта холостого хода (U
10, I
10, P
10, U
20) записать в табл. 1.
 

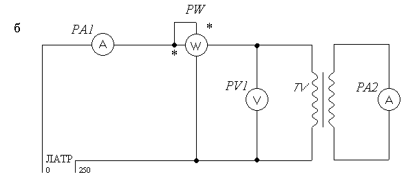
Рис. 1. Электрическая схема испытания трансформатора:
а – опыт холостого хода; б – опыт короткого замыкания; в – при нагрузке
PW –
ваттметр; PA
1, РА
2, РV
1, PV
2 – амперметры и вольтметры в первичной и вторичной цепях; S
– выключатель нагрузки; (0–250 В) – выход ЛАТРа; R
– активная нагрузка
Таблица 1
| Измеряемые величины
|
Вычисляемые величины
|
| U
,
B
|
I
,
А
|
P
,
Вт
|
U
,
B
|
K
12
|
сos j
|
I
,
%
|
P
ст
,
Вт
|
| |
|
|
|
|
|
|
4. На основании опытных данных вычислить коэффициент трансформации К
12
= , процентное значение тока холостого хода I
= 100, коэффициент мощности соs j = .
5. Записать потери в стали P
ст
, приняв их равными активной мощности, потребляемой трансформатором в опыте холостого хода (т. е. приравняв их к показаниям ваттметра).
6. Собрать электрическую схему экспериментальной установки (рис. 1, б) для проведения опыта короткого замыкания и предъявить для проверки инженеру.
Ручка регулирующего автотрансформатора до включения схемы должна быть установлена в нулевое положение, (т. е. в крайнее левое) во избежание повреждения трансформатора!
При проведении опыта короткого замыкания используются приборы: амперметр PA
1 на 500 мА, вольтметр PV
1 на 150 В, ваттметр PW
на 75 В; 0,5 А, амперметр PA
2 на 5 А.
После проверки правильности соединений и получения разрешения на проведение опыта включить стенд и, регулируя ЛАТР, установить номинальный ток во вторичной обмотке трансформатора I
2н
= 5 А, при этом напряжение на вторичной обмотке U
2
будет равно нулю. Данные наблюдений опыта короткого замыкания записать в табл. 2.
Таблица 2
| Измеряемые величины
|
Вычисляемые величины
|
| U
1к.з
, В
|
I
1к.з
, А
|
P
1к.з
, Вт
|
I
2к.з
, А
|
U
,
%
|
Rk
, Ом
|
Zk
, Ом
|
Xk
, Ом
|
P
м
, Вт
|
| |
|
|
|
|
|
|
|
|
7. На основании опытных данных вычислить процентное значение первичного напряжения
U =
100,
где U
1к.з
–
напряжение, подводимое к первичной обмотке при коротком замыкании трансформатора; U
1н
– номинальное первичное напряжение трансформатора.
8. Записать потери в меди Р
м
, приняв их равными активной мощ-ности потребляемой трансформатором в опыте короткого замыкания (т. е. приравняв их к показаниям ваттметра).
9. Определить параметры трансформатора:
– активное сопротивление обмоток
Rk
=
; R
1
» ;
– полное сопротивление обмоток
Zk
=
;
– реактивное сопротивление обмоток
Xk
=
;
X
1
» =
; X2
= .
10. Собрать электрическую схему экспериментальной установки (рис. 1, в) для исследования работы трансформатора при нагрузке и предъявить инженеру. При исследовании трансформатора использовать следующие приборы: амперметр PA
1 на 500 мА. амперметр РА
2 на 5 А, вольтметр PV
1 на 250 В, вольтметр PV
2 на 30 В, ваттметр РW
2 на 300 В; 0,5 А, реостат R
1 на 15 Ом; 5 А.
После проверки правильности соединений и получения разрешения на проведение опытов установить с помощью ЛАТРа на зажимах обмотки трансформатора номинальное напряжение U
1H
и поддерживать его постоянным при изменении нагрузки. Нагрузку изменять с помощью реостата от 0 до I
2H
(снять 5–6 точек). Данные наблюдений записать в табл. 3.
Таблица 3
| № опыта
|
Измеряемые величины
|
Вычисляемые величины
|
| U
1
,
B
|
I
1
,
А
|
P
1
,
Вт
|
U
2
,
В
|
I
2
,
А
|
P
2
,
Вт
|
cos j1
|
hоп
|
| 1
|
220
|
0
|
| 2
|
220
|
1,5
|
| 3
|
220
|
2
|
| 4
|
220
|
3
|
| 5
|
220
|
4
|
| 6
|
220
|
5
|
11. На основании данных вычислить для каждого опыта:
– коэффициент мощности
cos j1
=
;
– полезную мощность
P
2
= U
2
I
2
cos j2
;
где cos j2
= 1, так как нагрузка трансформатора – активная;
– опытное значение КПД
h оп
= .
12. Предъявить данные опытов для проверки преподавателю и с его разрешения схему разобрать. Рабочее место привести в исходное состояние и предъявить инженеру.
Содержание отчета
В отчете должны быть приведены:
1. Номинальные данные трансформатора и электроизмерительных приборов.
2. Электрическая схема лабораторной установки для всех опытов.
3. Таблицы с измеренными и вычисленными величинами.
4. Рабочие характеристики трансформатора U
2
; hоп
; cos j1
; I
1
; P
1
в функции полезной мощности P
2
.
5. Использованные формулы.
6. Краткие выводы. Сопоставление опытных и расчетных данных с известными положениями из теории.
Контрольные вопросы
При допуске
к лабораторной работе:
1. Каковы цель и порядок выполнения работы?
2. С какой целью проводится опыт холостого хода? Порядок проведения опыта холостого хода.
3. Куда затрачивается мощность, потребляемая трансформатором в режиме холостого хода?
4. С какой целью проводится опыт короткого замыкания? Порядок проведения опыта короткого замыкания. Какое напряжение подводится к первичной обмотке при опыте короткого замыкания?
5. Куда затрачивается мощность, потребляемая трансформатором в режиме короткого замыкания?
6. Что называется коэффициентом трансформации и как он выражается?
7. Что называется коэффициентом полезного действия трансформатора?
При защите
лабораторной работы студент должен ответить на вышеперечисленные вопросы, а также должен знать:
1. Что понимают под режимом холостого хода трансформатора? Уравнение равновесия э.д.с. и напряжений для первичной и вторичной обмоток трансформатора.
2. Из каких составляющих состоит ток холостого хода трансформатора?
3. Для чего делают приведение токов и э.д.с. вторичной обмотки к первичной?
4. Что называют внешней характеристикой трансформатора? Какие факторы влияют на изменение напряжения трансформатора при нагрузке?
5. Устройство и принцип действия трансформатора?
6. Как определить номинальный ток однофазного трансформатора?
Лабораторная работа № 4 (12)
ИСПЫТАНИЕ ТРЕХФАЗНОГО АСИНХРОННОГО ДВИГАТЕЛЯ С КОРОТКОЗАМНУТЫМ РОТОРОМ
Цель работы
1. Приобрести практические навыки по использованию и испытанию асинхронных двигателей (АД).
2. Экспериментально подтвердить теоретические знания, полу-ченные на лекциях и самостоятельных занятиях по АД.
Общие сведения
Асинхронные двигатели – самые распространенные из всех видов электрических машин из-за их простоты, надежности, меньших в сравнении с другими машинами весогабаритных показателей, стоимости и иных достоинств.
Трехфазный асинхронный двигатель представляет собой двигатель переменного тока, который преобразует электрическую энергию в механическую. Процесс преобразования осуществляется посредством создаваемого обмотками статора вращающегося магнитного поля, которое заставляет вращаться ротор. Скорость вращения ротора асинхронного двигателя меньше скорости вращения поля статора.
Асинхронные двигатели состоят из двух частей: неподвижной части – статора и подвижной части – ротора, разделенных воздушным зазором.
Статор асинхронного двигателя представляет собой полый цилиндр, собранный из штампованных пластин электротехнической стали толщиной 0,35–0,5мм. В пазы на внутренней поверхности статора укладываются проводники обмотки статора. Обмотку статора выполняют в виде одно- или многовитковых катушек, имеющих одинаковые размеры. Каждая фаза статорной обмотки состоит из нескольких последовательно включенных катушек, находящихся в соседних пазах. Обмотки статора питаются от сети трехфазного переменного тока.
Ротор асинхронного двигателя набирается из штампованных пластин электротехнической стали, которые запрессовываются на вал, входящий при сборке машины в боковые подшипниковые щиты. В пазах на внешней поверхности цилиндрического ротора располагается обмотка ротора.
Различают два вида обмоток ротора: короткозамкнутую обмотку и фазную обмотку. Короткозамкнутая обмотка имеет вид беличьей клетки и состоит из толстых проводящих стержней, соединенных по торцам кольцами. Короткозамкнутую обмотку изготавливают путем заливки расплавленного металла (меди или алюминия) в пазы ротора. Одновременно с обмоткой ротора отливаются лопасти вентилятора, обеспечивающие охлаждение машины.
Принцип действия асинхронного двигателя основан на использовании вращающегося
магнитного поля и законов электротехники. При включении в сеть трехфазного тока в статоре образуется вращающееся магнитное поле. Скорость вращения поля n
1
определяется соотношением n
1
= , где f
– частота питающей сети, p
– число пар магнитных полюсов. Силовые линии вращающегося магнитного поля пересекают проводники обмотки ротора. При этом, согласно закону электромагнитной индукции, в обмотке ротора индуцируется э.д.с., пропорциональная частоте пересечения силовых линий. Под воздействием индуцированной э.д.с. в короткозамкнутой обмотке возникают значительные токи. В соответствии с законом Ампера на проводники с током, находящиеся в магнитном поле, действуют механические силы, которые по принципу Ленца стремятся устранить причину, вызывающую индуцированный ток, т. е. пересечение стержней обмотки ротора силовыми линиями. Таким образом, возникшие механические силы будут раскручивать ротор в направлении вращения поля, уменьшая скорость пересечения стержней обмотки силовыми линиями. В реальных условиях ротор не может достичь частоты вращения поля. Поэтому в асинхронных двигателях ротор вращается с частотой n
2,
меньшей частоты поля статора n
1
, т. е. не синхронно с полем (асинхронно).
Частоту вращения магнитного поля относительно ротора, выраженную в долях частоты вращения поля называют скольжением s
.
Скольжение зависит от нагрузки двигателя. При номинальной нагрузке его значение составляет около 0,05 у машин небольшой мощности и около 0,02 у мощных машин. Вращающий момент, развиваемый двигателем, зависит от скольжения.
Механической характеристикой называется зависимость частоты вращения ротора n
2
от момента на валу при неизменных напряжении и частоте питающей сети. С увеличением момента нагрузки частота вращения двигателя уменьшается незначительно.
Изменение направления вращения ротора называется реверсированием. Для обеспечения реверсирования необходимо изменить направление вращения магнитного поля, т. е. изменить порядок чередования фаз. Для реверсирования асинхронного двигателя достаточно поменять местами две любые фазы на клеммовой колодке двигателя.
Схема лабораторной установки
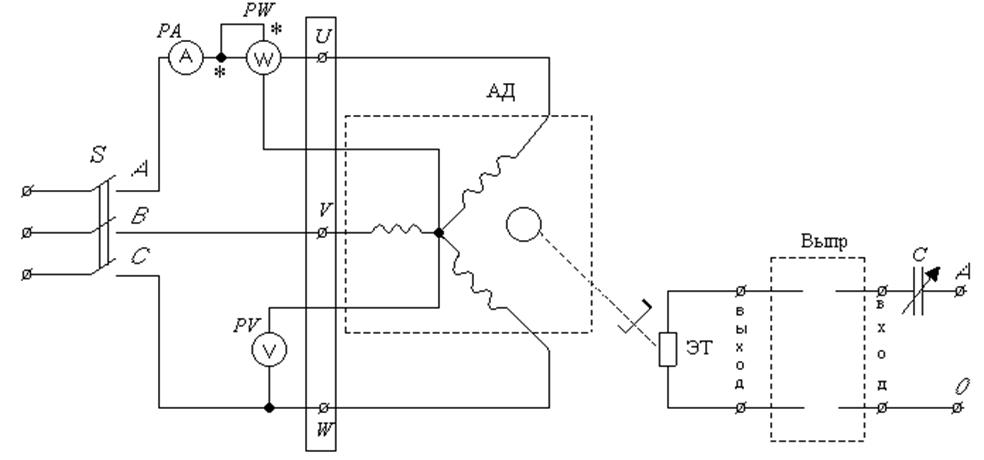
Лабораторная установка (на рис. 1 приведена ее электрическая схема) включает в себя трехфазный асинхронный двигатель с короткозамкнутым ротором, который питается от сети через трехполюсный пакетный выключатель, контрольно-измерительные приборы, коммутационные аппараты и нагрузочное устройство.
В качестве нагрузочного устройства в работе использован электромагнитный тормоз (ЭТ). Электромагнитный тормоз предназначен для создания тормозного момента на валу электродвигателя. Он состоит из электромагнитной системы, связанной с противовесом и системой отсчета по шкале, а также металлического диска, жестко связанного с валом электродвигателя. Питание электромагнитной системы осуществляется постоянным током через выпрямитель.
При протекании постоянного тока в катушках электромагнитной системы возникает постоянное магнитное поле. Во вращающемся диске при пересечении магнитным полем наводятся вихревые токи. Взаимодействие постоянного магнитного поля и вихревых токов, наводимых в диске, вызывает тормозной момент, и электромагнитная система отклоняется на определенный угол, фиксируя величину момента по шкале.
Порядок выполнения работы
1. Ознакомиться с электрической схемой, приборами, аппаратами и другим оборудованием экспериментальной установки. Записать их технические данные в отчет.
2. Собрать электрическую схему экспериментальной установки для испытания асинхронного двигателя (рис. 1) и предъявить для проверки инженеру.

Рис. 2. Электрическая схема испытания трехфазного асинхронного двигателя с короткозамкнутым ротором:
S
– пакетный выключатель; АД – асинхронный двигатель; PW
– ваттметр; PA
– амперметр в цепи статора АД; PV
– вольтметр в цепи статора АД; Выпр. – выпрямитель; ЭТ – электромагнитный тормоз с обмоткой
При проведении испытаний асинхронного двигателя в схеме используются приборы: амперметр РA
на 500 мА, вольтметр PV
на 150 В, ваттметр РW
на 150 В и 0,5 А.
3. После проверки правильности соединений и получения разрешения преподавателя на проведение опытов осуществить прямой пуск АД. Для осуществления прямого пуска АД необходимо подать питание на электродвигатель, замкнув сеть выключателем S
. Для остановки двигателя необходимо его отключить от сети с помощью выключателя S
.
4. Осуществить изменение направления вращения электродвигателя (реверс). С этой целью при обесточенной электрической схеме поменять местами линейные провода любых двух фаз (например, А и В или A и C или В и С) двигателя и потом подать питание выключателем S .
Убедиться, что электродвигатель изменил направление вращения ротора на противоположное.
5. Провести испытание электродвигателя под нагрузкой при соединении обмоток фаз статора звездой. Нагрузка на валу электродвигателя создается с помощью электромагнитного тормоза.
При испытании асинхронного двигателя под нагрузкой проводят 5–7 опытов. Первый опыт проводится при отсутствии нагрузки на валу двигателя – режим холостого хода (ток в обмотке электромагнитного тормоза отсутствует). После этого включается электромагнитный тормоз. Регулируя величину тока в обмотке, провести еще несколько опытов.
Показания приборов при каждом опыте записывать в табл. 1.
Таблица 1
| № пп
|
Измеряемые величины
|
Вычисляемые величины
|
| I1,
А
|
U
ф
,
В
|
р
Ф
,
Bт
|
n
2
,
об/мин
|
M,
H×м
|
S,
ВА
|
P
1
,
Вт
|
Р
2,
Вт
|
h,
%
|
s
,
%
|
сos j
|
| 1
|
|
|
|
|
0
|
|
|
|
|
| 2
|
|
|
|
|
|
|
|
|
|
| 3
|
|
|
|
|
|
|
|
|
|
| 4
|
|
|
|
|
|
|
|
|
|
| 5
|
|
|
|
|
|
|
|
|
|
| 6
|
|
|
|
|
|
|
|
|
|
Частота вращения электродвигателя определяется по формуле:
n
2
= nK
,
где n
– показания прибора ФТ4-1; К
– множительный коэффициент, равный 5.
6. Из опыта холостого хода (1-я строка табл. 1) определяем вращающийся момент холостого хода двигателя M
0
(H×м):
,
где Р0
=
3Р
ф
; n
1
= 1500 об/мин – синхронная частота вращения асин-хронного двигателя.
7. На основании данных измерений для каждого опыта вычислить:
– полную мощность, потребляемую двигателем S
= 3U
ф
I
1
;
– активную мощность P
1
= 3 P
ф
,
где Р
ф
– мощность, измеренная с помощью ваттметра;
– полезную мощность на валу двигателя P
2
= 0,1M n
2
;
– коэффициент полезного действия h = ;
– скольжение s
= ;
– коэффициент мощности cos j = .
8. Построить по опытным данным:
а) механическую характеристику n
2
= f (M)
б) рабочие характеристики n
2
, s
, M
, I
1
, cos j в функции от P
2
;
в) график зависимости вращающего момента от скольжения М
= f
(s
).
9. Сделать выводы по работе. Сопоставить полученные результаты с известными данными из теоретического курса по асинхронным двигателям.
10. Предъявить данные опытов для проверки преподавателю, и после разрешения схему разобрать. Рабочее место привести в исходное состояние и предъявить инженеру.
Содержание отчета
В отчете должны быть представлены:
1. Номинальные данные асинхронного электродвигателя и электроизмерительных приборов.
2. Электрическая схема лабораторной установки по испытанию асинхронного двигателя.
3. Таблицы с измеряемыми и вычисляемыми величинами.
4. Рабочие характеристики асинхронного двигателя в одной координатной системе: n
2
; s
, M
, I
1
; cos j1
и в функции полезной мощности Р
2
.
6. Зависимость величины момента на валу двигателя от скольжения M = f
(s
).
7. Механическая характеристика асинхронного двигателя n
2
= f
(M
).
8. Использованные формулы.
9. Краткие выводы. Сопоставление опытных и расчетных данных с известными положениями из теории.
Контрольные вопросы
При допуске
к лабораторной работе:
1. Какова цель и порядок выполнения работы?
2. Как устроен трехфазный асинхронный двигатель с короткозамкнутым ротором?
3. Как обозначаются начала и концы фаз обмотки статора?
4. Принцип действия асинхронного двигателя. Как создается вращающееся магнитное поле в статоре асинхронного двигателя?
5. Как изменить направление вращения трехфазного асинхронного двигателя?
6. Какую зависимость называют механической характеристикой?
7. Как изменяется коэффициент мощности асинхронного двигателя при переходе от холостого хода к номинальной нагрузке на валу?
8. Почему при перемене двух фаз изменяется направление вращения трехфазного асинхронного двигателя?
9. Что такое синхронная частота вращения? Какой формулой она выражается?
10. Что такое скольжение асинхронного двигателя?
При защите
лабораторной работы студент должен ответить на вышеперечисленные вопросы, а также должен знать:
1. Какие потери имеют место в статоре и роторе асинхронного двигателя и от каких факторов они зависят?
2. Зависимость КПД от полезной мощности.
3. Как влияет напряжение на величину вращающего момента?
4. Зависимость вращающего момента от скольжения.
5. Способы регулирования частоты вращения.
6. Способы торможения асинхронных двигателей.
ЛАБОРАТОРНАЯ РАБОТА № 5 (32)
ИССЛЕДОВАНИЕ ВЫПРЯМИТЕЛЕЙ
Цель
работы
1. Изучить схемы и принцип действия выпрямительных устройств.
2. Приобрести практические навыки по оценке основных характеристик схем выпрямителей.
3. Экспериментально подтвердить теоретические знания, полученные на лекциях и самостоятельных занятиях.
Общие сведения
Электрическая энергия вырабатывается, передается и распределяется главным образом в форме переменного синусоидального тока. В то же время существуют достаточно многочисленные электроустановки, для питания которых требуется постоянный ток, например, электролизные установки на промышленных предприятиях, зарядные устройства для подзарядки аккумуляторных батарей, электросварочные аппараты, различные электронные устройства и т. п.
Выпрямителями
называются электронные устройства, предназначенные для преобразования переменного тока в постоянный.
В общем случае выпрямитель состоит из согласующего трансформатора, диодной схемы и фильтра.
Характеристики и параметры выпрямителей зависят от источника питания (однофазный или трехфазный) и типа диодной схемы. Форма выпрямленного напряжения во всех случаях представляется пульсирующей кривой, которая оценивается средним значением выпрямленного напряжения U
ср
, частотой пульсации или частотой основной (первой) гармонической составляющей f
1
разложения в ряд Фурье и коэффициентом пульсации К
п
. Большинство потребителей выпрямленного напряжения достаточно чувствительны к форме кривой, которая и характеризуется указанными параметрами. Среднее значение выпрямленного напряжения U
ср
может быть измерено электромеханическим прибором (вольтметром) непосредственной оценки, а коэффициент пульсации К
п
может быть определен по результатам наблюдений и измерений кривой напряжения на экране осциллографа (примерный график см. на рис. 1). Коэффициент пульсации К
п
может быть рассчитан по одному из нижеследующих выражений:
К
п
= или К
п
= ,
где U
max
, U
min
и U
ср
– величины напряжения, определяемые по экрану осциллографа относительно нулевой линии, а m
– число пульсаций этого напряжения за период выпрямляемого напряжения. Следует заметить, что вторая формула справедлива лишь для m
³ 2, т. е. начиная со схемы двухполупериодного выпрямителя.
Рис. 1. Пример осциллограммы выпрямленного напряжения
Частота пульсации или частота основной (первой) гармонической составляющей f
1
определяется выражением (для m
³ 2 )
f
1
= т fс
или f
1
= 1/t
П
.
Для однофазного однополупериодного выпрямителя f
1
= fс
.
Среднее значение выпрямленного напряжения вычисляется через измеренный ток нагрузки I
0
т. е. U
ср
= I
0
R
н
, где R
н
– сопротив-ление нагрузки, равное 750 Ом.
Схема лабораторной установки
Лабораторная установка включает в себя макет с диодами, нагрузочным резистором и емкостным фильтром, миллиамперметр с пределом измерения постоянного тока 75 мА, осциллограф С1-72, набор проводов и стенд ЛРС-2Р, на котором размещается все оборудование.
Порядок выполнения работы
1. Ознакомиться с электрической схемой, приборами, аппаратами и элементами экспериментальной установки.
2. Собрать электрическую схему однофазного однополупериодного выпрямителя (рис. 2).
Рис. 2. Схема однофазного однополупериодного выпрямителя
3. Предъявить схему для проверки преподавателю.
4. Провести исследование однофазного однополупериодного выпрямителя.
4.1. Включить тумблеры питания на макете. Включить стенд. Включить осциллограф С1-72 и дать ему прогреться в течение нескольких минут. Установить и сфокусировать лучи осциллографа. Замыканием выходных концов кабеля осциллографа зафиксировать положение нулевой линии (линии отсчета) на экране
.
4.2. Измерить с помощью миллиамперметра значение выпрямленного тока I
0
.
4.3. С помощью осциллографа измерить максимальное значение напряжения U
max
на выходе выпрямителя.
4.4. С помощью осциллографа измерить: t
п
- длительность пульсации, m
- число пульсаций за период изменения входного напряжения.
4.5. Зарисовать с осциллографа форму кривой выпрямленного напряжения.
5. Произвести исследование влияния емкостного фильтра на работу однофазного однополупериодного выпрямителя.
5.1. Подключить емкостной фильтр С
ф
параллельно нагрузочному резистору R
н
.
5.2. Произвести опыты по пп. 4.4-4.5.
5.4. Измеренные значения U
max
и U
min
записать в табл. 1.
5.5. Сравнить полученные результаты с результатами опытов, которые проводились по п. 4 (исследование однополупериодного однофазного выпрямителя).
5.6. Обязательно отключить оба тумблера питания на макете и схему разобрать. Сборку схемы и переключения выполнять только при выключенном питании.
Таблица 1
| Схема и параметры выпрямителя
|
I
0
, мA
|
U
ср
,
В
|
U
mах
, В
|
U
min
, В
|
t
п
, мс
|
f
1
=1/t
п
Гц
|
m
|
K
п
|
| Однофазный однополупериодный
|
-
|
| Однофазный однополупериодный с С-фильтром
|
| Однофазный мостовой
|
| Трехфазный мостовой
|
6. Произвести исследование однофазного мостового выпрямителя.
6.1. Собрать схему однофазного мостового выпрямителя и предъявить для проверки (рис. 3).
Рис. 3. Схема однофазного мостового выпрямителя 6.2. Проверить положение нулевой линии на экране осцил-лографа.
6.3. Произвести опыты по пп. 4.3-4.5, 5.4.
6.4. Отключить питающие тумблеры на макете и схему разобрать.
7. Произвести исследование трехфазной мостовой схемы выпрямителя.
7.1. Собрать схему мостового трехфазного выпрямителя и предъявить для проверки (рис. 4).
7.3. Произвести опыты по п.п. 4.3-4.5, 5.4.
7.4. Отключить тумблеры питания на макете, разобрать схему и предъявить преподавателю опытные данные.
8. Отключить осциллограф, выключить стенд и автомат питания.
Привести рабочее место в порядок и сдать его инженеру.
Рис. 4. Схема мостового трехфазного выпрямителя
Содержание отчета
1. Цель работы.
2. Схемы исследуемых выпрямителей.
3. Таблица наблюдений и вычислений.
4. Рисунки осциллограмм выпрямленного напряжения, выполненные на миллиметровке.
5. Краткие выводы по работе.
Контрольные вопросы
При допуске
к лабораторной работе:
1. Какова цель работы?
2. В чем заключается назначение выпрямителя?
3. Из каких главных частей состоит выпрямитель?
4. Как работает однофазный выпрямитель: однополупериодный; двухполупериодный мостовой?
5. Какими данными надо располагать для выбора диода выпрямителя?
6. Какое влияние оказывает на работу выпрямителя конденсатор фильтра?
При защите
лабораторной работы необходимо ответить на все вышеперечисленные вопросы и, кроме того:
1. Как проходит ток в однополупериодном выпрямителе?
2. Как проходит ток в мостовом однофазном выпрямителе?
3. Как проходит ток в трехфазном мостовом выпрямителе?
4. Какую форму, величину и период имеют кривые напряжения на нагрузке при различных схемах выпрямителя?
5. Как при помощи осциллографа определить амплитуду и длительность напряжения на нагрузке?
6. Объяснить форму кривой напряжения при подключении кон-денсатора?
ЛАБОРАТОРНАЯ РАБОТА № 6 (35)
ИССЛЕДОВАНИЕ ЦИФРОВЫХ ЛОГИЧЕСКИХ ЭЛЕМЕНТОВ (НА БАЗЕ ТТЛ-ЭЛЕМЕНТОВ)
Цель работы
1. Изучить принципы построения транзисторно-транзисторных логических схем (ТТЛ).
2. Приобрести практические навыки по использованию и применению логических схем.
3. Экспериментально изучить логические операции умножения (конъюнкции), сложения (дизъюнкции), отрицания (инверсии), которые осуществляются с помощью логических схем И, ИЛИ, НЕ.
4. Экспериментально подтвердить теоретические знания, полученные на лекциях и самостоятельных занятиях по логическим схемам.
Общие сведения
Логическими элементами называют электронные устройства, выполняющие простейшие логические операции.
Логические и запоминающие элементы составляют основу устройств цифровой обработки информации – вычислительных машин, цифровых измерительных приборов и устройств автоматики.
Теоретической основой построения электронных цифровых устройств, предназначенных для обработки цифровой информации, являет-ся область математики, называемая алгеброй логики
(булевой алгеброй).
В отличие от обычной алгебры в алгебре логики логическая переменная X
может принимать только два значения – логического нуля 0 и логической единицы 1. Логические операции над логической переменной X
(или X
1, X
2, X
3, …) описываются логической функцией Y
(X
) [или Y
(X
1, X
2, X
3, …)], устанавливающей соответствие между X
(или X
1, X
2, X
3, …) и значениями Y, и записываются в виде таблицы истинности
.
Логическая переменная X
представляется на входе логического элемента напряжением сигнала, принимающим два значения: низкого или высокого уровня (например, 0 или +5 В). Чаще применяют положительную логику, при которой за логическую 1 принят высокий уровень, а за логический 0 – низкий (при отрицательной логике наоборот).
Основой для построения узлов импульсной и цифровой техники служат полупроводниковые ключевые схемы. Ключевая схема (ключ) позволяет подключать нагрузку к источнику или отключать ее и, таким образом, коммутировать ток в нагрузке.
В качестве электронных ключей в логических элементах, как правило, применяют транзисторы. Одним из широко распространенных видов построения электронных схем является так называемая транзисторно-транзисторная логика (ТТЛ). Электронная схема таких логических элементов состоит из биполярных транзисторов, работающих в ключевом режиме.
Для построения логических устройств любой сложности достаточно иметь три типа элементарных логических элементов, выполняющих операции: логическое отрицание (логическое НЕ), логическое сложение (логическое ИЛИ) и логическое умножение (логическое И).
Логический элемент НЕ (инвертор) реализует логическую функцию: F =
`x.
Условное обозначение схемы НЕ изображено ниже
Элемент ИЛИ (дизъюнктор) на два входа реализует логическую функцию: F = x
1
+ x
2
или F = x
1
Ú x
2
. Обозначение схемы ИЛИ показано ниже

Элемент И (конъюнктор) на два входа реализует логическую функцию: F = x
1
x
2
или F = x
1
Ù x
2
.Условное обозначение схемы И приведено ниже
Из простых элементов можно составить сколь угодно сложные логические устройства, например, счетчики импульсов, регистры, сумматоры, блоки памяти и т. п.
На практике применяют комбинированные элементы, реализующие две логические операции. К ним относится, например, элемент:
 И-НЕ (штрих Шеффера), реализующий функцию F = x
1
x
2
изображен ниже
Такие элементы называются функционально полными
, так как позволяют реализовать любую
логическую функцию.
Предлагаемая для выполнения лабораторная работа направлена на изучение логических операций на примере работы двухвходовой схемы 2И-НЕ и приобретение навыков реализации с помощью этого логического элемента схем, выполняющих три элементарные операции: логическое сложение, логическое умножение, логическое отрицание.
Основные элементы лабораторной установки
Лабораторная установка, изображенная на рис. 1, включает в себя макет с логическими схемами 2И-НЕ (микросхема 155ЛАЗ - четыре элемента 2И-НЕ), обозначенные на макете D
1.1, D
1.2, D
1.3, D
1.4, стенд ЛРС, на котором размещается оборудование: источник питания, вольтметр универсальный В7-26.
Рис. 1. Двухвходовой логический элемент 2И-НЕ
Порядок выполнения работы
1. Ознакомиться с электрической схемой, приборами и элементами лабораторного макета и стенда ЛРС. Ответить на контрольные вопросы и расписаться в журнале по технике безопасности. Получить разрешение на выполнение лабораторной работы.
2. Убедиться, что все тумблеры стенда и макета находятся в положении "ВЫКЛ" (положение тумблера вниз).
3. Подключить лабораторный макет к разъему, который нахо-дится на боковой панели стенда ЛРС.
4. Включая тумблер на лабораторном макете, подать питание на логические схемы.
5. Проверить логическое состояние ячейки "2И-НЕ" (рис. 1), для этого подключить входы 1
(X
1.1) и 2
(X
1.2) схемы D
1.1 к двум клеммам "Логический нуль" и "Логическая единица" (на макете обозначенные "О" и "1" согласно табл. 1) и фиксировать логическое состояние выхода схемы (У
1) при различных комбинациях входных сигналов. Логическое состояние определяется с помощью светодиодов, подключенных на выходе схемы. Горящий светодиод соответствует состоянию "логическая единица", погашенный - "логический нуль". Результаты эксперимента занести в табл. 1.
Таблица 1
| Х
1.1
|
Х
1.2
|
Y
1
|
| 0
1
0
1
|
0
0
1
1
|
6. Отключить провода от входов и выходов схемы D
1.1. Отключить тумблер "ВКЛ" лабораторного макета.
7. Исследовать схему НЕ (логический инвертор).
7.1. Собрать схему НЕ на базе элемента 2И-НЕ (рис. 2).
7.2. Включить тумблер питания "ВКЛ" на лабораторном макете. Подавая на вход X
1.1 логический нуль или логическую единицу, фиксировать логическое состояние выхода схемы (У
1). Результаты эксперимента занести в табл. 2.
7.3. Выключить тумблер питания макета и разобрать схему НЕ.
|
Рис. 2. Схема НЕ
|
Таблица 2
8. Исследовать схему И.
8.1. Собрать схему двухвходового элемента И на базе двух элементов 2И-НЕ (рис. 3).
8.2. Включить лабораторный макет тумблером "ВКЛ". При различных комбинациях входных сигналов, переключая входы X
1.1 и X
1.2 с логического нуля на логическую единицу, фиксировать логическое состояние выхода схемы (Y
2) в каждом случае. Логическое состояние определить с помощью светодиода. Результаты эксперимента занести в табл. 3.
8.3. Выключить тумблер питания лабораторного макета, разобрать схему.
Рис. 3. Схема И
Таблица 3
| Х
1.1
|
Х
1.2
|
Y
2
|
| 0
1
0
1
|
0
0
1
1
|
9. Произвести исследование схемы ИЛИ, собранной на базе элементов 2И-НЕ.
9.1. Собрать схему ИЛИ (рис. 4). Показать собранную схему преподавателю или инженеру и получить разрешение на включение макета.
9.2. Включить питание лабораторного макета. При различных комбинациях входных сигналов, переключая входы Х
1.1 и X
2.1 с логического нуля на логическую единицу, согласно табл. 4 фиксировать логическое состояние выхода схемы (Y
3) в каждом случае. Результаты эксперимента занести в табл. 4.
Таблица 4
| Х
1.1
|
Х
2.1
|
Y
3
|
| 0
1
0
1
|
0
0
1
1
|
Рис. 4. Схема ИЛИ
10. Предъявить таблицу с результатами экспериментальных исследований преподавателю.
Содержание отчета
1. Цель работы.
2. Принципиальная электрическая схема базового элемента И-НЕ транзисторно-транзисторной логики (на два входа).
3. Структурные схемы логических элементов ИЛИ и НЕ, собранных на базе элемента 2И-НЕ.
4. Таблицы с результатами измерений и логическими состояниями исследуемых элементов.
5. Краткие выводы по работе.
Контрольные
вопросы
При допуске
к лабораторным работам:
1. Какова цель работы?
2. Каково назначение и область применения логических элементов?
3. Что такое логическое сложение, умножение, отрицание?
4. Какой элемент является базовым в схемах ТТЛ?
5. Как условно обозначаются логические элементы на принципиальных и структурных схемах?
При защите
лабораторной работы необходимо ответить на все вышеперечисленные вопросы и, кроме того:
1. Уметь начертить принципиальную схему базового элемента ТТЛ.
2. Объяснить по принципиальной схеме работу схемы 2И-НЕ в ТТЛ.
3. Уметь начертить и объяснить работу схемы ИЛИ, собранной на базе элементов 2И-НЕ.
4. Объяснить работу схемы НЕ.
5. Уметь составить таблицу состояний (истинности) для всех логических схем, исследованных в лабораторной работе.
СПИСОК ЛИТЕРАТУРЫ
1. Касаткин А.С., Немцов М.В.
Электротехника. – М.: Высш. шк., 2002. – 542 с.
2. Иванов И.И., Равдоник В.С.
Электротехника. – М.: Высш. шк., 1984. – 376 с.
3. Общая электротехника / Под ред. А.Т. Блажкина. – М.: Энергатомиздат, 1986. – 592 с.
4. Забродин Ю.С.
Промышленная электроника. – М.: Высш. шк., 1982. – 496 с.
5. Основы промышленной электроники / Под ред. В.Г. Герасимова. – М.: Высш. шк., 1986. – 336 с.
СОДЕРЖАНИЕ
Введение………………………………………………………… 3
Основные правила техники безопасности…………………… 4
Лабораторная работа № 1. Исследование неразветвленной электрической цепи синусоидального тока. Резонанс напряжений………………………..…………………………… 6
Лабораторная работа № 2. Исследование трехфазной цепи переменного тока при соединении приемников зведой………………………………………………………….. 13
Лабораторная работа № 3. Испытание однофазного трансформатора………………………………………………. 22
Лабораторная работа № 4. Испытание трехфазного асинхронного двигателя с короткозамкнутым ротором ….. 31
Лабораторная работа № 5. Исследование выпрямителей…. 39
Лабораторная работа № 6. Исследование цифровых логических элементов (на базе ТТЛ – элементов) …………. 46
Список литературы……………………………………………. 53
Афанасьева Наталья Александровна Батяев Анатолий Алексеевич Новотельнова Анна Владимировна Русанов Александр Викторович
ЭЛЕКТРОТЕХНИКА И ЭЛЕКТРОНИКА
Методические указания к лабораторным работам по курсу «Электротехника и электроника» для студентов факультета заочного обучения и экстерната всех специальностей
Редактор
Л.Г. Лебедева
Корректор
Н.И. Михайлова
_________________________________________________________________________
Подписано в печать 27.09.2003. Формат 60´84 1/16. Бум. писчая
Печать офсетная. Усл. печ. л. 3,26. Печ. л. 3,5. Уч.-изд. л. 3,31
Тираж 1000 экз. Заказ № C 38
________________________________________________________________________
СПбГУНиПТ. 191002, Санкт-Петербург, ул. Ломоносова, 9
ИПЦ СПбГУНиПТ. 191002, Санкт-Петербург, ул. Ломоносова, 9
* Здесь и далее: в скобках указаны номера тех же работ, выполняемых студентами дневных факультетов
|