|
 |
 |
 |
|
 |
Реферат: Концерн медведь
Название: Концерн медведь
Раздел: Остальные рефераты
Тип: реферат
Добавлен 13:55:28 14 сентября 2011 Похожие работы
Просмотров: 85
Комментариев: 17
Оценило: 0 человек
Средний балл: 0
Оценка: неизвестно Скачать
|
| концерн медведь
ПАСПОРТ
устройство управления
«теплур-1»; «Теплур-3»
|
| ………… ………….… ...…....
СОДЕРЖАНИЕ
…
..…….……. ……….…..
| Введение
|
| 1. Назначение изделия.
|
3
|
| 2. Основные технические характеристики.
|
3
|
| 3. Устройство и работа устройства
|
8
|
| 4. Указание мер безопасности.
|
17
|
| 5. Подготовка устройства к использованию.
|
17
|
| 6. Использование устройства.
|
21
|
| 7. Техническое обслуживание.
|
22
|
| 8. Комплект поставки.
|
34
|
| 9. Свидетельство о приемке.
|
34
|
| 10. Гарантии поставщика
|
34
|
| 11. Сведения о рекламациях.
|
34
|
|
|
| 8. кОМПЛЕКТ ПОСТАВКИ
Устройство управления «Теплур-Х» 1 шт.
Вилка DB-9М 1 шт.
Корпус к вилке DB-9М 1 шт.
Вставка плавкая ВП1-1 0,5А 1 шт.
Дискетка 3,5̏ 1 шт.
Паспорт 1 шт.
9. сВИДЕТЕЛЬСТВО О ПРИЕМКЕ
Устройство управления «Теплур ___» заводской № ___________ изготовлен и принят в соответствии с обязательными требованиями Технических условий, действующей технической документацией и признан годным для эксплуатации.
Дата выпуска _________________
Штамп и подпись ОТК __________________________________
Управляющее устройство должно быть приняты ОТК предприятия изготовителя. Изготовитель гарантирует соответствие устройства требованиям технических условий при соблюдении потребителем условий эксплуатации. Гарантийный срок 18 месяцев со дня отгрузки с предприятия изготовителя.
11. Сведения о рекламациях
Сведения о выявленных дефектах во время эксплуатации управляющего устройства или выходе его из строя до окончания гарантийного срока, а также отзывы о работе или предложения по улучшению конструкции изделия просим направлять по адресу:
| 
|
Официальный дистрибьютор:
ООО «АльянсЭкспоКом»
Адрес почтовый и юридический:
Россия, 440034, г. Пенза, ул. Калинина, 135
Контакты:
Тел.: +7(8412) 30-28-73, 30-28-74
Факс: +7(8412) 34-61-96
E-mail: info@aek-penza.ru
Web-сайт: www.aek-penza.ru
|
-34- -
|
вВЕДЕНИЕ
Настоящий паспорт предназначен для ознакомления с устройством управления «Теплур-1» и «Теплур-3 (в дальнейшем Устройство) и устанавливает правила эксплуатации, соблюдение которых обеспечивает поддержание их в постоянной готовности к действию, а так же служит руководством по монтажу, эксплуатации и хранению.
Конструкция и программное обеспечение устройства постоянно совершенствуются, поэтому в паспорте могут быть не отражены отдельные изменения, не влияющие на его технические характеристики.
Забиваем Сайты В ТОП КУВАЛДОЙ - Уникальные возможности от SeoHammer
Каждая ссылка анализируется по трем пакетам оценки: SEO, Трафик и SMM.
SeoHammer делает продвижение сайта прозрачным и простым занятием.
Ссылки, вечные ссылки, статьи, упоминания, пресс-релизы - используйте по максимуму потенциал SeoHammer для продвижения вашего сайта.
Что умеет делать SeoHammer
— Продвижение в один клик, интеллектуальный подбор запросов, покупка самых лучших ссылок с высокой степенью качества у лучших бирж ссылок.
— Регулярная проверка качества ссылок по более чем 100 показателям и ежедневный пересчет показателей качества проекта.
— Все известные форматы ссылок: арендные ссылки, вечные ссылки, публикации (упоминания, мнения, отзывы, статьи, пресс-релизы).
— SeoHammer покажет, где рост или падение, а также запросы, на которые нужно обратить внимание.
SeoHammer еще предоставляет технологию Буст, она ускоряет продвижение в десятки раз,
а первые результаты появляются уже в течение первых 7 дней.
Зарегистрироваться и Начать продвижение
Устройство предназначено для управления регулирующим устройством регуляторов температуры типа «ЭЛЕКТРОНИКА Р – Х.Т», обеспечивающих автоматическое регулирование температуры теплоносителя в системах отопления и горячего водоснабжения жилых, общественных, промышленных зданий и сооружений с целью экономии тепла и создания комфортных условий.
Условия эксплуатации:
- окружающая среда – воздух;
- температура окружающей среды от +5° до +45°С;
- относительная влажность воздуха до 85% при температуре +25°С;
- атмосферное давление от 84,0 до 106,6 кПа;
- напряжение питания или напряжение управляющих импульсов от 187 до 242 В частоты (50±1)Гц.
| 2. ОСНОВНЫЕ ТЕХНИЧЕСКИЕ ХАРАКТЕРИСТИКИ.
|
Габаритные и установочные размеры устройства приведены в приложении А.
Масса устройства управления не более 3 кг.
Устройство обеспечивает пропорционально – интегральный (ПИ) закон регулирования.
Установочные параметры устройства, определяющие его функциональные возможности, соответствуют приведенным в таблице 1.1; 1.2.
-3-
|
| Табл. 1.1 Установочные параметры устройства «Теплур-1».
| №
п-ра
|
Наименование параметра
|
Значение
параметра
|
Дискретность установки
|
| Min
|
Max
|
| 11
|
Блокировка выходов
|
00
|
01
|
1
|
| 12
|
Программа работы устройства
|
01
|
05
|
1
|
| Параметры ПИ - регулирования
|
| 13
|
Температура объекта регулирования, определяемого назначением регулятора, °С
-горячей воды в регуляторах горячего водоснабжения
-воздуха в помещении в регуляторах отопления.
|
30
5
|
80
50
|
0,5
0,5
|
| 14
|
Предельное отклонение температуры объекта регулирования или теплоносителя в подающем трубопроводе, °С
|
0,1
|
10
|
0,1
|
| 15
|
Зона нечувствительности по рассогласованию температуры, °С:
- горячей воды в регуляторах горячего водоснабжения
- теплоносителя в подающем трубопроводе системы отопления в регуляторах отопления.
|
0,1
|
10
|
0,1
|
| 16
|
Коэффициент пропорциональности с/°С
|
0,1
|
10
|
0,1
|
| 17
|
Постоянная времени интегрирования, с
|
1
|
999
|
1
|
| 18
|
Постоянная времени фильтра, с
|
1
|
100
|
1
|
| Параметры температурного графика теплоносителя в подающем и обратном трубопроводах системы отопления.
|
| 19
|
Минимальная температура наружного воздуха, °С
|
-50
|
0
|
0,5
|
| 20
|
Максимальная температура наружного воздуха, °С
|
0
|
50
|
0,5
|
| 21
|
Минимальная температура теплоносителя в подающем трубопроводе, °С
|
0
|
95
|
0,5
|
| 22
|
Максимальная температура теплоносителя в подающем трубопроводе, °С
|
0
|
95
|
0,5
|
| 23
|
Минимальная температура теплоносителя в обратном трубопроводе, °С
Сервис онлайн-записи на собственном Telegram-боте
Попробуйте сервис онлайн-записи VisitTime на основе вашего собственного Telegram-бота:
— Разгрузит мастера, специалиста или компанию;
— Позволит гибко управлять расписанием и загрузкой;
— Разошлет оповещения о новых услугах или акциях;
— Позволит принять оплату на карту/кошелек/счет;
— Позволит записываться на групповые и персональные посещения;
— Поможет получить от клиента отзывы о визите к вам;
— Включает в себя сервис чаевых.
Для новых пользователей первый месяц бесплатно.
Зарегистрироваться в сервисе
|
0
|
95
|
0,5
|
| 24
|
Максимальная температура теплоносителя в обратном трубопроводе, °С
|
0
|
95
|
0,5
|
|
Продолжение ПРИЛОЖЕНИЯ И
| №
пар-
-ра
|
Наименование параметра
|
Значение параметра
|
| 24
|
Максимальная температура теплоносителя в обратном трубопроводе, °С
|
70
|
| 25
|
Нелинейность температурного графика, о
С
|
00
|
| |
Параметры оперативной коррекции температуры теплоносителя в подающем трубопроводе системы отопления
|
|
| 26
|
Коэффициент коррекции по превышению температуры теплоносителя в обратном трубопроводе
|
10
|
| 27
|
Коэффициент коррекции по превышению температуры воздуха в помещении
|
10
|
| 28
|
Коэффициент коррекции по снижению температуры воздуха в помещении
|
5
|
| Параметры коррекции температуры объекта регулирования по таймеру
|
| 29
|
Снижение температуры горячей воды, о
С
|
30
|
| 29.0
|
Снижение температуры воздуха в помещении, о
С
|
5
|
| 30
|
Тип коррекции температуры по таймеру
|
01
|
| 31
32
33
|
Время включения таймера:
- день
- часы
- минуты
|
05
18
30
|
| 34
35
36
|
Время выключения таймера:
- день
- часы
- минуты
|
01
05
00
|
| 37
|
Режим включения таймера
|
00
|
Параметры контроля текущего времени
|
| 38
39
40
|
- день
- часы
- минуты
|
Текущие
в момент
установки
|
| 41
|
Суточная коррекция времени, с
|
00
|
| 42
|
Идентификационный номер устройства для работы в мультиконтроллерных системах
|
000
|
| 43
|
Пароль для входа в режим контроля установочных параметров
|
000
|
|
| ПРИЛОЖЕНИЕ И
(справочное)
Перечень параметров, устанавливаемых изготовителем для регуляторов горячего водоснабжения и отопления.
| №
пар-
-ра
|
Наименование параметра
|
Значение параметра
|
| 11
|
Блокировка выходов
|
00
|
| 12
|
Программа работы устройства
|
06
|
Параметры ПИ – регулирования
|
| 13
|
Температура горячей воды, о
С
|
60
|
| 13.0
|
Температура воздуха в помещении, о
С
|
20
|
| 14
|
Предельное отклонение температуры горячей воды, о
С
|
5
|
| 14.0
|
Предельное отклонение температуры воздуха, о
С
|
5
|
| 15
|
Зона нечувствительности по рассогласованию температуры горячей воды, о
С
|
1.0
|
| 15.0
|
Зона нечувствительности по рассогласованию температуры теплоносителя в подающем трубопроводе системы отопления, о
С
|
1.0
|
| 16
|
Коэффициент пропорциональности регулятора горячего водоснабжения, с/ о
С
|
3
|
| 16.0
|
Коэффициент пропорциональности регулятора отопления, с/ о
С
|
3
|
| 17
|
Постоянная времени интегрирования регулятора горячего водоснабжения, с
|
10
|
| 17.0
|
Постоянная времени интегрирования регулятора отопления, с
|
150
|
| 18
|
Постоянная времени фильтра регулятора горячего водоснабжения, с
|
1
|
| 18.0
|
Постоянная времени фильтра регулятора отопления, с
|
10
|
| Параметры температурного графика теплоносителя в подающем и обратном трубопроводах системы отопления
|
| 19
|
Минимальная температура наружного воздуха, о
С
|
Минус 25
|
| 20
|
Максимальная температура наружного воздуха, о
С
|
10
|
| 21
|
Минимальная температура теплоносителя в подающем трубопроводе, о
С
|
37
|
| 22
|
Максимальная температура теплоносителя в подающем трубопроводе, о
С
|
95
|
| 23
|
Минимальная температура теплоносителя в обратном трубопроводе, °С
|
32,5
|
|
| №
п-ра
|
Наименование параметра
|
Значение
параметра
|
Дискретность установки
|
| Min
|
Max
|
| 25
|
Нелинейность температурного графика теплоносителя в подающем трубопроводе, о
С
|
0
|
15
|
0,5
|
| Параметры оперативной коррекции температуры теплоносителя в подающем трубопроводе системы отопления
|
| 26
|
Коэффициент коррекции по превышению температуры теплоносителя в обратном трубопроводе
|
0
|
25
|
0,1
|
| 27
|
Коэффициент коррекции по превышению температуры воздуха в помещении
|
0
|
25
|
0,1
|
| 28
|
Коэффициент коррекции по снижению температуры воздуха в помещении
|
0
|
25
|
0,1
|
| Параметры коррекции температуры объекта регулирования по таймеру
|
| 29
|
Снижение температуры объекта регулирования или теплоносителя по таймеру, о
С
|
0
|
95
|
0,5
|
| 30
|
Тип коррекции температуры по таймеру
|
00
|
02
|
1
|
| 313233
|
Время включения таймера:
- день
- часы
- минуты
|
01
00
00
|
07
23
59
|
1
1
1
|
| 34
35
36
|
Время выключения таймера:
- день
- часы
- минуты
|
01
00
00
|
07
23
59
|
1
1
1
|
| 37
|
Режим включения таймера
|
00
|
01
|
1
|
| Параметры контроля текущего времени
|
| 38
39
40
|
- день
- часы
- минуты
|
01
00
00
|
07
23
59
|
1
1
1
|
| 41
|
Суточная коррекция времени, сек
|
-30
|
30
|
1
|
| 42
|
Идентификационный номер устройства для работы в мультиконтроллерных системах
|
000
|
254
|
1
|
| 43
|
Пароль для входа в режим контроля установочных параметров
|
00
|
255
|
1
|
|
| Табл. 1.2 Установочные параметры устройства «Теплур-3».
| №
п-ра
|
Наименование параметра
|
Значение
параметра
|
Дискретность установки
|
| Min
|
Max
|
| 11
|
Блокировка выходов
|
00
|
01
|
1
|
| 12
|
Программа работы устройства
|
06
|
06
|
--
|
Параметры ПИ – регулирования
|
| 13
|
Температура горячей воды для регулятора горячего водоснабжения, о
С
|
30
|
80
|
0,5
|
| 13,0
|
Температура воздуха в помещении для регулятора отопления, о
С
|
5
|
50
|
0,5
|
| 14
|
Предельное отклонение температуры горячей воды для регулятора горячего водоснабжения, о
С
|
0,1
|
10
|
0,1
|
| 14,0
|
Предельное отклонение температуры воздуха в помещении для регулятора отопления, о
С
|
0,1
|
10
|
0,1
|
| 15
|
Зона нечувствительности по рассогласо-ванию температуры горячей воды для регулятора горячего водоснабжения о
С
|
0,1
|
10
|
0,1
|
| 15,0
|
Зона нечувствительности по рассогласо-ванию температуры теплоносителя в подающем трубопроводе системы отопления для регулятора отопления, о
С
|
0,1
|
10
|
0,1
|
| 16
|
Коэффициент пропорциональности регулятора горячего водоснабжения, с/ о
С
|
0,1
|
10
|
0,1
|
| 16,0
|
Коэффициент пропорциональности регулятора отопления, с/ о
С
|
0,1
|
10
|
0,1
|
| 17
|
Постоянная времени интегрирования регулятора горячего водоснабжения, с
|
1
|
999
|
1
|
| 17,0
|
Постоянная времени интегрирования регулятора отопления, с
|
1
|
999
|
1
|
| 18
|
Постоянная времени фильтра регулятора горячего водоснабжения, с
|
1
|
100
|
1
|
| 18,0
|
Постоянная времени фильтра регулятора отопления, с
|
1
|
100
|
1
|
Параметры температурного графика
теплоносителя в подающем и обратном
трубопроводах системы отопления
|
| 19
|
Минимальная температура наружного воздуха, о
С
|
минус
50
|
0
|
0,5
|
| 20
|
Максимальная температура наружного воздуха, о
С
|
0
|
50
|
0,5
|
| 21
|
Минимальная температура теплоносителя в подающем трубопроводе, о
С
|
0
|
95
|
0,5
|
| 22
|
Максимальная температура теплоносителя в подающем трубопроводе, о
С
|
0
|
95
|
0,5
|
|
Продолжение ПРИЛОЖЕНИЯ Ж
| №
параметра
|
Наименование параметра
|
Значение параметра
|
| Параметры коррекции температуры объекта регулирования по таймеру
|
| 29
|
Снижение температуры воздуха в помещении, о
С
|
5
|
| 30
|
Тип коррекции температуры по таймеру
|
01
|
| 31
32
33
|
Время включения таймера:
- день
- часы
- минуты
|
05
18
30
|
| 34
35
36
|
Время выключения таймера:
- день
- часы
- минуты
|
01
05
00
|
| 37
|
Режим включения таймера
|
00
|
Параметры контроля текущего времени
|
| 38
39
40
|
- день
- часы
- минуты
|
Текущие
в момент
установки
|
| 41
|
Суточная коррекция времени, с
|
00
|
| 42
|
Идентификационный номер устройства для работы в мультиконтроллерных системах
|
000
|
| 43
|
Пароль для входа в режим контроля установочных параметров
|
000
|
|
| ПРИЛОЖЕНИЕ Ж
(справочное)
Перечень параметров, устанавливаемых изготовителем
для регуляторов отопления.
| №
пар-
-ра
|
Наименование параметра
|
Значение параметра
|
| 11
|
Блокировка выходов
|
00
|
| 12
|
Программа работы устройства
|
05
|
Параметры ПИ – регулирования
|
| 13
|
Температура воздуха, о
С
|
20
|
| 14
|
Предельное отклонение температуры воздуха, о
С
|
5
|
| 15
|
Зона нечувствительности по рассогласованию температу-ры теплоносителя в подающем трубопроводе, о
С
|
0,5
|
| 16
|
Коэффициент пропорциональности, с/ о
С
|
3,0
|
| 17
|
Постоянная времени интегрирования, с
|
150
|
| 18
|
Постоянная времени фильтра, с
|
10
|
| Параметры температурного графика теплоносителя в подающем и обратном трубопроводах системы отопления
|
| 19
|
Минимальная температура наружного воздуха, о
С
|
-25
|
| 20
|
Максимальная температура наружного воздуха, о
С
|
10
|
| 21
|
Минимальная температура теплоносителя в подающем трубопроводе, о
С
|
37
|
| 22
|
Максимальная температура теплоносителя в подающем трубопроводе, о
С
|
95
|
| 23
|
Минимальная температура теплоносителя в обратном трубопроводе, о
С
|
32,5
|
| 24
|
Максимальная температура теплоносителя в обратном трубопроводе, о
С
|
70
|
| 25
|
Нелинейность температурного графика, о
С
|
00
|
| Параметры оперативной коррекции температуры теплоносителя в подающем трубопроводе системы отопления
|
| 26
|
Коэффициент коррекции по превышению температуры теплоносителя в обратном трубопроводе
|
10
|
| 27
|
Коэффициент коррекции по превышению температуры воздуха в помещении
|
10
|
| 28
|
Коэффициент коррекции по снижению температуры воздуха в помещении
|
5
|
|
| №
п-ра
|
Наименование параметра
|
Значение
параметра
|
Дискретность установки
|
| Min
|
Max
|
| 23
|
Минимальная температура теплоносителя в обратном трубопроводе, о
С
|
0
|
95
|
0,5
|
| 24
|
Максимальная температура теплоносителя в обратном трубопроводе, о
С
|
0
|
95
|
0,5
|
| 25
|
Нелинейность температурного графика теп-лоносителя в подающем трубопроводе, о
С
|
0
|
25
|
0,5
|
| Параметры оперативной коррекции температуры теплоносителя в подающем трубопроводе системы отопления
|
| 26
|
Коэффициент коррекции по превышению температуры теплоносителя в обратном трубопроводе
|
0
|
25
|
0,1
|
| 27
|
Коэффициент коррекции по превышению температуры воздуха в помещении
|
0
|
25
|
0,1
|
| 28
|
Коэффициент коррекции по снижению температуры воздуха в помещении
|
0
|
25
|
0,1
|
| Параметры коррекции температуры объекта регулирования по таймеру
|
| 29
|
Снижение температуры горячей воды по таймеру, о
С
|
0
|
50
|
0,5
|
| 29,0
|
Снижение температуры воздуха в помещении по таймеру, о
С
|
0
|
50
|
0,5
|
| 30
|
Тип коррекции температуры по таймеру
|
00
|
02
|
1
|
| 31
32
33
|
Время включения таймера:
- день
- часы
- минуты
|
01
00
00
|
07
23
59
|
1
1
1
|
| 34
35
36
|
Время выключения таймера:
- день
- часы
- минуты
|
01
00
00
|
07
23
59
|
1
1
1
|
| 37
|
Режим включения таймера
|
00
|
01
|
1
|
| Параметры контроля текущего времени
|
| 38
39
40
|
- день
- часы
- минуты
|
01
00
00
|
07
23
59
|
1
1
1
|
| 41
|
Суточная коррекция времени, сек
|
минус 30
|
30
|
1
|
| 42
|
Идентификационный номер устройства для работы в мультиконтроллерных системах
|
000
|
254
|
1
|
| 43
|
Пароль для входа в режим контроля установочных параметров
|
00
|
255
|
1
|
|
| 4. УСТРОЙСТВО И РАБОТА УСТРОЙСТВА.
|
1. КОНСТРУКЦИЯ.
Устройство состоит (см. приложение А) из трех основных частей: модуля питания 1
(МП-1 – «Теплур-1»; МП-3 – «Теплур-3»), модуля управления 2
(МУ-1 – «Теплур-1»; МУ-3 – «Теплур-3») и корпуса 3
с прозрачной крышкой, в котором размещены модули.
Ввод соединительных приводов выполняется через сальники 6, установленные в нижней части корпуса.
Подключение приводов производиться к блокам зажимов ХТ1 4
, ХТ2 5
, установленным на плате модуля питания МП.
Подключение устройства к ЭВМ верхнего уровня осуществляется через разъем 7
интерфейса RS-232.
2. СТРУКТУРА И ФУНКЦИОНАЛЬНЫЙ СОСТАВ.
Устройство является регулирующим 8-разрядным контроллером с памятью программ (ПЗУ) и памятью данных (ОЗУ), размещенных на кристалле микроконтролера (микро-ЭВМ)
На кристалле микроконтроллера расположена также энергонезависимая память данных, обеспечивающая сохранение введенных установочных параметров при отключении напряжения питания.
Структурные схемы устройств «Теплур-1» и «Теплур-3» приведены в приложении Б.
В состав устройства входят часы реального времени с резервным питанием от литиевой батареи, обеспечивающей ход часов при отключении напряжения питания. Срок действия резервного питания – 5 лет с момента установки батареи.
Сигналы от цифровых датчиков температуры поступают на микроконтроллер через шинный формирователь, обеспечивающий необходимые параметры сигналов в соединительных линиях при приеме-передаче информации.
Реверсивное включение привода регулятора производится двумя оптоэлектронными реле. Сигналы управления реле подаются с микроконтроллера через буферные ключи, обеспечивающие согласование токов нагрузки выводов микроконтроллера и цепей управления реле.
Индикация режимов работы устройства осуществляется светодиодными индикаторами, подключенными к микроконтроллеру через буферную логику.
|
ПРИЛОЖЕНИЕ Е
(справочное)
Перечень параметров, устанавливаемых изготовителем для регуляторов горячего водоснабжения.
| №
параметра
|
Наименование параметра
|
значение
|
| 11
|
Блокировка выходов
|
00
|
| 12
|
Программа работы устройства
|
01
|
Параметры ПИ – регулирования
|
| 13
|
Температура горячей воды, о
С
|
60
|
| 14
|
Предельное отклонение температуры горячей воды, о
С
|
5
|
| 15
|
Зона нечувствительности по рассогласованию
Температуры горячей воды, о
С
|
0,5
|
| 16
|
Коэффициент пропорциональности, с/ о
С
|
5
|
| 17
|
Постоянная времени интегрирования, с
|
10
|
| 18
|
Постоянная времени фильтра, с
|
1
|
| Параметры коррекции температуры горячей воды по таймеру
|
| 29
|
Снижение температуры, о
С
|
30
|
| 30
|
Тип коррекции температуры по таймеру
|
01
|
| 31
32
33
|
Время включения таймера:
- день
- часы
- минуты
|
05
19
00
|
| 34
35
36
|
Время выключения таймера:
- день
- часы
- минуты
|
01
05
00
|
| 37
|
Режим включения таймера
|
00
|
Параметры контроля текущего времени
|
| 38
39
40
|
- день
- часы
- минуты
|
Текущие в момент
установки
|
| 41
|
Суточная коррекция времени, с
|
00
|
| 42
|
Идентификационный номер устройства для работы в мультиконтроллерных системах
|
000
|
| 43
|
Пароль для входа в режим контроля установочных параметров
|
000
|
-29-
|
| ПРИЛОЖЕНИЕ Д
Расположение органов управления

|
Текущие и вводимые параметры, а также коды аварийных ситуаций выводятся на цифровой светодиодный дисплей, работающий в режиме динамической индикации. Сигналы управления дисплеем поступают с микроконтроллера через дешифраторы кода и разрядов и буферные ключи.
Установка режимов работы устройства, просмотр и ввод параметров осуществляется с клавиатуры, состоящей из 6-ти кнопок у устройства «Теплур-1» и 7-ми кнопок у Устройства «Теплур -3», или от ЭВМ верхнего уровня управления.
Корректный запуск микроконтроллера при включении или пропадании питания, а также "зависаний" микроконтроллера осуществляют супервизор, а также сторожевой таймер, расположенный на кристалле микроконтроллера.
Интерфейс связи с ЭВМ верхнего уровня - RS-232, выполненный с гальванической развязкой.
Устройство без выходных цепей и интерфейс RS-232 питаются от двух гальванически развязанных источников питания "5В", выполненных по схеме: понижающий трансформатор-выпрямитель-стабилизатор.
3. ФУНКЦИОНАЛЬНЫЕ ВОЗМОЖНОСТИ.
В зависимости от выбранной программы устройством обеспечивается:
- поддержание заданной температуры воды в системе горячего водоснабжения;
- поддержание заданного температурного графика в системе отопления;
- ограничение температуры теплоносителя в обратном трубопроводе системы отопления;
- коррекция температуры теплоносителя в подающем трубопроводе системы отопления по отклонению температуры внутри помещения от заданной;
- снижение температуры объекта регулирования или теплоносителя при включении таймера.
Устройство «Теплур-1» управляет одним клапаном или элеватором и обеспечивает работу по одной из пяти программ, задаваемых потребителем, Варианты программ приведены в таблице 2.1
Таблица 2.1
| номер
прогр-мы
|
Назначение
регулятора
|
Состав датчиков температуры.
|
| 01
|
Горячее водоснабжение
|
Температура горячей воды
|
| 02
|
Отопление
|
Температура теплоносителя в подающем трубопроводе
Температура наружного воздуха
|
(0942) 32-68-01; 32-76-66 -9- КМПУ-7
|
| Продолжение табл. 2.1
| номер
прогр-мы
|
Назначение
регулятора
|
Состав датчиков температуры.
|
| 03
|
Отопление
|
Температура теплоносителя в подающем трубопроводе
Температура наружного воздуха
Температура теплоносителя в обратном трубопроводе
|
| 04
|
Отопление
|
Температура теплоносителя в подающем трубопроводе
Температура наружного воздуха
Температура воздуха в первой точке помещения
Температура воздуха во второй точке помещения
|
| 05
|
Отопление
|
Температура теплоносителя в подающем трубопроводе
Температура теплоносителя в обратном трубопроводе
Температура наружного воздуха
Температура воздуха в первой точке помещения
Температура воздуха во второй точке помещения
|
Устройство «Теплур-3» одновременно управляет двумя регулирующими клапанами или клапаном и элеватором, установленным в системах горячего водоснабжения и отопления и обеспечивает работу по программе 06. (см. табл. 2..2).
Таблица 2.2
| номер
прогр-мы
|
Назначение
регулятора
|
Состав датчиков температуры.
|
| 06
|
горячее водоснабжение
отопление
|
Температура горячей воды
Температура теплоносителя в подающем трубопроводе
Температура наружного воздуха
Температура теплоносителя в обратном трубопроводе
Температура воздуха в первой точке помещения
Температура воздуха во второй точке помещения
|
4. АЛГОРИТМ ВЫЧИСЛЕНИЙ.
При автоматическом регулировании температуры с помощью регулируемых клапана или элеватора, или клапана и элеватора, устройство обеспечивает следующий алгоритм вычислений:
– определение расчетной температуры теплоносителя в подающем трубопроводе системы отопления;
– определение сигнала рассогласования регулятора РТ1;
– определение сигнала рассогласования регулятора РТ2;
– фильтрацию сигналов рассогласования;
– определение параметров ШИМ-сигнала управления механизмами электрических исполнительных (МЭИ) регуляторов.
Параметры температурного графика для систем отопления, задаваемые изготовителем или потребителем, приведены на рисунке 1.
|
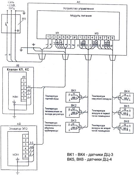
ПРИЛОЖЕНИЕ Г
Продолжение
Схема подключения устройства «Теплур-3».

-27 - -
|
| ПРИЛОЖЕНИЕ Г
Схема подключения устройства.
«Теплур-1» для горячего водоснабжения.
«Теплур-1» для отопления.
|

Рис. 1 Температурный график параметров.
При определении расчетной температуры теплоносителя в подающем трубопроводе системы отопления (tт.расч.) за основу берется заданный температурный график. В зависимости от выбранной программы и режима работы таймера вводится коррекция t т.расч. по следующим признакам:
– превышению температуры теплоносителя в обратном трубопроводе;
– отклонению температуры воздуха в помещении от заданной;
– введению понижения температуры по таймеру.
Сигналы рассогласования определяются как разность между установленным (для систем горячего водоснабжения) и расчетным (для систем отопления) значением температуры и текущим значением температуры датчика горячей воды и теплоносителя в подающем трубопроводе. Фильтрация сигнала рассогласования осуществляется интегрирующим цифровым фильтром с постоянной времени фильтра Тф (параметры 18, 18.0). При установке Тф=1 фильтрация отсутствует .Параметры ШИМ-сигналов управления приводами регуляторов определяются в зависимости от значений сигналов рассогласования, коэффициентов пропорциональности (параметры 16,16.0) и постоянных времени интегрирования (параметры 17, 17.0).
|
| 5. УПРАВЛЕНИЕ, ИНДИКАЦИЯ, ПРОСМОТР И ВВОД ПАРАМЕТРОВ.
Расположение органов управления, индикации и защиты на лицевой панели устройства приведено в приложении Д.
Напряжение на устройство и привод регулятора подается включением выключателя «СЕТЬ», при этом загорается индикатор «С».
Ручной режим работы устанавливается кратковременным нажатием на кнопку «РУЧН», при этом загорается индикатор «Р».
Открытие регулятора в ручном режиме осуществляется нажатием на кнопку « ▲», при этом загорается индикатор «▲».
Закрытие регулятора в ручном режиме осуществляется нажатием на кнопку «▼ », при этом загорается индикатор «▼».
Ручной режим выключается повторным нажатием на кнопку «РУЧН» в течение 1 с. до погасания индикатора «Р».
Для устройства «Теплур-3» ручной режим работы регулятора горячей воды (РТ1) устанавливается кратковременным нажатием на кнопку «РУЧН1», при этом загорается индикатор «Р1».
Открытие регулятора РТ1 в ручном режиме осуществляется нажатием на кнопку « ▲», при этом загорается индикатор «РТ1-▲».
Закрытие регулятора РТ1 в ручном режиме осуществляется нажатием на кнопку «▼ », при этом загорается индикатор «РТ1-▼».
Ручной режим работы регулятора отопления (РТ2) устанавливается кратковременным нажатием на кнопку «РУЧН2», при этом загорается индикатор «Р2».
Открытие регулятора РТ2 в ручном режиме осуществляется нажатием на кнопку «▲», при этом загорается индикатор «РТ2-▲».
Закрытие регулятора РТ2 в ручном режиме осуществляется нажатием на кнопку «▼ », при этом загорается индикатор «РТ2-▼».
Ручной режим выключается повторным нажатием на соответствующую кнопку «РУЧН1» или «РУЧН2» в течение 1 с. до погасания индикатора «Р1» или «Р2».
При отключении питания фиксация включенного ручного режима сохраняется.
Перезагрузка микроконтроллера осуществляется нажатием на кнопку «СБРОС», при этом введенные значения параметров и фиксация включенного ручного режима сохраняются.
Индикация параметров устройства осуществляется на цифровом дисплее.
В состав параметров, отображаемых на дисплее при настройке и техническом обслуживании устройства, входят установочные параметры, приведенные в таблице 1, и текущие параметры, приведенные в таблице 3.
-12- -
|
ПРИЛОЖЕНИЕ В
Схема электрическая принципиальная устройства «Теплур-1».

Схема электрическая принципиальная устройства «Теплур-3».

|
| ПРИЛОЖЕНИЕ Б
Схема электрическая структурная устройства «Теплур-1»
Схема электрическая структурная устройства «Теплур-3».

-24-
|
Табл.3.1. Параметры для устройства «Теплур -1»
| №
пар-
-ра
|
Наименование параметра
|
значение параметра
|
Дискретность
|
| Min
|
Max
|
| 01
|
Температура горячей воды
|
0
|
100
|
0,1
|
| 02
|
Температура теплоносителя в подающем трубопроводе системы отопления, С
|
0
|
100
|
0,1
|
| 03
|
Температура теплоносителя в обратном трубопроводе системы отопления, о
С
|
0
|
100
|
0,1
|
| 04
|
Температура наружного воздуха, о
С
|
-55
|
100
|
0,1
|
| 05
|
Температура воздуха в первой точке помещения ,о
С
|
0
|
100
|
0,1
|
| 06
|
Температура воздуха во второй точке помещения,о
С
|
0
|
100
|
0,1
|
| 07
|
Рассогласование по температуре горячей воды или теплоносителя в подающем трубопроводе, о
С
|
-99
|
99
|
0,1
|
| 08
|
Длительность импульса, с
|
0,5
|
255
|
0,1
|
| 09
|
Длительность паузы, с
|
0
|
999
|
0,1
|
| 10
|
Текущее время, часы - минуты
|
00-00
|
23 - 59
|
1-1
|
Табл.3.2. Параметры для устройства «Теплур -3»
| №
пар-
-ра
|
Наименование параметра
|
значение параметра
|
Дискретность
|
| Min
|
Max
|
| 01
|
Температура горячей воды
|
0
|
100
|
0,1
|
| 02
|
Температура теплоносителя в подающем трубопроводе системы отопления, о
С
|
0
|
100
|
0,1
|
| 03
|
Температура теплоносителя в обратном трубопроводе системы отопления, о
С
|
0
|
100
|
0,1
|
| 04
|
Температура наружного воздуха, о
С
|
-55
|
100
|
0,1
|
| 05
|
Температура воздуха в первой точке помещения , о
С
|
0
|
100
|
0,1
|
| 06
|
Температура воздуха во второй точке помещения, о
С
|
0
|
100
|
0,1
|
| 07
|
Рассогласование по температуре горячей воды регулятора горячего водоснабжения, о
С
|
-99
|
99
|
0,1
|
| 07,0
|
Рассогласование по температуре теплоносителя в подающем трубопроводе регулятора отопления, о
С
|
-99
|
99
|
0,1
|
| 08
|
Длительность импульса регулятора горячего водоснабжения, с
|
0,5
|
255
|
0,1
|
| 08,0
|
Длительность импульса регулятора отопления, с
|
0,5
|
255
|
0,1
|
| 09
|
Длительность паузы регулятора горячего водоснабжения, с
|
0
|
999
|
0,1
|
| 09,0
|
Длительность паузы регулятора отопления, с
|
0
|
255
|
0,1
|
| 10
|
Текущее время, часы - минуты
|
00-00
|
23 - 59
|
1-1
|
-13-
|
| Для контроля правильного выполнения алгоритма работы в рабочем режиме устройства, в зависимости от выбранной программы работы, на дисплей выводятся параметры, приведенные в таблице 4.
Табл. 4.
| №
программы
|
Состав индикации на дисплее
|
| Левая зона
|
Правая зона
|
| 01
|
Температура горячей воды
|
Отсутствует
|
| 02, 03
|
Температура теплоносителя в подающем трубопроводе
|
Температура наружного
воздуха
|
| 04, 05
|
Температура теплоносителя в подающем трубопроводе
|
Средняя температура воздуха в помещении
|
| 06
|
Температура горячей воды
|
Средняя температура воздуха в помещении
|
Информация о режимах работы устройства отображается светодиодными индикаторами в следующем составе:
– «С» – включение питания;
– «Т» – включение таймера;
– «Р» – включение ручного режима;
– «▼» – закрытие регулятора;
– «▲» – открытие регулятора;
– «А» – предельное отклонение температуры или неисправность.
Режим просмотра параметров устанавливается кратко-временным нажатием на кнопку «ПРОСМ», при этом в левой зоне дисплея отображается мигающий номер параметра, в правой - его значение.
Выход из режима просмотра параметров осуществляется нажатием в течение 1с на кнопку «ПРОСМ» до появления на дисплее текущей информации.
При включенном ручном режиме установка режима просмотра параметров заблокирована.
При включенном режиме просмотра параметров заблокирована установка ручного режима работы.
Устройством обеспечивается два режима просмотра параметров:
– просмотр текущих параметров (01 – 10);
– просмотр и изменение, при необходимости, установочных параметров (11 – 43).
Режим просмотра параметров выбирается установкой значения параметра «00».
При первом нажатии на кнопку «ПРОСМ» автоматически устанавливается режим просмотра текущих параметров (значение параметра равно 00).
Для входа в режим контроля установочных параметров значение параметра «00» устанавливается равным 01.
-14-
|
ПРИЛОЖЕНИЕ А
Общий вид устройства управления.

|
| Табл. 7
| Наименование
неисправности
|
Вероятная
причина
|
Способ
устранения
|
Примечание
|
| 1 При включении выключателя «СЕТЬ» отсутствует:
- горение индикатора «С» и цифрового дисплея
|
Неисправность предохранителя
|
Заменить предохранитель
|
| 2 Постоянное горение индикатора «А» и надпись в левой зоне дисплея «H 04»
|
Обрыв линии связи с датчиком
Ослабление контакта в соединениях
|
Устранить обрыв
Подтянуть контакт
|
Код неисправного датчика см.стр.16
|
| 3 Мигание индикатора «Т» с частотой ½ Гц
|
Неисправность литиевой батареи
|
Заменить батарею
|
| 7. ТЕХНИЧЕСКОЕ ОБСЛУЖИВАНИЕ.
|
Периодичность технического обслуживания устройства должна быть согласована с периодичностью обслуживания регуляторов.
Перечень работ технического обслуживания включает в себя:
- проверку технического состояния;
- проверку состояния контактных соединений и их подтягивание;
- промывку разъемных соединений спиртом-ректификатом.
Проверка технического состояния при использовании устройства включает периодические проверки, приведенные в таблице 8.
Таблица 8
| Что проверяется
|
Технические
требования
|
Метод
проверки
|
Периодичность
проверки
|
| 1 Соответствие значений установочных параметров заданным при настройке устройства
|
Полное соответствие
|
Визуальный
|
1раз в
месяц
|
| 2 Соответствие значения параметра 10 часам реального времени
|
Разность значений не более 1 мин.
|
Визуальный
|
1раз в
месяц
|
| 3 Соответствие времени включения- отключения таймера установленным значениям
|
Полное соответствие
|
Визуальный
|
1раз в месяц
|
|
Режим ввода значения параметров (00, 11 – 43) устанавливается кратковременным нажатием на кнопку "ЗАП" после входа в режим просмотра, при этом мигание номера параметра прекращается и начинается мигание его значения.
Выход из режима ввода значения параметра осуществляется кратковременным нажатием на кнопку "ПРОСМ" – при этом устройство переходит в режим просмотра.
В режиме ввода значения параметров (12 – 43) происходит автоматическая блокировка выходов.
Требуемый номер параметра или его значение устанавливаются кнопками:
– «▲» – увеличение номера параметра или его значения;
– «▼» – уменьшение номера параметра или его значения.
При кратковременном нажатии на кнопку происходит однократное изменение номера или значения параметра.
При длительном нажатии на кнопку происходит изменение номера или значения параметра до отпускания кнопки или достижения предела изменения. Первые пять изменений происходят с частотой 1 Гц, следующие – ускоренно, с частотой 10 Гц.
При отсутствии нажатия на кнопки «ПРОСМ», «ЗАП», «▼», «▲» через 3 мин. происходит возврат в рабочий режим.
Режим включения таймера устанавливается при вводе значения параметра 37 равным 01.
Тип коррекции определяется значением параметра 30 в соответствии с таблицей 5.
Таблица .5
| Значение параметра
|
Тип коррекции
|
| 00
|
Ежесуточное снижение температуры в ночное время.
Время включения-отключения таймера определяется значениями параметров 32,33,35,36;
|
| 01
|
Ежесуточное снижение температуры в ночное время и круглосуточное в выходные дни.
Дни начала и окончания круглосуточного снижения определяются значениями параметров 31,34;
|
| 02
|
Снижение температуры в заданный интервал времени.
|
Величина снижения температуры определяется значением параметра 29; 29,0. При работе устройства по программе 01 задается снижение температуры горячей воды,
по программам 04,05 – снижение температуры воздуха в помещении.
|
| Информация об аварийных ситуациях выводится на цифровой дисплей и индикаторы «А», «Т» в соответствии с таблицей 6.
Табл. 6
| №
|
Наименование ситуации
|
Состав индикации
|
| Индикатор
|
Дисплей
|
| Левая зона
|
Правая зона
|
| 01
|
Неисправность микроконтроллера
|
Горит
постоянно «А»
|
1
|
Отсутствует
|
| 02
|
Неисправность энергонезависимого ОЗУ
|
Горит
постоянно
«А»
|
Н02
|
Отсутствует
|
| 03
|
Неисправность часов или разряд литиевой батареи
|
Мигает с частотой
½ Гц «Т»
|
Текущая
информация
|
Текущая
Информация
|
| 04
|
Неисправность датчиков температуры
|
Горит
постоянно
«А»
|
Н04
|
Код неисправного датчика или сумма кодов неисправных датчиков(п.1.3.5.13)
|
| 05
|
Превышение предельного отклонения температуры горячей воды от заданной
|
Мигает с частотой
½ Гц «А»
|
Текущая информация
|
Текущая информация
|
| 06
|
Превышение предельного отклонения температуры воздуха в помещении от заданной
|
Мигает с частотой
½ Гц «А»
|
Текущая информация
|
Текущая
информация
|
| 07
|
Превышение предельного отклонения температуры горячей воды и воздуха в помещении от заданной
|
Мигает с частотой
2 Гц «А»
|
Текущая информация
|
Текущая
информация
|
Коды неисправных датчиков температуры соответствуют:
– 01 – датчик температуры горячей воды;
– 02 -- датчик температуры в подающем трубопроводе;
– 04 – датчик температуры в обратном трубопроводе;
– 08 -- датчик температуры наружного воздуха;
– 16 – датчик температуры воздуха в первой точке помещения;
– 32 – датчик температуры воздуха во второй точке помещения.
При неисправности двух и более датчиков температуры выводится сумма кодов неисправных датчиков.
|
Выйти из режима просмотра параметров нажатием на кнопку «ПРОСМ» в течение 1с. до появления на дисплее текущей информации.
| 6. ИСПОЛЬЗОВАНИЕ УСТРОЙСТВА.
|
1 Общие положения
Обслуживание устройства осуществляется одним лицом персонала, обслуживающего тепловой узел, в котором находятся регуляторы, имеющим необходимую техническую квалификацию и третью квалификационную группу по технике безопасности.
При работе устройства ежемесячно проводить проверку технического состояния устройства в соответствии с перечнем работ, приведенным в разделе 7 ТЕХНИЧЕСКОЕ ОБСЛУЖИВАНИЕ настоящего паспорта.
2 Порядок работы
Включить коммутационный аппарат PП.
Включить выключатель «СЕТЬ».
Установить режим просмотра параметров.
Последовательным нажатием на кнопки «ЗАП», «▲», «▼», «ПРОСМ», чередуя режимы «Просмотр параметров» и «Ввод значения параметра» проверить значения параметров, 12 - 42 в следующем порядке:
- установить режим контроля установочных параметров;
- установить значение параметра 11 равным 01;
- проверить и, в случае необходимости, откорректировать значения параметров 12 - 42;
- установить значение параметра 11 равным 00;
- установить значение параметра 00 равным 00.
Проверить качество переходных процессов при регулировании температуры и, при наличии автоколебаний, откорректировать значения параметров 16-18, 16.0-18.0, 26-28.
При управлении устройством от ЭВМ верхнего уровня контроль параметров и их корректировка может осуществляться непосредственно по каналу связи. Работа компьютера производится в операционной системе MS-DOS в соответствии с указаниями, приведёнными в программе работы канала связи, поставляемой на гибком диске.
Возможные неисправности, которые могут возникнуть при использовании устройства, и способы их устранения приведены в таблице 7.
-21-
|
| Установить режим просмотра параметров кратковременным нажатием на кнопку «ПРОСМ»; при этом в левой зоне дисплея должен появиться мигающий номер параметра «00», в правой зоне - значение параметра «00».
Установить режим ввода значения параметра нажатием на кнопку «ЗАП»; при этом мигание номера должно прекратиться и начаться мигание значения параметра.
Установить значение параметра «00» равным 01 кратко-временным нажатием на кнопку «▲».
Установить режим просмотра параметров. Установить номер параметра 11 кратковременным нажатием на кнопку «▲».
Установить режим ввода значения параметра и установить значение параметра равным 01 - включение блокировки выходов.
Установить режим просмотра параметров и просмотреть параметры 12-42 кратковременным нажатием на кнопку «▲»,при этом значения параметров должны соответствовать приведенным в приложении Е для регуляторов горячего водоснабжения, в приложении Ж для регуляторов отопления (Теплур-1), в приложении И (Теплур-3)
При необходимости потребитель имеет возможность изменить значения всех или части параметров 12-42, введенные предприятием-изготовителем, с учетом характеристик сети горячего водоснабжения или температурного графика сети теплоснабжения, характеристик помещения и его назначения.
Установить, при необходимости, пароль для входа в режим контроля установочных параметров (параметр 43).
При значении параметра 43 отличного от нуля, вход в режим осуществляется в следующем порядке:
– установить режим просмотра параметров;
– установить режим ввода значения параметра;
– установить значение параметра «00" равным 01;
– установить режим просмотра параметров;
– нажать на кнопку «▲», при этом в левой части дисплея замигает буква «Р»;
– установить режим ввода значения параметра;
– установить значение пароля;
– установить режим просмотра параметров;
– нажать на кнопку «▲»; при этом установится номер параметра 11.
Установить номер параметра 00 нажатием на кнопку «▼».
-20- -
|
| 4. УКАЗАНИЕ МЕР БЕЗОПАСНОСТИ.
|
К обслуживанию устройства допускаются лица, знающие Правила технической эксплуатации электроустановок потребителей" (ПТЭ), "Правила техники безопасности при эксплуатации электроустановок потребителей (ПТБ), изучившие настоящее РЭ и прошедшие местный инструктаж по безопасности труда.
Устройство может обслуживать одно лицо, имеющее
квалификационную группу по технике безопасности не ниже 3.
Перед эксплуатацией устройства подключить его заземляющий зажим к контуру заземления гибким медным изолированным проводом сечением не менее 1,5 мм.
Монтажные и ремонтные работы разрешается производить только после отключения устройства от сети с помощью коммутационного аппарата распределительного пункта (РП), от которого питается устройство.
Подключение цепей внешних соединений производить строго в соответствии со схемой подключения устройства. Запрещается взаимная перемена фазного и нулевого проводников цепей напряжением 220 В, сигнального и общего проводников цепей датчиков.
| 5. ПОДГОТОВКА УСТРОЙСТВА К ИСПОЛЬЗОВАНИЮ.
|
При производстве монтажных работ следует руководствоваться общими требованиями и нормами "Правил устройства электроустановок" (ПУЭ).
Установить устройство на стене или другой ровной поверхности в месте, удобном для обслуживания.
Установить датчики температуры в составе, определяемом выбранной программой работы устройства. Способы и места установки датчиков определяются сопроводительной документацией на регуляторы температуры.
Подключить заземляющий зажим устройства в соответствии с требованиями МЕР БЕЗОПАСНОСТИ.
Выполнить монтаж и подключение внешних соединительных линий в соответствии с приложением Г.
Монтаж линий напряжением 220 В выполнить кабелями (шнурами) с медными жилами сечением 1,0 мм2
. Монтаж линий до датчиков температуры выполнить витыми парами проводов с медными жилами сечением 0,5 – 1,0 мм2
. Длина соединительных линий не более 100м.
При прокладке соединительных линий обеспечить их защиту от механических повреждений, попадания воды и других жидкостей.
|
| Не допускается прокладка соединительных линий до датчиков температуры совместно с цепями напряжением 220 В.
При подключении цепей напряжением 220 В обратить особое внимание на правильность подключения фазных и нулевых проводников.
При подключении датчиков температуры обеспечить правильность подключения проводников к зажимам «ЛИНИЯ» (Л) и «КОРПУС» (^).
При подключении менее 5-ти датчиков в регуляторе для системы отопления установить вместо них резисторы С2-23-0,25-220 Ом между соответствующими контактами блока зажимов ХТ2.
Измерить сопротивление изоляции цепей напряжением 220 В
в следующем порядке:
– временно отключить провода от контактов 2 и 4 блока зажимов ХТ1;
– установить временные перемычки между контактами 1, 2, 3, 4, 5, 6,7,8 блока зажимов ХТ1;
– установить переключатель «М – Д» МЭИ элеватора в положение «Д»;
– измерить мегомметром на напряжение 500 В сопротивление изоляции между контактом 1 блока зажимов ХТ1 и заземляющим зажимом устройства управления, а также между контактом 1 и отключенными проводами; при этом значение сопротивления изоляции должно быть не менее 1 МОм;
– снять временные перемычки между контактами 1, 2, 3, 4, 5, 6, 7, 8 блока зажимов ХТ1;
– подключить провода к контактам 2, 4 блока зажимов ХТ1.
ЗАПРЕЩАЕТСЯ ИЗМЕРЯТЬ СОПРОТИВЛЕНИЕ ИЗОЛЯЦИИ ЦЕПЕЙ НАПРЯЖЕНИЕМ 220 В БЕЗ УСТАНОВКИ ВРЕМЕННЫХ ПЕРЕМЫЧЕК, ТАК КАК ЭТО МОЖЕТ ПРИВЕСТИ К ВЫХОДУ ИЗ СТРОЯ ЭЛЕМЕНТОВ СХЕМЫ УСТРОЙСТВА УПРАВЛЕНИЯ.
Измерить мегомметром на напряжение 500 В сопротивление изоляции сигнальных цепей датчиков температуры в следующем порядке:
– временно отключить провода от контактов 1 - 9 блока зажимов ХТ2 устройства управления и зажимов датчиков;
– измерить сопротивление между отключенными проводами и между каждым из отключенных проводов и заземляющим зажимом устройства управления; при этом значение сопротивления должно быть не менее 20 МОм.
ЗАПРЕЩАЕТСЯ ИЗМЕРЯТЬ МЕГОММЕТРОМ СОПРОТИВЛЕНИЕ ИЗОЛЯЦИИ СОЕДИНИТЕЛЬНЫХ ЛИНИЙ ДО ДАТЧИКОВ ТЕМПЕРАТУРЫ ОТКЛЮЧЕНИЯ ИХ ОТ УСТРОЙСТВА УПРАВЛЕНИЯ И ДАТЧИКОВ, ТАК КАК ЭТО ПРИ-
|
ВЕДЕТ К ВЫХОДУ ИЗ СТРОЯ ДАТЧИКОВ И УСТРОЙСТВА УПРАВЛЕНИЯ.
Измерить омметром сопротивление нагрузки устройства управления в следующем порядке:
– установить переключатели «М – Д» МЭИ клапана и элеватора в положение «Д»;
– измерить сопротивление между контактом 4 и контактами 5, 6, 7, 8 блока зажимов ХТ1 устройства управления; при этом значение сопротивления должно быть 5 кОм.
Подключить, при необходимости, ЭВМ верхнего уровня к разъему XS1 устройства в соответствии с рисунком 2, при этом длина соединительной линии не должна превышать 15м.
При большей длине соединительной линии подключение ЭВМ производится через специальные адаптеры, поставляемые по согласованию с заказчиком.

Рис.2
Включить коммутационный аппарат РП.
Включить выключатель «СЕТЬ», при этом должно последовать:
– загореться индикатор «С»;
– в течение 1с во всех разрядах дисплея отображаться цифра «8»;
– начаться отображение текущей информации.
Кратковременно нажать на кнопку «СБРОС», при этом в течение 1с во всех разрядах дисплея должна отображаться цифра «8» и затем текущая информация.
Включить ручной режим кратковременным нажатием на кнопку «РУЧН1» или «РУЧН2», при этом должен загореться индикатор «Р1» или «Р2», для «Теплур-1» - «Р». Проверить работу приводов регуляторов в ручном режиме нажатием на кнопки «▲» – открыть и «▼» – закрыть; при этом должны загораться соответствующие индикаторы и происходить перемещение штока регулятора. Отключить ручной режим нажатием в течение 1 с. на кнопку «РУЧН1» или «РУЧН2»,для «Теплур-1»-«РУЧН»; при этом должен погаснуть индикатор «Р1» или «Р2», для «Теплур-1» - «Р» .
-19-
|
|
Комментарии:
| Хватит париться. На сайте FAST-REFERAT.RU вам сделают любой реферат, курсовую или дипломную. Сам пользуюсь, и вам советую! |
| Никита | 22:27:45 05 ноября 2021 | |
|
| |
| |
| |
| |
|
Смотреть все комментарии (17) Работы, похожие на Реферат: Концерн медведь
Назад |
 |
 |
 |
 |
|
|
|
|
|
|
|
|