| Содержание
| Нормативные ссылки
|
6
|
| Введение
|
7
|
| 1 Статические и динамические характеристики технологического объекта управления
|
8
|
| 1.1 Описание технологического процесса и оборудования
|
8
|
| 1.2 Структурная идентификация ТОУ
|
9
|
| 1.3 Анализ статических характеристик ТОУ
|
9
|
| 1.4 Анализ динамических характеристик ТОУ
|
12
|
| 2 Техническое обеспечение системы автоматического регулирования
|
12
|
| 2.1 Структурная схема САР
|
12
|
| 2.2 Анализ функций контроллера Siemens S7-200
|
13
|
| 2.3 Выбор средств измерения
|
16
|
| 2.4 Выбор средств автоматизации
|
18
|
| 2.5 Описание схемы автоматизации
|
19
|
| 3 Математическое обеспечение САР
|
21
|
| 3.1 Выбор параметров настройки контроллера
|
21
|
| 3.2 Моделирование системы в динамическом режиме
|
24
|
| 3.3 Анализ показателей качества переходных процессов в САР
|
27
|
| Заключение
|
29
|
| Список использованных источников
|
30
|
Нормативные ссылки
В настоящем курсовом проекте использованы ссылки на следующие нормативные документы:
ГОСТ Р 8.625-2001 ГСИ. Термопары. Номинальные статические характеристики преобразования.
ГОСТ 34.003-90 Информационная технология. Комплекс стандартов на автоматизированные системы. автоматизированные системы. Термины и определения.
РМГ 29-99 Рекомендации по межгосударственной стандартизации. ГСИ. Метрология. Термины и определения.
Введение
Автоматизация управления является одним из основных направлений повышения эффективности производства. Автоматизация позволяет увеличивать производительность, улучшает качество продукции, повышает безопасность работы.
Система локальной автоматики (СЛА) автономно реализует функцию управления технологическим объектом или его частью, либо функцию контроля за технологическим объектом управления (ТОУ) или его частью.
В настоящем курсовом проекте в форме системы автоматического регулирования, является автоматическое регулирование основных физических величин, характеризующих протекание технологического процесса производства теста.
Структура СЛА предусматривает использование программируемого контроллера S7-200, состоящего из процессорного модуля CPU 224, модуля ввода-вывода ЕМ 235 и сенсорной панели HMI Touch Panel.
В курсовом проекте разрабатывается схема автоматизации участка ТОУ, для которого создается один контур регулирования физической величины температуры теста на выходе и каналы передачи измерительной информации на вход контроллера о пяти величинах: температуры опары, муки и теста, уровня опары и муки.
Забиваем Сайты В ТОП КУВАЛДОЙ - Уникальные возможности от SeoHammer
Каждая ссылка анализируется по трем пакетам оценки: SEO, Трафик и SMM.
SeoHammer делает продвижение сайта прозрачным и простым занятием.
Ссылки, вечные ссылки, статьи, упоминания, пресс-релизы - используйте по максимуму потенциал SeoHammer для продвижения вашего сайта.
Что умеет делать SeoHammer
— Продвижение в один клик, интеллектуальный подбор запросов, покупка самых лучших ссылок с высокой степенью качества у лучших бирж ссылок.
— Регулярная проверка качества ссылок по более чем 100 показателям и ежедневный пересчет показателей качества проекта.
— Все известные форматы ссылок: арендные ссылки, вечные ссылки, публикации (упоминания, мнения, отзывы, статьи, пресс-релизы).
— SeoHammer покажет, где рост или падение, а также запросы, на которые нужно обратить внимание.
SeoHammer еще предоставляет технологию Буст, она ускоряет продвижение в десятки раз,
а первые результаты появляются уже в течение первых 7 дней.
Зарегистрироваться и Начать продвижение
Для контура регулирования необходимо определить параметры настройки контроллера на основе математических моделей объекта, провести моделирование САР и определить значения показателей качества переходных процессов.
1 Статические и динамические характеристики технологического объекта управления
1.1 Описание технологического процесса и оборудования
Технологический процесс непрерывного процесса приготовления теста заключается в следующем. Мука в бункере 1 и жидкий полуфабрикат – опара емкость 3 с помощью дозаторов непрерывно подаются в месильную машину 2. Перемешиваются в ней до образования однородной массы – теста, которое затем поступает в делительную машину 5. В верхней части последней имеется бункер для брожения теста перед делением 4.
Процесс непрерывного приготовления теста имеет некоторые специфические особенности, влияющие на качественные показатели теста. Прежде всего, это жестко фиксированная последовательность технологических операций, исключающая возможность их повторения с целью исправления дефектов полуфабриката или конечного продукта. Так, если при порционном замесе влажность теста вышла за пределы, то можно повторить замес, добавить необходимое количество требуемого компонента и довести ее до нормы. При непрерывном замесе это исключается; тесто, которое уже вышло из месильной машины с отклонением по влажности, исправить нельзя. Поэтому приготовить тесто с требуемой влажностью в процессе непрерывного замеса можно лишь регулированием подачи в машину компонентов опары и муки.

Рисунок 1.1 – Схема производства теста
1.2 Структурная идентификация ТОУ
Перечислим величины, влияющие на протекание процесса:
- температура муки Qм
, о
С;
- температура опары Qоп
, о
С;
- температура теста Qт
, о
С;
- уровень муки Lм
, м;
- уровень опары Lоп
, м.

Рисунок 1.2 - Структурная схема ТОУ
Регулируемой величиной является температура теста на выходе Qт
, регулирующим воздействием температура муки Qм
, вспомогательным воздействием является температура опары Qм
, возмущающими воздействиями можно считать уровень муки Lм
и опары Lоп
.
Регулирующим органом является «канал Qм –
Qт
».
1.3 Анализ статических характеристик ТОУ
Iрег
М Qм
Qт
Е Iтек
    
Рисунок 1.3 - Структурная схема канала регулирования
Сервис онлайн-записи на собственном Telegram-боте
Попробуйте сервис онлайн-записи VisitTime на основе вашего собственного Telegram-бота:
— Разгрузит мастера, специалиста или компанию;
— Позволит гибко управлять расписанием и загрузкой;
— Разошлет оповещения о новых услугах или акциях;
— Позволит принять оплату на карту/кошелек/счет;
— Позволит записываться на групповые и персональные посещения;
— Поможет получить от клиента отзывы о визите к вам;
— Включает в себя сервис чаевых.
Для новых пользователей первый месяц бесплатно.
Зарегистрироваться в сервисе
, (1.1)
где . (1.2)
Отсюда К равно:
.
(1.3)
, (1.4)
где . (1.5)
Отсюда Кд
равно
.
Учтем, что коэффициент передачи Кро,тп
=const и найдем его по формуле:
, (1.6)
. (1.7)
Математическая модель статики с учетом датчика имеет вид:
(1.8)
Математическая модель статики в табличной форме имеет вид:
Таблица 1.1 – Математическая модель статики
| М, %
|
, о
С
|

|
| 0
|
30
|
8,80
|
| 20
|
32
|
9,12
|
| 40
|
34
|
9,44
|
| 60
|
36
|
9,76
|
| 80
|
38
|
10,08
|
| 100
|
40
|
10,4
|

Рисунок 1.1 – Статическая характеристика ТОУ
Математическая модель статики объекта регулирования по данным из граф 1 и 3 таблицы 1.1 в графической форме имеет вид:

Рисунок 1.2– Статическая характеристика ТОУ
«по каналу М - Iтек
»
1.4 Анализ динамических характеристик ТОУ
Передаточная функция по регулирующему каналу представлена следующим образом
, (1.9)
где – постоянная времени объекта, с;
– время чистого запаздывания, с. В свою очередь:
=80 с,
=10 с.
Учтем собственную инерционностью датчика Д
ТПЛ 045.-0210.200
.
Передаточная функция объекта имеет вид:
,
(1.10)
2 Техническое обеспечение системы автоматического регулирования (САР)
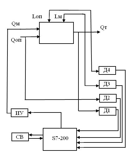
2.1 Структурная схема САР
В проектируемой ЛСУ регулирование производится по каналу Qт
– Qм
. Объект регулирования имеет ряд регулирующих величин: температура муки и опары на входе, регулируемой величины - температура теста на выходе и возмущающих воздействий: уровней муки и опары в емкостях.
Структурная схема САР по каналу Qт
– Qм
приведена на рисунке 2.1.

Рисунок 2.1 – Структурная схема САР
На рисунке 2.1 приняты следующие обозначения:
Qм
, Qоп
, Qт
– температуры муки, опары и теста соответственно;
Д1, Д2, Д3, Д4 – датчики;
Lоп
, Lм
– уровни опары и муки соответственно;
ИУ – исполнительное устройство;
СВ – система визуализации.
В качестве регулятора используется контроллер SIMATIC S7-200.
2.2 Анализ функций контроллера S7-200 в составе САР
Программируемые логические контроллеры семейства SIMATIC S7-200 предназначены для построения систем автоматического управления, способны работать в реальном масштабе времени и могут быть использованы как для построения систем локальной автоматики, так и систем распределенного ввода-вывода с организацией обмена данными через промышленные сети PROFIBAS-DP, Industrial Ethernet, системы модемной связи.
В состав применяемого в курсовом проекте контроллера входит процессорный модуль CPU 224. Данный модуль CPU (6ES7 214-1BD23-0XB0) обладает 14 встроенными входами 24 В пост. тока и 10 релейными выходами, а также возможностью скоростного счета (6 счетчиков по 30 кГц), например, для организации широтно-импульсной модуляции. К CPU можно подключить до семи различных модулей расширения, таких как модули ввода и вывода цифровых и аналоговых сигналов, коммуникационные (Ethernet, Internet, PROFIBUS и ASi интерфейсы, GPRS-модем и модем для коммутируемой линии) и интеллектуальные (модули позиционирования, весоизмерения). Также есть широкие возможности связи контроллера S7-200 с различными текстовыми и графическими панелями человеко-машинного интерфейса.
В курсовом проекте к модулю CPU 224 подключен модуль аналоговых входов-выходов ЕМ 235 (6ES7 235-0KD22-0XA0), предоставляющий возможность контроллеру получать четыре аналоговых сигнала широкого перечня диапазонов и выдавать один унифицированный аналоговый сигнал управления, напряжения или токовый. Таким образом, на системе с данной конфигурацией можно реализовать один контур непрерывного и три контура дискретного (например, двухпозиционного) регулирования.
Характеристики аналоговых входов модуля ЕМ 235:
Диапазоны от 0 до 50 мВ, от 0 до 100 мВ, от 0 до 500 мВ, от 0 до 1 В, от 0 до 5 В, от 0 до 20 мА, от 0 до 10 В преобразуются в диапазон от 0 до +32000, а диапазоны ± 25 мВ, ± 50 мВ, ± 100 мВ, ± 250 мВ, ± 500 мВ, ± 1 В, ± 2,5 В, ± 5 В, ± 10 В преобразуются в диапазон от -32000 до +32000.
Средняя точность для 0..20 мА и 0..10 В равна ± 0,05% от полного диапазона.
Характеристики аналогового выхода модуля ЕМ 235:
Диапазоны: 0..20 мА и 0..10 В.
Точность при различных условиях:
Худший случай, (от 0 до 55 °C): ± 2% полного диапазона
Типичный случай, (25 °C): ± 0,5% полного диапазона
Выбрать необходимый диапазон можно, используя настроечные двухпозиционные переключатели, описание которых представлено в таблице 2.1.
Таблица 2.1 – Комбинации переключателей для выбора диапазона
| Переключатели конфигурации
|
Диапазон напряжения
|
Разрешающая способность
|
Повторяемость, %
|
Средняя точность, %
|
Погрешность, %
|
Абсолютная точность, %
|
| 1
|
3
|
5
|
7
|
9
|
11
|
| 1
|
1
|
0
|
1
|
0
|
0
|
0 – 50 мВ
|
12,5 мкВ
|
0,25
|
0,10
|
0,30
|
1,0
|
| 1
|
1
|
0
|
0
|
1
|
0
|
0 – 100 мВ
|
25 мкВ
|
0,125
|
0,05
|
0,25
|
0,6
|
| 1
|
0
|
1
|
1
|
0
|
0
|
0 – 500 мВ
|
125 мкВ
|
0,10
|
0,05
|
0,05
|
0,4
|
| 1
|
0
|
1
|
0
|
1
|
0
|
0 – 1 В
|
250 мкВ
|
0,10
|
0,05
|
0,05
|
0,4
|
| 1
|
0
|
0
|
1
|
0
|
0
|
0 – 5 В
|
1,25 мВ
|
0,05
|
0,05
|
0,05
|
0,4
|
| 1
|
0
|
0
|
0
|
1
|
0
|
0 – 10 В
|
2,5 мВ
|
0,05
|
0,05
|
0,05
|
0,4
|
В таблице 2.1 в колонках переключателей конфигурации используются следующие обозначения: 1 – ВКЛ; 0 – ВЫКЛ.
После калибровки входного диапазона, переключатель 1 служит для выбора полярности входа: EIN (ВКЛ) – однополярный, AUS (ВЫКЛ) – биполярный. При переключении между однополярным и биполярным форматами данных предполагается переподключение CPU к сети.
Контроллеры SIMATIC S7-200 отвечают требованиям международных стандартов VDE, UL, CSA и FM. Система управления качеством изготовления изделий SIMATIC S7-200 имеет сертификат ISO 9001. Программируемые контроллеры SIMATIC S7-200 имеют сертификат Госстандарта России № РОСС DE.АЯ46.В61141 ГОСТ Р 50377-92, ГОСТ 125-91 (П.2.8.), ГОСТ 26329-84 (П.п. 1.21.3.), ГОСТ Р 51318.22-99, ГОСТ Р 51318.24-99 ().
Для программирования контроллеров используется пакет STEP 7 Micro/Win, в котором реализована поддержка языков LAD (релейноконтактные схемы), STL (список инструкций) и FBD (функциональных блоковых диаграмм). Пакет позволяет выполнять все операции по программированию контроллеров SIMATIC S7-200, конфигурированию и параметрированию устройств операторского интерфейса, коммуникационных и функциональных модулей, обеспечивает поддержку протокола USS. Связь компьютера с программируемым центральным процессором осуществляется через PC/PPI-кабель.
Эксплуатационные характеристики
- Монтаж на 35 мм DIN-шину или на плоскую поверхность
- Степень защиты корпуса IP20
- Температура окружающей среды 0...+55°С
Отличительные особенности семейства SIMATIC S7-200:
-время выполнения 1 К логических инструкций не превышает 0.22 мс;
-наличие скоростных счетчиков внешних событий;
-наличие быстродействующих входов аппаратных прерываний;
-возможность наращивания количества обслуживаемых входов-выходов (за исключением систем на основе CPU 221);
-потенциометры аналогового задания цифровых параметров;
-мощный набор инструкций языка программирования;
-последовательный PPI-интерфейс, который может быть использован в качестве свободно программируемого порта;
-функции ведущего устройства AS-Interface, обеспечиваемые коммуникационным модулем CP 243-2;
-функции ведомого устройства PROFIBUS-DP, обеспечиваемые коммуникационным модулем EM 277;
-функции обмена данными через Industrial Ethernet, поддерживаемые коммуникационным процессором CP 243-1 и CP 243-1 IT;
-дружественная оболочка программирования STEP 7 Micro/Win;
-трехуровневая парольная защита программ пользователя;
-возможность работы с устройствами человеко-машинного интерфейса.
2.3 Выбор приборов автоматизации
Для измерения температуры используется фланцевый термометр сопротивления с рабочим диапазоном 0..+100 о
С типа Pt100. Выходной сигнал термометра преобразуется в унифицированный токовый сигнал 4..20 мА с помощью встраиваемого в головку преобразователя Sitrans TK, который подключается по трехпроводной схеме к термометру сопротивления для уменьшения погрешности.
Для измерения уровня были выбраны уровнемеры Prosonic-T с датчиком FMU-130 фирмы METREX. Данный выбор основан на том, что данная модель уровнемера является универсальной и легко настраивается как для измерения сыпучих веществ (муки в производственном бункере), так и уровня жидких сред (опары поступающей в смеситель). Уровнемеры Prosonic-T являются цифровыми приборам, что значительно облегчает их подключение и настройку. Основные технические характеристики приведены в таблице 2.2
Таблица 2.2 - Основные технические характеристики уровнемера Prosonic-T с датчиком FMU-130
| наименование характеристики
|
значение характеристики
|
| диапазоны измерений, м
|
2
|
| приведенная погрешность, %
|
+0,25
|
| рабочая частота, кГц
|
70
|
| давление измеряемой среды, Па
|
0,3
|
| выходные сигналы и питание
|
2-х провод. соединение ток. петля 4...20 мА, 4-х провод. соединение 4...20 мА,
24 В DC; 24, 220 В АС, HART, INTENSOR, PROFIBUS PA
|
| материал датчика
|
PVDF
|
| материал корпуса
|
полистирол (РВТ)
|
| темп. окружающего воздуха, °С
|
-20... +60
|
| температура измеряемой среды, °С
|
-40...+80
|
| степень защиты
|
IP 67
|
| габаритные размеры, мм
|
105х112х260
|
| масса, не более, кг
|
5
|
Для измерения давления теста в процессе определения его консистенции используется датчик избыточного давления МИДА ДИ 12П 08. Спецификация датчика приведена в таблице 2.3.
Таблица 2.3 - Спецификация датчика МИДА ДИ 12П 08
| 1
|
2
|
| Рабочая среда
|
вязкие жидкости, расплавы, неагрессивные к титановым сплавам
|
| диапазон измеряемых давлений, МПа
|
0-2,5; 0-4; 0-6; 0-10; 0-16; 0-25; 0-40; 0-60; 0-100
|
| основная погрешность, ±%
|
0,5; 1,0
|
| диапазон рабочих температур, °С
|
+10...+350-измеряемой среды; +10...+80-окружающего воздуха
(для электронного блока)
|
| дополнительная погрешность в диапазоне термокомпенсации, не более, %
|
4 (для 0,5 %); 6 (для 1,0 %)
|
| выходной сигнал (линия)
|
4-20 мА
|
| потребляемая мощность, Вт
|
1
|
| пылевлагозащищенность
|
IP64
|
2.4 Выбор средств автоматизации
Для обработки результатов измерения и управления исполнительными устройствами в системе используется программируемый контроллер SIMANTIC S7-200 с центральным процессором SРU224, с модулем ввода-вывода ЕМ235, с сенсорной панелью HMI Touch Panel .
Для организации ввода информации с уровнемеров и датчика давления используется модуль SPU224. Этот модуль обладает 14 входами, 24 В постоянного тока, 10 релейными выходами, а так же имеет возможность скоростного счета напряжения, для организации широко-импульсной модуляции.
Для создания одного канала вывода сигнала используем SIPOS 5 Flash электродвигательный исполнительный механизм.
Система должна обеспечивать возможность подключения к сети для организации централизованного управления всей АСУ предприятия.
2.5 Схема автоматизации
Схема автоматизации непрерывного процесса приготовления теста предусматривает контроль температуры муки, опар и теста, уровня муки и теста в тестомесильной машине, контроль и регулирование консистенции теста в месильной машине, автоматическое управление работой электропроводов оборудования и исполнительных механизмов в зависимости от консистенции теста. Температура опары и теста является одним из основных параметров, влияющих на их качество, и в начале процесса их приготовления поддерживаются обычно путем стабилизации температуры ингредиентов, поступающих на замес. Поскольку основную массу опары и теста составляют мука и вода, количество остальных компонентов – дрожжей, соли и др. – сравнительно невелико и, кроме этого, температура последних регулируется в процессе их приготовления, то регулирование температуры опары и теста сводится к регулированию температуры подаваемой на замес воды с учетом температуры подаваемой на замес муки. Температура воздуха в тестоприготовительных отделениях обычно соизмерима с температурой опары и теста, величина температуры в процессе брожения изменяется незначительно и не выходит за пределы, допускаемые технологическими требованиями. Поэтому в производственных условиях ограничиваются лишь измерением температуры муки, опары и теста, стараясь не допускать отклонений ее от заданных пределов.
Влажность опары и теста является наиболее важным технологическим параметром, однако прямой способ определения её очень трудоёмок и длителен. Кроме того, при автоматизации узла дозирования жидких ингредиентов практически обеспечивается заданная влажность теста. Поэтому автоматическое дозирование жидких ингредиентов с учетом контроля влажности муки исключает необходимость прямого контроля влажности опары и теста.
Влажность теста косвенно можно определить по величине его консистенции. С этой целью, на тестомесильной машине установлен консистометр, к которому подключен датчик для измерения давления. Для регулирования подачи опары на трубопроводе установлен регулирующий клапан.
Приготовленное тесто подается в воронку тестоделителя, где установлен датчик уровня, используемый для управления работой тестоприготовительного отделения.
Для получения измерительной информации по температуре муки используется термоэлектрический преобразователь типа ДТПЛ 045-210.200, поз. 2 а. Выходной сигнал которого поступает на вход нормирующего преобразователя типа Ш78, поз. 2 б. Выходной сигнал Ш78 подается на вход контроллера Simantic S7-200, командный сигнал контроллера поступает на исполнительный механизм типа SIPOS 5 Flash, поз. 2 в, который воздействует на расход сжатого воздуха.
Для получения измерительной информации уровня муки используют уровнемер Prosonic-T с датчиком FMU-130 фирмы METREX, поз. 3 а. Материал датчика PVDF, степень защиты IP 67. Выходной сигнал уровнемера подается на вход контроллера Simantic S7-200.
Для получения измерительной информации уровня теста в тестомесильной машине используют уровнемер Prosonic-T с датчиком FMU-130 фирмы METREX, поз. 4 а. Материал датчика PVDF, степень защиты IP 67. Выходной сигнал уровнемера подается на вход контроллера Simantic S7-200.
Для получения измерительной информации по температуре опары используется термоэлектрический преобразователь типа ДТПЛ 045-210.200, поз. 5 а. Выходной сигнал которого поступает на вход нормирующего преобразователя типа Ш78, поз. 5 б. Выходной сигнал Ш78 подается на вход контроллера Simantic S7-200.
Для измерения давления теста в процессе определения его консистенции используется датчик избыточного давления МИДА ДИ 12П 08, поз. 6 а. Выходной сигнал датчика подается на вход контроллера Simantic S7-200.
Для получения измерительной информации по температуре теста используется термоэлектрический преобразователь типа ДТПЛ 045-210.200, поз. 7 а. Выходной сигнал которого поступает на вход нормирующего преобразователя типа Ш78, поз. 7 б. Выходной сигнал Ш78 подается на вход контроллера Simantic S7-200.
3 Математическое обеспечение САР
3.1 Выбор параметров настройки контроллера
Для нахождения параметров настройки контроллера будем использовать MathCad. Для этого необходимо создать модель в которую необходимо включить блок передаточной функции объекта, блок чистого запаздывания и блок ПИ-регулятора с неизвестными параметрами и .
Для данного объекта будем использовать ПИ-регулятор. Время переходного процесса установим равным 80 секунд. Максимальное перерегулирование установим равным 10 %. Варьируемыми величинами будут параметры ПИ-регулятора – коэффициент усиления регулятора( ) и время интегрирования( ).
Для определения оптимальных параметров используется параметрический метод оптимизации при котором происходит подбор настроечных параметров регуляторов.
Передаточная функция объекта имеет вид
(3.1)
Существует два показателя степени затухания, связанные соотношением
, (3.2)
где m – логарифмический декремент затухания.
ψ – относительная степень затухания, ψ=0,75.
Относительная степень затухания:
,
где Ai
, Ai
+1
– предыдущая и последующая амплитуды колебаний, взятые через период Т.
Из (3.2) получаем
m=0,291.
Система автоматического управления будет обладать требуемой относительной степенью затухания, если расширенная амплитудно-фазовая характеристика разомкнутой системы автоматического управления будет проходить через точку на комплексной плоскости (-1,i0), то есть:
.
Для получения расширенной амплитудно-фазовой характеристики, необходимо в передаточной функции объекта подставить p=(j-m)w. Инверсная расширенная амплитудно-фазовая характеристика объекта можно представить так
, (3.3)
где Re(m,w) – действительная часть расширенной АФХ
Im(m,w) – мнимая часть расширенной АФХ.
Частота среза звена или системы – такое название частоты, при котором значение амплитуды гармонического сигнала на выходе не превышает трех процентов от амплитуды при нулевой частоте на входе. Для определения частоты среза объекта необходимо решить уравнение
. (3.4)
При нулевой частоте значение амплитуды равно К. Тогда
. (3.5)
Находим частоту среза:
wср
=0,14 с-1
,
|W(i,wср
)|=0,00048.
Передаточная функция регулятора для ПИ-закона регулирования имеет вид
, (3.6)
где Кр – коэффициент усиления ,
Tu – постоянная времени интегрирования.
Расчетные формулы для параметров регулятора:
(3.7)
Чтобы определить оптимальные параметры регулятора, необходимо для каждого значения частоты от нуля до частоты среза найти точки Кр/Тu и Кр, соответствующие требуемой относительной степени затухания.

Рисунок 3.1- Линия равной степени затухания
ψ=0,75 для ПИ-регулятора
Кр/Тu=f(Кр), лежащая справа от глобального максимума. Полученный график показан на рисунке 1.3.
В результате из графика получили следующие значения параметров:
Кр=0,75,
Тu=35,714 с.
С учетом (3.1) запишем передаточную функцию регулятора
. (3.8)
3.2 Моделирование системы в динамическом режиме
Структурная схема САР имеет вид:

Рисунок 3.2 – Структурная схема САР
На рисунке 3.3 приведен график ступенчатого воздействия входной величины – возмущения F, эквивалентного 10% изменению положения регулирующего органа.

Рисунок 3.3 – Cтупенчатое воздействие
Графики переходных процессов в системе приведены на рисунке 3.4.

Рисунок 3.3 – Переходные процессы при различных
параметрах настройки
Таблица 3.1 - Значение параметров настройки регуляторов
| Номер
процесса
|
параметры настройки
|
| Кр, %о
С
|
Ti,c
|
| 1
|
0,75
|
35,7
|
| 2
|
30
|
35,7
|
| 3
|
0,75
|
10
|
На рисунке 3.4 приведен график ступенчатого изменения контроллера, эквивалентное изменению задания на 5о
С.

Рисунок 3.4 – Ступенчатого изменения контроллера

Рисунок 3.5 – Реакция системы на изменение входного сигнала
3.3 Анализ показателей качества переходных процессов в САР
Время регулирования "tР
" (время переходного процесса) - это промежуток времени от момента изменения задания до момента, когда отклонение выходной величины "Dq" от ее нового заданного значения "DqЗД.1
"станет меньше определенного размера. Этот размер может быть принят равным зоне нечувствительности "2b" регулятора или допускаемой динамической ошибке "2a" (при этом a=± 5 % от DqЗД.1
).
Остаточное отклонение "eОСТ
" (статическая ошибка) - это размер отклонения установившегося значения "DqУСТ
" выходной величины системы от заданного значения "DqЗД.1
" в конце переходного процесса.
Максимальное динамическое отклонение регулируемой величины "А1
" (максимальная динамическая ошибка) - это первое амплитудное значение отклонения выходной величины системы после поступления воздействия на ее вход
. (3.9)
Время запаздывания "t" - промежуток времени от момента поступления воздействия на вход системы до момента начала изменения выходной величины.
Перерегулирование "s" - это отношение первого амплитудного значения отклонения "А1
" к изменению заданного значения "DqЗД.1
" в затухающем колебательном переходном процессе на выходе системы после поступления воздействия на ее вход. Значение может выражаться в процентах
. (3.10)
Степень затухания "y" - это отношение разности первого "А1
" и третьего "А3
" амплитудных значений отклонения к первому амплитудному значению "А1
" в затухающем колебательном переходном процессе на выходе системы. Значение может выражаться в процентах
. (3.11)
Период колебаний "ТК
" – промежуток времени между первым и третьим амплитудными значениями.
Значения расчетов занесены в таблицу 3.2.
Таблица 3.2 - Показателей качества переходных процессов
| Показатель
|
значения показателя для процесса
|
| 1
|
2
|
3
|
4
|
| время
регулирования, с
|
600
|
-
|
1000
|
570
|
| остаточное
отклонение
|
0
|
0,1
|
0
|
0
|
| перерегулирование
|
0,010
|
0,050
|
0,030
|
0,015
|
| степень затухания
|
1,00
|
0,60
|
1,02
|
1,00
|
| период колебания
|
-
|
320
|
50
|
-
|
Заключение
Система локальной автоматики (СЛА) по ГОСТ 34.003 представляет собой систему устройств автоматики, автономно реализующую функцию управления технологическим объектом или его частью, либо функцию контроля за технологическим объектом управления (ТОУ) или его частью. В отличие от интегрированной автоматизированной системы СЛА функционирует на нижнем уровне управления без взаимосвязи с системами более высоких уровней. В этой связи задачей СЛА, разработанной в настоящем курсовом проекте в форме системы автоматического регулирования, является автоматическое регулирование основных физических величин, характеризующих протекание технологического процесса производства серной кислоты в печах кипящего слоя.
Структура СЛА по заданию была жестко задана и предусматривала использование программируемого контроллера S7-200, состоящего из процессорного модуля CPU 224, модуля ввода-вывода ЕМ 235 и сенсорной панели HMI Touch Panel. С учетом технических возможностей данного комплекта в курсовом проекте разработанна схема автоматизации участка ТОУ, для которого создается один контур регулирования физической величины концентрации отходящих газов и каналы передачи измерительной информации на вход контроллера о трех величинах: расхода воздуха, температура в печи и разряжения в печи.
Для контура регулирования было проведено предусмотренное заданием определение параметров настройки контроллера на основе математических моделей объекта, ранее полученных при выполнении курсовой работы по дисциплине "Моделирование систем. При было проведено моделирование САР с использованием пакета Mathcad на основе которого определены значения показателей качества переходных процессов.
Список использованных источников
1 Асмаев, М. П. Моделирование процессов пищевых производств [Текст] / М. П. Асмаев, Ю. Г. Корнилов. - М. : Легкая и пищевая про-сть, 1982. - 176 с.
2 Соколов, М. А. Автоматизация технологических процессов пищевой промышленности [Текст] / М. А. Соколов. - М. : Агропромиздат, 1991. - 445 с.
3 Амелин, А. Г. Производство серной кислоты [Текст] / А. Г. Амелин, Е. В. Яшке. - М. : Высш. школа, 1980. - 245 с.
4 Амелин, А. Г. Общая химическая технология [Текст] / А. Г. Амелин. - М. : Химия, 1977. - 400 с.
5 Малина, К. М. Справочник сернокислотчика [Текст] / К. М. Малина, Н. С. Аврамова, И. В. Лебедева, Р. Е. Миневич. - М. : Химия, 1971. - 744 с.
6 Электронный учебник по химии, [Электронный ресурс] : Режим доступа : http://www.alhimikov.net.
7 Свободная энциклопедия «Википедия», [Электронный ресурс] : Режим доступа : http://ru.wikipedia.org.
|