| Федеральное агентство по образованию РФ
Белгородский государственный университет
Геолого-географический университет
МЕТОДИЧЕСКОЕ УКАЗАНИЕ
по курсовому проектированию по дисциплине
«МЕХАНИКА ГОРНЫХ ПОРОД И ГРУНТОВ»
для студентов специальность 130302 «Поиски и разведка подземных
вод и инженерно-геологические изыскания»
Белгород 2008
Автор Сергеев С.В., докт. техн. наук, проф.
СОДЕРЖАНИЕ
Введение . . . . . . . . . . . . . . . . . . . . . . . . . . . . . . . . . . . . . . . . . . 4
1. Расчет осадок грунтовых массивов. . . . . . . . . . . . . . . . . . . . . . . 4
1.1. Расчет осадок методом послойного суммирования . . . . . 4
1.2. Расчет осадок методом линейно-деформируемого слоя
конечной толщины.. . . . . . . . . . . . . . . . . . . . . . . . . . . . . . . . 9
2. Расчет просадок. . . . . . . . . . . . . . . . . . . . . . . . . . . . . . . . . . . . . . . . 10
3. Определение расчетного сопротивления грунта основания. . . . 13
4. Расчет устойчивости грунтов на склонах и откосах. . . . . . . . . . . 16
Заключение . . . . . . . . . . . . . . . . . . . . . . . . . . . . . . . . . . . . . . . . . 20
Литература . . . . . . . . . . . . . . . . . . . . . . . . . . . . . . . . . . . . . . . . . 21
Приложение 1 . . . . . . . . . . . . . . . . . . . . . . . . . . . . . . . . . . . . . . . 22
Приложение 2 . . . . . . . . . . . . . . . . . . . . . . . . . . . . . . . . . . . . . . . 23
В В Е Д Е Н И Е
Курсовая работа направлена на приобретение практических навыков при определении деформации массивов горных пород в целях проектирования зданий и сооружений. Исходными данными к работе являются реальные отчеты инженерно-геологических изысканий.
1. Расчет осадок грунтовых массивов
1.1. Расчет осадок методом послойного суммирования
Исходными данными к расчету являются:
1) физико-механические характеристики каждого из слоев:
- удельный вес (γ);
- модуль общей деформации (Е).
2) мощности слоев, залегающих ниже плоскости приложения нагрузки (h);
3) величины нагрузок на основания.
Последовательность расчета:
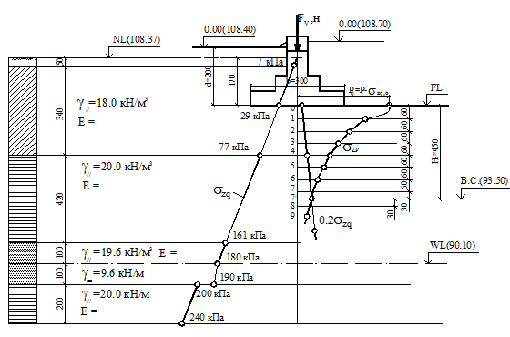
1. Вычерчивают расчетную схему (рис. 1).
2. Вычисляют вертикальные нормальные напряжения от собственного веса грунта
(1)
и строят эпюру
слева от оси z и эпюру 0,2
справа. Ниже уровня грунтовых вод необходимо учитывать взвешивающее действие воды на скелет песчаного грунта и супеси.
Забиваем Сайты В ТОП КУВАЛДОЙ - Уникальные возможности от SeoHammer
Каждая ссылка анализируется по трем пакетам оценки: SEO, Трафик и SMM.
SeoHammer делает продвижение сайта прозрачным и простым занятием.
Ссылки, вечные ссылки, статьи, упоминания, пресс-релизы - используйте по максимуму потенциал SeoHammer для продвижения вашего сайта.
Что умеет делать SeoHammer
— Продвижение в один клик, интеллектуальный подбор запросов, покупка самых лучших ссылок с высокой степенью качества у лучших бирж ссылок.
— Регулярная проверка качества ссылок по более чем 100 показателям и ежедневный пересчет показателей качества проекта.
— Все известные форматы ссылок: арендные ссылки, вечные ссылки, публикации (упоминания, мнения, отзывы, статьи, пресс-релизы).
— SeoHammer покажет, где рост или падение, а также запросы, на которые нужно обратить внимание.
SeoHammer еще предоставляет технологию Буст, она ускоряет продвижение в десятки раз,
а первые результаты появляются уже в течение первых 7 дней.
Зарегистрироваться и Начать продвижение
3. Определяют величину дополнительного (осадочного) давления на грунт под подошвой фундамента
(2)
где 
F – вертикальная нагрузка на верхний обрез фундамента, кН;
G1
– вес фундамента, кН;
G2
– вес грунта на обрезах фундамента, кН;
А – площадь подошвы, м2
.

Рис. 1. Схема для расчета осадки фундамента мелкого заложения методом послойного суммирования. Линейные замеры приведены в сантиметрах
Таблица 1 Таблица расчета осадки фундамента Ф3
методом послойного суммирования (пример)
| Номер
точек
|
z
,
м
|
2 z/b
|

|

кПа
|
Номер слоя
|

кПа
|
hi
,
м
|

|
Ei
,
кПа
|
м
|
| 0
1
2
3
4
5
6
7
7΄
8
|
0
0,60
1,20
1,80
2,40
3,00
3,60
4,20
4,50
4,80
|
0
0,40
0,80
1,20
1,60
2,00
2,40
2,80
3,00
3,20
|
1,00
0,96
0,80
0,60
0,45
0,34
0,26
0,20
0,18
0,16
|
200
192
160
122
90
68
52
40
36
32
|
1
2
3
4
5
6
7
8
|
196
176
141
106
79
60
46
38
|
0,60
0,60
0,60
0,60
0,60
0,60
0,60
0,30
|
0,74
0,74
0,74
0,62
0,62
0,40
0,40
0,40
|
18000
18000
18000
12000
12000
13000
13000
13000
|
0,0048
0,0043
0,0035
0,0033
0,0024
0,0011
0,0008
0,0004

|
4. Разбивают толщину основания на элементарные слои толщиной hi
(не обязательно равные) исходя из условия hi
≤
0,2b
. Границы элементарных слоев должны совпадать с границами естественных напластований. Определяют координату подошвы элементарных слоёв, причем z = 0 соответствует подошве фундамента и начинают заполнение табл.5.
5. Вычисляют вертикальные нормальные напряжения на границах слоев грунта:
(3)
где –
коэффициент, учитывающий уменьшение по глубине дополнительного давления, принимается по прил.2, табл.1 СНиП 2.02.01–95.
Строят эпюру .
Точка пересечения эпюр
и 0,2
соответствует нижней границе сжимаемой толщи.
6. Определяют величины средних дополнительных давлений в каждом из элементарных слоев:
(4)
7. Находят величины осадок каждого элементарного слоя:
(5)
где – коэффициент, учитывающий отсутствие поперечного расширения при деформировании грунтов в условиях компрессии (табл.6).
Таблица 2
Значения коэффициента
| Грунт
|
b
|
| Песок и супесь
|
0,74
|
| Суглинок
|
0,62
|
| Глина
|
0,40
|
8. Суммарная осадка всех элементарных слоев составляет расчетную величину осадки основания S
.
Расчёт осадок свайного фундамента
Расчёт выполняют в следующей последовательности:
Определяют размеры условного фундамента (рис.2). Границы условного фундамента определяют следующим образом: снизу – плоскостью КБ, проходящей через нижние концы свай; с боков – вертикальными плоскостями КГ и БД, отстоящими от наружных граней крайних рядов вертикальных свай на расстояния , где – осредненное (средневзвешенное) расчетное значение угла внутреннего трения грунта, определяемое по формуле
Сервис онлайн-записи на собственном Telegram-боте
Попробуйте сервис онлайн-записи VisitTime на основе вашего собственного Telegram-бота:
— Разгрузит мастера, специалиста или компанию;
— Позволит гибко управлять расписанием и загрузкой;
— Разошлет оповещения о новых услугах или акциях;
— Позволит принять оплату на карту/кошелек/счет;
— Позволит записываться на групповые и персональные посещения;
— Поможет получить от клиента отзывы о визите к вам;
— Включает в себя сервис чаевых.
Для новых пользователей первый месяц бесплатно.
Зарегистрироваться в сервисе
(6)
где – расчетные значения углов внутреннего трения для отдельных, пройденных сваями слоев грунта толщиной соответственно h
1
,
h
2
….
hn
;
h
– глубина погружения сваи в грунт, считая от подошвы ростверка.

Pиc. 2. Схема определения границ условного фундамента
Дальнейший расчет ведут в такой же последовательности, как и фундамента мелкого заложения с размерами подошвы В
х L
и глубиной заложения фундамента d
.
При этом на рис.10 не чертят ростверк и сваи, а наносят только границы условного фундамента (КГДБ на рис. 2), а величину среднего фактического давления под подошвой условного фундамента вычисляют по формуле
(7)
где – вес, соответственно, ростверка, свай и грунта в пределах границ условного фундамента.
Определение осадок ленточных и одиночных свайных фундаментов производят согласно СНиП 2.02.03-85 Свайные фундаменты (Приложение 3 и 4).
Осадка S см., ленточных свайных фундаментов с одно- и двухрядным расположением свай (при расстоянии между сваями 3-4 d) определяется по формуле:
S
= (8)
где n – погонная нагрузка на свайный фундамент, кН/м;
Е,
n
- значение модуля деформации (кПа) и коэффициент бокового расширения (Пуассона) в пределах сжимаемой толщи;
- коэффициент принимаемый по Номограмме (см. СНиП).
Расчёт осадок одиночных свай, прорезающих слой грунта с модулем сдвига.
G
(Мпа) и коэффециентом n производят по формуле:
S=bN/Gl (9)
где N
- вертикальная нагрузка передаваемая на сваю, кН,
l
- длина сваи, м.
b
- коэффициент определяемый по формуле СНиП;
Характеристики G и n принимаются осреднёнными для всех слоёв в пределах глубины нагружения сваи.
1.2. Расчет осадок методом линейно-деформируемого слоя
конечной толщины
Этот метод применяется, если:
а) в пределах сжимаемой толщи основания расположен слой грунта с модулем деформации Е
≥100000 кПа;
б) подошва фундамента имеет большие размеры (ширина или диаметр более 10 м).
Принимают, что осадка фундамента вызвана полным средним давлением, действующим по подошве фундамента (без вычета давления от собственного веса грунта на уровне подошвы), т.е. Ро
=Р
.
Расчетную толщину линейно-деформируемого слоя H
принимают или до кровли грунта с модулем деформации Е
≥ 100000 кПа, или при ширине фундамента b
≥10 м и вычисляют по формуле
(10)
где Н0
и – принимают соответственно равными для оснований, сложенных пылевато-глинистыми грунтами 9 м и 0,15; песчаными грунтами 6 м и 0,1; Кр
–
коэффициент, принимаемый равным 0,8 при среднем давлении под подошвой фундамента p
=100 кПа; 1,2 при P
=500 кПа, а при промежуточных значениях P
– по интерполяции.
Если основание сложено пылевато-глинистыми и песчаными грунтами, значение H
вычисляют по СНиП 2.02.0I–83 прил.2, формуле (9).
Средняя осадка основания
(11)
где n
– количество слоев грунта,
– коэффициенты, определяемые соответственно по СНиП 2.02.01–83, прил.2, табл.2,3 и 4, в зависимости от глубины границ слоев, считая от подошвы фундамента.
Расчет считается законченным, если фактическая осадка меньше допускаемой:
S ≤ Su
(12)
Допускаемая величина осадки определяется по СП 50-101-2004 «Проектирование и устройство оснований и фундаментов зданий и сооружений» приложение Е «Предельные деформации оснований».
2. Расчет просадок
Просадка – вертикальные деформации грунтов основания при их увлажнении. Свойством просадочности обладают лессы и лессовидные суглинки. Просадку грунтов основания Ssl
, см, при увеличении их влажности вследствие замачивания сверху больших площадей, а также замачивания снизу при подъеме уровня подземных вод определяют по формуле:
(13)
где Ssl
,i
—
относительная просадочность i-го слоя грунта;
hi
— толщина i-го слоя, см;
к
sl
,
i
— поправочный коэффициент;
п —
число слоев, на которое разбита зона просадки hsl
.
Относительную просадочность грунта εsl
определяют на основе испытаний грунта в лабораторных условиях по формуле:
(14)
где hn
,
p
и hsat
,
p
— высота образца, см, соответственно природной влажности и после его полного водонасышения (w=wsat
) при давлении р,
кПа, равном вертикальному напряжению на рассматриваемой глубине от внешней нагрузки и собственного веса грунта р = σгр
+ σzg
при определении просадки грунта в верхней зоне просадки; при определении просадки грунта в нижней зоне просадки также учитывают дополнительную нагрузку от сил негативного трения;
hn
,
g
— высота, см, того же образца природной влажности при р = σzg
.
Значение εsl
может быть определено также в полевых условиях по испытаниям грунта штампом с замачиванием.
Коэффициент к5П
,
входящий в формулу, при b > 12 м принимают равным единице для всех слоев грунта в пределах зоны просадки; при b < 3м вычисляют по формуле:
ksl,i
=0,5+1,5(p-psl,i
)/p0
(15)
где р —
среднее давление под подошвой фундамента, кПа;
psl
,
i
—
начальное просадочное давление грунта i-го слоя, кПа;
р0
—
давление, равное 100 кПа.
При 3 м <b < 12 м ksl
,
i
определяют интерполяцией.
При определении просадки грунта от собственного веса следует принимать ksl
= 1 при Нsl
≤15 м и ksl
= 1,25 при Нsl
≥ 20 м, при промежуточных значениях Нsl
коэффициент ksl
определяют интерполяцией.
За начальное просадочное давление psl
принимают давление, соответствующее:
- при лабораторных испытаниях грунтов в компрессионных приборах —давлению, при котором относительная просадочность εsl
равна 0,01;
- при полевых испытаниях штампами предварительно замоченных грунтов — давлению, равному пределу пропорциональности на графике «нагрузка—осадка»;
- при замачивании грунтов в опытных котлованах — вертикальному напряжению от собственного веса грунта на глубине, начиная с которой происходит просадка грунта от собственного веса.
Толщину зоны просадки грунта hsl
принимают равной (рис.3): толщине верхней зоны просадочной толщи hsl
,
p
при определении просадки грунта от внешней нагрузки ssl
,
p
, при этом нижняя граница указанной зоны соответствует глубине, где σz
= σzp
+ σzg
= рsl
(рис. 3а, б) или глубине, где значение σz
минимально, если σz
,
min
>> рsl
, (рис. 3в); толщине нижней зоны просадочной толщи hsl
,
g
при определении просадки грунта от собственного веса ssl
,
g
., т.е. начиная с глубины zg
где σz
= рsl
, или значение σz
минимально, если σz
,
min
> рsl
,
и до нижней границы просадочной толщи.
При отсутствии опытных определений начального просадочного давления суммирование по формуле производят до глубины, на которой относительная просадочность εsl
от давления рi
равна 0,01.

Рисунок 3. Схемы к расчету просадок основания
а —
просадка от собственного веса ssl
,
g
отсутствует (не превышает 5 см), возможна только просадка от внешней нагрузки ssl
,
p
в верхней зоне просадки hsl
,
p
(I тип грунтовых условий); б, в, г —
возможна просадка от собственного веса ssl
,
g
в нижней зоне просадки hsl
,
g
,
начиная с глубины zg
(П тип грунтовых условий); 6 — верхняя и нижняя зоны просадки не сливаются, имеется нейтральная зона hn
;
в — верхняя и нижняя зоны просадки сливаются; г) — просадка от внешней нагрузки отсутствует; 1 — вертикальные напряжения от собственного веса грунта σzg
; 2 —суммарные вертикальные напряжения от внешней нагрузки и собственного веса грунта σz
=
σzp
+
σzg; 3 — изменение с глубиной начального просадочного давления рs
1
; Hsl
— толщина слоя просадочных грунтов (просадочная толща); d —
глубина заложения фундамента
Для расчета просадки грунта от нагрузки фундамента просадочную толщу разбивают на отдельные слои hi
в соответствии с литологическим разрезом и горизонтами определения εsl
,
i
. При этом толщина слоев должна быть не более 2 м, а изменение суммарного напряжения в пределах каждого слоя не должно превышать 200 кПа. При расчете просадок по формуле (13) учитывают только слои грунта, относительная просадочность которых при фактическом напряжении εsl
≥ 0,01. Слои, в которых εsl
< 0,01, исключают из рассмотрения. Указанные требования относятся и к расчету максимальной просадки грунта от собственного веса по формуле (13).
Расчет считается законченным, если сумма фактической осадки и просадки меньше допускаемой:
(S+Sεl
) ≤ Su
(16)
3. Определение расчетного сопротивления грунта
основания
При расчете деформаций основания, среднее давление под подошвой фундамента p не должно превышать расчетного сопротивления грунта основания R, кПа (тс/м2
), определяемого по формуле:
, (17)
где
γc
1
и γc
2
– коэффициенты условий работы, принимаемые по таблице 3;
к – коэффициент, принимаемый равным: к = 1, если прочностные характеристики грунта (φ и с) определены непосредственными испытаниями, и К=1,1, если они приняты по табл. 1-3 приложения Г СП 50-101-2004 «Проектирование и устройство оснований и фундаментов зданий и сооружений».
Таблица 3
Коэффициенты условий работы грунта основания
| Грунты
|
Коэффициент γc1
|
Коэффициент γc
2
для сооружений с жесткой конструктивной схемой при отношении длины сооружения или его отсека к высоте L/H, равном
|
| 4 и более
|
1,5 и менее
|
| Крупнообломочные, с песчаным заполнителем и песчаные, кроме мелких и пылеватых
Пески мелкие
Пески пылеватые:
маловлажные и влажные насыщенные водой
Пылевато-глинистые, а также крупнообломочные с пылевато-глинистым заполнителем с показанием текучести грунта или заполнителя 
То же, при 
То же, при >0,5
|
1,4
1,3
1,25
1,1
1,2
1,1
|
1,2
1,1
1,0
1,0
1,0
1,0
|
1,4
1,3
1,2
1,2
1,1
1,0
|
К сооружениям жесткой конструктивной схемой относятся сооружения, конструкции которых специально приспособлены к восприятию усилий от деформаций оснований, в том числе за счет применения мероприятий, указанных в п. 2.70б. Для зданий с гибкой конструктивной схемой значения коэффициента γc
2
принимается равным единице. При промежуточных значениях L/H коэффициент γc
2
определяется по интерполяции.
Мγ, Мg, Mc – коэффициенты, принимаемые по табл. 4;
Κz
– коэффициент, принимаемый равным: при b < 10 м - Κz
= 1, при b ≥ 10 м - Κz
= z0
/ b + 0,2 (здесь z0
= 8 м);
b – ширина подошвы фундамента, м;
γII
– осредненное расчетное значение удельного веса грунтов, залегающих ниже подошвы фундамента (при наличии подземных вод определяется с учетом взвешивающего действия воды), кН/м3
(тс/ м3
);
γII
′
- то же, залегающих выше подошвы;
Таблица 4
Зависимость коэффициентов Мγ
, Мg
,
, Mc
от угла внутреннего трения
| Угол внутреннего трения φII
, град
|
коэффициенты
|
Угол внутреннего трения φII
, град
|
Коэффициенты
|
| Мγ
|
Мg
|
Mc
|
Мγ
|
Мg
|
Mc
|
| 0
1
2
3
4
5
6
7
8
9
10
11
12
13
14
15
16
17
18
19
20
21
22
|
0
0,01
0,03
0,04
0,06
0,08
0,10
0,12
0,14
0,16
0,18
0,21
0,23
0,26
0,29
0,32
0,36
0,39
0,43
0,47
0,51
0,56
0,61
|
1,00
0,06
1,12
1,18
1,25
1,32
1,39
1,47
1,55
1,64
1,73
1,83
1,94
2,05
2,17
2,30
2,43
2,57
2,73
2,89
3,06
3,24
3,44
|
3,14
3,23
3,32
3,41
3,51
3,61
3,71
3,82
3,93
4,05
4,17
4,29
4,42
4,55
4,69
4,84
4,99
5,15
5,31
5,48
5,66
5,84
6,04
|
23
24
25
26
27
28
29
30
31
32
33
34
35
36
37
38
39
40
41
42
43
44
45
|
0,69
0,72
0,78
0,84
0,91
0,98
1,06
1,15
1,24
1,34
1,44
1,55
1,68
1,81
1,95
2,11
2,28
2,46
2,66
2,88
3,12
3,38
3,66
|
3,65
3,87
4,11
4,37
4,64
4,93
5,25
5,59
5,95
6,34
6,76
7,22
7,71
8,24
8,81
9,44
10,11
10,85
11,64
12,51
13,46
14,50
15,64
|
6,24
6,45
6,67
6,90
7,14
7,40
7,67
7,95
8,24
8,55
8,88
9,22
9,58
9,97
10,37
10,80
11,25
11,73
12,24
12,79
13,37
13,98
14,64
|
сII
– расчетное значение удельного сцепления грунта, залегающего непосредственно под подошвой фундамента, кПа (тс/ м2
);
d1
– глубина заложения фундаментов бесподвальных сооружений от уровня планировки или приведенная глубина заложения наружных и внутренних фундаментов от пола подвала, определяемая по формуле:
d1
= hs
+ hcf
γcf
/γ′II
, (18)
где hs
– толщина слоя грунта выше подошвы фундамента со стороны подвала, м;
hcf
- толщина конструкции пола подвала, м;
γcf
– расчетное значение удельного веса конструкции пола подвала, кН/м3
(тс/ м3
);
db
– глубина подвала – расстояние от уровня планировки до пола подвала, м (для сооружений с подвалом шириной В ≤ 20 м и глубиной свыше 2 м принимается db
=2 м, при ширине подвала В > 20 м - db
= 0).
Расчет основания выполняется исходя из условия: P ≤ R. Если условие не выполняется, то необходимо: а) увеличивать размеры подошв фундамента; б) увеличивать глубину заложения фундамента; в) провести мероприятия по улучшению механических характеристик грунтов основания (уплотнением, закреплением и т.д.).
4. Расчёт устойчивости откоса
Определение устойчивости массивов грунта имеет большое практическое значение при проектировании таких земляных сооружений, как насыпи, выемки, дамбы. Нарушение равновесия на откосах сопровождается сползанием больших масс грунта и происходит внезапно. Такие явления носят опасный характер как для автомобильных дорог, так и зданий, находящихся на откосах.
Для расчета откосов широко применяется метод круглоцилиндрической поверхности скольжения (КПЦС). Метод заключается в нахождении центра вращения линии скольжения (точка О) и расчете коэффициента устойчивости откоса. При этом решается плоская задача механики грунтов, т.е. в расчетах рассматривается часть бесконечного откоса шириной 1,0 м (рис. 4).

Рис. 4 .Схема действия сил на откосе
Коэффициент устойчивости
– это отношение моментов сил, удерживающих откос в состоянии равновесия, к моменту сил, сдвигающих откос:
(19)
Для расчетов этих сил призму ABC
разделяют на несколько отсеков. Силы взаимодействия в вертикальных плоскостях между отсеками не учитываются. Вес грунта в откосе раскладывается на две составляющие: касательные (Т
i
), направленные вдоль линии скольжения, и нормальные (Ni
) перпендикулярные направлению касательных напряжений. При расчете учитываются следующие основные параметры:
1) физико-механические свойства:
g
– удельный вес, кН/м3
;
j
– угол внутреннего трения, град;
с
– удельное сцепление, кПа;
2) геометрические параметры откоса:
H
– высота откоса, м;
Ai
– площадь блока, м2
;
li
– длина дуги скольжения, м;
3) силовые параметры:
Qi
– вес блока, кН/м;
Ti
– сдвигающая сила, кН/м;
Ni
– нормальная сила, кН/м;
Fi
– сила трения грунта о грунт, кН/м.
Откос считается устойчивым, если h
/1,2.
Порядок выполнения работы
Работы выполняются графо-аналитическим методом. В этом случае все расчетные схемы выполняются в масштабе.
Расчеты на устойчивость могут быть выполнены в двух вариантах:
Вариант 1 – поверхность скольжения откоса задается. Необходимо определить h
.
Вариант 2 – наиболее вероятная линия скольжения находится путем поиска минимальной величины h
.
В настоящей работе студентам предлагается выполнить расчет по первому варианту. При этом центр вращения находится по значениям углов a
и b
(см. рис. 4). Значения углов определяются по табл. 5, исходя из величины заложения откоса.
Таблица 5
Значение углов a и b для определения центра вращения
| Заложение откосов (Н
:l
)
|
a
, град
|
b
, град
|
| 1:1
|
28
|
37
|
| 1:1,5
|
26
|
35
|
| 1:2
|
25
|
35
|
| 1:3
|
25
|
35
|
| 1:4
|
25
|
36
|
| 1:5
|
25
|
37
|
Пример выполнения
Исходные данные
для расчета: откос из однородного грунта (суглинка) высотой 11м и заложением 1:1 (угол откоса 45°). Физико-механические свойства грунта: g
=19 кН/м3
, j
=
20°, с=
40 кПа. Необходимо оценить устойчивость откоса в непосредственной близости от автомобильной дороги.
Последовательность расчета
1. В масштабе 1:100 строится схема откоса (рис. 4).
2. Вычисляется центр вращения О
. Для этого по табл. 5 определим значения углов: a
=28° и b
=37°. На пересечении линий АО
и B
О
находится центр вращения.
3. Из центра вращения проводится линия скольжения радиусом R
и контуры призмы сползания ABC
определены.
4. Производится разделение призмы А
B
С
на отсеки шириной по 3 м. В нашем примере получилось 7 отсеков. Каждый отсек имеет свою линию сдвижения li
, площадь А
i
и вес грунта Qi
.
5. Определяются углы наклона поверхности скольжения в каждом отсеке a
i
. Углы отсчитываются от линии, перпендикулярно проходящей через центр вращения. При этом a
i
, находящиеся на левой стороне от центра вращения, имеют знак "минус" (например, угол a
7
на рис. 5).

Рис. 4. Расчётная схема откоса
6. Дальнейший расчет производится в табличной форме (табл. 6). После заполнения таблицы определяется сумма удерживающих и сдвигающих сил.
7. Вычисляется коэффициент устойчивости откоса.
Таблица 6 Расчет устойчивости откоса в форме таблицы
| № изм.
|
Ai
, м2
|
g
, кН/м3
|
Qi
=g
×Ai
, кН/м
|
a
i
, град
|
sin a
i
|
Ti
=Qi
×sin a
i
, кН/м
|
cos a
i
|
Ni
=Qi
×cos a
i
, кН/м
|
j
, град
|
tg j
|
Fi
=Ni
×tg j
, кН/м
|
с
, кПа
|
li
, м
|
с
×li
|
| 1
|
6,25
|
19,0
|
118,8
|
63
|
0,8910
|
105,9
|
0,4540
|
53,9
|
20
|
0,3640
|
19,6
|
40
|
5,5
|
220,0
|
| 2
|
19,5
|
19,0
|
370,5
|
45
|
0,7071
|
261,9
|
0,7071
|
261,9
|
20
|
0,3640
|
95,3
|
40
|
4,2
|
168,0
|
| 3
|
27,0
|
19,0
|
573,0
|
30
|
0,500
|
256,5
|
0,8660
|
444,3
|
20
|
0,3640
|
161,7
|
40
|
3,6
|
144,0
|
| 4
|
30,0
|
19,0
|
570,0
|
18
|
0,3090
|
176,1
|
0,9511
|
542,1
|
20
|
0,3640
|
197,3
|
40
|
3,2
|
128,0
|
| 5
|
27,0
|
19,0
|
361,0
|
9
|
0,1564
|
56,5
|
0,9877
|
356,6
|
20
|
0,3640
|
129,8
|
40
|
3,0
|
120,0
|
| 6
|
15,0
|
19,0
|
265,0
|
–1
|
–0,0175
|
–4,6
|
0,9998
|
264,9
|
20
|
0,3640
|
96,4
|
40
|
3,0
|
120,0
|
| 7
|
9,2
|
19,0
|
174,8
|
–12
|
–0,2079
|
–36,3
|
0,9781
|
170,9
|
20
|
0,3640
|
62,2
|
40
|
3,0
|
120,0
|
Сумма сдвигающих сил
=105,9+261,9+256,5+176,1+56,5-4,6-36,3=816,0 кН/м;
Сумма удерживающих сил
=
(19,6+95,3+161,7+197,3+129,8+96,4+62,2)+
+(220,6+168,0+144,0+128,0+120,0+120,0+120,0)=1782,3 кН/м.
= =2,18.
Вывод
: откос находится в стабильном устойчивом состоянии. Уменьшение коэффициента h
возможно при обводнении откоса, так как это приведет к снижению прочностных характеристик грунта.
ЗАКЛЮЧЕНИЕ
В заключении студент описывает объем проведенных работ и предполагаемые пути использования результатов курсовой работы.
ЛИТЕРАТУРА
1. Тер-Мартиросян З.Г. Механика грунтов. – М., Изд-во Ассоциации строительных вузов, 2005. – 488 с.
2. Механика грунтов. Ч. 1. Основы геотехники в строительстве /Под ред. Далматова Б.И. – М.-СПб, 2000. – 202 с.
3. Турчанинов И.А., Иофис М.А., Каспарьян Э.В. Основы механики горных пород. – Л.: Недра, 1977. – 504 с.
4. Викторов С.Д., Иофис М.А., Гончаров С.А. Сдвижение и разрушение горных пород. – М.: Наука, 2005. – 280 с.
5. СП 50-101-2004 Проектирование и устройство оснований и фундаментов зданий и сооружений. – М. ГОССТРОЙ России, 2005.
Приложения
Приложение 1
Коэффициент a
, учитывающий рассеивание напряжений с глубиной
| z
=2z
/b
|
Коэффициент a
для фундаментов
|
| круглых
|
прямоугольных с соотношением сторон h
=l
/b
, равным
|
ленточных при h
>10
|
| 1
|
1,4
|
1,8
|
2,4
|
3,2
|
5
|
| 0,0
|
1,000
|
1,000
|
1,000
|
1,000
|
1,000
|
1,000
|
1,000
|
1,000
|
| 0,4
|
0,949
|
0,960
|
0,972
|
0,975
|
0,976
|
0,977
|
0,977
|
0,977
|
| 0,8
|
0,756
|
0,800
|
0,848
|
0,866
|
0,875
|
0,879
|
0,881
|
0,881
|
| 1,2
|
0,547
|
0,606
|
0,682
|
0,717
|
0,739
|
0,749
|
0,754
|
0,755
|
| 1,6
|
0,390
|
0,449
|
0,532
|
0,578
|
0,612
|
0,629
|
0,639
|
0,642
|
| 2,0
|
0,284
|
0,366
|
0,414
|
0,463
|
0,505
|
0,530
|
0,545
|
0,550
|
| 2,4
|
0,213
|
0,257
|
0,325
|
0,374
|
0,419
|
0,449
|
0,470
|
0,477
|
| 2,8
|
0,165
|
0,201
|
0,260
|
0,304
|
0,349
|
0,383
|
0,410
|
0,420
|
| 3,2
|
0,130
|
0,160
|
0,210
|
0,251
|
0,294
|
0,329
|
0,360
|
0,374
|
| 3,6
|
0,106
|
0,131
|
0,173
|
0,209
|
0,250
|
0,285
|
0,319
|
0,337
|
| 4,0
|
0,087
|
0,108
|
0,145
|
0,176
|
0,214
|
0,248
|
0,285
|
0,306
|
| 4,4
|
0,073
|
0,091
|
0,123
|
0,150
|
0,185
|
0,218
|
0,255
|
0,280
|
| 4,8
|
0,062
|
0,077
|
0,105
|
0,130
|
0,161
|
0,192
|
0,230
|
0,258
|
| 5,2
|
0,053
|
0,067
|
0,091
|
0,113
|
0,141
|
0,170
|
0,208
|
0,239
|
| 5,6
|
0,046
|
0,058
|
0,079
|
0,099
|
0,124
|
0,152
|
0,189
|
0,233
|
| 6,0
|
0,040
|
0,051
|
0,070
|
0,087
|
0,110
|
0,136
|
0,172
|
0,208
|
| 6,4
|
0,036
|
0,045
|
0,062
|
0,077
|
0,099
|
0,122
|
0,158
|
0,196
|
| 6,8
|
0,032
|
0,040
|
0,055
|
0,069
|
0,088
|
0,110
|
0,145
|
0,185
|
| 7,2
|
0,028
|
0,036
|
0,049
|
0,062
|
0,080
|
0,100
|
0,133
|
0,175
|
| 7,6
|
0,025
|
0,032
|
0,044
|
0,056
|
0,072
|
0,091
|
0,123
|
0,166
|
| 8,0
|
0,023
|
0,029
|
0,040
|
0,051
|
0,066
|
0,084
|
0,113
|
0,158
|
| 8,4
|
0,021
|
0,026
|
0,037
|
0,047
|
0,060
|
0,077
|
0,105
|
0,150
|
| 8,8
|
0,019
|
0,024
|
0,033
|
0,042
|
0,055
|
0,071
|
0,098
|
0,143
|
| 9,2
|
0,017
|
0,022
|
0,031
|
0,039
|
0,051
|
0,065
|
0,091
|
0,137
|
| 9,6
|
0,016
|
0,020
|
0,028
|
0,036
|
0,047
|
0,060
|
0,085
|
0,132
|
| 10,0
|
0,015
|
0,019
|
0,026
|
0,033
|
0,043
|
0,056
|
0,079
|
0,126
|
| 10,4
|
0,014
|
0,017
|
0,024
|
0,031
|
0,040
|
0,052
|
0,074
|
0,122
|
| 10,8
|
0,013
|
0,016
|
0,022
|
0,029
|
0,037
|
0,049
|
0,069
|
0,177
|
| 11,2
|
0,012
|
0,015
|
0,021
|
0,027
|
0,035
|
0,045
|
0,065
|
0,113
|
| 11,6
|
0,011
|
0,014
|
0,020
|
0,025
|
0,033
|
0,042
|
0,061
|
0,109
|
| 12,0
|
0,010
|
0,013
|
0,018
|
0,023
|
0,031
|
0,040
|
0,058
|
0,106
|
Примечание
Для промежуточных значений x
и h
коэффициент a
определяется интерполяцией.
Приложение 2
Связь между наиболее употребляемыми в механике грунтов единицами измерения в системе СИ и технической системе
Таблица 1
| Единицы силы
|
кгс
|
тс
|
Н
|
кН
|
МН
|
| 1 кгс =
|
1
|
10–3
|
10
|
0,01
|
10–5
|
| 1 тс =
|
103
|
1
|
104
|
10
|
0,01
|
| 1 Н =
|
0,1
|
10–4
|
1
|
10–3
|
10–6
|
| 1 кН =
|
100
|
0,1
|
103
|
1
|
10–3
|
| 1 МН =
|
105
|
100
|
106
|
103
|
1
|
Таблица 2
| Единицы давления (напряжения)
|
тс/м2
|
кгс/см2
|
Па
|
кПа
|
МПа
|
| 1 тс/м2
=
|
1
|
0,1
|
104
|
10
|
0,01
|
| 1 кгс/см2
=
|
10
|
1
|
105
|
100
|
0,1
|
| 1 Па =
|
10–4
|
10–5
|
1
|
10–3
|
10–6
|
| 1 кПа =
|
0,1
|
0,01
|
103
|
1
|
10–3
|
| 1 МПа =
|
100
|
10
|
106
|
103
|
1
|
Единица измерения коэффициента упругого отпора пород (коэффициента постели) - 1 кгс/см3
= 10 МПа/м.
Сергеев Сергей Валентинович, докт. техн. наук, проф.
МЕТОДИЧЕСКОЕ УКАЗАНИЕ
по выполнению курсовой работы по дисциплине
«МЕХАНИКА ГОРНЫХ ПОРОД И ГРУНТОВ»
для студентов специальность 130302 «Поиски и разведка подземных
вод и инженерно-геологические изыскания»
|