| МИНИСТЕРСТВО СЕЛЬСКОГО ХОЗЯЙСТВА
И ПРОДОВОЛЬСТВИЯ РЕСПУБЛИКИ БЕЛАРУСЬ
ГЛАВНОЕ УПРАВЛЕНИЕ ОБРАЗОВАНИЯ, НАУКИ И КАДРОВ
УЧРЕЖДЕНИЕ ОБРАЗОВАНИЯ
«БЕЛОРУССКАЯ ГОСУДАРСТВЕННАЯ
СЕЛЬСКОХОЗЯЙСТВЕННАЯ АКАДЕМИЯ»
Н.Ф. Гульков, С.И. Понасенко
ГИДРАВЛИКА
Рекомендовано учебно-методическим объединением высших учебных заведений Республики Беларусь по образованию в области сельского хозяйства в качестве учебно-методического пособия для студентов строительно-мелиоративного факультета специальностей
1-74 05 01 – мелиорация и водное хозяйство и 1-74 04 01 – сельское строительство и обустройство территорий
Горки 2007
УДК 532 (075)
ББК 30. 123
Г 94
Одобрено методической комиссией факультета мелиорации и водного хозяйства 21.03.2006 (протокол № 5) и научно-методическим советом 28.03.2006 (протокол №7).
Гульков Н.Ф., Понасенко С.И.
Г. 94. Гидравлика: Учебно-методическое пособие – Горки: Белорусская государственная сельскохозяйственная академия, 2007. 116 с.
IS
В
N
985 – 467 – 150 – Х
Обобщены основные теоретические положения по рассматриваемым вопросам, приведены примеры гидравлического расчета отдельных элементов гидротехнических сооружений и трубопроводов, а также справочный материал.
Для студентов строительно-мелиоративного факультета специальностей 1–74 05 01– мелиорация и водное хозяйство и 1–74 04 01 – сельское строительство и обустройство территорий.
Таблиц 9. Рисунков 27. Приложений 1. Библиогр. 7.
Рецензенты: П.В. ШВЕДОВСКИЙ, канд. техн. наук, профессор Брестского государственного технического университета; В.В. ИВАШЕЧКИН, канд. техн. наук, доцент Белорусского национального технического университета.
УДК 532 (075)
ББК 30. 123
| IS
В
N
985 – 467 – 150
–
Х
|
© Н.Ф. Гульков,
С.И. Понасенко , 2007
© Учреждение образования
«Белорусская государственная
сельскохозяйственная академия», 2007
|
ВВЕДЕНИЕ
Гидравлика является базовой инженерной дисциплиной, изучающей законы равновесия и механического движения жидкостей и разрабатывающая методы применения этих законов для решения различных прикладных задач. Главнейшие области применения гидравлики – гидротехника, мелиорация и водное хозяйство, водоснабжение и канализация, гидроэнергетика, машиностроение и т.д. Знание законов гидравлики и их практическое применение при решении конкретных инженерных задач позволит студентам более интенсивно и полноценно изучить ряд специальных дисциплин – гидротехнические сооружения, гидротехнические мелиорации, водоснабжение и канализация, гидравлические машины и гидроприводы и др.
Забиваем Сайты В ТОП КУВАЛДОЙ - Уникальные возможности от SeoHammer
Каждая ссылка анализируется по трем пакетам оценки: SEO, Трафик и SMM.
SeoHammer делает продвижение сайта прозрачным и простым занятием.
Ссылки, вечные ссылки, статьи, упоминания, пресс-релизы - используйте по максимуму потенциал SeoHammer для продвижения вашего сайта.
Что умеет делать SeoHammer
— Продвижение в один клик, интеллектуальный подбор запросов, покупка самых лучших ссылок с высокой степенью качества у лучших бирж ссылок.
— Регулярная проверка качества ссылок по более чем 100 показателям и ежедневный пересчет показателей качества проекта.
— Все известные форматы ссылок: арендные ссылки, вечные ссылки, публикации (упоминания, мнения, отзывы, статьи, пресс-релизы).
— SeoHammer покажет, где рост или падение, а также запросы, на которые нужно обратить внимание.
SeoHammer еще предоставляет технологию Буст, она ускоряет продвижение в десятки раз,
а первые результаты появляются уже в течение первых 7 дней.
Зарегистрироваться и Начать продвижение
Так как учебной литературы с примерами гидравлического расчета конкретных инженерных задач имеется ограниченное количество, то данное учебно-методическое пособие должно восполнить этот пробел и оказать студентам инженерных специальностей существенную помощь в изучении дисциплины и выполнении расчетно-графических работ.
Расчетно-графические работы выполняются на стандартных листах писчей бумаги формата А4 (210×297) с текстом на одной стороне. Текст и расчеты должны быть написаны четко и аккуратно чернилами, схемы и чертежи выполняют в карандаше. Решение задач должно сопровождаться кратким пояснительным текстом и связующими словами, поясняющими последовательность решения. Сокращение слов в тексте расчета не допускается, за исключением общепринятых согласно ГОСТ 7.12–77. Расчеты следует выполнять, применяя Международную систему (СИ) единиц физических величин согласно ГОСТ 8.417–81.
Графические решения и графики должны быть выполнены на миллиметровой бумаге с обязательным соблюдением требований ГОСТ 2.109–73 ЕСКД (Основные требования к чертежам). Схемы и рисунки помещают в тексте в порядке их необходимости.
1. РАВНОВЕСИЕ ЖИДКОСТИ, ДАВЛЕНИЕ
НА ПОВЕРХНОСТИ ЕЕ ОГРАЖДАЮЩИЕ
И НА ТЕЛА В НЕЕ ПОГРУЖЕННЫЕ
Цель работы
: получить практические навыки решения инженерных задач по гидравлике, связанных с применением законов гидростатики.
Исходные данные
: индивидуальные расчетные схемы задач с цифровыми исходными данными по трем произвольным темам раздела.
Требуется
: произвести аналитический, а при необходимости, и графический расчеты каждой расчетной схемы индивидуальных задач с подстановкой цифровых исходных данных; оформить расчеты в расчетно-графическую работу согласно требованиям, изложенным выше.
1.1. Равновесие однородной несжимаемой жидкости
относительно Земли
Уравнение, выражающее гидростатический закон распределения давления в однородной несжимаемой жидкости, покоящейся относительно Земли, имеет следующий вид:
z1
+ p1
/rg = z2
+ p2
/rg (1.1)
или
gz1
+ p1
/r = gz2
+ p2
/r, (1.2)
где z1
, z2
– геометрическая высота, т.е. расстояние от произвольной горизонтальной плоскости сравнения до рассматриваемой точки покоящегося объема жидкости;
Сервис онлайн-записи на собственном Telegram-боте
Попробуйте сервис онлайн-записи VisitTime на основе вашего собственного Telegram-бота:
— Разгрузит мастера, специалиста или компанию;
— Позволит гибко управлять расписанием и загрузкой;
— Разошлет оповещения о новых услугах или акциях;
— Позволит принять оплату на карту/кошелек/счет;
— Позволит записываться на групповые и персональные посещения;
— Поможет получить от клиента отзывы о визите к вам;
— Включает в себя сервис чаевых.
Для новых пользователей первый месяц бесплатно.
Зарегистрироваться в сервисе
р1
, р2
– гидростатическое давление в точке;
r – плотность жидкости;
g – ускорение силы тяжести.
Следует отметить, что члены уравнения (1.1) отнесены к единице веса, а (1.2) – к единице массы жидкости. Уравнение (1.1) обычно называют основным уравнением гидростатики. Значения плотностей различных жидкостей приводятся в табл.1 приложения.
Из уравнения (1.1) легко получить зависимость, позволяющую определить гидростатическое давление в любой точке рассматриваемого объема покоящейся жидкости, которая имеет следующий вид:
р = р0
+ rgh, (1.3)
где р0
– внешнее давление на свободной поверхности жидкости;
h – глубина погружения точки под свободную поверхность жидкости, т.е. поверхность жидкости, граничащую с газовой средой.
Величину rgh называют весовым давлением, так как она равна весу столба жидкости при единичной площади и высоте h. Следует обратить внимание на то, что чем ниже расположена точка под уровнем жидкости, тем давление больше.
Иногда давление р называют абсолютным давлением и обозначают рабс.
В отличие от абсолютного давления употребляется понятие избыточного и вакуумметрического давления. Избыточным давление называют разность
ри
= р – рат
= р0
+ rgh – рат
, (1.4)
где рат
– атмосферное давление.
В гидротехнических сооружениях, как правило, на свободной поверхности жидкости давление равно атмосферному (ро
=рат
), а избыточное давление – весовому.
Если давление в жидкости меньше атмосферного, то напряженное состояние ее характеризуется значением разряжения (вакуума):
рвак
= рат
– р. (1.5)
Давление измеряется с помощью пьезометров, манометров и ва-куумметров. Давление в системе СИ выражается в Паскалях (Па) и 1Па =1Н/м2
.
При решении задач по данной теме, как правило, применяются уравнения (1.1) или (1.3), на основании которых составляются уравнения равновесия жидкости относительно произвольной плоскости отсчета, т.е. приравнивается давление справа и слева для выбранной точки жидкости или с внутренней и внешней ее сторон. Иногда неизвестных величин оказывается больше количества составленных уравнений равновесия. В этом случае недостающее количество уравнений составляется на основании законов физики или изменения объемов для рассматриваемого процесса.
Общую методику решения задач по данной теме рассмотрим на примерах.
Пример 1.1.
Дифференциальный ртутный манометр присоединен к двум трубопроводам С и D с водой (рис.1.1). Определить давление в трубопроводе D, если избыточное давление в трубопроводе С рс
=125 кПа, а высота столба ртути h=0,4 м.
Решение
. Проводится плоскость отсчета 0–0 по нижней линии раздела между водой и ртутью. Так как в колене дифманометра ртуть уравновешена, то давление в точках 1 и 2 будет одинаковым и соответственно составит:

Рис.1.1. Расчетная схема.
р1
= рD
+ rв
gh2
;
р2
= рС
+ rв
gh1
+ rрт
gh.
Приравниваются правые части записанных уравнений, откуда и определяется искомое давление в трубопроводе D:
рD
= rС
+ rв
gh1
+ rрт
gh – rв
gh2
= rС
– rв
g(h2
– h1
) + rрт
gh =
= рС
+ gh(rрт
–rв
) = 125×103
+ 9,81×0,4(13600–1000) = 174,4кПа.
Ответ: рD
= 174,4 кПа.
Пример 1.2.
Определить давление Р газа в баллоне А по показанию двухжидкостного чашечного микроманометра h = 0,2 м (рис.1.2), заполненного ртутью и водой. Отношение диаметров трубки и чашки прибора d/D = n = 0,2.

Рис.1.2. Расчетная схема.
Решение
. Для определения давления в баллоне А применяется закон равновесия несжимаемой жидкости, из которого следует, что давление в точках 1 и 2 на плоскости отсчета 0–0 будет одинаково, так как в колене микроманометра ртуть уравновешена. В правой трубке оно создано атмосферным давлением Рат
и весовым давлением столба воды. Так как высота этого столба неизвестна, введем размер hx
, как показано на рис. 1.2. Тогда
р1
= рат
+ rв
g(h+hх
).
В левой трубке давление на плоскости 0 – 0 создается давлением газа р в баллоне А и весовым давлением воды и ртути. Для выражения давления через указанные величины вводится еще один параметр Dh, представляющий разность уровней воды в чашках прибора (см. рис.1.2). Тогда
р2
= р + rв
g(hх
+Dh) + rрт
gh.
Приравниваются правые части записанных выше уравнений, получим
рат
+ rв
g(h+hx
) = р + rв
g(hx
+Dh) + rрт
gh,
откуда
р = рат
– (rрт
–rв
)gh – rв
gDh.
Из последнего уравнения следует, что использование закона равновесия несжимаемой жидкости недостаточно для решения задачи, так как в нем не известны две величины, т.е. р и Dh. Для определения величины Dh применим уравнение постоянства объема жидкости в системе. Тогда
.
Подставив полученное выражение Dh в расчетное уравнение, получим

Поскольку р = 75,2 кПа < рат
= 100 кПа, то давление в баллоне А будет вакуумметрическое, величина которого
рвак
= рат
– р = 100 – 75,2 = 24,8 кПа.
Ответ: р = 75,2 кПа.
Более полно решение задач по этой теме приводится в литературе [3, c.19–25; 4, с.12–16].
1.2. Относительный покой (равновесие) жидкости
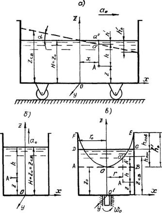
Здесь рассматриваются случаи относительного покоя жидкости, находящейся в сосуде, при движении в горизонтальном и вертикальном направлениях с постоянным ускорением ± а и вращении цилиндрического сосуда вокруг вертикальной оси с постоянной угловой скоростью wо
. Уравнения свободной поверхности при р=рат
и начале координат, как показано на рис. 1.3, соответственно имеют следующий вид:
; (1.6)
Zc
в
– Z0
= h¢ = 0; (1.7)
Zc
в
– Z0
= h¢ = w0
2
r2
/(2g), (1.8)
где Zc
в
– текущая координата поверхности жидкости в сосуде;
Z0
– начальная глубина жидкости в сосуде для первых двух случаев или координата параболоида вращения.
Свободная поверхность жидкости для указанных выше случаев представляет собой соответственно наклонную к оси х под углом и горизонтальную плоскости, а также параболоид вращения. Для случая вращения жидкости в цилиндрическом сосуде из равенства объемов (см. рис.1.3, в) следует, что WАВС
D
= WABEF
– WEOF
, откуда легко выражается зависимость
hпов
= hпон
= 0,5h¢0
, (1.9)
где hпов
– повышение уровня жидкости у стенки сосуда над первоначальным уровнем;
hпон
– понижение уровня жидкости по оси сосуда под первоначальный уровень (см. рис. 1.3);
h¢0
– высота параболоида вращения, соответствующая радиусу сосуда r0
.
Для первого и третьего случаев (см. рис. 1.3, а) давление в точке рассматриваемого объема жидкости определяется по уравнению (1.3), т.е. распределяется по гидростатическому закону, а глубину погружения точки под свободную поверхность жидкости рекомендуется определять по зависимости
h = Z0
– Z ± h¢. (1.10)
Для случая вращения жидкости в цилиндрическом сосуде величина h¢ принимается всегда с положительным знаком. При вертикальном перемещении сосуда (рис. 1.3, б) с жидкостью с постоянным ускорением ± а
давление в точке рассматриваемого объема определяется по уравнению

Рис. 1.3. Относительный покой жидкости: a – горизонтальное перемещение
сосуда с жидкостью; б – вертикальное перемещение сосуда с жидкостью;
в – вращение сосуда с жидкостью относительно вертикальной оси.
р = р0
+ r(g ± a)×h, (1.11)
где знак вертикального ускорения зависит от его направления.
Общую методику решения задач по данной теме рассмотрим на примерах.
Пример 1.3
. В цилиндрическую форму (рис.1.4) с внутренним диаметром D = 1120 мм и высотой l
= 1000 мм залит цементный раствор для изготовления трубы центробежным способом. При толщине стенок цементной трубы у нижней и верхней грани соответственно d1
= 60 мм и d2
= 58 мм. Определить необходимую частоту вращения цилиндрической формы.

Рис. 1.4. Расчетная схема.
Решение
. Определяется по (1.8) высота параболоида вращения h¢
1
и h¢
2
соответственно при r1
= D/2 – d1
= 1,12/2 – 0,06 = 0,500 м и r2
= D/2––d1
= 1,12/2 – 0,058 = 0,502 м:
h¢
1
= ; h¢
2
= .
Из рис. 1.4 видно, что h¢
2
– h¢
1
= l
= – (r2
2
–r1
2
).
Откуда определяется угловая скорость вращения цилиндрической формы:

Тогда частота вращения цилиндрической формы составит:
мин–1
.
Следует отметить, что при уменьшении частоты вращения цилиндрической формы толщина стенки d2
цементной трубы будет уменьшаться, что является не всегда приемлемым.
Ответ: n = 15,76 с–1
= 945,3 мин–1
.
Более полно решение задач по этой теме приводится в литературе [4, c.16, 17].
1.3. Сила давления покоящейся жидкости
на плоские поверхности
Результирующая сила давления и точка ее приложения на плоские поверхности могут быть определены аналитическим и графоаналитическим способами.
А н а л и т и ч е с к и й с п о с о б . Результирующая сила давления, воспринимаемая плоской поверхностью, если она подвергается одностороннему давлению жидкости (на несмоченной стороне поверхности– атмосферное давление), определяется по формуле [1, c. 44]
F = рм (ц.т)
×w = rghм(ц.т)
w, (1.12)
где рм (ц.т)
– манометрическое давление в центре тяжести плоской поверхности;
w – смоченная площадь плоской поверхности;
hм
(ц.т)
– расстояние по вертикали от центра тяжести площади w до пьезометрической плоскости нулевого избыточного давления 0 – 0.
При избыточном давлении ри
на свободной поверхности (рис. 1.5,а)
hм(ц.т)
= т
. (1.13)
При вакуумметрическом давлении рвак
(рис. 1.5, б)
hм(ц.т)
=hц.т
– . (1.14)

Рис. 1.5. К расчету силы давления на плоскую поверхность.
При атмосферном давлении ри
= 0 на свободной поверхности (рис. 1.5, в)
hм(ц.т)
= hц.т
, (1.15)
где hц.т
– расстояние по вертикали от центра тяжести площади w до свободной поверхности.
Точка приложения результирующей силы давления (центр давления) для плоской поверхности АВ (см. рис. 1.5), симметричной относительно вертикальной оси, определяется по формулам [1, c. 45]
; (1.16)
, (1.17)
где – расстояние от плоскости 0–0 (рис. 1.5,а, б) до центра давления;
– то же (считая по наклону плоской поверхности) до центра тяжести и для вертикальной плоскости l
м(ц.т)
= hм (ц.т)
;
Ix
– момент инерции смоченной площади относительно произвольной оси, параллельной центральной;
Io
– момент инерции смоченной площади относительно оси, проходящей через центр тяжести 0 (см. рис. 1.5) параллельно линии уреза жидкости.
Из формулы (1.17) видно, что центр давления расположен всегда ниже центра тяжести на величину е = Jo
/( .
Для частных случаев, приведенных на рис. 1.6 , значения площадей плоских поверхностей w, расстояние от верха плоской поверхности до центра тяжести l
м(ц.т)
и центральный момент инерции плоской поверхности Jo
с учетом угла наклона поверхности a определяются следующими выражениями:
1. Прямоугольник: w = а
× в
; = а /
2; Jo
= ва
3
/12;
2а. Равнобедренный треугольник: w = а
× в
/2; l
ц.т
= а/
3; Jo
=ва
3
/36;
2б. w = а
× в
/2; l
ц.т
= 2а/
3; Jo
=ва
3
/36;
3а. Равнобедренная трапеция:
w = (в
+ с)×а
/2; ; ;
3б. w = (в
+ с)×а
/2; ; ;
4. Круг: ; 
5. Полукруг:  
6. Квадрат: w = в
2
;  
где а –
высота плоской фигуры а
= h/sina.
Г р а ф о а н а л и т и ч е с к и й с п о с о б. Для определения результирующей силы давления на плоскую поверхность необходимо построить эпюру манометрического давления. Для этого вычисляется манометрическое давление в верхней и нижней точках по оси симметрии смоченной площади, которое откладывается в масштабе перпендикулярно этой поверхности и соединяется прямой линией (см. рис. 1.5). Результирующая сила давления на плоскую поверхность равна объему эпюры манометрического давления или, если смоченная площадь – прямоугольник – величине
F = Wh, (1.18)
где W – площадь эпюры манометрического давления;
h – ширина смоченной поверхности.
Для нахождения точки приложения результирующей силы давления определяется центр тяжести эпюры, из которого проводится перпендикуляр на смоченную площадь. Измеряется расстояние от полученной точки пересечения до свободной поверхности, которое и является координатой центра давления. Разница результатов решения аналитическим и графоаналитическим способами не должна превышать более ± 5%.
Сила давления на поверхность больших затворов обычно передается на несущие горизонтальные балки или фермы, так называемые ригеля, расположение которых определяется гидравлическим расчетом из условия равной нагруженности. Решение данной задачи будет показано ниже на примере.
Пример 1.4.
Определить результирующие силы давления и точки их приложения на верховой откос плотины АВ и АD на 1 пог.м длины и плоский вертикальный затвор ВС при а = 2 м, h1
= 5 м, h2
= 1,5 м, a=45о
, ширине b = 3 м, а также начальное подъемное усилие Т, если толщина конструкции затвора t = 0,1 м и плотность его материала rм
=1200 кг/м3
, а коэффициент трения затвора о пазы f = 0,3 (рис. 1.7).

Рис. 1.7. Расчетная схема.
Расчет сил давления и точек их приложения выполнить двумя способами.
Решение.
А н а л и т и ч е с к и й с п о с о б. Так как внешнее давление ро
=ратм
, то пьезометрическая плоскость нулевого избыточного давления совпадает со свободной поверхностью и hм(ц.т)
=hц.т
. Тогда результирующие силы давления:
на верховой откос в створе затвора

где hц.т
= ; w=1×b= ;
на верховой откос за створом затвора

Результирующая сила давления на плоский вертикальный затвор равна разности сил давления, действующих со стороны верхнего F1
и нижнего F2
бьефов, и направлена в сторону большей силы (см.рис.1.7).

Координаты центров давления сил FАВ
и FА
D
находим по формуле (1.16). Тогда

Координату центра давления силы F2
находим также по формуле (1.16):
м,
а силы F1
– по формуле (1.17):

Координаты центра давления результирующей силы Fвс
определим из уравнения моментов относительно точки О (см. рис.1.7):

откуда

Для расчета подъемного усилия определим вес затвора:
G = rм
gb(h1
– a) t = 1200×9,81×3×(5 – 2)×0,1 = 10595 H = 10,6 кН.
Начальное подъемное усилие Т для открытия затвора определим из уравнения проекций всех сил на вертикальную ось, т.е.
Т – G – FВС
·f = 0,
откуда
Т=G+FBC
× f = 10,6+275,9×0,3=93,4 кН.
Г р а ф о а н а л и т и ч е с к и й с п о с о б. В данном примере графоаналитическим способом произведен расчет только величин FBC
и hД
. Для построения эпюры манометрического давления определим манометрическое давление в характерных точках затвора: с левой стороны в точках В и С, с правой – А и С. Тогда
рв
= rga = 1000×9,81×2 = 19,62кПа;
Рс
лев
= ρgh1
= 1000·9,81·5 = 49,05 кПа;
рА
=0; РС
ПР
=rgh2
=1000×9,81×1,5=14,71 кПа.
Для достижения заданной точности результатов выбираются соответствующие масштабы. В примере для обеспечения 5% точности результатов и условия размещения чертежа на формате А4 примем масштаб линейных величин 1:50, масштаб давлений – в 1 см 9,81 кПа. Масштаб давлений удобно брать кратным величине 9,81 кПа, так как отрезки эпюры, выражающие давление в точках, по своему размеру будут кратны высоте столба жидкости над рассматриваемой точкой.
Эпюра манометрического давления на затвор с левой стороны представляет трапецию BCDE с верхним основанием рв
и нижним основанием рс
лев
, отложенных по нормали к плоскости затвора (рис. 1.8), а с правой стороны – треугольник АСМ с основанием рс
пр
. Результирующая эпюра манометрического давления равна разности составляющих эпюр и представляет собой фигуру BCKNE. Так как затвор имеет прямоугольную форму, то результирующую силу давления определим по формуле (1.18):
Fвс = WBCKNE
×b=(34,34×1,5+1/2(19,62+34,34)×1,5)x3=275,9кН.

Рис.1.8. Графическое определение координаты центра давления.
Результат совпадает в обоих случаях.
Теперь определим координату центра давления результирующей силы Fвс
, для чего находим центр тяжести результирующей эпюры BCKNE, которая представляет собой пятиугольник. Для рассматриваемого случая можно рекомендовать следующий графический прием (см. рис.1.8). Разбиваем эпюру BCKNE сначала на трапецию ABEN и на прямоугольник ACKN, находим их центры тяжести (точки С1
и С2
) и соединяем прямой С1
С2
.
Центр тяжести трапеции АВЕN находится следующим образом. Продолжаем параллельные стороны трапеции в противоположные стороны, откладывая от точки А отрезок ВЕ и от точки Е – отрезок АN. Полученные точки 1 и 2 соединяем прямой. Далее параллельные стороны трапеции делим пополам и полученные точки 3 и 4 также соединяем прямой. Пересечение прямых 1–2 и 3– 4 дает центр тяжести С1
трапеции АВЕN. Затем разбиваем эпюру ВСКNE на трапецию KNES и прямоугольник BCSE и находим центры тяжести (точки С3
и С4
), соединив их прямой С3
С4
. Пересечение прямых С1
С2
и С3
С4
дает центр тяжести фигуры ВСКNE (точка С). Из точки С опускаем перпендикуляр на плоскость затвора и измеряем расстояние по вертикали от центра давления (точка z) до свободной поверхности жидкости. Графически hД
=3,62 м. Ошибка между найденными аналитическим и графическим способами составляет 0,6%, что удовлетворяет требованиям.
Ответ: FАВ
= 27,7 кН; l
Д1
= 1,9 м; FAD
= 173,4 кН; l
Д2
= 4,7 м;
FВС
ан
= FВС
гр
=275,9 кН; hД
ан
= 3,6 м; ;hД
гр
= 3,62 м; Т = 93,4 кН.
Пример 1.5.
Глубина воды перед вертикальным плоским затвором h=6,0 м (рис.1.9).

Рис.1.9. Расчетная схема.
Требуется расположить четыре горизонтальные балки (ригеля) так, чтобы на каждый ригель приходилась одинаковая сила давления воды Fi
, которая передается на ригели через обшивку плоского затвора. Расчет произвести на 5 м ширины затвора. Задачу решить аналитическим, графоаналитическим и графическим способами.
Решение.
А н а л и т и ч е с к и й с п о с о б. Плоские металлические затворы гидротехнических сооружений представляют собой каркас из системы балок с обшивкой. Положение горизонтальных балок (ригелей) определяется условием равной нагруженности их. Поскольку речь идет о прямоугольном плоском затворе, который является плоской поверхностью, достаточно разделить эпюру гидростатического давления на равновеликие части линиями, нормальными к плоскости затвора. Ригели располагают на уровне центров тяжести каждой части эпюры (см. рис. 1.9).
При обозначениях на рис. 1.9 сила давления на затвор по формуле (1.12) определится как
.
Следовательно, при n-м количестве ригелей на каждую часть затвора приходится сила
.
В то же время для первой сверху части затвора по формуле (1.12) имеем:

для первой и второй частей затвора вместе –
;
для первой, второй и третьей частей затвора вместе –
;
и т. д. для верхних частей –
.
Тогда для данного примера получим следующие соотношения:
, откуда
6 3,00 м ;
, откуда
6 4,24 м ;
, откуда
6 5,20 м ;
, откуда
6 6,00 м , т.е.
h4
= h = 6,00 м.
Расстояние от свободной поверхности жидкости до центра давления силы Di
каждой части затвора (расстояние до каждого ригеля) находится по зависимостям (1.16) или (1.17).
Для первого ригеля
м;
для второго ригеля

по аналогии для ригеля с порядковым номером 

тогда для третьего ригеля

для четвертого ригеля

Г р а ф о а н а л и т и ч е с к и й с п о с о б.
Этот способ решения задачи основан на аналитическом расчете и графическом построении и выполняется по следующей методике.
Со стороны воды строим эпюру гидростатического давления, представляющую собой прямоугольный треугольник с основанием рв
=rgh=1000×9,8×6,0 = 58,86 кПа (рис.1.10), с другой стороны – интегральную кривую изменения силы гидростатического давления по глубине.
Вычисляем ординаты интегральной кривой, задаваясь значениями глубин в пределах h = 0–6 м при ширине затвора в
= 5 м:
| , м
|
0
|
1,0
|
2,0
|
3,0
|
4,0
|
5,0
|
6,0
|
| F, кН
|
0
|
24,52
|
98,10
|
220,72
|
392,40
|
613,12
|
882,90
|
Построив в масштабе по этим данным кривую (см. рис.1.10), делим отрезок ВС, соответствующий F = 882,90 кН, на четыре равные части:

Проведенные из точек деления до пересечения с интегральной кривой силы гидростатического давления позволяют найти величины: h1
=3,00м; h2
=4,24 м; h3
=5,20 м; h4
=h=6,00 и разделить эпюру гидростатического давления на четыре равновеликие части.
Расстояние от свободной поверхности до каждого ригеля находится по зависимостям (1.16) или (1.17), а также по зависимости, полученной выше при решении данной задачи аналитическим способом.
Г р а ф и ч е с к и й с п о с о б. Аналогично, как при графоаналитическом способе, со стороны воды строится эпюра гидростатического давления, представляющая собой прямоугольный треугольник с основанием рв
=rgh=1000×9,81×6=58,86 кПа (рис.1.11), с другой стороны, из центра затвора О проводится полуокружность радиусом, равным половине высоты затвора, т.е. R = h/2 = 6,0/2 = 3,0 м.

Рис. 1.11. К определению места положения
ригелей графическим способом.
Затем затвор по высоте делится на n равных частей по числу ригелей, т.е. n=4, и из этих точек проводятся горизонтальные прямые до пересечения с полуокружностью (точки в
, с, d). Из вершины эпюры давления (точка а) проводятся дуги радиусами Ra
в
, Ra
с
, Ra
d
до стенки затвора. Полученные таким образом точки m, n, f разделяют по высоте эпюру гидростатического давления на равновеликие части, которые представляют собой прямоугольный треугольник и трапеции. По методике, описанной в примере 1.4, находятся центры тяжестей D¢1
, D¢2
, D¢3,
D¢4
этих плоских фигур. Проводя нормали из этих точек к смоченной поверхности затвора, получим координаты D1
, D2
, D3,
D4
положения ригелей и их величину: = 2,0 м; = 3,7 м; = 4,7 м; = 5,6 м.
Ответ: = 2,0 м; = 3,7 м; = 4,7 м; = 5,6 м.
Более полно решение задач по этой теме приводится в литературе [3, c.27–31; 4, с.12–26].
1.4. Сила давления покоящейся жидкости
на криволинейные поверхности
В изучаемом курсе гидравлики рассматриваются криволинейные поверхности, которые имеют один центр кривизны (цилиндрические и сферические), потому что только для таких поверхностей элементарные силы давления имеют одну точку пересечения и, согласно законам механики твердого тела, могут быть приведены к одной результирующей силе. Результирующая сила давления и точка ее приложения на криволинейные поверхности могут быть определены аналитическим и графоаналитическим способами.
А н а л и т и ч е с к и й с п о с о б. Результирующая сила давления на указанные выше криволинейные поверхности определяется по формулам [1, c.47]:
(1.19)
где Fx
– горизонтальная составляющая силы давления F по направлению оси ОХ (рис.1.12);
(1.20)
где – площадь проекции криволинейной поверхности на плоскость ZOУ (на рис.1.12 показан след n–n этой плоскости);

Рис.1.12. К расчету силы давления
на криволинейную поверхность.
– расстояние по вертикали от центра тяжести площади до пьезометрической плоскости нулевого избыточного давления 0–0, которая принимается как для плоских поверхностей;
– вертикальная составляющая силы давления по направлению оси OZ;
(1.21)
где W – так называемый объем тела давления, т.е. объем, заключенный между криволинейной поверхностью, ее проекцией на свободную поверхность, а при наличии манометрического давления – на пьезометрическую плоскость нулевого избыточного давления 0–0 и вертикальными проектирующими плоскостями, проведенными с точек А и С, ограничивающими криволинейную поверхность (см.рис.1.12). Для цилиндрических поверхностей объем тела давления
W = Wт.д
×b, (1.22)
где Wт.д
×– площадь поперечного сечения тела давления и для рис. 1.12 Wт.д
= WАВС
DE
;
b – ширина образующей цилиндрической поверхности.
Для сферических поверхностей объем тела давления равен объему или части объема сферы.
Направление результирующей силы давления на криволинейную поверхность определяется соотношением
(1.23)
а координаты центра давления соответственно равны:
(1.24)
Рассматривая силу давления на цилиндрическую поверхность с вертикальной образующей, легко получить так называемую «котельную» формулу (Мариотта), которая дает связь между диаметром d трубы и ее толщиной d стенок, с давлением р в трубопроводе и напряжением s в ее стенках [1, c.50]:
(1.25)
Г р а ф о а н а л и т и ч е с к и й с п о с о б. Для определения результирующей силы давления на криволинейную поверхность необходимо построить эпюру манометрического давления горизонтальной составляющей и поперечное сечение тела давления (см.рис.1.12). Эпюра манометрического давления горизонтальной составляющей строится аналогично, как на плоскую поверхность, а правило построения поперечного сечения тела давления следует из определения объема тела давления. Составляющая Fx
результирующей силы F определяется как объем эпюры манометрического давления, а Fz
– по формуле (1.21).
Для наглядного выяснения соотношения составляющих сил Fx
и Fz
необходимо, чтобы площади эпюры давления и поперечного сечения тела давления были изображены в одинаковом масштабе. С этой целью рекомендуется выбирать масштаб давлений таким образом, чтобы отрезок на эпюре, показывающей давление в точке, был в случае однородной жидкости по величине равен высоте столба жидкости над точкой и выражался в линейном масштабе (например, если масштаб линейных величин 1:100, т.е. 1 см соответствует 1 м, то масштаб давлений равен 1 см – 1×rg кПа; если масштаб линейных величин 1:50, то масштаб давлений 1 см – 0,5×rg кПа и т.д.).
Для нахождения точки приложения результирующей силы давления определяются центры тяжести эпюры манометрического давления горизонтальной составляющей и поперечного сечения тела давления вертикальной составляющей. Результирующая сила проходит через точку пересечения составляющих и центр кривизны криволинейной поверхности, точка пересечения которой с криволинейной поверхностью является центром давления. Начало координат рекомендуется принимать в центре кривизны (см. рис.1.12).
Пример 1.6.
Определить результирующую силу давления воды на затвор шириной в
=5 м, перекрывающий канал между двумя смежными камерами (рис.1.13), если глубина воды: в левой камере h1
=6 м; в правой h2
=3 м; радиус затвора R=6 м; h=2 м; а=1 м. Координаты центра давления определить аналитическим и графическим способами.
Решение
. Горизонтальная составляющая силы давления F на затвор
(1.26)
где – горизонтальные составляющие силы давления F
на затвор соответственно слева и справа (см. рис.1.13).
Для нахождения этих сил криволинейную поверхность затвора АВС проектируем на вертикальные плоскости n1
–n1
и n2
–n2
и находим их аналогично, как на плоские поверхности по формуле (1.21):

Рис.1.13. Расчетная схема.


Тогда =490,5–196,2=294,3 кН.
Вертикальная составляющая Fz
силы давления F на затвор

где – вертикальные составляющие силы давления F на затвор соответственно слева и справа (см. рис.1.13), определяемые по зависимостям:


где l
– длина проекции криволинейной поверхности на горизонтальную плоскость.

откуда a = arcsin 0,333=19,50
;

откуда b = arcsin 0,667 = 41,80
;
g = b – a = 41,8 – 19,5 = 22,30
.
Тогда
Fz
=302,2 – 125,7=176,5 кН.
Результирующая сила давления определяется по формуле (1.26)
=343,2 кН.
Определим координаты центра давления аналитическим способом. Для этого определим направление результирующей силы по соотношению (1.23)

Координаты центра давления определим по соотношению(1.24)
м,
м.
При выбранном направлении осей (см. рис.1.13) координаты центра давления должны быть с отрицательным знаком.
Определим координаты центра давления графическим способом. Выбираем масштаб линейных величин 1:100, а масштаб давлений – 1см – 9,81 кПа. Для построения эпюры манометрического давления горизонтальной составляющей Fx
определим давление в точках А и С слева и справа затвора:
р¢А
= rg(h1
–h) = 1000×9,81×(6–2) = 39,24 кПа;
р¢С
= rgh1
= 1000×9,81×6 = 58,86 кПа;
р²А
= rg(h2
–h) = 1000×9,81×(3–2) = 9,81 кПа;
р²С
= rgh2
= 1000×9,81×3 = 29,43 кПа.
Построение эпюр манометрического давления слева и справа на проекции криволинейной поверхности затвора n1
–n1
и n2
–n2
производится аналогично, как и на плоскую поверхность. Так как манометрическое давление на затвор слева и справа имеет противоположное направление, то результирующая эпюра горизонтальной составляющей Fx
будет равна разности эпюр. На чертеже (рис.1.14) она показана заштрихованным прямоугольником MNLF.

Рис.1.14. Графическое определение координат центра давления.
Поперечные сечения тела давления слева и справа также имеют противоположные направления. Следовательно, результирующее поперечное сечение тела давления будет равно разности и на чертеже (см. рис.1.14) показано заштрихованным прямоугольником BKDE.
Находим центры тяжести результирующей эпюры манометрического давления и поперечного сечения тела давления, через которые проводим направления сил Fx
и Fz
до их пересечения (точка О¢ ) и полученную линию продолжаем в левую сторону до пересечения с криволинейной поверхностью затвора. Точка пересечения и является центром давления. Измеряем координаты Х и Z относительно центра О. Графически Х = -5,1 м, Z = -3,1 м, что совпадает с ранее вычисленными. Проверка координат центра давления двумя способами показывает, что расчет сделан верно.
Ответ: F=343,2 кН; Х=–5,1 м; Z=–3,1м.
Более полно решение задач по этой теме приводится в литературе [3, c.32–37; 4,с.26–33].
1.5. Простые гидравлические машины
На способности жидкости передавать изменение внешнего давления во все точки занятого ею пространства основан принцип действия многих гидравлических машин. В практике находят широкое применение такие простые гидравлические машины, как домкраты, подъемники, гидравлические прессы, мультипликаторы (повысители давления), гидравлические аккумуляторы и др. При расчете простейших гидравлических машин используются закон равновесия жидкости, давление жидкости на плоские и криволинейные поверхности, законы механики твердого тела.
В основной рекомендуемой учебной литературе [1] эта тема вообще не рассматривается, а в литературе [2, c.50, 51] излагается только общая методика гидравлического расчета гидравлического пресса и мультипликатора, хотя в практике находят широкое применение различные простейшие гидравлические машины и, в частности, гидроподъемники. Пример одной из конструкций гидроподъемника показан на рис. 1.15, расчет которого покажем на примере.
Пример 1.7.
Определить диаметр D1
гидравлического цилиндра, необходимый для подъема задвижки при избыточном давлении воды ри
=294,3 кПа, если диаметр трубопровода D2
=200 мм и масса подвижных частей устройства М=48 кг, коэффициент трения задвижки в направляющих поверхностях f=0,5, сила трения в цилиндре равна 10% от веса подвижных частей. Давление за задвижкой равно атмосферному. Площадью сечения штока пренебречь.
Решение.
Для определения величины диаметра цилиндра предварительно составим уравнение равновесия всех сил на вертикальную ось, действующих на систему задвижка – поршень цилиндра, которое имеет следующий вид:

Рис.1.15. Схема гидравлического подъемника.
Fп
– Fтр
– Fц
– G = 0, (1.27)
где Fп
– сила, действующая на поршень цилиндра,
Fп
= pи
wц
= ри
×0,785D1
2
;
wц
– площадь сечения цилиндра;
Fтр
– сила трения задвижки в направляющих поверхностях,
Fтр
= f×F3
= f рц
ω3
= f×рц
×0,785D2
2
;
F3
– сила гидростатического давления на задвижку;
w3
– площадь сечения задвижки;
Fц
– сила трения в цилиндре, 
Подставив значение сил в уравнение равновесия (1.27), выразим из него диаметр цилиндра

.
Ответ: D1
= 166 мм.
1.6. Плавание тел в жидкости и их остойчивость
Условие плавания тела выражается равенством [1, c.52]
G = FA
, (1.28)
где G – вес погруженного в жидкость тела;
FA
– результирующая сила давления жидкости на погруженное в нее тело – архимедова сила,
FA
=rgW, (1.29)
где W – объем жидкости, вытесненный плавающим телом, или водоизмещение.
Сила FA
направлена вверх и проходит через центр тяжести водоизмещения. При равновесии плавающего тела его центр тяжести С и центр водоизмещения D (рис.1.16) находятся на общей вертикали (ось плавания). При надводном плавании тела центр водоизмещения при малых углах крена (a£150
) перемещается по некоторой дуге, проведенной из точки пересечения линии действия силы FA
c осью плавания. Эта точка М называется метацентром.

Рис.1.16. К расчету остойчивости плавающего тела.
Остойчивость плавающего тела определяется из уравнения моментов, составленного относительно центра водоизмещения:
Mост
=rgW(R0
± d)sina, (1.30)
где R0
– метацентрический радиус [1, c.55],
R0
=I0
/W; (1.31)
I0
– момент инерции плоскости плавания или площади, ограниченной ватерлинией, относительно продольной оси;
d – расстояние между центром тяжести и центром водоизмещения D.
Если центр тяжести тела С лежит ниже центра водоизмещения D, то плавание будет безусловно остойчивым и в уравнении (1.30) берется знак плюс (см. рис. 1.16, а). Если же центр тяжести тела С лежит выше центра водоизмещения D (см. рис. 1.16, б), то для остойчивого равновесия плавающего тела необходимо выполнение следующего условия:
Hм
= R0
– d > 0 или Ro
>d , (1.32)
где Нм
– метацентрическая высота.
Если центр тяжести тела С расположен выше центра водоизмещения D и метацентра М, то тело неустойчиво; возникающая пара сил G и FA
стремится увеличить крен (см. рис. 1.16, в).
В практике очень широко используются законы плавания и остойчивости тела. Каждый конкретный случай их применения обусловлен характерной расчетной схемой и методикой расчета. Приведенный ниже пример расчета плавания и остойчивости тела дает общую методику применения этих законов, а более полно решение конкретных задач по этой теме дается в литературе [3, c.38–43; 4, с.35–39].
Пример 1.8
. Прямоугольная плоскодонная металлическая баржа шириной в=10 м, высотой h=4 м и длиной l=
60 м загружена мокрым песком плотностью rп
=2000 кг/м3
. Определить объем песка, который можно загрузить в баржу, чтобы после загрузки возвышение ее борта над водой составляло а=0,6 м (рис.1.17), а также остойчивость баржи в груженом состоянии.
Для упрощения расчетов принять, что баржа имеет прямоугольное очертание, а вес переборок, конструктивных элементов и оборудования условно отнесено к весу ее стенок, толщина которых составляет t=0,01 м, а плотность материала их rм
=7500 кг/м3
.
Решение.
Из условия плавания тела в жидкости (1.28) имеем
G=FA
,

Рис.1.17. Расчетная схема к определению
грузоподъемности и остойчивости баржи.
где G – вес погруженного в жидкость тела и состоит из собственного веса баржи Gб
и веса песка Gп
.
Тогда
Gб
+ Gп
= FA
,
откуда
Gп
= FA
– Gб
.
Архимедова сила определяется по формуле (1.29)
FA
= rgW = rgв
l
(h–a) = 1000×9,81×10×60(4,0 – 0,6) = 20012,40 кН.
Собственный вес баржи
Gб
= rм
gWм
= 7500×9,81×11,584 = 852,32 кН,
где Wм
– суммарный объем материала элементов конструкции баржи,
Wм
= Wдн
+ WБ.ст
+ Wт.с
= 6,00+4,728+0,796 = 11,584 м3
;
Wдн
, WБ.ст
, Wт.с
– соответственно объемы материала конструкций днища, боковых и торцовых стенок:
Wдн
,=в
×
l
×t=10×60×0,01=6,00 м3
;
WБ.ст
=2(h–t)×l
×t=2(4–0,01)×60×0,01=4,788 м3
;
Wт.с
=2(h–t)(в
–2t)t=2(4–0,01)(10–2·0,001)x0,01=0,796 м3
.
Тогда возможный вес загрузки мокрого песка составит
Gп
=FA
–GБ
=20012,40–852,32=19160,08 кН,
величину которого можно представить как Gп
= rп
g Wп
.
Откуда объем загруженного песка составит:
Wп
= Gп
/(rп
g) = 19160080/(2000×9,81) = 976,6 м3
.
Высота слоя загрузки песка в барже будет
hп
=Wп
/wдн
=Wп
/[(l
–2t)(в
–2t)]=976,60/[(60–2×0,01)(10–2·0,01)]=1,63 м,
где wдн
– внутренняя площадь днища баржи.
Остойчивость баржи в груженом состоянии определим по условию (1.32), для чего найдем положения центров тяжести водоизмещения и баржи с грузом (см. рис.1.17) относительно внешней плоскости 0–0 днища баржи.
Возвышение центра водоизмещения над плоскостью 0–0 составит:
ув
= у/2=(h–a)/2=(4–0,6)/2=1,70 м.
Центр тяжести песка над плоскостью 0–0 составит:

Центр тяжести порожней баржи над плоскостью 0–0 определим из уравнения статических моментов весов, т.е.
G×уоб
=Gб
уб
+Gп
уп
,
откуда
уоб
=(Gб
уб
+Gп
уп
)/G=(852,32×0,97+19160,08×0,825)/20012,40=0,83 м.
Так как общий центр тяжести баржи с грузом расположен ниже центра водоизмещения, т.е. уоб
=0,83 м <ув
=1,70 м, то остойчивость баржи в груженом состоянии обеспечена и нахождение метацентрического радиуса не требуется.
Ответ: Wп
=976,6 м3
; баржа остойчива.
1.7. Указания к решению задач
При решении задач по гидростатике прежде всего нужно хорошо усвоить и не смешивать такие понятия, как давление р и сила давления F.
При решении задач на определение давления в той или иной точке неподвижной жидкости следует пользоваться основным уравнением гидростатики (1.1) или (1.3). Применяя эти уравнения, нужно иметь в виду, что второй член в правой части этих уравнений может быть как положительным, так и отрицательным. Очевидно, что при увеличении глубины давление возрастает, а при подъеме – уменьшается.
Необходимо твердо различать абсолютное, избыточное и вакуумметрическое давление и обязательно знать связь между давлением, плотностью жидкости и высотой, соответствующей этому давлению (пьезометрической высотой).
При решении задач, в которых даны поршни или системы поршней, следует писать уравнение равновесия, т.е. равенство нулю суммы всех сил, действующих на поршень (систему поршней).
В задачах на относительный покой жидкости в общем случае следует учитывать действие двух массовых сил: силы тяжести и силы инерции переносного движения; использовать основное свойство поверхности равного давления, в том числе свободной поверхности жидкости.
2. ГИДРАВЛИЧЕСКИЙ РАСЧЕТ ПОТОКОВ
ПРИ ИСТЕЧЕНИИ ЖИДКОСТИ ИЗ ОТВЕРСТИЙ,
НАСАДКОВ И КОРОТКИХ ТРУБОПРОВОДОВ.
ГИДРАВЛИЧЕСКИЙ УДАР В ТРУБОПРОВОДЕ
Цель работы.
Получить практические навыки решения инженерных задач по гидравлике, связанных с применением уравнения Бернулли и неразрывности потока, а также научиться определять потери удельной энергии в потоке при гидравлическом расчете коротких трубопроводов различного назначения и производить расчет истечения жидкости из отверстий и насадков при постоянном и переменном напорах; определять повышение давления в напорном трубопроводе при гидравлическом ударе и решать при этом другие сопутствующие задачи.
Исходные данные:
индивидуальные расчетные схемы задач с цифровыми исходными данными по каждой теме раздела.
Требуется:
произвести гидравлический расчет каждой расчетной схемы индивидуальных задач с подстановкой цифровых исходных данных; выполнить на миллиметровой бумаге в принятом масштабе построение линий полной и потенциальной удельной энергии для короткого трубопровода; оформить расчеты в расчетно-графическую работу согласно требованиям, изложенным выше.
2.1. Уравнение Бернулли.
Определение потерь удельной энергии в потоке
Основными уравнениями гидродинамики, применяемыми при решении практических задач для установившегося плавно изменяющегося потока реальной жидкости, являются уравнение неразрывности [1, c.76]
V1
w1
= V2
w2
= … = Vn
wn
= Q, (2.1)
где w1
и w2
– площадь потока в рассматриваемых сечениях;
V1
и V2
– средние скорости потока в рассматриваемых сечениях;
Q – расход потока,
и уравнение Бернулли [1, c.76–103]. При этом удельная энергия в сечениях, связь между которыми дает уравнение Бернулли, может быть отнесена к единице веса, массы или объема жидкости, т.е.
 (2.2)


Обозначение исходных величин приводится ниже – после записи уравнения Бернулли.
Наиболее удобна для практического применения запись уравнения Бернулли, если удельная энергия в сечениях отнесена к единице веса, т.е.
(2.3)
где z1
и z2
– расстояние от произвольной горизонтальной плоскости сравнения до рассматриваемых точек в сечениях. Индексы относятся к номерам сечений, проведенным нормально линиям тока;
р1
и р2
– давление в этих же точках;
V1
и V2
– средние скорости в рассматриваемых сечениях 1–1 и 2–2;
a1
и a2
– коэффициенты кинетической энергии (коэффициенты Кориолиса) в сечениях;
hтр
– потери удельной энергии (напора) на участке между рассматриваемыми сечениями.
Коэффициент кинетической энергии при турбулентном прямолинейном движении в трубах a » 1,05–1,10, при таком же движении в земляных каналах a » 1,10–1,25, при ламинарном прямолинейном движении в трубах a = 2,0.
Для применения уравнения Бернулли необходимо численно определить потери напора hтр
. Общие потери напора условно считают равными сумме потерь напора, вызываемых каждым сопротивлением в отдельности, т.е. применяют так называемый принцип наложения [2, c.129]:
(2.4)
где – сумма потерь напора всех местных сопротивлений на рассматриваемом участке;
– сумма потерь напора по длине отдельных участков трубопровода или русла потока.
Потери напора на местные сопротивления определяются по формуле
, (2.5)
где – безразмерный коэффициент местного сопротивления, величина которого зависит от вида местного сопротивления и его характеристики;
V2
– средняя скорость в потоке за местным сопротивлением.
Числовые значения xмест
приводятся в справочной литературе [4, c.61–64; 5.с.86–97; 6, с.38–48], а также в табл.4 приложения. Потери удельной энергии по длине потока определяются по формуле [1, c.142]
, (2.6)
где l – гидравлический коэффициент трения (коэффициент Дарси);
– длина участка потока между двумя рассматриваемыми сечениями;
R – гидравлический радиус.
Для круглых труб при напорном движении формулу (2.6) удобно применять в следующем виде:

где d – диаметр трубопровода.
Коэффициент l является безразмерной переменной величиной, зависящей от ряда характеристик – от диаметра и шероховатости трубы, вязкости и скорости движения жидкости. Влияние этих характеристик на величину l проявляется по-разному при различных режимах движения потока. В гидравлике рассматриваются два режима движения жидкости: ламинарный и турбулентный.
При ламинарном режиме движения жидкости, ограниченном значениями Rе < 2320 или RеR
< 580, коэффициент l определяется по формуле Пуазейля:
l = 64/Rе = 16/RеR
, (2.7)
где Rе – безразмерное число Рейнольдса,
Rе = Vd/n или RеR
= VR/n ; (2.8)
n – кинематический коэффициент вязкости, который приводится в литературе [5, c.16, 17], а также в табл. 2, 3 приложения.
При турбулентном режиме движения жидкости коэффициент Дарси имеет весьма сложную функциональную зависимость от вышеуказанных характеристик. Поэтому для упрощения расчета и повышения достоверности результата вся область его изменения разбивается на три участка, в которых коэффициент Дарси имеет одно- или двухпараметрическую связь от влияющих факторов, т.е. шероховатости внутренних стенок трубопровода и числа Рейнольдса.
Первая область, ограниченная значениями чисел Рейнольдса
2320<Re£Reгл
=27(d/ )1,14
» 40×d/ , (2.9)
называется областью (зоной) гидравлически гладких русел, и коэффициент Дарси рекомендуется определять соответственно по формулам Блазиуса и Кольбрука:
; (2.10)
, (2.11)
где Δ – абсолютная величина так называемой эквивалентной равномерно-зернистой шероховатости (табл.5 приложения).
Формула (2.10) дает результаты, хорошо совпадающие с опытными данными при Re £ 105
.
Вторая область, ограниченная значениями чисел Рейнольдса
Reгл
<Re£ Reкв
=21,6C d/ »500×d/ , (2.12)
называется переходной областью гидравлического сопротивления, и коэффициент Дарси рекомендуется определять по формуле А.Д. Альтшуля [1, c.175]:
l = 0,11( /d+68/Re)0,25
, (2.13)
где С – коэффициент Шези, который согласно СНиП рекомендуется определять по формуле академика Н.Н. Павловского:
, (2.14)
n – коэффициент шероховатости, зависящий от естественной шероховатости русла и приводится в табл. 1 приложения;
у – показатель степени, определяемый по полной зависимости
– 0,13-0,75 ( – 0,10) (2.15)
или по упрощенным равенствам:
при м;
при R >1,0 м,
а также по формуле профессора И.И. Агроскина:
. (2.16)
В формулах (2.14) и (2.16) гидравлический радиус имеет размерность только в метрах, а коэффициент Шези – м0,5/с
.
Третья область, ограниченная значением числа Рейнольдса
Re > Reкв
, (2.17)
называется областью гидравлически шероховатых русел, или квадратичного гидравлического сопротивления. Коэффициент Дарси рекомендуется определять соответственно по формулам Б.Л.Шифринсона и Прандтля [1, c.176]:
, (2.18)
. (2.19)
Формулу (2.18) рекомендуется применять при .
Для определения коэффициента Дарси при турбулентном режиме движения жидкости имеется большое количество других эмпирических формул, которые приводятся в учебной и справочной литературе, и могут быть использованы в расчетах. Для новых стальных труб коэффициент Дарси можно также определять по графикам Г.А. Мурина [5,c.78], зная Re и Δ.
2.2. Типы задач при гидравлическом расчете трубопроводов
Из анализа уравнений (2.1) и (2.2) с учетом зависимостей для расчета потерь удельной энергии в потоке видно, что установившееся плавноизменяющееся движение потока реальной жидкости в трубопроводе характеризуется следующими параметрами: расходом жидкости Q, напором H или давлением р, геометрическими размерами трубопровода (длина l
и диаметр d), материалом (шероховатость стенок трубы Δ и коэффициент шероховатости n), физическими свойствами жидкости (плотность r и кинематический коэффициент вязкости n). Так, число независимых уравнений равно двум. Следовательно, при гидравлическом расчете трубопроводов задача будет определенной, если число неизвестных параметров также не превысит двух. В противном случае должны быть учтены дополнительные условия. При этом заметим, что из всех перечисленных выше параметров длина трубопровода, шероховатость стенок трубы и коэффициент шероховатости, плотность и кинематический коэффициент вязкости жидкости, как правило, известны. С учетом этого можно наметить три основных типа задач, встречающихся при гидравлическом расчете трубопроводов.
Задачи первого типа
: заданы Q, размеры трубопровода l
и d, род жидкости и его рабочая температура, т.е. r и n. Требуется определить напор Н, или давление р, при котором будет обеспечена его надежная работа.
Решение задач данного типа очень широко встречается в практике и можно привести ряд примеров его применения в области гидротехники, водоснабжения, машиностроения и т.д. В области гидротехники– различного рода магистральные трубопроводы и водоводы для целей орошения и обводнения, сифонные трубопроводы, дюкеры и т.д.; в водоснабжении – наружные водопроводные сети для бытовых, производственных и пожарных нужд; в машиностроении – масло-и топливопроводы в различных машинах и установках.
Задачи второго типа
: заданы напор H, или давление р, размеры трубопровода l
и d, род жидкости и его рабочая температура, т.е. r и n. Требуется определить расход Q, или так называемую пропускную способность трубопровода.
Этот тип задач также очень широко встречается в практике и в качестве примеров можно привести следующие условия применения: определение пропускной способности трубопровода при его подсоединении к уже существующей водонапорной башне или насосно-силовой установке; напорное движение жидкости в туннелях, трубчатых водосбросах и водовыпусках различного рода и в ряде других случаев.
Задачи третьего типа
: заданы напор Н, или давление р, расход жидкости Q, длина трубопровода l
, род жидкости и его рабочая температура, т.е. r и n.Требуется определить диаметр трубопровода или параметры живого сечения.
Данный тип задач имеет очень широкое практическое применение и примеры для него можно привести аналогично первому типу. Следует отметить, что для него в зависимости от назначения трубопровода могут быть поставлены различные исходные условия: подобрать диаметр трубопровода с полным использованием напора, или давления для пропуска заданного расхода, т.е. при проектировании трубопровода с минимальной массой; определить экономически наивыгоднейший диаметр из условия минимальных приведенных затрат на его строительство и эксплуатацию. Является очевидным, что методики решения задач в этом случае будут различны.
В некоторых случаях при гидравлических расчетах трубопроводов могут ставиться дополнительные исходные условия и соответственно, требования к результатам расчета. Например, при расчетах сифонного трубопровода – определение места и величины максимального вакуума, всасывающего трубопровода насоса – определение кавитационного запаса и т.д. Следует отметить, что в большинстве случаев решение задачи сводится к одному из указанных выше типов, а затем рассчитываются дополнительные требования. Поэтому, хорошо освоив методики решения задач основных типов, можно легко справиться с решением любой задачи при гидравлическом расчете трубопроводов.
2.3. Методики гидравлического расчета гидравлически
коротких трубопроводов
Как отмечалось ранее, гидравлический расчет трубопроводов основан на использовании уравнений гидродинамики и его методика включает рассмотрение следующих вопросов:
а) применение уравнения Бернулли и его преобразование к расчетному виду согласно условию задачи;
б) установление типа задачи;
в) расчет потерь удельной энергии в потоке и определение расчетной величины.
При решении задач наиболее часто ошибка допускается при записи уравнения Бернулли, т.е. выборе сечений, плоскости отсчета, правильном учете давлений в принятых сечениях и его преобразовании к расчетному виду. Для примера наиболее часто встречающиеся в практике схемы приведены на рис.2.1, на которых показаны сечения, плоскости отсчета энергии потока и уравнения Бернулли в расчетном виде для рассматриваемых схем.
Из рис. 2.1 видно, что нумерация сечений всегда берется по ходу движения жидкости, а плоскость отсчета энергии выбирается с тем условием, чтобы запись уравнения Бернулли включала наименьшее количество параметров и была удобна для дальнейших расчетов. Давление в сечениях, как правило, необходимо приводить к полной или абсолютной величине, если оно больше или меньше атмосферного.
Тип задач легко установить по представленным выше критериям, после того как уравнение Бернулли приведено к расчетному виду. Много ошибок как методического плана, так и в физических выражениях допускается при расчете потерь удельной энергии в потоке. Изучение этого вопроса приведем на примере конкретной схемы при рассмотрении методики решения задач первого типа.
2.4. Задачи первого типа
Расчет начинается с выбора двух сечений, в одно из которых должна входить неизвестная величина Н, или р, и плоскости отсчета. Для принятых сечений записывается уравнение Бернулли и после подстановки исходных величин его приводят к расчетному виду. Из него и определяется неизвестная величина Н, или р. Более подробно методику решения задач этого типа рассмотрим на следующем примере.
Пример 2.1.
Определить силу F, которую нужно приложить к поршню насоса диаметром D = 200 мм, чтобы подавать в напорный резервуар постоянный расход бензина Q =3л/с при температуре t=15ºC, если высота подъема бензина в установке h = 15 м, а избыточное давление на свободной поверхности в резервуаре ри
= 120 кПа. Трубопровод новый стальной длиной l
= 50 м, диаметром d = 50 мм имеет два плавных поворота под углом a = 90ºс Rо
/d = 1,5, задвижку со степенью открытия а/d = 0,5 (рис.2.2). Трением поршня в цилиндре пренебречь.

Рис. 2.2. Расчетная схема.
Решение.
Согласно закону гидростатики сила, приложенная к поршню цилиндра,
,
где р – давление в цилиндре насоса;
– площадь поршня насоса.
Для определения давления в цилиндре насоса составляется уравнение Бернулли для сечений 1–1 и 2–2 относительно плоскости отсчета 0–0 (см. рис.2.2), которое в общем виде записывается по формуле (2.2):

где  м; ; р2
= ри
= 120 кПа;
V1
= Q/w = 0,003/(0,785×0,052
) = 1,53 м/с; V2
= 0.
После подстановки исходных величин уравнение Бернулли приводится к расчетному виду:
,
откуда определяется давление в цилиндре:
.
Из анализа последнего уравнения следует, что все величины, за исключением потерь удельной энергии в трубопроводе, известны. Их величину определим по формуле (2.4):

где V = V1
= 1,53 м/с – средняя скорость движения бензина в трубопроводе;
– коэффициент сопротивления на внезапное сужение потока, который можно определить по формуле [5,c.89] или табл.4 приложения;
= 0,5[1–(d/D)2
]=0,5[1–(50/200)2
]=0,47;
– то же на плавный поворот, который определяется по формуле [5, c.90…91];
= 0,73×А×В×С = 0,73×1,0×0,17×1,0 = 0,12;
А, В, С – коэффициенты, учитывающие соответственно угол поворота a, отношение Ro
/d и форму сечения трубопровода;
– то же на задвижку и определяется по отношению а/d [5,c.93] =2,06 или табл. 4 приложения;
– то же на выход в резервуар больших размеров.
Если скорость в резервуаре Vо
=0, то =1,0 [5,c.90] или табл.4 приложения.
Для определения коэффициента Дарси предварительно рассчитываются:

где =6,5×10–7
м2
/с [5, c.16]; =0,0001 м (табл.5 приложения);
;
– 0,13 – 0,75 ( – 0,10) = 2,5 – 0,13 –
– 0,75× ×( – 0,10) = 0,132;
n=0,011 [5, c.81].
Теперь устанавливается диапазон изменения чисел Рейнольдса
,
что указывает на переходную область сопротивления. Тогда для расчета коэффициента Дарси применяется формула (2.13):
.
Подставляются значения коэффициентов местных гидравлических сопротивлений и Дарси в уравнение потерь удельной энергии в потоке, рассчитывается их величина:

Окончательно давление в цилиндре насоса

Сила, приложенная к поршню цилиндра,

Ответ: 7,99 кН.
2.5. Задачи второго типа
Для данного типа задач также записывается уравнение Бернулли и приводится к расчетному виду. Так как в уравнении Бернулли оказываются неизвестными средняя скорость движения потока и потери напора по длине, зависящие от коэффициента Дарси, то задача решается обычно способом последовательных приближений, сущность которого заключается в последовательном уточнении коэффициента Дарси, а следовательно, и величины расхода. В первом приближении коэффициент Дарси рассчитывают по формулам, в которых он не зависит от скорости движения потока, т.е. по формуле (2.18) или (2.19). Затем по формулам (2.5) и (2.6) определяются потери напора, значения которого подставляются в расчетное уравнение Бернулли, откуда и вычисляют среднюю скорость движения потока. Затем по методике, описанной для задач первого типа, рассчитываются режим движения жидкости и область сопротивления, в зависимости от которых уточняется коэффициент Дарси и по уточненному значению его корректируется величина средней скорости и расхода. Количество приближений принимается из условия, чтобы расхождение между двумя последними величинами расхода не превышало 5% или величины, заданной по условию задачи. Более подробно методику расчета задач этого типа рассмотрим на следующем примере.
Пример 2.2.
Для нового стального трубопровода переменного сечения с размерами м и м, диаметрами d1
= 40 мм и d2
=80мм, показанного на рис. 2.3, определить среднюю скорость истечения потока и величину расхода Q, если напор Н = 12,0 м, степень открытия задвижки а/d = 0,4, а температура воды t =14ºC.
Построить пьезометрическую линию и линию полной удельной энергии.

Рис.2.3. Расчетная схема и построение линий полной и потенциальной
удельной энергии.
Решение
. Для определения скорости истечения потока (см. рис.2.3) составим уравнение Бернулли для сечений 1–1 и 2–2 относительно плоскости отсчета 0–0, проходящей через ось трубопровода, которое в общем виде записывается по формуле (2.2)
,
где 
После подстановки исходных величин уравнение Бернулли приводится к расчетному виду:
.
Выражая потери удельной энергии на трение по длине и на местные гидравлические сопротивления общими формулами (2.5) и (2.6), получим

где – коэффициенты местных гидравлических сопротивлений соответственно на вход в трубопровод из резервуара, внезапное расширение потока и задвижку. Принимаются по табл.4 приложения и равны:
что соответствует а/d=0,4;
– коэффициенты Дарси соответственно для первого и второго участков трубопровода.
Так как средние скорости движения жидкости на участках трубопровода неизвестны, то определяются по формуле (2.18), т.е. для квадратичной зоны сопротивления:


где Δ – абсолютная величина эквивалентной шероховатости и принята для новых стальных труб Δ = 0,06 мм (табл.5 приложения).
Из уравнения неразрывности потока (2.1) скорость выражается через скорость на выходе из трубопровода, т.е.

Подставив значения коэффициентов местных гидравлических сопротивлений и гидравлических коэффициентов трения, а также заменив через , последнее уравнение примет следующий вид:

откуда
и м/с.
Теперь уточняются коэффициенты гидравлического трения, для чего рассчитываются для каждого участка трубопровода числа Рейнольдса:

,
где – кинетическая вязкость жидкости и для воды при t = 14ºC Cт (табл.2 приложения);



где С – коэффициент Шези и определяется по формуле (2.16):
м0,5
/с;
n – коэффициент шероховатости трубопровода и для новых стальных труб n = 0,010 (табл.5 приложения).
Теперь установим зоны гидравлического сопротивления, для чего сравним числа Рейнольдса с его граничными значениями, т.е. Reкр
, Reгл
и Reкв
. Тогда на первом участке трубопровода имеем

что соответствует переходной зоне гидравлического сопротивления, и коэффициент Дарси определяется по формуле (2.13):

На втором участке трубопровода имеем

что соответствует зоне гидравлически гладких труб, и коэффициент Дарси определяется по формуле (2.10):

Подставим уточненные значения коэффициентов Дарси в последнее расчетное уравнение
 
откуда
 м/с

и м/с.
Расхождение в определении скорости между двумя приближениями составляет

что вполне приемлемо для инженерных расчетов и дальнейших приближений не требуется.
Расход потока, транспортируемого по трубопроводу, составит:
м3
/с = 4,87 л/с.
Для построения линии полной удельной энергии составляется уравнение Бернулли для сечений 1–1 и произвольного сечения Х–Х относительно плоскости сравнения 0–0:

откуда определим полную удельную энергию в любом сечении трубопровода:

т.е. для построения линии полной удельной энергии нужно из напора Н вычесть сумму потерь до рассматриваемого сечения.
В качестве расчетных выберем шесть сечений, для которых определим значение Е :






Удельная энергия в сечении 8–8 совпадает с ее значением в сечении 2–2 при записи уравнения Бернулли (см. рис.2.3) и равна кинетической энергии на выходе из трубопровода, т.е.


Пьезометрическая линия (линия удельной потенциальной энергии) строится следующим образом. Проводится прямая линия параллельно линии полной удельной энергии и отстоящей от нее вниз на величину кинетической энергии (скоростного напора) так как на эту величину удельная потенциальная энергия в сечении потока меньше полной удельной энергии.
Построение линий полной и потенциальной удельной энергии показано на рис.2.3.

2.6. Задачи третьего типа
Аналогично, как и для предыдущих типов задач, записывается уравнение Бернулли и приводится к расчетному виду, которое в явном виде не имеет решения относительно диаметра трубопровода. Поэтому оно может решаться или способом подбора, или графоаналитическим.
Способ подбора решения этой задачи заключается в следующем. Задаются диаметром трубопровода, соизмеряя его размер с величиной расхода, после чего, как и для задач первого типа, рассчитывается напор Н или давление р. Если эта величина окажется больше расчетной, то диаметр трубопровода необходимо увеличить, а в противном случае – уменьшить. Расчет проводится до тех пор, пока полученный напор Н (давление р ) будет равен расчетному или отношение не превысит заданной величины.
Графоаналитический способ решения этой задачи заключается в следующем. Задаются рядом значения диаметров (минимум 3–5) трубопровода, соизмеряя их с величиной расхода, для каждого значения которого, как и для задач первого типа, рассчитывается напор Н, или давление р. При этом величина расчетного Н, или р, должна находиться в интервале вычисленных значений. Затем на миллиметровой бумаге строится график функциональной зависимости Н=f(d), или р=f(d), из которого по расчетной величине Н, или р, определяется диаметр трубопровода.
Как правило, размер полученного диаметра трубопровода отличается от стандартного. Поэтому в зависимости от условий его применения за расчетный принимается ближайший больший или меньший стандартный диаметр (табл.6 приложения) трубы. Однако такое решение задачи полностью не удовлетворяет поставленным требованиям: для первого случая, когда принимается избыток напора или давления, а во втором случае, наоборот, недостаток, т.е. при расчетном Н, или р, по трубопроводу не обеспечивается подача расчетного расхода. Следовательно, для полного использования расчетного Н, или р, и достижения минимальной массы трубопровода следует выполнять его из большего и меньшего, ближайших к расчетному, стандартных диаметров. Исходя из расчетного вида уравнения Бернулли длина участка большего стандартного диаметра трубы
(2.20)
где – потери удельной энергии по длине трубопровода,
(2.21)
Н – расчетный напор;
– суммарные потери удельной энергии на местные гидравлические сопротивления в трубопроводе, рассчитанные по принятым диаметрам трубопровода;
– удельные потери напора (гидравлические уклоны) соответственно на первом и втором участках трубопровода,
(2.22)
– длина всего трубопровода.
Длина участка меньшего стандартного диаметра трубы
. (2.23)
Для контроля проверяется общая длина трубопровода l
0
= l
1
+ l
2
.
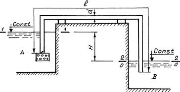
Пример 2.3.
Определить диаметр сифона, с помощью которого вода при температуре t = 15о
C в количестве Q = 30 л/с перекачивается из водоема А в водоем В при разности уровней Н = 2,5 м (рис.2.4), если длина сифона l
= 120 м. Трубы стальные новые. Сифон снабжен сеткой с обратным клапаном. Скоростными напорами в водоемах пренебречь.
Если расчетный диаметр сифона будет отличаться от стандартного значения, то принять трубопровод составным из двух стандартных диаметров, ближайших к расчетному.

Рис. 2.4. Расчетная схема.
Решение.
Составим уравнение Бернулли для сечений 1–1 и 2–2, расположенных на свободной поверхности воды, приняв за плоскость сравнения сечение 2–2 (плоскость 0–0) (см. рис.2.4):
,
откуда H = hтр
1-2
, т.е. весь напор затрачивается на преодоление гидравлических сопротивлений.
Подставляем последовательно потери удельной энергии на местные гидравлические сопротивления и по длине в последнее равенство
.
Коэффициенты местных гидравлических сопротивлений принимаются по табл. 4 приложения и равны xсет
= f(d); xкол
= 1,10; xвых
= 1,0.
Последнее уравнение в явном виде не имеет решения относительно диаметра трубопровода сифона. Поэтому его решаем графоаналитическим способом. Задаемся рядом стандартных диаметров трубопровода сифона согласно табл.6 приложения и рассчитываем потери удельной энергии на местные гидравлические сопротивления и по длине по методике, изложенной в примере 2.1. Результаты расчета приведены в табл. 2.1.
Как видно из табл.2.1, при напоре сифона Н = 2,5 м расчетный диаметр трубопровода сифона должен находиться в интервале между стандартными диаметрами d1
= 175 мм и d2
= 150 мм. Принимается трубопровод сифона составным из стандартных диаметров d1
= 175 мм и d2
= 150 мм. Определим соответствующие длины по формулам (2.20) и (2.23).
Длина трубопровода сифона диаметром d1
= 175 мм

где hдл
– потери удельной энергии по длине потока,

А1
, А2
– удельные потери напора соответственно на первом и втором участках трубопровода,


Длина трубопровода сифона диаметром d2
=150 мм
.
Для контроля проверим общую длину трубопровода сифона l
=l
1
+l
2
=44,6+75,4=120м, что соответствует расчетной длине. Следовательно, расчеты произведены верно.
Ответ: d1
= 175 мм; d2
= 150 мм; l
1
= 44,6 м; l
2
= 75,4 м.
Более подробно решение задач по этой теме приводится в литературе [3,c.44–98; 4, c.39–92].
2.7. Истечение жидкости через отверстия и насадки
при постоянном и переменном напорах
Средняя скорость V и расход Q при истечении жидкости из отверстий и насадков определяется по формулам:
; (2.24)
, (2.25)
где – коэффициент расхода,
(2.26)
– коэффициент сжатия струи,
; (2.27)
w – площадь отверстия или насадка;
wс
– площадь струи в сжатом сечении;
j = (a+åx)-1/2
– коэффициент скорости;
åx – сумма коэффициентов сопротивлений в отверстии, насадке или короткой трубе;
Н0
= Н + a0
V2
0
/(2g) + pи
/(rg) – полный напор;
Н – геометрический напор;
V0
= Q/W – скорость подхода жидкости к отверстию;
W – площадь сечения потока перед отверстием;
ри
= р1
–р2
– разность давлений;
р1,
р2
– абсолютное давление на свободной поверхности жидкости соответственно в емкости, в которой имеется отверстие, и в пространстве, куда вытекает жидкость.
При истечении из отверстий сжатие струи может быть совершенным, несовершенным, полным и неполным. Совершенное сжатие будет в том случае, если отверстие удалено от боковых стенок и днища сосуда не менее трех его диаметров или линейных величин периметра. В противном случае сжатие будет несовершенным. Если часть периметра отверстия совпадает с боковой стенкой или днищем сосуда, то сжатие струи называется неполным. Для несовершенного сжатия коэффициент расхода отверстия несколько больше коэффициента расхода для совершенного сжатия. Определяется он по эмпирической формуле [1, c.209]:
, (2.28)
где W – площадь поперечного сечения стенки с отверстием.
При неполном сжатии струи коэффициент расхода отверстия определяется по эмпирической формуле [1, c.209]:
(2.29)
где χ, χн
– периметр соответственно всего отверстия и той его части, на которой нет сжатия;
С0
– коэффициент, учитывающий форму отверстия: для круглого отверстия С0
= 0,13, для прямоугольного – С0
= 0,15 [1,c.209].
Коэффициенты расхода, скорости, сжатия и сопротивления для совершенного сжатия для отверстий и насадков, истечение из которых происходит при достаточно больших числах Рейнольдса (Re > 105
), приводятся в справочной литературе [5, c.112–113; 6.с.55–56], а также в табл.7 приложения.
Время t изменения напора от Н1
до Н2
в случае призматического резервуара и при наличии постоянного притока Qa
определяется по формуле
, (2.30)
где На
– напор, при котором расход, проходящий через отверстие или насадок, равен притоку, т.е. Н2
= Qа
2
/m2
w2
2g;
W – площадь сечения резервуара.
При отсутствии притока (Qa
= 0 и, следовательно, На
= 0) формула (2.30) примет следующий вид:
. (2.31)
Время t изменения напора от Н1
до Н2
при перетекании жидкости в призматических резервуарах определяется по формуле [1, c.238]:
, (2.32)
где W1
, W2
– площади поперечного сечения резервуаров.
Если истечение или перетекание жидкости происходит через короткие трубопроводы, то в расчетные формулы (2.30–2.32) подставляется коэффициент расхода системы, рассчитываемый по зависимости
mсист
= (a+åx)-1/2
(2.33)
где åx– сумма коэффициентов сопротивлений короткого трубопровода, через который происходит истечение, рассчитываемая по формуле
åx = åxдл
+ åxмест
. (2.34)
Общую методику решения задач по данной теме рассмотрим на примерах.
Пример 2.4.
Струя жидкости, вытекаемая из малого незатопленного отверстия в тонкой стенке при постоянном напоре, достигает горизонтального пола на расстоянии х = 1,2 м от сжатого сечения отверстия (рис.2.5).
Высота расположения отверстия над полом у =1,0 м, диаметр отверстия d = 50 мм. Определить величину расхода вытекаемой струи.

Рис. 2.5. Расчетная схема.
Решение.
Средняя скорость истечения струи из отверстия определяется по формуле (2.24). Пренебрегая сопротивлением воздуха при движении струи, запишем уравнения движения жидкости по горизонтальной и вертикальной осям:
; у = gt2
/2.
Решая эти уравнения относительно времени t, получим
х2
= 4j2
уН.
Приняв коэффициент скорости для малого отверстия в тонкой стенке j = 0,97, из последнего уравнения определим величину напора:
Н = х2
/(4j2
у) = 1,22
/(4×0,972
×1,0) = 0,315 м.
Приняв коэффициент расхода для малого отверстия в тонкой стенке m=0,62, определим расход вытекаемой струи:
.
Ответ: Q=3,025 л/с.
Пример 2.5.
В тонкой стенке, разделяющей призматический резервуар на два отсека, имеется отверстие диаметром d1
= 20 мм (рис.2.6).

Рис. 2.6. Расчетная схема.
К отверстию в дне второго отсека присоединена короткая труба диаметром d2
= 16 мм и длиной l
= 64 мм.
1. Определить расход воды Q, вытекаемой из трубы, если общий напор Н = 3,5 м, а уровни в отсеках резервуара постоянны.
2. При полученных напорах Н1
и Н2
определить время выравнивания уровней воды в отсеках резервуара (на схеме показан пунктиром), если короткая труба будет закрыта, а площади сечения отсеков соответственно равны W1
= 3,0 м2
, W2
= 2,0 м2
.
Решение.
1. Так как уровни в отсеках резервуара постоянны, то движение жидкости будет установившимся и расходы истечения из отверстия и насадка будут равны, т.е.
или 
Кроме того, из условия задачи следует, что Н1
+ Н2
= Н,
откуда
Н2
= Н – Н1
.
Для отверстия в тонкой стенке коэффициент расхода принимается m0
=0,62. Соотношение l
/d2
= 64/16 = 4,0, следовательно, короткая труба работает как внешний круглоцилиндрический насадок и коэффициент расхода mн
= 0,82 (табл.7 приложения).
Решаем вышеприведенное равенство относительно Н1
, предварительно подставив значение напора Н2
.
Тогда

откуда

и окончательно напор

а затем Н2
= Н – Н1
= 3,5 – 1,46 = 2,04 м.
Тогда искомый расход составит:

или
что указывает на достоверность расчета.
2. Время перетекания воды из одного отсека резервуара в другой определяется по уравнению (2.32), в котором Н¢
1
= 1,46 м, а Н¢
2
= 0, так как уровни выравниваются. Перетекание жидкости происходит через отверстие, следовательно, коэффициент расхода m = 0,62.
Тогда

Глубину воды в резервуаре определим на основании равенства объемов вытекаемой воды из первого отсека и поступаемой во второй отсек, т.е.
Wвыт
= W1
Dh = Wпост
= W2
(Н1
– Dh),
где Dh – глубина понижения уровня воды в первом отсеке (см. рис.2.6).
Решим последнее уравнение относительно глубины понижения воды:
м.
Тогда глубина воды в резервуаре составит:
h = H – (l
+ Dh) = 3,5 – (0,064 + 0,584) = 2,852 м.
Ответ: 1. Н1
= 1,46 м; Н2
= 2,04 м; Q = 1,042 л/с;
2. t = 56,05 мин; h = 2,852 м.
Пример 2.6.
Два призматических резервуара А и В (рис.2.7) с площадями поперечных сечений WА
= 4,5 м2
и WВ
= 1,5 м2
соединены новым стальным трубопроводом длиной l
= 42 м и диаметром d = 40 мм, на котором установлена задвижка со степенью открытия а/d = 0,50.
Определить время, в течение которого объем воды W = 9,0 м3
перетечет из резервуара А в резервуар В. Первоначальные отметки уровней воды в резервуарах составляют: НА
= 12,5 м; НВ
= 1,5 м; оси трубы –Нс
=3,5 м. Считать, что движение воды в трубопроводе происходит в квадратичной области сопротивления.

Рис. 2.7. Расчетная схема к определению времени перетекания
жидкости в призматических резервуарах.
Решение.
Из анализа процесса перетекания жидкости из резервуара А в резервуар В следует, что время t этого процесса будет состоять из двух периодов:
а) истечение при переменном напоре в атмосферу до центра тяжести сечения выходного отверстия трубы, определяемое по формуле (2.31);
б) истечение при переменном напоре под переменный уровень, определяемое по формуле (2.32).
Так как движение жидкости происходит по трубопроводу, то в расчетных зависимостях (2.31) и (2.32) принимается коэффициент расхода системы, определяемый по зависимости (2.33), т.е.

где xвх
, xз
– коэффициенты местных гидравлических сопротивлений. Принимаются по табл. 4 приложения и равны: xвх
= 0,5; xз
= 5,30;
l – коэффициент Дарси, определяемый по формуле (2.18), так как согласно условию задачи движение жидкости происходит в квадратичной зоне сопротивления:

D – абсолютная величина шероховатости стенок трубопровода (табл. 5 приложения) и для новых стальных труб принята D = 0,06 мм.
Теперь определяются расчетные напоры из условия равенства объемов вытекаемого из резервуара А и поступающего в резервуар В. Для расчетной зависимости (2.31) напоры равны:
Н1
= НА
– Н0
= 12,5 – 3,5 = 9,0 м;
Н2
= Н1
– DН1
= 9,0 – 0,67 = 8,33 м,
где W1
= DН1
WA
= (Н0
– Нв
)Wв
, откуда
м.
Тогда время повышения уровня воды до оси трубы

Для расчетной зависимости (2.32) напоры будут равны:
Н¢
1
= Н2
= Н1
– DН1
= 9,00 – 0,67 = 8,33 м;
Н¢
2
= Н2
– (DН2
+ DН3
) = 8,33 – (1,33 + 4,00) = 3,00 м,
где DН2
, DН3
– соответственно понижение уровня воды в резервуаре А и повышение в резервуаре В. Определяются на основании равенства объемов вытекаемой воды из резервуара А и поступаемой в резервуар В (см. рис.2.7), т.е.
DН2
= W2
/WA
= (W – W1
)/WA
= [W – (H0
– Hв
)WВ
]/WA
=
= [9,00 – (3,5 – 1,5)1,5]/4,5 = 1,33 м;
DН3
=W2
/WВ
=(W–W1
)/WВ
= [W – (H0
– Hв
)WВ
]/WВ
=
= [9,00 – (3,5 – 1,5)1,5]/1,5 = 4,00 м.
Тогда время перетекания оставшегося объема W2
воды из резервуара А в резервуар В составит:

Время перетекания всего объема воды из резервуара А в резервуар В составит:
t = t1
+ t2
= 1000,5 + 2536,7 = 3537,2 c = 58,95 мин.
Ответ: t = 58,95 мин.
Более полно решение задач по этой теме приводится в литературе [3, c.147–167; 4, с.92–113].
2.8. Гидравлический удар в напорном трубопроводе
Гидравлический удар – явление резкого изменения давления в напорном трубопроводе при внезапном изменении скорости движения жидкости, связанном с быстрым закрытием или открытием задвижки, крана, клапана и т.д., быстрым остановом или пуском гидродвигателя, или насоса. В указанных случаях при уменьшении или увеличении скорости движения жидкости давление перед запорным устройством соответственно резко увеличивается (положительный гидравлический удар) или уменьшается (отрицательный гидравлический удар). Это изменение давления распространяется по всей длине трубопровода с большой скоростью, называемой скоростью распространения ударной волны, которая определяется по формуле профессора Н.Е. Жуковского:
(2.35)
где Еж
– объемный модуль упругости жидкости плотностью r;
Е – модуль упругости материала трубы;
d – диаметр трубы;
d – толщина стенок трубы;
азв
– скорость распространения звука в данной упругой среде.
Усредненные значения модуля упругости воды и некоторых материалов, а также соотношение между ними, упрощающие использование формулы (2.35), приведены в табл. 2.2
Т а б л и ц а 2.2. Модули упругости воды и некоторых материалов
| Жидкость и материал трубы
|
Еж
и Е,
МПа
|
Еж
/Е
|
| Вода
|
2030
|
1,00
|
| Трубы:
|
| стальные
|
196000
|
0,01
|
| чугунные
|
98100
|
0,02
|
| бетонные
|
19600
|
0,10
|
| асбестоцементные
|
18450
|
0,11
|
| полиэтиленовые
|
1350–2030
|
1,0–1,5
|
При мгновенном закрытии задвижки, установленной в конце трубопровода, повышение давления при гидравлическом ударе определяется по формуле Н.Е. Жуковского:
Dрmax
= rС0
V0
, (2.36)
где V0
– средняя скорость движения жидкости в трубопроводе до момента закрытия задвижки.
В действительности задвижка закрывается не мгновенно, а за конечно малое время tз
. При этом повышение давления при гидравлическом ударе будет зависеть от закона изменения скорости в трубопроводе во время закрытия задвижки и в некоторых случаях меньше, чем вычисленное по формуле (2.35). В связи с этим различают следующие случаи гидравлического удара в трубопроводе.
Прямой гидравлический удар, при котором время закрытия задвижки
tз
£ t0
= 2L / C0
, (2.37)
где t0
– фаза гидравлического удара, т.е. время пробега ударной волны со скоростью С0
от задвижки, где возник удар, до начала трубопровода и обратно к задвижке;
L – длина трубопровода, м.
В этом случае максимальное повышение давления при гидравлическом ударе определяется по формуле (2.35); непрямой гидравлический удар имеет место при tз
> to
.
Если скорость движения жидкости Vt
в трубопроводе у задвижки за время ее закрытия изменяется по линейному закону
Vt
= V0
(1 – t/tз
), (2.38)
то максимальное повышение давления в трубопроводе может быть определено по зависимости
Dрmax
= 2LrV0
/tз
. (2.39)
В общем случае при любом заданном законе закрытия задвижки для расчета непрямого гидравлического удара могут быть применены аналитические, численные и графические методы расчета, излагаемые в специальных курсах.
Гидравлический удар может быть также полным, когда происходит полный останов движения жидкости, или неполным, когда начальная скорость движения жидкости V0
, что имеет место, например, при частичном перекрытии запорного устройства. Максимальное повышение давления в трубопроводе при полном прямом и полном непрямом гидравлическом ударе определяется соответственно по зависимостям (2.36) и (2.39). Его значение при неполном прямом и неполном непрямом гидравлическом ударе определяется соответственно по зависимостям:
Dрmax
= rС0
(V0
– V); (2.40)
Dрmax
= 2Lr(V0
– V)/tз
; (2.41)
где V – средняя скорость движения жидкости в трубопроводе к концу момента закрытия задвижки.
Диаграммы изменения давления и скорости в трубопроводе у задвижки и в произвольном его сечении при прямом гидравлическом ударе подробно рассмотрены в литературе [1, c.287–289].
Общую методику решения задач по данной теме рассмотрим на примерах.
Пример 2.7.
Определить повышение давления Dр в стальном трубопроводе при закрытии запорного устройства за время t3
= 5,0 с, если диаметр трубопровода d = 300 мм, его длина l
= 3250 м, расход транспортируемой воды Q > 145 л/с, толщина стенок d = 6 мм.
Решение.
Предварительно установим вид гидравлического удара, для чего определим скорость распространения ударной волны по формуле (2.35):
м/с,
где азв
– скорость распространения звука в рассматриваемой жидкой среде и для воды азв
=1435 м/с;
Еж
/Е – отношение объемного модуля упругости воды к модулю упругости стали и равен Ев
/Ест
= 0,01 (см. табл.2.2).
Время фазы составит:
tф
= 2l
/C0
= 2×3250/1171,7 = 5,55 c.
Так как tз
= 5,0 с < tф
= 5,55 c, то гидравлический удар будет прямой и повышение давления в трубопроводе определим по формуле Н.Е. Жуковского (2.36):
Dр = rС0
V0
= 1000×1171,7×2,05 = 2402 кПа,
где V0
– средняя скорость движения потока до возникновения гидравлического удара,
м/с.
Ответ: Dр = 2402 кПа.
Пример 2.8.
Определить толщину d стенок чугунного трубопровода так, чтобы напряжение в них от дополнительного давления при гидравлическом ударе при мгновенном закрытии запорного устройства не превышало [σ] = 14700 кПа. Диаметр трубопровода d = 300 мм, средняя скорость движения воды до закрытия запорного устройства V0
=1,50 м/с.
Решение.
Напряжение в стенках трубопровода от повышения давления при гидравлическом ударе определим по формуле Мариотта [1, c.50]:

где Dр – повышение давления в трубопроводе при гидравлическом ударе и мгновенном закрытии запорного устройства, определяется по формуле Н.Е. Жуковского (2.36):
Dр = rV0
C0
;
Со
– скорость распространения волны гидравлического удара и определяется по формуле (2.35):

где азв
– скорость распространения звука в рассматриваемой жидкой среде и для воды азв
= 1435 м/с;
Еж
/Е = Ев
/Ечуг
– отношение объемного модуля упругости воды к модулю упругости чугуна Ев
/Ечуг
= 0,02 (см. табл.2.2).
Подставим в первое уравнение значение повышения давления при гидравлическом ударе:
или
,
откуда d2
+ 6d – 482,43 = 0.
Решая последнее квадратное уравнение относительно толщины стенок трубопровода, получим d = 19,2 мм.
Ответ: d = 19,2 мм.
Более полно решение задач по этой теме приводится в литературе [3, c.104, 105].
2.9. Указания к решению задач
Задачи данного раздела рассчитаны на применение уравнения Бернулли для потока реальной жидкости (2.3). При применении уравнения Бернулли важно правильно выбрать те два сечения, для которых оно записывается, и плоскость отсчета удельной энергии. В качестве сечений рекомендуется брать:
свободную поверхность жидкости в резервуаре, где, как правило, V=V0
= 0;
выход в атмосферу, где ри
= 0; рабс
= ратм
;
сечение, где присоединен тот или иной манометр, пьезометр или вакуумметр;
сечение, где присоединен трубопровод к источнику давления (насосу).
Уравнение Бернулли рекомендуется сначала записать в общем виде, а затем переписать с заменой его членов заданными буквенными величинами и исключить члены, равные нулю или равные между собой слева и справа, т.е. привести его к расчетному виду. При этом необходимо помнить следующее:
вертикальная ордината z всегда отсчитывается от произвольной плоскости вверх со знаком плюс или вниз со знаком минус;
давление р, входящее в правую и левую части уравнения, должно быть задано в одной системе отсчета (абсолютной или избыточной);
суммарная потеря напора hтр
всегда пишется в правой части уравнения Бернулли со знаком плюс.
Задачи на истечение из отверстий и насадков следует решать без записи уравнения Бернулли, т.е. применить основное уравнение (2.25). При этом следует помнить, что расчетный напор в общем случае складывается из суммы удельных энергий относительно плоскости, проходящей через ось отверстия или насадка. При расчете напора для внешнего цилиндрического насадка необходимо его сравнивать с максимально допустимой величиной, при которой в насадке происходит срыв вакуума, и соответственно принимать коэффициент расхода.
3. ГИДРАВЛИЧЕСКИЙ РАСЧЕТ ДЛИННЫХ
ТРУБОПРОВОДОВ И РАЗОМКНУТЫХ
ВОДОПРОВОДНЫХ СЕТЕЙ
Цель работы:
получить практические навыки гидравлического расчета длинных трубопроводов (простых и сложных), простейших разомкнутых водопроводных сетей (новых и старых).
Исходные данные:
индивидуальные расчетные схемы задач с цифровыми исходными данными по каждой теме раздела.
Требуется:
произвести гидравлический расчет каждой расчетной схемы индивидуальных задач по указанному способу с подстановкой цифровых исходных данных; оформить расчеты в расчетно-графическую работу согласно требованиям, изложенным выше.
3.1. Гидравлический расчет простого длинного трубопровода
К гидравлически длинным относятся такие трубопроводы, в которых потери удельной энергии на местные сопротивления составляют менее 5–10% от потерь по длине потока. При этом потери удельной энергии на местные сопротивления либо вовсе не учитывают, либо учитывают путем увеличения потерь напора по длине на 5–10%. К гидравлически длинным трубопроводам относят магистральные трубопроводы, нефте- и газопроводы, водопроводные сети и др. Длинным простым трубопроводом считается трубопровод, не имеющий ответвлений и состоящий из труб одного диаметра.
Движение жидкости в трубопроводе, работающем под постоянным напором Н, полным сечением w с постоянной по длине средней скоростью V, является установившимся и равномерным. Расход Q, проходящий неизменным на всем протяжении трубопровода, называют транзитным.
Расчетной формулой гидравлически длинного простого трубопровода является формула Дарси-Вейсбаха (2.6), которая легко трансформируется в формулу Шези:
и , (3.1)
где I – гидравлический уклон, I = hдл
/l
;
С – коэффициент Шези, значение которого было приведено выше.
Объяснение остальных величин дано в разделе 2. Обозначив
, (3.2)
получим вместо формулы (3.1)
, (3.3)
где k – расходная характеристика или модуль расхода, имеющая раз-мерность расхода.
Решив уравнение (3.3) относительно потерь напора по длине, получим
hдл
= Q2
l
/k2
. (3.4)
Обозначив 1000/k = A, формула (3.4) примет следующий вид:
hдл
= АLQ2
, (3.5)
где L – длина трубопровода, км;
А – удельное сопротивление трубопровода на километр длины.
Движение воды в трубопроводах чаще всего происходит в квадратичной зоне сопротивления. С учетом обозначения расчетные формулы (3.3), (3.4) и (3.5) примут следующий вид:
; (3.6)
, (3.7)
где Q2
= Q1
-2
– коэффициенты, учитывающие зону сопротивления. Для водопроводов приводятся в литературе [1, табл. П. IV; 6, с.81] или в табл. 10 приложения в зависимости от средней скорости движения жидкости и материала трубопровода;
kкв
– расходная характеристика, соответствующая квадратичной зоне сопротивления. Приводится в литературе [1,табл.П.V; 6, с.78, 79] или в табл.8 приложения.
Значение скорости Vкв
, при превышении которой наступает квадратичная область сопротивления, приводится в литературе [1, c.259; 5, с.124] или в табл. 9 приложения.
В практике, кроме транзитного расхода, водозабор может производиться и по длине трубопровода. В простейшем случае расход по длине трубопровода уменьшается на постоянную величину q = Q/l
. Примерами могут служить: отводы в дома из магистрального водопровода, идущего вдоль улицы селения; раздача воды из поливного трубопровода в поливные борозды и другие случаи. При расчете таких трубопроводов вводится понятие о расчетном расходе [1, c.265]:
Qрасч
= Qт
+ 0,55Qp
, (3.8)
где Qр
– расход непрерывной раздачи вдоль трубопровода.
Эта формула справедлива для любого типа распределения расхода: транзитного – Qрасч
= Qт
; с непрерывной раздачей – Qрасч
=0,55×Qр
или смешанного по зависимости (3.8).
Для гидравлически длинных трубопроводов, в зависимости от условий применения и их назначения, можно выделить три основных типа задач, условия которых аналогичны, как для гидравлически коротких трубопроводов (см. п. 2.2). Особенность методики решения этих задач для длинных трубопроводов заключается в применении вышеуказанных таблиц. При транспортировке по трубопроводу жидкостей, отличных от воды (нефть и нефтепродукты, сжиженный газ и др.), коэффициенты Q1
и Q2
будут другими и если их значения неизвестны, то потери удельной энергии по длине определяются аналогично, как и в коротком трубопроводе, расчеты которых приведены в разделе 2. Ниже приводится методика расчета длинных трубопроводов для основных типов задач, а в примерах расчета в качестве жидкости принята вода.
1-й тип.
По известным Q и d рассчитывается средняя скорость V движения жидкости, а по табл. 9 приложения в зависимости от d и материала трубопровода устанавливается скорость Vкв
. Если Vкв
£ V, то квадратичная зона сопротивления и Q2
= 1,0,а при Vкв
> V – неквадратичная зона сопротивления и поправочный коэффициент Q2
устанавливается по табл.10 приложения в зависимости от V и материала трубопровода. Затем по d и материалу трубопровода по табл.8 приложения устанавливается величина Акв
. Значения остальных величин, входящих в расчетную зависимость (3.7), известны по условию задачи. Потери удельной энергии на местные сопротивления согласно определению гидравлически длинных трубопроводов равны hмест
= (0,05– –0,1)hдл
.
Определив общие потери удельной энергии в потоке, из уравнения Бернулли, приведенного к расчетному виду, рассчитывается величина напора, или давления.
2-й тип.
Так как по условию задачи величина расхода неизвестна, то предварительно задаются квадратичной зоной сопротивления. Следовательно, поправочный коэффициент Q1
= 1,0. По табл. 8 приложения определяется расходная характеристика kкв
и по формуле (3.6) рассчитывается предварительный расход Q1
. Остальные величины, входящие в формулу (3.6), известны по условию задачи. Затем по Q1
определяется скорость V, сопоставляется со скоростью Vкв
и устанавливается зона сопротивления. Если зона сопротивления будет отлична от квадратичной, то по табл. 10 приложения устанавливается поправочный коэффициент Q1
и уточняется величина расхода.
Количество приближений принимается из условия, чтобы расхождение между двумя последними величинами расхода не превышало 5%.
3-й тип.
Так как по условию задачи диаметр неизвестен, то предварительно задаются квадратичной зоной сопротивления и, следовательно, Q1
= 1,0. Затем из формулы (3.6) определяется расчетная расходная характеристика kкв
, которая отличается от ее значения, рассчитанного для стандартного диаметра. Поэтому в зависимости от условий применения трубопровода за расчетный принимается ближайший больший или меньший стандартный диаметр трубы (табл. 8 приложения). Однако такое решение задачи полностью не удовлетворяет поставленным требованиям. Для первого случая, когда принимается больший стандартный диаметр трубы, появляется избыток напора, или давления, а во втором случае, наоборот, недостаток, т.е. при расчетном Н, или р, по трубопроводу не обеспечивается подача расчетного расхода. В этом случае в литературе рекомендуется для полного использования расчетного Н, или р, и достижения минимальной массы трубопровода выполнять его из большего и меньшего ближайших к расчетному стандартных диаметров. Исходя из расчетного вида уравнения Бернулли длина участка большего стандартного диаметра трубы
(3.9)
где Н – расчетный напор;
L – длина всего трубопровода, км;
– удельное сопротивление трубопровода соответственно на первом и втором участках его.
Длина участка меньшего стандартного диаметра трубы
(3.10)
Для контроля проверяется общая длина трубопровода: L0
= L1
+ L2
.
3.2. Расчет экономически наивыгоднейшего диаметра
трубопровода
Из анализа уравнения Дарси-Вейсбаха (2.6) можно легко убедиться, что потери удельной энергии на гидравлические сопротивления по длине потока в трубопроводе обратно пропорциональны его диаметру в степени, близкой к пятой. Поэтому, увеличивая диаметр трубы, существенно уменьшаются потери напора на преодоление гидравлических сопротивлений, а следовательно, уменьшается мощность насосно-силовой установки для создания рабочего напора (давления), при котором обеспечивается подача расчетного расхода, и стоимость электроэнергии, предназначенной для создания этой мощности. И наоборот, с уменьшением диаметра трубопровода резко возрастает стоимость электроэнергии, затрачиваемой на преодоление гидравлических сопротивлений.
Очевидно, что строительная стоимость трубопровода и ежегодные эксплуатационные затраты на его содержание в первом случае, т.е. при большем диаметре, будут выше, чем во втором случае. Отсюда следует, что экономически наивыгоднейшим диаметром трубопровода следует считать такой, при котором так называемые приведенные годовые затраты на строительство и эксплуатацию его будут минимальными. Таким образом, экономически наивыгоднейший (оптимальный) диаметр трубопровода определяется на основе технико-экономических расчетов.
Как видно из постановки вопроса, решение данной задачи сводится к определению диаметра напорного трубопровода и рабочего напора, или давления, при которых будет обеспечен пропуск расчетного расхода. Методика решения этой задачи заключается в следующем. Для принятого материала трубопровода задаются рядом (минимум 5–7 значений) стандартных диаметров, соизмеряя их с величиной расхода. По описанной выше методике (см. п.3.1) для принятых диаметров определяются потери напора в трубопроводе и мощность насосной установки:
N=r×g Q×H/(1000×hн.у
), кВт, (3.11)
где Q – расчетный расход (подача) трубопровода, м3
/с;
Н – напор или потери напора в трубопроводе, м;
hн.у
– коэффициент полезного действия насосной установки.
Расчет потерь напора и соответственно мощность насосной установки производится на расчетную длину или единицу длины, как правило, 1 км трубопровода.
Годовая стоимость (тыс. руб.) электроэнергии, затрачиваемая на преодоление гидравлических сопротивлений в трубопроводе,
Sэн
= N×t×s/1000, (3.12)
где t – число часов работы насосной установки в году;
s – тариф на электроэнергию для данного района (нормативная величина), руб./(кВт×ч).
Выражение для определения приближенной строительной стоимости (тыс. руб.) 1 км длины трубопровода, ориентировочно найденное из анализа сметной стоимости строительства, имеет следующий вид [1, c.271]:
Sст
= b0
+ b×da
, (3.13)
где b0
– постоянная (не зависящая от диаметра) часть строительной стоимости трубопровода, тыс. руб.);
b – нормативный коэффициент, зависящий от вида труб и условий строительства;
d – диаметр трубопровода, м;
a – показатель степени, зависящий от вида труб и не зависящий от условий строительства.
Значения коэффициентов (табл. 3.1) можно принять согласно справочной литературе [1, c.271].
Т а б л и ц а 3.1. Значения нормативных коэффициентов для расчета стоимости строительства трубопровода
| Материал трубопровода
|
Коэффициенты
|
| b0
,
|
b
|
a
|
Rот
, %
|
| Стальные
|
6,9
|
53
|
1,40
|
4,6
|
| Чугунные
|
8,4
|
107
|
1,60
|
3,3
|
| Асбестоцементные
|
11,0
|
78
|
1,95
|
7,3
|
| Пластмассовые
|
9,0
|
150
|
1,95
|
4,6
|
Приведенные годовые затраты на 1 км длины трубопровода определяются по зависимости [1, c.271]:
S = Sэн
+ (1/Ток
+ Rот
/100)×Sст
, тыс. руб., (3.14)
где Ток
– нормативный срок окупаемости капиталовложений в строительство. Для трубопроводов в целях водоснабжения принимается 8 лет;
Rот
– сумма нормативных отчислений на текущий и капитальный ремонты, % (см. табл. 3.1).
Экономически наивыгоднейший диаметр трубопровода соответствует минимуму приведенных годовых затрат, которые должны определяться для каждого принятого стандартного диаметра.
Приближенно экономически наивыгоднейший диаметр трубопровода можно также определить по зависимости
dэ
= kэ
× , (3.15)
где kэ
– коэффициент, учитывающий материал трубопровода и экономические факторы, влияющие на строительство и эксплуатацию трубопровода;
Qрасч
– расчетный расход, м3
/с.
Для вышеизложенной зоны строительства kэ
принимается: стальной трубопровод kэ
= 0,72–0,88; асбестоцементный, чугунный трубопровод kэ
= 0,84–0,85.
На основании экономических расчетов, проведенных Ф.А. Шевелевым, получены предельные расходы и средние скорости движения потока в водопроводных стальных, чугунных, асбестоцементных и полиэтиленовых трубах. Предельные расходы и средние скорости для стальных водопроводных труб, прокладываемых в центральных и западных районах Европейской части СНГ, приведены в табл. 3.2 [1, c.274].
Т а б л и ц а 3.2. Значения предельных расходов и средних скоростей
для стальных водопроводных труб
| Диаметр трубопровода, мм
|
Рекомендуемая предельная скорость,
м/с
|
Рекомендуемый предельный расход,
л/с
|
Диаметр
трубопровода,
мм
|
Рекомендуемая предельная скорость м/с
|
Рекомендуемый предельный расход,
л/с
|
| 50
|
0,96
|
3,1
|
400
|
1,36
|
184
|
| 75
|
1,07
|
5,8
|
500
|
1,40
|
315
|
| 100
|
1,15
|
11,7
|
600
|
1,49
|
443
|
| 125
|
1,19
|
16,6
|
700
|
1,52
|
561
|
| 150
|
1,23
|
21,8
|
800
|
1,53
|
776
|
| 200
|
1,34
|
46,0
|
900
|
1,57
|
987
|
| 250
|
1,34
|
71,0
|
1000
|
1,68
|
1335
|
| 300
|
1,35
|
103,0
|
1200
|
1,69
|
1919
|
| 350
|
1,35
|
140,0
|
3.3. Гидравлический расчет длинных трубопроводов
при последовательном и параллельном соединениях труб
разных диаметров
При последовательном соединении труб разных диаметров (рис. 3.1, а) потери удельной энергии по длине складываются из суммы потерь на отдельных участках
, (3.16)
которые рассчитываются по расчетной зависимости (3.7).

Рис. 3.1. Схема соединения труб в длинном трубопроводе:
а
– последовательное соединение;
б – параллельное соединение.
Если по трубопроводу расход идет транзитом через все участки, то его величина определяется по формуле
. (3.17)
При параллельном соединении труб разных диаметров (рис. 3.1, б) расход складывается из суммы расходов на отдельных линиях:
, (3.18)
а потери удельной энергии по длине одинаковы для всех параллельных линий. Определяются потери по формуле
. (3.19)
Тогда расход каждой линии определяется по формуле (3.6). Решение задачи ведется способом последовательных приближений, т.е. предварительно задаются квадратичной зоной сопротивления и принимают Q1
=Q2
=1,0. Вычисляют предварительный расход, а по его значению – среднюю скорость движения жидкости. Устанавливают фактическую зону сопротивления и при необходимости в зависимости (3.6), (3.17), (3.19) вводят поправочные коэффициенты и уточняют расчетные величины.
Распределение расходов по ветвям трубопровода при его параллельном соединении (см. рис. 3.1, б) можно определить и другим способом. Предварительно задаются квадратичной зоной сопротивления и принимают q1
= 1,0. Затем выражаются расходы всех ветвей трубопровода через расход одной ветви. Например, расходы второй и третьей ветвей трубопровода через расход первой, т.е.
. (3.20)
Согласно формуле (3.18) общий расход потока, транспортируемый по трубопроводу,
Q = Q1
+ Q2
+ Q3
+…+ Qn
= Q1
+ в1
Q1
+в2
Q1
+…+ вn
–1
Q1
=
= 1 + в1
+ в2
+…+ вn
–1
)Q1
,
откуда
Q1
= Q/(1 + в1
+ в2
+…+ вn
-1
). (3.21)
Из уравнений (3.20) соотношения расходов определяются предварительные расходы по параллельным ветвям трубопровода, а по их значениям – средние скорости движения потока. Устанавливается фактическая зона сопротивления и при необходимости в уравнения (3.20) вводят поправочный коэффициент q1
и уточняют величины расходов.
Определив расходы по ветвям трубопровода, для одной из них по расчетной зависимости (3.7) находят потери напора по длине потока и общие потери.
Более подробно методику гидравлического расчета длинных трубопроводов при последовательном и параллельном соединениях труб разных диаметров рассмотрим на примере.
Пример 3.1.
По горизонтальному новому чугунному трубопроводу, состоящему из трех последовательно соединенных участков труб разных диаметров: d1
= 200 мм; d2
= 150 мм; d3
= 100 мм и длине l
1
= 250 м; l
2
= 200 м; l
3
= 180 м, показанных на рис. 3.1,а, подается вода от водонапорной башни к потребителям в виде непрерывной раздачи на участках АВ – Qp
1
= 10л/с и CD – Qp
2
= 12л/с, а также транзитных расходов в узловые точки В – Q1
= 6 л/с; С – Q2
= 4 л/с; D – Q3
= 7 л/с.
Определить отметку пьезометрической линии водонапорной башни ÑБ
п
, если отметка пьезометрической линии в конце трубопровода ÑD
п
= 15,0 м; как распределятся транзитные расходы на каждой линии трубопровода и изменится отметка пьезометрической линии в пункте А, если трубы соединить параллельно, а непрерывная раздача остается, как при последовательном соединении?
Решение.
1. Является очевидным, что при последовательном соединении труб разных диаметров отметка пьезометрической линии водонапорной башни

где Kм
– коэффициент, учитывающий потери напора на местные гидравлические сопротивления и принимается Kм
= 1,05…1,10.
В расчете принят Kм
= 1,10.
Потери напора по длине определяются по расчетной завиисмости (3.7), для чего по зависимости (3.8) определяются на каждом участке трубопровода расчетные расходы и средние скорости движения воды, т.е.
QAB
расч
= 0,55Qp
1
+Qp
2
+Q1
+Q2
+Q3
=0,55×10+12+6+4+7=34,5 л/с;
QВС
расч
= Qp
2
+Q2
+Q3
=12+4+7=23,0 л/с;
QCD
расч
= 0,55Qp
2
+Q3
=0,55×12+7=13,6 л/с;
м/с;
м/с;
 м/с,
где площади сечения трубопроводов приняты по величинам диаметров трубопровода из табл.8 приложения в единицах измерения дм2
×10.
По табл.9 приложения для новых чугунных труб для заданных диаметров определяются скорости, при превышении которых наступает квадратичная зона сопротивления, т.е.
= 3,1м/с;
=2,95 м/с;
м/с.
Сопоставляя средние скорости движения потока V c Vкв
, видно, что на всех участках трубопровода движение потока происходит в неквадратичной зоне сопротивления и поэтому в расчетной зависимости (3.7) поправочный коэффициент на зону сопротивления q2
>1,0. Его значение определим по табл.10 приложения:
q2
АВ
= 1,20; q2
ВС
= 1,165; q2
CD
= 1,11.
По значению диаметров и материалу трубопровода по табл.8 приложения определяются удельные сопротивления:
Акв
АВ
=0,00647 с2
/л2
; Акв
ВС
=0,0296 с2
/л2
; Акв
С
D
=0,253 с2
/л2
.
Подставив расчетные параметры в исходное уравнение (3.7), получим искомую величину

2. При параллельном соединении труб разных диаметров и длин потери напора по длине на каждой линии будут одинаковы и, предполагая движение в квадратичной зоне сопротивления, их величина определяется по формуле (3.19):

где , , – расходные характеристики соответствующих линий трубопровода для квадратичной зоны сопротивления. Принимаются по табл.8 приложения и составляют:
= 393,00 л/с; = 183,90 л/с; = 62,85 л/с.
Тогда предварительный расчетный расход для каждой линии трубопровода определится по формуле (3.6):



Затем определяется средняя скорость движения воды на каждой линии трубопровода:

 
По табл. 9 приложения определяются средние скорости Vкв
, при превышении которых наступает квадратичная зона сопротивления:
Vкв1
= 3,10 м/с; Vкв2
= 2,95 м/с; Vкв3
= 2,80 м/с.
Из сопоставления скоростей V и Vкв
видно, что на всех линиях трубопровода зона сопротивления неквадратичная. По значению средней скорости V и материалу трубопровода по табл. 10 приложения определяются поправочные коэффициенты на зону сопротивления, которые составят:
q1
¢ = 0,848; q1
¢¢ = 0,840; q1
¢¢¢ = 0,813.
С учетом поправочных коэффициентов во втором приближении уточняется величина потерь напора и расходов на каждой линии трубопровода:




Распределение расходов по линиям трубопровода при их параллельном соединении можно определить другим способом по зависимостям (3.20) и (3.21).Тогда

откуда 

откуда .
В свою очередь, расчетный расход трубопровода
,
откуда

Предварительные расчетные расходы по остальным линиям трубопровода будут равны:
л/с;
л/с.
Так как предварительные расчетные расходы получились практически одинаковые, как в первом случае, то аналогичной будет и зона сопротивления, а следовательно, и поправочные коэффициенты на нее, т.е.

С учетом зоны сопротивления распределение расчетных расходов по линиям трубопровода составит:

откуда

откуда  .
Тогда

;

Потери напора по длине на первой линии трубопровода

где – поправочный коэффициент на зону сопротивления. Принят из табл.9 приложения при V1
= 0,54 м/с;
Акв1
– удельное сопротивление для d1
= 200 мм чугунных труб. Принято из табл.8 приложения Акв1
= 0,00647 с2
/л2
.
Отметка пьезометрической линии водонапорной башни при параллельном соединении труб
kм
hдл
=15,00+1,10×0,660=15,73 м.
Теперь определим распределение транзитных расходов по линиям трубопровода при их параллельном соединении. Из уравнения (3.8) имеем:
на первой линии трубопровода
откуда
;
на третьей линии трубопровода
откуда

Эта величина расхода показывает, что по третьей линии трубопровода проходит только часть непрерывной раздачи Qр2
:

а остальная часть


проходит по второй линии трубопровода. Транзитный расход на третьей линии трубопровода, следовательно, не проходит, т.е. 
Транзитный расход на второй линии трубопровода составит:

Ответ: 
3.4. Расчет разомкнутых водопроводных сетей
Распределительные водопроводные сети бывают:
разомкнутые, или тупиковые, состоящие из магистрали и отдельных ветвей;
замкнутые, или кольцевые, состоящие в общем случае из ряда замкнутых колец. При расчете распределительных сетей могут в практике встретиться следующие два случая:
расчет новой сети, когда отсутствует заранее заданный напор в начальном пункте (отметка уровня воды в водонапорной башне);
расчет сети с заданным напором в голове системы (старая сеть), что имеет место при подключении сети к уже имеющемуся водонапорному баку или существующему трубопроводу.
В данной работе приводится методика расчета разомкнутой водопроводной сети. Расчет кольцевой сети будет рассматриваться при изучении специального курса сельскохозяйственного водоснабжения.
1-й случай
. Исходными данными для расчета сети являются: длины отдельных участков сети, расходы в узловых точках сети и непрерывной раздачи, отметки заложения оси трубопровода в узловых точках, материал трубопровода и так называемые свободные напоры Нсв
, равные разности отметок пьезометрической линии и оси трубопровода в узловых точках системы. Величина необходимого свободного напора зависит от объекта, который обеспечивается водой, и устанавливается на основании нормативных документов. При расчете сети обязательным является условие, чтобы фактические свободные напоры в узловых точках были больше или равнялись заданным, т.е. Нсв
³ Ндоп
св.
В начале расчета выбирается магистральная линия, которая должна соединять водонапорную башню с одним из конечных узлов. Она имеет обычно наибольшую длину, по ней проходит больший расход, чем по другим намечаемым основным линиям. Конечный узел, как правило, имеет наибольшую геодезическую отметку оси заложения трубопровода. Иногда для выбора магистральной линии приходится сравнивать различные варианты исходя из обязательного обеспечения подачи необходимых расходов и требуемых свободных напоров.
После выбора магистральной линии определяются расчетные расходы по зависимости (3.8) по всем участкам сети. При этом по указанным выше правилам учитывается наличие сосредоточенных и равномерно распределенных расходов. Затем переходят к определению диаметров отдельных участков магистральной линии, которые находятся по экономическим соображениям. Приближенно экономически наивыгоднейший диаметр трубопровода рекомендуется определять по зависимости (3.15). Для стальных трубопроводов, прокладываемых в центральных и западных районах Европейской части СНГ, приближенно экономически наивыгоднейший диаметр можно определять по предельным расходам, которые принимаются равными расчетным, из табл. 3.2.
По методике, описанной в п.3.1 (1-й тип), по уравнению (3.7) рассчитываются потери напора на каждом участке магистральной линии. По величинам свободных напоров в узловых точках и потерям напора определяются отметки пьезометрической линии в этих точках. Расчет обычно начинают вести с конца магистральной линии, т.е. узла n, в котором отметка пьезометрической линии
(3.22)
где – отметка заложения оси трубопровода в узле n;
– отметка пьезометрической линии в узле n.
Затем определяется отметка пьезометрической линии магистрали в узловой точке n–1:
(3.23)
где – потери напора на участке магистральной линии между узловыми точками n и n–1.
В такой последовательности определяются отметки пьезометрической линии для всех остальных узловых точек магистрали. Отметка пьезометрической линии водонапорной башни
(3.24)
а высота водонапорной башни
(3.25)
где – сумма потерь напора на всех участках магистральной линии;
– отметка оси трубопровода у водонапорной башни.
Затем проверяются свободные напоры для каждой узловой точки магистральной линии и если в какой-либо точке он оказался меньше допустимого, следует внести в расчеты коррективы, увеличив соответственно отметку пьезометрической линии в конце магистрали.
После расчета магистральной линии следует выполнить расчет ветвей, который сводится к определению диаметра каждой ветви при заданной ее длине, расчетном расходе и напоре. Последний определяется из условия
(3.26)
где – отметка пьезометрической линии в i-м узле магистрали, от которого отходит ветвь;
– отметка оси трубопровода в конце i-й ветви.
Методика определения диаметра трубопровода изложена в п. 3.1 (3-й тип).
2-й случай
. Для данного случая, кроме исходных данных, описанных в 1-м случае, общий напор магистральной линии задан и определяется из условия
(3.27)
При известной суммарной длине магистральной линии средний гидравлический уклон ее определится по выражению
(3.28)
где – суммарная длина магистральной линии.
При известных Jср
и расчетных расходах Qi
на участках магистральной линии по формуле (3.3) вычисляются значения расходных характеристик ki
для каждого ее участка. Каждому вычисленному значению ki
соответствует определенный диаметр di
трубы участка магистрали. Однако этот диаметр лишь в редких случаях совпадает со стандартным диаметром труб, выпускаемых промышленностью. Чаще всего оказывается, что
d1
< di
< d2
, (3.29)
где d1
– ближайший меньший диаметр стандартной трубы с расходной характеристикой k1
< ki
;
d2
– ближайший больший диаметр стандартной трубы с расходной характеристикой k2
> ki
.
Если все участки магистральной линии запроектировать из труб с d1
< di
, то фактические потери напора окажутся больше, чем заданные Н, что недопустимо, хотя в этом случае стоимость ее будет минимальной. Если же все участки магистрали запроектировать из труб с d2
> di
, то фактические потери напора окажутся меньше, чем заданные Н и стоимость ее будет максимальной. В этом случае имеющийся напор Н не будет использован полностью, что не рекомендуется. Поэтому следует на одних участках магистральной линии принимать трубы с d1
< di
, а на других – d2
> di
, так чтобы в общем итоге иметь вариант, при котором наилучшим образом используется заданный напор Н. Такой подбор диаметров труб магистральной линии обеспечит ее минимальные затраты материала.
Расчет ветвей распределительной сети, а следовательно, и расчетных напоров выполняется аналогично, как в 1-м случае.
Более подробно методику гидравлического расчета разомкнутых водопроводных сетей рассмотрим на примерах.
Пример 3.2.
Для расчетной схемы, показанной на рис. 3.2, выполнить гидравлический расчет разомкнутой водопроводной сети, являющейся составной частью проектируемой автономной системы сельскохозяйственного водоснабжения.
Определить экономически наивыгоднейшие диаметры труб из условия пропуска расчетных расходов и обеспечения свободного напора в узловых точках Нсв
= 12,0 м, а также отметку уровня воды в водонапорной башне или пьезометрического напора в гидроаккумуляторе водоподъемной установки.
Расчеты выполнить для условий, если трубы чугунные новые, базовые величины Q = 4,0 л/с и l
= 150 м, отметки заложения оси трубопровода в узловых точках показаны на схеме (см. рис.3.2).
Решение.
Для каждого участка водопроводной сети по зависимости (3.8) вычисляются расчетные расходы:

Рис. 3.2. Схема разомкнутой водопроводной сети.
QБА
= 2Q + 3Q + 1,5Q + Q + 0,80Q + 1,2Q + 2,4Q = 11,9Q =
=11,9×4,0 = 47,6 л/с;
QAB
= 2Q + 3Q + 1,5Q = 6,5Q = 6,5×4,0 = 26,0 л/с;
QВС
= 2Q + 0,55×3Q = 3,65Q = 3,65×4,0 = 14,6 л/с;
QAD
= Q + 0,8Q + 0,55×1,2Q = 2,46Q = 2,46×4,0 = 9,84 л/с;
QDE
= Q = 4,0 л/с;
QA
М
= 2,4Q = 2,4×4,0 = 9,6 л/с.
По указанным ранее критериям выбирается магистральная линия водопроводной сети. Для данной схемы ею может быть линия БАВС или БАDЕ, которые имеют соответственно длину l
Б-С
= 4 l
= 4×150 = = 600 м и l
Б-Е
= 4,2 l
= 4,2×150 = 630 м. Из вышеприведенных расчетов видно, что по участкам линии АВС проходят значительно большие по величине расчетные расходы, чем по линии АDE (см. рис.3.2). Из расчетной зависимости (3.7) видно, что потери напора по длине потока зависят от расчетного расхода во второй степени. Поэтому является очевидным, что они на линии АВС будут большими, чем на линии ADE и за магистральную принимается линия БАВС.
Теперь по зависимости (3.15) рассчитываются экономически наивыгоднейшие диаметры труб по магистральной линии водопроводной сети и округляются до ближайших большего или меньшего стандартных диаметров согласно табл. 8 приложения:

принимается dBC
= 150 мм;

принимается dAB
= 150 мм;

принимается dБА
= 200 мм,
где kэ
– коэффициент, учитывающий материал трубопровода и экономические факторы, влияющие на строительство и эксплуатацию трубопровода. Принят согласно рекомендациям к формуле (3.15).
По формуле (3.7) рассчитываются потери напора на каждом участке магистральной линии. Так как для каждого участка трубопровода расчеты выполняются по одинаковой методике, то они приводятся в табличной форме (табл. 3.3).
Т а б л и ц а 3.3. Расчет потерь напора на участках магистральной линии
| Наименование
участка
|
Расчетный расход
Q, л/с
|
Диаметр трубы
d, мм
|
Площадь сечения
w, дм2
·10
|
Средняя скорость
потока V, м/с
|
Квадратичная
скорость Vкв
, м/с
|
Поправочный
коэффициент
на зону
сопротив-ления Q2
|
Длина участка
трубопровода
l
, м
|
Удельное
сопротивление
Акв
, с2
/л2
|
Потери напора
по длине hдл
, м
|
Полные потери
напора hтр
, м
|
| БА
|
47,6
|
200
|
31,416
|
1,52
|
3,10
|
1,135
|
300
|
0,00647
|
4,99
|
5,49
|
| АВ
|
26,0
|
150
|
17,671
|
1,47
|
2,95
|
1,146
|
315
|
0,02957
|
7,22
|
7,94
|
| ВС
|
14,6
|
150
|
17,671
|
0,83
|
2,95
|
1,270
|
285
|
0,02957
|
2,28
|
2,51
|
Зная величину потерь напора, по формуле (3.23) определяют отметки пьезометрической линии магистрали в узловых точках:



Тогда высота водонапорной башни составит

или пьезометрический напор в гидроаккумуляторе водоподъемной установки
рБ
= rgHБ
= 1000 × 9,81 × 25,94 = 254,5 кПа.
Теперь определим диаметры труб тупиковых линий. Предварительно рассмотрим тупиковую линию АМ. Определим для нее величину напора

и гидравлический уклон
JАМ
= НАМ
/l
A
М
= 10,95/(1,8×150) = 0,0406.
Из формулы (3.6) определяется расчетная расходная характеристика:

Из табл. 8 приложения для чугунных новых труб для данной расходной характеристики соответствует больший стандартный диаметр d1
= 100 мм и меньший – d2
= 75 мм.
Для достижения минимальной массы труб тупиковую линию АМ выполним из двух вышеуказанных диаметров. Длину трубы диаметром d1
= 100 мм определим по зависимости (3.9):
 

Длину трубы диаметром d2
= 75 мм определим по зависимости (3.10)
 
Для контроля проверим общую длину трубопровода тупиковой линии АМ:
l
АМ
= l
АМ1
+ l
АМ2
= 215 + 55 = 270 м,

что соответствует действительной длине и указывает на достоверность расчета.
Теперь выполним расчет тупиковой линии ADE. Определим для нее также величину напора
 

и средний гидравлический уклон
  

Из формулы (3.6) определим расчетные расходные характеристики для каждого участка тупиковой линии ADE:



Из табл. 8 приложения для чугунных новых труб для данных расходных характеристик соответствуют больший и меньший стандартные диаметры труб для каждого участка тупиковой линии ADE:
участок DE d1
= 100 мм и d2
= 75 мм;
участок АD d1
= 125 мм и d2
= 100 мм.
По формуле (3.7) рассчитаем потери напора на каждом участке тупиковой линии ADE для каждого диаметра. Расчеты выполняются в табличной форме (табл. 3.4).
Анализ потерь напора на участках тупиковой линии ADE (см. табл. 3.4) показывает, что на участке АD диаметр трубы должен быть dА
D
= 125 мм, а на участке DE – dDE
= 100 мм. Сочетание других диаметров труб на тупиковой линии дают большую величину, чем действующий напор НА-Е
= 9,55 м.
Т а б л и ц а 3.4. Расчет потерь напора на участках тупиковой линии А
DE
| Наименование
участка
|
Расчетный расход
Q, л/с
|
Диаметр трубы
d, мм
|
Площадь сечения
w, дм2
·10
|
Средняя скорость потока V, м/с
|
Квадратичная
скорость Vкв
, м/с
|
Поправочный
коэффициент
на зону
сопротив-ления Q2
|
Длина участка
трубопровода
l
, м
|
Удельное
сопротивление
Акв
, с2
/л2
|
Потери напора
по длине hдл
, м
|
Полные потери
напора hтр
, м
|
| AD
|
9,84
|
125
|
12,272
|
0,80
|
2,88
|
1,28
|
360
|
0,07763
|
3,46
|
3,81
|
| 9,84
|
100
|
7,854
|
1,25
|
2,80
|
1,17
|
360
|
0,25316
|
10,32
|
11,36
|
| DE
|
4,0
|
100
|
7,854
|
0,51
|
2,80
|
1,42
|
270
|
0,25316
|
1,55
|
1,71
|
| 4,0
|
75
|
4,418
|
0,90
|
2,65
|
1,25
|
270
|
1,1672
|
6,30
|
6,93
|
Ответ: НБ
= 25,94 м; dБА
= 200 мм; dАВ
= dВС
= 150 мм;
dAD
= 125 мм; dDE
= 100 мм; d1
АМ
= 100 мм; d2
АМ
= 75мм; l
A
М1
= 215 м; l
АМ2
= 55 м.
Пример 3.3
. Для расчетной схемы, показанной на рис. 3.3, выполнить гидравлический расчет разомкнутой водопроводной сети, являющейся составной частью проектируемой автономной системы сельскохозяйственного водоснабжения.
Определить диаметры труб из условия пропуска расчетных расходов и обеспечения свободного напора в узловых точках Нсв
= 10,0 м, если свободный напор в пункте Б Нсв
Б
= 25,0 м.
Расчеты выполнить для условий, если трубы стальные новые, базовые величины Q = 3,0 л/с и l
= 120 м, отметки заложения оси трубопровода в узловых точках показаны на схеме (см. рис. 3.3).
Решение.
Для каждого участка водопроводной сети по зависимости (3.8) вычисляются расчетные расходы:

Рис. 3.3. Схема разомкнутой водопроводной сети.
QБА
= 2Q + 2,6Q + 1,5Q + Q + 1,2Q + 1,4Q + 0,8Q + 2Q = 12,5Q =
= 12,5 × 3,0 = 37,5 л/с;
QАБ
= 2Q + 2,6Q + 1,5Q = 6,1Q = 6,1 × 3,0 = 18,3 л/с;
QBC
= 2Q + 0,55 × 1,4Q + 2Q + 0,8Q = 5,77Q = 5,77 × 3,0 = 17,31 л/с;
QDE
= Q = 3,0 л/с;
QDM
= 0,8Q + 0,55×2Q = 1,9Q = 1,90 × 3,0 = 5,7 л/с.
По указанным ранее критериям выбирается магистральная линия водопроводной сети. Для данной схемы магистральной линией могут быть участки АВС, ADE и ADM.
Анализ этих участков водопроводной сети показывает, что линия АВС имеет наибольшую длину, т.е. l
A
-
C
= 5l
= 5×120 = 600м, и расчетные расходы по участкам. Поэтому для данной схемы за магистральную линию следует принять линию БАВС.
Для магистральной линии определим величину действующего напора
НБ-С
= Ñп
Б
– Ñп
С
= (Ñо
Б
+ Нсв
Б
) – (Ñо
С
+ Нсв
) =
= (46,0 + 25,0) – (44,2 + 10,0) = 16,8 м
и средний гидравлический уклон
.
Из формулы (3.6) определяются расчетные расходные характеристики для каждого участка магистральной линии:



Из табл. 8 приложения для стальных новых труб по данным расходным характеристикам принимаются большие и меньшие стандартные диаметры труб:
участок БА d1
= 200 мм и d2
= 150 мм;
участок АВ d1
= 150 мм и d2
= 125 мм;
участок ВС d1
= 125 мм и d2
= 100 мм.
По формуле (3.7) рассчитываются потери напора на каждом участке магистральной линии для большего и меньшего диаметров труб. Так как расчеты выполняются для каждого участка по одинаковой методике, то они ведутся в табличной форме (табл. 3.5).
Т а б л и ц а 3.5. Расчет
потерь напора на участках магистральной линии
| Наименование
участка
|
Расчетный расход
Q, л/с
|
Длина участка
трубопровода l
, м
|
Диаметр трубы
d, мм
|
Площадь сечения
w, дм2
·10
|
Средняя скорость потока V, м/с
|
Квадратичная
скорость Vкв
, м/с
|
Поправочный
коэффициент
на зону сопротив-ления Q2
|
Удельное
сопротивление
Акв
, с2
/л2
|
Потери напора
по длине hдл
, м
|
Полные потери
напора hтр
, м
|
| БА
|
37,5
|
300
|
200
|
31,416
|
1,19
|
3,50
|
1,080
|
0,00631
|
2,87
|
3,02
|
| 150
|
17,671
|
2,12
|
3,35
|
1,036
|
0,02881
|
12,59
|
13,22
|
| АВ
|
18,3
|
240
|
150
|
17,671
|
1,04
|
3,35
|
1,095
|
0,02881
|
2,54
|
2,66
|
| 125
|
12,272
|
1,49
|
3,28
|
1,065
|
0,07548
|
6,46
|
6,78
|
| ВС
|
10,29
|
360
|
125
|
12,272
|
0,84
|
3,28
|
1,114
|
0,07548
|
3,20
|
3,36
|
| 100
|
7,854
|
1,31
|
3,20
|
1,075
|
0,24624
|
10,09
|
10,59
|
На основании вычисленных потерь напора на участках магистральной линии определяются их диаметры труб. Для этого берутся различные, наиболее приемлемые из условия потерь напора варианты сочетания диаметров труб по магистральной линии (табл. 3.6).
Т а б л и ц а 3.6. Определение диаметра труб на участках магистральной линии
| Наименование участка
|
Диаметр труб
d, мм
|
Потери напора при сочетании диаметра труб на участках магистральной линии
|
| 1
|
2
|
3
|
4
|
5
|
6
|
| БА
|
200
|
3,02
|
3,02
|
–
|
3,02
|
3,02
|
–
|
| 150
|
–
|
–
|
13,22
|
–
|
–
|
13,22
|
| АВ
|
150
|
2,66
|
–
|
2,66
|
2,66
|
–
|
–
|
| 125
|
–
|
6,78
|
–
|
–
|
6,78
|
6,78
|
| ВС
|
125
|
3,36
|
3,36
|
3,36
|
–
|
–
|
3,36
|
| 100
|
–
|
–
|
–
|
10,59
|
10,59
|
–
|
| Сумма потерь напора по варианту сочетания Н, м
|
9,04
|
13,16
|
19,24
|
16,27
|
20,39
|
23,36
|
За расчетный принимается вариант, в котором наилучшим образом используется величина расчетного напора НБ-С
= 16,8 м по магистральной линии. Как видно из табл. 3.6, этому условию соответствует четвертый вариант, при котором диаметры труб на участках магистральной линии принимаются за расчетные: dБА
= 200 мм; dАВ
= 150мм; dBC
= 100 мм.
Определив диаметры труб магистральной линии, а, следовательно, и потери напора, по формуле (3.23) вычисляются отметки пьезометрической линии магистрали в узловых точках:




Свободный напор в узловой точке С составит

что несколько больше требуемого Нсв
= 10,0 м.
Теперь выполним расчет тупиковых линий по направлению АД. Так как они расходятся по двум линиям, т.е. DE и DM (см. рис. 3.3), то в этом случае тупиковые линии делятся на первый и второй порядок. Выбор тупиковой линии первого порядка производится аналогично, как и магистральной линии. Из расчетной схемы (см. рис. 3.3) видно, что тупиковой линией первого порядка является линия ADM, расчет которой выполняется в первую очередь.
Определим для нее величину действующего напора

и средний гидравлический уклон по линии

Из формулы (3.6) определим расчетные расходные характеристики для каждого участка тупиковой линии ADM:


Из табл. 8 приложения для стальных новых труб для данных расходных характеристик определяют больший и меньший стандартные диаметры труб для каждого участка тупиковой линии ADM:
участок AD d1
= 125 мм и d2
= 100 мм;
участок DM d1
= 100 мм и d2
= 75 мм.
По формуле (3.7) рассчитываются потери напора на каждом участке тупиковой линии ADM для каждого диаметра. Так как расчеты выполняются по одной методике, то они ведутся в табличной форме (табл. 3.7).
Т а б л и ц а 3.7. Расчет потерь напора на участках тупиковой линии
| Наименование
участка
|
Расчетный
расход Q, л/с
|
Длина участка
трубопровода l
,м
|
Диаметр трубы
d, мм
|
Площадь сечения
ω, дм2
·10
|
Средняя скорость
потока v, м/с
|
Квадратичная
скорость vкв
, м/с
|
Поправочный
коэффициент на зону сопротивления Q2
|
Удельное сопротив-
ление Акв
, с2
/л2
|
Потери напора по
длине hдл
, м
|
Полные потери
напора hтр
, м
|
| АД
|
17,31
|
180
|
125
|
12,272
|
1,41
|
3,28
|
1,070
|
0,07548
|
4,36
|
4,57
|
| 100
|
7,854
|
2,20
|
3,20
|
1,034
|
0,24624
|
13,73
|
14,42
|
| ДМ
|
5,7
|
240
|
100
|
7,854
|
0,73
|
3,20
|
1,132
|
0,24624
|
2,17
|
2,28
|
| 75
|
4,418
|
1,29
|
3,00
|
1,075
|
1,1337
|
9,50
|
9,98
|
Анализ потерь напора на участках тупиковой линии ADM (см. табл. 3.7) показывает, что на участке AD диаметр трубы должен быть dAD
= 125 мм, а на участке DM – dDM
= 100мм. Сочетания других диаметров труб на тупиковой линии дают общие потери напора значительно большую величину, чем действующий напор НА-М
= 13,08 м.
Теперь рассчитаем тупиковую линию второго порядка DE, для чего определим величину действующего напора

и гидравлический уклон

Из формулы (3.6) определим расчетную расходную характеристику

Для данной расходной характеристики из табл.8 приложения для стальных новых труб принимается больший d1
=75 мм и меньший d2
=50 мм диаметры труб.
Для достижения минимальной массы труб тупиковую линию DE выполним из двух вышеуказанных диаметров. Длину трубы диаметром d1
=75 мм определим по зависимости (3.9):

Длину трубы диаметром d2
= 50 мм определим по зависимости (3.10):

где  – удельные сопротивления для труб соответственно диаметром d1
= 75 мм и d2
= 50 мм.
Для контроля проверим общую длину трубопровода тупиковой линии DE:

что соответствует действительной длине и указывает на достоверность расчета.
Ответ: dБА
= 200 мм; dАБ
= 150 мм; dBC
= 100 мм; DА
D
= 125 мм;
dDM
= 100 мм; d1
DE
= 75 мм; l
DE1
= 79 м; d2
DE
= 50 мм; l
DE
= 137м.
Более полно решение задач по этой теме приводится в литературе [3,c.99–127; 4, с.113–137].
Приложение
Т а б л и ц а 1. Плотность и удельный вес жидкости
| Жидкость
|
t, ºC
|
r, кг/м3
|
g, Н/м3
|
| Алкоголь (безводный)
|
20
|
795
|
7799
|
| Бензин
|
15
|
680–740
|
6671–7259
|
| Вода: дистиллированная
|
4
|
1000
|
9810
|
| морская
|
4
|
1020–1030
|
10006–10104
|
| Глицерин (безводный)
|
15
|
1270
|
11772
|
| Керосин
|
15
|
790–820
|
7750–8044
|
| Масло: машинное
|
20
|
898
|
8809
|
| смазочное
|
15
|
890–960
|
8731–9418
|
| соляровое
|
15
|
880–890
|
8633–8731
|
| трансформаторное
|
20
|
887–896
|
8701–8790
|
| Молоко цельное
|
20
|
1029
|
10094
|
| Нефть натуральная
|
15
|
700–900
|
6867–8829
|
| Пиво
|
15
|
1040
|
10202
|
| Ртуть
|
20
|
13546
|
132886
|
| Серная кислота (87 %)
|
15
|
1800
|
17658
|
| Спирт этиловый
|
15–18
|
790
|
7750
|
| Чугун расплавленный
|
1200
|
7000
|
68670
|
Т а б л и ц а 2. Кинематическая вязкость
n
, Ст (см2
/с) пресной воды
| t, ºC
|
n
|
t, º C
|
n
|
t, ºC
|
n
|
| 1
|
0,017321
|
11
|
0,012740
|
22
|
0,009892
|
| 2
|
0,016740
|
12
|
0,012396
|
24
|
0,009186
|
| 3
|
0,016193
|
13
|
0,0126067
|
26
|
0,008774
|
| 4
|
0,015676
|
14
|
0,011756
|
28
|
0,008394
|
| 5
|
0,015188
|
15
|
0,011453
|
30
|
0,008032
|
| 6
|
0,014726
|
16
|
0,011177
|
35
|
0,007251
|
| 7
|
0,014289
|
17
|
0,010888
|
40
|
0,006587
|
| 8
|
0,013873
|
18
|
0,010617
|
45
|
0,006029
|
| 9
|
0,013479
|
19
|
0,010356
|
50
|
0,005558
|
| 10
|
0,013101
|
20
|
0,010105
|
60
|
0,004779
|
Т а б л и ц а 3. Кинематическая вязкость некоторых жидкостей
| Жидкость
|
t,ºC
|
n, Ст (см2
/с)
|
| Бензин
|
18
|
0,0065
|
| Глицерин:
|
| 50%-ный водный раствор
|
20
|
0,0598
|
| 86%-ный водный раствор
|
20
|
1,0590
|
| Дизельное топливо (ГОСТ 305–82)
|
20
|
0,018–0,060
|
| Керосин
|
18
|
0,025
|
| Мазут топочный (ГОСТ 1058–75)
|
80
|
0,438–1,18
|
| Нефть:
|
| легкая
|
18
|
0,250
|
| тяжелая
|
18
|
1,400
|
| Масло:
|
| авиационное ИС-20С
|
50
|
1,520
|
| МС-20
|
50
|
1,510
|
| автотракторное АК-15
|
50
|
1,24
|
| для гидравлических систем АМГ-10
|
50
|
0,11
|
| индустриальное И-20
|
50
|
0,18
|
| И-45
|
50
|
0,42
|
| Ртуть
|
15
|
0,0011
|
| Скипидар
|
16
|
0,0183
|
| Спирт этиловый безводный
|
20
|
0,0151
|
| Сталь жидкая (0,3 % С)
|
1550
|
0,0037
|
Т а б л и ц а 5. Значения высоты выступов шероховатости
D
и коэффициента шероховатости
n
*
| № п.п.
|
Характеристика поверхности труб
|
D, мм
|
n
|
| Цельнотянутые трубы
|
| 1.
|
Новые стальные
|
0,02–0,10
|
0,010
|
| 2.
|
Стальные для водяных систем отопления
|
0,20
|
0,011
|
| 3.
|
Стальные нефтепроводы для средних условий
эксплуатации
|
0,20
|
0,011
|
| 4.
|
Стальные водопроводные, находящиеся в эксплуатации
|
1,20–1,50
|
0,014
|
| Чугунные трубы
|
| 5.
|
Новые
|
0,25–1,00
|
0,012
|
| 6.
|
Водопроводные, бывшие в эксплуатации
|
1,40
|
0,014
|
| 7.
|
Бывшие в эксплуатации, корродированные
|
1,00–1,50
|
0,013
|
| 8.
|
Со значительными отложениями
|
2,00–4,00
|
0,020
|
| Бетонные, асбестоцементные и другие трубы
|
| 9.
|
Бетонные трубы при хорошей поверхности с затиркой
|
0,30–0,80
|
0,012
|
| 10.
|
Железобетонные трубы
|
2,50
|
0,017
|
| 11.
|
Асбестоцементные трубы, новые
|
0,05–0,10
|
0,010
|
| 12.
|
Асбестоцементные трубы, бывшие в эксплуатации
|
0,60
|
0,012
|
| 13.
|
Цементные трубы при необработанной поверхности
|
1,00–2,00
|
0,015
|
| 14.
|
Трубы из чистого стекла
|
0,002–0,01
|
0,009
|
*Данные взяты из Справочника по гидравлическим сопротивлениям / И.Е. Идельчик М.– Л.: Госэнергоиздат, 1960.
Т а б л и ц а 6. Значения условных проходов
d
и расчетных внутренних диаметров
d
р
труб из различных материалов
| Трубы стальные водогазо-
проводные
ГОСТ
3262–75
|
Трубы стальные электросварные
ГОСТ
10704–76
|
Трубы чугунные напорные
ГОСТ 9583–75,
ГОСТ
21053–75
|
Трубы асбестоцемент-
ные напорные
ГОСТ 539–73
|
Трубы пластмассовые
напорные
ГОСТ
18599–73
|
| Класс
ЛА
|
Класс
А
|
ВТ 3,
ВТ 6,
ВТ 9
|
ВТ 12
|
Тип Т
|
| d,мм
|
dp
,мм
|
d,мм
|
dp
,мм
|
dр
,мм
|
dp
,мм
|
dр
,мм
|
dp
,мм
|
d,мм
|
dp
,мм
|
| 6
|
5,2
|
50
|
64
|
51,6
|
50
|
10
|
8,2
|
| 8
|
8,1
|
60
|
70
|
–
|
–
|
12
|
10,0
|
| 10
|
11,6
|
75
|
83
|
66,6
|
75
|
16
|
14,0
|
| 15
|
14,7
|
80
|
95
|
82,6
|
–
|
20
|
18,0
|
| 20
|
20,2
|
100
|
114
|
102,0
|
100
|
25
|
22,7
|
| 25
|
26,1
|
125
|
133
|
127,2
|
119
|
32
|
29,1
|
| 32
|
34,9
|
150
|
158
|
152,4
|
141
|
135
|
40
|
36,3
|
| 40
|
40,0
|
175
|
170
|
–
|
–
|
–
|
50
|
45,4
|
| 50
|
52,0
|
200
|
209
|
202,6
|
189
|
181
|
63
|
57,2
|
| 65
|
66,5
|
250
|
260
|
253,0
|
235
|
228
|
75
|
68,1
|
| 80
|
79,5
|
300
|
311
|
304,4
|
279
|
270
|
90
|
81,8
|
| 90
|
92,3
|
350
|
363
|
352,4
|
322
|
312
|
110
|
100,0
|
| 100
|
104,0
|
400
|
412
|
401,4
|
368
|
356
|
140
|
127,2
|
| 125
|
130,0
|
450
|
466
|
450,6
|
–
|
–
|
160
|
145,4
|
| 150
|
155,0
|
500
|
516
|
500,8
|
456
|
441
|
180
|
163,0
|
| 600
|
616
|
600,2
|
200
|
181,4
|
| 700
|
706
|
699,4
|
225
|
203,8
|
| 800
|
804
|
799,8
|
250
|
221,5
|
| 900
|
904
|
899,2
|
280
|
253,6
|
| 1000
|
1004
|
998,4
|
Тип С
|
315
|
285,0
|
| 1200
|
1202
|
1199,2
|
355
|
321,0
|
| 1400
|
1400
|
400
|
361,0
|
| 1500
|
1500
|
450
|
406,0
|
Т а б л и ц а 7. Коэффициенты истечения для разных насадков.
| Тип насадка
|
Значения коэффициентов
|
| сжатия
e
|
расхода
m
|
скорости
j
|
потерь
x
|
| Внешний цилиндрический

|
1,00
|
0,82
|
0,82
|
0,50
|
| Внутренний цилиндрический

|
1,00
|
0,71
|
0,71
|
1,00
|
| Коноидальный (сопло)

|
1,00
|
0,97
|
0,97
|
0,06
|
| Конически сходящийся при угле конусности
q = 13о
24¢

|
0,98
|
0,94
|
0,96
|
0,07
|
| Конически расходящийся при угле конусности q = 5–7о

|
1,00
|
0,45–0,50
|
0,45–0,50
|
4,0–3,0
|
| Комбинированный при угле конусности q = 5о
30¢
и степени расширения n = w/w1
= 8,7

|
1,00
|
2,40*
|
0,27
|
12,8
|
*
Рассчитано по площади w1.
ЛИТЕРАТУРА
1. Ш т е р е н л и х т Д. В. Гидравлика / Д.В. Штеренлихт. М.: Энергоатомиздат, 2004. 640 с.: ил.
2. Гидравлика, гидромашины и гидроприводы / Т.М. Башта и др. 2-е изд. М.: Машиностроение, 1982. 423 с.
3. Примеры расчетов по гидравлике / А.Д. Альтшуль и др. М.: Стройиздат, 1976. 255 с.: ил.
4. Примеры гидравлических расчетов / А.И. Богомолов и др. 2-е изд., перераб. и доп. М.: Транспорт, 1977. 526 с.: ил.
5. В и л ь н е р Я. М. Справочное пособие по гидравлике, гидромашинам и гидроприводам / Я.М Вильнер, Я.Т. Ковалев, Б.Б. Некрасов. Минск: Вышэйш. шк., 1985. 382 с.: ил.
6. Справочник по гидравлическим расчетам / под ред. П.Г. Киселева. 5-е изд. М.: Энергия, 1974. 313 с.: ил.
7. И д е л ь ч и к И. Е. Справочник по гидравлическим сопротивлениям / И.Е. Идельчик. М.: Машиностроение, 1975. 559 с.: ил.
СОДЕРЖАНИЕ
| Введение. . . . . . . . . . . . . . . . . . . . . . . . . . . . . . . . . . . . . . . . . . . . . . . . . . . . . . . . .
|
3
|
| 1. Равновесие жидкости, давление на поверхности ее ограждающие и на тела в нее погруженные. . . . . . . . . . . . . . . . . . . . . . . . . . . . . . . . . . . . . . . . . . . . . . . . . . . . . .
|
4
|
| 1.1. Равновесие однородной несжимаемой жидкости относительно Земли .
|
4
|
| 1.2. Относительный покой (равновесие) жидкости . . . . . . . . . . . . . . . . . . . . .
|
8
|
| 1.3. Сила давления покоящейся жидкости на плоские поверхности . . . . . . .
|
11
|
| 1.4. Сила давления покоящейся жидкости на криволинейные поверхности
|
25
|
| 1.5. Простые гидравлические машины . . . . . . . . . . . . . . . . . . . . . . . . . . . . . . .
|
31
|
| 1.6. Плавание тел в жидкости и их остойчивость . . . . . . . . . . . . . . . . . . . . . .
|
33
|
| 1.7. Указания к решению задач . . . . . . . . . . . . . . . . . . . . . . . . . . . . . . . . . . . . .
|
37
|
| 2. Гидравлический расчет потоков при истечении жидкости из отверстий, насадков и коротких трубопроводов. Гидравлический удар в трубопроводе . . . . .
|
38
|
| 2.1. Уравнение Бернулли. Определение потерь удельной энергии в потоке
|
38
|
| 2.2. Типы задач при гидравлическом расчете трубопроводов . . . . . . . . . . . .
|
43
|
| 2.3. Методики гидравлического расчета гидравлически коротких трубопровод . . . . . . . . . . . . . . . . . . . . . . . . . . . . . . . . . . . . . . . . . . . . . . . . . . . . . . . . . . .
|
44
|
| 2.4. Задачи первого типа . . . . . . . . . . . . . . . . . . . . . . . . . . . . . . . . . . . . . . . . . . .
|
46
|
| 2.5. Задачи второго типа . . . . . . . . . . . . . . . . . . . . . . . . . . . . . . . . . . . . . . . . . . .
|
49
|
| 2.6. Задачи третьего типа . . . . . . . . . . . . . . . . . . . . . . . . . . . . . . . . . . . . . . . . . .
|
55
|
| 2.7. Истечение жидкости через отверстия и насадки при постоянном и переменном напорах . . . . . . . . . . . . . . . . . . . . . . . . . . . . . . . . . . . . . . . . . . . . . . . . . .
|
60
|
| 2.8. Гидравлический удар в напорном трубопроводе . . . . . . . . . . . . . . . . . . .
|
68
|
| 2.9. Указания к решению задач . . . . . . . . . . . . . . . . . . . . . . . . . . . . . . . . . . . . .
|
72
|
| 3. Гидравлический расчет длинных трубопроводов и разомкнутых водопроводных сетей . . . . . . . . . . . . . . . . . . . . . . . . . . . . . . . . . . . . . . . . . . . . . . . . . . .
|
74
|
| 3.1.Гидравлический расчет простого длинного трубопровода . . . . . . . . . . .
|
74
|
| 3.2. Расчет экономически наивыгоднейшего диаметра трубопровода . . . . .
|
77
|
| 3.3. Гидравлический расчет длинных трубопроводов при последовательном и параллельном соединениях труб разных диаметров . . . . . . . . . . . . . . . .
|
80
|
| 3.4. Расчет разомкнутых водопроводных сетей . . . . . . . . . . . . . . . . . . . . . . . .
|
89
|
| Приложение . . . . . . . . . . . . . . . . . . . . . . . . . . . . . . . . . . . . . . . . . . . . . . . . . . . . . . .
|
103
|
| Литература . . . . . . . . . . . . . . . . . . . . . . . . . . . . . . . . . . . . . . . . . . . . . . . . . . . . . . . .
|
114
|
У ч е б н о е и з д а н и е
Николай Федорович Гульков
| Святослав Иванович Понасенко
|
ГИДРАВЛИКА
Учебно-методическое пособие
Редактор Е.В. Ковалева
Техн. редактор Н.К. Шапрунова
Корректор Л.А. Малеванкина
ЛИ №348 от 09.06.2004. Подписано в печать 11. 04. 2007.
Формат 60 × 84 1
/16
. Бумага для множительных аппаратов.
Печать ризографическая. Гарнитура "Таймс".
Усл. печ. л. 6,74. Уч.-изд. л. 6,48.
Тираж 200 экз. Заказ . Цена 8080 руб.
______________________________________________________________________
Редакционно-издательский отдел БГСХА
213407, г. Горки Могилевской обл., ул. Студенческая, 2
Отпечатано в отделе издания учебно-методической литературы и ризографии БГСХА
г. Горки, ул. Мичурина, 5
|