| Министерство образования и науки Российской Федерации
Саратовский государственный технический университет
Балаковский институт техники, технологии и управления
Теория автоматического управления
Методические рекомендации по выполнению контрольных работ № 1, 2
по курсу «Теория автоматического управления»
для студентов специальностей 120100 заочной формы обучения
Одобрено
редакционно-издательским советом
Балаковского института техники,
технологии и управления
Балаково 2009
ВВЕДЕНИЕ
По курсу «Теория автоматического управления» выполняется две контрольных работы в течении двух семестров, цель которых проверить усвоение студентами содержания курса и приобретение навыков сознательного использования полученных знаний в инженерной практике.
Каждая контрольная работа состоит из 4 заданий. Студент определяет варианты заданий по 2 последним цифрам шифра зачетной книжки. Последняя цифра определяет номер варианта для нечетных заданий (1, 3), а предпоследняя – номер варианта для четных заданий (2, 4). Например, студент, имеющий шифр 256345, выполняет вариант 5 для заданий 1, 3 и 4 вариант для заданий 2, 4, а имеющий шифр 1761020 выполняет вариант 10 для заданий 1, 3 и 2 вариант для заданий 2, 4.
ТРЕБОВАНИЯ, ПРЕДЪЯВЛЯЕМЫЕ К СОДЕРЖАНИЮ
И ОФОРМЛЕНИЮ КОНТРОЛЬНОЙ РАБОТЫ
Содержание контрольной работы должно соответствовать установленному варианту. Никакие произвольные отклонения от порядка выбора задания не допускаются и контрольные варианты, выполненные не на тему или с отклонениями от нее, не засчитываются.
Контрольные задания выполняют в письменном виде. Текст вопросов должен быть написан перед ответом на вопрос и подчеркнут. Ответы на вопросы контрольных заданий должны быть четкими и ясными, основываться на теоретических положениях, изложенных в рекомендуемых учебниках, иллюстрироваться схемами, эскизами и чертежами. Ответы на вопросы контрольных заданий следует давать своими словами, а не переписывать соответствующий текст учебника или учебного пособия. Эскизы, схемы и чертежи должны выполняться от руки в масштабе с указанием основных размеров, сечений и разрезов по правилам Единой системы конструкторской документации (ЕСКД). Страницы контрольной работы, таблицы и рисунки пронумеровать, при этом рисунки, эскизы и схемы должны иметь поясняющие подписи.
Забиваем Сайты В ТОП КУВАЛДОЙ - Уникальные возможности от SeoHammer
Каждая ссылка анализируется по трем пакетам оценки: SEO, Трафик и SMM.
SeoHammer делает продвижение сайта прозрачным и простым занятием.
Ссылки, вечные ссылки, статьи, упоминания, пресс-релизы - используйте по максимуму потенциал SeoHammer для продвижения вашего сайта.
Что умеет делать SeoHammer
— Продвижение в один клик, интеллектуальный подбор запросов, покупка самых лучших ссылок с высокой степенью качества у лучших бирж ссылок.
— Регулярная проверка качества ссылок по более чем 100 показателям и ежедневный пересчет показателей качества проекта.
— Все известные форматы ссылок: арендные ссылки, вечные ссылки, публикации (упоминания, мнения, отзывы, статьи, пресс-релизы).
— SeoHammer покажет, где рост или падение, а также запросы, на которые нужно обратить внимание.
SeoHammer еще предоставляет технологию Буст, она ускоряет продвижение в десятки раз,
а первые результаты появляются уже в течение первых 7 дней.
Зарегистрироваться и Начать продвижение
На страницах работы оставить поля для замечаний рецензента. Объем выполняемого задания – 20-22 страницы стандартной ученической тетради. В конце выполняемого задания студент приводит список использованной литературы, указывает дату выполнения работы и ставит свою подпись.
Если работа не зачтена, то она посылается на повторное выполнение. Без выполненной контрольной работы студенты не допускаются к экзамену. Исправленная контрольная работа сдается в деканат.
ЗАДАНИЯ К КОНТРОЛЬНОЙ РАБОТЕ № 1
| Задания
Вариант
|
№ 1
|
№ 2
|
№ 3
|
№ 4
|
| A
|
B
|
C
|
D
|
E
|
| 1
|
2
|
3
|
-5
|
-7
|
5
|
2.1
|
Рис. 1
|
4.1
|
| 2
|
4
|
7
|
-2
|
6
|
2
|
2.2
|
Рис.2
|
4.2
|
| 3
|
5
|
-5
|
-6
|
4
|
4
|
2.3
|
Рис.3
|
4.3
|
| 4
|
3
|
3
|
-7
|
-8
|
7
|
2.4
|
Рис.4
|
4.4
|
| 5
|
1
|
-6
|
5
|
-4
|
8
|
2.5
|
Рис.5
|
4.5
|
| 6
|
6
|
-2
|
-3
|
7
|
6
|
2.6
|
Рис.6
|
4.6
|
| 7
|
7
|
-6
|
5
|
-4
|
9
|
2.7
|
Рис.7
|
4.7
|
| 8
|
1
|
3
|
-7
|
-8
|
2
|
2.8
|
Рис.8
|
4.8
|
| 9
|
5
|
-7
|
-6
|
3
|
8
|
2.9
|
Рис.9
|
4.9
|
| 10
|
2
|
2
|
-3
|
8
|
1
|
2.10
|
Рис.10
|
4.10
|
ЗАДАНИЕ 1.
Построить структурную схему по заданному дифференциальному уравнению:
Ay’’’+By’’+Cy’+Dy = Eg’+Fg
где A, B, C, D, E, F – числа (согласно варианта); g, y – входная и выходная переменная соответственно.
ЗАДАНИЕ 2.
По известной передаточной функции системы W(s) найти:
1) Дать определения передаточной функции. Записать передаточные функции следующих звеньев: усилительного, колебательного, апериодического, консервативного, интегрирующего и дифферен-цирующего.
2) Записать дифференциальное уравнение системы, связывающее выходную координату и входную.
3) Найти временные характеристики - переходную (кривую разгона) и весовую функции. Построить графики.
4) Частотные характеристики: амплитудно-частотную (АЧХ), фазо-частотную (ФЧХ) и амплитудно-фазовую (АФХ) характеристики. Построить графики.
2.1. 2.6. 
2.2. 2.7. 
2.3. 2.8. 
2.4. 2.9. 
2.5. 2.10. 
ЗАДАНИЕ 3.
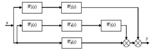
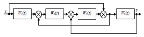
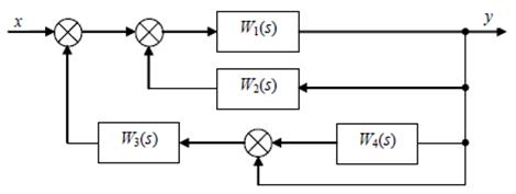
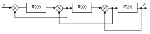
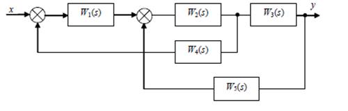
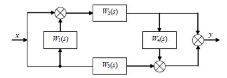
По заданной структурной схеме, согласно варианту, вывести передаточную функцию (преобразования желательно сопровождать пояснениями).

Рис. 1. Структурная схема к варианту 1

Рис. 2. Структурная схема к варианту 2

Рис. 3. Структурная схема к варианту 3

Рис. 4. Структурная схема к варианту 4

Рис. 5. Структурная схема к варианту 5

Рис. 6. Структурная схема к варианту 6

Рис. 7. Структурная схема к варианту 7

Рис. 8. Структурная схема к варианту 8

Рис. 9. Структурная схема к варианту 9

Рис. 10. Структурная схема к варианту 10
ЗАДАНИЕ 4.
Дать определение устойчивости и определить устойчивость системы, которая задана следующими числовыми значениями, согласно варианту:

| №
|
К
|
А
|
B
|
C
|
D
|
E
|
| 4.1
|
5
|
0.8
|
12
|
2
|
4
|
10
|
| 4.2
|
4
|
6
|
10
|
12
|
20
|
4
|
| 4.3
|
2
|
0.6
|
5
|
8
|
4
|
14
|
| 4.4
|
10
|
1
|
0.3
|
4
|
2
|
1
|
| 4.5
Сервис онлайн-записи на собственном Telegram-боте
Попробуйте сервис онлайн-записи VisitTime на основе вашего собственного Telegram-бота:
— Разгрузит мастера, специалиста или компанию;
— Позволит гибко управлять расписанием и загрузкой;
— Разошлет оповещения о новых услугах или акциях;
— Позволит принять оплату на карту/кошелек/счет;
— Позволит записываться на групповые и персональные посещения;
— Поможет получить от клиента отзывы о визите к вам;
— Включает в себя сервис чаевых.
Для новых пользователей первый месяц бесплатно.
Зарегистрироваться в сервисе
|
1
|
6
|
4
|
10
|
2
|
10
|
| 4.6
|
2
|
1
|
1
|
4
|
2
|
1
|
| 4.7
|
3
|
2
|
10
|
12
|
3
|
6
|
| 4.8
|
7
|
1
|
2
|
4
|
0.3
|
6
|
| 4.9
|
9
|
0.8
|
4
|
6
|
2
|
2
|
| 4.10
|
10
|
4
|
8
|
12
|
6
|
4
|
с помощью критерия Гурвица, Раусса – Гурвица, Михайлова. Сделать вывод об устойчивости после каждого критерия.
ЗАДАНИЯ К КОНТРОЛЬНОЙ РАБОТЕ № 2
Контрольная работа № 2 выполняется во втором семестре.
ЗАДАНИЕ 1
. Подобрать одну из систем управления (регулирования) в машиностроительной промышленности. Привести ее функциональную схему, дать подробное описание системы по следующему плану:
1) Перечислить все элементы системы: объект управления (регулирования), управляющее устройство, преобразователи, элемент сравнения, исполнительный механизм (элемент), датчик.
2) Алгоритм управления;
3) Описать сигналы, действующие в системе: задающее воздействие, возмущающее воздействие, управляющее воздействие, ошибку системы, выходной сигнал датчика;
4) Составить структурную схему (показать все элементы и сигналы);
ЗАДАНИЕ 2.
Раскрыть следующую тему, согласно варианту:
1) Датчики давления.
2) Датчики расхода.
3) Датчики уровня.
4) Электрические двигатели.
5) Усилители.
6) Пневмодвигатели.
7) Датчики перемещения и положения.
8) Датчики температуры.
9) Гидроприводы.
10) Датчики силы.
Рекомендуемый объем 8 – 10 страниц, привести классификацию, основные параметры, описание принципа работы.
Пример выполнения контрольной работы № 1
ЗАДАНИЕ 1.
Построить структурную схему по заданному дифференциальному уравнению:
y’’’+ y’+y = g
где g, y – входная и выходная переменная соответственно.
Решение.
Выразим из выражения член со старшей производной:
y’’’ = g - y’ – y
с помощью алгоритма получим схему (см. рис. 11).

Рис. 11. Структурная схема
ЗАДАНИЕ 2.
По известной передаточной функции системы W(s) найти:
1) Дать определения передаточной функции. Записать передаточные функции следующих звеньев: усилительного, колебательного, апериодического, консервативного, интегрирующего и дифференцирующего.
2) Записать дифференциальное уравнение системы, связывающее выходную координату и входную.
3) Найти временные характеристики - переходную (кривую разгона) и весовую функции. Построить графики.
4) Частотные характеристики: амплитудно-частотную (АЧХ), фазо-частотную (ФЧХ) и амплитудно-фазовую (АФХ) характеристики. Построить графики.
Решение.
1) Вопрос для самостоятельной работы.
2) Пусть дана передаточная функция:

По определению передаточная функция есть: . Для получения дифференциального уравнения запишем:

Полученное выражение преобразуем:

Получили дифференциальное уравнение, записанное в терминах преобразования Лапсласа. Для получения дифференциального уравнения во временной форме необходимо взять обратное преобразование Лапласа:

3) Временные характеристики: переходная h(t) и весовая функции w(t), связаны с передаточной функцией соотношениями:

Таким образом, переходная функция равна:

А весовая функция:

Эти функции связаны между собой соотношением , которое легко проверить (проверка выполняется студентом самостоятельно). Задаваясь значениями t от 0 до 25, вычислим полученные функции и построим графики (см. рис. 12).

а) б)
Рис. 12. Временные характеристики: переходная (а) и весовая (б) функции
4) Получим передаточную частотную функцию, для этого s ® jw.

Выделим действительную Re(w) и мнимую Im(w):

Найдем АЧХ: и ФЧХ: .
В результате получим частотные характеристики (см. рис.13).
 
а) б) в)
Рис. 13. Частотные характеристики: АЧХ (а), ФЧХ (б) и АФХ (в)
ЗАДАНИЕ 3.
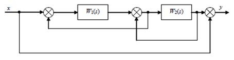
По заданной структурной схеме, согласно варианту, вывести передаточную функцию (преобразования желательно сопровождать пояснениями).
Решение.
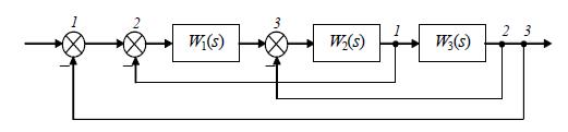
Дана структурная схема (рис. 14).

Рис. 14. Структурная схема
Для записи передаточной функции сложной структурной схемы ее необходимо преобразовать в соответствии с правилами преобразования структурных схем. Чтобы развязать перекрестные связи, перенесем узел 1 через звено с передаточной функцией W3
(
s
)
и через узел 2. В результате преобразований получаем структурную схему, в которой прослеживается основные типы соединений (рис. 15).

Рис. 15. Преобразованная структурная схема
Согласно схеме, получаем передаточную функцию:

ЗАДАНИЕ 4.
Дать определение устойчивости и определить устойчивость системы, которая задана следующими числовыми значениями, согласно варианту:

с помощью критерия Гурвица, Раусса – Гурвица, Михайлова. Сделать вывод об устойчивости после каждого критерия (для самостоятельной работы).
ЛИТЕРАТУРА
1. Теория автоматического управления / Под ред. А.А. Воронова. - М.: Высшая школа, 1986. - 367 с.
2. Теория автоматического управления: учеб. для вузов / под ред. Ю.М. Соломенцева.- М: Высшая школа, 2000. – 268 с.
3. Пантелеев А.В. Теория управления в примерах и задачах: учеб. пособие / А.В. Пантелеев, А.С. Бортаковский. – М: Высшая школа, 2003. – 583 с.
СОДЕРЖАНИЕ
Введение
Требования, предъявляемые к содержанию и оформлению контрольной работы
Задания к контрольной работе №1
Задания к контрольной работе №2
Пример выполнения контрольной работы №1
Литература
Бесплатно
Теория автоматического управления
Методические рекомендации по выполнению контрольных работ № 1, 2
по курсу «Теория автоматического управления»
для студентов специальностей 120100 заочной формы обучения
Составили: Кожанова Евгения Романовна
Рецензент:
Редактор:
Корректор:
Подписано в печать Формат 60´84 1/16
Бумага тип. Усл. печ. л. Уч.- изд. л.
Тираж 100 экз. Заказ Бесплатно
Саратовский государственный технический университет
410054, г. Саратов, ул. Политехническая,77
Копипринтер БИТТиУ, 413840, г. Балаково, ул. Чапаева, 140
|