| Д.К. Гришин, В.Н. Лазарев
В.К. Лутцев, В.М. Матвеев
Методические рекомендации
к выполнению курсового проекта
по курсу "Детали машин"
Р а з д е л
"Расчет зубчатых передач"
Для студентов
III курса
направлений и специальностей
"Технология, оборудование и автоматизация
машиностроительных производств",
"Энергомашиностроение", "Эксплуатация автотракторных средств"
Москва
Российский университет дружбы народов
Кафедра конструкций машин
2006
ПРЕДИСЛОВИЕ
1. СОДЕРЖАНИЕ ПРОЕКТА
2. ЗАДАНИЕ НА ПРОЕКТИРОВАНИЕ
3. ВЫБОР ДВИГАТЕЛЯ И КИНЕМАТИЧЕСКИЙ РАСЧЕТ РЕДУКТОРА
4. МАТЕРИАЛЫ ЗУБЧАТЫХ КОЛЕС
5. ОПРЕДЕЛЕНИЕ ДОПУСКАЕМЫХ НАПРЯЖЕНИЙ
6. РАСЧЕТ ЗУБЧАТЫХ ПЕРЕДАЧ НА ПРОЧНОСТЬ
ПРИЛОЖЕНИЯ
Л и т е р а т у р а
ПРЕДИСЛОВИЕ
Методические указания содержат материал теоретического и справочного характера, необходимый для расчета зубчатых передач в процессе выполнения курсового проекта по курсам "Детали машин" и "Детали машин и основы конструирования". Расчеты цилиндрических зубчатых передач на прочность соответствуют рекомендациям ГОСТ 21354-87 [1] с отдельными незначительными упрощениями, допустимыми в учебном проекте [2].
Объем справочного материала, приведенного в пособии, ограничен и соответствует тематике заданий на курсовой проект по указанным выше курсам, принятой на кафедре конструкций машин РУДН. Дополнительный справочный материал, а также более подробное изложение вопросов, касающихся проектирования и расчета на прочность зубчатых передач, приводятся в литературе, список которой дан в конце пособия.
Размерность всех физических величин дана в Международной системе единиц (СИ). Материал в пособии изложен в той последовательности, в которой необходимо работать над курсовым проектом.
1.
СОДЕРЖАНИЕ ПРОЕКТА
В процессе работы над курсовым проектом студент в соответствии с полученным заданием должен выполнить необходимые расчеты и спроектировать индивидуальный привод какой-либо машины. Привод включает в себя электродвигатель, редуктор, муфту для передачи вращающего момента от вала электродвигателя входному валу редуктора и плиту или раму для размещения электродвигателя и редуктора.
Забиваем Сайты В ТОП КУВАЛДОЙ - Уникальные возможности от SeoHammer
Каждая ссылка анализируется по трем пакетам оценки: SEO, Трафик и SMM.
SeoHammer делает продвижение сайта прозрачным и простым занятием.
Ссылки, вечные ссылки, статьи, упоминания, пресс-релизы - используйте по максимуму потенциал SeoHammer для продвижения вашего сайта.
Что умеет делать SeoHammer
— Продвижение в один клик, интеллектуальный подбор запросов, покупка самых лучших ссылок с высокой степенью качества у лучших бирж ссылок.
— Регулярная проверка качества ссылок по более чем 100 показателям и ежедневный пересчет показателей качества проекта.
— Все известные форматы ссылок: арендные ссылки, вечные ссылки, публикации (упоминания, мнения, отзывы, статьи, пресс-релизы).
— SeoHammer покажет, где рост или падение, а также запросы, на которые нужно обратить внимание.
SeoHammer еще предоставляет технологию Буст, она ускоряет продвижение в десятки раз,
а первые результаты появляются уже в течение первых 7 дней.
Зарегистрироваться и Начать продвижение
Расчетно-пояснительная записка, составляемая по результатам работы, должна содержать следующие разделы:
- выбор электродвигателя и кинематический расчет редуктора;
- выбор материалов зубчатых колес и определение допускаемых напряжений;
- проектировочный расчет зубчатых передач;
- проверочный расчет зубьев на выносливость по контактным и изгибным напряжениям;
- проверочный расчет зубьев на прочность при действии максимальной нагрузки;
- расчет реакций опор валов;
- выбор и расчет подшипников;
- расчет статической прочности одного из валов (по указанию консультанта);
- расчет вала на выносливость (усталостную прочность);
- расчет вала на жесткость (при необходимости);
- расчет используемых шпоночных и шлицевых соединений;
- расчет соединений с гарантированным натягом (если используются);
- выбор муфты;
- выбор сорта и расчет количества масла.
Графическая часть курсового проекта выполняется вручную или с использованием средств компьютерной графики и включает в себя:
- две проекции редуктора, как правило, в масштабе М 1:1, с необходимыми для полного представления о конструкции разрезами и видами (выполняются в зависимости от габаритов редуктора на одном или двух листах формата А1);
- общий вид привода, выполненный на одном листе формата А1;
- рабочие чертежи нескольких деталей (по указанию консультанта).
2. ЗАДАНИЕ НА ПРОЕКТИРОВАНИЕ
Задание на проектирование включает:
- название (назначение) привода;
- кинематическую схему редуктора;
- мощность на выходном валу привода - Рвых
, кВт;
- частоту вращения выходного вала - n
вых
, мин-1
;
- график (циклограмму) нагрузки или режим нагружения привода;
- срок службы редуктора - t
, час (или Lh
, лет);
- особые требования, включающие некоторые дополнительные условия (например, проектирование привода минимальной массы, минимальной ширины редуктора и т.п.).
В табл. 2.1 приводятся варианты кинематических схем редукторов, используемых на кафедре конструкций машин в заданиях на курсовое проектирование. Номера зубчатых передач, указанные на кинематических схемах, используются в дальнейшем при определении коэффициентов нагрузки.
Графики нагрузки, приведенные в табл. 2.1, характеризуют степень загруженности (класс нагружения) привода за время расчетного срока службы t
. За номинальный вращающий момент Тном
принимается максимальный из длительно действующих вращающих моментов, учитываемых при расчете зубчатой передачи.
Графики нагрузки не являются единственной характеристикой степени загруженности привода. Любой график нагрузки может быть с приемлемой точностью приведен к одному из шести типовых режимов нагружения по ГОСТ 21354-87 (см. рис. 2.1).
Сервис онлайн-записи на собственном Telegram-боте
Попробуйте сервис онлайн-записи VisitTime на основе вашего собственного Telegram-бота:
— Разгрузит мастера, специалиста или компанию;
— Позволит гибко управлять расписанием и загрузкой;
— Разошлет оповещения о новых услугах или акциях;
— Позволит принять оплату на карту/кошелек/счет;
— Позволит записываться на групповые и персональные посещения;
— Поможет получить от клиента отзывы о визите к вам;
— Включает в себя сервис чаевых.
Для новых пользователей первый месяц бесплатно.
Зарегистрироваться в сервисе

Рис.2.1
На рис. 2.1 обозначено:
Ni
- число циклов нагружения зубчатой передачи при работе с моментами, равными или бóльшими Т
i
;
N
S
- суммарное число циклов нагружения за расчетный срок службы передачи.
Режимы нагружения могут быть указаны в задании номерами или наименованиями:
0 - постоянный;
1 - тяжелый;
2 - средний равновероятный;
3 – средний нормальный;
4 - легкий;
5 - особо легкий.
Таблица 2.1
| №
схемы
|
Название
привода и
характеристика схемы редуктора
|
Кинематическая схема редуктора
|
График нагрузки
|
| 1
|
2
|
3
|
4
|
| 1.
|
Привод подъемной лебедки
.
Редуктор цилиндричский, двухступенчатый, выполненный по развернутой схеме.
|

|
| П.
|
Привод механизма подъема груза крана
.
Редуктор цилиндрический двухступенчатый, двухпоточный с раздвоенной быстроходной ступенью. Выполнен по развернутой схеме.
|

|
Продолжение таблицы 2.1
| 1
|
2
|
3
|
4
|
| Ш
|
Привод механизма подъема груза крана
.
Редуктор цилиндрический двухступенчатый, двухпоточный с раздвоенной тихоходной ступенью. Выполнен по развернутой схеме.
|

|
| IV
|
Привод механизма передвижения крана
.
Редуктор цилиндрический двухступенчатый, соосный.
|

|
| V
|
Привод механизма передвижения крана
.
Редуктор цилиндрический двухступенчатый, соосный, двухпоточный.
|

|
Продолжение таблицы 2.1
| 1
|
2
|
3
|
4
|
| VI
|
Привод ленточного транспортера.
Редуктор коническо-цилиндрический двухступенчатый.
|

|
Исходные данные на проектирование индивидуального привода выдаются студенту в виде шифра, представляющего собой группу чисел, первое из которых соответствует номеру схемы в табл. 2., второе представляет собой мощность на выходном валу редуктора в кВт, третье - частоту вращения выходного вала редуктора в мин-1
, четвертое число в шифре соответствует номеру типового режима нагружения (см. рис. 2.1 и пояснение к нему). В случае, если четвертое число в шифре отсутствует, то это означает, что степень загруженности привода задается графиком нагрузки в табл. 2.1, соответствующим номеру схемы редуктора (1-е число шифра). Если, например, в задании на проектирование указан шифр II - 6,5 - 75, то это значит (см. схему II в табл. 2.1), что необходимо спроектировать привод механизма подъема груза крана
,
включающий редуктор цилиндрический двухступенчатый двухпоточный с раздвоенной быстроходной ступенью, выполненный по развернутой схеме. Мощность редуктора на выходном валу Pвых
= 6,5 кВт, частота вращения выходного вала редуктора nвых
= 75 мин-1
. Так как четвертое число в шифре отсутствует, то в качестве исходного данного принимается график нагрузки, соответствующий схеме II в табл. 2.1.
Если бы был задан шифр П-6,5-75-3, то это означало бы, что в задании, содержание которого изложено выше, вместо графика нагрузки задан средний нормальный типовой режим нагружения (кривая 3 на рис. 2.1).
3. ВЫБОР ДВИГАТЕЛЯ И КИНЕМАТИЧЕСКИЙ РАСЧЕТ РЕДУКТОРА
Для индивидуальных приводов средней и малой мощности, не требующих регулировки частоты вращения, в общем машиностроении наиболее часто применяются трехфазные асинхронные электродвигатели переменного тока с короткозамкнутым ротором (табл. 3.1).
В табл. 3.1 через Тном
и Т
max
обозначены соответственно номинальный и максимальный вращающие моменты ротора электродвигателя (см. механическую характеристику, приведенную на рис. 3.1). Пример расшифровки типоразмера двигателя:
4А112МА6У3 - электродвигатель четвертой серии (4), асинхронный (А) с высотой от опорной поверхности до оси вращения h
= 112 мм, с длиной станины, соответствующей условному обозначению М, с длиной сердечника статора, соответствующей условному обозначению А, с числом полюсов 6; климатическое исполнение У3 (двигатель предназначен для работы в условиях умеренного климата).

Рис.3.1
Требуемая мощность двигателя определяется по формуле
, кВт, (3.1)
где h
- общий КПД привода.
Таблица 3.1
| Тип
двигателя
|
Рдв
, кВт
|
n
дв
, мин-1
|
Tmax
T
ном
|
| Синхронная частота вращения nc
= 3000 мин-1
4А 80А2У3 1,5 2850 2,6
4А 80В2У3 2,2 2850 2,6
4А 90L2У3 3,0 2840 2,5
4А 100S2У3 4,0 2880 2,5
4А 100L2У3 5,5 2880 2,5
4А 112М2У3 7,5 2900 2,8
4А 132М2У3 11,0 2900 2,8
4А 160 S2У3 15,0 2940 2,2
Синхронная частота вращения n
с
= 1500 мин-1
4А 80В4У3 1,5 1415 2,2
4А 90L4У3 2,2 1425 2,4
4А 100S4У3 3,0 1435 2,4
4А 100L4У3 4,0 1430 2,4
4А 112М4У3 5,5 1445 2,2
4А 132S4У3 7,5 1455 3,0
4А 132М4У3 11,0 1460 3,0
4А 160S4У3 15,0 1465 2,3
Синхронная частота вращения n
с
= 1000 мин-1
4А 90L6У3 1,5 935 2,2
4А 100L6У3 2,2 950 2,2
4А 112МА6У3 3,0 955 2,5
4А 112МВ6У3 4,0 950 2,5
4А 132S6У3 5,5 965 2,5
4А 132М6У3 7,5 970 2,5
4А 160S6У3 11,0 975 2,0
4А 160М6У3 15,0 975 2,0
|
Для привода с двухступенчатым редуктором
h
=
h
12
×
h
34
×
h
м
,
(3.2)
где h
12
,
h
34
- КПД 1-й и 2-й ступеней передач редуктора с учетом потерь в подшипниках. Для одной ступени цилиндрической зубчатой передачи 8-й и 9-й степеней точности, наиболее часто используемых в редукторах в общем машиностроении, h
ij
@ 0,97, для конической передачи h
ij
@ 0,95…0,96; h
м
- КПД муфты. Для приводных муфт можно принять h
м
= 0,98.
При использовании формулы (3.2) следует иметь в виду, что раздвоение потоков практически не увеличивает потери мощности, поэтому КПД однопоточного и многопоточного редуктора той же схемы с тем же количеством ступеней передач можно определять по одним и тем же рекомендациям.
Частота вращения вала двигателя выбирается из стандартного ряда синхронных частот вращения n
с
исходя из оптимальных значений передаточного отношения i
опт
для данной схемы редуктора:
n
с
=
n
вых
×
i
опт
(3.3)
Промышленность в настоящее время серийно выпускает двухступенчатые цилиндрические редукторы с передаточным отношением i
= 8…40 (для соосных редукторов imax
= 50). Однако оптимальными в указанном диапазоне следует считать значения, не превышающие i
= 25. Таким образом, i
опт
= 8…25. Для коническо-цилиндрического двухступенчатого редуктора эта величина составляет i
опт
= 8…20.
Если при использовании формулы (3.3) окажется, что диапазону оптимальных передаточных отношений редуктора будут удовлетворять электродвигатели с различной синхронной частотой вращения n
с
, то следует отдать предпочтение более высокоскоростному из них, как имеющему меньшую массу при той же мощности (см. Приложения, табл. П1 и П2).
Исходя из полученных величин Рдв.тр
.
и n
с
, необходимо по табл. 3.1 подобрать электродвигатель для проектируемого привода. Для выбранного двигателя нужно выписать следующие характеристики: обозначение типоразмера, фактическую мощность Рдв
, частоту вращения ротора при номинальной нагрузке n
дв
, отношение максимального момента, развиваемого ротором при пуске электродвигателя, к номинальному: Т
max
/
T
ном
.
Общее передаточное отношение редуктора определяется по формуле
i = n
дв
/
n
вых
.
(3.4)
Общее передаточное отношение редуктора есть произведение передаточных чисел его отдельных передач (ступеней). Для двухступенчатого редуктора
i = u12
×
u34
.
Определение передаточных чисел отдельных ступеней редуктора (разбивка общего передаточного отношения по ступеням) является очень важным этапом проектирования привода.
Разбивка передаточного отношения многоступенчатого редуктора по ступеням может производиться исходя из различных предпосылок: проектирования редуктора минимальной массы, минимальных габаритов, достижения условий оптимальной смазки зубчатых колес и т.д.
Ниже приводятся формулы для разбивки передаточного отношения двухступенчатых редукторов по ступеням. Рекомендуемые формулы обеспечивают примерное равенство делительных диаметров колес z
2
и z
4
, а значит, и примерно равную глубину их погружения в масляную ванну, что соответствует оптимальным условиям смазки зубчатых колес. Кроме того, при одинаковых диаметрах колес z
2
и z
4
коническо-цилиндрические редукторы, а также цилиндрические редукторы, выполненные по развернутым схемам (схемы I, П, III, VI в табл.2.1), имеют минимальный объем и массу.
Цилиндрические редукторы
, выполненные по развернутой схеме (табл. 2.1, схемы I, П, III):
.
Соосные редукторы
(табл. 2.1, схемы IV и V):
.
Данная формула, соответствуя для соосных редукторов оптимальным условиям смазки, не гарантирует их минимального объема и массы. Последние условия выполняются для соосных редукторов при u
12
>>
u
34
. При этом, однако, диаметр колеса z
2
значительно превышает диаметр колеса z
4
, что не соответствует оптимальному условию смазки зацепления обеих пар, т.к. глубоко погруженное в масло колесо z
2
, вращаясь с большой угловой скоростью, вызывает чрезмерно интенсивное перемешивание и перегрев масла. Кроме того, на перемешивание значительного объема смазки затрачивается большая энергия.
Коническо-цилиндрические редукторы
(табл. 2.1, схема VI):
.
После определения передаточного числа первой ступени определяют передаточное число второй ступени:
.
Следует отметить, что приведенные рекомендации по разбивке передаточного отношения редуктора по ступеням не являются жесткими. По результатам сравнительной оценки рассчитанных в дальнейшем диаметров колес z
2
и z
4
соотношение между u
12
и u
34
может быть конструктором скорректировано в ту или иную сторону для достижения лучшей компоновки редуктора.
Кинематический расчет привода завершается определением частот вращения зубчатых колес и валов привода по формулам
n1
= nдв
, n2
= n3
= n1
/u12
, n4
= n3
/u34
и вращающих моментов на валах зубчатых колес (КПД зубчатых передач допускается не учитывать):
Т1
= 9550 Рдв
/
n
1
; Т2
= Т3
= Т1
×
u
12
; Т4
= Т3
×
u
34
,
Нм
(индексы соответствуют номерам зубчатых колес по направлению силового потока).
4. МАТЕРИАЛЫ ЗУБЧАТЫХ КОЛЕС
Материалы, применяемые для изготовления зубчатых колес, должны обеспечивать высокую контактную прочность рабочих поверхностей зубьев, а также прочность зубьев на изгиб. Основным критерием работоспособности зубчатых передач, работающих в масляной ванне (закрытых передач типа редукторов и коробок скоростей), является контактная прочность зубьев.
Контактная прочность в основном определяется поверхностной твердостью зубьев. Таким образом, для обеспечения высокой прочности зубьев по контактным напряжениям, уменьшения габаритов и массы зубчатых передач и редуктора в целом необходимо выбирать такие материалы и назначать такие методы химико-термического упрочнения, которые гарантируют высокую поверхностную твердость зубьев. Однако, изготовление зубчатых колес из таких материалов сопряжено с дополнительными затратами вследствие сложности термообработки и необходимости выполнения отделочных операций (шлифование, притирка и т.п.) для исправления формы зубьев из-за их коробления в процессе термообработки.
При выборе материала зубчатых колес конструктор обязан учитывать всю совокупность факторов, определяющих условия изготовления и работы: возможность получения требуемой твердости зубьев в условиях конкретного производства, а также возможность их обработки, серийность производства (величину партии колес), дефицитность и стоимость материала, назначение и характер использования проектируемого редуктора.
В большинстве случаев в машиностроении для изготовления зубчатых колес применяют стали различных марок. Реже используют чугун и пластмассы.
В зависимости от величины поверхностной твердости зубьев зубчатые колеса принято условно разделять на две группы:
1) Прирабатывающиеся зубчатые колеса
.
К этой группе относят зубчатые передачи, у которых твердость хотя бы одного из зацепляющихся зубчатых колес не превышает 350 единиц по Бринеллю (НВ £ 350).
2) Неприрабатывающиеся зубчатые колеса
. У зубчатых передач, относящихся к этой группе, оба зацепляющихся колеса имеют высокую твердость зубьев (НВ > 350).
У прирабатывающихся зубчатых колес неравномерность распределения нагрузки по длине зуба, возникающая из-за неточностей изготовления или погрешностей монтажа, в процессе работы зубчатой передачи уменьшается благодаря взаимному износу (приработке) зубьев в начальный период эксплуатации. Для того, чтобы процесс приработки зубьев протекал быстрее, поверхностную твердость зубьев шестерни назначают на 20…30 единиц Бринелля выше твердости зубьев колеса. Для повышения несущей способности косозубых передач эту разницу часто назначают значительно большей (до 100 и более единиц Бринелля). Например, для шестерни в качестве термообработки назначают закалку, а для колеса - улучшение.
Зубчатые колеса второй группы вследствие высокой твердости рабочих поверхностей зубьев не прирабатываются, поэтому назначать для них разную твердость зубьев шестерни и колеса нет необходимости. Начальная концентрация нагрузки по длине зуба у таких колес сохраняется в процессе всего срока службы передачи.
Зубчатые колеса первой группы изготавливают из нормализованных (НВ = 150…250) или улучшенных (НВ = 200…300) среднеуглеродистых или легированных сталей (35, 40, 45, 50, 50Г, 35ХГС, 40Х, 40ХН и др.). Нарезание зубьев у колес этой группы производится, как правило, после термообработки заготовки.
Для изготовления зубчатых колес второй группы применяются:
1) Среднеуглеродистые конструкционные и легированные стали (45, 50, 40Х, 40ХН и др.) с поверхностной или объемной закалкой рабочих поверхностей зубьев до твердости НRС = 40…55. Следует иметь в виду, что эффект поверхностной закалки достигается лишь на зубчатых колесах с модулем m
> 3…4 мм. При меньших модулях зубья прокаливаются на всю толщину. Применяются для слабо- и средненагруженных передач.
2) Малоуглеродистые конструкционные стали типа 15Х, 20Х, 12ХНЗА, 18ХГТ и др. с цементацией и последующей закалкой до НRС = 58…63. Зубья колес из таких материалов имеют высокую поверхностную твердость и вязкую сердцевину.
Применяются для тяжело нагруженных ответственных передач.
3) Азотируемые стали 38ХМЮА, 38ХВФЮ, 35ХЮА и др. Для зубчатых колес из этих материалов не требуется проводить дополнительные отделочные операции, т.к. азотирование осуществляется при сравнительно низкой температуре и изменения формы зубьев при этом практически не происходит.
Азотированные зубья имеют высокую поверхностную твердость (НV = 850…900) и высокую нагрузочную способность. Однако упрочненный слой имеет малую толщину, что вызывает опасность подслойного разрушения при динамических нагрузках. Кроме того, процесс азотирования длителен и дорогостоящ. Азотированные колеса используют, в основном, при невозможности зубошлифования, а также для передач, работающих при высоких температурах и средних нагрузках.
Механические свойства зубьев колес зависят не только от используемых для их изготовления материалов и вида термообработки, но и размеров и формы заготовки, определяющих толщину упрочненного слоя. Поэтому в справочных таблицах обычно указывается диапазон изменения характеристик, достигаемых для данного материала в зависимости от размеров заготовки.
В табл. 4.1 приведены механические характеристики наиболее распространенных сталей, применяемых для изготовления зубчатых колес. Механические характеристики, указанные в таблице, характерны для размеров заготовок зубчатых колес, которые получаются при расчете зубчатых передач по принятым на кафедре конструкций машин вариантам заданий на проектирование индивидуальных приводов.
Таблица 4.1
| Марка
стали
|
Термообработка
|
Механические свойства
|
Твердость *
)
|
| s
в
,
МПа
|
s
т
,
МПа
|
сердцевины, НВ
|
поверхности, НRC
|
| 35
40
45
45
60Г
20Х
40Х
40Х
40Х
40Х
35ХМ
35ХМ
40ХН
20ХН2М
12ХНЗА
18ХГТ
38ХМЮА
|
нормализация
нормализация
улучшение
объемная закалка
нормализация
цементация и закалка
улучшение
объемная закалка
улучшение и закалка ТВЧ
азотирование
улучшение
улучшение и закалка ТВЧ
улучшение и закалка ТВЧ
цементация и закалка
цементация и закалка
цементация и закалка
азотирование
|
550
620
890
1000
850
800
950
1200
950
1000
920
920
950
1000
920
1150
1000
|
270
340
650
750
440
650
800
950
800
800
790
790
800
800
700
950
850
|
163…192
170…195
269…302
335…490
220…250
230…350
269…302
340…420
269…302
269…302
269…302
269…302
269…302
300…400
250…350
400
350
|
-
-
-
35…50
-
58…63
-
35…45
45…50
НV 525
-
48…53
48…53
56…63
56…63
56…63
НV 850
|
*
)
Сравнительная таблица твердости металлов
| НRC
|
40
|
42
|
44
|
46
|
48
|
50
|
52
|
54
|
56
|
58
|
60
|
62
|
64
|
| HV
|
390
|
412
|
435
|
467
|
502
|
542
|
587
|
606
|
649
|
694
|
774
|
835
|
904
|
| HB
|
375
|
394
|
418
|
437
|
460
|
586
|
512
|
532
|
555
|
578
|
613
|
640
|
664
|
5. ОПРЕДЕЛЕНИЕ ДОПУСКАЕМЫХ НАПРЯЖЕНИЙ
Допускаемые напряжения, используемые при расчете зубчатых передач, зависят от материала зубчатых колес, термообработки, числа циклов напряжений и ряда других факторов, в общем случае различных для разных зубчатых колес проектируемого редуктора. Вследствие этого и допускаемые напряжения для разных зубчатых колес могут быть разными. Поэтому допускаемые напряжения рассчитываются отдельно для каждого из зубчатых колес. Для удобства, обозначениям вычисляемых в процессе расчета величин, а также параметрам, определяющим эти величины, следует присваивать цифровой индекс, соответствующий номеру зубчатого колеса, для которого эта величина рассчитывается.
При расчете зубчатых передач необходимо определить следующие виды допускаемых напряжений.
a
) Допускаемые контактные напряжения
зубьев зубчатых колес [sн
]i
определяются по формуле
, где: (5.1)
s
H
lim
- предел контактной выносливости (табл. 5.1);
SH
- расчетный коэффициент запаса прочности при расчете на контактную выносливость (табл. 5.1);
Таблица 5.1
| Тип
стали
|
Термообработка
|
Твердость
поверхности
зубьев
|
s
H
lim
,
МПа
|
SH
|
[s
H
]max
,
МПа
|
| Стали
углеродистые и легированные
|
нормализация
и улучшение
|
НВ < 350
|
2НВ+70
|
1,1
|
2,8 sт
|
| объемная закалка
|
НRC 38…50
|
17HRC + 200
|
1,1
|
2,8 sт
|
| поверхностная закалка
|
НRС 40…50
|
17НRC + 200
|
1,2
|
44НRC
|
| Стали легированные
|
цементация
|
НRC > 56
|
23НRС
|
1,2
|
44НRС
|
| азотирование
|
НV 550…750
|
1050
|
1,2
|
3НV
|
ZN
- коэффициент долговечности, определяемый по формулам:
при NHE
≤
NH
lim
, но не более 2,6 при объемном упрочнении и не более 1,8 при поверхностном упрочнении зубьев;
при NHE
>
NH
lim
, но не менее 0,75;
NH
lim
- базовое число циклов, соответствующее пределу выносливости s
Н
lim
;
NH lim i
= 30×HBi
2,4
£ 120 × 106
;
NHE
- эквивалентное число циклов напряжений за весь срок службы передачи;
,
где c
- число зацеплений зуба за 1 оборот зубчатого колеса; c
= 1 для зубчатых колес редукторов всех схем, кроме соосного двухпоточного редуктора (табл. 2.1, схема У), у которого для шестерни z
1
и колеса z
4
c
= 2, т.к. за время одного оборота каждый зуб этих зубчатых колес входит в зацепление дважды;
n
- частота вращения рассматриваемого зубчатого колеса, мин-1
;
t
- срок службы редуктора, час.
Срок службы может быть задан непосредственно или определен по формуле:
, где:
Lh
- срок службы редуктора, лет;
Кгод
- коэффициент использования привода в течение года;
Ксут
- коэффициент использования привода в течение суток;
μН
- коэффициент приведения переменной нагрузки к условно постоянной при расчете на контактную прочность.
Если в качестве характеристики внешней нагрузки в задании на проектирование указан график (циклограмма) нагрузки, то коэффициент μН
определяется по формуле:
где:
Ti
- вращающий момент, передаваемый данным зубчатым колесом в течение времени ti
;
T
ном
- номинальный вращающий момент.
Пример
. Определить μН
для привода, работающего по графику нагрузки, представленному на рис.5.1.

Рис.5.1
Решение:
μН
= 13
× 0,2 + 0,83
× 0,5 + 0,53
× 0,3 = 0,49.
Если вместо графика нагрузки задан режим нагружения (см. рис. 2.1), то коэффициент μН
определяется по табл. 5.2.
Таблица 5.2
| Режим
нагружения
|
Наименование режима
нагружения
|
μН
|
μ
F
|
| qF
=
6
|
qF
= 9
|
| 0
|
постоянный
|
1,00
|
1,00
|
1,00
|
| 1
|
тяжелый
|
0,50
|
0,30
|
0,20
|
| 2
|
средний равновероятный
|
0,25
|
0,143
|
0,10
|
| 3
|
средний нормальный
|
0,18
|
0,065
|
0,04
|
| 4
|
легкий
|
0,125
|
0,038
|
0,016
|
| 5
|
особо легкий
|
0,063
|
0,013
|
0,004
|
В качестве допускаемого контактного напряжения зубчатой передачи принимают:
для прямозубых передач -
меньшее из допускаемых напряжений шестерни [
s
H
]1
и колеса [
s
H
]2
;
для косозубых –
напряжение, вычисленное по формуле
, (5.2)
но не более:
1,25 [s
H
]min
- для цилиндрических колес;
1,15 [s
H
]min
- для конических колес,
где [s
H
]min
- меньшее из [s
H
]1
и [s
H
]2
.
Если величина, определенная по формуле (5.2), окажется меньше [s
H
]min
, принимают [s
H
]12
= [s
H
]min
.
Примечание.
Здесь и в дальнейшем индекс “1” означает, что помечаемый им параметр относится к шестерне рассматриваемой ступени зубчатой передачи, а индексом “2” помечаются параметры, относящиеся к сопряженному с этой шестерней колесу. Таким образом, при определении, например, допускаемых контактных напряжений зубчатой передачи второй ступени, соответствующие параметры будут обозначаться как [s
H
]34
, [s
H
]3
и [s
H
]4
.
б) Допускаемые напряжения изгиба зубьев зубчатых колес
, где: (5.3)
- предел выносливости зубьев при изгибе, соответствующий базовому числу циклов изменения напряжений (табл. 5.3);
SF
- расчетный коэффициент запаса прочности при расчете на изгибную выносливость (табл. 5.3 );
YN
- коэффициент долговечности, определяемый по формуле:
где:
qF
- показатель степени кривой усталости, принимаемый: qF
= 6 – для объемно упрочненных зубьев и qF
= 9 - для поверхностно упрочненных зубьев;
NF
lim
= 4×106
- базовое число циклов изменения напряжений;
NFE
- эквивалентное число циклов напряжений за весь срок службы передачи:
,
где параметры с,
n
и t
определены выше;
μF
- коэффициент приведения переменной нагрузки к условно постоянной при расчете зубьев на изгибную выносливость.
При задании внешней нагрузки циклограммой μF
определяется по формуле:

Если задан типовой режим нагружения по ГОСТ 21354-87 (см. рис. 2.1), μF
определяется по табл. 5.2.
YA
- коэффициент, учитывающий влияние двухстороннего приложения нагрузки.
При одностороннем приложении нагрузки (нереверсивные передачи) YA
= 1. При двухстороннем приложении нагрузки (реверсивные передачи) YA
= 0,65 при НВ £ 350, YA
= 0,75 при НВ > 350 (кроме азотированных зубчатых колес) и YA
= 0,9 для азотированных зубчатых колес.
Таблица 5.3
Приближенные значения пределов изгибной выносливости , коэффициентов безопасности SF
и предельных допускаемых напряжений [s
F
]max
.
| Тип стали
|
Термообработка
|
Твердость
сердцевины
зубьев
|
,
МПа
|
SF
|
[s
F
]max
,
МПа
|
| Cтали углеродистые и легированные
|
нормализация и улучшение
|
НВ 180…
350
|
1,75 НВ
|
1,7
|
3,7 НВ
|
| объемная закалка *
)
,
закалка ТВЧ
|
НRС > 40
|
580
|
1,7
|
1300
|
| Стали легированные
|
цементация
|
НRC 32…45
|
750…850
|
1,7
|
1200
|
| азотирование
|
НRC 24…40
|
12 НRC+290
|
1,7
|
1000
|
*
)
С применением средств против обезуглероживания
в) Допускаемые предельные напряжения при действии максимальной нагрузки
[
s
H
]
max
i
и [
s
F
]
max
i
.
[s
H
]max
и [s
F
]max
определяются для каждого из зубчатых колес по рекомендациям, приведенным в таблицах 5.1 и 5.3.
6. РАСЧЕТ ЗУБЧАТЫХ ПЕРЕДАЧ НА ПРОЧНОСТЬ
Большинство зубчатых передач, применяемых в общем машиностроении, работают в условиях хорошей смазки. Основными критериями работоспособности таких передач являются контактная и изгибная выносливость зубьев. Для всех прирабатывающихся и для большинства неприрабатывающихся зубчатых колес главным критерием является контактная выносливость. Поэтому при проектировании зубчатых передач редукторов обычно расчет ведут в следующей последовательности: определяют ориентировочно один из основных геометрических параметров передачи (d
1
или aW
) из условия обеспечения контактной выносливости; уточняют кинематические параметры; определяют геометрические параметры зубчатых колес; определяют усилия в зацеплениях, а затем проводят проверочные расчеты на контактную и изгибную выносливость зубьев по номинальным напряжениям, а также проверку прочности зубьев при действии максимальной нагрузки.
Рассмотрим отдельно каждый из указанных расчетов.
6.1. Проектировочный расчет зубчатой передачи
Для эвольвентных зубчатых передач внешнего зацепления геометрическим параметром передачи, в наибольшей степени влияющим на контактную прочность, является начальный диаметр шестерни dW
1
. В настоящем пособии формулы геометрического расчета приводятся для случая нулевой зубчатой передачи, т.е. для случая, когда суммарный коэффициент смещения x
å
=
x
1
+
x
2
= 0
. У таких зубчатых передач начальные диаметры зубчатых колес равны делительным (dWi
=
di
), поэтому формулы проектировочного расчета цилиндрической зубчатой передачи записываются относительно делительного диаметра шестерни рассматриваемой передачи d
1
, а при расчете конической передачи - относительно среднего делительного диаметра шестерни dm
1
.
Для цилиндрических передач
расчетная формула имеет вид:
; (6.1)
для конических передач:
. (6.2)
Примечание
.
Напоминаем еще раз, что, как и ранее, в формулах (6.1) и (6.2) цифровые индексы свидетельствуют о том, что помечаемые ими параметры относятся либо к шестерне (индекс “1”), либо к колесу (индекс “2”), либо к передаче в целом (индекс “12”). При расчете зубчатых передач, в которых шестерня и колесо имеют другие номера, соответственным образом должны
быть изменены индексы и в формулах (6.1), (6.2), и в последующих.
В формулах (6.1) и (6.2) обозначено:
Kd
- коэффициент, принимаемый равным Kd
= 770 для прямозубых цилиндрических и конических передач, и Kd
= 675 - для косозубых цилиндрических передач, а также для конических передач с тангенциальными или круговыми зубьями;
Т1
- номинальный вращающий момент на валу шестерни, Н×м.
Рассчитывая двухпоточные редукторы, необходимо иметь в виду, что каждая из зубчатых передач той ступени редуктора, на которой происходит разделение потока мощности (1-я ступень схемы П, 2-я ступень схемы Ш и обе ступени схемы У в табл. 2.1), передает не весь вращающий момент с вала соответствующей шестерни, а лишь часть его. Обычно, с учетом неравномерности распределения мощности по потокам, такие зубчатые передачи рассчитывают на 60% мощности, а в формулу (6.1) подставляют 0,6Т1
.
- вспомогательный параметр (коэффициент ширины зубчатого колеса). , где bW
12
- рабочая ширина зубчатого венца. Для предварительного задания величины y
bd
можно использовать данные табл. 6.1.
KH
b
- коэффициент, учитывающий распределение нагрузки по ширине зубчатого венца (коэффициент концентрации нагрузки). Рекомендации по его выбору приводятся на рис. 6.1.
В редукторах, проектируемых по соосной схеме (табл. 2.1, схемы 1У и У) межосевые расстояния первой и второй ступени одинаковые (aW
12
=
aW
34
), поэтому проектировочный расчет таких редукторов начинают не с первой ступени, а со второй, как более нагруженной. Геометрические и кинематические параметры зубчатых колес 1-й ступени рассчитывают, используя величину межосевого расстояния, определенного в результате проектировочного расчета 2-й ступени. Порядок такого расчета будет изложен ниже.
Таблица 6.1
| Номер схемы
редуктора по
табл.2.1
|
Прирабатывающиеся
колеса
(НВ2
£ 350)
|
Неприрабатывающиеся колеса
(НВ2
> 350)
|
| y
bd12
|
y
bd34
|
y
bd12
|
y
bd
34
|
| 1
|
1,0…1,1
|
0,85…0,9
|
0,65…0,75
|
0,55…0,6
|
| П
|
0,8…0,9
|
1,15…1,2
|
0,55…0,6
|
0,75…0,8
|
| Ш
|
1,2…1,4
|
0,6…0,7
|
0,8…0,95
|
0,4…0,45
|
| 1У, У
|
³ 0,2
|
1,0…1,1
|
³ 0,2
|
0,65…0,75
|
| У1
|
0,6
|
0,85…0,9
|
0,4
|
0,55…0,6
|
6.2. Определение геометрических размеров и уточнение кинематических параметров передачи.
Для цилиндрических передач
после определения величины d
1
дальнейший расчет проводят в нижеследующей последовательности.
Определяют рабочую ширину венцов зубчатых колес bW
12
=
y
bd
12
×
d
1
. Для колеса можно принять b
2
= bW
12
, для шестерни: b
1
=
b
2
+ (2…5)
мм.
Величина нормального модуля передачи из условия обеспечения изгибной прочности зубьев вычисляется по формуле:
,
где: Km
= 10 - для прямозубых колес;
Km
= 8 - для косозубых колес.
Полученное значение модуля округляют до стандартного значения по ГОСТ 9563-80:
1-й ряд: 1,5; 2; 2,5; 3; 4; 5; 6; 8; 10 мм,
2-й ряд: 1,75; 2,25; 2,75; 3,5; 4,5; 5,5; 7; 9 мм.
Для косозубых передач задаются углом наклона зубьев из интервала b
=10…200
. Для зубчатых колес раздвоенных ступеней редукторов, выполненных по развернутой схеме, и шевронных колес принимают b
=300
…400
, что обеспечивает лучшую самоустанавливаемость зубчатых колес и бόльшую плавность их работы.


Рис.6.1
Примечание
. Номера кривых на рис. 6.1 соответствуют номерам зубчатых передач на кинематических схемах редукторов, приведенных в табл. 2.1.
Для косозубых передач проверяют выполнение условия:
e
b
12
³
1,1 ,
где - коэффициент осевого перекрытия.
Если указанное условие не выполняется, можно увеличить угол b
в пределах рекомендованного интервала. Для неприрабатывающихся колес и зубчатых колес 1-й ступени соосных редукторов условие e
b
³
1,1
может не выполняться.
Далее определяют число зубьев шестерни по формуле:
и округляют до целого числа.
Для колес, нарезаемых без смещения исходного контура, должно быть z
1
³
z
1
min
, где , ha
*
= 1,0.
Здесь - угол профиля. , a = 200
.
Если z
1
<
z
1
min
, определяют величину коэффициента смещения исходного контура для исключения подреза зубьев при нарезании:

Для нулевой зубчатой передачи коэффициент смещения исходного контура колеса принимают х2
= -х1
.
Определяют число зубьев колеса z
2
=
z
1
×
u
12
и округляют до целого числа.
Примечание
.
Для более равномерного износа зубьев передачи целесообразно
z
1
и
z
2
назначать таким образом, чтобы они не имели общих множителей.
Определяют межосевое расстояние .
Полученное значение aW
рекомендуется округлять до стандартного из ряда: 80, 100, 125, 140, 160, 180, 200, 225, 250…
или по ряду Rа 40: …80, 85, 90, 95, 100, 105, 110, 115, 120, 125, 130, и далее через 10 мм до 260 мм.
Уточняют угол наклона зубьев:
(точность вычисления cos
b
: 0,00001).
Уточняют передаточное число u12
= z2
/z1
и диаметры начальных окружностей зубчатых колес (с точностью до 0,01мм):
, 
Для контроля следует проверить равенство: aW
12
= 0,5 (
d
1
+
d
2
)
.
Определяют диаметры вершин зубчатых колес:
da
1
=
d
1
+ 2
mn
12
и da
2
=
d
2
+ 2
mn
12
- для колес нарезаемых без смещения. Для колес, нарезаемых со смещением при х
å
= х1
+ х2
= 0
: da
1
=
d
1
+ 2
mn
12
(1+
x
1
) ;
da
2
=
d
2
+ 2
mn
12
(1 +
x
2
),
где х1
и х2
- коэффициенты смещения исходного контура инструмента при нарезании зубьев шестерни и колеса.
Определяют окружную скорость зубчатых колес
(d
1
- мм).
Назначают экономически целесообразную степень точности.
Обычно для передач общего машиностроения при V = (5…8) м/с назначают 8-ю степень точности; при V < 5 м/с - 9-ю.
Расчет конических передач
можно вести в следующей последовательности.
Определяют ширину зубчатого венца и округляют до целого.
Определяют углы начальных конусов:
; .
Определяют начальный диаметр шестерни на наружном дополнительном конусе (внешний делительный диаметр):
.
Определяют внешнее конусное расстояние .
Проверяют соблюдение условия .
Определяют модуль передачи

где Km
= 20 - для прямозубых колес; Km
= 14 - для колес с тангенциальными и круговыми зубьями. Для прямозубой передачи полученное значение mte
= mne
целесообразно округлить до стандартного по ГОСТ 9563-80 (см. стр. 24) .
Определяют числа зубьев:
и округляют до целого числа.
Уточняют следующие параметры:
; u12
= z2
/z1
(с точностью до 0,0001);

(с точностью до 0.005˚).
Для колес с тангенциальными и круговыми зубьями задаются углом наклона зубьев b
m
12
в среднем сечении шестерни. Для тангенциальных зубьев b
m
= 25…300
, для круговых зубьев b
m
= 350
. Предпочтительнее использовать колеса с круговыми зубьями как более технологичные и менее чувствительные к точности взаимного расположения.
Определяют коэффициенты смещения исходного контура при нарезании зубчатых колес: для прямозубых колес - xe
1
и xe
2
; для колес с круговыми зубьями - xn
1
и xn
2
. Смещение исходного контура при нарезании конических колес рекомендуется выполнять для повышения их сопротивления заеданию. Шестерня выполняется с положительным смещением, колесо - с равным ему отрицательным:
(x
округляется с точностью до 0,01).
Определяют остальные геометрические размеры зубчатых колес:


.
Внешняя высота головки зуба:
а) для прямозубых колес: ;
;
.
б) для колес с круговыми равновысокими зубьями:
;
.
Внешний диаметр вершин зубьев:
;
.
Окружная скорость зубчатой передачи:
.
Назначают экономически целесообразную степень точности:
при V = (5…8) м×с-1
- 8-ю степень точности;
при V < 5 м×с-1
- 9-ю степень точности.
6.3. Особенности проектировочного расчета 1-й ступени соосных редукторов.
В этих редукторах а
W
12
=
aW
34
, причем а
W
34
определяется в результате проектировочного расчета 2-й ступени. Поскольку то, разрешая эту формулу относительно d1
, получаем . Если при этом u
12
=
u
34
, то d
1
=
d
3
.
Далее расчет ведут в следующей последовательности.
Используя формулу (6.1), определяют коэффициент Y
bd
12
:
, (6.3)
где предварительно принимается К
H
b
12
= 1,05.
Если условие формулы (6.3) будет выполнено (Y
bd
12
³
0,2
), определяют ширину зубчатых колес z
2
и z
1
:
b
2
=
bW
12
=
Y
bd
12·
d
1
(округлить до целого);
b1
= b2
+ (2…5)
мм.
Если Y
bd
12
<
0,2
, принимают Y
bd
12
= 0,2…0,25
и переходят к определению b
2
и b
1
. Передача в этом случае будет работать с недогрузкой по контактным напряжениям. Для снижения недогрузки 1-й ступени целесообразно скорректировать [
s
H
]12
,
изменив материал зубчатых колес z
2
и z
1
, либо назначив другой вид термообработки.
Дальнейший расчет ведут, используя формулы и рекомендации, приведенные в разделе 6.2, в таком порядке:
- определяют mn
12
;
- назначают предварительно b
12
;
- вычисляют z
1
и z
2
;
- уточняют u
12
,
b
12
,
d
1
и определяют d
2
;
- вычисляют V
12
и назначают экономически целесообразную степень точности зубчатых колес.
6.4. Определение усилий в зацеплении
Для
некорригированных цилиндрических передач
(рис. 6.2.а), а также для корригированных передач при х1
+ х2
= 0
усилия в зацеплении определяются по следующим формулам:
- окружное усилие , Н
;
- радиальное усилие 
(при х1
+ х2
= 0 aw
= a = 200
);
- осевое усилие .
Для конических колес
(рис. 6.2, б):
- окружное усилие ;
- радиальное усилие
(6.4)
(a = 200
);
- осевое усилие
. (6.5)
В формулах (6.4) и (6.5) знак зависит от направления вращения шестерни (наблюдать со стороны большого торца) и линий наклона зуба как винтовой линии (табл. 6.2).
Таблица 6.2
| Направление вращения шестерни
|
Линия наклона зуба
|
Знак
|
| формула (6.4)
|
формула (6.5)
|
| По часовой стрелке
|
правая
левая
|
-
+
|
+
-
|
| Против часовой стрелки
|
правая
левая
|
+
-
|
-
+
|

Рис .6.2
6.5. Проверочный расчет зубчатых передач на усталостную прочность по контактным напряжениям.
Расчетные формулы имеют вид:
для цилиндрических передач
; (6.6)
для конических передач
. (6.7)
В этих формулах:
ZE
- коэффициент, учитывающий механические свойства спряженных зубчатых колес; для стальных колес при Е = 2,1×105
МПа ZE
= 190;
Z
e
- коэффициент, учитывающий суммарную длину контактных линий; для прямозубых передач , для косозубых и шевронных передач .
Для передач, составленных из зубчатых колес, нарезанных без смещения исходного контура, а также при выполнении высотной коррекции зубьев (х
å
= х1
+ х2
= 0) коэффициент торцового перекрытия ea
можно определять по приближенной зависимости:
(" + " - для передач внешнего зацепления).
При расчете конических передач в формулу следует подставлять эквивалентные числа зубьев .
ZH
- коэффициент, учитывающий форму зубьев.
При a = 200
.
K
Н
- коэффициент нагрузки.
KH
12
=
KA
KH
b
12
KHV
12
KH
a
12
, где дополнительно:
KA
- коэффициент, учитывающий внешнюю динамическую нагрузку. Для приводов с асинхронным электрическим двигателем и с равномерной нагрузкой ведомой машины KA
= 1;
K
Н
b
- коэффициент, учитывающий неравномерность распределения нагрузки по длине зуба (можно сохранить значение, принятое при проектировочном расчете);
K
Н
V
- коэффициент, учитывающий динамическую нагрузку в зацеплении. Выбирается по табл. 6.3;
K
Н
a
-коэффициент, учитывающий распределение нагрузки между зубьями.
Для прямозубых передач K
Н
a
= 1; для косозубых передач рекомендации приведены на рис 6.3.
Таблица 6.3. Коэффициенты K
Н
V
.
| Степень
точности
|
Твердость
зубьев колеса*
)
|
V, м/с
|
| 1
|
2
|
4
|
6
|
8
|
| 7
|
а
|
1,04
1,02
|
1,07
1,03
|
1,14
1,05
|
1,21
1,06
|
1,29
1,07
|
| б
|
1,03
1,01
|
1,05
1,01
|
1,09
1,02
|
1,14
1,03
|
1,19
1,03
|
| 8
|
а
|
1,04
1,01
|
1,08
1,02
|
1,16
1,04
|
1,24
1,06
|
1,32
1,07
|
| б
|
1,03
1,01
|
1,06
1,01
|
1,10
1,02
|
1,16
1,03
|
1,22
1,04
|
| 9
|
а
|
1,05
1.01
|
1,10
1,03
|
1,20
1,05
|
1,30
1,07
|
1,40
1,09
|
| б
|
1,04
1,01
|
1,07
1,01
|
1,13
1,02
|
1,20
1,03
|
1,25
1,04
|
*
)
а - НВ2
£ 350; б - НВ2
> 350.
Верхние значения К
HV
относятся к прямозубым передачам, нижние - к косозубым.

Рис.6.3
Примечание
. Цифры у кривых обозначают степень точности зубчатого колеса по нормам плавности работы.
После определения величины контактных напряжений по формуле (6.6) или (6.7) необходимо проверить степень загрузки передачи по контактным напряжениям. Должно удовлетворяться условие:
,
т.е. для хорошо спроектированной передачи перегрузка по контактным напряжениям не должна превышать 5%, а недогрузка - 10%. Управлять запасом контактной прочности удобнее всего, варьируя величину d
1
или bW
12
.
6.6. Проверочный расчет зубьев на усталостную прочность по напряжениям изгиба.
Расчет производится отдельно для зубьев шестерни и колеса по формулам:
для цилиндрических передач
;
для конических передач
.
В этих формулах обозначено:
YFS
- коэффициент, учитывающий форму зуба и концентрацию напряжений. Определяется отдельно для шестерни и колеса (см. рис. 6.4) для цилиндрических колес в зависимости от эквивалентного числа зубьев zVi
=
zi
/
cos
3
b
i
, а для конических колес - от биэквивалентного числа зубьев zVni
=
zi
/
;
Y
b
- коэффициент, учитывающий наклон зуба ;
(eb
- см. раздел 6.2);
Y
ε
- коэффициент, учитывающий перекрытие зубьев в зубчатых передачах. Для прямозубых передач Y
ε
= 1, для косозубых Y
ε
= 1/
e
a
;
К
F
- коэффициент нагрузки К
F
12
=
KA
KF
a
12
KF
b
12
KFV
12
;
КА
- коэффициент, учитывающий внешнюю динамическую нагрузку (см. раздел 6.5);
KF
a
- коэффициент, учитывающий распределение нагрузки между зубьями.
Для прямозубых передач KF
a
= 1, для косозубых передач рекомендации приведены на рис.6.3.
KF
b
- коэффициент, учитывающий распределение нагрузки по ширине зубчатого венца (коэффициент концентрации нагрузки). При постоянной нагрузке KF
b
= 1, при переменной выбирается с помощью графиков, приведенных на рис.6.1.
К
FV
- коэффициент, учитывающий динамическую нагрузку, возникающую в зацеплении (коэффициент динамичности). Выбирается по табл. 6.4.
При расчете зубчатой передачи на изгиб нет жестких ограничений на недогрузку. Однако она легко может быть устранена уменьшением модуля. Если при этом величины делительных диаметров сохранить неизменными, то не изменится и запас прочности по контактным напряжениям.

Рис.6.4
Таблица 6.4
Значения коэффициента KFV
| Степень
точности
|
Твердость
зубьев*
)
|
V
1
, м/с
|
| 1
|
2
|
4
|
6
|
8
|
| 7
|
а
|
1,08
1,03
|
1,16
1,06
|
1,33
1,11
|
1,50
1,16
|
1,67
1,22
|
| б
|
1,03
1,01
|
1,05
1,02
|
1,09
1,03
|
1,13
1,05
|
1,17
1,07
|
| 8
|
а
|
1,10
1,03
|
1,20
1,06
|
1,38
1,11
|
1,58
1,17
|
1,78
1,23
|
| б
|
1,04
1,01
|
1,06
1,02
|
1,12
1,03
|
1,16
1,05
|
1,21
1,07
|
| 9
|
а
|
1,13
1,04
|
1,28
1,07
|
1,50
1,14
|
1,77
1,21
|
1,98
1,28
|
| б
|
1,04
1,01
|
1,07
1,02
|
1,14
1,04
|
1,21
1,06
|
1,27
1,08
|
*
)
а - НВ2
£ 350; б - НВ2
> 350.
Верхние значения К
FV
относятся к прямозубым передачам, нижние - к косозубым.
6.7. Проверочный расчет прочности зубьев при перегрузках
Максимальные крутящие моменты, возникающие в приводе, например, при пуске машины (см. рис.3.1.), могут привести к потере статической прочности зубьев. Поэтому спроектированную передачу обычно проверяют на статическую прочность зубьев по контактным напряжениям и напряжениям изгиба зубьев:


где дополнительно Tmax
/
T
ном
- кратность максимального момента, определяемая характеристикой двигателя или графиком нагрузки.
По завершении расчетов основные результаты следует свести в таблицу следующей формы:
| Параметр
|
1 ступень
|
П ступень
|
Межосевое расстояние
|
aW
12
=
|
aW34
=
|
| *
Внешнее конусное расстояние
|
Re
12
=
|
-
|
| Ширина венца шестерни
|
b
1
=
|
b3
=
|
| Ширина венца колеса
|
b
2
=
|
b4
=
|
| Модуль
|
mn12
(mte12
) =
|
mn34
=
|
| Число зубьев шестерни
|
z
1
=
|
z3
=
|
| Число зубьев колеса
|
z2
=
|
z4
=
|
| Угол наклона зубьев
|
b
12
(
b
*
m12
) =
|
b
34
=
|
| Начальный диаметр шестерни
|
d1
(d
*
e1
)
=
|
d3
=
|
| Начальный диаметр колеса
|
d2
(d
*
e2
)
=
|
d4
=
|
| Диаметр вершин шестерни
|
da1
(d
*
ae1
)
=
|
da3
=
|
| Диаметр вершин колеса
|
da2
(d
*
ae2
)
=
|
da4
=
|
| *
Угол начального конуса
|
d
1
= , d2
=
|
-
|
Параметры, помеченные звездочкой - только для конических зубчатых передач.
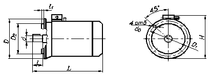
ПРИЛОЖЕНИЯ
Двигатели трехфазные асинхронные серии 4 А

Исполнение 1М 1081 (на лапах)

Исполнение 1М 3081 (с фланцем)
Таблица П.1
Двигатели трехфазные асинхронные исполнения 1М 1081 (на лапах)
| Тип
двигателя
|
Число
полюсов
|
Р а з м е р ы, мм
|
Масса,
кГ
|
| L
|
L1
|
H
|
D
|
d
|
d1
|
l
|
l
1
|
l
2
|
в
|
| 4А80А
|
2,4,6
|
355
|
300
|
218
|
186
|
22
|
10
|
50
|
50
|
100
|
125
|
17,5
|
| 4А80В
|
375
|
320
|
218
|
186
|
22
|
50
|
50
|
100
|
125
|
20,0
|
| 4А90L
|
400
|
350
|
243
|
208
|
24
|
50
|
56
|
125
|
140
|
28,7
|
| 4А100S
|
427
|
365
|
265
|
235
|
28
|
12
|
60
|
63
|
112
|
160
|
36,0
|
| 4A100L
|
457
|
395
|
280
|
28
|
140
|
42,0
|
| 4A112M
|
534
|
452
|
310
|
260
|
32
|
80
|
70
|
140
|
190
|
56,0
|
| 4A132S
|
4,6
|
560
|
480
|
350
|
302
|
38
|
89
|
140
|
216
|
71,0
|
| 4А132М
|
2,4,6
|
610
|
530
|
178
|
216
|
93,0
|
| 4А160S
|
2
|
737
|
624
|
430
|
358
|
42
|
15
|
110
|
108
|
178
|
254
|
130,0
|
| 4,6
|
48
|
135,0
|
| 4А160М
|
2
|
780
|
667
|
42
|
210
|
145,0
|
| 4,6
|
48
|
160,0
|
Таблица П.2
Двигатели трехфазные асинхронные исполнения 1М 3081 (с фланцем)
| Тип
двигателя
|
Число
полюсов
|
Р а з м е р ы, мм
|
Масса,
кГ
|
| L
|
H
|
D
|
D1
|
D2
|
l
|
l
1
|
d
|
d0
|
| 4A80A
|
2,4,6
|
300
|
138
|
200
|
165
|
130
|
50
|
3,5
|
22
|
12
|
18,3
|
| 4A80B
|
2,4,6
|
320
|
20,3
|
| 4A90L
|
2,4,6
|
350
|
153
|
250
|
215
|
180
|
50
|
4
|
24
|
15
|
30,0
|
| 4A100S
|
2,4,6
|
365
|
168
|
60
|
28
|
37,0
|
| 4A100L
|
2,4,6
|
395
|
168
|
60
|
28
|
42,8
|
| 4A112M
|
2,4,6
|
452
|
198
|
300
|
265
|
230
|
80
|
32
|
58,0
|
| 4A132S
|
4,6
|
480
|
218
|
350
|
300
|
250
|
5
|
38
|
19
|
82,0
|
| 4A132M
|
2,4,6
|
530
|
218
|
38
|
97,0
|
| 4A160M
|
2
|
667
|
270
|
110
|
42
|
145,0
|
| 4,6
|
48
|
160,0
|
| 4A160S
|
2
|
624
|
170
|
42
|
130,0
|
| 4,6
|
48
|
135,0
|
Л и т е р а т у р а
1. Передачи зубчатые цилиндрические эвольвентные внешнего зацепления. Расчет на прочность. ГОСТ 21354-87.- М.: Изд-во стандартов, 1988.- 127 с.
2. Решетов Д.Н. Детали машин.- М.: Машиностроение, 1989.- 496 с.
|