| nhfypbcnth
МИНИСТЕРСТВО оБРАЗОВАНИЯ РОССИЙСКОЙ ФЕДЕРАЦИИ
Московский государственный институт электроники и математики
(Технический университет)
Кафедра “Электроника и электротехника”
КУРСОВАЯ РАБОТА
на тему
«
Расчет характеристик КМОП транзистрора»
по дисциплине «Электроника»
Вариант 74
Выполнил:
Фокин Ю. А. , С-45
Руководитель:
к.т.н., доцент Л.М.Самбурский
Москва 2011
Задание.
Дано:
КМОП схема ИЛИ-НЕ

Минимальный размер 5мкм,
Толщина окисла 60 нм.
Требуется:
1. Описать принцип работы схемы.
2. Выбрать и описать технологию изготовления схемы.
3. Нарисовать структуру транзистора.
4. Рассчитать параметры элементов схемы.
5. С помощью Spice рассчитать:
а) передаточную характеристику схемы;
б) переходную характеристику схемы;
в) потребляемый ток
г) статическую и динамическую потребляемую мощности
6. Нарисовать топологию всей схемы.
7. Сравнить с аналогами, выпускаемыми промышленностью.
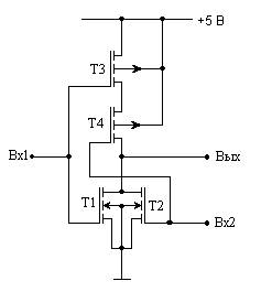
1.
Принцип работы схемы.
Таблица истинности для логического элемента ИЛИ-НЕ:
| Bxl
|
Вх2
|
Вых
|
| 0
|
0
|
1
|
| 0
|
1
|
0
|
| 1
|
0
|
0
|
| 1
|
1
|
0
|
Т1 и Т2 - n-канальные
ТЗ и Т4 - р-канальные
Уровень логического нуля для КМОП схем приблизительно равен нулю, а уровень логической единицы приблизительно равен Епит
.


Пусть на вход Вх1 подается уровень логической единицы, тогда транзистор Т1 открывается, а ТЗ запирается. Тогда на выходе получается логический ноль, независимо от того, что было подано на вход Вх2.
При подаче логической единицы на вход Вх2 транзистор Т2 открывается, а Т4 запирается. Тогда, аналогично, на выходе получается логический ноль, независимо от того, что было подано на вход Вх1.
Если подаются нули на оба входа, то транзисторы Т1 и Т2 будут заперты, а транзисторы ТЗ и Т4 – открыты. Тогда получается, что выход присоединен к питанию, и на выходе мы имеем уровень логической единицы.
2. Технология изготовления схемы.
В изготовлении КМОП-схем применяются технологии самосовмещенного кремниевого затвора и ионного внедрения. Технология самосовмещенного кремниевого затвора подразумевает, что на общей подложек формируются транзисторы с каналами р-типа и n-типа.
Методом фотолитографии из поликристаллического кремния формируют шины затвора шириной 3..5 мкм и проводники первого (если не считать диффузионных шин) слоя межэлементных соединений. Диффузия примесей, производимая после формирования дорожек из ППК. Приводит к формированию областей истоков и стоков и одновременно к легированию ППК, что снижает его поверхностное сопротивление. Шины затвора из ППК защищают при диффузии области каналов от проникновения акцепторной примеси, благодаря чему области истоков и стоков автоматически совмещаются с затвором и обеспечивают перекрытие затвором этих областей менее 1 мкм.
Забиваем Сайты В ТОП КУВАЛДОЙ - Уникальные возможности от SeoHammer
Каждая ссылка анализируется по трем пакетам оценки: SEO, Трафик и SMM.
SeoHammer делает продвижение сайта прозрачным и простым занятием.
Ссылки, вечные ссылки, статьи, упоминания, пресс-релизы - используйте по максимуму потенциал SeoHammer для продвижения вашего сайта.
Что умеет делать SeoHammer
— Продвижение в один клик, интеллектуальный подбор запросов, покупка самых лучших ссылок с высокой степенью качества у лучших бирж ссылок.
— Регулярная проверка качества ссылок по более чем 100 показателям и ежедневный пересчет показателей качества проекта.
— Все известные форматы ссылок: арендные ссылки, вечные ссылки, публикации (упоминания, мнения, отзывы, статьи, пресс-релизы).
— SeoHammer покажет, где рост или падение, а также запросы, на которые нужно обратить внимание.
SeoHammer еще предоставляет технологию Буст, она ускоряет продвижение в десятки раз,
а первые результаты появляются уже в течение первых 7 дней.
Зарегистрироваться и Начать продвижение
1. Первое окисление.

2. Первая фотолитография.

3. Диффузия бора (загонка).

4. Второе окисление. Разгонка бора.

5. Вторая фотолитография.

6. Диффузия бора (загонка).

7. Третье окисление. Разгонка бора.

8. Третья фотолитография.

9. Диффузия фосфора (загонка).

10. Четвертое окисление. Разгонка фосфора.

11. Четвертая фотолитография (под тонкий окисел).

12. Пятое окисление.

13. Осаждение поликремния.

14. Пятая фотолитография по поликремнию.

15. Шестая фотолитография (под контакты).

16. Осаждения алюминия (металлизация).

17. Седьмая фотолитография по алюминию.

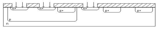
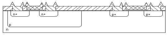
3. Структура транзистора.

4. Расчет параметров элементов схемы.
Для расчетов будем использовать следующие константы, величины и формулы.
| - диэлектрическая проницаемость вакуума
- диэлектрическая проницаемость кремния
- удельная ёмкость подзатворного диэлектрика
- толщина окисла(по условию)
- диэлектрическая проницаемость окисла SiO2
- потенциал Ферми для n-канального КМОП-транзистора

- тепловой потенциал
- постоянная Больцмана
- комнатная температура
- заряд электрона
- собственная концентрация носителей в Si
- концентрация внедренных в канал n-канального КМОП - транзистора ионов
- потенциал Ферми для p-канального КМОП - транзистора
- концентрация внедренных в канал p-канального КМОП-транзистора ионов
- подвижность электронов вблизи поверхности.
- подвижность дырок вблизи поверхности.
|
Расчет удельной емкости подзатворного диэлектрика, коэффициентов крутизны и размеров канала.
Удельная емкость подзатворного диэлектрика - C
0

Крутизну n-канального КМОП-транзистора:


Крутизна р-канального КМОП-транзистора:


Определим размеры канала:
Для оптимальной работы схемы должно выполняться равенство:

где , - ширина и длина канала n-канального КМОП-транзистора;
, - ширина и длина канала p-канального КМОП-транзистора;
По условию минимальный размер min = 5 мкм.
Пусть = 10 * min = 50мкм, = = 2 * min = 10 мкм.
Тогда выразим и найдем из вышеуказанного равенства:

Расчет порогового напряжение
n
-канального КМОП-транзистора.
Сервис онлайн-записи на собственном Telegram-боте
Попробуйте сервис онлайн-записи VisitTime на основе вашего собственного Telegram-бота:
— Разгрузит мастера, специалиста или компанию;
— Позволит гибко управлять расписанием и загрузкой;
— Разошлет оповещения о новых услугах или акциях;
— Позволит принять оплату на карту/кошелек/счет;
— Позволит записываться на групповые и персональные посещения;
— Поможет получить от клиента отзывы о визите к вам;
— Включает в себя сервис чаевых.
Для новых пользователей первый месяц бесплатно.
Зарегистрироваться в сервисе
Uпор-
n
вычисляется по формуле:

- потенциал Ферми для n-канального КМОП-транзистора.
- разность работ выхода электронов из затвора и полупроводника подложки n-канального КМОП-транзистора.

- потенциал Ферми для затвора n-канального КМОП-транзистора
- концентрация внедренных в затвор n-канального КМОП-транзистора ионов

-плотность заряда на границе раздела Si - SiO2
для структуры кремния;
–
удельная емкость подзатворного диэлектрика (найдено ранее)
Имея теперь все необходимые постоянные и величины, подставляем их в формулу для расчета порогового напряжения n-канального КМОП-транзистора и получаем его значение.


Расчет порогового напряжения
p
-канального КМОП-транзистора.
Uпор-
p
вычисляется по формуле:
- потенциал Ферми для p-канального КМОП-транзистора
- разность работ выхода электронов из затвора и полупроводника подложки p-канального КМОП-транзистора:

- потенциал Ферми для затвора p-канального КМОП-транзистора;
- потенциал Ферми для подложки p-канального КМОП-транзистора;

Пороговое напряжение p-канального КМОП-транзистора.
.

Расчет емкостей.
Емкости р-п переходов.
Емкости p-n-переходов исток-подложка и сток-подложка:

Spn
- площадь р-n перехода (т.е. площадь донной части перехода сток-подложка и исток-подложка)

L
= 2min = 10 мкм,
W
n
=10min=50 мкм - для n-канального КМОП транзистора
W
p
= 150 мкм - для р-канального КМОП транзистора,
xj
= 1 мкм.


где ;
концентрация внедренных в канал n-канального КМОП-транзистора ионов.
концентрация внедренных в канал p-канального КМОП-транзистора ионов.
(в программе P-Spice ССП
= CBD и СИП
= CBS)
Рассчитаем емкости p-n-переходов n-канального КМОП-транзистора:



Рассчитаем емкость p-n переходов p-канального КМОП-транзистора:



Емкости перекрытия каналов.
Величины перекрытий затвор-сток и затвор-исток одинаковы и равны dпер
= 0,1мкм
,
поэтому соответствующие емкости будут одинаковы. Их можно вычислить по формуле:

где удельная емкость подзатворного диэлектрика
Wn
= 50 мкм
- длина области перекрытия (ширина канала) для n-канального КМОП транзистора;
Wp
= 150 мкм -
длина области перекрытия (ширина канала) для р-канального КМОП транзистора;
(в программе P-Spice СЗС
= CGDO и CИЗ
=CGSO).
Емкость перекрытия каналов n-канального КМОП-транзистора:


Емкость перекрытия каналов p-канального КМОП-транзистора:


Емкости под затворами.
Эти удельные емкости перекрытия между затвором и подложкой на длину перекрытия (в P-Spice CGBO) не оказывают на работу схемы значительного влияния и поэтому ими можно пренебречь:

Суммарная емкость.
Суммарная емкость – это алгебраическая сумма всех емкостей схемы (емкости двух n-канальных транзисторов + емкости двух p-канальных транзисторов + нагрузочная емкость).
Снагр
– нагрузочная емкость, подключается к выходу схемы.
Снагр
=50 пФ.
(в программе P-Spice Снагр
=С
load
).


5. Расчет с помощью программы
P
-
Spice
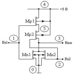
Обозначим элементы схемы и пронумеруем узлы:

Передаточная характеристика схемы
Текст программы в P-Spice:
Kurs KMOP peredatochnaya
Vpit 4 0 5
Vin1 1 0 0
Vin2 2 0 0
Mn1 3 1 0 0 nm
Mn2 3 2 0 0 nm
.model nm nmos (W=50u L=10u Vto=1.02 level=1 kp=35.4u)
Mp1 4 1 5 4 pm
Mp2 5 2 3 4 pm
.model pm pmos (W=150u L=10u Vto= -0.97 level=1 kp=11.8u)
. DC Vin2 0 5 0.01
.PROBE
.END
Из полученной передаточной характеристики имеем следующие значения величин:


- логический перепад
- порог переключения:
Vn
= 2,5В
- помехоустойчивость по положительной помехе:
2,04 – 0 = 2,04 B
- помехоустойчивость по отрицательной помехе:
5 – 2,74 = 2,26 B
90% - общая помехоустойчивость (в процентах от Епит
)
Переходная характеристика схемы
Текст программы в P-Spice:
Kurs KMOP perehodnaya
Vpit 4 0 5
Vin1 1 0 pulse(0 5 100n 83.4n 83.4n 200n 566.8n)
Vin2 2 0 0
Cload 3 0 50p
Mnl 3 1 0 0 nm
Mn2 3 2 0 0 nm
.model nm nmos (W=50u L=10u Vto=1.02 level=1 kp=35.4 u CBD=41f
+CBS=41f CGSO=3,54f CGDO=3,54f CGBO=0 Tox=50n UO=600 LD=0.1um)
Mp1 4 1 5 4 pm
Mp2 5 2 3 4 pm
.model pm pmos (W=150u L=10u Vto= -0.97 level=1 kp=11.8 u CBD=117f
+CBS=117f CGSO=10.62f CGDO=10,62f CGBO=0 Tox=50n UO=200 LD=0.1um)
.tran 10р 10u
.probe
.end
Из полученной передаточной характеристики имеем следующие значения величин:
41.61 нс 61,13 нс 41,58 нс 51,52 нс
=67,34 нс
Статическая и динамическая мощности, потребляемые схемой
Статическая мощность определяется выражением:

, - входные токи потребления (при напряжениях на входе и соответственно).
Входные напряжения подаются на затворы транзисторов. Через затворы токи течь не могут, т.к. между затвором (проводником) и каналом лежит диэлектрик, поэтому:

Тогда статическая мощность будет равна:

Динамическая мощность определяется выражением:
- частота переключения

- суммарная емкость схемы
Тогда динамическая мощность будет равна:

6. Топология всей схемы.

7. Сравнение с аналогами, выпускаемыми в промышленности.
Для сравнения возьмем интегральную схему К564ЛА7:
| Параметр
|
Спроектированная схема
|
Аналог К564ЛЕ5
|
| Напряжение питания Епит
|
+5 В
|
+3 В .. +5 В
|
| Номинальная рабочая температура t0
|
+270
C
|
+250
C
|
| Напряжение лог. 1 U1
лог
|
+5 В
|
+4,99 В
|
| Напряжение лог. 0 U0
лог
|
0 В
|
+0,01 В
|
| Максимальный уровень положительной помехи 
|
2,04 B
|
1,5 В
|
| Помехоустойчивость U
П
,
в процентах от Епит
|
70
|
90
|
| Среднее время задержки tЗД
, нc при емкости нагрузки Снагр
=50 пФ
|
50
|
67,34
|
| Максимальная входная частота fП
, МГц
|
10
|
1,76
|
В данной курсовой работе была спроектирована схема логического элемента ИЛИ-НЕ на комплементарных МОП-транзисторах. Промышленный аналог данного элемента К564ЛЕ5. Спроектированная схема обладает лучшей помехозащищенностью, но способна работать на меньшей частоте.
|