| Московский Государственный Технический Университет имени Н. Э. Баумана
Курсовая работа
по
Выполнил:
студент группы СМ7-71
Васильев А. Ю.
Руководитель:
Чемоданов Б.К.
Москва, 2006 г.
Содержание
Техническое задание………………………………………………………………….....………3
Часть 1.
1. Вывод уравнения силовой части………………………………..………………......……….5
2. Построение желаемой ЛАЧХ………………………………………………...……..………..7
2.1. Нахождение координат рабочей точки…………………….……………..….……7
2.2. Построение желаемой ЛАЧХ………………………………………….………..….7
2.3. Расчет параллельного корректирующего устройства………………….….…..….8
2.4. Техническая реализация параллельного КУ…………………………….….…..…9
2.5. Проверка устойчивости внутреннего контура…………………………..…….....10
2.6. Проверка устойчивости всей системы……………………………….….………..11
3. Аналоговая САР с возмущающим воздействием………………………………………….11
4. Введение связи по возмущающему воздействию………………………………………….14
Приложение 1.………………………………………..…………………………………...…….16
Часть 2.
1. Построение желаемой ЛАЧХ..……………………………………..………………….……17
2. Расчет параллельного корректирующего устройства...…………..………………….……18
3. Техническая реализация параллельного КУ ………………….…………………...………19
4. Проверка устойчивости внутреннего контура…………….…..…..………………….……20
5. Проверка устойчивости всей системы……….…………….…………………..…..…….…20
6. Переходный процесс САУ...………………….…………….…..…..…………………….…21
7. Расчет коэффициентов усиления устройств, входящих в САУ………………….…….....21
8. Введение в состав САУ нелинейного элемента……………………………………………22
Приложение 2….……………………………….…………….…..……..………………………24
Техническое задание
Часть 1.
Спроектировать следящую САУ, согласно Схеме 1, в соответствии со следующими параметрами:
1. Момент инерции, приведенный к валу двигателя:
кг·м2
,
2. Передаточное число редуктора :
iр
= 600,
3. Номинальный момент двигателя:
Мдв.н
= 6,2 Н·м,
4. Возмущающий момент на валу двигателя
Мв
= 0,5·Мдв.н
,
5. Номинальный ток двигателя:
Iд
.н
= 9 A,
6. Сопротивление якорной цепи:
Rя
= 1 Ом,
7. Электрическая постоянная времени:
Тэ
= 0,2
c,
8. Номинальная скорость вращения двигателя:
nдв.н
= 2500 об/мин,
9. Номинальное напряжение двигателя:
Uдв.н
= 220 В,
10. Скорость изменения управляющего воздействия:

11. Максимальная ошибка:

Часть 2.
Спроектировать следящую САУ, согласно Схеме 1 (Часть 1 ТЗ), в соответствии с параметрами, представленными в Части 1 данного ТЗ и следующими требованиями к переходному процессу:
Забиваем Сайты В ТОП КУВАЛДОЙ - Уникальные возможности от SeoHammer
Каждая ссылка анализируется по трем пакетам оценки: SEO, Трафик и SMM.
SeoHammer делает продвижение сайта прозрачным и простым занятием.
Ссылки, вечные ссылки, статьи, упоминания, пресс-релизы - используйте по максимуму потенциал SeoHammer для продвижения вашего сайта.
Что умеет делать SeoHammer
— Продвижение в один клик, интеллектуальный подбор запросов, покупка самых лучших ссылок с высокой степенью качества у лучших бирж ссылок.
— Регулярная проверка качества ссылок по более чем 100 показателям и ежедневный пересчет показателей качества проекта.
— Все известные форматы ссылок: арендные ссылки, вечные ссылки, публикации (упоминания, мнения, отзывы, статьи, пресс-релизы).
— SeoHammer покажет, где рост или падение, а также запросы, на которые нужно обратить внимание.
SeoHammer еще предоставляет технологию Буст, она ускоряет продвижение в десятки раз,
а первые результаты появляются уже в течение первых 7 дней.
Зарегистрироваться и Начать продвижение
1. Перерегулирование:

2. Время переходного процесса:
.
3. Угол отработки ступеньки:

Ввести в состав САР нелинейный элемент и исследовать систему на наличие предельных циклов. При этом известно, что если сопрягающая асимптота желаемой ЛАЧХ имеет наклон +40дБ/дек, предельные циклы в системе не возникнут.
ЧАСТЬ 1
1. Вывод уравнения силовой части.
Составим уравнение силовой части следящей системы. В качестве исполнительного двигателя в системе используется двигатель постоянного тока независимого возбуждения, схема замещения которого имеет следующий вид:

Запишем уравнения, согласно схеме замещения:
(1.1)
(1.2)
где (1.3)
(1.4)
Uя
– напряжение якоря,
iя
– ток якоря,
Lя
– индуктивность якоря,
Rя
– активное сопротивление якоря,
J’ –
суммарный момент инерции, приведенный к валу двигателя,
Мдв.н
– момент, развиваемый двигателем,
Мв.дв
–
момент возмущения, приведенный к валу двигателя,
- скорость вращения ротора двигателя,
Ея
– противо-ЭДС,
- коэффициент противо-ЭДС (конструктивная постоянная двигателя),
kм
– конструктивная постоянная двигателя.
Займемся рассмотрением уравнений (1.1) – (1.4):

(1.5)

  
Введем обозначения:
- постоянная времени нарастания тока якоря (из-за наличия Lя
) (1.6)
- постоянная времени нарастания скорости ИД. (1.7)
С учетом принятых обозначений имеем:

(1.8)
Введем обозначение:
(1.9)
Рассчитаем значение Тэм
:
(1.10)
(1.11)

Представим уравнение (1.9) в виде:
(1.12)
Где (1.13)
(1.14)
2. Построение желаемой ЛАЧХ
Выбираем желаемую обратную ЛАЧХ второго типа. При этом для коррекции ЭСП используются обратные связи по скорости, ускорению и моменту ИД, а также последовательное корректирующее устройство. Для упрощения реализации применяем общее корректирующее устройство во всех цепях обратных связей.
2.1. Получение передаточной функции разомкнутой системы
Запишем уравнение системы по структурной схеме:

(2.1.1)
Введём обозначения:
(2. 1. 2)
(2. 1. 3)
(2 .1 .4)
(2. 1. 5)
(2. 1. 6)
Введём обозначение: (2. 1. 7)
Окончательно, передаточная функция разомкнутой системы будет иметь вид:
(2. 1. 8)
2.2. Нахождение координат рабочей точки
Определим координаты т. Ар
исходя из требований по точности системы.
Находим рабочую частоту:
с-1
(2.2.1),
Определяем амплитуду гармонической составляющей управляющего воздействия:
(2.2.2),
Сервис онлайн-записи на собственном Telegram-боте
Попробуйте сервис онлайн-записи VisitTime на основе вашего собственного Telegram-бота:
— Разгрузит мастера, специалиста или компанию;
— Позволит гибко управлять расписанием и загрузкой;
— Разошлет оповещения о новых услугах или акциях;
— Позволит принять оплату на карту/кошелек/счет;
— Позволит записываться на групповые и персональные посещения;
— Поможет получить от клиента отзывы о визите к вам;
— Включает в себя сервис чаевых.
Для новых пользователей первый месяц бесплатно.
Зарегистрироваться в сервисе
Примем амплитуду гармонической составляющей ошибки равной 70% от заданной максимальной ошибки. Тогда:
(2.2.3).
При этом ордината рабочей точки равна:
(2.2.4).
Таким образом, координаты рабочей точки Ар
будут иметь значения:
;
рад/с (2.2.5)
2.2. Построение желаемой ЛАЧХ
Передаточная функция неизменяемой части имеет вид:
(2.3.1)
Исходя из найденных значений координат рабочей точки (2.1.5), строим . По построенному графику определяем значение коэффициента усиления разомкнутой системы:
с-1
(2.3.2).
Такой высокий коэффициент усиления недопустим, так как помехи забьют полезный сигнал. Для уменьшения коэффициента усиления введем в систему задающий тахогенератор. Тогда эквивалентная ЛАЧХ в области низких частот будет иметь -2 наклон и коэффициент усиления эквивалентной системы будет равен . Такой коэффициент усиления приемлем для технической реализации.
Покажем, что в низкочастотной области ЛАЧХ пройдёт с -2 наклоном:
Из структурной схемы системы с учётом , где - регулируемая величина угла, g- сигнал управления, - сигнал ошибки, получаем:

(2. 3. 3)
Введём обозначение:
(2. 3. 4)
(2. 3. 5)
(2. 3. 6)
Так как и на низких частотах W(p)>>1,то окончательно имеем:
(2. 3. 7)
На низкой частоте , поэтому при выполнении условия 
(на низких частотах) (2. 3. 8)
Передаточная функция разомкнутой системы во всей полосе частот имеет вид:

(2. 3. 9)
(2. 3. 10)
(2. 3. 11)
Введём обозначение: (2. 3. 12)
Окончательно, передаточная функция разомкнутой системы будет иметь вид:
(2. 3. 13)
При апериодическая составляющая в знаменателе исчезает и передаточная функция разомкнутой системы с задающим тахогенератором становится равной передаточной функции разомкнутой системы при его отсутствии. Примем это на данном этапе без доказательства. После расчёта коэффициентов усиления входящих в САР устройств проверим верность предположения.
Из т. Ар
проводим прямую с наклоном +40 дБ/дек до уровня – 13 дБ. Из полученной точки проводим прямую с наклоном +20 дБ/дек до пересечения с графиком . Полученный запас устойчивости (4 дБ) слишком мал. Необходимо вести последовательное корректирующее устройство, чтобы обеспечить запас устойчивости в 13 дБ. Желаемая ЛАЧХ выделена на графике 1 красным цветом.
Частота среза системы, исходя из графика, равна:
1/с (2.2.3).
2.3. Передаточная функция и техническая реализация последовательного корректирующего устройства.
По построениям определяем передаточную функцию последовательного корректирующего устройства П(s):
(2.3.1)


- коэффициент усиления последовательного корректирующего устройства.
На структурной схеме отдельно выделен и , чтобы учесть в µ.
На практике передаточную функцию 2.3.1 можно реализовать дифференцирующим RC-контуром.
Передаточная функция данного контура имеет вид:
(2.3.2)

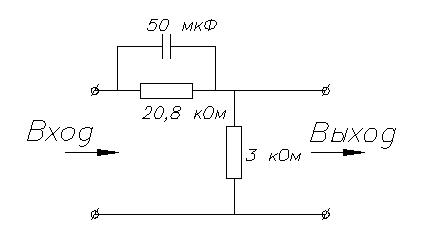
Выберем конденсатор емкостью С= 50 мкФ, тогда:


2.4. Расчет параллельного корректирующего устройства
В общем виде обратную передаточную функцию системы, представленной на Схеме 1, можно представить в виде:
(2.1)
Второе слагаемое характеризует . Запишем передаточную функцию, применив к ЛАЧХ, изображенным на графике 1 принцип сопоставления. Получим:
(2.4.1)
С целью упрощения реализации параллельного корректирующего устройства и улучшения параметров устойчивости проведем ЛАЧХ начиная с точки В под наклоном +40 дБ/дек. В этом случае имеем:
(2.4.2)
Потребуем, чтобы:
(2.4.3)
Тогда:
(2.4.4)
Исходя из (2.4.2), с учетом (2.3.1), (2.4.4) получаем:
(2.4.5)
Потребуем, чтобы:
(2.4.6)
где b = 0,0046
c2
–
найдено из построений на Графике 1.
Откуда:
(2.4.7)
С учетом (2.4.7) и (2.4.4) получим:
с (2.4.8).
Итак, передаточная функция параллельного корректирующего устройства имеет вид:
(2.4.9),
где .
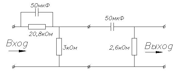
2.5. Техническая реализация параллельного корректирующего устройства.
Реализовывать корректирующее устройство будем посредством последовательного соединения RC-цепочек.
(2.4.9).
Вторая RC-цепочка имеет вид:

(2.5.1).
Примем Ф = 50 мкФ
, тогда:
2.6. Проверка устойчивости внутреннего контура
Определим запас устойчивости внутреннего контура:
(2.6.1)
= + 900
+ 2·870
= + 2640
= + 2·900
– 870
+ 900
= + 1830
Запас устойчивости внутреннего контура больше 300
, что благоприятно сказывается на устойчивости системы.

2.7. Проверка устойчивости всей системы
Определим запас устойчивости всей системы, с учётом 
(2.7.1)
=+ 900
+ 900
– 770
+ 180
= 1210

Запас устойчивости всей системы удовлетворяет требованиям по устойчивости.
4.
Аналоговая САР с возмущающим воздействием
Нагрузка присоединена к ИД через редуктор, поэтому уравнение (1.8) можно представить в виде:
(3.1)
(3.2)
- коэффициент пропорциональности.
Составим уравнение системы в соответствии со структурной схемой (см. Схема 1):
(3.3)
где = 1,3 - коэффициент усиления датчика скорости (тахогенератора),
=0,001 Ом – сериесное сопротивление для выделения напряжения обратной связи,
- коэффициент усиления усилителя мощности,
коэффициент усиления ВТ.

где U0
– напряжение питания,
kТ1
,
kТ2
– коэффициенты трансформации СКВТ- датчика и СКВТ- приемника соответственно.
Положим g(t) = g = 0 и определим передаточную функцию системы по возмущающему воздействию:
 (3.7)
Введем обозначения: ,
- коэффициент усиления системы по моменту;
- коэффициент пропорциональности;

(при )
Тогда:
(3.8)
ЛАЧХ передаточной функции по возмущающему воздействию представлен на Графике 2.
Рассчитаем ошибку САР при возмущающем воздействии:
(3.9)


Расчетная ошибка САР оказалась меньше заданной (2’). Введение связи по возмущающему моменту не требуется.
5.
Введение связи по возмущающему воздействию
При введении связи по возмущающему воздействию возможно получить систему первого порядка астатизма по отношению к возмущающему воздействию. Это сведёт ошибку от постоянного возмущающего момента к нулю.
 (5.1)
Необходимо исключить постоянную составляющую в левой части равенства (5.1), поэтому:
(5. 2)
Тогда:
(5. 3)
(5.4)
Для определения величины ошибки при введении связи представим возмущающее воздействие как периодическую функцию с бесконечно большим периодом Т.

Разложим эту функцию в гармонический ряд Фурье, подсчитаем ошибку по каждой гармонике, а затем просуммируем их.
(5.5)
(5.6)
Как и следовало ожидать, имеем разложение данной нечётной функции по синусам.
| n
|

|

|

|

|

|
| 1
|
2368,23
|
0,628
|
-97,3408
|
0,032165
|
110,6312
|
| 3
|
789,41
|
1,884
|
-87,7984
|
0,032165
|
110,6312
|
| 5
|
473,646
|
3,14
|
-83,3614
|
0,032165
|
110,6312
|
| 7
|
338,3186
|
4,396
|
-80,4388
|
0,032165
|
110,6312
|
| 9
|
263,1367
|
5,652
|
-78,256
|
0,032165
|
110,6312
|
| 11
|
215,2936
|
6,908
|
-76,513
|
0,032165
|
110,6312
|
(5.7)
При суммарная ошибка на низкочастотном участке Y(p) стремится к постоянной величине, равной 616,6’. При увеличении Т суммарная ошибка на низкочастотном участке не изменяется, суммарная ошибка на среднечастотном и высокочастотном участке ЛАЧХ стремится к 0, поскольку уменьшается как амплитуда гармоник, так и ордината ЛАЧХ.
Данная ошибка не удовлетворяет требованиям точности.
5. Расчёт коэффициентов усиления устройств, входящих в САР
(2. 1. 2)
(2. 1. 3)
(2 .1 .4)
(2. 3. 4)



Пусть =1400, тогда =5,15



(4.1),

(4.2).
Моментную составляющую желательно свести к минимуму, поэтому:
(4.3).
Откуда:
(4.4).
Введем обозначение: .
Для упрощения реализации корректирующего устройства примем во внимание, что оно должно работать при частотах , тогда:
(4.5).
Передаточная функция системы по ошибке после введения связи по возмущающему моменту примет вид:
(4.6).
ЛАЧХ передаточной функции по ошибке при введении связи по возмущающему воздействию представлена на Графике 3.
Рассчитаем ошибку системы при частоте :
(4.7),
(4.8).
Сравнивая значения ошибки САР без связи по возмущающему воздействию и с ее введением, видим, что во втором случае ошибка уменьшилась почти на 2 порядка.
Приложение 1
ЧАСТЬ 2
1. Построение желаемой ЛАЧХ.
Рабочая точка имеет те же координаты, что и в Части 1. Определим левую границу частоты среза по графикам зависимости ,
tп
от Р
max
.

Для = 25%
имеем:
(1.1),
(1.2).
Определим правую границу частоты среза :
(1.3),
(1.4),
(1.5).
Тогда в соответствии с (1.4) имеем:

(1.6).
Окончательно получаем:
. (1.7).
Через рабочую точку проводим прямую под наклоном +60дБ/дек (условие возникновение предельных циклов) до уровня –
Lм
= -16 дБ
(найдено по номограмме). Из этой точки проводим среднечастотную асимптоту под наклоном +20дБ/дек до пересечения с ЛАЧХ неизменяемой части. См. График 1. В ходе построения получили:
b = 0.005 с3
(1.8),
(1.9.).
Полученное значение частоты среза удовлетворяет условию:
(1.10).
Пересечение и произошло в точке B, значение амплитуды в которой достаточно, чтобы система удовлетворяла требованиям по устойчивости и в введении последовательного корректирующего устройства нет необходимости:
(1.11).
2. Расчет параллельного корректирующего устройства.
Расчет параллельного корректирующего устройства будем производить теми же методами, что в Части 1.
С целью упрощения реализации параллельного корректирующего устройства и улучшения параметров устойчивости проведем ЛАЧХ начиная с точки В под наклоном +40 дБ/дек. В этом случае имеем:
(2.1).
Потребуем, чтобы:
(2.2),
Тогда:
(2.3).
Исходя из (2.1), с учетом (2.2) получаем:
(2.4).
Потребуем, чтобы:
(2.5),
Откуда:
[ед
] (2.6).
С учетом (2.3) и (2.6) получим:
с (2.7).
Итак, передаточная функция параллельного корректирующего устройства имеет вид:
(2.8),
где .
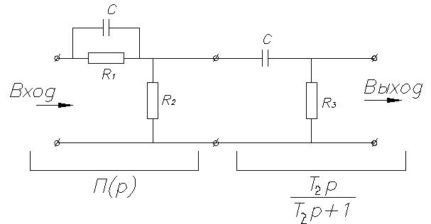
3. Техническая реализация параллельного корректирующего устройства.
Реализовывать корректирующее устройство будем посредством последовательного соединения двух RC-цепочек.
Соединение RC-цепочек имеет вид:

(3.1).
Для исключения взаимного влияния цепочек необходимо, чтобы ток во втором контуре был приблизительно в 10 раз меньше тока в первом контуре. Для выполнения этого условия необходимо, чтобы:
(3.2).
Примем Ф = 50мкФ
, тогда:
кОм,
кОм,
.
4. Проверка устойчивости внутреннего контура.
Необходимо проверить устойчивость контура местной обратной связи:
(4.1),
= + 900
+ 2·760
= + 2420
,
= + 3·900
– 2·900
+ 450
= + 1350
.
Запас устойчивости внутреннего контура больше 300
, что благоприятно сказывается на устойчивости системы.
5. Проверка устойчивости всей системы.
Определим запас устойчивости всей системы:
(5.1),
= + 900
+2· 900
– 2·800
+ 2·30
= 1160
,
.
Запас устойчивости всей системы удовлетворяет требованиям по устойчивости.
6. Переходной процесс САУ.
Найдем переходный процесс САР при подаче на вход управляющего воздействия .
(6.1),
(6.2),
(6.3).
Передаточную функцию находим исходя из построенной ЛАЧХ (см. График 1):
(6.4).
Переходной процесс находим с использованием программы MatLab 6.5 (см. График 2).
Проверим перерегулирование:
(6.5).
Найденное перерегулирование удовлетворяет ТЗ.
Проверим время переходного процесса:
tп
= 0.42
c (6.6).
Найденное время переходного процесса удовлетворяет ТЗ.
7. Расчет коэффициентов усиления устройств, входящих в САУ.
Найдем коэффициенты усиления устройств, входящих САУ.
[ед
] (7.1),
(7.2),
[ед
] (7.3),
(7.4).
8. Введение в состав САУ нелинейного элемента.
Введем нелинейный элемент как показано на Схеме 3. Нелинейность, вводимая в систему, имеет вид:

Уравнение нелинейного элемента в общем виде выглядит следующим образом:
(8.1).
Так как заданный нелинейный элемент не имеет петли гистерезиса, то:
(8.2).
Для данного типа нелинейности:
(8.3),
где k =
tg450
=1.
(8.4),
(8.5),
(8.6).
Исследуем систему на наличие предельных циклов и в случае их существования исследуем каждый на устойчивость.
Условие нахождения системы на границе устойчивости:
(8.7),
(8.8),
(8.9),
(8.10).
Так как , то , условие существование в САР предельных циклов:
(8.11).
Графики , , представлены на Графике 3. В соответствии с Графиком 3 имеем два предельных цикла с параметрами:
(8.12),
(8.13).
Предельный цикл является устойчивым, если при ЛФЧХ линейной части системы , а при - . Применительно к исследуемой системе можно увидеть, что устойчивым является предельный цикл с параметрами (8.13).
Приложение 2
Запишем уравнение системы по структурной схеме:

(2.1.1)
Введём обозначения:
(2. 1. 2)
(2. 1. 3)
(2 .1 .4)
(2. 1. 5)
(2. 1. 6)
(2. 1. 7)
Введём обозначение: (2. 1. 8)
Окончательно, передаточная функция разомкнутой системы будет иметь вид:
(2. 1. 9)
|