| Санкт-Петербургский Государственный Электротехнический Университет «ЛЭТИ» имени В.И.Ульянова (Ленина)
Кафедра ЛИНС
Курсовая работа по СХиУ
Тема: Расчет активных полиномиальных фильтров второго порядка
Выполнил: студент гр. ????
Проверил: Агапов М.Ю.
г. Санкт-Петерубрг, 2010 год.
ЗАДАНИЕ
Список используемых сокращений
ОГЛАВЛЕНИЕ
Введение
Активными называются фильтры, использующие для формирования частотной характеристики заданного вида как пассивные (в основном резисторы и конденсаторы), так и активные (операционные усилители) элементы.
К преимуществам активных фильтров в первую очередь следует отнести:
· Способность усиливать сигнал, лежащий в полосе их пропускания.
· Возможность отказаться от применения таких нетехнологичных элементов, как индуктивности, использование которых несовместимо с методами интегральной технологии.
· Легкость настройки.
· Малые масса и объем, которые слабо зависят от полосы пропускания, что особенно важно при разработке устройств, работающих в низкочастотной области.
· Простота каскадного включения при построении фильтров высоких порядков.
Вместе с тем, данному классу устройств свойственны следующие недостатки, ограничивающие область их применения:
· Невозможность использования в силовых цепях, например в качестве фильтров выпрямителей.
· Необходимость источника, предназначенного для питания усилителя.
· Ограниченный частотный диапазон, определяемый собственными частотными свойствами используемых усилителей.
В качестве базового при анализе и синтезе фильтров обычно принимается фильтр НЧ. Остальные виды фильтров могут быть построены на основе ФНЧ. Например, если из полного сигнала вычесть выходной сигнал ФНЧ, то в итоге мы получим ФВЧ. ФПЗ можно построить, если включить параллельно ФНЧ и ФВЧ с разными частотами среза. Для построения ФПП достаточно соединить последовательно соответствующим образом рассчитанные ФНЧ и ФВЧ. Ниже представлены примеры построения различных типов фильтров.
Выполнение курсовой работы
Задание
В ходе выполнения курсовой работы студенту будет предложено разработать схему активного фильтра второго порядка одного из четырех типов - НЧ, ВЧ, полосового и полосно-заграждающего, с использованием передаточных функций, представленных в виде полиномов Баттерворта, Бесселя и Чебышева. Построение фильтра необходимо осуществить с использованием звеньев Рауха, Сален-Ки или биквадратного звена.
Забиваем Сайты В ТОП КУВАЛДОЙ - Уникальные возможности от SeoHammer
Каждая ссылка анализируется по трем пакетам оценки: SEO, Трафик и SMM.
SeoHammer делает продвижение сайта прозрачным и простым занятием.
Ссылки, вечные ссылки, статьи, упоминания, пресс-релизы - используйте по максимуму потенциал SeoHammer для продвижения вашего сайта.
Что умеет делать SeoHammer
— Продвижение в один клик, интеллектуальный подбор запросов, покупка самых лучших ссылок с высокой степенью качества у лучших бирж ссылок.
— Регулярная проверка качества ссылок по более чем 100 показателям и ежедневный пересчет показателей качества проекта.
— Все известные форматы ссылок: арендные ссылки, вечные ссылки, публикации (упоминания, мнения, отзывы, статьи, пресс-релизы).
— SeoHammer покажет, где рост или падение, а также запросы, на которые нужно обратить внимание.
SeoHammer еще предоставляет технологию Буст, она ускоряет продвижение в десятки раз,
а первые результаты появляются уже в течение первых 7 дней.
Зарегистрироваться и Начать продвижение
Задание на курсовой проект выдаётся в виде таблицы. В первой колонке содержится номер варианта курсового проекта. В колонке «Фильтр» указано название фильтра и коэффициент (для Фильтра Чебышева), отражающий уровень минимумов пульсаций АЧХ в полосе пропускания. Значениям -0,1; -0,5;-1 дБ соответствуют отклонения от 100%, примерно равные -1,1; -5,6; -10,9%. Столбцы и содержат соответствующие коэффициенты полиномов. Столбец содержит данные о требуемом коэффициенте усиления полезного сигнала. Колонка « » содержит данные о частоте среза или полосе пропускания фильтра. Колонка «тип фильтра» содержит данные о типе фильтра с точки зрения АЧХ.
В пояснительной записке к курсовому проекту должны быть отражены следующие материалы:
· Общие сведения;
· Структурная схема фильтра;
· Электрическая схема фильтра;
· Расчет номиналов элементов фильтра;
· АЧХ идеального фильтра, АЧХ фильтра, построенную по заданному полиному, АЧХ фильтра после уточнения номиналов элементов;
· Выводы.
Общие рекомендации
Активные фильтры на основе ОУ находят широкое применение в измерительной аппаратуре. Активные фильтры позволяют проектировать их без индуктивностей и реализовывать их в малых габаритах на основе RC
-схем. Наиболее широкое распространение получили фильтры Баттерворта, Чебышева, инверсный Чебышева, эллиптический, Бесселя.
При разработке фильтра рекомендуется проводить расчеты параметров активных звеньев фильтров с единичным коэффициентом усиления, а необходимый коэффициент усиления фильтра реализовывать в оконечном активном звене .

Передаточные функции фильтров, реализованных по представленным выше схемам, имеют вид:



Передаточная функция звена второго порядка полиномиальных НЧ фильтров Баттерворта, Чебышева и Бесселя имеет вид:
.
Коэффициенты и - табулированы, - круговая частота среза, - порядок фильтра.
Передаточную функцию фильтра ВЧ

можно получить из передаточной функции фильтра НЧ, вместо подставив , для полосно-пропускающего фильтра вместо подставив , а для полосно-заграждающего фильтра - , где - нижняя и верхняя граничные частоты (заданы процентами, относительно середины полосы пропускания).
АЧХ полосозаграждающего (режекторного) полиноминального фильтра второго порядка имеет вид

АЧХ полиноминального ФНЧ второго порядка имеет вид

АЧХ полиноминального ФВЧ второго порядка имеет вид
Сервис онлайн-записи на собственном Telegram-боте
Попробуйте сервис онлайн-записи VisitTime на основе вашего собственного Telegram-бота:
— Разгрузит мастера, специалиста или компанию;
— Позволит гибко управлять расписанием и загрузкой;
— Разошлет оповещения о новых услугах или акциях;
— Позволит принять оплату на карту/кошелек/счет;
— Позволит записываться на групповые и персональные посещения;
— Поможет получить от клиента отзывы о визите к вам;
— Включает в себя сервис чаевых.
Для новых пользователей первый месяц бесплатно.
Зарегистрироваться в сервисе

В фильтре Баттерворта нормированная АЧХ имеет вид
,
где - относительная частота (безразмерная), - частота среза, - порядок фильтра.
Все производные от АЧХ по частоте до включительно равны нулю при . Поэтому фильтр Баттерворта называют фильтром с максимально плоской АЧХ.
В фильтре Чебышева аппроксимирующая функция выбирается так, чтобы в полосе пропускания получить отклонение от идеальной, не превышающее заданной величины. За пределами же полосы пропускания фильтр должен иметь возможно меньший коэффициент пропускания. Нормированная АЧХ фильтра Чебышева имеет вид:
.
При проектировании фильтра следует учесть тот факт, что при нечетных значениях необходимо в выходной каскад фильтра включить инвертор, а при четных значениях - повторитель, значение коэффициента ослабления принять равным 0,5.
В этих случаях рекомендуется последовательно включать резистор номиналом 50÷100 Ом. Для предотвращения КЗ выхода ОУ рекомендуется также ставить последовательно нагрузке резистор номиналом 100÷200 Ом.
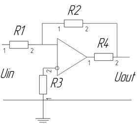
Инвертирующие и неинвертирующие усилители
Для обеих схем коэффициент обратной связи . Коэффициент ослабления сигнала для инвертирующего усилителя равен . Коэффициенты усиления для схем инвертирующего и неинвертирующего усилителей соответственно равны
,
.
При значении коэффициенты усиления определяются выражениями , . При значениях резисторов и получаем повторитель, который применяют для увеличения входного и уменьшения выходного сопротивления схемы.
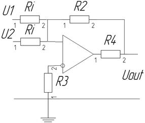
Рисунок – Инвертирующий и неинвертирующий сумматоры
Для схемы инвертирующего сумматора коэффициент усиления равен . Для схемы неинвертирующего сумматора коэффициент ослабления сигнала равен , сопротивление ??????, коэффициент усиления равен . Величина составляет порядка 100 Ом.
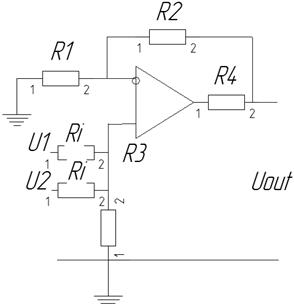
Дифференциальный усилитель
Дифференциальные усилители предназначены для усиления разности двух входных напряжений. Стабилизация коэффициента усиления такой схемы реализуется при помощи ООС. Внутренние сопротивления источников входных напряжений включаются последовательно с и и влияют на коэффициенты усиления входных напряжений. Если внутренние сопротивления источников входных напряжений равны между собой, то целесообразно принять и . В этом случае наличие ненулевого внутреннего сопротивления у источника входного напряжения приведет к изменению коэффициента усиления ОУ, но не нарушит «дифференциальности» усилителя, т.е. коэффициент синфазного выходного сигнала будет оставаться близок к нулю.
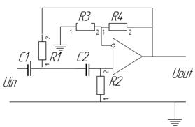
Звено Сален-Ки
Рисунок – ФНЧ и ФВЧ на основе звена Сален-Ки
Передаточная функция ФНЧ полиноминального фильтра второго порядка имеет вид

Схема ФНЧ на основе звена Сален-Ки реализует данную передаточную функцию с инвертирующим коэффициентом усиления и



Тогда передаточная функция полиноминального ФНЧ второго порядка, реализованного на основе звена Сален-Ки принимает вид

При расчете звена НЧ фильтра, выполненного на основе схемы Сален-Ки, сначала определяют значение , затем , и .
;
;
.
Коэффициент усиления , где и .
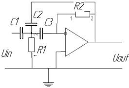
Передаточная функция ФВЧ полиноминального фильтра второго порядка имеет вид

Схема ФВЧ на основе звена Сален-Ки реализует данную передаточную функцию и



Тогда передаточная функция полиноминального ФВЧ второго порядка, реализованного на основе звена Сален-Ки принимает вид

Расчет значений сопротивлений звена ВЧ фильтра, выполненного по схеме Сален-Ки (неинвертирующий коэффициент усиления), ведут по следующим формулам:
;
;
;
.
имеет произвольное значение. Если , то , а и в этом случае ОУ работает как повторитель напряжения.
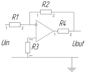
Звено Рауха
Рисунок – ФНЧ и ФВЧ на основе звена Рауха
Передаточная функция ФНЧ полиноминального фильтра второго порядка имеет вид

Схема ФНЧ на основе звена Рауха реализует данную передаточную функцию с инвертирующим коэффициентом усиления и



Тогда передаточная функция полиноминального ФНЧ второго порядка, реализованного на основе звена Рауха принимает вид

Для расчета ФНЧ второго порядка, обладающего заданной частотой среза и коэффициентом усиления необходимо выполнить следующие действия.
· Выбрать номинальное значение ёмкости , близкое к значению и номинальное значение ёмкости , удовлетворяющее условию .
· Вычислить значения сопротивлений , , .
· Выбрать номинальные значения сопротивлений из ряда номинальных значений, наиболее близкие к вычисленным значениям. Целесообразно выбирать значения элементов фильтра так, чтобы уменьшить разброс сопротивлений, входящих в фильтр резисторов.
· Реализовать фильтр НЧ, согласно приведенной схеме.
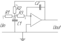
Передаточная функция ФВЧ полиноминального фильтра второго порядка имеет вид
.
Схема ФВЧ на основе звена Рауха реализует данную передаточную функцию с инвертирующим коэффициентом усиления и



Тогда передаточная функция полиноминального ФВЧ второго порядка, реализованного на основе звена Рауха принимает вид

Передаточная функция ФВЧ на основе звена Рауха имеет вид
Расчет звена ВЧ фильтра, выполненного по схеме Рауха (инвертирующий коэффициент усиления) ведут аналогичным образом по формулам:
, , ;
;
.
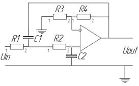
Режекторный фильтр
АЧХ фильтра
Принципиальная электрическая схема фильтра
Расчет элементов
Выводы
|