| Министерство образования и науки Украины
Харьковский национальный университет радиоэлектроники
Кафедра МЭПУ
Курсовая работа
по дисциплине «Материалы электронной техники»
на тему: Полупроводниковые материалы
Выполнил: Проверил:
ст. гр. ЭЛ-05-2 Слипченко Н. И.
Сагитов А. А.
Харьков 2006
Реферат
Пояснительная записка содержит 36 стр., 8 рисунков, 1 таблицу, 8 используемых источников.
Объектом исследования является полупроводниковые материалы и твердые растворы, с целью рассмотрения сущности процессов, происходящих в материалах. Введение
Научно-технический прогресс немыслим без электроники. Интенсивное развитие электроники связано с появлением новых разнообразных полупроводниковых приборов и интегральных микросхем, которые находят широкое применение в вычислительной технике, автоматике, радиотехнике и телевидении, в установках измерительной техники, медицины, биологии и т.д.
Полупроводники представляют собой обширную группу веществ, занимающих по величине удельного сопротивления промежуточное положение между диэлектриками и проводниками. Диапазон удельного сопротивления полупроводников при комнатной температуре условно ограничивают значениями 106
-108
Ом-м. Отличительным свойством полупроводников является сильная зависимость их удельного сопротивления от концентрации примесей. При введении примесей изменяется не только значение проводимости, но и характер ее температурной зависимости. У большинства полупроводников удельное сопротивление зависит также от температуры и других внешних энергетических воздействий (свет, электрическое и магнитное поле, ионизирующее излучение и т.д.). На управлении с помощью тепла, света, электрического поля, механических усилий электропроводностью полупроводников основана работа терморезисторов (термисторов), фоторезисторов, нелинейных резисторов (варисторов), тензорезисторов.
Полупроводниковые материалы по химическому составу можно разделить на простые и сложные.
Простыми (элементарными) полупроводниковыми материалами являются 12 химических элементов периодической системы: в III группе - В; в IV - С, Ge, Si. Sn (серое олово); в V - Р, As, Sb; в VI - S, Se, Те; в VII -I. В полупроводниковой электронике в основном применяют Ge и Si, а остальные используют в качестве легирующих добавок или компонентов сложных соединений.
Забиваем Сайты В ТОП КУВАЛДОЙ - Уникальные возможности от SeoHammer
Каждая ссылка анализируется по трем пакетам оценки: SEO, Трафик и SMM.
SeoHammer делает продвижение сайта прозрачным и простым занятием.
Ссылки, вечные ссылки, статьи, упоминания, пресс-релизы - используйте по максимуму потенциал SeoHammer для продвижения вашего сайта.
Что умеет делать SeoHammer
— Продвижение в один клик, интеллектуальный подбор запросов, покупка самых лучших ссылок с высокой степенью качества у лучших бирж ссылок.
— Регулярная проверка качества ссылок по более чем 100 показателям и ежедневный пересчет показателей качества проекта.
— Все известные форматы ссылок: арендные ссылки, вечные ссылки, публикации (упоминания, мнения, отзывы, статьи, пресс-релизы).
— SeoHammer покажет, где рост или падение, а также запросы, на которые нужно обратить внимание.
SeoHammer еще предоставляет технологию Буст, она ускоряет продвижение в десятки раз,
а первые результаты появляются уже в течение первых 7 дней.
Зарегистрироваться и Начать продвижение
Сложными полупроводниковыми материалами являются химические соединения, обладающие полупроводниковыми свойствами и включающие два, три и более элементов. Полупроводниковые соединения, состоящие из двух элементов, приято называть бинарными. Они обозначаются буквами латинского алфавита с цифровыми индексами (римские цифры над буквами обозначаются группу в периодической системе, а арабские цифры под буквами -стехиометрический коэффициент): АШ
ВV
(GaAs, JnSb), AII
BVI
(CdS. ZnSe), AIV
BVI
(PbTe), AIV
BIV
(SiC), A2V
B3
VI
(Bi2
Te3
) и т.д.
Твердые растворы полупроводниковых материалов обозначают символами
входящих в него элементов с индексами, которые указывают атомную долю этих элементов в растворе.
Для изготовления полупроводниковых приборов и устройств микроэлектроники используют как монокристаллы, так и поликристаллические материалы.
1. Ширина запрещенной зоны в полупроводниковых твердых растворах
1.1 Твердые растворы.
Признаком образования твердого раствора является сохранение типа решетки компонента—растворителя, но с иными размерами элементарной ячейки. Компоненты могут образовывать растворы неограниченной и ограниченной растворимости с разной степенью этого ограничения и разной температурной зависимостью предела насыщения раствора (предела растворимости).
Твердые растворы существенно расширили по сравнению с элементарными полупроводниками и полупроводниковыми соединениями набор электрофизических параметров, определяющих возможности применения материалов в конкретных полупроводниковых приборах.
Среди алмазоподобных полупроводников, в том числе соединений типа А В, распространены твердые растворы замещения.
Необходимыми условиями образования твердых растворов являются кристаллохимическое подобие кристаллических решеток соединений-компонентов и близость их периодов идентичности. Наиболее хорошо изучены тройные твердые растворы, в которых замещение происходит лишь по узлам одной из подрешеток бинарного соединения (металлической или металлоидной). Состав таких твердых растворов принято характеризовать символами Ах
В1-х
С и АСу
D1-у
, где А и В обозначают элементы III группы, а С и D- элементы V группы. В формуле Ах
В1-х
С индекс х
определяет мольную долю соединения АВ в твердом растворе. Если твердые растворы существуют во всем диапазоне концентраций, то х
может изменяться от 0 до 1. В тройных твердых растворах имеет место статистически неупорядоченное распределение атомов замещаемых компонентов по узлам соответствующей подрешетки. С изменением состава твердого раствора наблюдается линейное изменение периода кристаллической решетки. Эта закономерность известна в кристаллохимии как закон Вегарда. Она позволяет определять состав твердого раствора по изменениям периода решетки с помощью дифракции рентгеновских лучей.
Сервис онлайн-записи на собственном Telegram-боте
Попробуйте сервис онлайн-записи VisitTime на основе вашего собственного Telegram-бота:
— Разгрузит мастера, специалиста или компанию;
— Позволит гибко управлять расписанием и загрузкой;
— Разошлет оповещения о новых услугах или акциях;
— Позволит принять оплату на карту/кошелек/счет;
— Позволит записываться на групповые и персональные посещения;
— Поможет получить от клиента отзывы о визите к вам;
— Включает в себя сервис чаевых.
Для новых пользователей первый месяц бесплатно.
Зарегистрироваться в сервисе
Как в бинарных соединениях АIII
ВV
, в твердых растворах не наблюдается существенных отклонений от стехиометрии, поэтому они просты по механизму легирования. Теми же методами, что и в бинарных соединениях, в них могут быть получены электронно-дырочные переходы. Температурные изменения электрических параметров также принципиально не отличаются от соответствующих зависимостей для соединений-партнеров.
1.2 Ширина запрещенной зоны
Особый интерес к твердым растворам обусловлен возможностью плавного управления шириной запрещенной зоны полупроводников путем изменения их компонентного состава. Возможные варианты этих зависимостей показаны на рис.1.1
ΔЕ, эВ

а) б)
Рис.1.1 Зависимость ширины запрещенной зоны от состава твердых растворов на основе соединений АIII
ВV
(Т=300К)
а-соединения-партнеры имеют одинаковую зонную структуру;
б-соединения-партнеры имеют различную зонную структуру
.Как видно из рисунка, зависимость ширины запрещенной зоны от состава в некоторых системах твердых растворов (Gaу
In1-х
As; InPу
As1-у
) очень близка к линейной, но может и существенно отличаться от нее, проявляя экстремум или излом при определенном соотношении между компонентами. Конкретный характер зависимости во многом определяется типом зонной структуры соединений-партнеров, т. е. положением
их энергетических долин в пространстве квазиимпульсов (k-пространстве).
В частности, излом зависимости ∆Э
(х) аблюдается в тех системах твердых
растворах, в которых исходные бинарные соединения имеют зонные
структуры различных типов, т. е. различное расположение главных
энергетических минимумов зоны проводимости в k-пространстве.

Рисунок 1.2 Зависимость Е g(х) для твердого раствора Pbx
S1-
x
Se
Вместе с тем, как и в металлических сплавах, эффекты статистического разупорядочения в кристаллической решетке оказывают сильное влияние на удельную теплопроводность полупроводников, которая у твердых растворах оказывается заметно ниже, чем у бинарных соединений. Например, у твердых растворов GaAs0,5
P0,5
и Al0,5
Ga0,5
As значение удельной теплопроводности примерно на порядок меньше, чем у чистых кристаллов GaAs.
Изменение ширины запрещенной зоны у твердых растворов сопровождается соответствующим смещением спектров оптического поглощения и пропускания, люминесценции и фоточувствительности. С изменением состава твердого раствора изменяются значения диэлектрической проницаемости и показателя преломления, происходит смещение примесных энергетических уровней. В ряде систем при определенном соотношении между компонентами можно получить качественное новое сочетание свойств. Так, в твердых растворах GaAs1-у
Pу
и Alх
Ga1-х
As (с х
и у
порядка 0,3 ÷ 0,4) сочетаются достаточно широкая запрещенная зона ( ∆Э
>1,7эВ) с высоким квантовыми выходом межзонной излучательной рекомбинации. Такие материалы используют для создания эффективных электролюминесцентных источников красного излучения (светодиодов и лазеров). Твердые растворы
Gaх
In1-х
P c х
=0,5-0,7 обладают эффективной люминесценцией в желто-зеленой области спектра.
Получение однородных твердых растворов заданного состава представляет собой весьма трудную технологическую задачу. Обычными методами кристаллизации из расплава в лучшем случае удается получать однородные поликристаллические слитки. Монокристаллические слои твердых растворов, используемых в приборных структурах, осаждают исключительно методами эпитаксии. Эпитаксию твердых растворов GaAs1-у
Pу
осуществляют на подложках GaAs или GaP с помощью химических реакций, протекающих в газовой фазе. В то же время наиболее совершенные эпитаксиальные слои Alх
Ga1-х
As, Alх
Ga1-х
Sb,
Gaх
In1-х
As, Gaх
In1-х
P получают методом жидкофазовой эпитаксии с использованием галлия или индия в качестве растворителя.
1.3
Изопериодные гетероструктуры
Твердые растворы открывают широкие возможности создания гетеропереходов
и приборов на их основе. Под гетеропереходом понимают контакт двух полупроводников с различной шириной запрещенной зоны. Для получения гетеропереходов со свойствами идеального контакта необходимо выполнить ряд условий совместимости материалов по механическим, кристаллохимическим и термическим свойствам. Решающим критерием при выборе материалов контактной пары является соответствие периодов их кристаллических решеток и температурных коэффициентов линейного расширения. Если компоненты гетеропары обладают взаимной растворимостью во всем интервале концентраций, то появляется уникальная возможность создавать гетеропереходы между химическим соединением АС и твердым раствором Ах
В1-х
С на его основе. Это обстоятельство позволяет плавно изменять свойства материалов на контактной границе, что важно при изготовлении ряда приборов оптоэлектроники и прежде всего – источников и приемников излучения. Среди полупроводников типа АIII
ВV
наилучшими парами материалов для создания идеальных гетеропереходов являются системы GaAs-Alх
Ga1-х
As и GaSb-Alх
Ga1-х
Sb.
Преимущества указанных гетеропар заключаются в том, что период решетки твердых растворов Alх
Ga1-х
As и Alх
Ga1-х
Sb слабо зависит от состава и близок к периоду решетки бинарного соединения (собственно GaAs и GaSb).
Дополнительные степени свободы для варьирования параметрами сопрягаемых полупроводниковых материалов при получении идеальных гетеропереходов возникают при использовании четырехкомпонентных твердых растворов типа Ах
В1-х
Су
Д1-у
. Среди этой группы материалов наиболее интересными и изученными являются твердые растворы Gaх
In1-х
As1-у
Pу
, в которых имеет место замещение по обеим подрешеткам при сохранении общей стехиометрии, т. е. равенство суммарных количеств атомов металла и металлоида. В качестве исходных компонентов такого твердого раствора можно рассматривать четыре бинарных соединения: GaP, InP, GaAs и InAs. Особый интерес представляют твердые растворы Gaх
In 1-х
As1-у
Pу
с изопериодическим замещением по отношению к InP. В зависимости от состава их запрещенная зона может изменяться в пределах от 0,75 до 1,35 эВ.
Инжекционные лазеры на основе гетеропары InP- Ga In As P переспективны для применения в волоконно-оптических линиях связи, поскольку спектральный диапазон их излучения соответствует минимальным оптическим потерям кварцевого волокна.
2. Германий
2.1 Строение, физико-химические, электрические свойства.
Германий
(лат. Germanium), Ge, химический элемент IV группы периодической системы Менделеева; порядковый номер 32, атомная масса 72,59; твёрдое вещество серо-белого цвета с металлическим блеском. Природный германий представляет собой смесь пяти стабильных изотопов с массовыми числами 70, 72, 73, 74 и 76.
Существование и свойства германия предсказал в 1871 Д. И. Менделеев и назвал этот неизвестный еще элемент «экасилицием» из-за близости свойств его с кремнием. В 1886 немецкий химик К. Винклер обнаружил в минерале аргиродите новый элемент, который назвал германий в честь своей страны; Германий оказался вполне тождествен «экасилицию». До 2-й половины 20 в. практическое применение германий оставалось весьма ограниченным. Промышленное производство германия возникло в связи с развитием полупроводниковой электроники.
Общее содержание германия в земной коре 7.
10—4
% по массе, т. е. больше, чем, например, сурьмы, серебра, висмута. Однако собственные минералы германия встречаются исключительно редко. Почти все они представляют собой сульфосоли: германит Cu2
(Cu, Fe, Ge, Zn)2
(S, As)4
, аргиродит Ag8
GeS6
, конфильдит Ag8
(Sn, Ce) S6
и др. Основная масса германия рассеяна в земной коре в большом числе горных пород и минералов: в сульфидных рудах цветных металлов, в железных рудах, в некоторых окисных минералах (хромите, магнетите, рутиле и др.), в гранитах, диабазах и базальтах. Кроме того, германий присутствует почти во всех силикатах, в некоторых месторождениях каменного угля и нефти.
Германий кристаллизуется в кубической структуре типа алмаза, параметр элементарной ячейки а =
5, 6575. Плотность твёрдого германия 5,327 г/см3
(25°С); жидкого 5,557 (1000°С); tпл
937,5°С; tkип
около 2700°С; коэффициент теплопроводности ~60 вт/
(м
(К
), или 0,14 кал/
(см
(сек
(град
) при 25°С. Даже весьма чистый германий хрупок при обычной температуре, но выше 550°С поддаётся пластической деформации. Твёрдость германия по минералогической шкале 6—6,5; коэффициент сжимаемости (в интервале давлений 0—120 Гн/м2
или 0—12000 кгс/мм2
) 1,4·10—7
м2
/мн
(1,4·10—6
см2
/кгс
); поверхностное натяжение 0,6 н/м
(600 дин/см
). Германий — типичный полупроводник с шириной запрещенной зоны 1,104·10—19
, или 0,69 эв
(25°С); удельное электросопротивление германия высокой чистоты 0,60 ом
(м
(60 ом
(см
) при 25°С; подвижность электронов 3900 и подвижность дырок 1900 см2
/в.
сек
(25°С) (при содержании примесей менее 10—8
%). Прозрачен для инфракрасных лучей с длиной волны больше 2 мкм
.
2.2 Соединения германия
В химических соединениях германий обычно проявляет валентности 2 и 4, причём более стабильны соединения 4-валентного германия. При комнатной температуре германий устойчив к действию воздуха, воды, растворам щелочей и разбавленных соляной и серной кислот, но легко растворяется в царской водке и в щелочном растворе перекиси водорода. Азотной кислотой медленно окисляется. При нагревании на воздухе до 500—700°С германий окисляется до окиси GeO и двуокиси GeO2
. Двуокись германия — белый порошок с tпл
1116°С; растворимость в воде 4,3 г/л
(20°С). По химическим свойствам амфотерна, растворяется в щелочах и с трудом в минеральных кислотах. Получается прокаливанием гидратного осадка (GeO2
.
n
H2
O), выделяемого при гидролизе тетрахлорида GeCl4
. Сплавлением GeO2
с др. окислами могут быть получены производные германиевой кислоты — германаты металлов (In2
CeO3
, Na2
Ge О3
и др.) — твёрдые вещества с высокими температурами плавления.
При взаимодействии Г. с галогенами образуются соответствующие тетрагалогениды. Наиболее легко реакция протекает с фтором и хлором (уже при комнатной температуре), затем с бромом (слабое нагревание) и с иодом (при 700—800°С в присутствии CO). Одно из наиболее важных соединений германия тетрахлорид GeCl4
— бесцветная жидкость; tпл
—49,5°С; tkип
83,1°С; плотность 1,84 г/см3
(20°С). Водой сильно гидролизуется с выделением осадка гидратированной двуокиси. Получается хлорированием металлического германия или взаимодействием GeO2
с концентрированной НС1. Известны также дигалогениды Г. общей формулы GeX2
, монохлорид GeCl, гексахлордигерман Ge2
Cl6
и оксихлориды Г. (например, GeOCl2
).
Сера энергично взаимодействует с германием при 900—1000°С с образованием дисульфида GeS2
— белого твёрдого вещества, t
пл
825°С. Описаны также моносульфид GeS и аналогичные соединения германия с селеном и теллуром, которые являются полупроводниками. Водород незначительно реагирует с Г. при 1000—1100°С с образованием гермина (GeH) x
— малоустойчивого и легко летучего соединения. Взаимодействием германидов с разбавленной соляной кислотой могут быть получены германоводороды ряда Gen
H2n+2
вплоть до Ge9
H20
. Известен также гермилен состава GeH2
. С азотом германий непосредственно не реагирует, однако существует нитрид Ge3
N4
, получающийся при действии аммиака на германий при 700—800°С. С углеродом германий не взаимодействует. Германий образует соединения со многими металлами — германиды.
Известны многочисленные комплексные соединения германия, которые приобретают всё большее значение как в аналитической химии германия, так и в процессах его получения. Германий образует комплексные соединения с органическими гидроксилсодержащими молекулами (многоатомными спиртами, многоосновными кислотами и др.). Получены гетерополикислоты германия. Так же, как и для других элементов IV группы, для германия характерно образование металлорганических соединений, примером которых служит тетраэтилгерман (C2
H5
)4
Ge3
.
2.3 Получение германия.
В промышленной практике германий получают преимущественно из побочных продуктов переработки руд цветных металлов (цинковой обманки, цинково-медно-свинцовых полиметаллических концентратов), содержащих 0,001—0,1% германия. В качестве сырья используют также золы от сжигания угля, пыль газогенераторов и отходы коксохимических заводов. Первоначально из перечисленных источников различными способами, зависящими от состава сырья, получают германиевый концентрат (2—10% германия). Извлечение германия из концентрата обычно включает следующие стадии:
1) хлорирование концентрата соляной кислотой, смесью её с хлором в водной среде или др. хлорирующими агентами с получением технического GeCl4
. Эти процессы можно представить уравнениями реакций: GeO2
+4HCl=GeCl4
+2H2
O.
2) Гидролиз GeCl4
и прокаливание продуктов гидролиза до получения GeO2
. Температура кипения полученного тетрахлорида германия 83° C. Так как вместе с ним в сконденсированной жидкости имеются и другие соединения, то его подвергают ректификации и экстракции примесей концентрированной HCl. После этого тетрахлорид германия переводят в двуокись по уравнению GeCl4
+(x+2)H2
O=GeO2
xH2
O+4HCl.
3) Восстановление GeO водородом или аммиаком до металла. Полученную чистую двуокись германия восстанавливают в трубчатой электрической печи водородом. Восстановление протекает по реакции GeO2
+2H2
=Ge+2H2
O, При температуре 600°C, в течение 20-50 мин, после чего лодочка с восстановленным германием передвигается в зону более высоких температур и при 1000-1100°C происходит сплавление.
Для выделения очень чистого германия, используемого в полупроводниковых приборах, проводится зонная плавка
металла. Необходимый для полупроводниковой промышленности монокристаллический германий получают обычно зонной плавкой или методом Чохральского.
2.4 Применение германия
Германий — один из наиболее ценных материалов в современной полупроводниковой технике. Он используется для изготовления диодов, триодов, кристаллических детекторов и силовых выпрямителей.Германиевые диоды и триоды нашли широкое применение в радиоприемниках и телевизорах, счетно-решающих устройствах и в разнообразной измерительной аппаратуре.Германий применяют и в других первостепенно важных областях современной техники: для измерения низких температур.
Монокристаллический германий применяется также в дозиметрических приборах и приборах, измеряющих напряжённость постоянных и переменных магнитных полей. Важной областью применения германия является инфракрасная техника, в частности производство детекторов инфракрасного излучения, работающих в области 8—14 мк
. Перспективны для практического использования многие сплавы, в состав которых входят германий, стекла на основе GeO2
и др. соединения германия.
Полупроводник германий нашел применение при решении другой важной проблемы – созданию сверхпроводящих материалов, работающих при температуре жидкого водорода, а не жидкого гелия. Водород, как известно, переходит из газообразного в жидкое состояние при температуре – 252,6°C, или 20,5°К. В начале 70-х годов была получена пленка из сплава германия с ниобием толщиной всего в несколько тысяч атомов. Эта пленка сохраняет сверхпроводимость при температуре 23,2°К и ниже.
2.5 Заменители германия
Более дешевый кремнии и сплавы Ga, In,Se,. Те могут заменить германий в некоторых электронных применениях. Замена металлического германия подложками из стекла в инфракрасных системах не всегда эффективна. Исследуются возможности использования новых катализаторов для замены германия при получении пластиков. Тенденция к обесцвечиванию пластиков способствует появлению катализаторов на алюминиевой и титановой основе, при этом также снижаются затраты на производство пластиков.
3. Методы измерения удельной проводимости полупроводников
3.1 Проводимость полупроводников
При приложении электрического поля к однородному полупроводнику в последнем протекает электрический ток. Рассмотрим для примера электронный полупроводник (3.1). Плотность тока определяется концентрацией свободных носителей n
, средней дрейфовой скоростью и зарядом e
:
. (3.1)
Средняя скорость дрейфа очень просто связана с параметром, характеризующим рассеяние носителей заряда при их движении в решётке кристалла - средним временем свободного пробега носителей , напряжённостью электрического поля , зарядом и эффективной массой дырки или электрона (3.1):
  , (3.2)
где m
- подвижность.
Таким образом, из (3.1), (3.2) следует
, (3.3)
а из закона Ома в дифференциальной форме следует, что величина e
×
n
×
m
имеет смысл удельной электрической проводимости:
. (3.4)
Если имеется полупроводник с обоими типами носителей заряда, то

s
=
e
(
n
m
n
+
p
m
p
)
. (3.5)
При наличии двух типов свободных носителей - электронов и дырок - проводимость σ полупроводника будет определяться суммой электронной σn
и дырочной σp
компонент проводимости σ=σn
+σp
. Величина электронной и дырочной компонент в полной проводимости определяется классическим соотношением:
(3.6)
где μn
и μp
- подвижности электронов и дырок соответственно.
Для легированных полупроводников концентрация основных носителей всегда существенно больше, чем концентрация неосновных носителей, поэтому проводимость таких полупроводников будет определяться только компонентой проводимости основных носителей. Так, для полупроводника n-типа
(3.7)
Величина, обратная удельной проводимости, называется удельным сопротивлением:
(3.8)
Здесь ρ - удельное сопротивление, обычно измеряемое в единицах [Ом·см]. Для типичных полупроводников, используемых в производстве интегральных схем, величина удельного сопротивления находится в диапазоне ρ = (1 ÷ 10) Ом·см.
В отраслевых стандартах для маркировки полупроводниковых пластин обычно используют следующее сокращенное обозначение типа: КЭФ-4,5. В этих обозначениях первые три буквы обозначают название полупроводника, тип проводимости, наименование легирующей примеси. Цифры после букв означают удельное сопротивление, выраженное во внесистемных единицах, - Ом·см. Например, ГДА-0,2 - германий, дырочного типа проводимости, легированный алюминием, с удельным сопротивлением ρ = 0,2 Ом·см; КЭФ-4,5 - кремний, электронного типа проводимости, легированный фосфором, с удельным сопротивлением ρ = 4,5 Ом·см.
| 
|
Если полупроводник легирован примесными атомами какого либо одного сорта с малой энергией ионизации (например, атомами B, P, As в Si и Ge ), то приближённо можно считать, что уже при комнатной температуре вся примесь однократно ионизирована, т.е. n » N или p»N, где N - полная концентрация легирующей примеси. И, если известно m
, то по s
или по r
, которые можно непосредственно измерить, определяется N. Концентрация легирующей примеси является очень важным параметром полупроводникового материала. Непосредственно для наиболее важных полупроводниковых материалов (Si, Ge, GaAs) обоих типов N удобно определять по графику Ирвина.(см. рис.3.1.)
Рис.3.1.График Ирвина. Зависимость удельного сопротивления от концентрации легирующей примеси для полупроводников N
и P
типа проводимости.
Этот график получен экспериментально на основе многочисленных измерений при комнатной температуре подвижности носителей в полупроводниках с известной заранее концентрацией примеси. При небольших концентрациях примеси график даёт хорошее соответствие проводимости и концентрации.
Определяя N, надо иметь ввиду, что это концентрация электрически активной примеси, а не полная концентрация, так как при высоких уровнях легирования эти две концентрации могут отличаться.
3.2 Четырёхзондовый метод
определения проводимости полупроводников
Методы измерения удельного сопротивления могут быть разделены на две группы:
1. Измерения с присоединением к образцу токопроводящих или измерительных контактов.
2. Бесконтактные измерения.
В большинстве случаев в месте контакта измерительного зонда с полупроводником возникает так называемая контактная разность потенциалов, которая оказывает влияние на результаты измерений. В связи с этим, величина сопротивления полупроводника, как правило, не может быть измерена при простом включении его в цепь омметра. Поэтому методика измерения удельного сопротивления должна обеспечивать либо учёт, либо компенсацию этой дополнительной разности потенциалов.
Кроме этого, необходимо учитывать то обстоятельство, что на результаты измерений могут влиять размеры и форма образца. Наиболее распространённым методом определения удельного сопротивления полупроводников (позволяющим учесть вышесказанное) является четырёхзондовый метод. Рассмотрим его применительно к полубесконечному образцу полупроводника, ограниченного плоской поверхностью. На эту поверхность, перпендикулярно к ней, помещают 4 тонких остро заточенных металлических зонда (рис. 3.2). Все четыре зонда расположены на одной прямой. Через внешние зонды 1 и 4 пропускают электрический ток от источника тока ИТ, а между зондами 2 и 3 вольтметром V измеряют разность потенциалов. Зная J14
и U23
, нетрудно найти значение удельного сопротивления. Действительно, в предположении полубесконечности образца каждый зонд создаёт вокруг себя сферическое симметричное поле. В любой точке на поверхности полусферы радиуса r
плотность тока, напряжённость поля и потенциал, поэтому, будут [2]

Рисунок 3.2. Расположение зондов на пластине
. (3.9)
Разность потенциалов между зондами 2 и 3 должна учитывать влияние
поля крайних зондов. Поэтому
.(3.10)
Если S1
=S2
=S3
=S ,то
. (3.11)
Чувствительность данного метода по напряжению dU/d
r
пропорциональна току и обратно пропорциональна Sэкв.
. Ток через образец увеличивать нежелательно (из-за термоэлектрических эффектов при нагревании образца U23
может быть искажено), поэтому для увеличения чувствительности можно увеличивать S2
, уменьшая S1
и S3
.
При S2
>>S1
=S3
чувствительность может быть повышена примерно в 2 раза.
Как уже говорилось, при измерении удельного сопротивления полупроводников основным источником ошибок являются переходные сопротивления на контактах металл-полупроводник, а также возникающая в них термоэдс. Поэтому при определении удельного сопротивления эти явления должны устраняться. Это достигается с помощью компенсационного метода. Принципиальная схема этой компенсации при измерении удельного сопротивления полупроводника четырёхзондовым методом изображена на рис.3.3
Рис.3.3. Принципиальная схема компенсационного метода.
От батареи Б с помощью контактов 1 и 4 к полупроводнику подводится ток. Разность потенциалов между зондами 2 и 3 измеряется потенциометром П.
Исключение влияния переходных сопротивлений контактов достигается следующим образом. Разность потенциалов между зондами 2 и 3 компенсируется включённым навстречу напряжением потенциометра UП
, и, если цепь сбалансирована, то есть, U2,3
=UП
, то ток, текущий через гальванометр G, равен нулю. Следовательно, в момент баланса ток через измерительные зонды 2 и 3 тоже равен нулю. Так как ток отсутствует, то нет и падения напряжения на контакте зонд-полупроводник. В этом случае переходные сопротивления контактов не влияют на точность измерения удельного сопротивления.
Обычно при измерениях удельного сопротивления всегда наблюдается некоторый градиент температуры вдоль образца, который вызывает появление термоэдс DU на измерительных зондах. Так как величина и направление термоэдс в течение достаточно большого времени остаются постоянными, её влияние можно исключить, измеряя напряжение между зондами 2 и 3 при 2-х различных направлениях тока через образец.
Формула (3.11) применима лишь для однородной изотропной полубесконечной среды. Однако на практике измерения выполняются на образцах конечных размеров, причём зачастую это пластины с толщиной, сравнимой с расстоянием между зондами S
или диффузионные и эпитаксиальные слои, толщина которых значительно меньше S. Это приводит к тому, что эквипотенциальные поверхности от зондов теряют сферичность. При контакте с изолирующей средой ток растекается в меньшем объёме и плотность тока в образце повышается по сравнению с расчётной. При контакте с проводящей средой линии тока “выпучиваются” в неё; плотность тока в образце понижается. В первом случае мы получаем завышенные значения r
, во втором - заниженные.
Рассмотрим вопрос более подробно.
а) Пусть (рис. 3.4) расстояние между зондами S
, а расстояние до границы с проводящей областью l
.
Рис.3.4. Расположение действительных и мнимых источников. Проводящая граница. Вид сверху.
Поскольку потенциал бесконечно удалённой точки образца равен нулю, а граничащая среда принимается абсолютно проводящей (то есть, на ней нет падения напряжения), то потенциал границы также равен нулю.
Задача распределения потенциала решается методом зеркальных изображений источников. Для того, чтобы потенциал границы был равен нулю, необходимо, чтобы мнимые источники создавали на границе потенциал, равный по величине потенциалу, создаваемому действительными источниками тока, но другого знака.
Этому условию можно удовлетворить, если расположить мнимые источники на том же расстоянии от границы, но взять их с другим знаком. Таким образом, распределение потенциала между зондами 2 и 3 можно рассчитать аналогично (3.10):  

. (3.12)
Удельное сопротивление при этом будет отличаться от (3.11):
, (3.13)
где
(3.14)
- поправочная функция. Таким образом, приближение зондов к проводящей границе эквивалентно включению дополнительной проводимости параллельно зондам. То есть, если рассчитывать удельное сопротивление по формуле (3.11), то мы получаем заниженные значения. Поправочная функция f1
всегда больше единицы, но при отличие f1
от 1 меньше 1% .
б) Если граница непроводящая, то граничные условия надо наложить на ток: плотность тока, перпендикулярного границе, в любой её точке равна нулю. Эта задача также решается методом изображений, только для удовлетворения граничным условиям необходимо расположить мнимые источники симметрично относительно границы с теми же знаками. Удельное сопротивление вычисляется аналогично (3.13):
, (3.15)
- поправочная функция, значения которой для этого случая всегда меньше единицы. (При l/S>2
также отличается от единицы менее чем на 1% ).
в) По тем же причинам на результатах измерений сказывается и толщина образца, и его форма. Определение r
при этом производится по формуле
. (3.16)
| W/S
|
0,4
|
0,5
|
0,5555
|
0,6250
|
0,7143
|
0,8333
|
| 
|
0,9995
|
0,9974
|
0,9948
|
0,9898
|
0,9798
|
0,9600
|
| W/S
|
1,0
|
1,1111
|
1,25
|
1,4286
|
1,666
|
2,0
|
| 
|
0,9214
|
0,8907
|
0,8490
|
0,7938
|
0,7225
|
0,6336
|
Значения множителя F
при различных W/S
для случая непроводящей границы приведены в таблице 1.
Таблица 3.1
Из таблицы 1 видно, что при W/S<0,625 значение отличается от единицы менее чем на 1% . Но этот результат справедлив, когда зонды находятся достаточно далеко от границ образца, так что l/S>2
; при приближении к границам образца на результаты измерений будет влиять как тип границы (проводящая или непроводящая), так и форма образца. Толщина пластин, применяемых в микроэлектронике, как правило, много меньше 1 мм, то есть, условия применимости формулы (3.16) выполняются с большим запасом по отношению к W/S . Но вот формы образцов могут быть самыми разными. Поэтому необходима модификация четырёхзондового метода для измерения удельного сопротивления однородных тонких пластин произвольной формы.
3.3 Бесконтактное измерение электропроводности.
Один из методов бесконтактного измерения электропроводности в проводнике, находящемся в переменном магнитном поле.
Используя метод дифференциального трансформатора, с помощью фазоизмерительного устройства определяют частотную зависимость фазового сдвига между переменным внешним магнитным полем и намагниченностью образца, помещенного в это поле, а затем, проведя обработку экспериментальных данных, вычисляют удельную проводимость различных металлов и сплавов.
Все металлы и их сплавы содержат электроны проводимости и обладают магнетизмом, дополнительным к атомному. Магнитная восприимчивость металлов складывается из восприимчивости ионов, электронов проводимости и восприимчивости, зависящей от силы и характера взаимодействия электронов и ионов в кристаллической решетке. Ориентация по полю спинов электронов проводимости приводит к появлению у них общего магнитного момента, направленного по полю. Существование такого момента означает парамагнетизм, который называется парамагнетизмом Паули. Кроме того, на электроны проводимости в магнитном поле действует сила Лоренца. Благодаря этому проекция траекторий движения частиц на плоскость, перпендикулярную полю, имеет в квазиклассическом приближении вид замкнутых циклотронных орбит. Величина предсказанного Ландау диамагнитного эффекта, создаваемого свободными электронами (с эффективной массой, равной массе электрона в вакууме), составляет 1/3
парамагнитного момента Паули (таким образом, от последнего остается 2/3).
В общем случае эффективная масса электрона проводимости отличается от массы свободного электрона. Из-за сложности взаимодействия электрона с окружающим его облаком других электронов проводимости и ионных остовов его эффективная масса может быть как больше, так и меньше массы свободной частицы, а иногда может быть даже отрицательной . Поскольку направление движения электрона вокруг магнитного поля (по циклотронной орбите) зависит от отношения его заряда к эффективной массе, то электроны вращаются либо как отрицательно, либо как положительно (!) заряженные частицы. Поэтому создаваемый внешним полем магнитный момент будет соответственно либо отрицателен, либо положителен по отношению к этому полю.
В случае гармонической зависимости от времени, напряженность магнитного поля может быть представлена в комплексном виде (В=В0
е-
i
ω
t
),
а значит Н
и М
также являются комплексными величинами. Поэтому, вообще говоря, и коэффициент связи между ними %
(то же самое относится и к //) также должен рассматриваться как комплексное число: Х= Х /+
Х //
-
Физически это означает несовпадение намагниченности (и магнитной индукции) с внешним полем по фазе.
Рассматриваемый далее эффект вызван в основном вихревыми токами в образце, создающими собственное магнитное поле. Поэтому далее будем считать, что статическая магнитная проницаемость μ=1.
Поскольку напряженность магнитного поля в веществе Ht
связана с напряженностью внешнего магнитного Не
поля линейно, то намагниченность тела также связана линейно:
М = аНе
, (3.17)
безразмерный коэффициент а - называют магнитной поляризуемостью, и
Найдем магнитную поляризуемость для цилиндрического проводника радиуса а,
помещенного в однородное переменное магнитное поле, параллельное оси цилиндра (
He
=
H
0
e
'
mt
).
Эту задачу можно решить, исходя из уравнений:
(3.18)
(3.19)
(3.20)
Во втором из этих уравнений не учтен ток смещения, т.к. он мал по сравнению с током проводимости при ω <<4πσ/ε.
Предполагается также, что длина волны, соответствующая частоте поля ω,
велика по сравнению с размерами тела (с/ ω>>
l
),
период изменения поля мал по сравнению с характерным временем микроскопического механизма проводимости (ω <<1/τ, τ
- время свободного пробега электронов), а длина свободного пробега электронов мала по сравнению с масштабом, на котором заметно изменяется поле.
Исключение Е
из (3.18)-(3.20) приводит к следующему уравнению для Н:
(3.21)
С учетом временной зависимости магнитного поля Не
=Н0
е-
i
ω
t
,
полагая μ
=1,
получаем уравнение:
(3.22)
Это уравнение вместе с уравнением divH
=
0
составляет полную систему, достаточную для определения магнитного поля.
Токи Фуко в цилиндре циркулярны (т.е. j
имеет в цилиндрических координатах только угловую компоненту j
9
)
и определяются по полю согласно (3.23)
Магнитный момент единицы длины цилиндра, создаваемый токами проводимости, направлен вдоль его оси и равен
(3.24)
(3.25)
где
Функции Бесселя (3.26)
В предельном случае низких частот (δ>>
a
)
(3.27)
Отсюда получим
(3.28)
где f=ω/2π- частота, a d
=2
a
-
диаметр образца.
Таким образом, магнитный момент проводника в переменном магнитном поле создается в основном возникающими в теле токами проводимости; он отличен от нуля даже при μ=1, когда статический момент обращается в нуль. Статический момент должен получаться из М(ω)
при ω→0.
Отсюда следует, что вещественная часть магнитной поляризуемости а'
стремится при ω→0
к постоянному значению (равному нулю при μ=1). Возникновение вихревых токов сопровождается диссипацией энергии поля, выделяющейся в виде джоулева тепла. Диссипация энергии определяется мнимой частью магнитной поляризуемости а'' , причем a''<0.
Полученное приближенное соотношение может использоваться для бесконтактного определения проводимости (на достаточно малых частотах) в тех случаях, когда вещественная часть магнитной поляризуемости a'<0, а μ=1.
Однако, как уже отмечалось выше, поскольку направление движения электрона вокруг магнитного поля зависит от знака его эффективной массы, то можно предположить, что возможна экспериментальная ситуация, в которой а'
>0. В этом случае в правой части (3.28) следует заменить знак "-" на "+". Кроме того, необходимо иметь в виду, что если статический магнитный момент не равен нулю, то при ω→0 а'
стремится к постоянному значению, также отличному от нуля, и его необходимо учитывать в (3.27) и, соответственно, в (3.28).
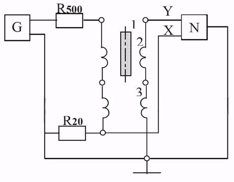
Измерения основаны на использовании дифференциального трансформатора, состоящего из двух одинаковых катушек взаимной индуктивности (рис.3.5). 
Рисунок 3.5 Схема экспериментальной установки
1 – образец
2, 3 – катушки взаимной индуктивности
N – двухлучевой осциллограф
G – генератор низких частот
Первичные обмотки катушек включены последовательно, и по ним пропускается ток от генератора низкой частоты. Вторичные обмотки включены встречно, так что без образца напряжение на выходе днффе-
ренциального трансформатора равно нулю. При помещении образца (1) внутрь рабочей катушки в нем возникают вихревые токи, а ЭДС во вторичной обмотке изменяется. Так как начальная ЭДС (без образца) была скомпенсирована второй катушкой, то возникающий теперь выходной сигнал пропорционален частоте, амплитуде магнитного поля и эффективной магнитной восприимчивости образца:
(3.28)
Здесь мы представили Х
в виде Х = Х
oeiβ
где
tgβ
=
а''/ а' из
соотношения (3.28). То есть выходной сигнал оказывается сдвинут на φ=(π/2-β). Воспользовавшись тем, что tg
(7π/2-
β
)=
ctgβ
[3, получим
(3.30)
Таким образом, построив график зависимости tg
(φ)
от частоты/ по коэффициенту наклона линейного участка кривой можно рассчитать проводимость σ.
Если статическая магнитная поляризуемость образца отлична от нуля,
т.е.
(3.31)
то вместо (3.30) следует воспользоваться выражением
(3.32)
Эта формула, как и (3.31), правильно описывает ход соответствующей экспериментальной кривой в области низких частот. Интересно отметить, что на этой кривой имеется линейный участок вблизи точки
f
=
f
0
,
в которой
tg(φ)=o.
Задача
Рассчитать концентрацию электронов и дырок в германии p-типа с удельным сопротивлением 0,067Ом м при температуре 300К.
Дано:
ρ=0,067 Ом ∙м
T=300 K
up
=0.19м2
/В∙с
un
=0.39 м2
/В∙с
nn
· pn
-?
Выводы:
В ходе выполнения данной курсовой работы были изучены твердые растворы, зависимость ширины запрещенной зоны от состава раствора. Также был изучен германий, его физико-химические, электрические свойства. Изучены методы измерения удельной проводимости.
Список литературы:
1. А.И. Курносов Материалы для полупроводниковых приборов и интегральных микросхем: Учеб. пособие для сред. проф.-техн. училищ. - 2-е изд., перераб. и доп. -М.: Высш. школа, 1980. - 327 с., ил. - (Профтехобразование. Полупроводники).
2. Батавин В.В., Концевой Ю.А., Федорович Ю.А. Измерение параметров полупроводниковых материалов и структур. - М.: Радио и связь, 1987. - 488с.
3. Антипов Б.Л., В.С. Сорокин, В.А. Терехов Материалы электронной техники: Задачи и вопросы. - М.: Высш. шк., 1990. - 208 с.
4. В.А. Антонова, А.В. Бородин, Ю.Е. Гордиенко, Н.И. Слипченко Материалы электронной техники. Учеб. пособ. -Харьков: ХНУРЭ, 2001. - 160 с.
5. Пасынков В.В. Полупроводниковые приборы: Учебник для вузов. - 3-е изд., перераб. и доп. -М.: Высш. школа, 1981. - 431., ил.
6. К.В. Шалимова. Физика полупроводников. М., 1971.
7. Электрорадиоматериалы. /Под ред. Б.М. Тареева.- М.: Высшая школа,1978.
8. Справочник по электротехническим материалам. /Под ред.Ю. В. Корицкого,
В.В. Пасынкова, Б.М. Тареева. – М. : Энергия,1974.
Содержание
Реферат…………………………………………………………………………..2
Введение…………………………………………………………………………3
1.
Ширина запрещенной зоны в полупроводниковых твердых
растворах………………………………………………………………………...5
1.1 Твердые растворы…………………………………………………………...5
1.2 Ширина запрещенной зоны……………………………………………..…6
1.3 Изопериодные гетероструктуры………………………………….…..9
2. Германий……………………………………………………………………...11
2.1 Строение, физико-химические, электрические свойства…………………11
2.2 Соединения германия…………………………………………………….....12
2.3 Получение германия……….………………………………………………..14
2.4 Применение германия………………………………………………………15
2.5 Заменители германия……………………………………………………….16
3. Методы измерения удельной проводимости
полупроводников………………………………………………………………17
3.1 Проводимость полупроводников…………………………………………..17
3.2 Четырёхзондовый метод
определения проводимости полупроводников ……………………………….20
3.3 Бесконтактное измерение электропроводности…………………………...26
Задача…………………...………………………………………………………..33
Выводы………………...………………………………………………………...34
Список литературы…….………………………………………………………35
|