| Министерство образования Российской Федерации
Санкт-Петербургский государственный горный институт им. Г.В. Плеханова
(технический университет)
КУРСОВАЯ РАБОТА
По дисциплине:__ТАУ
_____________________________________________________
_________________________________________________________________________
(наименование учебной дисциплины согласно учебному плану)
ПОЯСНИТЕЛЬНАЯ ЗАПИСКА
Тема:___Синтез каскадной САУ
_____________________________________________
_______________________________________________________________________________
Автор: студент гр. ЭР-98-2
/_Страшков М.Ю.
_/
(подпись)
(Ф.И.О.)
ОЦЕНКА:
_____________
Дата: _________________
ПРОВЕРИЛ:___________
Руководитель проекта: доцент
/_Стороженко С.В
. /
(должность) (подпись) (Ф.И.О.)
Санкт-Петербург
2001 год
| Министерство образования Российской Федерации
|
| Санкт-Петербургский государственный горный институт им Г.В. Плеханова
(технический университет)
|
| УТВЕРЖДАЮ
Заведующий кафедрой
___________ /________/
"___"__________199_ г.
|
Кафедра АПП
КУРСОВАЯ РАБОТА
по дисциплине ___ТАУ
____________________________________________________
_________________________________________________________________________
(наименование учебной дисциплины согласно учебному плану)
ЗАДАНИЕ
студенту группы __080400
__ ___Страшков М.Ю
.__
(шифр группы) (Ф.И.О.)
1. Тема работы ____Синтез каскадной САУ
___________________________________
__________________________________________________________________________________________________________________________________________________
2. Исходные данные к работе __экспериментальная переходная характеристика_____
_________________________________________________________________________
_________________________________________________________________________
_________________________________________________________________________
3. Содержание пояснительной записки _______________________________________
_________________________________________________________________________
_________________________________________________________________________
4. Перечень графического материала: _исходная и аппроксимирующие переходные характеристики, графо-аналитический метод, переходной процесс, структурная схема САУ и НЦУ
_________________________________________________________
Забиваем Сайты В ТОП КУВАЛДОЙ - Уникальные возможности от SeoHammer
Каждая ссылка анализируется по трем пакетам оценки: SEO, Трафик и SMM.
SeoHammer делает продвижение сайта прозрачным и простым занятием.
Ссылки, вечные ссылки, статьи, упоминания, пресс-релизы - используйте по максимуму потенциал SeoHammer для продвижения вашего сайта.
Что умеет делать SeoHammer
— Продвижение в один клик, интеллектуальный подбор запросов, покупка самых лучших ссылок с высокой степенью качества у лучших бирж ссылок.
— Регулярная проверка качества ссылок по более чем 100 показателям и ежедневный пересчет показателей качества проекта.
— Все известные форматы ссылок: арендные ссылки, вечные ссылки, публикации (упоминания, мнения, отзывы, статьи, пресс-релизы).
— SeoHammer покажет, где рост или падение, а также запросы, на которые нужно обратить внимание.
SeoHammer еще предоставляет технологию Буст, она ускоряет продвижение в десятки раз,
а первые результаты появляются уже в течение первых 7 дней.
Зарегистрироваться и Начать продвижение
5. Срок сдачи законченной работы _____15 декабря 2001 г
______________________
Руководитель работы _доцент
_ ________________ /_Стороженко С.В.
/
(должность) (подпись)
(Ф.И.О.)
Дата выдачи задания: _1 октября 2001 г
_
Аннотация
Данная курсовая работа содержит вариант расчёта каскадной САУ (выбор передаточной функции объекта управления, выбор параметров настроек регулятора и расчёт НЦУ). Пояснительная записка выполнена в программном приложении Microsoft Word. К работе прилагаются все необходимые графики.
The summary
The given course activity contains version of calculation of a combined ACS (selection of a transfer function of object of control, selection of parameters of adjustments of the regulator and calculation DNC). The explanatory slip is executed in the programmatic appendix Microsoft Word. To activity all indispensable schedules are appended.
Содержание
Введение............................................................................................................................... 5
Задание.................................................................................................................................. 6
Получение математической модели объекта управления............................................... 8
Расчет параметров дифференциатора Wд
(р)
частотным методом на ЭВМ................. 11
Расчет параметров регулятора Wр
(p)
графо-аналитическим методом Роточа............ 15
Построение переходного процесса в системе по задающему воздействию............... 19
Показатели качества переходных процессов................................................................. 22
Переход к непосредственному цифровому управлению.............................................. 22
Заключение......................................................................................................................... 30
Список используемой литературы.................................................................................. 31
Введение
Промышленные объекты управления, как правило, представляют собой сложные агрегаты со многими входными и выходными величинами, характеризующими технологический процесс. Зависимости выходных величин от входных, как правило, нелинейные, и изменение одной из них приводит к изменению других. Таким образом, создаётся сложная система взаимозависимостей, которую трудно, а подчас и невозможно строго математически описать.
Сервис онлайн-записи на собственном Telegram-боте
Попробуйте сервис онлайн-записи VisitTime на основе вашего собственного Telegram-бота:
— Разгрузит мастера, специалиста или компанию;
— Позволит гибко управлять расписанием и загрузкой;
— Разошлет оповещения о новых услугах или акциях;
— Позволит принять оплату на карту/кошелек/счет;
— Позволит записываться на групповые и персональные посещения;
— Поможет получить от клиента отзывы о визите к вам;
— Включает в себя сервис чаевых.
Для новых пользователей первый месяц бесплатно.
Зарегистрироваться в сервисе
Задачу можно существенно упростить, если считать зависимости выходных величин от входных линейными или линеаризуемыми в окрестностях малых отклонений от статических, рабочих режимов объекта. Поскольку при устойчивой работе автоматической системы регулирования (АСР) отклонения параметров в системе малы, такая линеаризация почти всегда оказывается допустимой. Кроме того, сложные объекты часто можно разбить на отдельные «регулируемые участки» («каналы»), взаимным влиянием отдельных каналов друг на друга можно пренебречь и рассматривать их как самостоятельные.
Расчет оптимальных параметров управляющих устройств многоконтурных систем является довольно сложной задачей. Для упрощения на практике определяют лишь приближенные значения данных параметров.
Методика приближенных расчетов основана на предположении о возможности расчета отдельных контуров системы независимо друг от друга. Для этих целей исходная структурная схема управления подвергается различным структурным преобразованиям с тем, чтобы выделить отдельные контуры с различными частотами и рассчитывать их обычными методами независимо друг от друга.
Задание
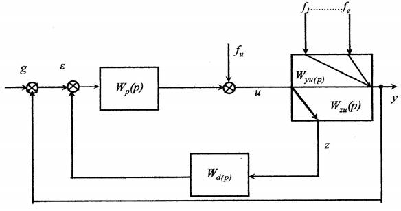
Выполнить синтез каскадной системы управления (рис.1) техническим объектом, заданным экспериментальной характеристикой по управляющему каналу “вход - выход”, приведенной в таблице (1).

Рис. 1. Структурная схема каскадной системы с дополнительным воздействием по производной
от промежуточной величины
Таблица 1
| t, c
|
Канал u-y
|
| 0
|
0
|
| 1
|
0,05
|
| 2
|
0,1
|
| 3
|
0,15
|
| 4
|
0,2
|
| 5
|
0,35
|
| 6
|
0,55
|
| 7
|
0,75
|
| 8
|
1
|
| 9
|
1,2
|
| 10
|
1,35
|
| 11
|
1,5
|
| 12
|
1,6
|
| 13
|
1,65
|
| 14
|
1,7
|
| 15
|
1,75
|
| 18
|
1,75
|
| 20
|
1,75
|
Получение математической модели объекта управления
На определенном этапе разработки и исследования автоматической системы управления получают ее математическое описание – описание процессов, проистекающих в системе, на языке математики. Математическое описание может быть аналитическим (с помощью уравнений), графическим (с помощью графиков и структурных схем) и табличным (с помощью таблиц).
Для получения математического описания системы обычно составляют описание ее отдельных элементов. В частности, для получения уравнений системы составляют уравнения для каждого входящего в нее элемента. Совокупность всех уравнений элементов и дает уравнения системы.
Объекты с самовыравниванием аппроксимируют дробно-рациональными передаточными функциями с введением звена запаздывания:
(1.1)
где Коб
– коэффициент передачи; t - время запаздывания; Тi
– постоянная времени.
Первый метод аппроксимации:
Простейшим частным случаем оператора (1.1), имеющим в инженерной практике наибольшее применение, является передаточная функция вида:
(1.2)
Для определения параметров передаточной функции к графику исходной переходной характеристики в точке перегиба проводится касательная. Пересечение касательной с осью времени дает время запаздывания: tо
= 4 с. Пересечение касательной с пределом установившегося значения дает: tо
+То
= 11 с => То
= 7 с. Установившееся значение есть коэффициент передачи: Коб
= hуст
= 1,75; следовательно, получаем передаточную функцию:
(1.3)
Второй метод аппроксимации:
Параметры передаточной функции могут быть найдены следующим образом. Обозначив , получим:
(1.4)
Из (1.4) определяются параметры аппроксимирующей характеристики:
Тa
= (1 - b)То
(1.5)
(1.6)
В нашем случае: ; тогда:
Тa
= (1 – 0,48)×7 = 3,6 с; 
После подстановки параметров передаточная функция примет вид:
(1.7)
Третий метод аппроксимации:
Более точную аппроксимацию переходной функции ОУ даёт передаточная функция вида:
(1.8)
Для определения параметров передаточной функции используем номограмму, исходя из известного значения b: ; тогда

(1.9)
Четвертый метод аппроксимации:
Более точную аппроксимацию переходной функции объекта управления (ОУ) даёт передаточная функция вида:
(1.10)
где переходное запаздывание -
(1.11)
Рассчитываем площадь под исходной кривой (S = 192 см2
), а также разницу между исходным графиком и графиками, полученными разными методами (рис.2):

Найдём отношение : . Видно, что наименьшую погрешность аппроксимации даёт функция , которая наилучшим образом аппроксимирует экспериментальную характеристику. Следовательно, модель инерционной части ОУ - Wин
(р) получим в виде передаточной функции:
(1.12)
Параметры передаточной функции опережающей части ОУ - Wоп
(р):

Отсюда, модель опережающей части ОУ Wоп
(р) имеет вид:
(1.13)
Расчет параметров дифференциатора
Wд
(р)
частотным методом на ЭВМ
Данный метод предполагает поиск оптимальных параметров алгоритма управления из условия минимума интегральной квадратичной ошибки регулирования при скачкообразном характере возмущений. Метод основан на использовании частотных характеристик ОУ, все вычислительные операции автоматизированы.
В основу метода положено представление о том, что минимуму интегрального квадратичного критерия при скачкообразном возмущении по управляющему каналу соответствует оптимальные параметры ПИ-алгоритма kp
и Tи
, отвечающие условиям:

где -модуль АФХ замкнутой системы, т. е. амплитудо-частотная характеристика замкнутой системы по задающему воздействию.
При расчете оптимальных kp
и Tи
используются следующие соотношения:
(2.1)

где ω - частота; А(w) – амплитудно-частотная характеристика (АЧХ) системы для данной частоты; g - угол, заключенный между вектором АФХ объекта управления и отрицательной мнимой полуосью, - фазовая частотная характеристика (ФЧХ) для этой частоты; М – заданный показатель колебательности, на практике часто применяют М=1,62.
Максимум отношения , рассчитанного с помощью (2.1), соответствует искомым оптимальным параметрам. По существу, вычисление требуемых значений и kp
сводится к поиску такого значения w, при котором отношение принимает максимальное значение. Для расчета используется часть АФХ ОУ, заключенная в III квадранте. Предельное значение , ограничивающее диапазон частот, для которого нужно проводить расчет, определяется из уравнения:

Решая это уравнение, получаем . Для М=1,62 угол .
В силу малой инерционности канала Wzu
(p) коэффициент усиления регулятора Wр
(p) может быть выбран относительно большим: Wzu
(p)→∞, тогда





Из АФХ найдем предельные частоты (начальную и конечную, для углов -900
и -1420
соответственно): .
Блок-схема алгоритма расчета представлена на рис.3. Программа расчёта параметров ПИ-алгоритма управления, составленная в соответствии с этим алгоритмом, написана на языке программирования Фортран.
Из расчетов получили: .

Оптимальные параметры дифференциатора связаны с параметрами Wр
экв
(р) соотношением:

Передаточная функция дифференциатора:

Расчет параметров регулятора Wр
(p)
графо-аналитическим методом Роточа
В качестве показателя оптимальности АСР принимается минимум интеграла от квадрата ошибки системы при действии на объект наиболее тяжелого ступенчатого возмущения по регулирующему каналу (интегральный квадратичный критерий) с учетом добавочного ограничения на запас устойчивости системы, т.е.

Такой критерий допускает значительное перерегулирование и увеличивает время регулирования, но он обеспечивает наименьшее динамическое отклонение регулируемой величины.
При практических расчетах запас устойчивости удобно характеризовать показателем колебательности системы М, значение которого в САУ, имеющих интеграл в алгоритме управления, совпадает с максимумом амплитудо-частотной характеристики системы:

где ωр
- резонансная частота, на которой Аз
(w) имеет максимум.
Чтобы максимум не превышал некоторой заданной величены М, амплитудно-фазовая характеристика (АФХ) разомкнутой системы Wраз
(jw) не должна заходить внутрь “запретной” области ограниченной окружностью, центр uo
и радиус Ro
которой определяется через М формулами (рис.4.):
 
Рис.4.
Если Wраз
(jw) касается указанной окружности, то это означает, что САУ находится на границе заданного запаса устойчивости.
На практике чаще всего принимают М = 1,6. При этом в САУ перерегулирование , степень затухания y = 0,8 - 0,95.
Данные для построения АФХ объекта:

Таблица 2
| Частота
|
Фаза
|
Амплитуда
|
| 0
0,04
0,07
0,12
1
1,3
1,58
1,93
2,35
2,86
3,48
4,24
5,16
6,29
7,66
12,5
40,9
|
0
-10
-20
-31
-64
-81
-100
-118
-137
-154
-171
-186
-199
-211
-221
-240
-260
|
1,75
1,72
1,63
1,46
1,19
1,17
1,1
1
0,9
0,8
0,68
0,58
0,49
0,41
0,34
0,21
0,06
|
Рассмотрим ПИ-алгоритм управления, передаточная функция которого имеет вид:
,
а параметрами, подлежащими определению, является коэффициент усиления кр
и постоянная интегрирования Ти
.
1) По АФХ объекта Wоб
u-
y
(jω) строим семейство характеристик разомкнутой системы Wраз
(jω) для кр
= 1 и нескольких фиксированных значений постоянной интегрирования Ти
.
Для этого сначала строим несколько векторов характеристики объекта Wоб
u-
y
(jω), например, векторы для частоты ω1
, для ω2
и т.д. (рис.5.1). К их концам надо пристроить векторы , ,…, , повернутые по отношению к векторам , ,…, на угол 90°. Длина векторов , ,…, выбирается из соотношения (где в числителе - длина вектора АФХ объекта для определенного значения частоты wi
, которую можно измерить непосредственно в миллиметрах; в знаменателе – произведение указанной частоты на фиксированное значение Ти
). Через полученные точки С1
, С2
,…, Сn
проводим плавную кривую, которая является характеристикой Wраз1
(jω) для выбранного значения Ти
.
Аналогичные построения проводим для других значений Ти
. В итоге получаем семейство характеристик Wраз1
(jω) для различных значений Ти
.
2) Из начала координат проводим прямую ОЕ под углом b, характеризующим запас устойчивости по фазе и определяемым как

3) С помощью циркуля вычерчиваем окружности с центром на отрицательной вещественной полуоси, каждая из которых касается одновременно как прямой ОЕ, так и одной из характеристик Wраз1
(jω) (центр каждой окружности и ее радиус находим подбором).
4) Отношение требуемого радиуса R0
:

к полученному в каждом отдельном случае значению ri
показывает, во сколько раз нужно изменить единичный коэффициент передачи регулятора (кр
=1), чтобы каждая характеристика Wраз1
(jω) касалась окружности с заданным М
, т.е.
или 
Для вычисления кр. пред
использована формула:

где R0
– радиус, определяемый методом подбора.
5) В результате в плоскости варьируемых параметров алгоритма кр
и Ти
строится граница области заданного запаса устойчивости, вид которой представлен на рис.5.2.
Максимум отношения кр
/Ти
, определяющее оптимальную настройку регулятора при низкочастотных возмущениях, соответствует точке пересечения касательной с границей заданного запаса устойчивости, проведенной через начало координат (точка А на рис.5.2).
Передаточная функция регулятора, после определения координат точки А (кр.опт
= 0,46 и Ти опт
= 0,5 с), имеет вид:
. 
Следует отметить, что найденные таким образом параметры являются оптимальными только при низкочастотном характере возмущений. По мере расширения полосы частот возмущений точка оптимума в плоскости параметров (рис.5) смещается вправо от точки А, при чем сначала это смещение идет вдоль границы заданного запаса устойчивости, а затем, при достаточно высокочастотных воздействиях, она вглубь области. Это означает, что с ростом частоты воздействий ПИ-алгоритм должен все более приближаться к П-алгоритму, кр
которого также снижается. Это сопровождается ухудшением эффективности управления.
Построение переходного процесса в системе по задающему воздействию
Приближенный характер предложенных выше инженерных расчетов по выбору параметров САУ требует обязательной их проверки. Для этого проводят расчет и построение переходных процессов в САУ. Переходные процессы в САУ целесообразно также рассчитывать при наличии нескольких конкурирующих вариантов параметров САУ с целью выбора наилучшего. Быстро это можно сделать на ЭВМ частотным методом.
На первом этапе по заданной на ЭВМ передаточной функции замкнутой системы рассчитывается вещественная частотная характеристика замкнутой системы. Для этого в выражение подставляют и, меняя частоту от нуля до бесконечности вычисляем вещественную часть :
при =0; 1
;……, max
Поскольку это выражение практически нельзя вычислить для всего диапазона частот от нуля до бесконечности, приходиться ограничиться некоторой максимальной частотой max
, которая выбирается таким образом, чтобы при вещественная частотная характеристика принимала пренебрежимо малые значения, например менее 5 % от начального значения .
Второй этап расчета заключается в получении переходного процесса по найденной на первом этапе в диапазоне . Для этого используется известное выражение:
при 
Интеграл вычисляется приближенным (частотным) методом для ряда значений времени t: от t = 0 до t = tmax
. Максимальные значения времени выбирают таким образом, чтобы к моменту t = tmax
переходной процесс y(t) практически закончился. Передаточную характеристику строим в программе ,,СС”.
Передаточная функция разомкнутой САУ с дополнительным воздействием по производной от промежуточной величины по задающему воздействию имеет вид имеет вид:

Передаточная функция замкнутого контура вычисляется по формуле:

Данные для построения переходной характеристики сведены в таблицу (3):
Таблица 3
| t, c
|
h(t)
|
| 0
|
0
|
| 2
|
-0,1
|
| 3,3
|
0
|
| 5
|
0,337
|
| 8
|
0,976
|
| 12,1
|
1,365
|
| 17
|
1,095
|
| 22,4
|
0,867
|
| 27
|
0,957
|
| 28,6
|
1
|
| 32,7
|
1,047
|
| 37
|
1,018
|
| 38,8
|
1
|
| 43
|
0,982
|
| 49,2
|
1
|
Переходная характеристика представлена на рис.6.:
Показатели качества переходных процессов
Максимальное перерегулирование:

Степень затухания:

tр
- интервал времени от начала переходного процесса до момента, когда регулируемая величина попадет в зону допустимых отклонений: .
= 0 - остаточная погрешность, показывающая отклонение регулируемой величины от заданного значения по окончании устойчивого состояния.
Переход к непосредственному цифровому управлению
Подсистема непосредственного цифрового управления (НЦУ) в основном реализуется на управляющей микро-ЭВМ, которая заменяет собой аналоговые автоматические регуляторы. В подсистеме НЦУ основные функции переработки информации выполняются комплексом средств вычислительной техники. При аналоговом исполнительном механизме (ИМ), установленным на объекте, цифровой сигнал управляющего воздействия с регулятора НЦУ с помощью ЦАП преобразуется в аналоговый сигнал, а затем подается на ИМ. Если ИМ имеет цифровой вход (шаговый двигатель), то регулятор НЦУ выдает управляющее воздействие в виде цифрового кода непосредственно на ИМ.
Непосредственное цифровое управление предусматривает выполнение следующих операций:
- опрос датчиков регулируемой величины y(
t)
в дискретные моменты времени, преобразование ее с помощью АЦП в цифровой код и ввода в ЭВМ;
- вычисление величины ошибки рассогласования ε
между заданием регулятора НЦУ g
и измеренным значением y
;
- определение управляющего воздействия u
при помощи алгоритма управления на основе ошибки рассогласования ε
;
- проверка выполнения условий безопасности перед выдачей управляющего воздействия на исполнительный механизм;
- подключение выхода регулятора НЦУ на вход ЦАП, преобразование цифрового сигнала управляющего воздействия u
в аналоговый сигнал, запоминания его на весь период квантования Т0
и выдача на ИМ.
Условия безопасности контролируются в результате проверки нахождения переменных состояния в установленных пределах и приращения величины управляющего воздействия за период квантования не более определенного процента предыдущего значения.
Существующие аналоговые системы управления обладают существенными недостатками, которые устраняются при применении систем НЦУ, а именно:
1. Аналоговые системы управления (СУ) имеют ограниченную гибкость. При разработке аналоговых СУ все факторы должны быть согласованы в начальный период работы. При изменении структуры СУ необходим перемонтаж оборудования.
В системе НЦУ математические принципы управления реализуются на ЦВМ с высоким быстродействием в режиме разделения времени между всеми контурами управления. С помощью УВМ осуществляются опрос сигналов датчиков, вычисляются управляющие сигналы по заданному закону, а затем выдаются на исполнительные механизмы. Период опроса и выдачи изменяется в зависимости от динамических параметров процесса от долей до нескольких десятков секунд. Законы управления в системах НЦУ могут быть такими же, как и в аналоговых системах управления, но могут быть значительно сложнее. Изменения в управлении осуществляются программным путем за счет изменения последовательности действий операций, поэтому много стратегий управления могут быть запрограммированы и храниться одновременно в общей памяти.
2. В аналоговых СУ наблюдается дрейф выходного сигнала регулятора при неизменном сигнале на входе вследствие изменения напряжения источников питания, температуры, влажности, и т.д.
В системе НЦУ дрейф отсутствует, так как расчеты, выполняемые в УВМ при определении управляющих воздействий, не зависят от изменения внешних условий.
3. Замкнутую аналоговую СУ невозможно построить при отсутствии датчика для измерения управляемой величины.
В системах НЦУ при отсутствии необходимых датчиков для измерения управляемых параметров (состава, концентрации, качества продукта) можно измерение параметра заменить вычислением его по математической модели.
4. Условия работы ТОУ непрерывно изменяются, при этом необходима адаптивная настройка параметров или изменение структуры регулятора в соответствии с принятым критерием. В аналоговых СУ адаптивную настройку регуляторов осуществить технически очень трудно.
Системы НЦУ обладают большой гибкостью. Структура контуров НЦУ легко изменима, так как конструирование контура выполняется программными средствами. При изменении динамических параметров объекта управления оптимальные параметры регуляторов НЦУ могут рассчитываться автоматически по заданному критерию.
5. Недостатки датчиков (нелинейность характеристики, наличие сдвига нуля и зоны нечувствительности) в аналоговых СУ компенсировать технически трудно. В системах НЦУ указанные недостатки датчиков можно компенсировать программным путем.
В системах НЦУ меры по соблюдению техники безопасности в особо важных контурах управления осуществляются с меньшими затратами. При разработке систем НЦУ необходимо решать следующие задачи:
– выбор алгоритма НЦУ (закон управления исполнительными механизмами);
– определение периода квантования (опроса датчиков и выдачи управляющих воздействий), входных и выходных сигналов;
– тип управляющей ЦВМ;
– требование к устройству связи с объектом и др.
На экономическую эффективность системы НЦУ в основном влияют решение двух первых задач. Первая задача определяет точность управления параметрами объекта и затраты машинного времени, затрачиваемого на каждый контур НЦУ при одном периоде квантования. От решения второй задачи зависит загрузка УВМ операциями управления.
Система автоматического регулирования с НЦУ (рис.7) содержит объект управления и автоматический регулятор. Роль последнего выполняет ЭВМ, снабженная рядом устройств для преобразования сигналов из аналоговой формы в цифровую (АЦП), а также из цифровой формы в аналоговую (ЦАП). На рис.6 аналоговые сигналы обозначены как функции времени y(
t),
g(
t),
f(
t).
Соответствующие цифровые сигналы отличаются от них не только формой представления величин, но и дискретным характером изменения во времени. Изменение во времени цифровых сигналов производится в моменты времени t =
iTд.
, где Тд
.
– интервал дискретности; i
= 0,1,2,…
Цифровые сигналы обозначены на схеме как переменные с индексами y[
n],
g[
n],
f[
n],
причем y[
n]=
y(
nTд.
)
; g[
n]=
g(
nTд.
)
; f[
n]=
f(
nTд.
).
Интервал дискретности Тд
.
выбирается из условия Тд.
=Ти
/ 20 = 0,5 / 20 = 0,025
, где Ти
– постоянная времени интегрирования непрерывного регулятора.
f(t)

g(t) g[n] u(t) y(t)
   z[n]
 
Рис.7. Структурная схема системы НЦУ.
Алгоритм работы ЭВМ, осуществляющий автоматическое регулирование, может быть получен из уже найденного закона регулирования непрерывного регулятора. Принимаем за исходный ПИ-закон:
где u1
(t) – регулирующее воздействие на объект; e(t) – сигнал ошибки,
e(t) = g(t) – y(t); Кр
и Ти
– параметры настройки непрерывного ПИ-регулятора.
Замена непрерывных сигналов цифровыми, взятыми в дискретные моменты, может быть проведена по следующей схеме:
e(t) ® e[n]; u1
(t) ® u1
[n]; 
Поэтому ПИ-закон регулирования в цифровой форме имеет вид:
Более удобна для реализации на ЭВМ другая, так называемая скоростная форма этого алгоритма. Для её получения запишем значение u1
на предыдущем интервале дискретности:
 
Вычитая его из предыдущего, получим:

Отсюда:

Подставив значения всех постоянных коэффициентов, получим:


После подстановки e[n] = g[n] – y[n] – u2[n]; e[n-1] = g[n] – y[n-1] –u2[n-1] получим:


Расчет u2[n], применяемой в этой формуле приведен ниже.
Алгоритм работы ЭВМ, может быть получен на основании передаточной функции дифференциатора следующим образом.
Пусть, например, сигнал дифференциатора u2
(t) подаётся на вход объекта (вместе с сигналом регулирования u1
) и пусть передаточная функция дифференциатора:
.
Тогда соответствующее операторное выражение имеет вид:

и в дифференциальной форме записывается в виде:

Переход к цифровым сигналам, взятым в дискретные моменты времени, может быть проведён по следующей схеме:

В результате перехода получим:

Отсюда:
.
Подставив значения всех постоянных коэффициентов, получим:



Окончательно управляющее воздействие цифрового регулятора получают совместным решением уравнений 6.6 и 6.7:
(6.6)
(6.7)
Полученное выражение используется для составления программы НЦУ.
Алгоритм непосредственного цифрового регулирования (рис.7.2), кроме расчёта управляющего воздействия, выполняет следующие дополнительные функции:
1) анализ входных сигналов и вычисленных управляющих сигналов на корректность (на схеме алгоритма – “Анализ”);
2) сигнализация о некорректных значениях и недопустимых отклонениях (на схеме – “Сигнализация”).
Рис.7.2. Схема алгоритма НЦУ.
Заключение
В данной работе выполнен синтез каскадной САУ техническим объектом, заданным в форме экспериментальных переходных характеристик. Произведен выбор математической модели объекта управления в форме передаточных функций по управляющему каналу, выбран ПИ-алгоритм управления и произведен расчет параметров ПИ-регулятора графоаналитическим методом. Построены кривые переходных процессов в системе и определены показатели качества. Осуществлен переход от аналогового (непрерывного) регулятора к НЦУ.
Список используемой литературы
1. Лукас В.А
. Теория автоматического управления: Учебник для вузов. - M.: Недра, 1990.- 411 с.
2. Марюта А.Н., Качан Ю.Г., Бунько В.А
. Автоматическое управление технологическими процессами обогатительных фабрик. М.:Недра, 1983. 277с.
3. Ротач В.Я
. Расчет динамики промышденных автоматических систем регулирования. М.: Энергия, 1973. 437 с.
4. Ротач В.Я., Шавров А.В., Бутырев В.П.
Синтез алгоритмов машинного расчета оптиальных параметров систем регулирования // Теплоэнергетика. 1977. №12. С. 76-79.
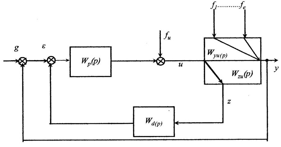
Структурная схема САУ с указанием найденных передаточных функций
|