|
КУРСОВАЯ РАБОТА
КОРПУС
Содержание
Введение.
1. Исходные данные.
2. Выбор способа получения детали.
3. Выбор материала и его характеристики.
4. Выбор положения отливки в форме.
5. Анализ технологичности детали, изменение ее конструкции.
6. Расчет размеров модели, отливки и стержневых ящиков.
7. Разработка конструкции стержневых ящиков.
8. Разработка чертежа технологичной детали.
9. Расчет литниковой системы.
10. Проектирование модели.
11. Разработка литейной формы.
Список литературы
ВВЕДЕНИЕ
Литейное производство занимает ведущее положение в производстве заготовок на машиностроительных заводах вследствие малой себестоимости отливок и высокой универсальности литья. Этот способ применяют для изделий практически любой конструктивной сложности, из различных сплавов, любой массы, при небольших объемах механической обработки.
Отливки получают в разовых песчаных, металлических и в оболочковых формах, литьем под давлением, по выплавляемым моделям и другими способами. Наиболее широко используют литье в песчаные формы.
Работоспособность литой детали, величина затрат на производстве заготовок зависит во многом от того, насколько полно учтены все особенности и технологические возможности выбранного способа литья.
1. Исходные данные
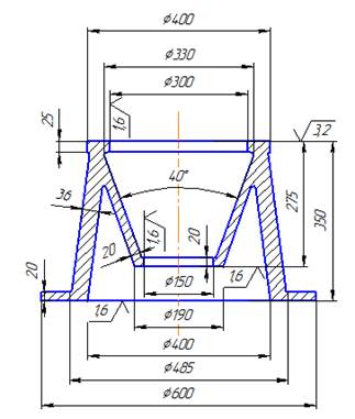
Чертеж детали "корпус ". Производство – индивидуальное . Условия работы – повышенные статические нагрузки.
2. Выбор способа получения детали
Деталь представляет собой тело вращения с наибольшим диаметром 600 мм. Наиболее целесообразно в данном случае предусмотреть получение литой заготовки. Себестоимость отливок обычно ниже себестоимости поковок и сварных конструкций.Требования прочности и надежности детали допускают использование литой заготовки. Минимальная толщина стенок отливки 12 мм.
Выбираем наиболее распространенный способ – литье в песчано-глинистые формы, т.к. оно позволяет получать отливки из любых сплавов, любых размеров, различной конфигурации и сложности. Литье в песчаные формы применяют как в единичном, так и в серийном и массовом производстве. Себестоимость таких заготовок невысокая.

Рис1 .Деталь «корпус»
3. Выбор сплава и его характеристики
Сплав должен обеспечивать механические свойства, необходимые для условий работы детали, быть по возможности дешевым и иметь высокие технологические свойства.
Забиваем Сайты В ТОП КУВАЛДОЙ - Уникальные возможности от SeoHammer
Каждая ссылка анализируется по трем пакетам оценки: SEO, Трафик и SMM.
SeoHammer делает продвижение сайта прозрачным и простым занятием.
Ссылки, вечные ссылки, статьи, упоминания, пресс-релизы - используйте по максимуму потенциал SeoHammer для продвижения вашего сайта.
Что умеет делать SeoHammer
— Продвижение в один клик, интеллектуальный подбор запросов, покупка самых лучших ссылок с высокой степенью качества у лучших бирж ссылок.
— Регулярная проверка качества ссылок по более чем 100 показателям и ежедневный пересчет показателей качества проекта.
— Все известные форматы ссылок: арендные ссылки, вечные ссылки, публикации (упоминания, мнения, отзывы, статьи, пресс-релизы).
— SeoHammer покажет, где рост или падение, а также запросы, на которые нужно обратить внимание.
SeoHammer еще предоставляет технологию Буст, она ускоряет продвижение в десятки раз,
а первые результаты появляются уже в течение первых 7 дней.
Зарегистрироваться и Начать продвижение
Требуемая деталь относится к деталям, работающим значительных статических нагрузках. Выбираем серый чугун СЧ30 ГОСТ 1412-85. Механические свойства: sВ
=300 МПа, НВ =2960
4. Выбор положения отливки в форме
Литейное производство очень сложных по форме отливок, практически любых габаритных размеров. Однако с целью упрощения технологии и снижения себестоимости следует проектировать детали компактными. От положения отливки в форме зависит качество отливки и работоспособность, а также затраты труда в литейном цехе. Наиболее качественными и прочными бывают нижние и боковые (вертикальные) участки отливок. В верхних участках меньше плотность металла, сюда же выплывают шлаковые включения, формовочной смеси и здесь же формируются усадочные раковины и поры вследствие усадки сплава.
При выборе положения отливки необходимо стремиться к упрощению литейной формы путем уменьшения количества разъемов формы и модели, но при этом нужно реально оценивать наличие возможных дефектов в верхних участках отливки
Положение отливки в форме определяет качество металла в различных зонах детали и устройство литейной формы. На рис. 2 условными знаками показано положение отливки в форме для двух возможных вариантов с горизонтальной осью (вариант А) и с вертикально расположенной осью вращения-
(вариант В).
Вариант А гарантирует дешевое производство отливки но опорная поверхность корпуса и посадочное место, расположенные горизонтально, могут иметь шлаковые включения и пористость.
Вариант В обеспечивает наилучшее качество металла на важных участках детали, стенки которых займут вертикальное положение,заданные характеристики -качество опорной поверхности и посадочного места будет обеспечено технологически.
Для обеспечения работоспособности детали необходимо в данном случае выбрать более благоприятный вариант — с вертикально-расположенной осью вращения (вариант В), что вполне допустимо для индивидуального изготовления отливки.

Рис 5.Варианты расположения отливки в форме.
5. Анализ технологичности детали, изменение ее конструкции
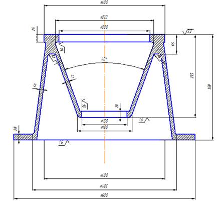
Внешнее очертание детали имеет сложную геометрическую форму –сочетание двух конических элементов и двух цилиндрических цилиндр. Такую деталь можно считать достаточно технологичной, однако наличие на детали двух выборок –рис 5 после проверки по правилу теневого рельефа выявляет нетехнологичность детали, невозможность извлечения модели из формы
Сервис онлайн-записи на собственном Telegram-боте
Попробуйте сервис онлайн-записи VisitTime на основе вашего собственного Telegram-бота:
— Разгрузит мастера, специалиста или компанию;
— Позволит гибко управлять расписанием и загрузкой;
— Разошлет оповещения о новых услугах или акциях;
— Позволит принять оплату на карту/кошелек/счет;
— Позволит записываться на групповые и персональные посещения;
— Поможет получить от клиента отзывы о визите к вам;
— Включает в себя сервис чаевых.
Для новых пользователей первый месяц бесплатно.
Зарегистрироваться в сервисе
без дополнительных разьемов. 
Рис 5.Проверка конфигурации детали по правилу теневого рельефа.
Кроме того, нетехнологичной является внутренняя полость, образуемая в детали двумя коническими поверхностями , т.к появляется область с малой толщиной, формы, опасной разрушением формы (знака) при заливке и имеется возможность образования мертвой зоны при заливке.(рис 5)
Имеется также разнотолщинность ,приводящая к неравномерному охлаждению формы (размеры стенок отливки 55 и 55 мм), деформациям при отверждении.
Внесем изменения в конструкцию отливки, исключающие нетехнологичность. Толщину стенки примем минимальной 55 мм (рис 5)
Уменьшение веса отливки, измеренное средствами КОМПАСА
Δ=(5555-5555)/5555=55,55 %.
Экономия материала очень значительна.
Прочностные характеристики детали -улучшаются, при необходимости отливку можно облегчить механической обработкой.

Рис 5 .Нетехнологичные элементы отливки.

Рис 5. Отливка с улучшенной технологичностью.
При проектировании деталей следует избегать обширных горизонтальных плоских поверхностей, поскольку это может привести к браку по недоливу.
Все внешние поверхности, перпендикулярные плоскости разъема, должны иметь литейные уклоны по ГОСТу 5555-55. Уклоны назначаются как на обрабатываемые поверхности отливки (5°55¢...5°55¢ и 5°-5° соответственно). Разъем формы должен быть плоским.
Наименьшая толщина стенки составляет 55 мм, это является приемлемым, поскольку минимально допустимая толщина стенки для данной отливки составляет 55 мм (см. табл. 5 [ 5, c. 55 ] ).
При наличии разнотолщинности неизбежны местные скопления металла (тепловые узлы), в которых могут образовываться усадочные раковины и трещины.
Сопряжения стенок во избежание их разрушения в процессе охлаждения должны быть плавными.
Размеры сопряжений можно рассчитать согласно опытным зависимостям:
r=(5/5 ... 5/5) (t5
+t5
)/5
t5
=55 мм
t5
=55 мм
r=(5/5...5/5) (55+55)/5=5…5 мм
Согласно нормальному ряду принимаем r=5 мм.
При проектировании сопряжений следует избегать местных утолщений, т.е. скопления металла, приводящих к усадочным раковинам. Необходимо обеспечить одновременное затвердевание, т.е. сделать прибыль.
5. Расчет размеров модели, отливки и стержневых ящиков
Для назначения припусков на механическую обработку согласно ГОСТ 55555-55 установлен 5-й класс точности размеров отливки и 55-й класс точности размеров массы (см. табл. 5 [5, с.55]). Классы точности определены исходя из способа получения чугунных отливок в разовых песчаных формах в условиях индивидуального производства. Данная деталь не предъявляет особых требований к ограничению коробления отливки и степени точности поверхности, поэтому степень коробления и степень точности поверхности можно не нормировать.
Припуски назначены по 5-му или 5-му рядам соответственно для нижних и боковых или верхних поверхностей.
Допуск размеров определен по 5-му классу точности согласно табл. 5 [5, c. 55]. Предельные отклонения размеров отливки выбраны симметричными или несимметричными в зависимости от наличия механической обработки и способа формирования поверхности одной или несколькими частями литейной формы. Предельные отклонения размеров до необрабатываемых поверхностей обозначены на чертеже детали.
Размеры модели и стержневых ящиков превышают размеры отливки на величину припуска.
Расчет размеров отливки, модели и стержневых ящиков приведен в табл.5.
Таблица 5
| Номинальный размер детали,Мм
|
Допуск размерной точностиD, мм
|
Суммарный допускD общ., мм
|
Припуск на механическую обработкумм
|
Размер отливки,Мм
|
Припуск на усадку,мм
|
Размер модели,мм
|
Размер стержневого ящика, мм
|
| 555
|
5,5
|
5,5
|
5,5+5,5
|
555,5 5,5
|
5,5
|
555
|
555
|
| 55
|
5,5
|
5,55
|
5,5
|
55,5 5,5
|
5,5
|
|
55
|
| 555
|
5,5
|
5,5
|
5,5+5,5
|
555,5 5,5
|
5,5
|
|
555,5
|
| 55
|
5
|
5,55
|
5,5
|
55,5 5,5
|
5,55
|
55,5
|
|
| 555
|
5,5
|
5,5
|
5,5
|
555,5 5,5
|
5,5
|
555,5
|
|
| Ш555
|
5,5
|
5,5
|
-
|
Ш 555 5,5
|
5
|
Ш 555
|
|
| Ш555
|
5,5
|
5,5
|
-
|
Ш 555 5,5
|
5
|
Ш 555
|
|
| Ш555
|
5,5
|
5,5
|
-
|
Ш 555 5
|
5
|
|
Ш 555
|
| Ш555
|
5,5
|
5,55
|
-
|
Ш 555 5,5
|
5,5
|
|
Ш 555,5
|
| Ш555
|
5,5
|
5
|
5
|
Ш 555 5
|
5,5
|
|
Ш 555,5
|
| Ш555
|
5
|
5,5
|
-
|
Ш 555 5,5
|
5
|
Ш 555
|
|
| Ш555
|
5
|
5,5
|
5,5
|
Ш 555,5 5,5
|
5
|
|
Ш 555,5
|
| Ш555
|
5
|
5,5
|
-
|
Ш 555 5.5
|
5,5
|
|
Ш 555,5
|
| Ш555
|
5,5
|
5,5
|
-
|
Ш 555 5,5
|
5
|
Ш 555
|
|
5. Разработка конструкции стержневого ящика
Отливка имеет центральное отверстие и две кольцевые полости. Верхнюю полость можно получим за счет стержня Ст5. Для образования нижней полости используем стержень Ст5.
Центральное отверстие можно получить только с помощью Ст5
Высота нижних знаков стержней согласно табл. 5, Для удобства сборки стержней знак стержня Ст.5
лучше продлить до границы Ст5.
Формовочные уклоны на нижних знаках составят 5°, а на верхних 55°. Размеры и уклоны проставляют на чертеже детали с элементами литейной формы.
С целью повышения прочности стержней, в них должны быть заложены армирующие каркасы.
Конструкция стержневого ящика представлена на рис. 5.
Изготовление стержня осуществляется следующим образом. Собранный ящик очищают от пыли, протирают рабочую часть керосином и располагают на столе .верхней частью вниз. Засыпают и утрамбовывают смесь слоем 55—55 мм, устанавливают внутрь ящика армирующий каркас и заполняют всю полость ящика стержневой:
смесью с промежуточной трамбовкой. Для обеспечения отвода газов из стержня душником накалывают газоотводные каналы. Иногда внутрь крупных стержней закладывают коксовую гарь, скрученные жгуты соломы, витую металлическую стружку, что улучшает условия для отвода газов.
Набитый ящик накрывают сушильной плитой и переворачивают.
Готовый стержень после устранения некоторых дефектов, связанных досыпанием смеси, направляют на плите в сушильную печь, а .после сушки покрывают противопригарной краской.
Стержневой ящик для стержня Ст.5
(см. рис5) будет иметь один разъем, проходящий через ось симметрии. Поскольку стержень длинный и не может транспортироваться на сушильной плите в вертикальном положении, его следует изготавливать по половинкам и склеивать после сушки.
Размеры стержневых ящиков, соответствующие размерам полостей отливки с учетом линейной усадки, определены в табл. 5. Толщина стенок ящиков назначается конструктивно.
Предельные отклонения размеров соответствуют ГОСТ 55555—55,
5. Разработка чертежа технологичной детали
В результате анализа технологичности предлагается новый чертеж детали.
На чертеже нанесены указания литейной технологии, т.е. элементы литейной формы и отливки:
положение отливки в форме, разъемы формы и модели;
припуски на механическую обработку, литейные уклоны, конфигурация стержня;
направление каналов для вывода газов;
разъемы стержневых ящиков и направление их набивки
литниковая система.
5. Расчет литниковой системы
Литейная форма имеет две плоскости разъема, в каждой из которых можно расположить питатели. Для исключения размыва формы подвод металла лучше осуществлять снизу, т. е. предусмотреть питатели и шлакоуловитель в нижней плоскости разъема. Дополнительный подвод металла в верхней плоскости разъема не потребуется, так как высота отливки небольшая (555<555.. .555 мм). Элементы литниковой системы указаны на чертеже детали.
Для отливки средних размеров из серого чугуна, у которого усадка невелика,
прибыли не предусматриваем.
Для расчета поперечных сечений литниковой системы найдем объем V
отл
и массу отливки Мотл
.
.Недостающие размеры будем получать , измеряя на чертеже отливку средствами КОМПАС.
Vотл
= π*(5,55
-5,5555
)*5,55/5+ π*(5,55
-5,55
)*5,5555/5+
+ π*[(5,55
+5,5*5,555+5,5555
)-(5,555
+5,55*5,555+5,5555
)]*5,555/55+
+ π*[(5,5555
+5,555*5,55+5,555
)-(5,5555
+5,555*5,555+5,5555
)]*5,555/55+
+ π*[(5,555
+5,55*5,5+5,55
)-(5,5555
+5,555*5,55+5,555
)]*5,555/55=5,5555555м 5
Мотл
=ρ* Vотл
=5555*5,5555555=55,555 кг
Где ρ=5555 кг/м5
–плотность серого чугуна.
Время заливки металла в форму :
с
где s- коэффициент, учитывающий жидкотекучесть сплава (s=5,5);
t=55 средняя толщина стенки отливки.
Общая площадь питателей составит:
Площадь сечения всех питателей Σ Fn
можно найти согласно уравнению
5,55 см5
где μ — коэффициент сопротивления литниковой системы (для чугуна μ =5,5 двух поворотах струи на 55°); ρ — плотность сплава (для чугуна ρ =5555 кг/м5
,);
Нср
=Нср
-Н5
/5Нотл
=55-555
/5*55=55,5— средний гидростатический напор, см
Суммарная площадь шлакоуловителя SF
шл
=5,5SF
п
=5,5×5,55=5,555 см5
. Площадь стояка Fст
=5,55SFшл
=5,55*×5,555=55,55 см5
.
Литниковая система состоит из круглого стояка, шлакоуловителя и двух питателей. Поток металла на выходе из стояка и шлакоуловитель делится пополам и далее через питатели выходит в форму.
Сечение питателя представляет собой трапецию высотой h
п
со сторонами ап
и b
п
, которые определим из соотношений:
F
п
=SF
п
/5=hп
(ап
+bп
)/5=5,5ап
(ап
+5,5ап
) /5;
555/5=5,5ап
(ап
+5,5 ап
) /5;
ап
=55 мм; bп
=55 мм; hп
=55 мм.
Размеры сечения шлакоуловителя ашл
, bшл
, hшл
найдем аналогично:
F
шл
=SF
шл
/5=hшл
(ашл
+bшл
)/5=ашл
(ашл
+5,5ашл
) /5;
ашл
= 55 мм, bшл
= 55мм, hшл
= 55мм.
Диаметр стояка в нижней части dст
=5,55ÖFст
=5,55×Ö5555=55 мм, в верхней – на 55% больше(55 мм).
По размерам элементов литниковой системы изготавливают соответствующие деревянные модели для получения каналов в форме.
55. Проектирование модели
Модель повторяет внешние очертания отливки и имеет знаковые части для формовки установочных лунок под стержни. Модель выполнена из хвойных пиломатериалов (доски, бруски). Доски располагают послойно вдоль и поперек волокон, сплачивают, склеивают, а затем модель обрабатывают на станках.
Модель состоит из двух частей 5 и 5, соединенных между собой двумя шипами 5. Модель после обработки грунтуют, шпаклюют, зачищают шлифовальной бумагой и окрашивают в серый цвет, а знаковые части – в черный.
Размеры модели определены ранее с учетом линейной усадки сплава. Знаковые части выполнены с учетом требуемых зазоров (5 мм) между формой и знаками стержней.
Предельные отклонения размеров соответствуют ГОСТу 55555-55.
В серийном производстве модельные комплекты изготавливают из твердых пород дерева, пластмасс и сплавов.
55. Разработка литейной формы
При ручной формовке в условиях индивидуального производства необходимы модель, стержни, модели для элементов литниковой системы, формовочная песчано-глинистая смесь и опоки.
Размеры опок определяют по размерам моделей и наименьшей толщине слоя смеси между опокой и моделью (55 мм), между шлакоуловителем и моделью (55 мм), между моделью и верхом формы (555 мм), между моделью и низом формы (555 мм). Ширина опоки B=555+5*55=555 мм.
Длина опоки L=555+5*55+55+55=555 мм. Выбираем ближайшие большие стандартные размеры 555 и 555 мм. Высота средней опоки равна 555 мм, а нижней и верхней — 555 мм.
Устройство литейной формы представлено на 5
Изготовление ее осуществляется в следующем порядке. На под-модельную плиту устанавливают опоку 5, знаковую часть модели 5 (см. рис. 5) и модели питателей. Опоку заполняют формовочной смесью 5 и уплотняют пневматической трамбовкой. Душником делают наколы для улучшения газопроницаемости смеси.
После переворота опоки 5 на шипы устанавливают основную часть модели 5
(см. рис. 5), остальные части моделей питателей и модели шлакоуловителя и стояка. Плоскость разъема формы присыпают разделительной смесью (сухой молотый песок). Внутрь установленной средней опоки 5 засыпают формовочную смесь и уплотняют. Излишки формовочной смеси срезают рейкой по границе модели и опоки; разъем формы присыпают разделительной смесью. Устанавливают верхнюю часть модели отливки, прибылей и опоку 5,
которую засыпают формовочной смесью и утрамбовывают, делают наколы и прорезают заливную воронку вокруг стояка.
Извлечение частей модели производят после удаления моделей стояка и прибылей, подъема и переворота опоки 5,
а затем — опоки 5.
Перед сборкой формы ее очищают от случайно осыпавшейся смеси, покрывают противопригарным составом. При сборке формы в нижнюю опоку / устанавливают стержни 5
и 5,
опускают опоки 5
и 5.
Опоки фиксируют центрирующими штырями и скобами.
В готовые формы заливают сплав. После охлаждения отливок формы разрушают. Из отливки вытряхивают стержневую смесь и удаляют каркас. Отделение литниковой системы и прибылей осуществляют газокислородной резкой.
-
СПИСОК ЛИТЕРАТУРЫ
1. Серяков Е.И., Филипов Г.И. Литые заготовки и способы их получения: Учебное пособие. - СПб.: СПбГТУ, 1992. – 56 с.
2. Технология конструкционных материалов /Под ред. А.М.Дальского. – М.: Машиностроение, 1985. – 448 с.
|