| МИНИСТЕРСТВО ОБРАЗОВАНИЯ РОССИЙСКОЙ ФЕДЕРАЦИИ
ПЕТЕРБУРГСКОГО ГОСУДАРСТВЕННОГО УНИВЕРСИТЕТА ПУТЕЙ СООБЩЕНИЯ
Кафедра «Радиотехника»
Курсовая работа
Тема:
Построение аналого-цифровых преобразователей
Выполнил: ______________________
Проверил: ______________________
Санкт- Петербург
2005
Введение
В настоящее время, быстрого развития компьютерной техники, сотовой телефонии, линий связи и передачи информации, существует острая связь в понимании и практическом применении способов кодирования и декодирования информации.
Аналого-цифровой преобразователь (АЦП
) осуществляет преобразование аналогового сигнала (непрерывный спектр), в сигнал с дискретной формой значений. Цифро-аналоговый преобразователь (ЦАП
) производит обратное преобразование цифрового (дискретного) сигнала в аналоговый.
Например, путём преобразования в цифровую форму с помощью АЦП, расположенного у источника информации, таких реально существующих переменных, как, температура, скорость и звук, и последующего восстановления тех же самых сигналов с помощью ЦАП, расположенном на оконечном устройстве.
Преимущества цифровых методов обработки информации могут быть реализованы лишь в том случае, когда АЦП и ЦАП не вносят в эту обработку ограничений по точности и быстродействию эти ограничения удаётся свести к минимуму при использовании интегральных АЦП и ЦАП. Интеграция схем преобразователей не только существенно улучшила экономические и надёжностные показатели АЦП и ЦАП, уменьшила их габариты с одновременным совершенствованием конструктивного исполнения, но и повысила быстродействие и метрологические характеристики за счёт уменьшения паразитных связей (внутренних емкостей), использования взаимной компенсации и идентичности отдельных элементов интегральных схем.
В зависимости от метода преобразования и способа его реализации разработано много АЦП различных типов (АЦП параллельного преобразования, АЦП двойного интегрирования и др.).
В данной работе рассматривается построение и принципы работы АЦП последовательного счёта.
1. Аналого-цифровые преобразователи
Аналого-цифровые преобразователи (АЦП) предназначены для преобразования аналоговых (непрерывных) сигналов в цифровую форму. Преобразование аналогового сигнала происходит в определенные моменты времени, которые называются точками отсчета. Количество отсчетов за единицу времени определяет частоту дискретизации (преобразования), которая, в свою очередь, определяется быстродействием и условиями использования АЦП. Интервал времени между отсчетами Тотс
и частота дискретизации fпр
связаны соотношением:
Забиваем Сайты В ТОП КУВАЛДОЙ - Уникальные возможности от SeoHammer
Каждая ссылка анализируется по трем пакетам оценки: SEO, Трафик и SMM.
SeoHammer делает продвижение сайта прозрачным и простым занятием.
Ссылки, вечные ссылки, статьи, упоминания, пресс-релизы - используйте по максимуму потенциал SeoHammer для продвижения вашего сайта.
Что умеет делать SeoHammer
— Продвижение в один клик, интеллектуальный подбор запросов, покупка самых лучших ссылок с высокой степенью качества у лучших бирж ссылок.
— Регулярная проверка качества ссылок по более чем 100 показателям и ежедневный пересчет показателей качества проекта.
— Все известные форматы ссылок: арендные ссылки, вечные ссылки, публикации (упоминания, мнения, отзывы, статьи, пресс-релизы).
— SeoHammer покажет, где рост или падение, а также запросы, на которые нужно обратить внимание.
SeoHammer еще предоставляет технологию Буст, она ускоряет продвижение в десятки раз,
а первые результаты появляются уже в течение первых 7 дней.
Зарегистрироваться и Начать продвижение
Тотс
= 1/fпр
.
В измерительной технике для преобразования медленно меняющихся процессов частота преобразования может быть установлена небольшой - единицы Герц и менее. В устройствах, где требуется преобразовывать сигналы в масштабе реального времени, частота преобразования выбирается из условия достижения максимальной точности восстановления цифрового сигнала в аналоговую форму. Например, преобразование речевого сигнала в дискретную форму. При этом частота дискретизации определяется как fпр
= 2Fмах
, где Fмах
- максимальная частота речевого сигнала.
Для обеспечения преобразования без искажений требуется выполнение условия:
t пр
< Тотс
,
где tпр
- время преобразования АЦП одного отсчета.
Основные параметры АЦП
Точность преобразования и качество работы АЦП характеризуют следующие параметры: относительная разрешающая способность, абсолютная разрешающая способность, абсолютная погрешность преобразования, нелинейность преобразования, дифференциальная нелинейность, скорость преобразования (время одного преобразования) и максимальная частота преобразования.
По принципу дискретизации
и структуре построения АЦП делятся на две группы: 1-группа АЦП с применением ЦАП и 2-группа АЦП без ЦАП.
К первой группе относятся:
- АЦП последовательного счета (развёртывающего типа);
- АЦП последовательного приближения (поразрядного уравновешивания);
- следящий АЦП.
К второй группе относятся:
- АЦП прямого преобразования;
- АЦП двойного интегрирования;
- АЦП с применением генератора, управляемого напряжением (ГУН).
Каждый тип АЦП имеет свои достоинства и недостатки. На практике встречаются все выше перечисленные типы АЦП.
Сравнительные характеристики АЦП.
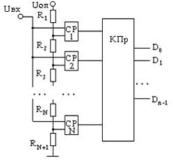
Наибольшим быстродействием обладают АЦП прямого преобразования. Время преобразования tпр
достигает 10 -20 нсек. Они используются для преобразования сигналов сверхбыстро протекающих процессов и сигналов телевизионного изображения (цифровое телевидение). Они отличаются высокой стоимостью и большой потребляемой мощностью. Функциональная схема АЦП прямого преобразования приведена на рис.1. Она содержит 2n
компараторов, делитель опорного напряжения и преобразователь позиционного кода в параллельный двоичный код. Промышленностью выпускаются 4, 6, 8 - разрядные АЦП прямого преобразования. Время преобразования этих АЦП определяется исключительно только временем распространения сигнала в компараторах tздкр
и преобразователе кодов tздпр
, т.е. tпр
= tздкр
+ tздпр
.
Сервис онлайн-записи на собственном Telegram-боте
Попробуйте сервис онлайн-записи VisitTime на основе вашего собственного Telegram-бота:
— Разгрузит мастера, специалиста или компанию;
— Позволит гибко управлять расписанием и загрузкой;
— Разошлет оповещения о новых услугах или акциях;
— Позволит принять оплату на карту/кошелек/счет;
— Позволит записываться на групповые и персональные посещения;
— Поможет получить от клиента отзывы о визите к вам;
— Включает в себя сервис чаевых.
Для новых пользователей первый месяц бесплатно.
Зарегистрироваться в сервисе

Рис. 1
. Функциональная схема АЦП прямого (параллельного) преобразования.
По своему быстродействию на втором месте находятся АЦП последовательного приближения (рис. 2). Время преобразования n- разрядного АЦП определяется как tпр
= nТ + 3Т, где Т - период следования тактовых импульсов, соответствующий времени выборки одного кванта. Дополнительные 3 такта используются для старта( запуска) и формирования сигналов признака завершения процесса преобразования (сигнала “конец преобразования”).

Рис. 2
. Функциональная схема АЦП последовательного приближения.
Принцип работы АЦП последовательного приближения иллюстрируется на рис.3. После запуска, на выходе АЦП устатанавливается число, соответствующее половине напряжения полной шкалы Uпш
/ 2. Это напряжение сравнивается с входным напряжением Uвх
и, в зависимости от результата сравнения, компаратор вырабатывает два сигнала: U1
, когда Uвых ЦАП
> Uвх
и U2
при Uвых ЦАП
< Uвх
. Если Uвых ЦАП
меньше, чем Uвх
ЛСУ вырабатывает
команду, при которой к содержимому регистра последовательного приближения РПП прибавляется число, соответствующее половине напряжения, установленного в предыдущем такте. Если же Uвых ЦАП
> Uвх
, то из содержимого РПП это число вычитается (см. рис. 3). Это происходит до тех пор, пока напряжение приращения не станет равным DUкв
, т.е.
Un
= DUкв
=Uпш
/2n.
.

Рис.3
Выходное напряжение ЦАП, соответствующее десятичному значению двоичного кода АЦП.
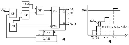
Наибольшим времением преобразования (среди АЦП с использованием ЦАП) обладает АЦП последовательного счета
tпр
= 2n
Т. Они проще в изготовлении и имеют наименьшую стоимость. Погрешность преобразования таких АЦП определяется, в основном, погрешностью ЦАП и может быть доведена до значений прецизионных преобразователей. АЦП последовательного счета переводит аналоговый сигнал в цифровой последовательно, начиная с младшего значащего разряда до цифрового кода на выходе, соответствующего уровню входного аналогового напряжения АЦП. Структурная схема такого АЦП приведена на рис. 4, а.

Рис.4.
Структурная схема и временная диаграмма АЦП последовательного счета.
С генератора тактовых импульсов через электронный ключ ЭК, который открывается в момент выборки входного аналогового сигнала схемой запуска (СЗ), последовательность импульсов поступает на n- разрядный двоичный счетчик (СЧ). Выход счетчика является выходом АЦП и одновременно управляет схемой ЦАП, вырабатывающей ступенчато нарастающее напряжение (см. рис. 5, б). В момент, когда выходное напряжение ЦАП станет равным входному, компаратор (СР) вырабатывает сигнал, опрокидывающий триггер (ТГ). При этом, сигнал с выхода триггера закроет электронный ключ и остановит счетчик. Содержание счетчика Nсч
после его остановки будет соответствовать числу, определяемому входным аналоговым сигналом
Nсч
= Uвх
/ DUкв
.
Наибольшее число в счетчике соответствует входному напряжению, равному Uпш
. При этом Nсч
= 2n
.
АЦП двойного интегрирования (интегрирующий АЦП)
.
Способ двойного интегрирования позволяет хорошо подавлять сетевые помехи. На рис. 5 приведена функциональная схема АЦП двойного интегрирования. Работа его заключается в следующем. Счетчик запускается от генератора тактовых импульсов в момент поступления на интегратор входного сигнала Uвх
, из которого за время интегрирования делается выборка. За время выборки напряжение на выходе интегратора Uвых
и
увеличивается. В момент tи
прямое интегрирование заканчивается, входной сигнал от интегратора отключается и к его суммирующей точке подключается эталонный резистор. От времени tи
до моментов t1
. . . t3
продолжается разряд конденсатора интегратора с постоянной скоростью.

Рис. 5
. Функциональная схема и временные диаграммы АЦП двойного интегрирования: ЭК-электронный ключ; ПС – пороговая схема; ДЧ – делитель частоты; Г – генератор, СЛУ – счетно-логическое устройство; ИНТ – интегратор; КНУ – компаратор нулевого уровня.
Интервалы времени от tи
до нулевых отметок (t1
. . . t3
) пропорциональны уровню входного сигнала. Существенным преимуществом преобразователя является простота компенсации наводок сети промышленного питания.
АЦП двойного интегрирования относится к наиболее медленно работающим преобразователям. Однако, высокая точность, низкий уровень шумов и низкая стоимость делают их незаменимыми для применения в щитовых приборах, мультиметрах, цифровых термометрах и т.п.
Этому способствует также то, что результаты преобразования в интегрирующих АЦП часто представляются в десятичном коде или же в удобном виде для представления цифр десятичной системы счисления.
АЦП с применением ГУН, получивших название преобразователей напряжение - частота, обладают средним временем преобразования и используются, преимущественно, в измерительных системах, например, в системах измерения скорости и торможения автомобилей, измерения ухода частоты несущей в системах связи, высокоточных накопителях информации, помехоустойчивых системах передачи данных, фильтрах и др.
2. Генератор тактовых импульсов
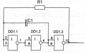
В качестве ГТИ используем схему мультивибратора на логических элементах (ЛЭ) серии ТТЛ. Элементы «ИЛИ-НЕ» имеют стабильные входные и выходные токи, что позволит не применять дополнительных схемных решений для строгой фиксации временных интервалов.

Смена состояния мультивибратора происходит при сравнении напряжения на входе DD1.1 с уровнем Unop
. Пусть в момент времени tq DD1.1 включился, a DD1.2 выключился. Положительный перепад напряжения передаётся через конденсатор С1 на вход DD1.1. Так как при этом напряжение на выходе DD1.3 равно нулю, начинается зарядка ёмкости по цепи: выход DD1.2 - С1 - R1 - выход DD1.3.
По мере зарядки уменьшается ток через резистор и напряжение на нём. При достижении им уровня Unop
мультивибратор переключается в другое состояние, в котором происходит перезаряд ёмкости С1.

Расчёт тактового генератора для АЦП.
Дано:
Частота – 1МГц
Скважность – 4
Длительность фронтов – 10-2 мкс
Амплитуда – 6В
Решение
T=1 / F=
q=T / tи =
tп = Tи - tи =
где T- период
F - частота
tи – время импульса
tп – время паузы
По заданным данным:
Согласуемые элементы серии ТТЛ- КМДП
К155 - K176
Нагрузочная способность ПУ – 3
Частота переключения – 10 МГц
Температурный диапозон - -10 - +45
Выбираю Микросхему К155ЛИ1

рис. а рис. б
УГО (условно - графическое отображение) ИМС (К155ЛИ1),дано на рис. а
На рис б.приведена принципиальная схема двухвходового логического элемента “И”.
Параметры ИМС (К155ЛИ1)
(0) Uвых = 0,4
(1) Uвых = 2,4
(0) Iвх = -1,6
(1) Iвх = 0,04
Kраз (нагрузочная способность) = 10
Преобразователь уровней
Для того, чтобы использовать выше рассмотренный генератор тактовых импульсов необходимо согласовать его выходной сигнал по амплитуде и крутизне фронтов с входами микросхем АЦП, поскольку они выполнены в основном по технологии КМОП, для обеспечения более точного преобразования аналоговых сигналов.
Поэтому между генератором и АЦП необходимо включить преобразователь уровней типа ТТЛ - КМОП.


Для построения схемы ПУ используем универсальные транзисторы типа КТ3102Г: (Таблица 1 )
Таблица 1

Расчёт преобразователя уровней.
Значения резисторов RK и Rб определим из условий двухсторонних ограничений:
Из условия, что напряжение на выходе ПУ не должно быть меньше напряжения U1 кмоп, для наихудшего соотношения параметров определяем первое ограничение сверху на величину RK:

Е - минимальное напряжение питания при заданном допуске;
I1 кмоп и Iкбо, - максимальные значения входного тока КМОП-элемента и обратного тока коллектора транзистора VT1, которые достигаются при максимальной температуре Тмакс заданного температурного диапазона работы ПУ.
Для нахождения I1 кмоп и Iкбо используем упрощенное выражение, описывающее зависимость обратного тока р-n перехода Iо от температуры окружающей среды Т:

Т* - приращение температуры, при которой обратный ток Iо (То) удваивается
(Т*~ (6 или 7)°С для кремния);
Iо (То) - ток Iо при некоторой исходной температуре Т0
, который приводится в справочнике.
I вх КМОП (Т макс) ~ 1,5мкА * 2 (45 C– 20 C / 6 C) =
I кбо (Т макс) ~ 0,05мкА * 2 (45 C– 20 C / 6 C) =
Rk < (6,05 – 6) / ((2*(48,3мкА)+(16,1мкА)) =
Второе ограничение сверху на величину RK определяется
требованиями обеспечения заданного быстродействия ПУ:
Rк < 1 / (2,3 * f * Cн)
где Сн = nCвх +См
n - нагрузочная способность ПУ;
Свх
- входная ёмкость КМОП - элемента;
См
- ёмкость монтажа;
f - частота переключения ПУ.
Rк <
Из условия ограничения тока коллектора насыщенного транзистора VT1 максимально допустимым током IK
макс для наихудшего соотношения параметров определим ограничение снизу на величину RK
:
где Е - максимальное напряжение питания при заданном допуске.
Uкэн ~ Iк макс * Rкэн = 0 В
Rк >
С
точки зрения уменьшения мощности, потребляемой ПУ, необходимо выбрать величину RK
наибольшей, удовлетворяющей двустороннему ограничению и в соответствии со стандартным рядом номиналов резистора.
Принимаем RK
=
Мощность рассеиваемая на резисторе RK
при насыщении транзистора VT:
P Rк > (E - Uкэн)’ / Rк =
Мощность резистора принимаем минимальной величиной - 0,125 Вт
Из условия, что ток базы Iб транзистора VT не должен превышать
ток I1 вых КМОП, получаем первое ограничение снизу на величину R6:
Rб >
е
об-
напряжение на р - п переходе Б - Э насыщенного транзистора (для кремниевых транзисторов еоб ~ 0,6В)
Rб
<
Из условия, что ток Iб не должен превышать максимально
допустимый ток базы Iб макс выбранного транзистора VT, получим
второе ограничение снизу на величину Rб.
Rб >
Для определения ограничения сверху на величину R6
потребуем, чтобы обеспечивалась для выбранного транзистора VT степень насыщения S. Тогда
Rб <
Величину Rб выбираем наибольшей, удовлетворяющей двустороннему ограничению, и в соответствии со стандартным рядом номиналов резистора.
Принимаем R
б =
кОм.
Расчёт мощности, потребляемой ПУ от источника питания.
Если Uвх = Uo ттл, то транзистор VT находится в режиме отсечки и через резистор Rк протекает ток 2I1 кмоп + Iкбо, который будет максимальным при наибольшей температуре. Поэтому мощность, которую ПУ потребляет от источника питания Е в состоянии лог.1 на выходе, равна:
P = E* (n* Iвх кмоп + Iкбо) =
Если Uвх = U1 ттл, то VT насыщен и мощность, потребляемая ПУ в состоянии лог. О на выходе равна:
P = E*Iкн = E*((E – Uкэн) / Rк) + n*Iвх кмоп) =
Интегральный аналог ПУ

рис.6
Микросхема К176ПУ3 содержит шесть независимых преобразователей уровня без инверсии сигнала.
На вывод 1 подаётся напряжение +5В, а на вывод 16 - +9В. Условное обозначение и цоколёвка ИС приведены на рис.6. ИС предназначена для преобразования сигналов от КМДП ИС в сигналы ТТЛ ИС.
Литература:
1.
М.И.Богданович, И.Н.Грель, В.А. Прохоренко. Цифровые интегральные микросхемы. Справочник.
- Минск. “Белорусь” 1991г.
2.
Шило В.Л. Популярные цифровые микросхемы. - М.: "Радио и связь", 1987.
3.
В помощь радио – любителю. Выпуск 109, 111.- г.1991
|