| МОСКОВСКИЙ ГОСУДАРСТВЕННЫЙ УНИВЕРСИТЕТ
ПУТЕЙ СООБЩЕНИЯ (МИИТ)
Кафедра « Электроника и защита информации»
КУРСОВАЯ РАБОТА
ПО ТЕМЕ:
«Преобразователи уровней интегральных схем»
ТТЛ-КМДП
Вариант 17
Выполнил:
Студент гр. АУИ-311
Проверил:
ст. преподаватель
Катина М.В.
Москва 2009
Содержание.
1. Цель работы........................................................................................................3
2. Теоретическая часть………………………………………...............................3
3. Расчёт преобразователя уровня (ПУ). Исходные данные.............................4
3.1. Выбор напряжения питания ПУ............................................................ ..7
3.2. Выбор номиналов резисторов...................................................................7
3.3. Определение мощности потребляемой ПУ.............................................9
3.4. Построение передаточной характеристики ПУ ...........10
3.5 Расчет статической помехоустойчивости……………………………. .11
Список используемой литературы......................................................................12
1.
Цель работы.
Цель курсовой работы - научиться проектировать схемы, используемые для согласования цифровых интегральных схем, относящихся к различной элементарной базе, например ТТЛ и КМДП.
2. Теоретическая часть.
Преобразователь уровней (ПУ)
- специальная схема, преобразующая выходные сигналы цифровой ИС (интегральная схема) одного типа во входные сигналы цифровой ИС другого типа (Иногда ПУ называют транслятором уровней).
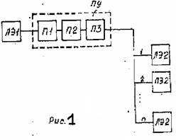
ПУ должен обеспечить преобразование выходного логического уровня одного элемента ЛЭ1 во входной логический уровень другого элемента ЛЭ2 с заданным коэффициентом разветвления n. (т.е. ПУ должен давать требуемый логический уровень для n элементов ЛЭ2, параллельно подключенных к выходу ПУ).
При проектировании микроэлектронной аппаратуры на цифровых интегральных микросхемах на практике возникает необходимость в совместном использовании цифровых ИМС (интегральные микросхемы) различных серий. Эти ИМС могут существенно различаться как конструктивно-технологическими, схемотехническими решениями, так и электрическим и параметрами, вследствие чего они не могут сопрягаться непосредственно. Использование ПУ позволяет обеспечить управление интегрального логического элемента (ЛЭ) одной серии интегральным логическим элементом другой серии, т.е. добиться электрического и временного сопряжения этих двух элементов.
Забиваем Сайты В ТОП КУВАЛДОЙ - Уникальные возможности от SeoHammer
Каждая ссылка анализируется по трем пакетам оценки: SEO, Трафик и SMM.
SeoHammer делает продвижение сайта прозрачным и простым занятием.
Ссылки, вечные ссылки, статьи, упоминания, пресс-релизы - используйте по максимуму потенциал SeoHammer для продвижения вашего сайта.
Что умеет делать SeoHammer
— Продвижение в один клик, интеллектуальный подбор запросов, покупка самых лучших ссылок с высокой степенью качества у лучших бирж ссылок.
— Регулярная проверка качества ссылок по более чем 100 показателям и ежедневный пересчет показателей качества проекта.
— Все известные форматы ссылок: арендные ссылки, вечные ссылки, публикации (упоминания, мнения, отзывы, статьи, пресс-релизы).
— SeoHammer покажет, где рост или падение, а также запросы, на которые нужно обратить внимание.
SeoHammer еще предоставляет технологию Буст, она ускоряет продвижение в десятки раз,
а первые результаты появляются уже в течение первых 7 дней.
Зарегистрироваться и Начать продвижение
Каждый ЛЭ характеризуется набором входных и выходных статических и динамических параметров. К статическим параметрам относятся: входные (Uвх) и выходные (Uвых) напряжения; уровни логической "1" (U1
) и логического "0" (U0
); входные и выходные токи ЛЭ в состояниях логического "0" и логической "1м
по входу и выходу; Iн - ток нагрузки; Uп+
-допустимая положительная статическая помеха при уровне на выходе (помехозащищенность снизу) и Uп-
- допустимая статическая помеха при уровне У на выходе (помехозащищённость сверху).
Средние значения этих параметров, пределы их изменений и их полярности у различных ЛЭ разные.
На рис.1 представлена обобщенная структурная схема согласования элементов ЛЭ1 и ЛЭ2 с различными типами логики и схемотехники. Основным элементом схемы согласования является преобразователь уровня ПУ. Входной П1 и выходной ПЗ каскады обеспечивают согласование выходов ЛЭ1 со входом П2 и выхода П2 с входом ЛЭ2. В отличие от логических элементов, у которых значения уровней входных и выходных сигналов, как правило, совпадают, у ПУ значения входных и выходных сигналов всегда различны. Это характерный признак ПУ. Поэтому простейшим способом обеспечения полного сопряжения уровней ЛЭ1 и ЛЭ2 является способ построения схемы, при котором входной каскад ПУ - П1 был реализован аналогично схеме выходного каскада ЛЭ1. Аналогично выходной каскад ПУ - ПЗ должен быть реализован по схеме входного каскада ЛЭ2. Чтобы обеспечить выполнение этих условий при таком способе построения ПУ необходимо одновременно использовать питающие напряжения как ЛЭ1, так и ЛЭ2.
В практических случаях, когда ЛЭ1, ПУ, ЛЭ2 размещены на одной и той же плате или в одном корпусе микросхемы, схему ОУ можно упростить, исключив из нее каскады П1 или ПЗ или оба. В интегральном варианте ПУ может содержать все три каскада П1-П2-ПЗ, так как при этом ограничения на соединения между ПУ и цифровыми ИС с ЛЭ будут такими же, как для связей между цифровыми ИС в данной аппаратуре. Это в определенной степени облегчит конструирование электронных блоков аппаратуры.
Кроме обеспечения совместимости уровней сигналов ПУ должны удовлетворять специальным требованиям, например, таким как:
Сервис онлайн-записи на собственном Telegram-боте
Попробуйте сервис онлайн-записи VisitTime на основе вашего собственного Telegram-бота:
— Разгрузит мастера, специалиста или компанию;
— Позволит гибко управлять расписанием и загрузкой;
— Разошлет оповещения о новых услугах или акциях;
— Позволит принять оплату на карту/кошелек/счет;
— Позволит записываться на групповые и персональные посещения;
— Поможет получить от клиента отзывы о визите к вам;
— Включает в себя сервис чаевых.
Для новых пользователей первый месяц бесплатно.
Зарегистрироваться в сервисе
- сохранение преобразователем порогового уровня управляющего элемента ЛЭ1 и уровней токов элементов ЛЭ1 и ЛЭ2;
- обеспечение преобразования уровней с логической или без инверсии;
- обеспечение заданных требований по нагрузочной способности и параметрам быстродействия.
Обеспечение заданных требований по нагрузочной способности сводится к обеспечению преобразования выходного логического уровня элемента ЛЭ1 во входной логический уровень элемента ЛЭ2 с заданным коэффициентом разветвления n (т.е. ПУ должен давать требуемый логический уровень для n элементов ЛЭ2 параллельно подключенных к выходу ПУ).
Обеспечение заданных требований по параметрам быстродействия обычно сводится к тому, что ПУ не должен ухудшать быстродействие цифрового устройства, в котором он используется, т.е. задержка на переключение ПУ должна быть не больше задержки более медленного из элементов ЛЭ1 и ЛЭ2.
Можно сформулировать общие правила построения ПУ, пригодные для большинства возможных вариантов преобразователей уровня:
- преобразователи уровней проектируются для конкретных схем с обязательным учетом выходных характеристик и параметров управляющего элемента и входных характеристик и параметров управляемого элемента;
- перепад логических уровней управляющего элемента должен быть достаточным для надежного функционирования преобразователей уровней;
- преобразователь уровней должен обеспечивать необходимые динамические параметры с учетом емкостных и активных нагрузок.
По схемотехнической реализации основных логических функций цифровые ИМС, наиболее распространенные в настоящее время, подразделяются на следующие группы ИМС:
- ИМС транзисторно-транзисторной логики (ТТЛ, ТТЛШ);
- ИМС эмиттерно-связанной логики (ЭСЛ);
- ИМС на МДП-транзисторах (КМДП-логика, p-МДП-логика, n-МДП-логика);
- ИМС на элементах инжекционной логики (и2
л).
3. Расчёт преобразователя уровня (ПУ). Исходные данные.
Согласуемые элементы, серии ИС: ТТЛ (К155) КМДП (К561).
Нагрузочная способность: 2
Частота переключения: 1
Температурный диапазон: -10 ¸ 70 0
С
Из справочника выбираем конкретные микросхемы серии К155 и К561: К155ЛА1 – два элемента 4И-НЕ; К561ЛЕ5 –четыре элемента 2ИЛИ-НЕ. Параметры элементов выписываем из справочника [1]:
К155ЛА1:
Uип
= 5В±5%; U’вых = 2,4В; Uо
вых = 0,4В, Iо
вых
= Iпр
в = 16 мА, I’
вых
= -Iпр
в = 0.4 мА; t1,0
≤15 нс;
t0,1
≤ 22 нс;
коэффициент разветвления по выходу (при работе элементов на аналогичные) данные параметры обеспечиваются в диапазоне температур +…+
Корпус ИМС К155ЛА1

Условное графическое обозначение

1,2,4,5,9,10,12,13 - входы X1-X8;
6 - выход Y1; 7 - общий;
8 - выход Y2; 14 - напряжение питания;
К561ЛЕ5:
Uип
= 9В±5%; U’вых ≥ 8,2В;Uо
вых ≤ 0,3В, Iо
вх
= I’
вх
≤ 0,1 мкА;t1,0
≤200 нс; t0,1
≤ 200 нс;Свх
≤12пФ
 
На рис.2 представлен схема преобразователя уровней элемента ТТЛ-типа в уровни элемента КМДП‑типа (ТТЛ→КМДП). Схема на транзисторе VT1 выполняет функции обычного инвертора-усилителя. Входной каскад (на транзисторах VT2 и VT3) КМДП-элемента в простейшем случае представляет собой обычный комплементарный каскад. Для того, чтобы этот каскад работал нормально, значения порогов p-канального транзистора VT2 Uор
и n-канального транзистора VT3 Uon
должны удовлетворять условию │Uор
│+ Uon
≤ Е

рис. 2. рис.3.
В том случае, когда ставится задача спроектировать ПУ ТТЛ→КМДП для расположенных на одной и той же плате конкретных ТТЛ ИС и КМДП ИС с заданной нагрузочной способностью ПУ, частотой переключения и температурным диапазоном работы ПУ, схема преобразователя может содержать только один биполярный транзистор VT и резисторы Rб,
Rк
(рис 3.).
Для реализации ПУ выберем транзистор КТ503А, который является кремниевым, эпитаксиально-планарным n-
p-
n
универсальным низкочастотным маломощным. Предназначен для работы в усилителях НЧ, операционных и дифференциальных усилителях, импульсных схемах.[8]
Электрические параметры транзистора
КТ503А:
Напряжение насыщения коллектор-эмиттер при Iк
=10 мА, Iб
=1 мА, Uкэ нас
=0,2 В.
Напряжение насыщения база-эмиттер при Iк
=10 мА, Iб
=1 мА, U*
=0,8 В.
Граничная частота коэффициента передачи тока в схеме с общим эмиттером: fгр
=5 МГц;
Статический коэффициент передачи тока в схеме с общим эмиттером: β=40¸
120;
Обратный ток коллектора: Iкбо.
=1 мкА, при Uкб
= Uкб нас
Предельно-эксплуатационные данные транзистора КТ201А:
Постоянное напряжение коллектор-база при Т=233-3580
К, Uкб мах
=40 В.
Постоянный ток коллектора при Т=233-2580
К, Iкб мах
=150 мА.
Постоянный ток базы при Т=233-2580
К, Iкб мах
=100 мА
Постоянная рассеиваемая мощность коллектора при Т=233-2980
К – 0,35 Вт.
Температура окружающей среды 233-3580
К.
Данный транзистор выбран потому, что его параметры fгр
=5 МГц, Uкэ нас
=0,2 В, Т=233-3580
К удовлетворяют заданному для ПУ требованиям.

3.1.
Выбор напряжения питания ПУ.
Напряжение питания ПУ выбрано равным напряжению питания элемента К561ЛЕ5
3.2.
Выбор номиналов резисторов.
а)
Выбор номинала резистора
Если на входе ПУ уровень логического "0" элемента KI55JIA1: UВХ
=U0
ТТЛ
= 0,4 В, то транзистор КТ503А, выполняющий в ПУ функции VT, находится в отсечке, т.к. UВХ
<UБЭ НАС
= 0,8 В. На выходе ПУ должен быть сформирован уровень логической «1» элемента К561ЛЕ5: U’
КМДП
≥8,2 В.
Из неравенства для наихудшего соотношения параметров определяем первое ограничение сверху на величину Rк
.

Где Е = 9 В – 0,45 В = 8,55 В – минимальное напряжение питания при допуске 5%
U’КМДП =
U’ВЫХ КМДП
= 8,2 В – уровень логической «1» на выходе элемента К561ЛЕ5
n = 2 – нагрузочная способность
- максимальные значения входного тока элемента К561ЛЕ5
И обратного тока коллектора транзистора КТ503А, которые достигаются при максимальной температуре Тмах
=70о
С=345К.
Для нахождения воспользуемся выражением:

где Т*
- температура удвоения при которой обратный ток удваивается (Т*
≈8о
С для кремния);
- значение тока при некоторой исходной температуре;
Т- температура, при которой измеряют ток Io
.


Подставив значения, получим первое ограничение сверху на величину Rк:

Второе ограничение сверху на величину Rк из условия:

где =1 мГц- заданная частота переключения
Сн
=Свх
+См
– емкость нагрузки;
n=2;
Свх
= 12 пФ – входная ёмкость элемента К561ЛЕ5
См
= 50 пФ – емкость монтажа.
Подставив значения, получим второе ограничение сверху на величину Rк:

Из неравенства для наихудшего соотношения параметров определяем ограничение снизу на величину Rк
.

Где Е = 9 В + 0,45 В = 9,45 В – максимальное напряжение питания при допуске 5%
UКЭ НАС
= 0,2 В – напряжение насыщения коллектор-эмиттер транзистора КТ503А
n = 2 – нагрузочная способность
IК МАХ
=0,15 А – максимально допустимый ток транзистора КТ503А
- максимальные значения входного тока элемента К561ЛЕ5, которое достигается при максимальной температуре Тмах
=70о
С=345К, заданного температурного диапазона ПУ.
Для нахождения воспользуемся выражением:

где Т*
- температура удвоения при которой обратный ток удваивается (Т*
≈8о
С для кремния);
- значение тока при некоторой исходной температуре;
Т- температура, при которой измеряют ток Io
.

Подставив значения, получим ограничение снизу на величину Rк:

Таким образом, получили двусторонние ограничения на величину сопротивления Rк
 .
С точки зрения уменьшения мощности потребляемой ПУ необходимо выбрать величину наибольшей, удовлетворяющей двухстороннее ограничение и в соответствии со стандартным рядом номиналов резистора .
Выбираем величину сопротивления резистора =5,62кОм ± 5%.
б)
Выбор номинала резистора
Из неравенств получим первое и второе ограничение снизу на величину 
; ,
где = 2,4 В- уровень логической «1» на выходе элемента К155ЛА1
= 0,8 В – напряжение насыщения база-эмиттер транзистора КТ503А
= 0,4 В – выходной ток логической «1» элемента К155ЛА1
= 0,1 А – максимально допустимый ток базы транзистора КТ503А
Подставив значения, получим ограничение снизу на величину :
; 
Для определения ограничения сверху на величину потребуем, чтобы для выбранного транзистора КТ503А обеспечивалась бы степень насыщения S =1,5.
Из неравенства для наихудшего соотношения параметров определяем соотношение сверху на величину :
,
где β = 40 – минимальное значение статического коэффициента передачи тока в схеме с общим эмиттером транзистора КТ503А
=5,62 кОм – 0,281 кОм = 5,339 кОм – минимальное сопротивление резистора при допуске 5%
= 2,4 В
= 0,2 В
Е = 9,45 В
Подставив значения, получим ограничение сверху на величину :

Таким образом, мы получаем двухстороннее ограничение на величину сопротивления :
4 кОм; 0,016 кОм; ≤24,6кОм
С точки зрения обеспечения требуемой степени насыщения S = 1,5 транзистора VT необходимо выбрать величину наибольшей, удовлетворяющей двухстороннее ограничение и в соответствии со стандартным рядом номиналов резистора.
Выбираем величину сопротивления резистора =22кОм ± 5%.
3.3. Определение мощности потребляемой ПУ.
Мощность, потребляемая ПУ от источников питания E в состоянии логической «1» на выходе для наихудшего соотношения параметров определяется выражением:

где Е = 9,45 В; n = 2; = 1,125мкА; = 11,25 мкА.
Подставив значения, получим:

Мощность потребляемая ПУ от источника питания Е в состоянии логического «0» на выходе для наихудшего соотношения параметров определяется выражением:

где Е = 9,45 В; n = 2; =0,2 В, = 5,339 кОм, = 1,125 мкА.
Подставив значения, получим:

3.4.
Построение передаточной характеристики ПУ
.
На передаточной характеристике рассматриваемой схемы выделим три участка.
а) Если Uвх ≤ Uбэнас = 0,8 В, то VT находится в отсечке и Uвых определяется выражением
,
где Е = 9 В, n = 2, I1
вх кмдп
= 0,1 мкА, Iко
= 1 мкА, Rк
= 5,62 кОм.
Подставив значения, получим:

б) Если Uвх ≥ Uбэнас = 0,8 В, то VT открыт и его ток базы равен:

Пока Iб ≤ Iбнас = транзистор VT находится в активном режиме.


Ток транзистора VT достигает значения при

Поэтому если U*
= 0.8 В <Uвх
<2,032В, то Iк
= β∙Iб
и согласно

в) Если Uвх
≥2,032В, то VT находится в насыщении и Uвых
= Uкэ нас
= 0,2 В
Зависимость Uвых
=f(Uвх
) представлена на рисунке.

3
.5 Расчет статической помехоустойчивости
По передаточной характеристике ПУ можно практически найти статическую помехоустойчивость ПУ, которая характеризуется параметрами Uп+
и Uп-
Для этого на графике Uвых = f(Uвх) параллельно оси абсцисс проводим уровни логической "1" и логического "0" на выходе элемента K561ЛЕ5. Абсциссы точек пересечения характеристики с уровнями U1
кмдпmin =8,2В и U0
кмдпmax =0,3В соответствуют пороговым значениям U1
пop=0,9В и U0
пop=1,97В. Отложим по оси абсцисс уровни логической "1" и логического "0" на выходе элемента K561ЛЕ5.
Напряжение Uп+
= U1
пор – U0
ттлmax = 0,9 В - 0,4 = 0,5В характеризует помехоустойчивость схемы ПУ к помеховым выбросам положительной полярности уровня логического "0" на его входе.
Напряжение Uп-
= U1
ттлmin - U0
пор = 2,4 - 1,97 = 0,43В характеризует помехоустойчивость схемы ПУ к отрицательным изменениям уровня логической "1".
Список используемой литературы
1. Цифровые устройства на МОП-интегральных микросхемах. С.А. Бирюков. М.:Радио и связь.
2. Популярнные цифровые схемы. Справочник В.Л. Шило. М.: Радио и связь.
3. Резисторы. Справочник. Под общей редакцией Четверикова И.И. и Терехова В.М.
4. Преобразователи уровней интегральных схем. Пособие по курсовому проектированию. В.А. Шилин, А.Н. Караулов, Г.Ф. Нефедкина.
|