| Федеральное агентство по образованию
Государственное образовательное учреждение
высшего профессионального образования
Тульский государственный университет
Кафедра физико-химических процессов и технологий
Курсовая работа
по дисциплине «Контроль и автоматизация»
на тему: «Автоматизация привода подачи стола вертикально-сверлильного станка модели 2А150».
Выполнила: студентка гр. 430141
Макарова А.С.
Проверил: к.т.н., доц.
Коробочкин А.И.
Тула 2008
Содержание
| 1. Введение
|
3
|
| 2. Общие сведения
|
4
|
| 3. Вертикально-сверлильный станок 2А150 описание
|
6
|
| 4. Кинематическая схема
|
7
|
| 5. Автоматизация привода. Кинематическая схема
|
13
|
| 6. Электрическая схема модернизированного станка
|
15
|
| 7. Заключение
|
16
|
| 8. Библиографический список
|
17
|
Введение
Высокие требования, предъявляемые к точности и качеству деталей машин, а также применение труднообрабатываемых материалов в машиностроении приводят все больше к автоматизации и модернизации станков.
Металлорежущие станки, наряду с прессами и молотами, представляют собой тот вид оборудования, который лежит в основе производства всех современных машин, приборов, инструментов и других изделий для промышленности, транспорта, сельского хозяйства.
Основные требования, которые предъявляются к современному металлорежущему станку, можно формулировать следующим образом:
1. максимально возможная производительность при обеспечении необходимой и достаточной точности формы и размеров обработанного на станке изделия, необходимого и достаточного качества поверхности;
2. простота и легкость обслуживания;
3. высокая производительность на единицу веса станка и единицу занимаемой им площади;
4. технологичность конструкции, т. е. простота изготовления всех отдельных частей станка и простота сборки.
Выполнение всех этих важнейших требований представляют нередко сложную задачу, для решения которой в современном станкостроении широко используются разнообразные средства не только механики, но также и электротехники, гидравлики, пневматики.
Общие сведения
Сверлильные и расточные станки предназначены для обработки отверстий. В различных отраслях промышленности находят применение сверлильные станки следующих типов: одношпиндельные вертикально-сверлильные; радиально-сверлильные; многошпиндельные сверлильные; горизонтально-сверлильные для глубокого сверления; центровальные для получения центровых отверстий; агрегатные сверлильно-расточные; настольно-сверлильные и специализированные сверлильные.
Забиваем Сайты В ТОП КУВАЛДОЙ - Уникальные возможности от SeoHammer
Каждая ссылка анализируется по трем пакетам оценки: SEO, Трафик и SMM.
SeoHammer делает продвижение сайта прозрачным и простым занятием.
Ссылки, вечные ссылки, статьи, упоминания, пресс-релизы - используйте по максимуму потенциал SeoHammer для продвижения вашего сайта.
Что умеет делать SeoHammer
— Продвижение в один клик, интеллектуальный подбор запросов, покупка самых лучших ссылок с высокой степенью качества у лучших бирж ссылок.
— Регулярная проверка качества ссылок по более чем 100 показателям и ежедневный пересчет показателей качества проекта.
— Все известные форматы ссылок: арендные ссылки, вечные ссылки, публикации (упоминания, мнения, отзывы, статьи, пресс-релизы).
— SeoHammer покажет, где рост или падение, а также запросы, на которые нужно обратить внимание.
SeoHammer еще предоставляет технологию Буст, она ускоряет продвижение в десятки раз,
а первые результаты появляются уже в течение первых 7 дней.
Зарегистрироваться и Начать продвижение
Расточные станки бывают как общего назначения (универсальные), так и специализированные.
Универсально-расточные станки разделяются на горизонтально-расточные; вертикально-расточные; координатно-расточные.
Основными размерами, характеризующими сверлильные станки, являются наибольший диаметр сверления, ход шпинделя, номер конуса в отверстии шпинделя и др.
К сверлильным
станкам общего назначения относятся вертикально-сверлильные и радиально-сверлильные.
Представление о конструкции сверлильных станков дает общий вид радиально-сверлильного станка на рис. 4.3.1.
Станок предназначен для сверления отверстий в торцах станин электрических машин, в подшипниковых щитах и т.п. Применяется в электромашиностроении.
Сверлильные станки, обычно, вертикального исполнения и содержат следующее основное оборудование:
- фундаментную плиту (1), на которой установлена неподвижная колонна (2);
- пустотелую гильзу (4), надетую на колонну (2) и поворачивающуюся на 360° вокруг колонны;
- надетую на гильзу траверсу (11), которая может подниматься и опускаться вдоль колонны с помощью винта (8);
- шпиндельную бабку (10), которая может перемещаться в горизонтальном направлении по траверсе (11);
- шпиндель (12) для закрепления сверла (13), приводимый во вращение главным двигателем (9);
- кольцо зажимное (3) для закрепления гильзы (4) с траверсой (11) на колонне (2); разрезное кольцо стягивается с помощью дифференциального винта, вращаемого вручную или от отдельного ЭД;
- стол (14), на котором устанавливается обрабатываемое изделие; стол может перемещаться по направляющим назад и вперед к колонне;
- электропривод, состоящий из двигателя (9), обеспечивающего главное движение и подачу шпинделя; двигателя (6) поворота гильзы (4) с траверсой (11) вокруг колонны (2); двигателя (7) перемещения траверсы по вертикали;
- механизм перемещения (5), который обеспечивает снижение частоты вращения ЭП до требуемой.
Расточные
станки предназначены для обработки крупных деталей и имеют, обычно, горизонтальное исполнение. Кроме операций сверления, можно выполнять фрезерование, нарезание резьбы и др.
Вертикально-сверлильный станок 2А150
Наиболее распространенный универсальный одношпиндельный вертикально-сверлильный станок (рис. 1) предназначен для работы в основных производственных цехах, а также в условиях индивидуального и мелкосерийного производства, в ремонтно-механических и индустриальных цехах.
Сервис онлайн-записи на собственном Telegram-боте
Попробуйте сервис онлайн-записи VisitTime на основе вашего собственного Telegram-бота:
— Разгрузит мастера, специалиста или компанию;
— Позволит гибко управлять расписанием и загрузкой;
— Разошлет оповещения о новых услугах или акциях;
— Позволит принять оплату на карту/кошелек/счет;
— Позволит записываться на групповые и персональные посещения;
— Поможет получить от клиента отзывы о визите к вам;
— Включает в себя сервис чаевых.
Для новых пользователей первый месяц бесплатно.
Зарегистрироваться в сервисе
Техническая характеристика вертикально-сверлильного станка 2А150
| Вылет шпинделя, мм
|
350
|
| Ход шпинделя, мм
|
300
|
| Ход салазок, мм
|
250
|
| Конус отверстия в шпинделе, мм
|
Морзе №5
|
| Наружный диаметр в шпинделе, мм
|
80
|
| Рабочая поверхность стола, мм
|
500х600
|
| Ход стола, мм
|
325
|
| Расстояние от торца шпинделя до стола, мм
|
0+800
|
| Расстояние от торца шпинделя до фундаментной плиты, мм
|
650-1200
|
| Габариты ДхШхВ, мм
|
1550х970х2865
|
| Вес, кг
|
2250
|

Рис.1 Вертикально-сверлильный станок модели 2А150 (2Н150).
На фундаментной плите 1
смонтирована колонна 2
коробчатой формы. В ее верхней части размещена шпиндельная головка 3,
несущая электродвигатель 4,
шпиндель 5
с инструментом 6.
На вертикальных направляющих колонны установлена шпиндельная бабка 7,
внутри которой размещен механизм подачи, осуществляющий вертикальное перемещение шпинделя. Поднимать и опускать шпиндель можно механически и вручную с помощью штурвала 8.
Для установки заготовок и приспособлений имеется стол 9,
который может перемещаться по направляющим колонны в зависимости от размеров деталей, подвергающихся обработке.
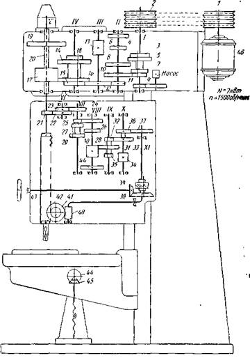
Кинематическая схема
Рис.2 Кинематическая схема вертикально-сверлильного станка2А150
Изменение чисел оборотов шпинделя осуществляется с помощью коробки скоростей. Приемный вал / коробки скоростей получает вращение от электродвигателя 46
через ременную передачу 1
—2.
Движение валу // сообщает одна из четырех пар зубчатых колес 3—4, 5—6, 7—8, 9—10.
Затем движение передается валу /// зубчатой парой 11
—12
и далее шпинделю по одной из трех кинематических цепей: 12
—15, 16
—17
или 13-14, 16-17,
или 13-14,18—19.
Колеса 17
и 19
вращают втулку 20,
а вместе с ней и шпиндель V
.
Последний связан со втулкой шлицевым соединением. В итоге шпиндель имеет 12 различных скоростей. Реверсирование шпинделя, необходимое при производстве резьбонарезных работ, осуществляется переключением электродвигателя. Рабочая подача шпинделя производится с помощью реечной передачи. Реечное колесо 41
находится в зацеплении с рейкой пиноли 43.
При вращении колеса пиноль получает вертикальное перемещение вместе со шпинделем. Станок имеет девять подач, осуществляемых от шпинделя через цилиндрические зубчатые колеса 21—22, 23—24
и коробку подач.
Вращение валу VIII
сообщает одна из трех передач 25
—26, 27—28
или 29—30
и далее вал X – одна из трех цепей зубчатых колес 30-31, 32-33
или 30-31.
Зубчатые передачи 36—37
и червячная пара 40—42
сообщают вращение реечному колесу 41.
Вертикальное перемещение стола
осуществляют вручную вращением вала колеса 44 через коническую передачу 44/45-на ходовой винт.
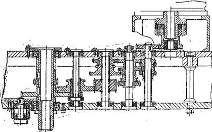
Коробка скоростей
. (рис. 3) Вертикально расположенные валы коробки смонтированы на шариковых подшипниках, что снижает потери на трение в опорах. Коробка скоростей построена по принципу множительной структуры 3x2x2= 12. Это означает, что при любой скорости вращения шпинделя в передаче движения участвует одинаковое число зубчатых колес. Следовательно, недостатком конструкции этой коробки скоростей является то, что на высоких частотах вращения шпинделя возникают повышенные потери на трение. Чтобы избежать этого, применяют коробки скоростей сложенной структуры. Сущность сложенной структуры состоит в том, что в передаче движения для получения высоких частот вращения шпинделя участвуют не все элементарные коробки, а только те из них, которые обеспечивают передачу высоких скоростей шпинделя по короткой кинематической цепи.

Рис.3 Коробка скоростей вертикально-сверлильного станка
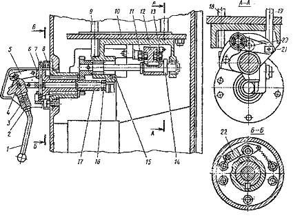
Механизм подач
(рис. 4). От девятискоростной коробки подач через муфту 19,
кулачковую предохранительную муфту 20,
червяк 21
движение передают на свободно сидящее на валу 4
червячное колесо 17.
Соединение червячного колеса 17
с валом 4,
а также поворот вручную этого вала происходят следующим образом. Подвод шпинделя к заготовке осуществляют вручную вращением штуршла 7. От кулачков полумуфты 13
штурвала вращение передается на вал 4
посредством ступицы 8,
сидящей на шлицах вала 4
и снабженной торцовыми кулачками. Как только сверло достигнет заготовки, крутящий момент на валу 4
возрастет настолько, что не сможет быть передан кулачками ступицы 8
и штурвала 7, поэтому ступица 8
начнет перемещаться влево вдоль вала 4
до тех пор, пока торцы кулачков (детали 8
и 13)
не встанут напротив друг друга. В этот момент кулачки полумуфты 13
повернутся свободно на валу 4
на 20° (угол 20° ограничен пазом на полумуфте 13
и штифтом 11).
На ступице 8
установлен двусторонний крановый диск 15у
связанный со ступицей собачками 14.
При перемещении ступицы 8
по шлицам вала 4
зубья диска 15
входят в зацепление с зубьями второго диска 16,
прикрепленного к червячному колесу 17.
Так передается вращение от червяка 21
червячному колесу 17,
а следовательно, и валу 4,
от которого и происходит механическая подача шпинделя.
| 
|
Рис.4 Механизм подач
При вращении штурвала с включенной механической подачей собачки 14,
сидящие в ступице 8,
проскакивают по зубьям внутренней стороны диска 15,
вследствие чего происходит опережение механической подачи. Ручное включение подач штурвалом осуществляют поворотом его в обратную сторону на 20° относительно реечного вала 4,
при этом зуб полумуфты 13
встанет против впадины ступицы 8.
Благодаря наклону зубьев дисков 15
и 16
и пружины 9
ступица 8
смещается вправо и разъединяет диски, и, следовательно, механическая подача прекращается. При нарезании резьбы подачу шпинделя можно осуществить вручную. Для этого необходимо выключить штурвалом 7 механическую подачу, а затем колпак 12
переместить вдоль оси вала влево. При этом штифт 10
передаст крутящий момент от кулачковой полумуфты 13
на реечный вал 4.
Для отсчета глубины сверления служит лимб I
.
Он установлен на барабане, который с помощью зубчатых колес 2 и 3
кинематически связан с реечным валом 4.
На барабане лимба имеется круговой Т-образный паз для установки кулачков автоматического реверса шпинделя и отключения подачи с использованием указателя лимба 18.
Ручное перемещение сверлильной головки по вертикальным направляющим станины осуществляют с помощью червяка 22, червячного колеса 6
и реечного колеса 5.
Механизм переключения частот вращения
в коробке скоростей станка приведен на рис. 5. Им управляют с помощью рукоятки 1, имеющей четыре фиксированных положения по окружности и три вдоль оси поворота рукоятки для осуществления 12 скоростей шпинделя станка. Поворотом рукоятки 1
приводят во вращение ступицу 6
и далее через пару зубчатых колес — вал 14,
установленный в корпусе 10
на игольчатых подшипниках. Ступица 6
также установлена на игольчатых подшипниках во фланце 8, который закреплен в корпусе сверлильной головки. На валу 14
смонтирован двусторонний торцовый кулачок 12,
в пазы которого входят два ролика с осями, закрепленными на рычагах 11 к 13.
Эти рычаги смонтированы на осях и с помощью камней 20
и 21
соединены со штангами 18
и 19,
на которых закреплены валки, охватывающие передвижные блоки (см. рис. 2).
Для перемещения тройного блока зубчатых колес 3-5-7 (см. рис. 2) валику 17
сообщают поступательное перемещение следующим образом. В ступице 6
расположен валик 17,
соединенный с рукояткой 1
штифтом 4.
На правом конце валика 17
имеется кольцевая проточка, в которую входит палец 16
рычага 15.
Камень рычага 15
соединен со штангой 9, на которой закреплена вилка, охватывающая переключаемый тройной зубчатый блок. При повороте рукоятки 1
на оси 3
валик 17
перемещается поступательно и с помощью рычага 15
приводит в движение штангу 9
и тройной блок колес. Положение рукоятки / при переключении скоростей фиксируют два рычажных фиксатора 5
и 22.
Каждую штангу фиксируют шариками. Необходимые скорости устанавливают по таблице с помощью указателя 7
, который поворачивается вместе со ступицей 6.
При осевом перемещении рукоятки 1
указатель 7 выдвигается собачкой 2,
а возвращается в исходное положение пружиной.
Рис.5 Однорукояточный механизм переключения частот вращения
Сверлильные патроны и втулки
Режущий инструмент на станках закрепляют: а) непосредственно в посадочном коническом отверстии шпинделя; б) с помощью промежуточного устройства между шпинделем станка и инструментом в виде патронов и приспособлений разных конструкций. Концы шпинделей универсальных сверлильных, расточных и координатно-расточных стандартизованы.
Конические посадочные отверстия у шпинделей для установки в них и закрепления режущих инструментов с коническими хвостовиками, а также приспособления выполняют согласно ГОСТ 2.847—67, применяя инструментальные конусы Морзе и метрические.

Рис.6 Втулки, встраиваемые в шпиндель станка
Втулки.
На рис. 6, а
показано непосредственное закрепление сверла в коническом отверстии шпинделя, удерживаемого силой трения. Кроме того, инструмент имеет лапку, которая входит в паз шпинделя. В том случае, когда режущий инструмент имеет конический хвостовик малых размеров, необходимо пользоваться переходными коническими втулками (рис. 6, б).
Втулки центрируются в отверстии шпинделя (или одна в другой) коническими поверхностями. Для передачи крутящего момента на втулках, так же как и у хвостовиков инструмента, делают лапку, которая заходит в продолговатый паз отверстия шпинделя или соответствующий паз переходной втулки.
Для закрепления сверл, зенкеров, разверток и других инструментов, имеющих цилиндрический хвостовик, применяют разрезные втулки (рис. 6, в).
Наружную посадочную поверхность таких втулок выполняют конической (по станку), а внутреннее гнездо под инструмент — цилиндрическим.
Патроны являются более универсальными приспособлениями, чем втулки, дающие возможность быстрее и надежнее закреплять инструмент.
Автоматизация привода подачи стола
Для того, чтобы стол мог совершать автоматическое перемещение, ставим реверсивный электродвигатель Д2. Движение с вала ЭД за счет клиноременной передачи передается ходовому винту. Стол из конечного положения КВ2 перемещается в конечное положение КВ1. При реверсивном ходе двигателя стол совершает обратное перемещение из КВ1 в КВ2.
Рис.7 Кинематическая схема станка с автоматической подачей стола
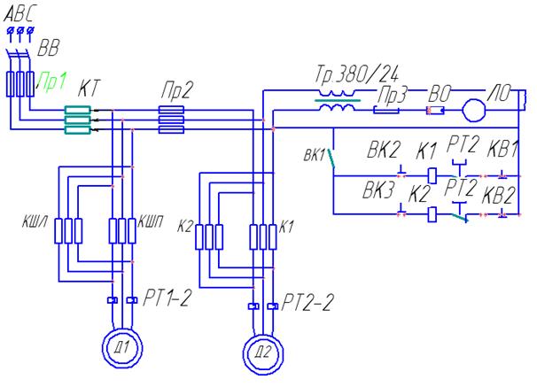
Электрическая схема модернизированного станка

Рис.8 Электрическая схема модернизированного станка
2А150
Основные элементы схемы:
· Д1, Д2 – приводные АД с КЗ (короткозамкнутым)-ротором шпинделя и стола.
· КШЛ, КШП – контакторы шпинделя левого и правого вращения.
· Тр, ЛО – трансформатор и лампа местного освещения
· ВВ, ВО – вводной выключатель, выключатель освещения
· КТ – кольцевой токосъемник, для ЭСН подвижных частей электрооборудования
· ПР1-3 – плавкие предохранители, предназначены для защиты электрических сетей от перегрузок и коротких замыканий
· РТ1-2 – тепловое реле, предназначены для защиты электродвигателей от перегрузки
· К1-2 – контакторы стола, для перемещения в направлении верха и низа
· ВК1-3 – выключатели (кнопки)
· КВ1-2 – конечное положение кнопки
Работа схемы заключается в следующем: при подаче напряжение замыкается цепь ВК1. Нажимаем на кнопку ВК2 – стол начинает подыматься вверх до конечного положения КВ1, останавливается, происходит обработка заготовки. После окончания операции наживаем кнопку ВК3, стол начинает опускаться вниз до конечного положения КВ2.
Заключение
В ходе данной работы был рассмотрен вертикально-сверлильный станок модели 2А150, приведен общий вид станка с описанием отдельных частей. Проанализировав данные, проведена модернизация привода подачи стола. Приведена кинематическая схема первоначального варианта станка, а также модернизированная кинематическая и электрическая схемы с описание работы.
Библиографический список
1. В.В. Лоскутов. Сверлильные и расточные станки. М.: Машиностроение, 1981. – 152 с., ил.
2. В.К. Тепинкичиев, Л.В. Красниченко. Металлорежущие станки. М.: Машиностроение, 1972. 463 с., ил.
3. Паспорт вертикально-сверлильного станка модели 2А150
|