| Министерство образования и науки
Российской Федерации
Санкт-Петербургский государственный горный институт
им. Плеханова (технический университет)
КУРСОВАЯ РАБОТА
По дисциплине:
Системы управления электроприводами
(наименование учебной дисциплины согласно учебному плану)
ПОЯСНИТЕЛЬНАЯ ЗАПИСКА
| Разработка системы управления синхронным электроприводом центробежного нагнетателя 280-12-7 компрессорной газоперекачивающей станции
|
|
Тема:
| Автор: студент группы
|
ЭР-00-2
|
________________
|
/Яблочков Д.В./
|
| (подпись)
|
(Ф.И.О.)
|
ОЦЕНКА:__________________
Дата:_________________
ПРОВЕРИЛ
| Руководитель проекта:
|
________________
|
/Емельянов А.П./
|
| (должность)
|
(подпись)
|
(Ф.И.О.)
|
Санкт-Петербург
2004
Министерство образования Российской Федерации
Санкт-Петербургский государственный горный институт им. Г. В. Плеханова
(технический университет)
УТВЕРЖДАЮ
Заведующий кафедрой Козярук А.Е. /___________/
Кафедра Э и ЭМ
КУРСОВАЯ РАБОТА
По дисциплине: Системы управления электроприводами
ЗАДАНИЕ
Студенту группы Эрн-00 Яблочкову Д.В.
(шифр группы) (Ф.И.О.)
Тема проекта:
Разработка системы управления синхронным электроприводом центробежного нагнетателя 280-12-7 компрессорной газоперекачивающей станции
Исходные данные к проекту:
Технические характеристики центробежного нагнетателя 280-12-7 и синхронного электродвигателя СТД -4000-2У4
Содержание пояснительной записки:
Устройство и работа нагнетателя; Схема релейно – контакторного; Частотное регулирование скорости синхронного электродвигателя; Структурная схема привода с частотным регулированием.
Перечень графического материала:
__________________________
Срок сдачи законченного проекта:___________________________
Руководитель проекта: /Емельянов А.П./
Дата выдачи задания: _____________________
Аннотация
Курсовая работа по дисциплине «Системы управления электроприводами» посвящена исследованию электропривода центробежного нагнетателя 280-12-7 с синхронным электродвигателем СТД -4000-2У4 и разработки для него системы управления для улучшения качества параметров перекачиваемого газа, снижения потребления электроэнергии и для улучшения технико-экономических показателей этого нагнетателя.
The Summary
The term paper on discipline of «System of management by elektroprivodami is devoted to research of elektroprivoda of centrifugal supercharger 280-12-7 with the synchronous electric motor STD -4000-2У4 and developments for it of the system of management for the improvement of quality of parameters of the gas pumped over, declines of consumption of electric power and for the improvement of tehniko-ekonomicheskih indexes of this supercharger.
Забиваем Сайты В ТОП КУВАЛДОЙ - Уникальные возможности от SeoHammer
Каждая ссылка анализируется по трем пакетам оценки: SEO, Трафик и SMM.
SeoHammer делает продвижение сайта прозрачным и простым занятием.
Ссылки, вечные ссылки, статьи, упоминания, пресс-релизы - используйте по максимуму потенциал SeoHammer для продвижения вашего сайта.
Что умеет делать SeoHammer
— Продвижение в один клик, интеллектуальный подбор запросов, покупка самых лучших ссылок с высокой степенью качества у лучших бирж ссылок.
— Регулярная проверка качества ссылок по более чем 100 показателям и ежедневный пересчет показателей качества проекта.
— Все известные форматы ссылок: арендные ссылки, вечные ссылки, публикации (упоминания, мнения, отзывы, статьи, пресс-релизы).
— SeoHammer покажет, где рост или падение, а также запросы, на которые нужно обратить внимание.
SeoHammer еще предоставляет технологию Буст, она ускоряет продвижение в десятки раз,
а первые результаты появляются уже в течение первых 7 дней.
Зарегистрироваться и Начать продвижение
Содержание
Аннотация. 3
Содержание. 4
Введение. 5
Описание и технические характеристики центробежного нагнетателя с электроприводом.. 6
Технические характеристики центробежного нагнетателя 280-12-7. 6
Технические характеристики синхронного электродвигателя СТД-4000-2У4 и системы возбуждения 6
Описание установки. 7
Техническое задание на электропривод центробежного газонагнетателя Смоленской КС.. 11
Регулирование подачи центробежных нагнетателей. 14
Автоматизация электропривода ЦГН.. 19
Пуск привода ЦГН от релейно-контактной схемы.. 19
Программирование релейно-контактной схемы на контроллере. 20
Моделирование привода ЦГН.. 22
Моделирование синхронного электродвигателя. 22
Моделирование системы управления ЦГН.. 23
Список используемой литературы.. 26
Приложение 1. 27
Приложение 2. 28
Приложение 3. 29
Приложение 4. 30
Введение
На Смоленской компрессорной станции (ООО «Лентрансгаз») для привода центробежных нагнетателей типа 280-12-7 используются синхронные двигатели типа СТД-4000-2У4 с полной мощностью 4580 кВА. Таких двигателей на станции установлено 30 штук, из которых 7-10 находятся в постоянной работе. Регулирование подкачки газа в результате сезонных (суточных) колебаний его потребления осуществляется путем включения (выключения) нагнетателей или дросселированием, а учитывая мощность каждого нагнетателя, таким способом не удается достичь требуемой плавности регулирования, поэтому один нагнетатель решено оснастить регулируемым приводом, который бы позволил более плавно изменять подачу газа в зависимости от расхода. Тем самым будет обеспечивается экономия электроэнергии и высокая точность поддержания нужного давления в трубопроводе.
Описание и технические характеристики центробежного нагнетателя с электроприводом
Технические характеристики центробежного нагнетателя 280-12-7
| Тип
|
Тип привода нагнетателя
|
Номинальная производительность при нормальных условиях, млн. м3
/с
|
Нормальная
Частота
вращения ЦБН,
об/мин
|
Объемная произво-
дительность, м3
/мин
|
| При одном нагнетателе
|
| 280-12-7
|
СТД-4000-2УХ
|
13
|
7980
|
150
Сервис онлайн-записи на собственном Telegram-боте
Попробуйте сервис онлайн-записи VisitTime на основе вашего собственного Telegram-бота:
— Разгрузит мастера, специалиста или компанию;
— Позволит гибко управлять расписанием и загрузкой;
— Разошлет оповещения о новых услугах или акциях;
— Позволит принять оплату на карту/кошелек/счет;
— Позволит записываться на групповые и персональные посещения;
— Поможет получить от клиента отзывы о визите к вам;
— Включает в себя сервис чаевых.
Для новых пользователей первый месяц бесплатно.
Зарегистрироваться в сервисе
|
Технические характеристики синхронного электродвигателя СТД-4000-2У4 и системы возбуждения
| Параметр
|
Значение
|
| Мощность, кВт
|
4000
|
| Полная мощность, кВА
|
4580
|
| Напряжение статора линейное, В
|
10000
|
| Ток фазы статора, А
|
265
|
| Частота вращения, об/мин
|
3000
|
| Коэффициент мощности
|
0,9
|
| КПД, %
|
97,5
|
| Ток возбуждения, А
|
294
|
| Напряжение возбуждения, В
|
103
|
| Максимальный мгновенный ударный ток статора, А
|
7904
|
| Масса ротора двигателя, т
|
2,68
|
| Маховый момент, тм2
|
0,278
|
Исполнение двигателя закрытое с замкнутым циклом вентиляции. Режим работы S1 по ГОСТ 183-74. Допустимая температура нагрева обмоток статора, измеренная термометром сопротивления, 1200
С, ротора – 1300
С. Пусковые характеристики двигателей приведены на рис.1.
Возбуждение:
Для возбуждения двигателей принимаем тиристорный цифровой возбудитель ВТЦ-СД-320, поскольку применяемые в настоящее время возбудители ВТЕ-320 и ТЕ8-320 разработаны около 20 лет назад морально и технически устарели и их характеристики не соответствуют современным требованиям.
Основные технические данные ВТЦ-СД-320:
| Параметр
|
Значение
|
| Номинальный ток возбуждения
|
320 А
|
| Номинальное напряжение возбуждения
|
115 В
|
| Номинальная мощность
|
36,8 кВт
|
| Кратность форсировки по току
|
1,8
|
| Схема выпрямления
|
Трехфазная мостовая (шесть тиристоров Т500)
|
| Масса
|
Не более 400 кг
|
Выполняемые функции;
· пуск двигателя с подачей возбуждения по снижению до подсинхронных значений величины скольжения и тока статора;
· регулирование напряжения статора по ПД- закону (быстродействующий канал);
· регулирование cos (реактивной мощности) изменением уставки регулятора напряжения (медленный канал);
· ограничение минимального возбуждения в функции отношения Q/P;
· ограничение перегрузки по вычисляемому тепловому импульсу ротора;
· останов двигателя с гашением поля инверсным режимом тиристорного преобразователя;
· штатные защиты статических систем возбуждения;
· защита по несоответствию потребляемой реактивной мощности величине тока возбуждения;
· ведение журнала событий;
· взаимодействие с АСУ и системой диспетчеризации промышленного объекта;
· осцилографирование процессов пуска и остановки двигателя.
Описание установки
В состав компрессорного агрегата входят центробежный нагнетатель, мультипликатор, устанавливаемый между валом электродвигателя и валом нагнетателя, электродвигатель с аппаратурой управления, система смазки, вентилятор обдува электродвигателя и контрольно-измерительные приборы. Схема центробежного нагнетателя (280-11-1) с осевым подводом газа и мультипликатора приведена на рис. 1. Мультипликатор повышает частоту вращения вала двигателя до значения, необходимого для центробежного нагнетателя. Потери мощности в нем составляют около 1,5 %.

Рис.1 Центробежный нагнетатель и мультипликатор:
1- зубчатая муфта двигателя; 2 – корпус мультипликатора; 3 – зубчатая муфта нагнетателя; 4 – вал ротора нагнетателя; 5 – вкладыш переднего подшипника; 6 – опорно-упорный подшипник; 7 – улитка; 8 – всасывающий патрубок; 9 – нагнетательный патрубок
Основным типом электродвигателей, применяемых в установках транспорта газа магистральных газопроводов, являются двигатели серии СТД. Главные приводные электродвигатели КС устанавливают вне помещения нагнетателей, которое является помещением со взрывоопасной зоной класса В1а. Нагнетательный цех отделяется от машинного зала перегородкой (рис. 2).

Рис. 2 Компрессорный цех КС магистрального газопровода:
1 – кран с пневмоприводом; 2 – центробежный нагнетатель; 3 – мультипликатор; 4 – газоотделитель; 5 – аккумулятор масла; 6 – синхронный двигатель; 7 – возбудитель; 8 - воздухоохладитель
Питание обмоток возбуждения синхронных двигателей может осуществляться от тиристорных преобразователей или генераторов постоянного тока. Преимуществом тиристорных преобразователей для возбуждения синхронных двигателей по сравнению с электромашинными является их высокое быстродействие. Высокая инерционность электромашинных возбудителей (примерно в 20 раз выше, чем у тиристорных) не позволяет осуществлять своевременное форсирование тока возбуждения в случае быстрого и значительного падения напряжения сети. Тиристорный возбудитель обладает более высоким КПД, но коэффициент мощности у него ниже, чем у электромашинного. Однако сам синхронный двигатель может быть источником реактивной мощности, а мощность возбудителя не превышает нескольких процентов мощности привода, поэтому низкий коэффициент мощности тиристорного преобразователя практически не сказывается на коэффициенте мощности электропривода. Кроме того, тиристорный возбудитель не имеет вращающихся частей и более надежен, чем машинный. Следует отметить дополнительные преимущества тиристорного преобразователя: бесшумность, сокращение площади и отсутствие фундамента, возможность использования в системах автоматического регулирования (например, для поддержания постоянства или напряжения на шинах), малые мощности сигналов управления и др.
Система смазки состоит из насосов, маслопроводов низкого, среднего и высокого давления, маслоохладителей и других элементов. Маслопроводы низкого и среднего давления обеспечивают смазку опорно-упорного подшипника нагнетателя (давление масла 0,45 МПа), мультипликатора и электродвигателя (давление 0,05-0,06 МПа). Подача масла из масляного бака в эти маслопроводы при работе агрегата производится насосом, смонтированным на корпусе мультипликатора. На ответвлении от маслопровода среднего давления к маслопроводу низкого давления установлен редукционный клапан. От маслопровода среднего давления масло подается также в масляное реле осевого сдвига, смонтированное в нагнетателе и обеспечивающее остановку агрегата при появлении осевого сдвига ротора нагнетателя на 0,7-0,8 мм.
В периоды пуска и остановки агрегата подача масла в эти маслопроводы осуществляется пусковым масляным насосом, приводимым в действие от асинхронного электродвигателя. Для поддержания необходимого давления в маслопроводе при остановке агрегата из-за исчезновения напряжения в питающей системе предусматривается резервный масляный насос с приводом от электродвигателя постоянного тока, питаемого от аккумуляторной батареи, либо с приводом от электродвигателя переменного тока.
На выходе из нагнетательной улитки (рис. 1) ротор нагнетателя снабжен масляным уплотнением, предотвращающим утечку газа в помещение. Это достигается поддержанием давления масла на уровне, превышающем на 0,2-0,3 МПа давление газа, что обеспечивается регулятором перепада давления газ - масло. Для уплотнения и смазки опорного подшипника нагнетателя служит маслопровод высокого давления (6,5 МПа), в который масло подается из масляного бака винтовым насосом, приводимым в действие асинхронным двигателем 20 кВт, 380 В, 1450 об/мин. Имеются два винтовых насоса (рабочий и резервный) с автоматическим включением резервного насоса при остановке основного. В системе три маслоохладителя - низкого, среднего и высокого давления, в которых масло охлаждается циркулирующей водой.
Можно отметить следующие виды технологических защит компрессорного агрегата, действующих при: уменьшении перепада давлений масло - газ на уплотнительном подшипнике до 0,08-0,09 МПа (импульс от регулятора перепада); падении давления масла в системе смазки подшипников агрегата до 0,025 МПа (от реле пуска резервного насоса смазки); резком повышении температуры масла до 80 °С на каком-либо из подшипников агрегата (импульс от термометра сопротивления и электронного моста контроля температуры); увеличении осевого сдвига ротора нагнетателя до 0,7-0,8 мм (импульс от реле осевого сдвига).
Техническое задание на электропривод центробежного газонагнетателя Смоленской КС
1. Назначение и область применения:
Электропривод предназначен для приведения во вращение центробежного газонагнетателя 280-12-7 и регулирования его частоты вращения.
2. Технические характеристики:
2.1 Напряжение питания -10000 В 50 Гц, ГОСТ 13109-97;
2.2 Требования к качеству электрической энергии - Kнл
=8 %, ГОСТ 13109-97;
2.3 Привод регулируемый, не реверсивный;
2.4 Диапазон регулирования 1:3;
2.5 Номинальная производительность при нормальных условиях, 0-13 млн. м3
/с;
2.6 Объемная производительность, 0-150 м3
/мин.;
2.7 Момент инерции нагнетателя, 0,3 тм2
;
2.8 Номинальная частота вращения нагнетателя, 7980 об/мин;
2.9 Привод нагнетателя:
2.9.1 Мощность, 4000 кВт, синхронный двигатель СТД-4000-2У4;
2.9.2 Номинальная частота вращения двигателя, 3000 об/мин;
2.9.3 КПД, 95%;
2.9.4 Коэффициент мощности, 0.95;
2.9.5 Момент инерции двигателя, 0.278 тм2
;
3. Требования к регулированию:
3.1 Регулирование момента:
линейность 12 %;
время реакции - 0.1 с;
3.2 Регулирование скорости:
статическая точность – 1%;
динамическая точность 1%;
4 Требования по автоматизации:
4.1 Главный пост управления находится в диспетчерской, с автоматизированного рабочего места, оснащенного SCADA – системой.
4.2 Второй пост управления находится непосредственно в укрытии ЦБН, управление с него возможно при подачи разрешающего сигнала с главного поста, или при отсутствии связи со SCADA – системой.
4.3 Электропривод ЦБН снабжается системой блокировочных (предохранительных устройств), действующих отключение вакуумного выключателя, или запрещающих его включение при нарушении нормальных режимов работы ЦБН. Должны быть предусмотрены защиты:
· от снижения напряжения, действующая на отключение двигателя;
· от асинхронного хода двигателя, действующая на отключение двигателя;
· от перегрузки при Iуст
=1.1-1.15Iном
( с), действующая на отключение двигателя;
· от замыканий на землю, действующая на отключение двигателя ( );
4.4 Электропривод ЦГН должен снабжаться системой сигнализации. Все ненормальные режимы должны отображаться на световой сигнализации у второго поста управления и на схеме SCADA – системы. Также при срабатывании защит должен подаваться звуковой сигнал у второго поста управления.
В связи с тем, что электрооборудование ЦБН выполнено в общепромышленном исполнении, в укрытиях газоперекачивающих агрегатов должна быть предусмотрена сигнализация на ПДК метана 0,5 %, действующая на отключение всего электрооборудования ГПА, кроме аварийного освещения.
5 Требования по ударо и вибропрочности:
Группа условий эксплуатации М5;
Диапазон частот, 1-100 Гц;
Максимальное ускорение, ;
Степень жесткости по ГОСТ 16962-71, Vа
.
6 Условия хранения и транспортировки:
Группа по хранению и транспортировке, ;
Относительная влажность, 45-85 % при н.у.
5 Условия эксплуатации:
Диапазон температур, (+5-+50) 0
С;
Относительная влажность , 90% при 20 0
С;
Коэффициент запыленности для двигателя и ЦГН, 0.1 мг/м3
.
Шкафы управления исполнения УХЛ4 со степенью защиты от попадания посторонних предметов и влаги IP22.
Двигатели в закрытом исполнении с замкнутым циклом вентиляции, со степенью защиты IP44.
7. Требования по надежности:
Коэффициент готовности, 0.98;
Вероятность безотказной работы с учетом восстановления, 0.98;
Гарантийный срок эксплуатации, 150000 ч;
Режим работы, непрерывный;
Среднее время кап. ремонта, 360 ч;
Среднее время наработки на отказ, 15000;
Среднее время восстановления, 15 мин.
8. Гарантии изготовителя:
Гарантийный срок службы, 3 года;
Срок хранения, 2 года;
Назначенный срок службы, 30 лет;
Режим работы, непрерывный;
Минимальное время между кап. ремонтами 5 лет.
Регулирование подачи центробежных нагнетателей
Для многих механизмов центробежного типа возникает необходимость регулирования их подачи. Примерами таких установок являются центробежные нагнетатели магистральных газопроводов с изменяющимся потреблением газа в течение суток, сезонных колебаний; дымососы, производительность которых зависит от режима топки котла; насосы в химической промышленности, участвующие в технологическом процессе производства жидких химических веществ, и т. п.
Наиболее простым в реализации является способ регулирования подачи при помощи дросселирования, путем введения в нагнетающую магистраль различных заслонок. Этот механический способ основан на изменении результирующего сопротивления магистрали. При неизменной скорости рабочая точка механизма перемещается по Q —
Н
- характеристике в сторону снижения подачи до точки пересечения с новой характеристикой магистрали (рис. 1). При этом часть напора теряется на регулирующем устройстве. Для оценки КПД механического способа регулирования примем, что КПД механизма и двигателя остаются неизменными при изменении подачи. Тогда:
; (1)
где:
—
напор в магистрали после регулирующего органа;
—
напор, создаваемый механизмом перед регулирующим органом;
—
потери напора в магистрали
—
подача механизма совместно с регулирующим органом
Нном
и QHOM
- номинальные значения напора и подачи механизма.
Из (1) и рис. 1 следует, что КПД данного способа регулирования тем ниже, чем меньше статический напор При = О:
; (2)

Рис. 3. Q —
Н-характеристики при регулировании производительности задвижкой.
Из (2) вытекает, что КПД снижается примерно квадратично от диапазона регулирования подачи .
Следовательно, при малом статическом напоре и больших требуемых диапазонах изменения подачи данный способ регулирования оказывается весьма неэкономичным. Это ограничивает область его практического применения главным образом маломощными установками с относительно небольшим требуемым диапазоном регулирования.
На насосных и газовых станциях, где несколько механизмов параллельно работают на общую магистраль, имеется возможность ступенчатого регулирования подачи отключением отдельных механизмов.

Рис. 4. Схема (а)
и характеристики (б) при параллельной работе нагнетателей.
Рассмотрим особенности такого способа регулирования на примере двухагрегатной станции (рис. 2 а
).
При параллельной работе нагнетателей HI
и Н2
их совместная подача определяется суммарной Q —
Н-характеристикой и характеристикой магистрали (кривые 1
и 2
на рис. 4, б).
Предположим что каждый из нагнетателей работает в номинальном режиме с и , так что суммарная производительность насосов составляет . При отключении одного из нагнетателей режим оставшегося в работе нагнетателя изменяется в соответствии с его Q —
Н
-характеристикой 3
(от точки а
до точки р
или р').
При этом его подача, определяемая точкой установившейся работы Р
, возрастает от до Qp
. Таким образом, при отключении одного нагнетателя подача в магистрали снижается менее чем в 2 раза. Чем меньше статический напор Нст
, тем в меньшей степени снижается подача, тем менее эффективен данный способ регулирования (характеристика магистрали 4
на рис. 4). Пропорциональность регулируемой подачи количеству оставшихся в работе нагнетателей имеет место теоретически при отсутствии потерь в магистрали, когда ЦГН преодолевают только статический напор. Следует обратить внимание, что оставшийся в работе двигатель оказывается перегруженным по сравнению с его номинальным режимом при совместной работе. Действительно, при жесткой характеристике нагнетателя напор снижается в меньшей степени, чем увеличивается подача, т. е. .
Следовательно, мощность на валу двигателя возрастает в отношении:
; (3)
Поэтому при использовании данного способа регулирования необходимо предусматривать определенный запас по мощности двигателей. Для установок с большим статическим напором и малым уровнем потерь в магистрали завышение мощности привода оказывается незначительным. Достоинством рассмотренного способа является высокая экономичность, поскольку отсутствуют дополнительные потери при регулировании подачи, а недостатком — невозможность плавного регулирования подачи.
Наиболее универсальным является электрический способ регулирования подачи, при котором с помощью регулируемого электропривода изменяется угловая скорость механизма. При этом одновременно с уменьшением подачи снижается и напор (см. рис. 5) и согласно (1) КПД регулирования (без учета увеличения потерь при снижении угловой скорости в самом электроприводе). Следовательно, электрический способ окажется более экономичным по сравнению с регулированием с помощью задвижки, если относительные дополнительные потери в электроприводе, вызванные снижением скорости, меньше относительного перепада напора в дросселирующем устройстве. Электрический способ создает широкие возможности автоматизации процесса регулирования подачи механизмов центробежного типа и позволяет исключить механические регулирующие устройства и тем самым повысить надежность работы установок, упростить их конструкцию.

Рис 5. Q-H
характеристики при регулировании производительности задвижкой.
Механизмы центробежного типа в силу особенностей их конструкции и условий технологического процесса не требуют реверсирования, если их скорость согласуется со скоростью двигателя, то электропривод этих установок выполняется безредукторным, если скорость механизма (исследуемого центробежного нагнетателя) больше скорости вращения двигателя, то используется повышающий редуктор - мультипликатор.

Рис. 6. Механические характеристики механизмов центробежного типа
Характеристики механизмов центробежного типа создают благоприятные условия работы регулируемого электропривода как в отношении статических нагрузок, так и требуемого диапазона регулирования скорости. Действительно, как это следует из рис. 6, при уменьшении скорости по крайней мере квадратично снижается и момент сопротивления на валу двигателя. Получается, что требуемый диапазон регулирования скорости при условии отсутствия статического напора не превышает заданный диапазон изменения подачи:
; (4)
Если , то для изменения подачи от нуля до номинального значения необходим диапазон регулирования скорости:
 ; (5)
где — напор, развиваемый механизмом при и 
При высоком уровне статического напора, например составляющем 80% , снижение скорости лишь на 10% уже обеспечит уменьшение подачи практически до нуля. В среднем для регулируемых механизмов центробежного типа требуемый диапазон регулирования скорости обычно не превосходит 1:3. Отмеченные особенности данных механизмов и невысокие требования в отношении точности регулирования скорости, позволяют выбрать для электропривода центробежного нагнетателя частотный закон управления .
Автоматизация электропривода ЦГН
Пуск привода ЦГН от релейно-контактной схемы

Рис. 7 Принципиальная схема защиты управления и сигнализации электропривода СТД-4000 2
Этой схемой предусмотрены все необходимые виды защит двигателя, действующие на отключение вакуумного выключателя или на сигнализацию. Схема управляет пуском двигателя, подачей на него возбуждения, форсировкой и снятием возбуждения.
Проанализируем работу схемы.
При пуске двигателя включается вакуумный выключатель замыкается его блок контакт B
d в цепи реле К4А. Двигатель подключается к сети и начинает разгонятся в асинхронном режиме. Ток в его статоре по мере увеличения скорости падает. При снижении тока до определенной величины, реле тока К7J отпадает и замыкает свой контакт в цепи катушки контактора К4А. Последний срабатывает и собирает цепь реле времени КК9Т. Оно с выдержкой времени замыкает свой контакт в цепи реле времени К10Т, которое в свою очередь включает контакт возбуждения К13.
Двигатель после этого должен втянутся в синхронизм и нормально работать. Тогда отключится реле напряжения мощности K1W, разорвет свой контакт цепи реле времени К11Т, выдержка времени которого выбирается несколько больше выдержек реле времени К9Т и К10Т вместе взятых. Реле К11Т отключится. При этом заканчивается нормальный пуск двигателя.
Если же двигатель при пуске не втянется в синхронизм, контакт K1W будет замкнут и реле К11Т через некоторое время замкнет свой контакт в цепи реле К5А защиты от асинхронного хода. Последнее сработает, отключит двигатель и одновременно с помощью контактора К14 разорвет цепь возбуждения возбудителя.
При отключении синхронного двигателя оператором или какой-либо защитой тоже выключится вакуумный выключатель. С двигателя снимается возбуждение и он останавливается.
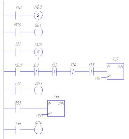
Программирование релейно-контактной схемы на контроллере
Программирование схемы проводим на контроллере Siemens Simatik S7-200 в оболочке SIMATIC LAD. Программирование проводим по упрощенной схеме, которая обеспечивает пуск, остановку, подачу возбуждения при входе двигателя в синхронизм (Рис. 8).
Схема работает следующим образом. Нормально разомкнутый контакт I0.0 это кнопка Пуск, при нажатии которой происходит запоминание состояния М0.0 из 0 в 1. М0.0 замыкает свой контакт и подает сигнал на световую сигнализацию – Q0.1. Так же М0.0 замыкает свой контакт в ветви №4, и при условии, что ни одна из защит и блокировок I0.2 – I0.6 не находятся в сработавшем положении, т.е. все в порядке, то запускается таймер, который через одну секунду (таймер Т37) подаст сигнал на исполнительный контактор Q0.3 который включит вакуумный выключатель и подаст напряжение на двигатель.
Как видно из графиков в Приложении 3, двигатель разгоняется до подсинхронной скорости за 10 с. Поэтому Q0.3 при срабатывании подает сигнал на таймер Т38, который через 10 с включит подаст сигнал на контактор (Q0.4), который подаст возбуждения двигателя для втягивания в синхронизм.

Рис. 8. Схема пуска и останова СТД – 4000 на контроллере Siemens Simatik S7-200
Моделирование привода ЦГН
Моделирование синхронного электродвигателя
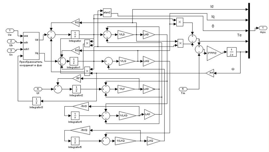
Моделирование синхронного двигателя выполняется по дифференциальным уравнениям, описывающим поведение синхронного двигателя в переходных режимах. В основу моделирования принята система полных дифференциальных уравнений Горева - Парка, составленные для синхронной машины, фазовые обмотки статора которой расположены симметрично, и характеризуются одинаковыми параметрами, а на роторе, помимо одноосной обмотки возбуждения, имеются короткозамкнутые демпферные обмотки. Такая машина вполне соответствует двигателю СТД - 4000 - 2У4.
В принятой системе распределение параметров синхронной машины рассматриваются по двум перпендикулярным осям d и q, вращающимися с частотой ротора. В этих координатных осях уравнения Горева – Парка имеют следующий вид:
; (6)
; (7)
; (8)
; (9)
; (10)
; (11)
; (12)
; (13)
; (14)
; (15)
. (16)
Параметры синхронного электродвигателя получены с Лысьвенского турбомеханического завода:
;
;
;
;
;
;
;
;
;
;
;

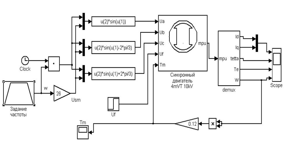
Моделирование синхронного двигателя проводится в пакете прикладных программ Mathlab 6,5. Структурная схема модели приведена в Приложении 1.
Преобразователь фаз служит для преобразования трехфазного напряжения в систему координат d-q по следующим законам:
(17)
(18)
Так же в преобразователь фаз заходит обратная связь по углу , представляющая интеграл от угловой скорости .
Моделирование системы управления ЦГН
На компрессорных станциях с электроприводными центробежными нагнетателями регулирование производительности может осуществляться одним из следующих способов:
· дросселированием газа на входе в нагнетатель;
· регулированием потока газа путем установки входного поворотного направляющего аппарата перед колесом нагнетателя;
· байпасированием потока газа;
· заменой сменной проточной части нагнетателя;
· изменением передаточного числа передаточного механизма;
· установкой гидромуфты;
· изменением частоты вращения вала электродвигателя;
· изменением количества работающих агрегатов.
Регулирование дросселированием давления газа на входе в нагнетатель может осуществляться с помощью дросселирующего органа, создающего дополнительное гидравлическое сопротивление, в результате чего искусственно изменяется характеристика газопровода. При дросселировании производительность нагнетателя уменьшается, потребляемая при этом мощность электродвигателя также снижается, но несущественно. Дросселирование газа ведет к резкому увеличению энергозатрат и является самым неэкономичным способом регулирования производительности. Однако этот способ нашел применение на некоторых компрессорных станциях благодаря своей простоте.
Весьма эффективный способ - регулирование потока газа путем установки входного поворотного направляющего аппарата. Надежная и достаточно простая конструкция такого устройства была внедрена на агрегатах с электродвигателями СТД-4000-2 с одноступенчатым нагнетателем типа 280-11-7.
Установка гидромуфт для обеспечения регулирования производительности на практике не находит применения вследствие низкого значения КПД и больших эксплуатационных расходов, связанных с обслуживанием и ремонтом.
Одним из наиболее эффективных способов регулирования производительности ГПА является применение электродвигателей с регулируемой частотой вращения.
Ступенчатое регулирование изменением числа работающих нагнетателей не может в общем случае обеспечить нормальную работу при переменном режиме газопровода. Однако этот способ регулирования в сочетании с плавным регулированием позволяет уменьшить диапазон плавного регулирования.
Значительная экономия электроэнергии достигается регулированием частоты вращения вала приводного электродвигателя, получающего питание от полупроводникового преобразователя частоты. Необходимый диапазон регулирования частоты вращения вала приводного электродвигателя при изменении подачи центробежного нагнетателя составляет (1-0,7) , т.е. привод центробежных нагнетателей должен обеспечивать плавное регулирование частоты вращения вала на 30 % ниже ее номинального значения.
Технико-экономическая целесообразность регулирования подачи центробежных нагнетателей изменением частоты вращения вала определяется режимом работы газопровода, числом и производительностью нагнетателей и должна проверяться для каждого конкретного случая. В подавляющем числе случаев такое регулирование экономически оправдано.
Оценочное значение экономии электроэнергии при замене нерегулируемого электропривода центробежных нагнетателей на регулируемый составляет 30-40 %.
Система управления синхронным двигателем СТД – 4000 2У4 реализует частотный закон управления . Структурная схема системы управления приведена в Приложении 2. Система управления обеспечивает, как это видно из Приложения 3 регулирование скорости 1:3.
Положительным качеством системы является ее простота, так как в этом приводе не нужна особая точность и быстродействие. Не используется датчик движения, тоесть в этой системе нет обратных связей по скорости.
Как видно из графиков разгон с двигателя происходит за 12 с, снижение скорости происходит за 35 с, что в полнее приемлемо для этого механизма.
Момент изменяется от 12500 при рад/с, что соответствует частоте вращения 3000 об/мин, до 6000 при рад/с, что соответствует 2150 об/мин. Частота при этом снизилась с 50 Гц до 36 Гц.
Список используемой литературы
- Новые технологии и современное оборудование в электроэнергетике газовой промышленности И.В. Белоусенко, Г.Р. Шварц, С.Н. Великий, А.Д.Яризов М. Недра, Москва 2002
- Электротехнические установки и комплексы в нефтегазовой промышленности Б.Г. меньшов, М.С. Ершов, А.Д.Яризов М. Недра, Москва 2000
- Электропривод и автоматизация общепромышленных механизмов Учебник для вузов. – М.: Энергия, 1980. 360 с, 1980 г.
- Электрические машины и основы электропривода К.В. Лотоцкий, издательство «Колос», 1964 г.
- Системы управления электроприводов –программа и методические указания по выполнению курсовой работы для студентов очной и заочной форм обучения специальности 180400 направления 654500
Приложение 1

Приложение 2

Приложение 3

Приложение 4

|