Реферат по курсу «Защита природных ресурсов»
на тему
Использование электрохимических методов для очистки сточных вод и водоподготовки
Содержание:
Преимущества электрохимических методов очистки
Электрохимические методы очистки сточных вод
Анодное окисление и катодное восстановление.
Электрокоагуляция.
Электрофлотация.
Электродиализ.
Электрохимическая активация
Электрохимические принципы работы активаторов
Электрохимические установки для очистки питьевой воды на примере бытового фильтра "ИЗУМРУД"
Технологический процесс очистки воды "ИЗУМРУД"
Источники:
Наиболее широко распространенные в мире методы очистки питьевой воды и отработанных водных растворов основаны на моделировании природных процессов - фильтрации, сорбции, ионного обмена. Однако, установки в которых реализованы указанные процессы, нуждаются в регенерации и периодической замене основного рабочего элемента: фильтров, сорбентов, ионообменных смол.
При этом возникают проблемы с утилизацией отработанных материалов, а также сохраняется необходимость восполнения их потерь путем производства из невозобновляемых сырьевых запасов новых материалов взамен отработанных. Очевидно, стратегия наименьшего экологического ущерба при сохранении достигнутого уровня жизни населения Земли или при его улучшении, должна быть основана на использовании технологий, позволяющих обеспечить минимально возможное вовлечение в производственно-хозяйственную деятельность человека природных минеральных сырьевых ресурсов, которые в естественном состоянии (месторождения полезных ископаемых) не представляют угрозы окружающей среде, но после серии различных технологических преобразований рассеиваются в виде растворимых в воде соединений. Одним из естественных процессов, имеющих самое широкое распространение в живой и неживой природе является электрохимическое преобразование веществ, т.е. окислительно-восстановительные реакции, связанные с удалением или присоединением электрона. Этот природный процесс более эффективен в сравнении с вышеназванными. Теоретические расчеты показывают, что потенциальные возможности электрохимического кондиционирования воды (очистки, умягчения, опреснения, обеззараживания и т.д.) более чем в 100 раз превосходят фильтрационные, сорбционные и ионообменные методы по экономичности, скорости и качеству. Кроме того, электрохимические реакции позволяют без дополнительных затрат химических реагентов преобразовать пресную или слабосолоноватую природную воду в высокоактивный технологический раствор, обладающий практически любыми необходимыми функциональными свойствами.
Забиваем Сайты В ТОП КУВАЛДОЙ - Уникальные возможности от SeoHammer
Каждая ссылка анализируется по трем пакетам оценки: SEO, Трафик и SMM.
SeoHammer делает продвижение сайта прозрачным и простым занятием.
Ссылки, вечные ссылки, статьи, упоминания, пресс-релизы - используйте по максимуму потенциал SeoHammer для продвижения вашего сайта.
Что умеет делать SeoHammer
— Продвижение в один клик, интеллектуальный подбор запросов, покупка самых лучших ссылок с высокой степенью качества у лучших бирж ссылок.
— Регулярная проверка качества ссылок по более чем 100 показателям и ежедневный пересчет показателей качества проекта.
— Все известные форматы ссылок: арендные ссылки, вечные ссылки, публикации (упоминания, мнения, отзывы, статьи, пресс-релизы).
— SeoHammer покажет, где рост или падение, а также запросы, на которые нужно обратить внимание.
SeoHammer еще предоставляет технологию Буст, она ускоряет продвижение в десятки раз,
а первые результаты появляются уже в течение первых 7 дней.
Зарегистрироваться и Начать продвижение
Для очистки сточных вод от различных растворимых и диспергированных примесей применяют процессы анодного окисления и катодного восстановления, электрокоагуляции, электрофлоку-ляции и электродиализа. Все эти процессы протекают на электродах при пропускании через сточную воду постоянного электрического тока. Электрохимические методы позволяют извлекать из сточных вод ценные продукты при относительно простой автоматизированной технологической схеме очистки, без использования химических реагентов. Основным недостатком этих методов является большой расход электроэнергии.
Очистку сточных вод электрохимическими методами можно проводить периодически или непрерывно.
Эффективность электрохимических методов оценивается рядом факторов: плотностью тока, напряжением, коэффициентом полезного использования напряжения, выходом по току, выходом по энергии. Плотность тока — это отношение тока к поверхности электрода, которое обычно выражают в А/м2
(А/см2
, А/дм2
). Напряжение электролизера складывается из разности электродных потенциалов и падения напряжения в растворе'

где Dla
и Dlk
—величина анодной и катодной поляризации; la
и l
к
—равновесные потенциалы анода и катода; DUэл
и DUдиаф
— падение напряжения в электролите и диафрагме.
Падение напряжения в электролите (сточной воде) при отсутствии пузырьков газа определяют по закону Ома:
DUэл
=ipd,
где i—плотность тока в сточной воде. А/см2
; р—удельное сопротивление. Ом-см; d—расстояние между электродами, см.
При выделении газовых пузырьков, вследствие удлинения потока между электродами DUэл
возрастает. Отношение
hнапр=( la
- l
к
)U
называют коэффициентом полезного использования напряжения.
Выход по току — это отношение теоретически необходимого количества электричества (находят по закону Фарадея) к практически затраченному, которое выражают в долях единицы или в процентах.
В электролизере, схема которого показана на рис. 1, на положительном электроде — аноде ионы отдают электроны, т. е. протекает реакция электрохимического окисления; на отрицательном электроде — катоде происходит присоединение электронов, т. е. протекает реакция восстановления.
Сервис онлайн-записи на собственном Telegram-боте
Попробуйте сервис онлайн-записи VisitTime на основе вашего собственного Telegram-бота:
— Разгрузит мастера, специалиста или компанию;
— Позволит гибко управлять расписанием и загрузкой;
— Разошлет оповещения о новых услугах или акциях;
— Позволит принять оплату на карту/кошелек/счет;
— Позволит записываться на групповые и персональные посещения;
— Поможет получить от клиента отзывы о визите к вам;
— Включает в себя сервис чаевых.
Для новых пользователей первый месяц бесплатно.
Зарегистрироваться в сервисе

Рис. 1. Схема электролизера:
1 —
корпус; 2 — анод; 3 — катод; 4 — диафрагма
Эти процессы разработаны для очистки сточных вод от растворенных примесей (цианидов, роданидов, аминов, спиртов. альдегидов, нитросоединений, азокрасителей, сульфидов, меркаптанов и др.). В процессах электрохимического окисления вещества, находящиеся в сточных водах, полностью распадаются с образованием СОз, МНз и воды или образуются более простые и нетоксичные вещества, которые можно удалять другими методами.
В качестве анодов используют различные электролитически нерастворимые материалы: графит, магнетит, диоксиды свинца, марганца и рутения, которые наносят на титановую основу.
Катоды изготовляют из молибдена, сплава вольфрама с железом или никелем, из графита, нержавеющей стали и других металлов, покрытых молибденом, вольфрамом или их сплавами. Процесс проводят в электролизерах с диафрагмой и без нее. Кроме основных процессов электроокисления и восстановления, одновременно могут протекать электрофлотация, электрофорез и электрокоагуляция.
Сточные воды, содержащие цианиды, образуются на предприятиях машиностроения, приборостроения, черной и цветной металлургии, химической промышленности и др. В состав вод кроме простых цианидов (KCN, NaCN) входят комплексные цианиды цинка, меди, железа и других металлов, концентрация которых колеблется от 10 до 600 мг/л. Обычно рН таких стоков колеблется в пределах 8—12.
Анодное окисление цианидов протекает по реакциям

Окисление может быть проведено и с образованием азота:

Для повышения электропроводности сточных вод и снижения рас-хода энергии к водам добавляют NaCl. При концентрации CN" 1 г/л добавляют 20—30 г/л NaCl. В этом процессе используют графитовый анод и стальной катод. Оптимальные условия окисления: анодная плотность тока 3—4 А/дм2
, меж-злектродно" пространство 3 см, скорость воды 30 дм3/ч, рН 8—9. Степень очистки приближается к 100%.
Разрушение цианидов происходит в результате электрохимического окисления на аноде и окисления хлором, выделяющимся на аноде в результате разложения NaCl. Этот процесс описывается следующими реакциями:

Схема установки для электрохимической очистки сточных вод от цианидов приведена на рис. 2

Рис. 2. Схема установки электрохимической очистки сточных вод от цианидов соединений:
1 -
усреднитель: 2 — бак для приготовления раствора хлорида натрия: 3 — электро--чизер; 4 --источник постоянного тока
При использовании электролизеров проточного. типа целесообразно разделять их перегородками на несколько отсеков. В процессе электролиза сточные воды перемешивают сжатым воздухом. Обработанные сточные воды содержат до 200 мг/л активного хлора и должны быть обезврежены. Металлы, которые выделяются на катоде, утилизуют. Установка компактна и проста в эксплуатации.
Роданиды разрушаются по схеме

Сульфид-ионы при рН=7 окисляются до сульфатов. При меньших значениях рН может образоваться элементная сера. Окисление фенолов в присутствии хлоридов в сточной воде протекает по следующим реакциям (этот процесс выгоден при небольшом содержании фенолов в воде):

Катодное восстановление применяют для удаления из cточных вод ионов металлов с получением осадков, для перевода загрязняющего компонента в менее токсичные соединения или в легко выводимую из воды форму (осадок, газ). Его можно использовать для очистки сточных вод от ионов тяжелых металлов Pb2+
, Sn2+
, Hg2+
, Cu2+
, As3+
, Cr6+
Катодное восстановление металлов происходит по схеме

При этом металлы осаждаются на катоде и могут быть рекуперированы. Например, при восстановлении соединений хрома была достигнута высокая степень очистки: концентрация снижалась с 1000 до 1 мг/л. Расход электроэнергии на очистку составил 0,12 кВт-ч/м3
. При электролизе сточных вод, содержащих Н2
СrО7
, оптимальное значение рН=2, а плотность тока 0,2—2 А/дм2
. Реакция восстановления протекает следующим образом:

Очистку сточных вод от ионов Hg2+
, Pb2+
, Cd2+
, Cu2+
проводят на катодах, состоящих из смеси угольного и сернистого порошков в соотношении C:S от 80:20 до 20:80 при рН<7 и плотности тока 2,5 А/дм2
. Осаждение этих ионов происходит в виде нерастворимых сульфидов или бисульфидов, которые удаляют механически.
Примером реакции, обеспечивающей удаление загрязнения в газовую фазу, является очистка от нитрата аммония. При постановлении нитрата аммония на графитовом электроде он превращается в нитрит аммония, который разлагается при нагревании до элементного азота:

Повышенная токсичность органических веществ связана с наличием в молекуле атомов галогенов, альдегидной, амино-, питро- или нитрозогрупп. Таким образом, продукты восстановления, например, альдегидов и кетонов—спирты и углеводороды, будут менее токсичны. Потеря атома галогена приводит к такому же результату:

Рассмотрим процесс анодного растворения на примере железа. В щелочной среде реакция идет в две стадии:

На первой ступени, включающей адсорбцию гидроксида на железном электроде и потерю первого электрона, образуется промежуточное кислородсодержащее соединение одновалентного железа. На второй стадии реакция протекает по двум возможным направлениям и завершается образованием двух- или трехвалентного железа. Общая скорость процесса анодного растворения лимитируется второй стадией.
В кислой среде протекают следующие реакции:

Лимитирующей стадией является предпоследняя реакция. Скорость электрохимического растворения металла определяется величиной тока, которая зависит от приложенного напряжения (потенциала анода —<р):

где k
,
fi
—
постоянные процесса; R
—
универсальная газовая постоянная;
Т -
абсолютная температура; п—
число электронов, участвующих в процессе; F
—
число Фарадея.
Процессы анодного окисления используются также для обесцвечивания сточных вод от различных красителей, а также для очистки сточных вод целлюлозно-бумажных, нефтеперерабатывающих, нефтехимических и других заводов.
При прохождении сточной воды через межэлектродное пространство электролизера происходит электролиз воды, поляризация частиц, электрофорез, окислительно-восстановительные процессы, взаимодействие продуктов электролиза друг с другом.
При использовании нерастворимых электродов коагуляция может происходить в результате электрофоретических явлений и разряда заряженных частиц на электродах, образования в растворе веществ (хлор, кислород), разрушающих сольватные соли на поверхности частиц. Такой процесс можно использовать для очистки вод при невысоком содержании коллоидных частиц и низкой устойчивости загрязнений.
Для очистки промышленных сточных вод, содержащих высокоустойчивые загрязнения, проводят электролиз с использованием растворимых стальных или алюминиевых анодов. Под действием тока происходит растворение металла, в результате чего в воду переходят катионы железа или алюминия, которые, встречаясь с гидроксидными группами, образуют гидроксиды металлов в виде хлопьев. Наступает интенсивная коагуляция.
На процесс электрокоагуляции оказывает влияние материал электродов, расстояние между ними, скорость движения сточной воды между электродами, ее температура и состав, напряжение и плотность тока. С повышением концентрации взвешенных веществ более 100 мг/л эффективность электрокоагуляции снижается. С уменьшением расстояния между электродами расход энергии на анодное растворение металла уменьшается. Теоретический расход электроэнергии для растворения 1 г железа составляет 2,9 Вт-ч, а 1 г алюминия—12 Вт-ч. Электрокоагуляцию рекомендуют проводить в нейтральной или слабощелочной среде при плотности тока не более 10 А/м2
, расстоянии между электродами не более 20 мм и скорости движения воды не менее 0,5 м/с.
Достоинства .метода электрокоагуляции: компактность установок и простота управления, отсутствие потребности в реагентах, малая чувствительность к изменениям условий проведения процесса очистки (температура, рН среды, присутствие токсичных веществ), получение шлама с хорошими структурно-механическими свойствами. Недостатком метода является повышенный расход металла и электроэнергии. Электрокоагуляция находит применение в пищевой, химической и целлюлозно-бу-мажной промышленности.
Технологическая схема очистки сточных вод электрокоагуляцией показана на рис 3.

Рис. 3. Схема электрокоагуляционной установки:
1 —
усреднитель; 2 — бак для приготовления раствора; 3 — источник постоянного тока; 4 — электрокоагулятор; 5 — отстойник; 6 — аппарат для обезвоживания осадка
Обезвоживание осадка проводят в фильтр-прессе или центрифуге. Выделяющийся в процессе газообразный водород можно использовать для флотации гидроксида. С этой целью в схеме очистки используют электрокоагуляторы-флотаторы, или специальные флотационные аппараты, например гидроциклоны-флотаторы. Замена отстойника на флотаторы позволяет значительно уменьшить габариты установки, сократить капитальные затраты и получить менее влажный осадок гидроксида.
Электрокоагуляционную очистку сточных вод можно использовать для очистки от эмульсий нефтепродуктов, масел, жиров (электрокоагулятор представляет собой ванну с электродами). Эффективность очистки от нефтепродуктов составляет: от масел 54—68%, от жиров 92—99% при удельном расходе электроэнергии 0,2—3,0 Вт-ч/м3
.
На практике наиболее широко используют безнапорные пластинчатые электрокоагуляторы, направление движения жидкости в которых может быть горизонтальным и вертикальным. Они могут быть однопоточными, многопоточными и смешанными. При многопоточной схеме движения вода проходит одновременно через промежутки между электродами (параллельное соединение каналов). При однопоточной схеме вода проходит между электродами последовательно (последовательное соединение каналов), что уменьшает пассивацию электродов. Скорость движения воды у однопоточных электрокоагуляторов в п—
1 раз больше, чем у многопоточных (га—число электродов).
Полезный объем ванны электрокоагулятора (объем сточных вод, постоянно находящихся в аппарате) равен

Расход железа на процесс

Ток, обеспечивающий растворение железа за время т, равен

Рабочая поверхность анодов и общее их число определяют из соотношений

Общее число электродов (катодов и анодов) составляет

Общий объем ванны электролизера равен

где Q — расход сточных вод, мз/ч; t — время процесса, ч; d
—
удельный расход железа на удаление определенного загрязнения, г/ч; с — исходная концентрация иона металла, загрязняющего воду, г/м3
; k
—
электрохимический эквивалент железа, равный 1,042 г/(А-ч); h—
выход железа по току, % (при обработке воды с рН=3—5 близок к 100%); i
—оптимальная плотность тока, А/м2
; Si— площадь одного анода, м2
; V
э—
объем всех электродов.
Толщину электродов, их ширину, межэлектродное расстояние определяют с учетом конструктивных особенностей, а также заданной скорости движения воды.
Количество газа, генерируемого в электрофлотаторе, определяют по формуле

где Vo
—
объем газа, выделяющегося при нормальных условиях, м3
; q
н -
количество газа, выделяющегося при прохождении 1 кА-ч (электрохимический эквивалент), м3
; I
—ток, проходящий через аппарат, кА; t —время обработки, ч; Bt
- коэффициент использования тока, доли единицы; п
—число пар электродов; qH
2
—
0,418 м3
/кА-ч).
Объем влажного газа в реальных условиях равен

где р — парциальное давление насыщенных водяных паров (при 20 °С равное 2,3 кПа); 5—давление в системе, кПа; Р—
атмосферное давление, кПа; 101,3—давление при нормальных условиях, кПа.
В этом процессе очистка сточных вод от взвешенных частиц проходит при помощи пузырьков газа, образующихся при электролизе воды. На аноде возникают пузырьки кислорода, а на катоде — водорода. Поднимаясь в сточной воде, эти пузырьки флотируют взвешенные частицы. При использовании растворимых электродов происходит образование хлопьев коагулянтов и пузырьков газа, что способствует более эффективной флотации.
Основную роль при электрофлотации играют пузырьки, образующиеся на катоде. Размер пузырьков водорода значительно меньше, чем при других методах флотации. Он зависит от краевого угла смачивания и кривизны поверхности электродов. Диаметр пузырьков меняется от 20 до 100 мкм. Из пересыщенных растворов мельчайшие пузырьки выделяются на поверхности частичек загрязнений и тем самым способствуют эффекту флотации. Для получения пузырьков требуемого размера необходим правильный подбор материала, диаметра проволоки катода и плотности тока. Оптимальное значение плотности тока 200—260 А/м2
, газосодержание—около 0,1%.
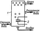
При небольших объемах сточных вод (10—15 м3
/ч) электрофлотационные установки могут быть однокамерными (рис. 4), при больших — следует применять двухкамерные установки, которые могут быть горизонтальными и вертикальными.

Рис. 4. Схема однокамерной электрофлотационной установки (/—корпус; 2—электроды)
Они состоят из электродного отделения и отстойной части. Схема горизонтального электрофлотатора показана на рис. 5. Сточная вода поступает в успокоитель, который отделен от электродного отделения решеткой. Проходя через межэлектродное пространство, вода насыщается пузырьками газа. Всплывание пузырьков с частицами происходит в отстойной части. Всплывший шлам перемещается скребком в шлакоприемник, откуда его удаляют. Расчет установки сводится к определению общего объема электродного отделения и отстойной части, а также необходимых конструктивных и электрических параметров.

Рис. 5. Горизонтальный электрофлотатор:
1—впускная камера; 2— электроды; 3— скребок; 4 — шлаиоприемник; 5 — патрубок выпуска осадка
Процесс очистки сточных вод электродиализом основан на разделении ионизированных веществ под действием электродвижущей силы, создаваемой в растворе по обе стороны мембран. Этот процесс широко используют для опреснения соленых вод. В последнее время его начали применять и для очистки промышленных сточных вод.
Процесс проводят в электродиализаторах, простейшая конструкция которых состоит из трех камер, отделенных одна от другой мембранами (рис. П-53,а). В среднюю камеру заливают раствор, а в боковые, где расположены электроды, — чистую воду. Анионы током переносятся в анодное пространство. На аноде выделяется кислород и образуется кислота. Одновременно катионы переносятся в катодное пространство. На катоде выделяется водород и образуется щелочь. По мере прохождения тока концентрация солей в средней камере уменьшается до тех пор, пока не станет близкой к нулю.
За счет диффузии в среднюю камеру поступают ионы Н+ и ОН-, образуя воду. Этот процесс замедляет перенос ионов соли к соответствующим электродам.
При использовании электрохимически активных (ионообменных) диафрагм повышается эффективность процесса и снижается расход электроэнергии. Ионообменные мембраны проницаемы только для ионов, имеющих заряд того же знака, что и у подвижных ионов.
Рис. 6. Схемы электродиализаторов с пористыми диафрагмами (а) и иони-товыми мембранами (б)
В электродиализаторе (рис. 6, б)
имеется две мембраны. Одна из них — анионообменная и пропускает в анодную зону анионы. Другая мембрана— катионообменная расположена со стороны катода и пропускает катионы в катодное пространство.
Обычно электролизеры для очистки воды делают многокамерными (100— 200 камер) с чередующимися катионо- и анионопроницаемыми мембранами. Электроды помещают в крайних камерах. В многокамерных аппаратах достигается наибольший выход по току.
Для обессоливания воды применяют гомогенные и гетерогенные мембраны. Гомогенные мембраны состоят только из одной смолы и имеют малую механическую прочность. Гетерогенные мембраны представляют собой порошок ионита, смешанный со связующим веществом — каучуком, полистиролом, метилмер-каптаном и др. Из этой смеси вальцеванием получают пластины. Мембраны должны обладать малым электрическим сопротивлением. На эффективность работы электродиализатора большое влияние оказывает расстояние между мембранами. Обычно оно составляет 1—2 мм. Во избежание засорения мембран сточные воды перед подачей в электродиализатор должны быть очищены от взвешенных и коллоидных частиц.
Расход энергии при очистке воды, содержащей 250 мг/л примесей, до остаточного содержания солей 5 мг/л составляет 7 кВт-ч/м3
. С увеличением содержания солей в воде удельный расход энергии возрастает.
Основным недостатком электродиализа является концентрационная поляризация,, приводящая к осаждению солей на поверхности мембран и снижению показателей очистки.
Электрохимическая активация представляет собой самостоятельную область прикладной электрохимии наряду с традиционными и имеет несколько принципиальных особенностей. Термин электрохимическая активация (ЭХА) появился в результате серии исследований, которыми было установлено, что жидкости, подвергнутые униполярному (анодному или катодному) электрохимическому воздействию переходят в термодинамически неравновесное состояние и в течение времени релаксации проявляют аномально высокую химическую активность. Этот термин был введен в науку академиком российской академии медико-технических наук В.М. Бахиром. В отличие от известных электрохимических процессов, исходным веществом в процессах электрохимической активации являются разбавленные водно-солевые растворы, пресная или слабоминерализованная вода, т.е. жидкости низкой электропроводностью. Конечным продуктом ЭХА являются не концентрированные химические вещества, а активированные растворы, т.е. низкоминерализованные жидкости в метастабильном состоянии.
Электрохимическая активация практически не используется как самостоятельный технологический процесс. Ее целью является уменьшение или полное исключение расхода химических реагентов, снижение загрязненности растворов, повышение качества целевых продуктов, сокращение времени, повышение эффективности и упрощение различных технологических процессов. Иными словами ЭХА используется для создания высокоэффективных и экологически чистых технологий в различных областях человеческой деятельности. Практически в любой области человеческой деятельности, там, где имеется соприкосновение с жидкостью, могут использоваться технологии ЭХА.
Цель ЭХА -придание воде необходимых функциональных свойств перед использованием, в том числе каталической и биокаталической активности.
Электрохимическая активация производиться путем катодной или анодной (униполярной) электрохимической обработке воды в диафрагменном электрохимическом реакторе. Диафрагма в виде пористой диэлектрической перегородки между электродами реактора препятствует смешиванию объемов воды (растворов) в анодной и катодной электродной камерах.
В результате обработки в катодной камере реактора вода насыщается продуктами катодных электрохимических реакций, обычно гидроксидами металлов, образовавшимися из растворенных солей, гидроксидионами, водородом. В момент и после катодной электрохимической обработки вода, для упрощения обозначения характера оказанного на нее воздействия, называется католитом.
При анодной обработке на нерасходуемом электроде вода насыщается продуктами окисления, в том числе кислотами,синтезированными из растворенных солей, кислородом, хлором. В момент и после анодной обработки вода называется анолитом.
Наличие устойчивых электрохимически синтезированных щелочей в католите и кислот в анолите не является признаком их активированности, как не являются им соответственно высокие и низкие значения pH католита и анолита, сохраняющие свое значение длительное время при хранении.
Активированное состояние воды и растворов в результате униполярной электрохимической обработке проявляется аномальной реакционной способностью католита и анолита в окислительно-восстановительных реакциях, в их каталической, биокаталитической активности, аномальной физико-химической активности при взаимодействиях на границе раздела фаз и нежестко коррелирует с измеряемыми параметрами, такими, как pH, окислительно-восстановительный потенциал, поверхностное натяжение, диэлектрическая проницаемость, электропроводность и другие.
Технология очистки состоит из нескольких стадий, разделенных во времени и пространстве:
- в электрохимическом реакторе
- анодное окисление обеспечивает уничтожение микроорганизмов и деструкцию вредных органических соединений, а катодное – восстановление (нейтрализацию) ионов тяжелых металлов;
- каталитический реактор
– обеспечивает каталитическое разложение активых веществ, например хлора;
- флотационный реактор
- флотационное отделение взвешенных веществ, гидроксидов тяжелых металлов, в том числе железа.
В настоящее время на мировом рынке продается более тридцати тысяч разновидностей бытовых систем очистки питьевой воды. Основными методами очистки воды в бытовых устройствах являются сорбция (преимущественно с использованием активированного угля), фильтрация (микрофильтрация, ультрафильтрация, обратный осмос), ионный обмен, ультрафиолетовое облучение, серебрение. Широко применяется комбинирование этих методов.
Сравнительно недавно появились установки нового поколения "Изумруд", в которых очистка воды производится электрохимическим и каталитическим способами. Водоочистители адсорбционного, ионообменного, мембранного и адсорбционно-мембранного типа задерживают микроорганизмы, которые размножаются на внутренних поверхностях установок, в порах сорбентов, на поверхности фильтрующих мембран.
Даже в тех случаях, когда выход из адсорбционной или мембранной системы водоочистной защищен противомикробным фильтром, бактерии могут размножаться на выходной поверхности противомикробного фильтра и на внутренних поверхностях выходных магистралей, что является фактором эпидемиологического риска. Поэтому адсорбционные, ионообменные, мембранные и комбинированные бытовые водоочистительные системы непригодны для работы с водой, небезопасной в микробиологическом отношении.
Установки "Изумруд" свободны от указанного недостатка, поскольку даже при сверхвысоком содержании в исходной воде бактериальных и вирусных тел 106
- 108
в одном миллилитре (мл) после очистки в установках "Изумруд" количество микроорганизмов в воде уменьшается до 10 - 102
на мл (на пять-шесть порядков). Соответствующие данные получены при проведении анализов в лабораториях Беркширской и Оклендской микробиологических служб (Великобритания). Кроме того, в момент электрохимической обработки вода приобретает бактериостатические характеристики, аналогичные свойствам родниковых вод. Вследствие этого выходные магистрали электрохимических водоочистителей не подвергаются инфицированию. В процессе длительного хранения вода, очищенная в установках "Изумруд", может утратить бактериостатические свойства.
Бактерицидные вещества, образующиеся в анодной камере электрохимического реактора, обладают очень высокими антимикробными свойствами, намного превосходящими по эффективности обычные антисептики (хлорамин и др.). Эти вещества, присутствующие в воде в пропорции 1 : 1000, обеззараживают ее даже в случае интенсивного микробного обсеменения. При этом погибают не только возбудители типичных желудочно-кишечных инфекций (возбудители дизентерии, сальмонеллеза, холерный вибрин), но и экзотические патогенные микроорганизмы тропических стран. Этот факт подтвержден наблюдениями сотрудников Британской компании Enigma во время Руандийского кризиса, а также данными по обеззараживанию воды плавательных бассейнов в Москве и в г. Лас-Вегас, Невада, США. В последнем случае успешно подавлялся рост "черных водорослей" (Black Algae).
Адсорбционные устройства для доочистки питьевой воды (чаще угольные) имеют ограниченную сорбционную емкость , которая заполняется со скоростью , зависящей от уровня загрязнений в исходной воде: чем сильнее загрязнена вода , тем быстрее исчерпываются функциональные возможности сорбента.
Мембранные фильтры тонкой очистки согласно рекламным данным задерживают 90-95 % всех находящихся в воде элементов и соединений, в том числе необходимые для человека и животных микро- и ультрамикроэлементы (кальций, магний, калий, натрий, литий, серебро, фтор, йод и другие). Как известно дистиллированная вода минерализацией менее 0,01 г/л заведомо непригодна для питья. Регулярное употребление деминерализованной воды с содержанием солей менее 0,1 г/л обуславливает физиологический дефицит полезных микро- и ультрамикроэлементов, что отрицательно сказывается на состоянии здоровья населения некоторых регионов с низкоминерализованной водой и у полярников, пьющих снеговую воду. В соответствии с ГОСТ 2874-82 минерализация питьевой воды не должна превышать 1,0 г/л. Во многих городах России минерализация питьевой воды 0,2 - 0,5 г/л, после очистки ее методом обратного осмоса или ультрафильтрации потребитель получит воду с концентрацией солей 0,01 - 0,05 г/л. Следовательно существующие системы мембранных водоочистителей, которые пропускают "только воду", создают риск патологии, связанной с потреблением чрезмерно обессоленной воды.
Дефицит микро- и ультрамикроэлементов в организме может быть скорректирован специальной диетой. Однако некоторые микро- и ультрамикроэлементы воды практически незаменимы.
При работе с водой минерализацией 0,1 - 0,5 г/л через электрохимический реактор установки "Изумруд" проходит ток силой 0,3 - 0,4 А. В этом случае общая минерализация обработанной воды почти не меняется, ионы тяжелых металлов переходят в форму нетоксичных и труднорастворимых гидроксидов и гидроксидоксидов, микробы, находящиеся в воде, разрушаются, органические вещества, а также неорганические токсические соединения (в том числе нитраты и нитриты) подвергаются анодной окислительной деструкции. Сильные неорганические окислители (в том числе хлор) и сверхактивные радикальные частицы инактивируются в реакционно-вихревой и каталитической камерах. Эффективность удаления активного хлора и хлор содержащих окислителей в установках "Изумруд" не менее 90 %.
Высокий ОВП и ряд других физико-химических условий в анодной камере электрохимического реактора исключают образование токсических хлорорганических веществ и обеспечивают полную окислительную деструкцию диоксинов, если они содержатся в водопроводной воде. Физиологически полезные микро- и ультрамикроэлементы (кальций, калий, магний, литий, фтор и другие) не образуют под влиянием электрохимической обработки нерастворимых соединений и остаются в составе питьевой воды. По данным лаборатории фирмы Oaklend Calvert Consaltants, Ltd (Engl.) при содержании в исходной воде ионов серебра 68 мкг/л в очищенной воде содержание ионов серебра составило 56 мкг/л, то есть потерь серебра не было. В то же время токсичные ионы металлов (меди, железа, олова, алюминия, ртути, цинка, хрома удалялись на 85-99,9%.
Присутствующие в воде радионуклиды также превращаются в формы нерастворимых соединений, которые частично оседают на катоде и удаляются при промывании установки. Если эти соединения попадают с водой в желудочно-кишечный тракт, то они не всасываются в кровь и удаляются из кишечника естественным путем.
Естественное свойство полезных для организма микро- и ультрамикроэлементов состоит в том, что в результате окислительно-восстановительных реакций они не участвуют в образовании труднорастворимых или нерастворимых комплексов. Это увеличивает вероятность участия этих элементов в биохимических реакциях и делает их совместимыми с организмом. По этой же причине полезные элементы не образуют нерастворимых комплексов при электрохимической обработке и сохраняются в очищенной воде в ионизированной форме. В то же время элементы легко вступают в химические комплексы, в том числе с белковыми соединениями. Как правило они денатурируют белок и поэтому токсичны. Однако по причине склонности вступать в комплексы токсичные элементы при электрохимической обработке переходят в нерастворимые и безопасные для организма формы.
Гидроксиды и гидроксидоксиды тяжелых металлов могут растворятся в крепких кислотах, в том числе в соляной кислоте. Соляная кислота в норме присутствует в желудочном соке. Но желудочный сок сам по себе или в присутствии перевариваемой пищевой массы представляет собой сложную органическую среду, содержащую белки и полисахариды. Эти соединения играют роль внутренних адсорбентов (энтеросорбентов), которые легко связывают молекулы гидроксидов и гидроксидоксидов. В таком виде гидроксиды и гидроксидоксиды тяжелых металлов защищены от действия соляной кислоты. Поэтому они не растворяются в желудке, а затем выводятся из организма естественным путем. Аналогичным образом наши внутренние сорбенты связывают хлопья солей жесткости, оксидов железа. Эти компоненты практически безвредны для организма. Однако их присутствие в питьевой воде меняет ее вкус и нежелательно по эстетическим соображениям.
Избавиться от хлопьев солей жесткости или ржавчины можно только с помощью фильтрации. Электрохимическая обработка в этом случае малоэффективна. При работе с водой, содержащей хлопьевидные взвеси, фильтры тонкой очистки воды быстро забиваются и выходят из строя.
Водоочистители "Изумруд" хорошо удаляют из воды фенол и тетрахлорэтилен (на 90 - 99,9% в зависимости от исходной концентрации). Суммарное количество органических соединений в воде после электрохимической очистки уменьшается на 1/3. В загрязненной питьевой воде большую опасность представляют гидрофобные токсины. В результате анодного окисления эти токсины переходят в относительно безвредные гидрофильные формы, которые легко удаляются из организма с физиологическими выделениями.
Таким образом, электрохимическая очистка воды в установках "Изумруд" при правильной эксплуатации обеспечивает:
· обеззараживание воды;
· эффективное удаление или инактивацию токсических элементов и соединений;
· удаление избыточных концентраций солей и компонент твердого осадка;
· направленное изменение ОВП и активацию воды при сохранении нейтральных кислотно-щелочных характеристик ;
· сохранение нормального количества биологически полезных микро- и ультрамикроэлементов.
Очистка воды в установках "Изумруд" основана на использовании процессов окисления и восстановления, благодаря которым разрушаются и нейтрализуются все токсические вещества в природе. В установках "Изумруд" природные процессы естественной окислительно-восстановительной деструкции и нейтрализации токсических веществ ускоряются многократно за счет прямых электрохимических реакций, а также благодаря участию в процессах очистки электрохимически синтезированных из самой очищаемой воды и растворенных в ней солей высокоактивных реагентов: озона, атомарного кислорода, пероксидных соединений, диоксида хлора, короткоживущих свободных радикалов. Это обеспечивает высокую эффективность и экологическую безопасность процесса очистки воды в сравнении с другими известными методами.
В корпусе установки "Изумруд-М" размещены: диафрагменный электрохимический реактор РПЭ-1, каталитический реактор, вихревая реакционная камера, источник питания и система автоматического включения и отключения установки с инфракрасным датчиком протока. Реактор РПЭ-1, основной частью которого является проточный электролитический модульный элемент ПЭМ, является миниатюрным экономичным высокопроизводительным электрохимическим устройством, работающим в проточном режиме. Гарантийный ресурс непрерывной работы реактора РПЭ-1 в установке составляет 30000 часов. Реактор РПЭ-1 является основной частью установки и запатентован в России, Великобритании, США, Германии и Японии. Анод элемента ПЭМ в реакторе установки изготовлен из титана со специальным покрытием, в состав которого входят иридий, платина, рутений. Титановый катод имеет повышенную каталитическую активность за счет специальной обработки поверхности. Ультрафильтрационная керамическая диафрагма из оксидов циркония, иттрия и алюминия находится между анодом и катодом элемента ПЭМ и не допускает смешивания воды в анодной и катодной камерах.
В то же время диафрагма обеспечивает беспрепятственную миграцию ионов в электрическом поле между анодом и катодом. Каждый микрообъем воды, протекающей в камерах реактора РПЭ-1, соприкасается с поверхностью электрода и подвергается интенсивному воздействию электрического поля в двойном электрическом слое (ДЭС), образованном зарядами на электроде и противоионами в воде. Это гарантирует высокое качество очистки воды. Кроме того, под влиянием электрического поля ДЭС структурная сетка водородных связей разрыхляется, молекулы воды обретают дополнительные степени свободы, что облегчает усвоение такой активированной в электрическом поле воды клетками живых организмов и ускоряет удаление биологических шлаков. Аналогом процесса структурной модификации воды в электрическом поле ДЭС являются фазовые переходы при таянии льда (талая вода), структурные превращения воды в электрических разрядах грозовых ливней, или физико-химические воздействия, которым подвергается вода на большой глубине в горных породах при высокой температуре в начальной стадии формирования целебных минеральных источников. Однако, обработка воды в электрическом поле ДЭС отличается намного большей глубиной преобразования ее структуры и ярко выраженной направленностью воздействия: электронодонорного у катода и электронакцепторного у анода.
Вся гидравлическая система установки изготовлена из химически весьма стойких материалов, разрешенных к применению в изделиях медицинской техники.
В установке используются следующие процессы очистки воды:
· электролитическое и электрокаталитическое анодное окисление в сочетании с электромиграционным переносом (реактор РПЭ N 1);
· гомогенные реакции окисления с помощью катализаторов - переносчиков электронов (вихревая реакционная камера Е);
· гетерогенные окислительно-восстановительные реакции с участием катализаторов - переносчиков электронов (каталитический реактор К);
· электролитическое и электрокаталитическое катодное восстановление в сочетании с электромиграционным переносом (реактор РПЭ N 2).
Все указанные процессы в установке разделены в пространстве и во времени, что обеспечивает наилучшие результаты очистки.
В Центре Микробиологических Исследований Беркшаэ устройство было апробировано искусственно загрязненной водой при обычном режиме протока 40-60 литров в час. На протяжении всего времени исследования, т.е. 10 куб. м. воды, эффективность очистки оставалась постоянной.
| Загрязнитель
|
Концентрация на входе |
Концентрация на выходе
|
| Алюминий |
2000 |
135 |
| Медь |
30000 |
131 |
| Ртуть |
500 |
2 |
| Свинец |
500 |
23 |
| Хром |
10000 |
9 |
| Серебро |
100 |
3 |
| Цинк |
30000 |
212 |
| Фенол |
0.01 |
0.0003 |
| Тетрахлорэтилен |
0.065 |
0.001 |
| Сальмонелла |
4.000.000 |
191 |
| Pseudomonas spp. |
3.800.000 |
94 |
| Полиомиелит |
700.000.000 |
925 |
| Legionella pneumophila |
8.000.000 |
6 |
| Кишечная палочка |
60.000.000 |
781 |
Концентрация ионов тяжелых металлов выражены в мг/л, органики- в нг/л и концентрация микроорганизмов на миллилитр
.
Анализ органических соединений проводился с использованием стандартного газового хроматографа с применением методик соответствующих КРА 601,602,603. Получаемая на установках "Изумруд" питьевая вода полностью соответствует рекомендациям Всемирной Организации Здравоохранения.
Установки "Изумруд" являются эффективным устройством для очистки воды, сконструированными для удаления микроорганизмов, органических примесей и ионов тяжелых металлов. Благодаря качественно новой технологии эффективность очистки не снижается в ходе эксплуатации.
1. Очистка производственных сточных вод: Учебное пособие для студентов вузов/Яковлев С. В., Карелин Я. А., Ласков Ю. М., Воронов Ю. В. М.: Стройиздат, 1979. 320 с.
2. Остроушко И.А., Остроушко Р.И. Электролитическая очистка сточных вод обогатительных фабрик. // Цветная металлургия, 1972, №20. - С.46 - 48.
3. Лурье Ю.Ю., Генкин В.Е. Электрохимическая очистка сточных вод содержащих цианистые соединения. // Журн. прикл. Химии. - 1961, т. ХХХ111. вып.2. - С.384 - 389.
4. Чантурия В.А., Назарова Г.Н. Электрохимическая технология в обогатительно-гидрометаллургических процессах. - М.: Наука, 1977. - 160с.
5. Назарова Г.Н., Костина Л.В. Применение Электрохимической технологии для очистки отработанных промышленных растворов и сточных вод обогатительных и металлургических предприятий с обновременным доизвлечением ценных компонентов. // В кн.: Переработки минерального сырья. М., Наука. - 1977. - С.211 - 225.
6. Дорохина Л.И., Попурова Н.В. О возможности использования электрохимической технологии для обезвреживания цианидсодержащих растворов обогатительных фабрик с одновременным доизвлечением металлов. // В кн.: Технология разработки и обогащения полезных ископаемых, М., Недра. - 1975. - С.97 - 99.
7. http://izumrud.spedia.net/ - Электрохимическая активация
|