|
1. Разработка шаблона символа
¯
®
Символ
– это элемент электрической схемы. Шаблон
– это файл c выполненными настройками параметров проекта. Шаблон символа
создается в следующем порядке.
1. Запустить редактор символов
командой Пуск > Программы >
PCAD
2002 >
Symbol
Editor
.
2. По команде Options
>
Configure
: установить метрическую систему (Units = mm
), нажать User
и установить ширину листа (Width=
110
) и высоту листа (Height=
70
), далее установить флажки в поле Orthogonal Mode
, чтобы при черчении линии командой Place > Line
выбирать (клавишей «О») все направления рисования линии.
3. После Option
>
Block
Selection
установить все флажки в панели Items и верхней флажок в панели Select
Mode
, – все объекты будут подчиняться команде Option
>
Select
.
4. Ввести сетку чертежа = 1,25 мм: после Option>Grids
ввести Grid Spacing
=1.25 и щелкнуть левой клавишей мыши
(LB) на кнопках ADD и ОК (аналогично ввести сетки, 2.5 мм, 5.0 мм и 0,25 мм). Установить флажки в полях Visible
и Dotted
(видна точечная
сетка) и нажать кнопку OK; клавишей «Х» установить форму курсора в виде прямого креста.
5. Ввести ширину линии = 0.6 мм: после Option
>
Current
Line
в окне User
ввести значение 0.6 и нажать OK
– введена ширина 0.6 мм (аналогично ввести значения 0.4 и 0.2 мм). Командой Place
>
Line
нарисовать по одной линии каждой ширины.
6. Ввести в проект шрифт высотой 2,5 мм (11 пунктов) этапами:
· после Option
>
Text
Style
>
ADD
ввести Style
Name
= 2p5 и нажать OK;
· в окне Text Style Properties нажать: Allow True Type > True Type Font > Fonts;
· в открывшемся окне Шрифт установить: Шрифт
= Arial, Начертание
= Курсив, Набор
символов
= Кириллица, Размер
= 11 пунктов и нажать OK >OK > Close
;
· аналогично создать шрифты 3,5 мм (16); 5 мм (22); 7 мм (31); 10 мм (44 пункта);
· командой Place
>
Text
ввести в проект произвольный текст – имя каждого шрифта.
7. Настроить горячую
клавишу Backquote
(слева от клавиши 1) для выполнения команды View
>
Extent
, для чего после: Option
>
Preference
>
MenuCommand
щелкнуть LB на строке View
Extent
в поле MenuCommands
, перевести далее курсор в поле Press a
Shortcut
Key
, нажать клавишу Backquote
и щелкнуть LB на кнопке Assign
.
Забиваем Сайты В ТОП КУВАЛДОЙ - Уникальные возможности от SeoHammer
Каждая ссылка анализируется по трем пакетам оценки: SEO, Трафик и SMM.
SeoHammer делает продвижение сайта прозрачным и простым занятием.
Ссылки, вечные ссылки, статьи, упоминания, пресс-релизы - используйте по максимуму потенциал SeoHammer для продвижения вашего сайта.
Что умеет делать SeoHammer
— Продвижение в один клик, интеллектуальный подбор запросов, покупка самых лучших ссылок с высокой степенью качества у лучших бирж ссылок.
— Регулярная проверка качества ссылок по более чем 100 показателям и ежедневный пересчет показателей качества проекта.
— Все известные форматы ссылок: арендные ссылки, вечные ссылки, публикации (упоминания, мнения, отзывы, статьи, пресс-релизы).
— SeoHammer покажет, где рост или падение, а также запросы, на которые нужно обратить внимание.
SeoHammer еще предоставляет технологию Буст, она ускоряет продвижение в десятки раз,
а первые результаты появляются уже в течение первых 7 дней.
Зарегистрироваться и Начать продвижение
8. Командой Symbol
>
Save
To
File
As
записать шаблон на диск под именем ShablonSYM
.
9. Покинуть редактор символов по команде Symbol
>
Exit
.
2. Разработка символов ИМС К511ПУ2
¯
®
Микросхема К511ПУ2 содержит 2 символа NOT–AND «НЕ с расширением по И» (рис. 1-a) и два символа 2AND–NOT «2И-НЕ» (рис. 1-b). Нумерация выводов символов на рис.1 указывает порядок их создания. В корпусе К511ПУ2 (рис.2) символы NOT–AND занимают секции 1 и 2, а символы 2AND–NOT – секции 3 и 4.
Символ
NOT
-
AND
создается в редакторе Symbol
Editor
в следующем порядке.
1. Загрузить шаблон Symbol > Open > ShablonSYM
.
2. Сохранить символ на диске в файле NOT– AND командой Symbol
>
Save
to
File
As
.
3. Построить условное графическое обозначение (УГО) символа NOT–AND этапами:
· по команде Option
>
Grids
в поле Grids дважды щелкнуть LB на строке 2.5 – сетка с шагом 2,5 мм станет текущей;
· установить линию шириной 0,2 мм, выбрав ее в поле Line Width
строки статуса;
· активизировать команду Place
>
Line
, переместить курсор в точку 20/10
(с этой целью набрать с клавиатуры: j
20
Tab
10
Enter
) и щелкнуть LB (либо 2 раза нажать клавишу «пробел») – курсор примет форму косого креста;
· клавишей «стрелка вправо» переместить курсор в точку: 35/10
. и 2 раза нажать «пробел» – будет построена горизонтальная линия – нижняя сторона УГО символа;
· перемещая стреками курсор в точки 35/30
, 20/30
и 20/10
, дважды нажимать пробел после каждого перемещения, после чего – щелкнуть клавишей Esc (рис. 3).
4. Сформировать выводы символа NOT–AND этапами:
· по команде Place > Pin в окне Place Pin установить: User = 5 мм, Default Pin Name = Е, Default Pin Des = 1, поля Increment Pin Name и Increment Pin Des – сбросить;
· нажать OK и, переместив курсор в точку 20/15
, щелкнуть LB и RB – рис. 4;
· щелкнуть LB в центре экрана, ввести: DefaultPinName
= In, DefaultPinDes
= 2
, нажать OK и щелкнуть LB и RB в точке 20/25
. – рис. 5 (выводы слева);
· щелкнуть LB в любой точке и установить поля: Default
Pin
Name
=
Out, DefaultPinDes
= 3,
Outside
Edge
= Dot,
щелкнуть Ok, нажать LB в точке 42,5/25
, и, не отпуская LB, дважды нажать на клавишу R, отпустить LB и щелкнуть LB;
Сервис онлайн-записи на собственном Telegram-боте
Попробуйте сервис онлайн-записи VisitTime на основе вашего собственного Telegram-бота:
— Разгрузит мастера, специалиста или компанию;
— Позволит гибко управлять расписанием и загрузкой;
— Разошлет оповещения о новых услугах или акциях;
— Позволит принять оплату на карту/кошелек/счет;
— Позволит записываться на групповые и персональные посещения;
— Поможет получить от клиента отзывы о визите к вам;
— Включает в себя сервис чаевых.
Для новых пользователей первый месяц бесплатно.
Зарегистрироваться в сервисе
· поставить цифру 3 над выводом: после Edit
>
Select
при нажатой клавише Shift
щелкнуть LB в центре цифры 3, отпустить Shift
,
нажать LB и перетащить цифру наверх (над выводом), после чего – отпустить LB – рис. 5.
5. В точки: 15/15
, 31,25/31,25
, 31,25/8,25
ввести точку привязки символа
, место под обозначение элемента
, (DD4 и пр.) и место под тип
элемента (К155ПУ2), этапами:
· после Place
>
Ref
Point
щелкнуть LB в точке 15/15
– введена точка привязки;
· после: Place
>
Attribute
>
Component
>
RefDes
установить поле: Text
Style
={
PartStyle
},
в поле Justification
выбрать точку в центре, нажать Ok (курсор примет форму косого креста) и щелкнуть LB в точке 31,25/31,25
(рис. 6 – верхняя надпись).
· после: Place>Attribute>Component>Type
установить: Text Style={PartStyle},
в поле Justifi-cation
выбрать точку в центре, нажать Ok и щелкнуть LB в точке 31,25/8,25
– рис.6.
| 
|

|

|

|
| Рис. 3
|
Рис. 4
|
Рис. 5
|
Рис. 6
|
6. Создать библиотеку Test
, для чего после Liblary
>
New
в окне Liblary New
в поле Имя файла
ввести имя Test
и щелкнуть LB на кнопке Сохранить
.
7. Записать созданный символ в библиотеку Test
под именем NOT
–
AND
этапами:
· подключить библиотеку Test
, для чего после Symbol > Save As
в окне Symbol Save to
Library
, нажать кнопку Library
, выбрать библиотеку Test и нажать кнопку Открыть;
· в поле Symbol ввести имя NOT–AND, сбросить все флажки и нажать Ok.
8. Командой Symbol
>
Save
to
File
As
сохранить символ на диске под именем NOT-AND.
Символ
2
AND
–
NOT
создадим на основе символа NOT-AND этапами.
1. Командой Symbol
>
Save
to
File
As
сохранить символ на диске под именем 2AND-NOT. Поменять местами выводы E и In (рис.7), после чего щелкнуть LB и, затем, – RB в центре вывода E. В меню выбрать строку Properties
и далее в меню Pin
Properties
установить поле: DefaultPinName
= InA и щелкнуть LB на кнопке OK – рис. 8.
2. Щелкнуть LB и RB в центре вывода In, выбрать строку Properties
и установив поле: Default
Pin
Name
=
InB
, щелкнуть LB на кнопке OK – рис. 9.
3. Записать символ в библиотеку Test
под именем 2AND-NOT (п.8 раздела 2
).
4. Командой Symbol
>
Save
to
File
сохранить символ на диске.
3. Разработка шаблона посадочного места (ПМ)
¯
®
ПМ – это конструктивные элементы (металлизированные, крепежные отверстия, параметры масок, маркировки, графика сборочного чертежа), предназначенные для монтажа электрорадиоэлементов (ЭРЭ) на ПП. Рассмотрим порядок создания шаблона ПМ.
1. Запустить Pattern
Editor
и после Options
>
Configure
установить: метрическую систему, ширину (Width=100
) и высоту (Height=70
) листа, флажки в поле Orthogonal Mode
,
2. Установить шаг сетки чертежа 2.5 мм:
после Option
>
Grids
в поле Grid
Spacing
вести значение 2.5 и нажать ADD. Аналогично ввести сетки 0.25, 5 и 1,25 мм.
3. Ввести шрифты и выполнить назначение «горячих клавиш»
(пп. 6 и 7, раздел 1
)
4. Записать шаблон на диск как ShablonPRT
, по команде Pttern
>
Save
To
File
As
.
5. Покинуть редактор по команде Pttern
>
Exit
.
4. Создание стеков контактных площадок (КП)
¯
®
Введем обозначения: N-неметаллизированная; С-круглая; М-металлизированная; T-сквозная; Р-планарная; R-прямоугольная; латинская «p» заменяет десятичную точку.
Стиль
TN
6
p
0-2
p
7С
- крепёжное отверстие создается как компонент
библиотеки, представляющий сквозную, не металлизированную площадку с диаметром под шайбу – 6 мм и диаметром под винт - 2,7 мм.
1. Вызвать
Pattern
Editor
и командой Pattern
>
Open
открыть файл ShablonPRT
2. Установить шаг сетки
0.5 мм командой Options
>
Grids
.
3. Создать площадку
: после Options
>
Pad
Style
>
Copy
ввести имя TN
6
p
0-2
p
7
C
, и нажав OK>TN
6
p
0-2
p
7С
>Modify
(
Simple
), перейти в режим редактирования отверстия;
4. Установить поля
: Type
= THRU, Width
=Heigh
t=6, Hole(Diameter)
=2.7, Shape
=Mounting Hole, в поле Hole
(
Plated
)
снять флажок (нет металлизации) и нажать Ok
и Close.
5. Ввести точку привязки
: после Place> Ref Point
щелкнуть LB точке 20/20
.
6. Ввести RefDes
и Type
(п.5 раздел 2
) в центре КП, при снятом флажке в поле Visible
;
7. Нарисовать пятачок
(Æ6,5 мм) для маски в слоях Top
Mask
и Bottom
Mask
этапами:
· по команде Options >Grids
установить поля: Grid
Spacing
= 1.625 ( ¼ от 6,5); X=Y=20, Mode
= RELATIVE и щелчками LB на кнопках ADD и OK перейти в относительную систему координат с центром в точке 20 / 20
;
· по команде Options
>
Layers
установить текущим слой Top Mask
;
· по команде Options
>
Current
Line
установить текущей толщину линии 3.25 мм;
· по команде Place
>
Arc
щелкнуть LB в точках 1,625/0
и 0/0
– 1-й пятачок
готов;
· аналогично построить пятачок
в слое Bottom Mask
, выключить слои Top Mask
и Bottom Mask
и щелчком LB на кнопке REL перейти в абсолютную систему координат.
8. Создать графику сборочного чертежа
(круг Æ6,0 мм и осевые) этапами:
· после Options
>
Layers
сделать текущим слой сборочного чертежа – Top Assy;
· после Options >Current Line(>Grid)
установить линию 0.2 мм (сетку 0,5 мм);
· после Place>Arc
щелкнуть LB в точках 21.5/20
и 20/20
– круг Æ6,0 мм построен;
· после Place >Line
щелкнуть LB в точках 20/24
и 20/16
щелкнуть RB, далее, щелкнуть LB в точке 24/20
и в точке 16/20
щелкнуть RB – построены осевые.
9. Создать библиотеку
Holes
, для чего после Liblary
>
New
в окне Liblary New
в поле Имя файла
ввести имя Holes
и щелкнуть LB на кнопке Сохранить
.
10. Записать отверстие в библиотеку
этапами:
· после Pattern>Save As
ответить «Да» на предупреждение об отсутствии атрибута Type и в окне PatternSaveToLibrary
, щелкнув LB на кнопке Library, установить путь к библиотеке Test
и нажать кнопку Открыть
;
· установив флажок в поле Component
, ввести имя отверстия TN6p0-2p7C в поля: Pattern Name и Component Name и нажать кнопку OK.
11. Покинуть редактор Pattern
Editor
командой Pattern
>
Exit
.
| 
|

|

|

|

|
| TN6p0-2p7С
|
ТM1p4-0p8R
|
ТM1p4-0p8C
|
P2p1-0p7R
|
ТM1p9-1p3C
|
Стиль
ТM1p4-0p8R
1. Запустить Pattern
Editor
и командой Pattern
>
Open
открыть файл ShablonPRT
2. Ввести параметры КП
: после Options>Pad Style>Copy
ввести ее имя ТМ1P4-0P8R
, щелкнуть LB: на OK>ТМ1P4-0P8R>Modify (Simple)
, изменить поля: Shape = Rectangle
, Width = Height= 1.4, Diameter = 0.8 и щелкнуть LB по кнопках OK
и Close
.
3. Создать файл технологических параметров – FTP этапами:
· после Pattern > DesignTechnologyParameters
ввести Имя файла= FTP и нажать на кнопки Открыть >Да
– откроется окно Design Technology Parameters;
· щелкнуть на кнопке New Group
и ввести имя новой группы технологических параметров – КПиО (КП и Отверстия) – имя КПиО появится в списке;
4. Записать параметры площадки в файл
FTP, для чего: щелкнуть LB на имени КПиО, кнопке UpdateFromDesign
и, установив в окне Select Section Type
флажок Pad Styles,
щелкнуть LB на кнопках OK> OK>Close
.
5. Аналогично создать в FTP стили ТM1p4–0p8C , TM1p9–1p3C и P2p1–0p7R указав:
· для ТM1p4-0p8C –Type=Thru; Shape=Ellipse; Width= Height= 1.4, Diameter = 0.8;
· для TM1p9-1p3C – Type=Thru; Shape=Ellipse; Width= Height= 1.9, Diameter = 1.3;
· для P2p1-0p7R – Type =Top; Shape= Rectangle; Width=2.1 Height= 0.7.
6. Разработка посадочного места
DIP
-14
¯
®
Разработка ПМ DIP14 выполняется «Мастером ПМ» этапами:
1. Перейти
в
редактор
Pattern Editor
командой Utils> Pattern Editor
.
2. Подключить стеки КП из
FTP: после Pattern>DesignTechnologyParameters
щелкнуть LB на КПиО>CopyToDesignOK>Close
. (
9-2
).
3. Загрузить мастер ПМ командой: Pattern>Pattern Wizzard
;
4. Установить поля: Pattern
Type
=
DIP
, Number
Of
Pads
Down
= 14 (общее число КП), Pad
To
Pad
Spacing
= 2.5 (расстояние между КП по Y), Pattern Width = 7.5 (расстояние между КП по X), Pad
1
Position
= 1 (№ ключевой КП), Pad
Style
(
Pad
1)
= TM
1
p
4-0
p
8
R
(ключевая КП), Pattern
Pad
Style
(
Other
)
= TM
1
p
4-0
p
8
C
(обычная КП);
5. Установить флажок Silk
Screen
и определить графику ПМ в слое Top Silk, установив поля: Silk
Line
Width
= 0.2 (ширина линии), Silk
Rectangle
Width
= 6.0, Silk
Rectangle
Height
= 17.5 (размеры корпуса), Notch
Type
= Arc (форма ключа около 1-го вывода) и, щелкнув LB на кнопке Finish, завершить работу «Мастера»;
6. Переместить атрибуты Refdes
и
Type
в центр ИМС и развернуть их на 90 градусов клавишей R (атрибут Type погасить);
7. Сохранить ПМ в библиотеке Test под именем DIP–14 командой Pattern
>
SaveAs
7. Запись БЭ – К511ПУ2 в библиотеку
¯
®
1. В программе Library
Executive
после Component
>
New
установить путь к библиотеке Test
и нажать кнопку Открыть
– откроется окно Component
Information
.
2. Подключить к проекту ПМ DIP-14
, для чего щелкнуть LB на кнопке Select Pattern
и в окне Library Browse
дважды щелкнуть LB на имени ПМ DIP-14
– это имя будет отображено в верхнем правом поле окна Component
Information
.
3. Изменить поля: Gate Numbering
= Numeric; Component Style
= Heterogeneous (в корпусе имеются символы разных
типов – NOT–AND
и 2AND–NOT
), Refdes Prefix
= DD, Number of Gates
= 4 (2 символа NOT–AND и 2 символа 2AND–NOT).
4. Включить в корпус 1-й символ, щелкнув дважды LB на 1-й строке колонки Normal и на имени NOT–AND (в пунктах 4 и 5 на все предупреждения отвечать «Нет»).
5. Подключить остальные символы, щелкая LB в строках 2, 3 и 4 колонки Normal и выбирая соответственно имена: NOT–AND, 2AND–NOT и 2AND–NOT– табл.1.
6. Нажать PinsView
, ввести упаковку по табл. 2 и закрыть окно PinsView
обычным путем.
Таблица 1 Таблица 2
| Gate#
|
GateEq
|
Normal
|
|
Pad #
|
Pin Des
|
Gate #
|
SymPin#
|
Pin Name
|
GateEq
|
Pin Eq
|
Elec.Typ
|
| 1
|
1
|
NOT–AND
|
|
1
|
1
|
1
|
1
|
E
|
1
|
|
Input
|
| 2
|
1
|
NOT–AND
|
|
2
|
2
|
1
|
2
|
In
|
1
|
|
Input
|
| 3
|
2
|
2AND–NOT
|
|
3
|
3
|
1
|
3
|
Out
|
1
|
|
Output
|
| 4
|
2
|
2AND–NOT
|
|
4
|
4
|
2
|
1
|
E
|
1
|
|
Input
|
| |
|
|
|
5
|
5
|
2
|
2
|
In
|
1
|
|
Input
|
| |
|
|
|
6
|
6
|
2
|
3
|
Out
|
1
|
|
Output
|
| |
|
|
|
7
|
7
|
PWR
|
|
GND
|
|
|
Power
|
| |
|
|
|
8
|
8
|
3
|
3
|
Out
|
2
|
|
Output
|
| |
|
|
|
9
|
9
|
3
|
2
|
InB
|
2
|
1
|
Input
|
| |
|
|
|
10
|
10
|
3
|
1
|
InA
|
2
|
1
|
Input
|
| |
|
|
|
11
|
11
|
4
|
3
|
Out
|
2
|
|
Output
|
| |
|
|
|
12
|
12
|
4
|
2
|
InB
|
2
|
1
|
Input
|
| |
|
|
|
13
|
13
|
4
|
1
|
InA
|
2
|
1
|
Input
|
| |
|
|
|
14
|
14
|
PWR
|
|
+5B
|
|
|
Power
|
7. После Component > Validate
система выдасть сообщение No errors found!
(ошибок нет).
8. Записать ЭРЭ в библиотеку Test
:
после Component >Save
– откроется окно Component Name
, в котором необходимо ввести имя K511PU2 и нажать Ok.
8. Разработка символа для ИМС 133
LA
6
¯
®
Микросхема 133ЛА6
(рис.10) содержит 2 символа 4AND–NOT
«4И-НЕ» (рис.11). Нумерация выводов символа указывает порядок их формирования при создании символа в среде редактора Symbol Editor
. В корпусе ИМС 133ЛА6 символ 4AND–NOT занимает секции 1 и 2. Распайка выводов секций на ножки ИМС показана на рис. 12.
Символ 4
AND
-
NOT
создается мастером в редакторе Symbol
Editor
этапами:
1. Открыть шаблон: Symbol
>
Open
>
ShablonSYM
и установить сетку чертежа 1,25 мм.
2. Сохранить символ под именем 4AND-NOT командой Symbol > Save To File As
.
3. Загрузить окно «мастера создания символов» командой Symbol > Symbol Wizard и установить следующие поля: Symbol Width = 15; Pin Spacing = 5; Number Pin Left=4, Number Pin Right =1; Line Width= 0.2; Default Pin Name = InA; Default Pin Designator = Current Pin Number = 1; User = 5; установить флажки Pin Name и Pin Des.
4. Изменить поля CurrentPinNumber
=2, DefaultPinDesignator
=2, Default Pin Name
= InB
.
5. Аналогично построить выводы InC
,
InD
и
Out
и щелкнуть LB на Finish
– рис. 11.
6. Щелкнуть LB и RB на выводе Out, перейти в окно Properties
, где изменить поле Outside
Edge
= Dot и нажать OK.
| 
|
4AND-NOT
|

|
| Рис.10
|
Рис. 11 (Сетка = 2,5 мм)
|
Рис. 12
|
7. Записать символ в библиотеку Test
под именем 4AND-NOT этапами:
· после Symbol
>
Save
As
щелкнуть LB на кнопке Library
, выбрать библиотеку Test и нажать кнопку Открыть;
· в поле «Symbol» ввести имя 4AND-NOT, сбросить флажки и щелкнуть LB на OK.
9. Разработка ПМ
PLAN –14
¯
®
1. Загрузить редактор ПМ (Пуск > Программы >
P
-
CAD
2002 >
Pattern
Editor
).
2. Подключить к проекту файл FTP (раздел 6, п.2
).
3. Загрузить «Мастер ПМ» командой Pattern
>
Pattern
Wizard
и установить поля: Pattern
Type
= DIP (форма ПМ), Number
Of
Pads
Down
= 14 (общее число КП), Pad
To
Pad
Spacing
= 1.25 (расстояние между КП по Y), Pattern
Width
= 10 (расстояние между центрами КП по X), Pad
1
Position
= 1 (№ ключевой КП), Pad
Style
(
Pad
1)
= P
2
p
1-0
p
7
R
, Pattern
Pad
Style
(
Other
)
= P
2
p
1-0
p
7
R
.
4. Сформировать графику ПМ этапами:
· установить флажок Silk Screen
и поля: Silk Line Width
= 0.2 (тип линии), Silk
Rectangle Width
=5.5(ширина), Silk Rectangle Height
= 10 (высота корпуса), Notch Type
= None;
· щелкнув LB на кнопке Finish, завершить работу «Мастера»;
· переместить атрибуты Refdes и Type в центр ИМС и развернуть их на 90 градусов клавишей R (атрибут Type погасить);
· изменить графику корпуса ИМС около первого контакта согласно рис.12;
5. Сохранить ПМ в библиотеке Test
под именем Plan–14.
10. Запись БЭ - 133
LA
6 в библиотеку
¯
®
1. Запустить библиотекарь: Utils
>
Library
Executive
и после Component
>
New
установить путь к библиотеке Test
и нажать Открыть
– откроется окно Component
Information
.
2. Подключить к проекту ПМ PLAN
-14
, для чегощелкнуть LB на кнопке Select
Pattern
и в окне Library
Browse
дважды щелкнуть LB на имени ПМ PLAN
-14
– оно будет отображено в верхнем правом поле.
3. Установить: Gate Numbering
=Numeric; RefdesPrefix
=DD, ComponentStyle
= Homoge-neous
(символы в корпусе идентичны), Number of Gates
= 2 (2 символа 4AND-NOT
)
4. Включить в корпус 1-й символ, щелкнув дважды LB на 1-й строке колонки Normal и на имени 4AND-NOT (на сообщение системы ответить «Нет»). Аналогично включить в корпус 2-й символ 4AND-NOT– получена табл. 3.
5. Нажать кнопку PinsView
, ввести упаковку по табл.4, и закрыть окно PinsView
.
6. Записать созданный элемент 133LA6
в библиотеку, выполнив пп 7¸8 раздела 7
.
11. Разработка БЭ диод
KD
403
A
¯
®
Распайка выводов символа DIOD (рис.13) на ножки ПМ KD403A показаны на рис.14.
Символ
DIOD
создается в редакторе символов Symbol
Editor
в следующем порядке
1. Открыть шаблон: Symbol
>
Open
>
ShablonSYM
и установить сетку чертежа 1,25 мм.
2. Сохранить символ под новым именем: DIOD командой Symbol
>
Save
To
File
As
.
3. Загрузить окно «Мастер символов» командой Symbol
>
Symbol
Wizard
и установить следующие поля: Symbol
Width
= 7.5;
Pin
Spacing
= 5;
Number
Pin
Left
=Number
Pin
Right
=1; Line
Width
= 0.2; Default
Pin
Name
= +; Default
Pin
Designator
= Current
Pin
Number
= 1; User
= 5; флажки Pin
Name
и Pin
Des
– сбросить.
Таблица 3 Таблица 4
| Gate#
|
GateEq
|
Normal
|
|
Pad #
|
Pin Des
|
Gate #
|
SymPin#
|
Pin Name
|
GateEq
|
Pin Eq
|
Elec.Typ
|
| 1
|
1
|
4AND–NOT
|
|
1
|
1
|
1
|
1
|
InA
|
1
|
1
|
Input
|
| 2
|
1
|
4AND–NOT
|
|
2
|
2
|
1
|
2
|
InB
|
1
|
1
|
Input
|
| |
|
|
|
3
|
3
|
|
|
|
|
|
|
| |
|
|
|
4
|
4
|
1
|
3
|
InC
|
1
|
1
|
Input
|
|
|
|
|
|
5
|
5
|
1
|
4
|
InD
|
1
|
1
|
Input
|
|
|
|
|
|
6
|
6
|
1
|
5
|
Out
|
1
|
|
Output
|
|
|
|
|
|
7
|
7
|
PWR
|
|
GND
|
|
|
Power
|
|
|
|
|
|
8
|
8
|
2
|
5
|
Out
|
1
|
|
Output
|
|
|
|
|
|
9
|
9
|
2
|
1
|
InA
|
1
|
1
|
Input
|
|
|
|
|
|
10
|
10
|
2
|
2
|
InB
|
1
|
1
|
Input
|
|
|
|
|
|
11
|
11
|
|
|
|
|
|
|
|
|
|
|
|
12
|
12
|
2
|
3
|
InC
|
1
|
1
|
Input
|
|
|
|
|
|
13
|
13
|
2
|
4
|
InD
|
1
|
1
|
Input
|
|
|
|
|
|
14
|
14
|
PWR
|
|
+5B
|
|
|
Power
|
| 
|

|

|
| Рис. 13 (Сетка = 2,5 мм)
|
Рис. 14
|
Рис. 15
|
4. Ввести: Current Pin Number
= 2, Default Pin Designator
=2 и Default Pin Name
= – .
5. Щелкнуть LB на Finish
и изменить графику символа в соответствии с рис.13 (рис.15).
6. Записать символ в библиотеку Test
под именем DIOD , для чего: после Symbol
>
Save
As
щелкнуть LB на кнопке Library, выбрать библиотеку Test , нажать кнопку Открыть и в поле Symbol ввести имя символа DIOD, сбросить флажки во всех полях и щелкнуть LB на кнопке OK.
Посадочное место диода
KD
403
A
создается в редакторе Pattern
Editor
этапами:
1. Подключить к проекту файл FTP (раздел 6, п.2
).
2. Загрузить Мастер
ПМ
: Pattern > Pattern Wizard
и установить поля: Pattern Type
= DIP, Number Of Pads Down
= 2 , Pad To Pad Spacing
= 3.75, Pattern Width
= 15, Pad 1 Position
= 1, Pad Style (Pad 1)
= TM1p4-0p8C
, Pattern Pad Style (Other)
= TM1p4-0p8C
.
3. Для определения графики ПМ установить флажок в поле Silk Screen
и поля: Silk Line Width
= 0.2, Silk Rectangle Width
= 7, Silk Rectangle Height
= 4, Notch Type
= None.
4. Щелкнув LB на кнопке Finish
, завершить работу «Мастера» - (рис.16).
5. Установить сетку 0,5 мм и при нажатом CTRL щелкнуть LB в центре каждой вертикальной линии УГО , после чего нажать клавишу Delete – линии будут удалены.
6. Нарисовать дуги согласно рис. 17, для чего: в слое TopSilk
после Place
>
Arc
нажать LB в точке A (рис.17) и отпустить LB – в точке C (рис.18). Аналогично построить правую дугу, нажав LB в точке D (рис.17) и отпустиь– в точке B (рис.17).
7. Переместить атрибуты Refdes и Type в центр ПМ (атрибут Type погасить) и записать ПМ в библиотеку Test
под именем КD403A
командой Pattern > Save As
при сброшенном флажке Create Component
.
| 
Рис. 16 (Сетка = 1,0 мм)
|
Рис. 17 (Сетка = 1,0 мм)
|
Рис. 18 (Сетка = 1,0 мм)
|
Запись БЭ диода
KD
403
A
в библиотеку выполняется в программе Library
Executive
.
1. После Component
>
New
указать путь к библиотеке Test
и нажать кнопку Открыть
.
2. Подключить к проекту ПМ диода, для чего щелкнуть LB на кнопке Select
Pattern
и в окне Library
Browse
дважды щелкнуть LB на имени ПМ диода KD
403
A
– оно будет отображено в верхнем правом поле.
3. Изменить поля: Gate Numbering
= Numeric; Number of Gates
= 1; Refdes Prefix
=VD.
4. Подключить символ DIOD, щелкнув дважды LB в 1-й строке колонки Normal и на имени DIOD (табл. 5).
5. Нажать кнопку PinsView
, ввести упаковку по табл.6 и закрыть окно PinsView
.
6. Записать созданный элемент KD
403
A
в библиотеку, выполнив п 7¸8 раздела 7
.
Таблица 5 Таблица 6
| Gate#
|
GateEq
|
Normal
|
|
Pad #
|
Pin Des
|
Gate #
|
SymPin#
|
Pin Name
|
GateEq
|
Pin Eq
|
Elec.Typ
|
| 1
|
1
|
DIOD
|
|
1
|
1
|
1
|
1
|
+
|
1
|
|
Unknown
|
| |
|
|
|
2
|
2
|
1
|
2
|
–
|
1
|
|
Unknown
|
12. Разработка БЭ - транзистор
KT3102G
¯
®
Транзистор KT3102G содержит 1 символ NPN (рис.19). в корпусе KT3102G (рис. 20)
Символ
NPN
создается в редакторе символов Symbol
Editor
в следующем порядке
1. Открыть шаблон ShablonSYM
и сохранить его как файл (As File) под именем: NPN.
2. Выбрав в строке статуса шаг сетки 0,5 мм, построить УГО символа этапами:
· после Place > ARC
, переместить курсор в точку 8,5/15
и щелкнуть LB, далее – в точку 15/15
и щелкнуть LB – построена окружность радиуса 6,5 мм;
· нарисовать базу: после Place>Line
щелкнуть LB в точках 12/12
и 12/18
, щелкнуть RB, щелкнуть LB в точках 8,5/15
и 12/15
щелкнуть RB – введена база;
· нарисовать коллектор и эмиттер: после Place >Line
щелкнуть LB в точках 12/16,5
и 18.75/20
щелкнуть RB; щелкнуть LB в точках 12/13,5
и 17.75/10,5
– щелкнуть RB;
· нарисовать стрелку эмиттера: ввести сетку 0.25 мм, и после Place>Polygon
щелкнуть LB в точках 17,75/11
, 17,25/10,25
, 18,75/10
щелкнуть RB (рис. 21);
· после Option > Display > Polygon
установить цвет заливки полигона = цвету линий.
3. Сформировать выводы символа NPN
в сетке 1.25 мм этапами:
| 
NPN
|

|

|

|

|
| Рис.19
|
Рис.20
|
Рис.21
|
Рис.22
|
Рис.23 (Сетка = 0,5 мм)
|
· после Place>Pin установить: Default PinName = B, User = 2,5 мм, Default Pin Des = 1, поля Pin Name, Pin Des, Increment Pin Name и Increment Pin Des сбросить;
· щелкнуть LB на кнопке Ok
и в точке 8,75/15
, щелкнуть RB – рис. 21 (база);
· щелчком LB перейти в окно Place
Pin
, изменить поля: Default Pin Name
= K, Default
Pin
Des
= 2, щелкнуть LB на кнопке Ok, нажать LB в точке 8,75/20
и, не отпуская LB, 3 раза подряд нажать клавишу «R», – щелкнуть RB (рис. 22 – коллектор);
· щелчком LB перейти в окно Place
Pin
, и изменить поля: Default
Pin
Name
= E, Default
Pin
Des
= 3, далее щелкнуть LB на кнопке Ok, нажать LB в точке 8,75/10
и, не отпуская LB, нажать клавишу «R», - щелкнуть RB – рис. 19 (без атрибутов).
4. В точки: 6,25/15
, 16,25/25
и 16,25/5
ввести Ref
Point
, RefDes
и Type
(п. 5 раздел 2
)
5. Ввести точку привязки элемента: после Place
>
Ref
Point
щелкнуть LB в точке 6,25/15.
6. Записать символ в библиотеку Test под именем NPN и выйти из редактора.
ПМ транзистора
KT
3102
G
создается в редакторе Pattern
Editor
этапами:
1. Подключить к проекту файл FTP (раздел 6, п.2
)
2. Загрузить «Мастер ПМ» командой Pattern
>
Pattern
Wizard
и установить поля: Pattern
Type
= DIP, Number
Of
Pads
Down
= 4 , Pad
To
Pad
Spacing
= 2.5, Pattern
Width
= 5, Pad
1
Position
= 1, Pad
Style
(
Pad
1)
= TM
1
p
9-1
p
3
C
, Pattern
Pad
Style
(
Other
)
= TM
1
p
9-1
p
3
C
и установить флажок в поле Silk
Screen
3. Ввести: Silk Line Width
=0.2, Silk Rectangle Width
=8, Silk Rectangle Height
=3.5, Notch Type
=None.
4. Щелкнув LB на Finish
, - перейти в обычный режим редактирования ПМ.
5. Удалить правую верхнюю площадку и переместить на ее место – нижнюю правую. Левую нижнюю КП переместить по той же горизонтали – в центр ПМ (рис. 23).
6. Переместить атрибуты Refdes и Type в центр ПМ (атрибут Type погасить) и записать ПМ в библиотеку Test
под именем KT3102G
командой Pattern > Save As
при сброшенном флажке Create Component
.
Запись БЭ
KT
3102
G
в библиотеку выполняется в программе Library
Executive
.
1. После Component
>
New
указать путь к библиотеке Test
и нажать кнопку Открыть
.
2. Подключить к проекту ПМ транзистора, для чего щелкнуть LB на кнопке Select
Pattern
и в окне Library
Browse
дважды щелкнуть LB на имени ПМ транзистора KT
3102
G
– оно будет отображено в верхнем правом поле.
3. Изменить поля: Gate Numbering
= Numeric
; Number of Gates
= 1; Refdes Prefix
=VT.
4. Подключить символ NPN, щелкнув дважды LB в 1-й строке колонки Normal и в открывшемся оглавлении библиотеки Test – на имени NPN (табл. 7).
5. Нажать кнопку PinsView и ввести упаковочную информацию согласно табл.8.
6. Записать компонент KT
3102
G
в библиотеку, выполнив пункты 7¸8 раздела 7
.
Таблица 7 Таблица 8
| Gate#
|
GateEq
|
Normal
|
|
Pad #
|
Pin Des
|
Gate #
|
SymPin#
|
Pin Name
|
GateEq
|
Pin Eq
|
Elec.Typ
|
| 1
|
1
|
NPN
|
|
1
|
1
|
1
|
1
|
B
|
1
|
|
Unknown
|
| |
|
|
|
2
|
2
|
1
|
2
|
K
|
1
|
|
Unknown
|
| |
|
|
|
3
|
3
|
1
|
3
|
E
|
1
|
|
Unknown
|
13. Разработка БЭ - клемма
GND
¯
®
1. В редакторе Symbol
Editor
открыть файл ShablonSYM
и установить сетку = 1,25 мм.
2. Командой Symbol
>
Save
To
File
As
сохранить символ под именем GND
.
3. После Symbol
>
Symbol
Wizard
и установить следующие поля: Symbol
Width
= 0; Pin
Spacing
= 5; Number
Pin
Left
=1; Number
Pin
Right
=0; Line
Width
= 1; Default
Pin
Name
– не заполнять; Default
Pin
Designator
= Current
Pin
Number
= 1; User
= 5; флажки Pin
Name
и Pin
Des
– сбросить, после чего щелкнуть LB на кнопке Finish.
4. Удалить атрибут Type, повернуть атрибут RefDes на 90 градусов переместить его в центр символа и погасить (рис. 24).
| 
GND
Рис. 24
|
5. После Symbol
>
Save
As
записать символ в библиотеку Test
этапами:
·в поле «Library» – установить путь к библиотеке Test;
· в поле Symbol
ввести имя GND, в полях Match
и CreateComponent
установить флажки, а в поле Component
ввести имя GND и нажать Ok;
· на вопросы системы ввести «Да» – откроется окно Save
Component
As
;
· в окне Component Type отметить строку Power
и щелкнуть LB на OK;
|
14. Разработка БЭ - разъем ON-K
S
-10
¯
®
Разъем ON
-
KS
-10
(рис.25) содержит 7 символов ON
-
KS
(рис. 26).
Символ
ON
-
KS
создается в редакторе символов Symbol
Editor
в следующем порядке
1. В редакторе Symbol
Editor
открыть файл ShablonSYM
и установить сетку = 1,25 мм.
2. Командой Symbol
>
Save
To
File
As
сохранить символ под именем ON
-
KS
.
3. После Symbol
>
Symbol
Wizard
установить поля: Symbol
Width
= 32; Pin
Spacing
= 5; Number
Pin
Left
=1; Number
Pin
Right
=0; Line
Width
= 0.2; Default
Pin
Name
– не заполнять; Default
Pin
Designator
= Current
Pin
Number
= 1;
User
= 5; флажок Pin Name сбросить, а флажок Pin Des – установить и щелкнуть LB на Finish.
4. Удалить атрибут Type
, атрибут RefDes
переместить в центр символа и погасить.
5. Установить номер вывода, как показано на рис. 26, и провести вертикальную линию.
6. Командой Symbol > Save As
записать созданный символ в библиотеку Test
под именем ON
-
KS
, сбросив флажок Create
Component
.
| 
|
|
| Рис. 25 (Сетка =1,25 мм)
|
Рис. 26 (Сетка =1,25 мм)
|
Посадочное место соединителя ON-KS-10 создается в редакторе Pattern
Editor
1. Подключить к проекту файл FTP (раздел 6, п.2
).
2. После Pattern
>
Pattern
Wizard
установить сетку = 1.25 мм и изменить поля: PadToPadSpacing
=2.5 , Number Of Pads Down=14, Pattern
Width
=0, Pad
1
Position
= 1, Pad
Style
(
Pad
1)
= TM
1
p
4-0
p
8
C
, Pattern
Pad
Style
(
Other
)
= TM
1
p
4-0
p
8
C
3. Построить графику ПМ этапами:
· установить флажок Silk Screen
и ввести: Silk Line Width
= 0.2 (ширина линии), Silk Rectangle Width
= 5, Silk Rectangle Height
= 20 (габариты), Notch Type
= None;
· щелкнув LB на кнопке Finish,
завершить работу «Мастера»;
· переместить атрибут Refdes в центр ИМС и клавишей R развернуть его на 90о
.
4. Удалить парные площадки
с 8 по 14, выбирая их в окне выбора (после щелчка LB на каждой площадке) и нажимая клавишу Delete.
5. Сохранить ПМ в библиотеке Test
под именем ON
-
KS
-10
.
Запись БЭ разъема
ON
-
KS
-10
в библиотеку программой Library
Executive
:
1. После Component
>
New
указать путь к библиотеке Test
и нажать кнопку Открыть
.
2. Подключить ПМ ON
-
KS
-10
– оно будет отображено в верхнем правом поле.
3. Изменить поля: Gate Numbering
= Numeric; Number of Gates
= 7; Refdes Prefix
=X.
4. Подключить символ ON
-
KS
, щелкнув дважды LB в 1-й строке колонки Normal и в открывшемся оглавлении библиотеки Test
– на имени ON
-
KS
(табл. 9).
5. Нажать кнопку PinsView
, ввести упаковку по табл.10 и закрыть окно PinsView
6. Записать созданный элемент ON-KS-10
в библиотеку (п 7¸8 раздел 7
).
Таблица 9 Таблица 10
| Gate#
|
GateEq
|
Normal
|
|
Pad #
|
Pin Des
|
Gate #
|
SymPin#
|
Pin Name
|
GateEq
|
Pin Eq
|
Elec.Typ
|
| 1
|
1
|
ON-KS
|
|
1
|
1
|
1
|
1
|
1
|
1
|
|
Unknown
|
| 2
|
1
|
ON-KS
|
|
2
|
2
|
2
|
1
|
1
|
1
|
|
Unknown
|
| 3
|
1
|
ON-KS
|
|
3
|
3
|
3
|
1
|
1
|
1
|
|
Unknown
|
| 4
|
1
|
ON-KS
|
|
4
|
4
|
4
|
1
|
1
|
1
|
|
Unknown
|
| 5
|
1
|
ON-KS
|
|
5
|
5
|
5
|
1
|
1
|
1
|
|
Unknown
|
| 6
|
1
|
ON-KS
|
|
6
|
6
|
6
|
1
|
1
|
1
|
|
Unknown
|
| 7
|
1
|
ON-KS
|
|
7
|
7
|
7
|
1
|
1
|
1
|
|
Unknown
|
15. Разработка БЭ - РЕЗИСТОР
C
2-33
¯
®
Один символ R (рис.27) размещается в корпусе C2-33 (рис.28) размером 6 x 2,2 мм.
Символ
R
создается мастером в редакторе символов Symbol
Editor
этапами:
|
R (10 ´ 4 мм) Ref Point (10/10) мм
|
С2-33 (6
´
2,2 мм)
Primary
|

С2-33
Secondary
|
| Рис. 27 (Сетка = 1,25 мм)
|
Рис. 28 (Сетка = 1 мм)
|
1. В редакторе Symbol
Editor
открыть файл ShablonSYM
и установить сетку = 1,25 мм.
2. Командой Symbol
>
Save
To
File
As
сохранить символ под именем R
.
3. После Symbol>Symbol Wizard
ввести: Symbol Width
=10; PinSpacing
=2; NumberPin Left
=1; NumberPinRight
=1; Line Width
=0.2; Default PinName
–не заполнять; Default Pin Designator
= Current Pin Number
= 1; User
= 5; флажки Pin Name
и Pin Des
– сбросить.
4. Установить далее поле Current Pin Number
= 2 и изменить поле Default Pin Designator
=2; User
= 5; флажок PinDes
– сбросить и щелкнуть LB на кнопке Finish
.
5. Записать символ в библ. Test
как R, сбросив флажок Create
Component
.
ПМ резистора С2-33
создадим в Pattern
Editor
в двух вариантах установки на ПП.
1. Подключить к проекту файл FTP (раздел 6, п.2
).
2. Ввести имя 2-го варианта ПМ резистора (рис.28 справа), для чего после Pattern
>
Add
Pattern
Graphic
установить поле Name
=
Secondary
и нажать ADD
и Close
.
3. После Pattern>Pattern Wizard
установить: Pattern Type
= DIP, Number Of Pads Down
= 2, Pad To Pad Spacing
= 2,5, Pattern Width
= 10 Pad 1 Position
= 1, Pad Style (Pad 1)
= TM1p4-0p8C
, Pattern Pad Style (Other)
= TM1p4-0p8C
; Silk Line Width
= 0.2, Silk Rectangle Width
= 6, Silk Rectangle Height
= 2.2, Notch Type
= None и щелкнуть LB на Finish.
4. Переместить атрибут Refdes в центр ПМ (атрибут Type погасить).
5. Щелкнуть LB на кнопке Next
Pattern
Graphic
панели Command
Tools
Bar
редактора и на новом листе повторить пункт 3, изменив поле: Pattern
Width
= 2,5.
6. Удалить прямоугольник на чертеже и погасить атрибут Type.
7. Сохранить ПМ в библ. Test
под именем С2-33, сбросив флажок Creat Component
.
Запись БЭ резистора С2-33
в библиотеку Test
в программе Library Executive
.
1. После Component
>
New
указать путь к библиотеке Test
и нажать кнопку Открыть
.
2. Подключить к проекту ПМ резистора, для чего щелкнуть LB на кнопке Select
Pattern
и в окне Library
Browse
дважды щелкнуть LB на имени С2-33.
3. Установить: GateNumbering
=Numeric; NumberOfGates
=1; RefdesPrefix
=R и подключить символ R, щелкнув 2 раза LB в 1-й строке колонки Normal и на имени R (табл. 11).
4. Нажать кнопку PinsView
, ввести упаковку по табл.12, и закрыть окно PinsView
.
5. Записать созданный элемент С2-33
в библиотеку, (п 7¸8 раздел 7
).
Таблица 11 Таблица 12
| Gate#
|
GateEq
|
Normal
|
|
Pad #
|
Pin Des
|
Gate #
|
SymPin#
|
Pin Name
|
GateEq
|
Pin Eq
|
Elec.Typ
|
| 1
|
1
|
R
|
|
1
|
1
|
1
|
1
|
1
|
1
|
|
Unknown
|
| |
|
|
|
2
|
2
|
1
|
2
|
2
|
1
|
|
Unknown
|
16. Разработка БЭ – КАТУШКА
D1-1,2-1
¯
®
Символ L (рис.29) содержится в корпусе катушки D1-1,2-1 (рис.30) размером 14 ´ 4 мм.
Символ
L
создается в редакторе символов Symbol
Editor
в следующем порядке
1. В редакторе Symbol
Editor
открыть файл ShablonSYM
и установить сетку = 1,25 мм.
| 
L (Радиус витка =1 мм) Ref Point (7,5/15) мм
|
D1-1.2-1 (14
´
4 мм)
|
Pattern Type
= DIP
Pattern Width
= 17,5
NumberOf Pads Down
= 2
Pad To Pad Spacing
= 2,5
Pad 1 Position
= 1
Pad Style (Pad 1)
= TM1p4-0p8C
Pattern Pad Style (Other)
= TM1p4-0p8C
Silk Line Width
= 0.2
, Silk Rectangle Width
= 14
,
Silk Rectangle Height
= 4
, Notch Type
= None
|
| Рис. 29 (Сетка = 1,25 )
|
Рис. 30 (Сетка = 1,25 мм)
|
2. Командой Symbol
>
Save
To
File
As
сохранить символ под именем L
.
3. После Symbol > Symbol Wizard
ввести: Symbol Width
= 8; Pin Spacing
= 2; Number Pin Left
=Number Pin Right
=1; Line Width
= 0.2; Default Pin Name
– не заполнять; Default Pin Designator
= Current Pin Number
= 1; User
= 3.5; флажки Pin Name
и Pin Des
– сбросить.
4. Установить далее поле Current Pin Number
= 2 и ввести: Default Pin Designator
=2; сбросить флажок PinDes
и щелкнуть LB на кнопке Finish
.
5. Удалить все линии корпуса и, установив сетку = 1 мм, нарисовать 4 витка катушки командой Place>Arc
.
6. Записать символ в библиотеку Test
как L, сбросив флажок Create
Component
.
Посадочное место катушки индуктивности
D
1-1,2-1
создается в редакторе Pattern
Editor
.
1. Подключить к проекту файл FTP (раздел 6, п.2
).
2. После Pattern
>
Pattern
Wizard
, ввести поля согласно рис. 30 и щелкнуть LB на Finish
3. Переместить атрибут Refdes в центр ПМ (атрибут Type погасить);
4. Сохранить ПМ в библиотеке Test
как D
1-1,2-1
, без флажка Creat Component
.
Запись БЭ катушки
D
1-1,2-1
в библиотеку в программе Library
Executive
.
1. После Component
>
New
указать путь к библиотеке Test
и нажать кнопку Открыть
.
2. Подключить к проекту ПМ катушки, для чего щелкнуть LB на кнопке Select
Pattern
и в окне Library
Browse
дважды щелкнуть LB на имени ПМ катушки D
1-1,2-1
.
3. Изменить поля: Gate Numbering
= Numeric; Number of Gates = 1; Refdes Prefix=L
.
4. Подключить к проекту символ L (табл.13).
5. Нажать кнопку PinsView, ввести упаковку по табл.14 и закрыть окно PinsView
6. Записать элемент D
1-1,2-1
в библиотеку (п 7¸8 раздела 7
).
Таблица 13 Таблица 14
| Gate#
|
GateEq
|
Normal
|
|
Pad #
|
Pin Des
|
Gate #
|
SymPin#
|
Pin Name
|
GateEq
|
Pin Eq
|
Elec.Typ
|
| 1
|
1
|
L
|
|
1
|
1
|
1
|
1
|
1
|
1
|
|
Unknown
|
| |
|
|
|
2
|
2
|
1
|
2
|
2
|
1
|
|
Unknown
|
17. Конденсаторы
K
10-43
A
и
K
73-15
¯
®
Символ C (рис.31) содержится в корпусе K
10-43
A
размером 11 ´ 5 мм (рис.32).
Символ
C
создается мастером в редакторе Symbol
Editor
в следующем порядке
1. Открыть шаблон: Symbol
>
Open
>
ShablonSym
и установить сетку чертежа 1,25 мм.
2. После Symbol
>
Save
>
To
File
As
сохранить символ в папке проекта под именем R.
3. После Symbol
>
Symbol
Wizard
установить поля согласно рисунку 31;
4. Ввести Default
Pin
Designator
=1
и нажать клавишу Enter; установить далее поле Current
Pin
Number
= 2
, ввести Default
Pin
Designator
=2
, нажать клавишу Enter, флажок PinDes – сбросить и щелкнуть LB на кнопке Finish.
5. Удалить верхнюю и нижнюю линии на полученном рисунке, щелкнув LB на каждой из них (при нажатой клавише Ctrl) и нажав клавишу Delete.
6. Записать символ в библиотеку Test
под именем С, без флажка Create
Component
.
| 
|
Symbol Width
= 1.25; Pin Spacing
= 4
NumberPin Left
=1; Number Pin Right
=1
Line Width
= 0.8; User
= 5,75
Default Pin Name
– не заполнять
Pin Name и Pin Des – сбросить
|
|
Pattern Type
= DIP Pattern Width
= 7,5
NumberOf Pads Down
= 2 Pad To Pad Spacing
= 2,5
Pad 1 Position
= 1 Pad Style (Pad 1)
= TM1p4-0p8C
Pattern Pad Style (Other)
= TM1p4-0p8C
Silk Line Width
= 0.2, Silk Rectangle Width
= 10,
Silk Rectangle Height
= 5, Notch Type
= None
|
| Рис. 31 (Сетка = 1,25 мм)
|
Рис. 32 (Сетка = 1,25 мм)
|
ПМ конденсатора
K
10-43
A
создается мастером в редакторе Pattern
Editor
.
1. После Pattern
>
Pattern
Wizard
, установить поля по рис. 32 и щелкнуть LB на Finish
2. Переместить атрибут Refdes в центр ПМ (атрибут Type погасить);
3. Сохранить ПМ в библиотеке Test
как K
10-43
A
, без флажка Creat
Component
.
Запись БЭ
K
10-43
A
в библиотеку выполним в программе Library
Executive
.
1. После Component
>
New
указать путь к библиотеке Test
и нажать кнопку Открыть
.
2. Подключить ПМ, щелкнув LB на кнопке Select Pattern
и на имени ПМ K
10-43
A
.
3. Изменить поля: Gate Numbering
= Numeric; Number of Gates
= 1; Refdes Prefix
=С
;
4. Подключить к проекту символ С (табл. 15);
Таблица 15 Таблица 16
| Gate#
|
GateEq
|
Normal
|
|
Pad #
|
Pin Des
|
Gate #
|
SymPin#
|
Pin Name
|
GateEq
|
Pin Eq
|
Elec.Typ
|
| 1
|
1
|
С
|
|
1
|
1
|
1
|
1
|
1
|
1
|
|
Unknown
|
| |
|
|
|
2
|
2
|
1
|
2
|
2
|
1
|
|
Unknown
|
5. Нажать кнопку PinView
ввести упаковку по табл.16 и закрыть окно PinView
.
6. Записать созданный элемент K
10-43
A
в библиотеку (п 7¸8 раздела 7
).
Символ CE (рис.33) содержится в корпусе K
73-15
(рис.34) размером 16,5 ´ 6 мм и создается на основе символа C (знак «+» можно ввести командой Place
>
Text
).
| 
|
|
Pattern Type
= DIP Pattern Width
= 22,5
NumberOf Pads Down
= 2 Pad To Pad Spacing
= 3
Pad 1 Position
= 1 Pad Style (Pad 1)
= TM1p4-0p8C
Pattern Pad Style (Other)
= TM1p4-0p8C
Silk Line Width
= 0.2 Silk Rectangle Width
= 16,5,
Silk Rectangle Height
= 6 Notch Type
= None
|
| Рис. 33
|
Рис. 34 (Сетка = 1,25 мм)
|
ПМ конденсатора
K
73-15
создается мастером в редакторе Pattern
Editor
.
1. Подключить к проекту файл FTP (раздел 6, п.2
)
2. После Pattern
>
PatternWizard
, установить поля по рис.34 и щелкнуть LB на Finish
3. Переместить атрибут Refdes в центр ПМ (атрибут Type погасить);
4. Сохранить ПМ в библиотеке Test
под именем K
73-15
, без флажка Creat
Component
.
Запись БЭ
K
73-15
в библиотеку аналогична записи БЭ K
10-43
A
, но вместо K
10-43
A
подключается ПМ K
73-15
, а вместо символа C подключается символ CE и в качестве имени при записи элемента в библиотеку используется имя K
73-15
.
18. Разработка форматки для Э3
¯
®
Шаг 1.
Формирование линий границ чертежа и штампа
.
1. В редакторе Schematic
после Options
>
Configure
>
mm
установить размер листа 440 ´ 320.
2. После Place > Line
создать рамку листа, введя с клавиатуры: j10 Tab 10 Enter j430 Tab 10 Enter j430 Tab 307 Enter j10 Tab 307 Enter j10 Tab 10 Enter Esc.
3. После Place
>
Line
создать рамку чертежа, введя с клавиатуры: j30 Tab 15 Enter j425 Tab 15 Enter j425 Tab 302 Enter j30 Tab 302 Enter j30 Tab 15 Enter Esc;
4. Расставить 12 опорных точек: по команде Place
>
RefPoint
щелкнуть LB в точке 240/15
– установлена точка № 12 (рис. 35).
| 
|
| Рис.35
|
5. После Edit
>
Select
щелкнуть LB и RB в точке 240/15
и в окне Edit
Copy
Matrix
установить поля: Number
of
Columns
= 1 (Число колонок), Columns
Spacing
= 0 (Зазор между колонками), Number
of
Rows
= 12 (Число рядов), Row
Spacing
= 5 (Зазор между рядами) и щелкнуть Ok (короче - установить: 1/0/12/5
) – точки №№1¸12;
6. Аналогично в точке №1 установить: 2/7/1/0
(получена точка №13). В точке № 13 – 2/10/1/0
(№14). В точке № 14 – 2/23/1/0
(№15). В точке №15– 2/15/1/0
(№16). В точке №16 – 2/10/1/0
(№17). В точке №12 – 2/135/2/40
(№№18¸19); в точке №12: 2/185/2/55
(№№20¸21); в точке №18 установить: 2/15/2/-25
(№№22¸24); наконец, в точке №22 установить: 2/17/2/-
20
(№№25¸26).
7. Командой Place > Line
создать линии штампа, и удалить опорные точки этапами:
8. Командой Options>BlockSelection>ClearAll >Ref Point >Ok
сделать «видимыми» для команды Select только точки RefPoin,
9. После Edit > Select
щелкнуть LB в точке 230/80 , затем – в точке 430/10 и нажать клавишу Delete – все опорные точки будут удалены;
10. После Options>BlockSelection>SelectAll>Ok
восстановить начальное состояние окна.
11. После File >DXFOut >
S
heet1>Dfaft>mm
, щелкнуть LB на кнопке DXF Filename
и задав имя: A3
, сохранить форматку на диске в формате DXF командой Сохранить > OK
Шаг 2.
Формирование шрифтов
(п.6 раздел 1
).
Шаг 3.
Нанесение надписей в поле штампа
(рис.35) выполнить шрифтом 2.5
Шаг 3.
Оформление реквизитов проекта
.
Примером реквизита может служить заштрихованное поле (рис.34) справа от слова Проверил
. Если присвоить этому полю имя ФИО проверил
и записать сюда ФИО (Иванов П.И.), то «ФИО проверил» будет представлять имя реквизита
, а Иванов П.И
– сам реквизит. Собственно реквизиты, отличающиеся от проекта к проекту, вводятся при ведении проекта. При создании же форматки в штамп вводятся только имена и форматы реквизитов в следующем порядке:
1. После File > Design Inf
выбрать закладку Fields
и щелкнуть LB на ADD
.
2. В поле Name ввести имя реквизита – ФИО проверил, щелкнуть LB на Ok
– имя реквизита будет добавлено в список, после чего – щелкнуть LB на кнопке Close
.
3. Ввести параметры переменной части реквизита (пустышки)этапами:
· по команде Option > Grid
выбрать шаг сетки 1.0 мм
· по команде Place > Field
дважды щелкнуть LB на имени ФИО проверил;
· щелкнуть LB в точке 259/37 – появится имя реквизита в виде {ФИО проверил};
· по команде Edit > Select
щелкнуть LB и затем RB в центре надписи {ФИО проверил} и в щелкнуть LB на строке Properties
– откроется окно Field Properties
;
· в поле Text Style
установить значение 3.5, в поле Justification
щелкнуть LB на левом среднем флажке и на кнопке Ok.
· аналогично ввести имя {Разработал} в точку 259/42, {Наименование} в точку 318/46, имя {Т. контроль} в точку 259/32, имя {Н. контроль} в точку 259/22, имя имя {ФИО утвердил} в точку 258/17, имя {Обозначение} в точку 318/62.
4. Записать форматку на диск в папку C
:\
Programm
Files
\
PCAD
2002 \
Titles
командой File
>
Save
As
под именем A
3–
R
и переименовать файл A
3–
R
в файл A
3–
R
.
TTL
19. Разработка принципиальной электрической схемы
¯
®
Шаг 1. Разработка шаблона ПЭС
:
1. Командой Пуск > Программы >
PCAD
2002 >
Schematic
запустить редактор схемы и после Option
>
Configure
установить поля: Units
= mm; Width= 440, Height
= 320 и флажки в полях Orthogonal
Modes
и Auto
Save
.
2. Принять число архивных копий Number
of
Backup
Files
= 2
и щелкнуть LB на Ok.
3. Установить сетки: 10.0, 0,5 и 1.25 мм и ширину линий = 0,6, 0.4, 0.2 мм.
4. Подключить форматку A
3–
RUS
.
TTL
этапами:
7. после Options
>
Configure
щелкнуть LB на Edit
Title
Sheets
…
и в поле Sheets
окна
Options
Sheets
щелкнуть LB на строке Sheet
1
– активизируется кнопка Custom;
8. подключить форматку к шаблону
: после Custom>Select
в окне Open
Title
Block
установить путь к файлу A3-rus.ttl: c
:\
Programm
Files
\
PCAD
-2002\
Titles
\
A
3-
RUS
.
TTL
и последовательно щелкнуть LB на кнопках Открыть>Modify>Close>Ok
.
5. Записать шаблон на диск: File
>
Save
как ShablonSCH
Шаг 2. Разработка ПЭС
.
1. В редакторе Schematic
открыть файл ShablonSCH
и ввести необходимые реквизиты. Например, для ввода реквизита {Наименование}: после File
>
Design
Info > Fields
щелкнув дважды LB в столбце Name
на слове Наименование
,
перейти в окно Field Properties
, в поле Value
ввести имя схемы (
Test
)
и нажать OK
и Close
.
2. Установить курсор в виде прямого креста
командой Options
>
Display
>
Miscellaneous
>
Small
Cross
или клавишей «X» и шаг сетки
= 5 мм.
3. Подключить библиотеку
Test
: после Library
>
Setup
>
Add
в окне Library
Setup
Listing
указать путь к библиотеке Test
и нажать Открыть
и OK
.
4. Установить ЭРЭ на схему
по табл.17. Например, C1 устанавливается этапами:
· по команде Place
>
Part
дважды щелкнуть LB на строке К10-43А
, нажать LB в точке 230 /155
, щелкнуть клавишей R, отпустить LB и щелкнуть RB, – конденсатор установится на схему вертикально с присвоением ему обозначения С1;
· ввести номинал емкости (в виде 4700p): после Edit
>
Select
щелкнуть LB и, затем, RB в центре C1; щелкнуть LB на строке Properties
и в окне Part
Properties
выбрать закладку Symbol и вместо {Value
} ввести 4700p;
· погасить номер 1-го контакта С1: выбрать закладку Symbol
Pins
, щелкнуть LB на 1-й строке поля Pins
, убрать флажок в поле Display окна Pin
Designator
, щелкнуть LB и Apply
, (аналогично погасить номер для 2-го контакта С1 и нажать OK)
· (для символов разъема вместо поля Pin Designator погасить поле Pin Name)
5. Сохранить файл на диске: после File >Save >Save As
в окне Save As
установить: Тип файла
= Binary Files, Имя файла
= Test, и щелкнуть LB на кнопке Сохранить
.
6. Построить электрическую шину командой Place > Bus
этапами:
· щелкнуть LB в точках: 120/170
, 120/260
, 175/260
, 175/150
, – щелкнуть RB;
· аналогично построить шину, проходящую по точкам: 220 /145
, 220 /260
, 175 /260
Таблица 17
| ЭРЭ
|
RefDes
|
Номинал
|
Координаты базовой точки
|
| Наименование
|
Type
|
на Э3
|
в проекте
|
| Конденсатор
|
К10 – 43А
|
С1
|
4700 пФ
|
4700p
|
R
230 /
155
|
| |
K73 –15
|
С2
|
1,5 мкФ´160В
|
1.5*160
|
140 /
175
|
| Диод
|
KD403A
|
VD1
|
5,5 Ом
|
5,5
|
R
140 /
150
|
| Трапзистор
|
KT3102G
|
VT1
|
5,5 Ом
|
5,5
|
155 /
175
|
| Резистор
|
C2-33
|
R1
|
5,5 Ом
|
5,5
|
R
130 /
155
|
| |
|
R2
|
500 Ом
|
500
|
R
140 /
180
|
| |
|
R3
|
4,7 кОм
|
4,7k
|
135 /
210
|
| Дроссель
|
D1–1p2–1
|
L1
|
1 мкГн
|
1
|
230 /
222,5
|
| Микросхема
|
K511PU2
|
DD1.1
|
(И–НЕ)
|
(NOT–AND)
|
130 /
230
|
| |
|
DD1.2
|
(И–НЕ)
|
(NOT–AND)
|
185 /
145
|
| |
|
DD1.3
|
(2И–НЕ)
|
(2AND–NOT)
|
185 /
215
|
| |
|
DD1.4
|
(2И–НЕ)
|
(2AND–NOT)
|
185 /
185
|
| Микросхема
|
133LA6
|
DD2.1
|
(4И–НЕ)
|
(4AND–NOT)
|
185 /
250
|
| |
|
DD2.2
|
(4И–НЕ)
|
(4AND–NOT)
|
230 /
255
|
| Клемма «Земля»
|
Gnd
|
PWR1
|
|
|
130 /
145
|
| |
|
PWR2
|
|
|
167,5 /
145
|
| |
|
PWR3
|
|
|
230 /
145
|
| Разъем
|
ON-KS-10
|
X1-1
|
|
(+5B)
|
250 /
210
|
| |
ON-KS-10
|
X1-2
|
|
(A5)
|
250 /
205
|
| |
ON-KS-10
|
X1-3
|
|
(OUT)
|
250 /
200
|
| |
ON-KS-10
|
X1-4
|
|
(INP)
|
250 /
195
|
| |
ON-KS-10
|
X1-5
|
|
(STROB)
|
250 /
190
|
| |
ON-KS-10
|
X1-6
|
|
(EXIT)
|
250 /
185
|
| |
ON-KS-10
|
X1-7
|
|
(GND)
|
250 /
180
|
· 
Рис. 36
7. Построить цепи схемы согласно рис. 36. Например, ввод цепи A1 выполняется этапами:
· ввести ширину проводников = 0,1 мм (Option >Current Wire
) и после Place >Wire
щелкнуть LB в точках: 215/155
, 215 /170
, 230 /170
, 230/167,5
– щелкнуть RB;
· остальные участки цепи A1 подключить через шину, щелкнув LB в точке 215 /155
далее – на шине в точке 220/155 – щелкнуть RB (аналогично подключить к шине левые контакты символов L1 и R3);
· установить коннекторы подключения цепи к шине: после Place > Port
, щелкнуть LB в центре экрана, – в окне Place Port
установить: Net Name
= A1, Pin Count
= One Pin, Pin Length
= Short, Pin Orientation
= Vertical, Port Shape
= None, нажать Ok и щелкнуть LB в точках 217 /155
, 222,5 /222,5
, 122,5 /210
.
8. Командой Place > Text
заполнить поля «Цепь» на разъеме согласно рисунку 36.
9. Выполнить проверку схемы на отсутствие ошибок (по команде Utils > ERC
).
10. Сформировать список цепей для конструкторского проектирования ПП командой: Utils >Generate Netlist
в окне Netlist Format
выбрать значение P–CAD ASCII
11. Установить флажок в поле Include Library Information, щелкнуть LB на кнопке Ok – списку цепей будет присвоено имя проекта (Test) и расширение NET
20. Разработка схемы с иерархией
¯
®
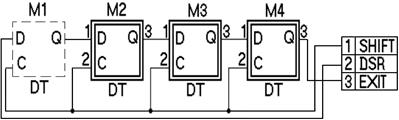
Создадим схему регистра сдвига
(рис.37), содержащую четыре D–триггера (рис. 38).
Шаг 1.
Создание символа
D
-триггера (модуля
DT
)
.
1. В редакторе Schematic
открыть файл ShablonSCH
и подключить библиотеку Test
.
2. Командой Utils
>
Module
Wisard
запустить «Мастер создания модуля».
3. В окне Module
Wisard
щелкнуть LB на строке Create
a
new
module
and
its
link
(создание нового модуля
), кнопке Next
– и в новом окне установить поля: Module
Name
= DT; Number
of
input
pins
= 2 (входные контакты D и C), Number
of
output
pins
= 2 (выходные контакты Q и ~ Q), Symbol
Width
= 12.5mm (ширина символа – здесь и далее размерность вводить обязательно), Pin
Length
= 5mm (длина вывода), Pin
Spacing
= 5mm (расстояние между выводами).
4. Установить флажок Create Corresponding Link
и поле Link Name
= LN
(имя подсхемы)
5. Установить флажок Save in library
и выбрать библиотеку Test
,
6. Ввести имена контактов, для чего: в поле Pin
Designator
ввести 1 нажать клавишу Tab, в поле Pin
Name
ввести D и нажать клавишу Enter
; аналогично ввести имена остальных выводов и нажать кнопку NEXT
– откроется третье окно Module
Wisard
.
7. Щелкнуть LB на строке Sheet
1
и кнопке NEXT
– откроется 4-е окно Module Wisard
;
8. Система предложет имя RefDes = M1
, с которым можно согласиться, щелкнув LB на кнопке OK, – система перейдет в режим Place
>
Part
– шаг 1 завершен
.
Шаг 2.
Создание схемы сдвигового регистра
1. Установить сетку = 5 мм и щелкнуть LB точке 80/100
– модуль появится на схеме.
2. Пользуясь сочетанием клавиш CTRL
+
LB
, привести графику символа M1 к виду на рис.37
| 
|

|
| Рис. 37
|
Рис.38
|
3. После Edit
>
Select
щелкнув LB на модуле M1, нажать CTRL+LB и отпустить LB последовательно в точках 110/100
, 140/100
и 170/100
– модули М1¸М4 установлены.
4. Командой Place
>
Wire
построить цепи согласно рисунку 37.
5. После Place
>
Part
установить контакты разъема ON-KS-10 и подключить их к контактам DSR
, Shift
и EXIT
, после чего присвоить цепям имена – шаг 2 завершен
.
Шаг 3.
Создание подсхемы
1. Для начала создания схемы D-триггера: щелкнуть LB и RB в центре M1, выбрать строку Descend и в окне Hierarchy
Navigator
дважды щелкнуть LB на контакте 1 – откроется новый лист DT (контроль – в строке статуса).
2. Перенести контакты: №1 – в точку 25/100
, №2 – в точку 25/50
, №3 – в точку 160/100
и №4 – в точку 160/50
; например, для переноса контакта 1 в точку 25/100
:
· щелкнуть LB и RB в центре контакта и в меню щелкнуть LB на строке Properties;
· выбрать закладку Symbol, в поле Location установить: X=25, Y=100 и нажать OK.
3. Установить символы на схему и соединить их цепями согласно рис. 38.
4. Перейти назад – в схему сдвигового регистра и сохранить проект этапами:
· щелкнуть LB и RB в центре контакта 1 и в меню щелкнуть LB на строке Ascend – откроется окно Hierarchy
Navigator
с перечнем модулей сдвигового регистра;
· щелчком LB на модуле M1 вернуться в схему сдвигового регистра.
· после File>Save
сохранить проект на диске как Shift-R
.
21. Ввод схемных обозначений по ЕСКД
¯
®
Ввод схемных обозначений по ЕСКД предполагает замену системных обозначений вида DD1:1, DD1:4 и т.д. на DD1.1, DD1.4 и т.д. Выполним эту процедуру этапами:
· в редакторе Schematic
открыть файл Test
.
sch
.
· щелкнуть LB и RB в центре символа DD1:1 и на строках:
Properties
>
Attributes
>
ADD
>
Component
> (
user
-
defined
)
– откроется окно Place
Attribute
;
· установить: Name
=
RD
1,
Value
=
DD
1.1,
Text
Style
=
DefaultTTF
, установить флажок в поле Visible, выбрать центральную точку в поле Justification и нажать OK>OK;
· погасить атрибут Refdes
=
DD
1:1
и переместить на его место новый атрибут DD
1.1
.
· щелкнуть LB и RB в центре символа DD
1:4
и снова открыть окно Place Attribute.
· установить: Name
=
RD
4,
Value
=
DD
1.4,
Text
Style
=
DefaultTTF
, установить флажок в поле Visible, выбрать центральную точку в поле Justification и нажать OK
>
OK
;
· погасить атрибут Refdes
= DD
1:4
и переместить на его место новый атрибут DD
1.4
22. Вывод схемы на принтер
¯
®
1. В редакторе Schematic
загрузить ПЭС Test.sch
(File > Open
)
2. После File
>
Print
Setup
установить формат листа принтера А3 и щелкнуть LB на Ok.
3. После File
>
Print
щелкнуть LB на строке Sheet1
– строка будет выделена.
4. Снять флажок Current Windows
, установить флажок Scale to Fit Page
и щелкнуть LB на кнопке Page Setup
– откроется окно «Sheets
».
5. Щелкнуть LB на строке Sheet1 и установить флажки: Title
, Rotate
и Sheet
Extents
.
6. В окне «Image Scale
» установить User Scale Factor
(Масштаб) = 1.0.
7. После Update Shee
t>
Close
>Generate Printouts
– пойдет печать схемы на принтер.
23. Разработка шаблона печатной платы
¯
®
Шаг 1.
Разработка форматки ПП
.
выполним на основе форматки из раздела18
.
1. В редактрое Schematic
командой File
>
Open
открыть файл A
3-
RUS
.
TTL
2. Записать в папку проекта файл со штампом в формате DXF этапами:
· после File
>
DXF
Out
>
Sheet
1> М
m
в окне «Output
Mode
» установить все флажки;
· щелкнув LB на кнопке DXF Filename, установить путь к папке проекта и указать имя файла (например, A
3-
RUS
) и щелкнуть LB на кнопках Сохранить и OK.
3. Загрузить редактор P
-
CAD
PCB
и открыть файл ShablonPCB
(File
>
Open
).
4. Прочитать файл со штампом в формате DXF, для чего: по команде File
>
Import
>
DXF
открыть файл A
3-
rus
.
DXF
и в окне File
DXF
In
щелкнуть LB на: М
m
>
Auto
Ajust
to
Workspace
>
Sheet
1>
Map
Selected
Layers
>
OK
.
5. После File
>
Save
As
сохранить форматку как A
3-
rus
.
PCB
, ( Тип файла
= Binary
Files
)
Шаг
2
.
Разработка шаблона ПП
1. Очистить рабочее поле командой: Edit
>
Select
All
>
Edit
>
Delete
(настройки сеток, шрифтов и линий будут сохранены).
2. Записать шаблон ПП на диск под именем ShablonPCB
, по команде File
>
Save
.
3. Покинуть редактор РСВ: File > Exit
24. Поиск в библиотеках
¯
®
Элементами
– объектами поиска в библиотеках выступают компоненты
. Поиск осуществляется на основе запросов
, которые оформляются в виде совокупности критериев, формируемых в таблице запросов
(ТЗА) в окне Query, открываемом командой Library
>
Query
. Пример ТЗА приведен в табл.18. Она содержит следующие строки: Component
Name
(Имя компонента), Component
Library
(Имя библиотеки), Component
Type
(Тип компонента), NumberOfPads
(Число КП), NumberOfPins (Число выводов), NumberOfParts
(Число символов в корпусе), RefDesPrefix
(Имя компонента), PatternName
(Имя ПМ), ComponentHeight
(Высота компонента), Component
Name
(Имя компонента).
Порядок строк в ТЗА определяет порядок следования столбцов в таблице отчета о найденных компонентах
(ТОК), формируемой в процессе поиска. В ТОК перечисляются элементы библиотек, удовлетворившие критериям поиска
. Критерии задаются в строках ТЗА и одновременно являются заголовками столбцов ТОК.
В табл. 18 приведена ТЗА с запросом: «в открытых библиотеках найти компоненты, имена ПМ которых начинаются с букв N или K». Запрос сформирован этапами:
· в редакторе Schematic подключить библиотеки: NazaLib
и MountLib
.
· командой Library > Query
запустить мастер поиска.
· проверить установку флажков против имен обеих библиотек в поле Open Libraries
.
· щелкнуть LB на кнопках Clear ALL
и Set ALL
– получена ТЗА вида табл.18.
· щелкнуть LB на имени ComponentLibrary
и далее на появившейся кнопке «¯» и на строке PatternName
– на 2-е место будущей ТОК поставлен столбец PatternName.
· щелкнуть LB на имени ComponentType
, на кнопке «¯» и на строке ComponentLibrary – на третье место будущей ТОК поставлен столбец ComponentLibrary
.
· отключить остальные критерии, дважды щелкнув LB против них в столбце Show ТЗА
· сформировать запрос в виде шаблонов N* и K* (в табл.18) – ТЗА построена.
· реализовать запрос, щелкнув LB на кнопке Query – на экран будет выдана ТОК в виде, приведенном в табл.19.
Таблица 18 Таблица 19
25. Перенос проекта Э3 в проект на ПП
¯
®
1. В редакторе PCB открыть файл ShablonPCB и установить сетку = 10 мм.
2. Командой Library
>
Setup
>
Add
из каталога проекта подключить библиотеку Test
3. Командой Utils > Load Netlist
…
из каталога проекта загрузить список соединений test.net
, установив поле Netlist Format
= P–CAD ASCII – на экране появятся все ЭРЭ
4. Назначить клавиши Ctrl
+
L
(Ctrl
+
H
) для высвечивания (гашения) связей этапами:
· после Macro
>
Record
в окне Macro
Recorder
ввести имя LightNets
и щелкнуть LB на кнопке OK – будет показана панель создания макроса;
· после Edit
>
Select
>
Edit
>
Nets
>
Set
All
>
Show
>
Close
закрыть макрос, щелкнув LB на левой кнопке панели макроса, – панель исчезнет, а макрос будет добавлен в библиотеку макросов (аналогично вести макрос гашения связей HideNets
)
· командой Options
>
Preferences
>
Macros
назначить «горячие клавиши» для сформированных макросов.
5. Командой Select >Edit >Nets >Set All >Show
Only
On
Drag
>Close
установить режим показа связей, появляющихся только при перемещении элемента по плате.
6. Скрыть изображение типов и номиналов ЭРЭ: после Edit>Select заключить в окно все ЭРЭ, щелкнуть RB и, выбрав строку Properties, погасить флажки Type и Value.
7. После File
>
Save
As
сохранить файл как Test
.
PCB
, ( Тип файла
= Binary
Files)
.
26. Ввод базовой конструкции ПП
¯
®
1. В редакторе PCB открыть файл Test, установить сетку = 5 мм и подключить библиотеку Holes
командой Library >Setup
.
2. Ввести размеры базовой ПП = 5 ´ 4 мм этапами:
.
· после Options
>
Layers
дважды щелкнуть LB на слое Board – он станет текущим;
· после Place
>
Line
установить ширину линии 0,2 мм и щелкнуть LB в точках: 110/60, 160/60, 160/100, 110/100, 110/60, – щелкнуть RB, – контур построен.
3. Установить на ПП монтажные отверстия N
6
p
0-2
p
7
C
этапами:
· после Place >Component
в окне Library выбрать библиотеку Holes и дважды щелкнуть LB на имени отверстия N6p0-2p7C
– отверстие будет выбрано из библиотеки;
· щелкнуть LB в точках: 115/65
, 155/65
, щелкнуть RB.
4. Сохранить проект командой File
>
Save
As
как test
–
k
27. Ручное размещение проекта
¯
®
1. Командой Options
>
Grids
установить сетку чертежа = 1.25 мм и выполнить ручную расстановку ЭРЭ на плате. Например, VT1 ставится на ПП этапами:
· по команде Edit
>
Select
щелкнуть LB в центре элемента VT1;
· нажать LB и отпустить LB в точке 130/85
, – щелкнуть клавишей «R»;
· аналогично перенести остальные ЭРЭ в точки, указанные в табл.20;
2. Сохранить файл командой File >Save >Save As
как Test–R
.
Таблица 20
|
ЭРЭ
|
Координаты
|
ЭРЭ
|
Координаты
|
ЭРЭ
|
Координаты
|
| X
|
Y
|
X
|
Y
|
X
|
Y
|
| VD1
|
115
|
76.25
|
C1
|
125
|
63.75
|
R1
|
135
|
85 (RRR)
|
| DD2
|
115
|
90
|
L1
|
155
|
70 {R}
|
C2
|
125
|
70
|
| R2
|
140
|
65
|
DD1
|
140
|
90
|
R3
|
151.25
|
75 {R}
|
| VT1
|
130
|
85(R)
|
X1
|
127,5
|
97,5
|
|
|
|
28. Ручная трассировка проекта
¯
®
1. В редакторе PCB загрузить проект TEST
–
R
.
PCB
.
2. Объединим цепи питания – в класс PWR, для чего: после Option >Net Classes
– установить: Class
Name
= PWR, щелкнуть LB на кнопке ADD и в окне Unassigned Nets
дважды щелкнуть LB на +5B и GND и кнопке Close – класс PWR построен.
3. Аналогично построить класс SIG на базе остальных цепей из окна Unassigned
Nets
.
4. Для класса PWR ввести значения ширины проводников = 0.7 мм, для чего: щелкнуть LB на кнопках: Option>Net Classes>
PWR
>
Edit
>
ADD
> Net >
Width
и, установив поле «Value
» = 0.7, щелкнуть LB на кнопках OK
>
OK
>
Close
– атрибут будет добавлен в таблицу атрибутов цепей.
5. Аналогично ввести ширину проводников сигнальных цепей, равную 0.3 мм.
6. Выполнить подготовительные операции для «ручной» трассировки ПП этапами:
· после Option >Grids
установить шаг сетки трассировки = 1.25 мм;
· после Option>ViaStyle
сформировать стиль переходного отверстия (ПО) V
1
p
4_0
p
8
C
и сделать его текущим (команда аналогична Option>
Pad
Style
– раздел 4);
· включить панель инструментов трассировки командой View
>
Route
Toolbar
.
7. Ввести топологические зазоры, для чего после: Option
>
Design
Rules
>
Design
, щелкая клавишей Delete, очистить окно Place
Attribute
и нажать кнопку OK. Далее ввести первый зазор (LineToLineClearance
– зазор между проводниками) этапами:
· по команде Option
>
Design
Rules
>
Design
>
ADD
в окне «Place Attribute» последовательно щелкнуть LB на строках: Clearance
и LineToLineClearance
;
· в окне «Value
» ввести значение зазора 0.3 и щелкнуть LB на кнопке OK;
· такие же зазоры ввести для категорий: ViaToPadClearance
– между ПО и КП, ViaToLineClearance
– между ПО и проводником, PadToLineClearance
– между КП и проводником, LineToLineClearance – между проводниками, ViaToViaClearance
– между ПО и ПО, PadToPadClearance
– между КП и КП.
8. Разрешить выбор всех направлений ведения ручной трассы: по команде Option > Configure>Router
… установить флажки во всех строках поля Orthogonal Mode
.
9. По команде Option >Online DRC…
установить флажки во всех полях, в результате чего: 1) все ошибки будут вывялятся, и 2) сообщения об ошибках (Report
Options
) будут появляться вплоть до полного их устранения.
10. Установить порядок проверки зазоров этапами:
· после Utils >DRC
… установить все флажки в поле Report Options;
· перевести нарушения зазоров из разряда предупреждений в разряд ошибок, для чего: а) щелкнуть LB на кнопке Severity Levels
; б) в колонке Rule
щелкнуть LB на строке Clearance;
в) в поле Severity Levels
щелкнуть LB на Error и на на кнопке ОК;
· перевести нарушения Unconnected Pins
– не окрашенные контакты из разряда ошибок в разряд предупреждений, для чего: а) щелкнуть LB на кнопке Severity Levels
; б) в колонке Rule щелкнуть LB на строке Unconnected Pins
; в) в поле Severity Levels
щелкнуть LB на слове Warning и на на кнопке ОК;
· в поле «Design Rule Checks
» установить все флажки, кроме первого и последнего, и щелкнуть LB на кнопке ОК (стр 456 - Уваров);
· ограничить область DRC размерами ПП: после Region > Define Region
нажать LB около точки 105/105
и отпустить LB около 170/50
, далее щелкнуть RB и щелкнуть LB на кнопках «Да» и ОК – будет выполнен DRC и сохранены введенные правила;
· включить DRC, щелкнув LB на кнопке DRC панели инструментов Command Toolbar
.
11. Снова сохранить файл в папке проекта под именем TEST–R.
12. Построить трассу А1 между выводом 1 элемента С1 и выводом 6 – DD1 этапами:
· после Select
>
Edit
>
Nets
>
SetAll
>
Hide
>
A
1>
Show
>
Close
- цепь А1 будет выделена на экране синим цветом;
· после Route
>
Manual
клавишей «О» установить режим проведения ортогональных трасс: контроль исполнения – в правом углу строки состояния (Ortho=90);
· щелкнуть LB в точке 132,5/63,75
– цвет цепи А1 станет белым;
· переместить курсор в точку 137,5/63,75 и щелкнуть LB – будет построен отрезок проводника в слое TOP;
· нажать клавишу «L» – слой BOTTOM станет текущим, щелкнуть LB в точке 137,5/77,5
– будет сформировано ПО и построен 2-й проводник (в слое Bottom
)
;
· нажать клавишу «L» – текущим станет слой TOP, щелкнуть LB и RB в точке 140/77,5
– требуемый участок построен.
13. Построить участок трассы А1 от нижнего вывода R3 до 6-го вывода DD1 этапами:
· после Route
>
Manual
щелкнуть LB в точке 140/77,5
– цепь будет выделена;
· щелкнуть LB в точках 140/76,25
и 151,25/76,25
, после чего щелкнуть RB – требуемый участок будет построен, причем заключительный проводник будет доведен
| 
|
автоматически, если в поле Manual Route (Options > Configure > Route) установлен флажок – Right Mouse… .
14. Построить участок трассы А1 от нижнего контакта R3 до контакта DD1 (рис. 39).
15. Остальные цепи построить в режиме (Route >Interactive
), который отличается от режима Route >
Manual
жестким DRC и возможностью автоматического соединения маршрута по заданным (щелчком LB) конечным точкам
|
| Рис. 39
|
29. Введение/удаление вершин изгиба проводников
¯
®
1. В редакторе PCB загрузить проект test
–
t
и включить DRC, для чего после Options
>
Configure
>
Online
DRC
установить флажок в поле Enable
Online
DRC
.
2. Показать неразведенные связи командой Edit>Select>Edit>Nets>SelectALL>Show
.
3. Построить последний не разведенный участок цепи +5B этапами:
· после Route
>
Manual
клавишей L сделать текущим слой Top, щелкнуть LB в точке 147,5/90
– трасса +5B подсветится, курсор примет форму косого креста, а ширина проводника станет равной 0,7 мм;
· щелкнуть LB в точках 147,5/91,25
– 127,5/91,25
– 127,5/90
– трасса будет построена, но система выдаст предупреждение о нарушении правил соблюдения зазоров.
4. Удалить значки, предупреждающие о несоблюдении зазоров (Info
Point
) этапами:
· щелкнуть LB в точке 147,5/91,25
– откроется табличка выбора
· щелкнуть LB на строке InfoPoint и нажать клавишу «Delete» - значок исчезнет;
· аналогично удалить InfoPoint в точке 140/91,25
;
5. Перенести построенный горизонтальный проводник выше на один дискрет этапами:
· щелкнуть LB в точке 135/91,25
– проводник будет выделен;
· нажать LB и, не отпуская LB, перетащить курсор в точку 135/92,5
– отпустить LB, – появится значок InfoPoint
и сообщения о не соблюдении зазора;
· закрыть окно сообщения и удалить InfoPoint
.
6. Устранить конфликтную ситуацию, отмеченную в предыдущем пункте этапами:
· выключить DRC и ввести вершину
в центр горизонтального проводника: после Edit
>
Select
щелкнуть LB и RB в точке 132,5/92,5
и выбрать строку Add
Vertex
– готово;
· аналогично добавить еще две вершины в точки: 132,5/92,5
и 135/92,5
;
· перетащить вершину из точки 132,5/92,5
в точку 131,25/92,5
;
· аналогично перетащить вторую вершину из точки 137,5/92,5
в точку 136,25/92,5
· включив DRC, перетащить 3-ю вершину из точки 135/92,5
в точку 133,75/91,25
30. Режимы
ARC
и
Tangent
ARC
, перенос трасс
¯
®
1. Выполнить пункты 1-2 предыдущего раздела.
2. Построить участок цепи +5B, используя режим ARC этапами:
· после Route
>
Manual
щелкнуть LB в точке 127,5/90
, и, нажав LB в точке 131,25/92,5
, выбрать клавишей «О» режим ARC (контроль в строке статуса);
· отпустить LB, щелкнуть LB в точке 133,75/90
, и затем в точках: 137,5/90
, 137,5/92,5
, 147,5/92,5
, щелкнуть RB (трасса построена).
3. Стереть построенный проводник инструментом Undo ( ).
4. Построить не разведенный участок цепи +5B, используя режим Tangent ARC:
· после Route
>
Manual
щелкнуть LB в точке 127,5/90
, выбрать режим ортогонального проведения трасс и щелкнуть LB в точках: 127,5/92,5
и 131,25/92,5
;
· выбрать режим Tangent
ARC
и щелкнуть LB в точках: 133,75/91,25
, 136,25/92,5
, 147,5/92,5
– щелкнуть RB (трасса построена).
5. Перенести проводник, пересекающий точку 120/92,5
, в слой TOP этапами:
· щелкнуть LB в точке 120/92,5
– проводник будет выделен;
· слой TOP сделать активным, выбрав его в строке статуса;
· выполнить команду Edit
>
Move
To
Layer
– проводник будет перенесен в слой TOP, причем оба контактных перехода будут аннулированы.
6. Аналогично перенести в альтернативные слои проводники, пересекающие точки 122,5/76,25
, 122,5/66,25
, 136,25/63,75
, 152,5/70
, 142,5/70
.
7. Сохранить файл в папке проекта под именем TEST
–
R
–
TangentAfter
.
PCB
.
31. Сглаживание изгибов проводников
¯
®
1. В редакторе PCB открыть проект TEST
–
T
–
TangentAfter
.
PCB
.
2. По команде Options
>
Configure
>
Route
в поле «Miter
Mode
» установить флажок в строке Line, задающий режим сглаживания углов под 45 градусов.
3. После View
>
Extent
установить курсор в точку 130/85
и дважды нажать серый плюс
4. Выполнить сглаживание прямого угла в точке 132,5/85
, для чего: активизировать команду Route
>
Miter
, нажать LB в точке 132,5/85
и отпустить – в точке 131,25/83,75
.
5. Сохранить проект в папке проекта под именем TEST
–
T
-
After
.
PCB
32. Трассировка жгута
¯
®
Подготовка примера для демонстрации
.
1. В редакторе PCB открыть ShablonPCB
, подключить библиотеку Test и сетку = 1,25 мм.
2. Установить элемент 133LA6 в точки 50/40
и 77,5/55
и сделать текущим слой – TOP.
3. Командой Place>Connection
соединить контакты 14, 13, … , 8 DD1 с контактами 14, 1, 2, … , 8 ИМС DD2 соответственно.
4. Включить сетку 0.625 мм и сохранить файл как Shina.PCB – пример подготовлен.
Трассировка жгута
.
1. Включить режим показа всех связей: Edit
>
Select
>
Edit
>
Nets
>
Set
All
>
Show
>
Close
.
2. После Route
>
Fanout
построить отводы от правого ряда контактов DD1 этапами:
· при нажатой клавише CTRL
щелкнуть LB последовательно в каждом правом контакте DD1, после чего щелкнуть RB и выбрать строку Fanout
;
· на сообщение 12120 («Выбранные связи выровнены по обоим концам. Для трассировки жгута щелкните
LB
около одного из концов
») ответить OK, щелкнуть LB в точке 65/40
, привести открывшееся окно к виду (рис.40) и нажать OK – рис.41.
3. После Route
>
Multi Trace
щелкнуть LB в точках 80/37,5
и 60/56,25
– связи выделяться. Нажать RB и в меню щелкнуть LB на строке Complete
– жгут построен.
| 
|

|
| Рис.40
|
Рис.41
|
34. Внесение изменений в проект
¯
®
1. Прямое внесение изменений (из Э3 на ПП)
Изменить имя цепи А2 на A22 и добавить параллельно резистору R2 новый резистор R4 синхронно в проектах Test.sch и Test-R.pcb можно этапами:
· в редакторе Schematic загрузить проект схемы Test.sch
, куда вносятся изменения;
· запустить запись изменений в файл изменений: Utils>Record ECOs>On >OK
· переименовать цепь A2, для чего после Edit
>
Nets
в окне Net Names
щелкнуть LB на имени цепи A2, на кнопке Rename
, ввести имя A22 и щелкнуть LB на кнопках OK и Close;
· командой Place > Part
добавить на схему резистор R4 в точку 130/
180;
· командой Place > Wire
подключить резистор R4 параллельно R2;
· сохранить внесенные изменения в «файле изменений» командой File > Save > Append ECOs To File > File > Save
– будет сформирован файл Test.eco
– текстовый файл, состоящий из 4-х строк: 1)
NetRename "A2" "
A22
"
2)
CompAdd "C2-33" "R4"
3)
NetNodeAdd "STROB" "R4-2"
4)
NetNodeAdd "INP" "R4-1
",
представляющих команды произведенных изменения в проекте;
· запустить редактор PCB (командой Utils > PCAD – P
CB);
· загрузить проект на ПП Test-R.pcb
из папки проекта (командой File > Load
);
· загрузить и просмотреть «файл изменений» из папки проекта: после Utils > Import ECOs…> ECOs File Name…
в окне «Utils Import ECOs» ввести имя «файла изменений» Test.eco
и нажать кнопку Preview ECOs
;
· внести изменения в проект на ПП, для чего закрыть Блокнот и нажать кнопку ОК;
· сохранить изменения в проекте на ПП командой File > Save
.
2. Обратное внесение изменений (из ПП на Э3)
Пусть требуется изменить имя цепи STROB на А2 и удалить из проекта R3в проекте на ПП (Test-R.pcb). Чтобы изменения отразились и в проекте на ПП и в проекте схемы (Test.sch), необходимо все изменения вносить в следующем порядке:
· в редакторе PCB загрузить файл test-
r
.pcb
, куда вносятся изменения;
· запустить запись в файл изменений
: Utils > Record ECOs… > On > OK
;
· выполнить изменение имени цепи: после Edit > Nets
щелкнуть LB на имени цепи STROB, на кнопке Rename
и ввести новое имя A2 и щелкнуть LB на OK и Close;
· щелкнуть LB и RB на ЭРЭ R2 и, щелкнув LB на строке Delete, удалить R2;
· сохранить изменения в файле изменений
командой File > Save > Append ECOs To File > File
> Save
–будет сформирован файл Test-R.eco
, содержащий строки:
NetRename "STROB" "A2"
NetNodeDelete "INP" "R2-1"
NetNodeDelete "A2" "R2-2"
CompDelete "R2"
· в редакторе Schematic
загрузить проект на схеме Test.sch
(командой File > Load
);
· для просмотра файла изменений
: после Utils > Import ECOs…> ECOs File Name…
в окне Utils Import ECOs
ввести имя Test.eco
и нажать кнопку Preview ECOs
;
· внести изменения в проект на схеме, для чего закрыть Блокнот и нажать кнопку ОК;
· сохранить изменения схемы на диске командой File > Save
и покинуть редактор.
3. Прямая модификация вентилей готового проекта.
Пусть произошла модификация библиотеки Test.lib и разработчик схемы (файл Test.sch) принял решение модифицировать вентили микросхемы DD2 в проекте, для которого уже выполнена ручная трассировка (файл Test-H.Pcb). Прямые изменения вносим этапами:
· в редакторе Schematic загрузить проект схемы Test.sch
, куда вносятся изменения;
· запустить запись в файл изменений
: Utils > Record ECOs… > On > OK
;
· удалить вентили DD2:1 и DD2:2 из схемы, для чего после Edit
>
Select
, удерживая клавишу CTRL, щелкнуть LB на указанных вентилях и нажать клавишу Delete;
· установить новые вентили DD2:1 и DD2:2 на прежние места из библиотеки Test;
· сохранить изменения в файле Test.eco
: File>Save>Append ECOs To File>File>Save
;
· в редакторе PCB загрузить проект на Test-TH.pcb
;
· загрузить и просмотреть «файл изменений» из папки проекта: после Utils > Import ECOs > ECOs File Name…
в окне Utils Import ECOs ввести имя «файла изменений» Test.eco и нажать кнопку Preview
ECOs
;
· внести изменения в проект на ПП, для чего закрыть Блокнот и нажать кнопку ОК – «старая» микросхема DD2 будет удалена из проекта вместе с примыкающими к ее контактам «хвостами» проводников;
· установить режим показа связей командой Select > Edit >Nets >Set All >Show> Close
и перенести микросхему DD2 на ее прежнее место в точку 115/90;
· восстановить недостающие «хвосты» в режиме ручной разводки (раздел 25.4);
· сохранить изменения на диске командой File
>
Save
и покинуть редактор PCB.
4. Принудительная замена микросхемы на ПП.
Пусть произошла модификация микросхемы 133LA6 в библиотеке Test.lib в части изменения ПМ. В этом случае модификации схемы не требуется и разработчик, минуя механизм ECO, может просто заменить микросхему DD2 на ПП этапами:
· в редакторе PCB загрузить проект Test-TH.pcb, куда вносятся изменения;
· щелкнуть LB на микросхеме DD2 – произойдет ее «выделение»;
· выполнить команду: Utils
>
Force
Update
– откроется окно «Force Update»;
· щелкнуть LB на строке 133LA6, кнопке Update и, ответив «Да» на сообщение о том, что данную операцию невозможно отменить, – закончить модификацию.
35. Металлизированные отверстия для МПП
¯
®
Площадки, имеющие различную форму и/или правила подключения в разных слоях, создаются в режиме Modify
(
Complex
).
При создании таких КП: на 1-м этапе создается структура слоёв МПП, а на 2-м – собственно площадка.
1. В редакторе РСВ открыть файл Test
-
R
.
PCB
и сохранить его как MPP-R.
2. Создать внутренние слои Int1 Int2 Int3 и Int4 с параметрами установок Signal и Auto (например, слой Int1 создается так: после Options
>
Layers
установить поля Layer
Name
=Int1, Type
=Signal , Routing
Bias
=Auto и щелкнуть LB на кнопке ADD).
3. Создать экранный слой PL, подключив его к цепи +5V.
4. Создать КП для МПП квадратное в слоях Top и Bottom и круглое – в остальных:
· по команде Options
>
Pad
Style
>
Copy
ввести имя площадки MPO, нажать Ok и дважды щелкнуть LB на строке MPO
– отверстие станет текущим;
· по команде Options
>
Pad
Style
>
Modify
(
Complex
)
для слоев Top
и Bottom
, установить поля: Shape
= Rectangle
, Width
=Height
= 1.4, Diameter
= 0.8, установить флажок в окне Plated
и нажать Modify
;
· для слоя Signal
: Shape
= Ellipse
, Wi
dth= Height
= 1.4 и нажать Modify
;
· для слоя Plane
: Shape
= Ellipse
, Inner Dia
=1.4 (равен размеру КП в слое TOP) Out Dia
=2 (равен 1.4+2*0,3=2 мм) и нажать Modify
;
· щелкнуть LB на кнопке OK – произойдет возврат в окно Options
Pad
Style
;
· щелкнув LB на кнопке Modify
Hole
Range
, просмотреть структуру созданной КП;
5. Создать ПО MPO
12
-
0
p
8
C
(между слоями 1 и 2 МПП диаметром 0,8 мм) этапами:
· по команде Options
>
ViaStyle
>
Copy
ввести имя MPO
12
-
0
p
8
C
, нажать OK
и дважды щелкнуть LB на строке MPO
12-0
p
8
C
– отверстие станет текущим;
· после Options
>
Via
Style
>
Modify
(
Simple
)
установить поля: Type=Thru, Shape= Ellipse, Width=Height=1.4, Diameter=0.8, установить флажок Plated и нажать OK;
· щелкнув LB на кнопке Modify
Hole
Range
в открывшемся окне выделить строку MPO
12
-
0
p
8
C
, и в режиме Drug
and
Drop
– строки: Int
1,
Int
2
;
· по команде OK
>
Close
завершить создание ПО.
6. Сохранить проект MPP
-
R
.
PCB
в папке проекта командой File
>
Save
.
36. Создание сплошных областей металлизации
¯
®
Решим далее следующую задачу: зальем в проекте MPP
-
T
.
PCB
все свободные участки МПП медью в слоях Top и Int1 и соединим всю заливку с цепью +5V.
1. Загрузить проект MPP
-
T
.
PCB
из папки проекта командой File
>
Load
.
2. Далее создадим в слое Top область заливки и подключим ее к цепи +5B этапами:
· в слое TOP командой Place
>
CopperPour
задать полигон заливки, щелкая LB в точках: 112
.
5/61.5
, 112
.
5/98.75
, 15
8.75/98.75
, 158.75/61.25
, после чего – щелкнуть RB;
· после Edit
>
Select
выделить область заливки, щелкнув LB и RB в точке 11.25/98.75
;
· выбрать в меню строку Properties – откроется окно Copper Pour Properties
;
· на закладке Style
установить: Back
Off
= Fixed и задать значение зазора между заливкой и проводниками схемы = 0,4 мм, Back
Off
Smoothness
= High (высокая точность исполнения радиусов области заливки); в поле «State
» = Poured (залить);
· на закладке Connectivity
установить: Net
=+5B, оба поля Stroke
Width
= 0.3 мм (ширина термоперемычки) и щелкнуть LB на кнопке Ok – область заливки будет сформирована и подключена к цепи +5B.
3. Удалить островки
площадью менее 200 мм2
, для чего в окне Copper
Pour
Properties
, (п.2) на закладке Island
Removal
установить флажок в поле Minimum
Area
и в соседнем окне ввести значение 200 - щелкнуть LB на Ok – часть островков исчезнет.
4. Соединить островок, накрывающий точку 135/80
, с цепью +5B
через слой Int1:
· после Edit
>
Select
щелкнуть LB в точке 160/60
– снято выделение области заливки;
· после Edit
>
Nets
>
SelectAll
>
Show
просмотреть изолированные
области (1-я область накрывает точку, 115/75
, 2-я область –145/80
и 3-я область – 135/80
; на изоляцию областей от цепи +5B указывает синяя линия – связь не подключенной к этим островкам цепи +5B) и сделать доступным только слой Int1;
· командой Place
>
Copper
Pour
задать полигон заливки, щелкая LB в точках: 11.25/61.25
, 11.25/98.75
, 58.75/98.75
, 58.75/61.25
, после чего – щелкнуть RB;
· после Edit
>
Select
выделить контур заливки, щелкнув LB в точке 11.25/98.75
;
· щелкнуть RB и выбрать строку Properties – откроется окно Copper
Pour
Properties
;
· на закладке Style установить: «Back
Off
» = Fixed и задать значение зазора между заливкой и проводниками схемы = 0,4 мм, «Back
Off
Smoothness
» = High (высокая точность исполнения радиусов области заливки); в поле «State» = Poured (залить);
· на закладке Connectivity установить: Net=+5B, оба поля Stroke
Width
= 0.3 мм и щелкнуть LB на кнопке Ok – область заливки построена и подключена к цепи +5B.
· сделать доступным только слой Top, для чего после Options
>
Layers
дважды щелкнуть LB на строке Top и выполнить команду: Options
>
Layers
>
Diabled
ALL
>
Close
;
· после Options
>
ViaStyle
дважды щелкнуть LB на имени MPO – оно станет текущим;
· установить ПО на МПП в точку точке 131.25/81.25
, для чего активизировать команду: Place
>
Via
и щелкнуть LB в указанной точке;
· подключить ПО к цепи +5B, для чего активизировать команду: Place
>
Connection
нажать LB в точке 125/90
(контакт питания DD2) и, не отпуская LB, перетащить курсор мыши в точку 131.25/81.25
, после чего отпустить LB;
· последовательно выделить и повторно залить металлизированные области в слоях Int1 и Top командой Repour
в окне Copper
Pour
Properties
.
37. Ввод текстового описания схемы
¯
®
Формат описания ПЭС в текстовом виде практически совпадает с форматом обычного ALT–файла системы PCAD-4/5. Выполним подготовку и ввод ALT–файла, для схемы, приведенной на рисунке 36 в разделе 22.
1. Подготовить текст ALT–файла TEST.ALT (рис. 42). Есть три особенности его подготовки: во-первых
, PCAD
-2002
игнорирует оператор board=
plata
.pcb
; (сам файл PLATA
.
PCB
так же может отсутствовать, однако, наличие этого оператора является обязательным); во-вторых,
обязательно наличие ЭРЭ в библиотеке проекта (в библиотеке Test); в-третьих,
в конце ALT-файла отсутствует оператор EndSheets.
2. Выполнить ввод списка цепей для конструкторского проектирования этапами:
· в редакторе PCB
загрузить шаблон ShablonPCB
; и подключить библиотеку TEST
;
· после File
>
Save
As
сохранить проект на диске под именем TestALT
.
pcb
;
· по команде Utils
>
Load
NetList
установить поле: Netlist
Format
=
Master
Designer
ALT
и, щелкнув LB на кнопке Netlist
File
Name
, установить путь к файлу TEST
.
ALT
;
· щелкнуть LB на кнопках Открыть
и OK
- файл списка цепей будет загружен, и на экране появятся все элементы проекта, но без контура ПП.
| BOARD=1.PCB;
PARTS
C2-3=R1,R2,R3;
K73-15= C2;
К10-43А= C1;
KD403A =VD1;
KT3102G =VT1;
D1–1P2–1 = L1;
|
K511PU2 = DD1;
133LA6 = DD2;
ON-KS-10 = X1;
NETS
A1= R3/1 C1/2 L1/1 DD1/6;A2= R2/2 DD1/9 DD1/3;A7 = DD1/1 DD1/2 VT1/2 R3/2;
A5 = DD2/4 DD2/5 DD1/10 X1/2;
NET00005 = DD1/8 X1/3;
|
A4 = DD2/8 DD2/1 DD2/2 DD1/12 DD1/13;
+5B = DD1/14 DD2/14 L1/2 X1/1;
GND = C1/1 DD1/7 DD2/7 R1/1
VD1/1 VT1/3 X1/7;
INP = C2/1 R1/2 R2/1 VD1/2 X1/4;
EXIT = DD1/11 X1/6;
STROB = DD2/6 DD2/9 DD2/10 X1/5;
A3= C2/2 VT1/1 DD1/4 DD1/5 DD2/12 DD2/13;
|
| Рис.42
|
38. Оптимизация цепей (Swap Gate)
¯
®
Данный этап выполняется перед началом трассировки ПП.
1. Вначале в редакторе Schematic
создадим тестовую схему этапами:
· открыть файл ShablonSCH
, ввести сетку = 1,25 и подключить библиотеку TEST.
· после Place
>
Part
установить элемент 133LA6 в точки: 90 /90
, 140 /90
, 170 /90
и 200 /90
щелкнуть RB – рис. 43 (без резисторов)
| 
|

|
| Рис. 43
|
Рис. 44
|
16. установить резисторы C
2-33
согласно рисунку 43;
· после Place
>
Wire
построить проводники (рис.43) и сохранить проект как swap.sch;
· по команде Utils
>
Generate
NetList
>
Ok
создать список цепей примера swap.net.
2. Загрузить проект схемы на ПП этапами:
· в редакторе PCB открыть файл ShablonPCB и установить шаг сетки = 1,25 мм;
· подключить библиотеку TEST к проекту командой Library
>
Setup
;
· по команде Utils
>
Load
NetList
загрузить на ПП список цепей SWAP
.
NET
;
· переместить R1 в точку 50/45
– R2 в точку 30/45
– DD
1
в точку 30/35
– DD
2
в точку 50/35
и установить текущим слой TOP
– рис. 44.
3. Выполнить ручную оптимизацию цепей этапами:
· после Utils
>
Optimize
Nets
в одноименном окне щелкнуть LB по строке Manual
Gate
Swap
и на кнопке OK
– произойдет возврат в поле проекта на ПП;
· щелкнуть LB в точке 30 /35
– 1-й вентиль, подлежащий обмену, будет выделен;
· щелкнуть LB в точке 50 /35
– второй вентиль, подлежащий обмену, будет выделен и на экране появится таблица результатов подсчета СДС в виде:
| Net Name (Имя цепи)
|
Manhattan Len… (длина СДС)
|
Percent Change (Эффект)
|
| A7
|
20.000 mm
|
– 50%
|
| NET00002
|
11.250 mm
|
– 64%
|
| NET00003
|
20.000 mm
|
0
|
| NET00004
|
11.250 mm
|
– 64%
|
Total percent change (TPC): – 49%
· первая строка таблицы показывает, что длина цепи A7 после выполнения команды SWAP уменьшится на 50 процентов и станет равной 20 миллиметрам и так далее;
· текст (TPC) под таблицей, показывает средний процент уменьшения СДС всех цепей;
· конструктор либо выполняет обмен: если TPC<0, то щелкает LB на кнопке SWAP, либо аннулирует попытку обмена: если TPC>0, то щелкает LB на Cancel
.
4. Автоматическая оптимизация цепей произойдет после выполнения команды: Edit
>
Select ALL> Utils
>
Optimize
Nets>Gate Swap>Selected Objects>OK>
Да
39. Копирование элементов библиотек
¯
®
В программе Library
Executive
создадим новую библиотеку Rap и выполним копирование в нее всех символов, посадочных мест и компонентов из библиотеки Test.
1. Создать новую библиотеку Rap, для чего: после Library
>
New
ввести в поле Имя файла
имя Rap
и нажать кнопку Сохранить
.
2. Подключить к проекту библиотеки Test (источник) и Rap (приемник) этапами:
· после Library
>
Copy
>
Source
Library
(библиотека-источник) дважды щелкнуть LB на имени библиотеки Test - путь к библиотеке появится рядом с кнопкой Source
Library
;
· так же подключить библиотеку Rap, воспользовавшись кнопкой Destination
Library
;
3. Выполнить копирование символов этапами:
· в поле Copy
Item
установить флажок Symbol
– список всех символов отобразиться в поле Multiply
Sourse
Name
– нажать, далее, LB на первой строке этого списка и отпустить – на последней: все копируемые символы будут выделены;
· щелкнуть LB на кнопке Copy
– появится сообщение о завершении копирования.
40. Программа
SPECCTRA: начало работы
¯
®
1. Перейти в программу SPECCTRA этапами:
· в редакторе PCB загрузить файл Test-K и после Place
>
Autoplacement
установить значение поля Autoplacer
= SPECCTRA и щелкнуть LB на кнопке Command
Line
.
· снять флажок в поле Quit
when
done
, щелкнуть LB на кнопке Start
и ответить «Да» на предупреждения системы – откроется ГИП программы SPECCTRA;
· в верхнем правом углу щелкнуть LB на обоих кнопках «Развернуть».
Первая строка ГИП представляет заголовок и версию программы, вторая – ее главное меню
, третья - это панель инструментов (ПИ). Пиктограммы и устанавливают соответственно режимы размещения
и трассировки
.
В табл.21 показана панель инструментов размещения. Назначение пиктограмм общего действия
: Repaint
– обновить экран; View All
– полный обзор проекта; View Layers
– обзор слоев; Reports
– отчеты. Пиктограмы режимов
: Select Comp
– выбор ЭРЭ; Measure
–измерение; Fix/Unfix
– фиксация ЭРЭ; Move Comp
– перемещение ЭРЭ; Push Comp
– расталкивание ЭРЭ; Rotate
– поворот ЭРЭ; Change Layer
– смена слоя установки ЭРЭ; Trade Comp
– обмен позициями ЭРЭ; Align Comp
– выравнивание ЭРЭ.
В табл.22 показана ПИ трассировки. Пиктограмы режимов
: Select Net
– выбор цепи; Select Wire
– выбор проводников; Select Guide
– выбор цепей в окне; Edit Route
– ручная трассировка; Move Route
– перемещение трассы; Critic Route
– сглаживание трассы; Cut Segment
– вставка точки излома проводника; Delete
Segment
– удаление проводника.
Таблица 21
| 
|

|

|

|

|
|

|

|

|

|

|
|
|
| Repaint
|
View ALL
|
View Layers
|
Report
|
Select Comp
|
Measure
|
Fix / Unfix
|
Move Comp
|
Push Comp
|
Rotate
|
Change Layers
|
Trade Comp
|
Align Comp
|
Таблица 22
| 
|

|

|

|
|

|

|

|

|
| Select Net
|
Select Wire
|
Select Guide
|
Edit Route
|
Move Route
|
Copy Route
|
Critic Route
|
Cut Segment
|
Delete Segment
|
41. Размещение ЭРЭ с помощью ГИП
¯
®
1. УСТАНОВКА ПРАВИЛ РАЗМЕЩЕНИЯ
· перейти в режим
размещения
: File >Placement Mode
(если команды нет, значит, она уже выполнена) и командой View>ALL
вписать весь проект в экран;
· отключить режим показа связей
: View
>
Unroutes
>
Off
(либо >Guides
);
· установить
метрическую систему измерний кнопкой в правом нижнем углу;
· показать обозначения
элементов: View>Labels>RefDes>OK
.
· задать одностороннее
размещение: Rules>PCB>PermittedSide>Front >Apply>OK
· установить глобальный зазор
0,5 мм между всеми ЭРЭ: после Rules>PCB >Spacing
установить: ALL
= 0.5 и щелкнуть LB на кнопках Apply
и OK
;
· установить индивидуальный зазор
2 мм для Х1: после Rules>Component>Spacing
щелкнуть LB на: кнопке Pick Component
, на имени разъема X1 и кнопке OK и, установив поле ALL
=2, щелкнуть LB на кнопках Apply
и OK
;
· установить сетку размещения
1,25 мм: после Autoplace>Setup
ввести значение 1.25 в поле PCB Placemrnt Grid
и щелкнуть LB на кнопках Apply
и OK
;
· показать сетку размещения
: View >Layers >Place Grid
.
2. РУЧНОЕ РАЗМЕЩЕНИЕ
1. Точное размещение и фиксация разъема
:
· перейти в режим указания координат
ЭРЭ: RB> PlaceComponents>XY Location
(если строк нет – вы в режиме трассировки);
· в поле Component
выбрать элемент Х1 и, установив поля X=127.5 и Y= 95, щелкнуть LB на кнопках Apply
и OK
;
· выполнить откат: Edit>Undo
или CTRL+Z
, вернуться в контекстное меню и выбрать режим Move Comp Mode
(в строке статуса появится фраза Move Comp
);
· установить точку буксировки ЭРЭ в центре элемента: RB> Setup> Center>OK
· щелкнуть LB в центре элемента X1, переместить курсор в точку 135/95 (контроль по координатам в строке статуса) и щелкнуть LB – разъем займет ту же позицию;
· для фиксации разъема на ПП щелкнуть LB на пиктограмме и в любом месте разъема – его контур изменит цвет, что означает фиксацию X1.
2. Ручное размещение элементов
(режим XY Location
):
· привязать точку буксировки ЭРЭ к точке, указанной при его создании, щелкнув RB в центре экрана и щелкнув LB на строках Setup>Origin>OK
;
· щелкнуть LB на Place Components>XY Location
и перейти в окно Place Component
;
· установить все ЭРЭ, используя таблицу 20
.
3. Ручное размещение элементов
(режим Move Comp
):
· после: AutoPlace>Unplace>ALL Components
аннулировать результаты размещения;
· щелкнуть RB в центре экрана и выбрать строку Move Comp Mode
;
· используя таблицу 20
, установить все элементы на ПП (для установки элемента R1: щелкнуть LB и RB в центре R1, выбрать Piviot>90
, круговым движением курсора по часовой стрелке развернуть R1 на 90 градусов, щелкнуть LB, и, перместив курсор в точку 135/85, снова щелкнуть LB)
3. АВТОМАТИЧЕСКОЕ РАЗМЕЩЕНИЕ
· после: AutoPlace>Unplace>ALL Components
аннулировать результаты размещения;
· задать область запрета установки ЭРЭ вокруг монтажных отверстий: после Define>Keepout>ByCoordinates
установить поля: Keepout ID=Keep1, Type=Place, Outline=Rectangle
, XL=111.25
, YL= 61.25,
XH= 118.75
, YH= 68.75
и щелкнуть LB на кнопке Apply (так же задать область Keep2, изменив XL=151.25 и XH= 158.75
)
· разместить большие
ЭРЭ (DD1 и DD2): AutoPlace >InitPlaceLargeComponents>OK
;
· разместить остальные ЭРЭ: AutoPlace > InitPlace Small Components > ALL>OK
.
4. ОПТИМИЗАЦИЯ РАЗМЕЩЕНИЯ
1. Режим расталкивания компонентов
демонстрируем на текущем примере:
· щелкнуть RB в любой точке ПП – и в меню выбрать строку Push Comp Mode
;
· щелкнуть LB в центре L1 и, перемещая L1 вверх, наблюдать за эффектом расталкивания элементов.
2. Взаимная перестановка ЭРЭ.
Полученное в пункте 3 размещение является уже оптимальным ввиду малой размерности проекта. СДС полученного размещения (514 мм) показывается в последней строке отчета (Tatal Length) после: Report
>
PlaceStatus
. Для иллюстрации процедуры взаимной перестановки ЭРЭ поменяем вручную местами элементы R1 и R3 и восстановим исходное размещение автоматически. Ручной обмен выполним этапами:
· щелкнуть RB в любой точке ПП – и в меню выбрать строку Trade Comp Mode
;
· щелкнуть LB в центре элементов R2 и VT1 - элементы поменяются местами и длина связей станет равна 555 мм;
Зафиксируем все ЭРЭ кроме R1 и R3 и выполним оптимизацию размещения этапами:
· после AutoPlace>Interchange Component
установить лишь флажок Small и нажать OK;
· дождаться окончания процедуры перестановки ЭРЭ и после Report
>
PlaceStatus
проверить, что поле Tatal Length показывает прежнее значение CDC (514 мм).
5.
РАЗМЕЩЕНИЕ В «КОМНАТЫ»
Создадим кластер CL1 из элементов C1, C2 и VT1 в и разместим их в комнату Room_1. Остальные элементы объединим в кластер CL2 и разместим их в комнату Room_2. Размещение начнем в редакторе РСВ
загрузкой проекта Test-K
.
1. Перейти в режим размещения Specctra и выполнить подготовительные операции:
· показать обозначения ЭРЭ: View>Labels>RefDes>OK
и вписать всю ПП в экран;
· после Rules>PCB>Spacing
установить поле ALL
= 0.2 и щелкнуть LB на кнопке OK
– установлен глобальный зазор между всеми ЭРЭ на ПП, равный 0,2 мм;
· командой Autoplace >Setup
установить сетку PCB Placement Grid
= 1,25 мм и щелкнуть LB на кнопке OK;
2. Сформировать комнаты на ПП этапами:
· после Define>Room>DrawMode
щелкнуть RB в любой точке ПП и в открывшемся контекстном меню выбрать строку Set Pointer Snap Grid
– откроется меню установки сетки для пера рисования полигона для комнаты, в которой необходимо установить поле Snap Grid =1.25 и щелкнуть LB на кнопке OK;
· щелкнуть LB в точках: 110/60
, 110/100
и 125 /100
- щелкнуть RB и, выбрав строку Define Polygon As Room
, ввести имя комнаты Room_1
, установить флажок в строке Front и щелкнуть LB на кнопке OK – построена 1-я комната в слое TOP;
· при аналогичном формировании комнаты Room_2
указать точки: 125/60
, 125/100
и 160 /100
и слой Back.
3. Сгруппировать элементы C1, C2, VT1 в кластер CL1: после Select> Components> SelCompMode
щелкнуть LB по этим ЭРЭ, выполнить команду Define>Claster> Selected
, и в поле ClasterID
ввести имя 1-го кластера (CL1) и щелкнуть LB на кнопке OK;
4. Аналогично построить кластер CL2, включив в него остальные ЭРЭ (кроме X1).
5. Задать область запрета установки элементов вокруг монтажных отверстий этапами:
· после Define>Keepout>DrawMode
по аналогии с п.2 установить шаг сетки рисования полигона =1,25 мм;
· щелкнуть LB в точках: 110/60
, 110/70
и 120 /70
- щелкнуть RB и, выбрав строку DefinePolygonAsKeepout
, ввести имя зоны запрета Keepout1, установить флажок в поле Place и щелкнуть LB на кнопке OK – зона готова;
· аналогично построить вторую зону запрета вокруг правого монтажного отверстия.
6. Задать вертикальную ориентацию, для R1, R2, R3, VT1 и C2. Например, для задания ориентации для С2 после Rules> Component >Permitted Orientation
– щелкнуть LB на кнопке Pick Component
, имени C2, кнопке OK, установить оба флажка в полях Vertical панелей Front и Back и щелкнуть LB на кнопке Apply .
7. Задать сторону Front (Back) установки ЭРЭ внутри 1-ой (2-ой) комнаты командой:
Rules >Room >ALL Components>PermittedSides >PickRoom >Room_1 >
OK >Front >Apply >OK>PickRoom>Room_2> OK>Back>OK
8. Определить правила размещения ЭРЭ внутри 1-й и 2-й комнаты этапами:
· после Rules>Room>Contens>Pick Room>Room_1>OK
–появится имя 1-й комнаты;
· установить флажок Hard-Bound Incl CompList
, в левом верхнем окне щелкнуть LB на имени CL1 – ЭРЭ кластера CL1 будут жестко связаны с комнатой Room_1;
· снять флажки с остальных полей и щелкнуть LB на кнопке Apply
· после Pick Room> Room_2 > OK
– в верхней строке появится имя 2-й комнаты;
· в левом верхнем окне щелкнуть LB на имени CL2 и на кнопках Apply
и OK
.
9. Разместить ЭРЭ DD1 и DD2: AutoPlace > InitPlace Large Components>OK
;
10. Разместить остальные ЭРЭ: AutoPlace > InitPlace Small Components > ALL>OK
.
42. ГИП - режим трассировки
¯
®
I. РУЧНАЯ ТРАССИРОВКА
Переход в режим ручной трассировки проекта Test-R
в среде ГИП программы SPECCTRA выполняется так же, как он описан в пункте 1 раздела 41
, однако имя проекта Test-K
здесь заменяется на Test-R
, а команда Place > Autoplacement
заменяется командой Route > Autorouters
. Ручная трассировка проекта выполняется этапами:
1. Установить шаг сетки трассировки
= 1.25 мм: по команде AutoRoute>Setup
(в окне Routing Setup
) щелкнуть LB по кнопке Setup Wire Grid
и в окне Wire Grid
установить Grid X
= Grid Y
=1.25 и щелкнуть LB на Apply>OK>OK
.
2. Установить шаг сетки для переходных отверстий
= 1.25 мм этапами:
· после AutoRoute>Setup
щелкнуть LB по кнопке SetupViaGrid
- откроется окно Via Grid
;
· установить поля GridX
=GridY
=1.25 и щелкнуть LB на Apply>OK>Hard>OK
.
3. Показать сетку трассировки: после View>Layers
щелкнуть LB на Wire Grid>Close
.
4. Построить зону трассировки этапами:
· после Define>Fenсe>DrawMode
щелкнуть RB в центре ПП и в окне Draw Fence
щелкнуть LB на строке Set Pointer Snap Grid
– откроется окно «Snap Grid»;
· ввести шаг сетки 1.25 и щелкнуть LB на кнопках Apply>Ok
;
· щелкнуть LB в точках перегиба зоны трассировки: 111,25/68,75
,111,25/98,75
,158,75/98,75
,158,75/68,75
,151,25/68,75
,151,25/61,25
,118,75/61,25
, 118,75/68,
75
и 111,25/68,75
– щелкнуть RB и выбрать строку Define Polygon As Fance
.
5. Выполнить автоматическую трассировку цепей питания этапами:
· после Select>Nets>By Class>PWR>Apply>OK
– цепи питания будут выделены;
· после Autoroute> Route> OK
– цепи питания будут разведены;
· после Select > Nets > Unselect ALL
– будет снято выделение с цепей питания.
6. Удалить проводники, заключив их в прямоугольник командой Delete Segment
, – кнопка . (или щелкая LB в режиме Delete Segment
на удаляемых проводниках)
7. Выполнить начальные операции для разводки цепи A4 в интерактивном режиме:
· после Select>Nets>ByList>A4>FitSelection
– цепь A4 подсветиться и все ее контакты впишутся в экран (снять выделение можно по Select > UnSelect All Routing Objects
)
· щелкнуть LB на кнопке Edit Route
– в строке статуса появятся слова Edit Route
;
· щелкнуть RB в центре экрана и выбрать строку Setup – откроется окно Interactive Routing Setup;
· на вкладке PointerStyle
установить: PointerStyle=90O
– разрешить показ ортогональных направляющих
линий при разводке; SnapAngle=90O
– разрешить проведение только ортогональных трасс; снять флажок в поле Meter и щелкнуть LB на OK;
8. Показать названия элементов и контактов командой: View > Labels>ViewLabels> Ref Des and Pin Ids>Apply>OK
.
9. Развести участок цепи A4 от контакта DD2/1 до DD2/8 в интерактивном режиме:
· щелкнуть LB на кнопке – в строке статуса появится сообщение Edit Route
;
· перевести курсор на контакт DD2/1 – он примет форму карандаша;
· щелкнуть LB – появятся направляющие линии, а слой TOP станет активным;
· щелкнуть LB в точке 120/90, и нажать F5 – будет построен горизонтальный проводник, на ПП установлено ПО и текущим станет слой Bottom;
· щелкнуть LB в точке 120/82,5, и нажать клавишу F6 (или дважды щелкнуть LB) – построен вертикальный проводник и установлено второе переходное отверстие на ПП, а текущим станет слой Top;
· щелкнуть LB на контакте DD2/8 – требуемый участок цепи A4 построен.
10. Построить остальные проводники цепи A4 в интерактивном режиме этапами:
· щелкнуть LB на контакте DD2/8 и далее в точках: 138,75/82,5, 138,75/83,75, 147,5/81,25 и 147,5/85 – построена цепь между контактами DD2/8 и DD1/12;
· нажать на клавишу F5 – текущим станет слой Bottom;
· щелкнуть LB на контактах DD1/12 и DD1/13 – цепь A4 построена.
11. Переместить проводники цепи А4, подсоединенные к контакту DD2/8, вниз:
· щелкнуть LB на кнопке
– в строке статуса появится сообщение Move
.
· щелкнуть LB в точке: 130/82,5 , перемещать курсор вниз до препятствия, – щелкнуть LB, – проводник перенесен с сохранением контакта;
· щелкнуть LB в точке: 122,5/82,5 , перемещать курсор вниз до препятствия, – щелкнуть LB, – проводник перенесен с сохранением контакта.
12. Восстановить топологию трассы A4 методом спрямления трасс:
· щелкнуть LB на кнопке
– в строке статуса появится сообщение Critic Route
;
· щелкнуть LB в центре каждого нижнего проводника – топология восстановлена.
13. Построить остальные трассы проекта. Например, цепь A1 трассируется этапами:
· после Select>Nets>By List>A1>Fit Selection
–и все контакты A1 впишутся в экран;
· снять выделение командой Select > UnSelect All Routing Objects
;
· дальнейшие действия выполнять, придерживаясь методики пункта 7.
14. Изменить ширину проводника
, подключенного к контакту DD2/1
c 0.25 мм на 0.7 мм и обратно этапами:
· щелкнуть RB в центре экрана и выбрать строку Change Wire Mode
, далее установить Wire Width
= 0.7 мм и нажать Apply
(окно Change Wire Setup
останется на экране);
· щелкнуть LB на заданном проводнике – ширина станет равной 0,7 мм;
· для восстановления исходной ширины установить Wire Width
= 0.25 мм, нажать кнопку Apply
и щелкнуть LB в центре того же проводника;
· для выхода из режима: щелкнуть RB в центре экрана и щелкнуть LB на Cancel
.
15. Вывести отчет о цепях, включенных в классы, командой Report > Classes
II. АВТОМАТИЧЕСКАЯ ТРАССИРОВКА
Переход в режим автоматической трассировки проекта Test-R
из программы PCB в программу SPECCTRA выполняется этапами:
· в редакторе PCB загрузить файл Test-R, после Place>Autorouter
установить значение поля Autorouter
= SPECCTRA и щелкнуть LB на кнопке Command Line
.
· установить флажок в поле Quit when done
, и нажать кнопку OK;
· щелкнуть LB на кнопке Edit As Text
и в открывшемся окне ввести следующие команды Do-файла (без комментариев, указанных курсивом):
circuit class SIG (use_via V1p4_0p8C) для цепей класса SIG использовать ПО V1p4_0p8C
circuit class PWR (use_via V1p4_0p8C) для цепей класса PWR использовать ПО V1p4_0p8C
smart_route (min_via_grid 1.25) установить сетку трассировки с шагом 1,25 мм
smart_route (min_wire_grid 1.25) установить сетку ПО с шагом 1,25 мм
write session $\Test-R.ses записать результат в файл
Test-R.
ses
После щелчка LB на кнопке «Start» будут автоматически выполнены шаги: 1) переход в программу SPECCTRA, 2) автоматическая трассировка проекта; 3) возврат в редактор PCB, причем результирующему проекту будет присвоено имя RTest-R.
43. Ручная корректировка трасс
¯
®
Трасса, реализующая электрическую цепь (NET) на ПП рассматривается программой Specctra как совокупность отдельных объектов – маршрутов или проводников (Wires). Маршрут подсвечивается после щелчка LB в любой его точке, выполняемого в режиме Select Wires
, который устанавливается после: Select >
Wire> Sel Wire Mode
.
Для иллюстрации процедуры ручной корректировки трасс:
1. Удалиь все ранее построенные трассы: Edit >
Delete Wires > ALL Wires >
Yes.
2. Построить в слое TOP участок трассы A4 между контактами DD2/1 и DD2/8. С этой целью после Edit Route
щелкнуть LB на контакте DD2/1, далее в точках: 120/90, 120/82,5 и на контакте DD2/8.
3. Довести трассу A4 до контакта DD2/2, для чего щелкнуть LB на контакте DD2/2, и в точке: 120/88,75 (рис.45)
4. Переместить вертикальный участок трассы нижнего маршрута влево на один дискрет. С этой целью: перейти в режим сдвига трасс (кнопка Move на ПИ) и щелкнуть LB в центре вертикального проводника и в любой точке соседней дискреты. Отметить, что произошел перенос только нижнего участка вертикального проводника, принадлежащего нижнему маршруту (рис. 46).
5. Выполнить «фаску под 45О
» для нижнего маршрута этапами:
· разрешить выполнение фаски под 45О
, для чего: щелкнуть RB в центре экрана и выбрать строку Setup и в окне Interactive Routing Setup; установить SnapAngle
= 45O
и щелкнуть LB на OK;
· щелкнуть LB на кнопке
и в точках 118,75/82,5 и 121,25/85 (рис. 47);
· восстановить прямой угол, щелкнув LB в точках 120/83,75 и 118,75/82,5 (рис. 46).
6. Ввести дополнительную вершину в центр вертикального проводника нижнего маршрута:
· щелкнуть LB на кнопке (режим Cut Segment Mode
)
· щелчком LB в точке 118,75/86,25 установить дополнительную вершину;
· с целью проверки введения дополнительной вершины переместить нижний участок вертикального проводника на три дискрета вправо, щелкнув LB на кнопке Move ПИ и в точках 118,75/85 и 12125/85 (рис. 48).
44
. Выполнение отдельных элементов ПП
¯
®
1. Предтрассировка шин питания в PCB.
1. Выполнить предварительное построение шин в программе PCB этапами:
· в редакторе PCB
загрузить файл Test-R и установить текущим сигнальный набор слоев: Options>Layers>Set >Signal Layers>EnableLayers>Close
;
· сделать текущим слой Bottom и показать связи цепи GND: Edit>Nets>Gnd>Show>Close
· по команде Route>Manual
, последовательно щелкая LB в точках 115/76,25
115/72,5
145/72,5
145/97,5
, построить часть цепи GND – щелкнуть RB;
· удалить отрезок проводника примыкающий к контакту, для чего: после Edit >Select
щелкнуть LB и RB в точке 115/73,75
и нажать клавишу Delete
;
· изменить ширину проведенной трассы до 1.5 мм, щелкнув LB и RB в точке 120/72,5
трассы и, выбрав строку Properties, установить поле Width=1.5 и нажать OK.
· аналогично построить шину цепи +5B, проводя ее в слое TOP по точкам: 125
/
90
; 125//93,75
; 155//93,75
, после чего удалить отрезок, примыкающий к контакту и изменить ширину оставшегося проводника до 1.5 мм;
| 
|

|

|

|
| Рис.45
|
Рис. 46
|
Рис. 47
|
Рис. 48
|
2. Защитить цепи GND от ее перетрассировки в программе Specctra этапами.
· после Edit>Select>Edit>Nets>GND
щелкнуть LB на кнопках Edit
и ADD
;
· в окне Place Attribute
выбрать Router>Ripup
, ввести Value
=No
и нажать OK>OK>Close
(аналогично защитить цепь +5B);
3. После: S
elect>Route>Autorouter>SPECCTRA>DoWizard>AutoCreateDoFile>OK>Start>
Да
– будет выполнена трассировка в SPECCTRA с возвратом в PCB. (protect net gnd)
2. Предтрассировка шин питания в SPECCTRA.
1. В редакторе PCB загрузить проект Test-R и запустить на выполнение программу Specctra, приняв в качестве Do-файла текст из табл.23.
2. Построить шину +5B шириной 2 мм этапами:
· после Select > Nets > By List >+5B >Fit Selection
–контакты цепи +5B впишутся в экран;
· перейти в режим Edit Route
, щелкнуть LB в точках 127,5/97,5
; 127,5/93,75
; 155/93,75
, щелкнуть RB и далее щелкнуть LB на строке Done – часть трассы +5B построена;
· в режиме Delete Segment
удалить вертикальный проводник построенного маршрута;
Таблица 23
| circuit class SIG (use_via V1p4_0p8C)
circuit class PWR (use_via V1p4_0p8C)
grid wire 1.25 (direction y) (offset 0)
grid wire 1.25 (direction x) (offset 0)
grid via 1.25 (direction y) (offset 0)
grid via 1.25 (direction x) (offset 0)
vset system Grid on
|
mode edit fence
area init_pt 111.25 68.75
area add_pt 111.25 68.75
area add_pt 111.25 98.75
area add_pt 158.75 98.75
area add_pt 158.75 68.75
area add_pt 151.25 68.75
|
area add_pt 151.25 61.25
area add_pt 118.75 61.25
area add_pt 118.75 68.75
area add_pt 111.25 68.75
area close_poly
fence digitized
repaint
stop
|
· для изменения ширины шины: щелкнуть RB на ПП, в меню INTERACTIVE ROUTING MENU
выбрать строки Change>ChangeWireWidthMode
, установить Wire Width
= 2 и щелкнуть LB на кнопке Apply
и в любой точке шины – шина построена.
3. Так же построить шину GND в слое Bottom между точками 137,5/65
; 137,5/65
.
4. Защитить шины от перетрассировки в автоматическом режиме этапами:
· после Edit>{Un}Protect>WiresByNet>ByList>Protect
с помощью клавиш CTRL и LB оставить в списке цепей выделенными только цепи +5B и GND;
· щелкнуть LB на кнопке Close – факт защиты будет подтвержден тонкими белыми полосками вдоль шин.
5. Выполнить далее трассировку в автоматическом режиме: Autoroute >Route > OK
.
6. Записать результаты на диск и вернуться в PCB после: File >Quit>Save And Quit
45. Трассировка МПП
¯
®
Выполним трассировку проекта MPP-R
в слоях Top, Bottom, Int2 и Int3 этапами:
1. Вызвать редактор РСВ и открыть проект MPP-R.PCB
2. Запретить для трассировки слои Int1 и Int4 командой:
Options >Layers > Int1 >Disable > Int4 >Disable
.
3. Выполнить трассировку МПП программой SPECCTRA, используя Do-файл:
circuit class SIG (use_via MPO) circuit class PWR (use_via MPO)
smart_route (min_wire_grid 1.250000) smart_route (min_via_grid 1.250000)
write session $\Test-R.ses
4. Сохранить файл под именем MPP-T.PCB.
46. Выбор символа из проекта в библиотеку
¯
®
Рассмотрим выбор в библиотеку New
символа 4
AND-NOT
из проекта Test.SCH
1. В редакторе Schematic
отключить от проекта все библиотеки.
2. Командой Library > New
создать и подключить новую библиотеку NEW.
3. Записать символ 4AND-NOT
схемы Test.SCH
в библиотеку New этапами:
· загрузить файл Test.sch
, щелкнуть LB и RB в центре символа 4AND-NOT
и в меню выбрать строку Explode – символ преобразуется в формат программы Symbol Editor;
· выделить все элементы символа в режиме Edit > Select
и командой Library > Symbol Save As
записать его в библиотеку New
под именем 4AND-NOT
;
47. Программа
Design Manager
¯
®
Окно программы Design Manager (Менеджера проекта)
открывается в редакторе РСВ после View > Design Manager
. Верхняя строка менеджера представляет панель инструментов. Кнопка этой панели переключает работу менеджера в режим анализа цепей проекта (режим цепей). Соседняя кнопка – – предназначена для работы в режиме компонентов. Далее следуют три кнопки, работающие одинаково в обоих режимах работы менеджера – кнопка Zoom
обеспечивает вписывание в экран выбранного объекта, кнопка Filter
позволяет ослабить видимость не выбранных объектов (коэффициент ослабления задается в поле Filter Dim
), наконец, кнопка Quick Select
– выделяет выбранный объект (как по команде Edit>Select
).
1. Режим цепей. В этом режиме открываются три окна, представляющие: а) полный список цепей проекта (среднее окно - Nets
), б) разбиение цепей по классам (верхнее окно – Net Classes
) и в) список контактов выделенной в окне Nets
цепи (Nodes on Net
). Выполним для примера просмотр связей всех цепей проекта Test-R этапами:
· в редакторе РСВ открыть Менеджер проекта
, открыть файл Test-R.PCB
, вписать проект в экран: View>Extent
и показать все связи: Edit>Nets>SelectAll>Show>Close;
· включить фильтр, утопив кнопку , и установить поле Filter Dim
=75;
· в окне Net Classes выбрать строку All Nets и, щелкая LB на строках окна Nets, наблюдать за конфигурацией и манхеттеновой длиной цепей проекта.
2. Режим компонентов. В этом режиме открываются три окна, представляющие полный список компонентов (среднее окно - Components
), их разбиение по комнатам (верхнее окно – Rooms
) и список цепей, подключенных к контактам выделенных в окне Components
компонентов (Component
). Выполним просмотр поочередно всех компонентов проекта Test-R этапами:
· переключиться в режим компонентов;
· щелкая LB на строках окна Components
, наблюдать за положением ЭРЭ на ПП.
48. Выпуск конструкторской документации
¯
®
1. Подготовка «Перечня элементов» выполняется этапами:
· запустить редактор
РСВ и открыть файл
Test-R.PCB
· заменить редактор
Notepad
на Word-97
: после Options >Configure
установить File Viewer=C:\ProgramFiles\Microsoft Office\Office\ Winword.exe
и нажать кнопку OK;
· после File > Reports
в одноименном окне щелкнуть LB на кнопке Filename, в командной строке ввести имя формируемого «Перечня» – TEST и щелкнуть LB на кнопке «Сохранить» – произойдет возврат в окно File Reports
;
· щелкнуть LB на кнопке Clear ALL
и установить флажок в поле «Attributes (atr)»;
· щелкнуть LB на строке «Separated List»; в окошке «List Separator» выбрать символ «точка с запятой» и щелкнуть LB на кнопке Generate
– будет построен перечень ЭРЭ (табл.24) в формате и в редакторе Word-97;
· выделить строки, относящиеся к «Перечню элементов» (таблица 24) и выполнить команду: Таблица
>
Преобразовать в таблицу
– откроется одноименное окно;
| Таблица 24
|
|
Таблица 25
|
| "C1";"K10-43A";"4700p";"ОЖО.60.17 ТУ"
|
|
"C1"
|
"K10-43A"
|
"4700p"
|
"ОЖО.60.17 ТУ"
|
| "C2";"K73-15";"1.5*160";"ОЖО.60.17 ТУ"
|
"C2"
|
"K73-15"
|
"1.5*160"
|
"ОЖО.60.17 ТУ"
|
| "DD1";"K511PU2";"";""
|
"DD1"
|
"K511PU2"
|
""
|
|
| ...
|
...
|
...
|
...
|
...
|
| "X1";"ON-KS-10";"";""
|
"X1"
|
"ON-KS-10"
|
""
|
|
· установить флажок в поле Точка с запятой
и щелкнуть LB на ОК
– таблица 25;
· выделить всю таблицу, выполнить команду Правка
>
Заменить
и в открывшемся окне ввести в поле «Найти» символ " (двойной апостроф), в поле «Заменить на» - ввести символ «пробел» и последовательно щелкнуть LB на кнопках «Замнить все», «Да» и «Нет» – получена требуемая заготовка «Перечень элементов».
2. Подготовка «Таблицы отверстий».
· в редакторе P-CAD PCB
открыть файл TEST-T.PCB
и подготовить информацию для таблицы отверстий: File > Print >Drill Symbol > Automatic Assign >Close >Close
.
· командой View>DocToolToolbar
активизировать панель инструментов Doc Tool Toolbar
и щелкнуть LB на кнопке Place Table
(первая слева) и в любой точке рабочего поля – откроется окно Place Table;
· установить: Table Type = Drill Table, Table Name = Таблица отверстий, Text Style = 2p5, Line Width =0.1
и щелкнуть LB на кнопке OK и в точке рабочего поля PCB расположения таблицы – получена искомая таблица.
3. Подготовка Gerber – файлов выполняется этапами:
1. Открыть окно File Gerber Out
командой File>Export > Gerber File>Print>Drill Symbol
;
2. Перейти в окно Setup Output Files
, щелкнув LB на одноименной кнопке и подготовить выходные файлы с расширениями TOP и BOT – для Gerber-файлов слоев TOP и BOT этапами:
· в поле File Extention
ввести расширение TOP, в столбце Layers нажать на строку TOP и щелкнуть LB на кнопке ADD – в списке Output File
появится имя Test-T.TOP
выходного Gerber-файла для слоя TOP;
· аналогично ввести имя Test-T.BOT выходного Gerber-файла для слоя BOTTOM;
3. Сформировать информацию о топологии в файлах TEST-T.TOP
и TEST-T.BOT
:
· в списке Output File
щелкнуть LB на строке Test-T.TOP
– строка (и слой) выделятся;
· для включения информации о КП установить флажки Pads и Vias и нажать Modify;
· щелкнуть LB на строке Test-T.BOT
и, установив флажки Pads и Vias, нажатьModify;
· сбросить флажок в поле Drill Symbols
, проверить путь к папке проекта в окне Output Path
и щелкнуть LB на Close – произойдет возврат в окно File Gerber Out
.
4. Щелкнув LB на кнопках Apertures>Auto>Close
, сгенерировать апертуры плоттера.
5. Установить формат Gerber-файла, щелкнув LB на кнопках: Gerber Format >Millimeters >4.4 >RS274X >Close
и выполнить генерацию Gerber-файлов, щелкнув LB на кнопках: Set ALL
и Generate Output Files>Close
.
6. Выполнить генерацию Gerber-файлов для сверлильных автоматов этапами:
· после File >Export>N/C Drill>Setup Output Files
перейти в окно Setup Output Files
;
· установить File Extension
= DRM для металлизированных (и File Extension
= DRN для не металлизированных) отверстий, далее щелкнуть LB на кнопках Plated Holes
(Non-plated Holes
), Set ALL
и ADD
– в списке Output File
появится имя 1-го (2-го) Gerber-файла Test-T.DRM
(Test-T
.
DRN
);
· установить путь к папке проекта в окне Output Path
, щелкнуть LB на кнопках Close>Tools>Auto>Close
– будут сгенерированы диаметры отверстий;
· щелкнуть LB на кнопке N/C Drill Format
и строках: Millimeters>ASCII None>Leading>Close
– будет задан стандартный формат файла сверления;
· после: Generate Output Files>Close
– будут сформированы файлы сверления.
4. Проверка Gerber – файла выполняется в программе Camtastic! 2000
этапами:
1. Загрузить Camtastic
!
2000
и после File>Import > Gerber
установить путь к папке с файлом Test-T
.
TOP
и нажать кнопку Открыть
– откроется окно Import Gerber File
.
2. Настроить параметры входного Gerber-файла этапами:
· щелкнуть LB на кнопке Setting
, установить поля: Integer=4, Decimal=2, и последовательно щелкнуть LB на строках: Metric >Absolute >
Leading > OK
;
· щелкать LB на кнопке Gerber
пока на ней не появится надпись Gerber
RS-274-X
;
· проверить наличие строки Auto-Detect Apertures
в поле Apertures Wizzard
и щелкнуть LB на кнопке OK
– будет выполнена загрузка топологии слоя TOP платы.
3. Аналогично загрузить файл Test-T
.
BOT
.
4. Настроить параметры файла Test-T
.
DRM
с графикой металлизированных отверстий:
· после File>Import > Drill
установить путь к папке с файлом Test-T
.
DRM
и щелкнуть LB на кнопке «Открыть» – откроется окно Import Drill Data.
· щелкнуть LB на кнопке Units
, присвоить: Integer=4, Decimal=2 и щелкнуть LB на строках: Metric >Absolute >
Leading > OK
– произойдет загрузка металлизированных отверстий печатной платы, наложенных на совмещенную топологию ПП;
5. Аналогично загрузить файл Test-T
.
DRN
.
49. Дополнительные сервисные функции
®
1. Настройка путей к папкам пользователя
Настройка пути по умолчанию к папке C:\DP
, устанавливаемому при вызове программы Schematic
из папки C:\Program Files\Pcad 2002
выполняется этапами:
· в программе Library Executive
выполнить команду Utils>Customize
;
· щелкнуть LB на кнопке ADD
и, используя клавиши Browse (просмотр), установить поля: Menu Text
= Sch; Initial Directory
= C:\DP; Command
= C:\Program Files\Pcad 2002;
· щелкнуть LB на кнопке OK
– появится дополнительная панель инструментов с кнопкой вызова программы Schematic;
· проверить установку пути, щелкнув LB на кнопке Sch новой панели инструментов, – путь C:\DP
появится в строке приглашения при выполнении команды File>Open
.
ОГЛАВЛЕНИЕ
ДОПОЛНИТЕЛЬНЫЙ МАТЕРИАЛ
1.
Как трассировать все цепи кроме цепей питания:
· в программе Specctra выбрать Select>Nets>Select All
· далее выбрать Select>Nets>By List
;
· при нажатом Ctrl щелкнуть LB на строчках +5V, GND;
· щелкнуть LB на кнопке Close;
· после Autoroute>Route>Ok
будут разведены только сигнальные цепи;
2.
Что такое кластер
?
Кластер
– это совокупность элементов проекта заданного пользователем типа. В качестве критерия могут выступать следующие типы элементов:
· floor plan
(все элементы этого типа могут назначаться для размещения либо внутри, либо снаружи комнаты),
· Super
(все элементы кластера этого типа имеют фиксированное взаимное расположение и фиксированную ориентацию внутри Super-кластера, образуя суперкомпонент
),
· Piggyback
(элементам этого типа разрешено перекрывать друг друга в процессе размещения),
· Super
(все элементы кластера этого типа имеют фиксированное взаимное расположение и фиксированную ориентацию внутри Super-кластера, образуя суперкомпонент
),
· Super Piggyback
(суперкомпонентам
, составляющим этот тип, разрешено перекрывать друг друга в процессе размещения),
3.
Как избежать смещения элемента при его открытии из библиотеки
?
:
· в редакторе Symbol Editor после Symbol>Open
указать путь к требуемой библиотеке – откроется ее оглавление:
· выбрать строку с требуемым компонентом и нажать Ok
– элемент появится на поле чертежа, причем его точка привязки окажется в сетке с шагом 2,54 мм;
· после Edit>Select All
щелкнуть правой клавишей в центре рабочего поля и выбрав в открывшемся контекстном меню строку Selection Point
, щелкнуть LB в точке привязки элемента;
· после Edit>Cut
вырезать элемент в карман;
· установить шаг сетки = 1.25 мм и после установить элемент в новую рабочую сетку.
4.
Как ввести в дополнении к атрибуту «
100 пФ» дополнительный атрибут вида:
К10-17в-42-100 пФ
?
:
- дополнительный атрибут вводится аналогично атрибуту Value, однако вместо component>Value, указывается component>user-defined
, причем в поле Name указывается, например, имя ValueTZ, а в поле Value вводится дополнительный атрибут К10-17в-42-100 пФ
:
5.
Можно ли изменять стили текста для атрибутов у групп компонентов
?
:
- можно только в редакторе PCB - для этого достаточно:
· в редакторе PCB выделить требуемую группу компонентов, щелкнув на каждом из них левой клавишей мыши при нажатом CTRL,
· правой клавишей мыши открыть контекстное меню и выбрать строку Properties,
· в колонке Text Style строки RefDes указать новый стиль - готово
6.
Можно ли создавать и импортировать базы стилей текста
?
:
- можно передавать стили текста из одного проекта в другой через шаблон или штамп.
7.
Как заставлять функцию «
Force Update
» не изменять атрибуты проекта
?
:
Для этого достаточно после выделения требуемого элемента схемы, активизации команды Utils>Force Update
и указания элемента для замены установить флажок Ignore Attribute From Library
в правом нижнем списке опций окна Force Update
8.
Как создавать сложные КП с отверстиями не в центре
?
:
Площадка Vos вида: (сетка = 0,25 мм) с внешним диаметром, равным Æ = 1.5 мм и диаметром внутреннего отверстия, равным Æ = 0.3 мм, смещенным относительно центра КП по оси Х на 0,5 мм и по оси Y на 0,2 мм , создается этапами:
· после Options
>
Pad
Style
>
Copy
ввести имя Vos
, и нажав OK>Vos>Modify
(
Complex
), перейти в режим редактирования площадки;
· установив поля: Layer
= Top, Hole(Diameter)
=0.3, Shape
=Polygon и флажок в поле Hole
(
Plated
)
(есть металлизация), нажать Modify
;
· в открывшемся окне Polygon Pad Shape
установить: флажок Regular Polygons
, поле Sides=8
и поле Diameter=1.5mm
· нажать кнопки Uodate и ОК
· аналогичные операции выполнить для слоя Bottom – КП готова
Техническое проектирование печатных плат средствами PCAD-2002/ Инструкции
Ó Составил – Назаров Александр Викторович (8–903–511–0789)
Ó Консультация по возникшим проблемам в PCAD-2002 § E-mail: naza@ostrov.net
|