| ФЕДЕРАЛЬНОЕ АГЕНТСТВО ПО ОБРАЗОВАНИЮ
государственное образовательное учреждение высшего профессионального образования
«ТЮМЕНСКИЙ ГОСУДАРСТВЕННЫЙ НЕФТЕГАЗОВЫЙ УНИВЕРСИТЕТ»
МЕТОДИЧЕСКИЕ УКАЗАНИЯ
по дисциплине «Вскрытие и разобщение продуктивных пластов»
для лабораторных работ
специальности 130504.65 - «Бурение нефтяных и газовых скважин»
всех форм обучения
Тюмень 2009
Утверждено редакционно-издательским советом
Тюменского государственного нефтегазового университета
Составители: А.А. Балуев, к.т.н., доцент
А.Ф. Семененко, ассистент
© Тюменский государственный нефтегазовый университет, 2009 Введение
Методические указания предназначены для студентов специальности 130504.65 «Бурение нефтяных и газовых скважин» очной, заочной и заочно-сокращенной форм обучения. Они составляют основу практических знаний курса «Вскрытие и разобщение продуктивных пластов», которую необходимо усвоить в рамках рабочей программы дисциплины и в дальнейшем закрепить и применить при дипломном проектировании.
Под вскрытием понимается комплекс работ по разбуриванию пород и оборудованию скважины в интервале продуктивного пласта. В процессе разбуривания пласта, крепления ствола скважины и вторичного вскрытия должны быть приняты меры по предупреждению, либо снижению его загрязнения как фильтратом бурового раствора, так и его дисперсной фазой, а также фильтратом цементного раствора и перфорационной жидкостью.
Радиус зоны проникновения компонентов бурового и цементного растворов и перфорационной жидкости в пласт в значительной степени зависит от типа вскрываемого коллектора (гранулярный, трещинный, поровый и т.д.), типов применяемых жидкостей.
Для успешного первичного и вторичного вскрытия продуктивного пласта необходимо подбирать буровой раствор и перфорационную жидкость по составу и физико-химическим свойствам, близким к пластовым флюидам.
Лабораторные работы, приводимые в данных МУ, вооружают студентов знаниями по определению физических свойств коллекторов и оценке влияния бурового раствора и технологических жидкостей разобщения и вторичного вскрытия пластов на изменение проницаемости коллектора.
Знания лабораторных работ, изложенных в данных МУ, позволяют студентам сделать выводы о степени влияния технологии вскрытия и разобщения пластов на потенциальные возможности получения притока нефти или газа из пласта. Это, соответственно, обусловливает актуальность совершенствования технологии вскрытия и разобщения продуктивных пластов путем подбора оптимальных типа и состава бурового раствора и технологических жидкостей разобщения и вторичного вскрытия пластов в соответствии с геолого-физическими особенностями строения продуктивного пласта.
Забиваем Сайты В ТОП КУВАЛДОЙ - Уникальные возможности от SeoHammer
Каждая ссылка анализируется по трем пакетам оценки: SEO, Трафик и SMM.
SeoHammer делает продвижение сайта прозрачным и простым занятием.
Ссылки, вечные ссылки, статьи, упоминания, пресс-релизы - используйте по максимуму потенциал SeoHammer для продвижения вашего сайта.
Что умеет делать SeoHammer
— Продвижение в один клик, интеллектуальный подбор запросов, покупка самых лучших ссылок с высокой степенью качества у лучших бирж ссылок.
— Регулярная проверка качества ссылок по более чем 100 показателям и ежедневный пересчет показателей качества проекта.
— Все известные форматы ссылок: арендные ссылки, вечные ссылки, публикации (упоминания, мнения, отзывы, статьи, пресс-релизы).
— SeoHammer покажет, где рост или падение, а также запросы, на которые нужно обратить внимание.
SeoHammer еще предоставляет технологию Буст, она ускоряет продвижение в десятки раз,
а первые результаты появляются уже в течение первых 7 дней.
Зарегистрироваться и Начать продвижение
1 ИЗУЧЕНИЕ ФИЗИЧЕСКИХ СВОЙСТВ КОЛЛЕКТОРОВ
1.1
Общие положения
Все горные породы делятся на три категории: магматические, осадочные и метаморфические. На долю осадочных пород приходится 5 % массы земной коры, но именно к ним приурочены почти все месторождения нефти и газа.
Физико-механические свойства этих пород зависят от строения, минералогического состава, степени их неоднородности.
Горная порода является коллектором, если ее проницаемость обеспечивает возможность извлечения пластовых флюидов и газов при приложении внешних сил. Нижняя граница коэффициента физической проницаемости, определяющая породу как коллектор, составляет 0,01-1 мД.
Основные типы коллекторов по характеру представляемых ими пород делятся на: терригенные, карбонатные, гидрохимические. Встречаются коллектора смешанного типа терригенно-карбонатные, карбонатно-гидрохимические, терригенно-гидрохимические.
Терригенные
коллектора в большей степени представлены песчано-алевритистыми осадочными породами (Западно-Сибирский регион).
Карбонатные
- в основном представлены плотными слабоглинистыми карбонатными породами (Тимано-Печерская провинция).
Гидрохимические
- гипсы, ангидриты, известняки, соли.
По характеру порового пространства коллекторы разделяют на межзерновые (гранулярные), трещинные, кавернозные и смешанные типы. В смешанном типе выделяют трещинно-гранулярные, кавернозно-гранулярно-трещинные, кавернозно-трещинные и т.д.
Если порода-коллектор состоит из зерен разной формы, сцементированных между собой (песчаник) или несцементированных (песок), а жидкость (нефть, вода) или газ заполняют поры такой породы, коллектор называют гранулярным (межзерновым).
Если пластовые флюиды содержатся, в основном, в трещинах породы, коллектор называют трещинным.
Коллекторские свойства пород нефтяного и газового пластов зависят от их химического состава, физического состояния, структурных и текстурных особенностей и характеризуются основными показателями: гранулометрическим составом пород (для гранулярного коллектора), пористостью, проницаемостью, удельной поверхностью, насыщенностью пластовым флюидом и газом.
Сервис онлайн-записи на собственном Telegram-боте
Попробуйте сервис онлайн-записи VisitTime на основе вашего собственного Telegram-бота:
— Разгрузит мастера, специалиста или компанию;
— Позволит гибко управлять расписанием и загрузкой;
— Разошлет оповещения о новых услугах или акциях;
— Позволит принять оплату на карту/кошелек/счет;
— Позволит записываться на групповые и персональные посещения;
— Поможет получить от клиента отзывы о визите к вам;
— Включает в себя сервис чаевых.
Для новых пользователей первый месяц бесплатно.
Зарегистрироваться в сервисе
Гранулометрическим составом породы называют совокупность данных о размере (массе) зерен разных фракций. В состав одной фракции включают все зерна, размер (или масса) которых не выходит за пределы, установленные для данной фракции. От гранулометрического состава пород зависит пористость, проницаемость, удельная поверхность, капиллярные свойства.
Гранулометрический состав определяют ситовым и седиментометрическим анализом.
1.2 Лабораторная работа № 1
Тема:
Определение гранулометрического состава пород продуктивного пласта ситовым методом.
Существует несколько методов для определения гранулометрического состава пород продуктивного пласта:
- определение гранулометрического состава пород продуктивного пласта ситовым методом;
- определение гранулометрического состава пород ситовым методом повышенной точности (с целью повышения точности анализа в глубоких разведочных скважинах для определения подсчетных параметров продуктивного пласта);
- определение гранулометрического состава пород седиментометрическим анализом (суть - взвешивание осадка из сильно разбавленной суспензии частиц породы размером менее 0,05 мм в вязкой жидкости).
В данной лабораторной работе рассмотрен метод определение гранулометрического состава пород продуктивного пласта ситовым методом.
Приборы и оборудования
1 Набор сит (9-11 штук), с различными размерами ячеек сит.
2 Вибростенд.
3 Технические весы.
Порядок выполнения работы
Образец породы, взятый для анализа, предварительно измельчают до получения массы частиц, свободных от агрегатов зерен. Навеска материала для ситового анализа должна быть в воздушно-сухом состоянии, все крупные комки и агрегаты необходимо растереть резиновым пестиком.
1 Взять навеску сыпучего материала, равного 50 г.
2 Подготовить к работе вибрационный стенд.
3 Собирать набор сит так, чтобы в самом низу были сита с наименьшими отверстиями.
4 Произвести рассеивание. Для определения продолжительности рассева необходимо периодически останавливать вибростенд и проводить отсев одним из сит вручную над листом бумаги. Если фракция не отделяет мелких частиц, то рассев окончен.
5 Фракции, накопившиеся между отдельными ситами, взвешивают на технических весах. Точность взвешивания выбирается с учетом погрешностей измерений.
6 Суммируется масса отдельных фракций и сравнивается с исходной величиной навески. Расхождение до 5 % является допустимым. В случае большей ошибки анализ повторяется.
7 Результат ситового анализа выражают в виде массы каждой фракции в процентах по отношению ко всей массе навески, принимаемой за 100 %.
8 Допустимое расхождение в параллельных анализах ± 2 - 3 % абсолютных величин для каждой фракции, если величина фракции менее 10 %, и ±3-7 %, если величина фракции более 10 %.
Фракцию навески, прошедшую через весь набор сит, оставляют для седиментационного анализа.
Регистрация результатов анализа
Результаты взвешивания фракций при ситовом анализе вносятся в таблицу 1. По усредненным данным таблицы 1 строятся интегральные и дифференциальные кривые распределения частиц породы по размерам (рисунок 1).
Таблица 1 - Результаты ситового анализа
| Масса
навески до
рассева, г
|
Распределение фракций в навеске, размер зерен, мм
|
Масса навески
после рассева, г
|
Расхож-дение массы навески до и после рассева, г
|
| >
0,63
|
0,630-0,400
|
0,400-0,315
|
0,315-0,200
|
0,200-0,160
|
0,160-0,100
|
0,100-0,071
|
0,071-0,053
|
<
0,053
|
| г
|
%
|
г
|
%
|
г
|
%
|
г
|
%
|
г
|
%
|
г
|
%
|
г
|
%
|
г
|
%
|
г
|
%
|
| Расхождение в
параллельных опытах
|
| Усредненные
данные
|
| _____________________________________________________________________
Примечание. Размеры фракций при ситовом анализе принимаются в
зависимости от размеров отверстий в используемом наборе сит.
|

Рисунок 1 - График суммарного гранулометрического состава
Выводы
1 Степень неоднородности частиц - отношение размера частиц, при котором сумма масс фракций составляет 60 % общей массы (абц. т. А на рисунке 1), к размеру частиц, при котором сумма масс фракций равна 10 % (абц. т. В на рисунке 1).
2 Базовый размер частиц породы, - размер частиц породы, соответствующий размеру отверстий сита, через которое прошло 50 % от всей массы частиц (абц. т. С на рисунке 1).
Контрольные вопросы к лабораторной работе № 1
1 Какие породы являются коллекторами?
2 Основные типы коллекторов.
3 От чего зависят коллекторские свойства пород?
4 Что такое гранулометрический состав пород?
5 Суть ситового метода анализа для определения гранулометрического состава пород.
6 Что такое степень неоднородности частиц?
7 Что такое базовый размер частиц?
1.3 Лабораторная работа № 2
Тема:
Определение коэффициента открытой пористости.
Пористостью
называют пустоты в горной породе, не заполненные твердым веществом. Ее оценивают коэффициентом пористости равным отношению суммарного объема пустот породы (образца) ко всему объему образца V
(в долях единицы или процентах):
(1)
Различают пористость общую (полную), которая учитывает суммарный объем пор, и пористость эффективную (открытую), которая учитывает только поры, сообщающиеся между собой.
В зависимости от размеров пор различают (по И.М. Губкину) сверхкапиллярные поры (диаметром более 0,5 мм), в которых жидкость может свободно перемещаться, капиллярные поры (0,5 - 0,0002 мм), в которых характер перемещения жидкости и газа зависит от поверхностного взаимодействия стенок пор и жидкости; субкапиллярные поры (диаметром менее 0,0002 мм) -
в которых действие молекулярных сил имеет определяющее значение и жидкость практически не перемещается.
Чем однороднее пласт по составу и по размерам слагающих частиц, тем выше его пористость. Чем крупнее частицы, слагающие пласт, тем больше размеры пор. Пористость продуктивных пластов (терригенных и карбонатных) колеблется от 5 до 40 %.
Сущность метода определения коэффициента открытой пористости путем насыщения образца жидкостью заключается в определении объема пустотного пространства образца (по разности масс сухого и насыщенного жидкостью образца), его внешнего объема (по разности масс насыщенного жидкостью образца в воздухе и в насыщающей его жидкости), и вычислении коэффициента пористости путем деления первого объема на второй.
Оборудование и реактивы
1 Устройство для насыщения образцов (рисунок 2).
2 В качестве жидкости насыщения применяют керосин, дистиллированную воду, модель пластовой воды.
Примечание. Жидкость насыщения не должна вызывать набухание породы, отслаивания частиц, деформации образца, вступать с веществом породы в химическое взаимодействие, быть токсичной.

1 - сосуд для насыщающей жидкости; 2 - запорный кран; 3 - емкость для насыщения образцов; 4 - трехходовой кран; 5 - ловушка для предотвращения попадания жидкости в вакуумный насос; 6 - вакуумметр; 7 - вакуумный насос; 8 - запорный кран вакуум-насоса и заполнения системы атмосферным воздухом.
Рисунок 2 - Принципиальная схема устройства для насыщения образцов
Подготовка к лабораторной работе
1 Образцы правильной формы изготавливают из куска керна, путем его обрезки, обточки и шлифовки (массой от 20 до 800 г).
2 Керосин очищают от смол двух- или трехкратной фильтрацией его через силикагель марки АСК (в адсорбционных колонках) или путем перегонки.
3 Модель пластовой воды готовят путем растворения в дистиллированной воде солей, преобладающих в составе пластовой воды.
Проведение лабораторной работы
Образцы, предварительно высушенные при температуре (105±2 °С) до постоянной массы M
1
,
взвешивают с точностью до 0,001 г для образцов массой менее 20 г, и с точностью до 0,01 г, для образцов массой более 20 г.
Насыщение образцов жидкостью проводят следующим образом:
1 Взвешенные образцы устанавливают в кристаллизатор и помещают в емкость 3 устройства для насыщения (см. рисунок 2).
2 В сосуд 1 заливают жидкость насыщения.
3 Вакуумируют раздельно образцы и рабочую жидкость. Жидкость вакуумируют до прекращения интенсивного выделения пузырьков газа.
4 По истечении времени вакуумирования закрыть кран вакуум-насоса 8 и произвести слив небольшого количества отвакуумированной жидкости через кран 2 таким образом, чтобы слой жидкости покрыл дно в емкости 3 на высоту 1,0 см для создания условий капиллярной пропитки.
5 Поднимать уровень жидкости в емкости 3 по мере повышения уровня капиллярной пропитки.
6 По окончании капиллярной пропитки уровень жидкости должен быть не менее 1,0 см над поверхностью образцов. Жидкость вакуумируют до прекращения интенсивного выделения пузырьков газа.
7 Выключить вакуум-насос, медленно открыть кран 8 и извлечь емкость 3 с образцами.
8 Оставить образцы в жидкости для донасыщения при атмосферном давлении, либо поместить в аппарат высокого давления и донасытить при давлении 5,0-15,0 МПа. После этого контролируют массу насыщенного образца взвешиванием в воздухе до получения постоянного значения (2-3 раза).
9 После окончания процесса насыщения и донасыщения образцы взвешивают гидростатически, определяя массу образца, погруженного в жидкость - М2
. Для этого насыщенные образцы подвешивают на леске и опускают в стакан с отвакуумированной рабочей жидкостью, находящейся на левой чаше весов, так, чтобы образец не касался стенок и дна стакана в момент взвешивания. Уровень жидкости в стакане в момент достижения равновесия должен быть приведен к одной и той же отметке для всех образцов. Определяют массу образца, помещенного в жидкость с подвеской (М2
+а)
. По окончании гидростатического взвешивания определяют гидростатическую массу подвески - а
.
10 После завершения гидростатического взвешивания проводят взвешивание насыщенных образцов в воздухе. Для этого образец вынимают из емкости 3 и удаляют избыток жидкости с его поверхности фильтровальной бумагой, смоченной в этой же жидкости, или обкатыванием образца на стекле до тех пор, пока поверхность образца не потеряет блеск и не станет матовой. Определяют массу насыщенного жидкостью образца в воздухе - М3
.
Обработка результатов
1 Результаты взвешивания, определение плотности жидкости насыщения (с точностью до 0,01 г/см3
) и вычисление открытой пористости заносят в таблицу 2.
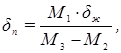
2 Коэффициент открытой пористости , % вычисляется по формуле
(2)
где M
1
- масса сухого образца горной породы, г;
М2
- масса насыщенного жидкостью образца горной породы в насыщающей
жидкости, г;
М3
- масса насыщенного жидкостью образца горной породы в воздухе, г.
Таблица 2 - Форма и пример записи результатов при определении
коэффициента открытой пористости
| Масса сухого образца, М1
, г
|
Гидростатическое взвешивание
|
Масса жидкости в порах образца, (М3
-M1
), г
|
Масса вытесненной жидкости,
(М3
-М2
), г
|
Открытая пористость, Кп
, %
|
Плотность жидкости насыщения, δж
, г/см3
|
Объемная плотность, δп
, г/см3
|
Кажу-
щаяся
минерало-гическая плотность, δк.м.п.
, /см3
|
| масса насыщенного образца в жидкости, М2
, г
|
масса насыщенного жидкостью образца в воздухе, М3
, г
|
| 34,944
|
21,156
|
35,907
|
0,963
|
14,751
|
6,5
|
1,06
|
2,51
|
2,69
|
| 551,53
|
326,37
|
578,92
|
27,39
|
252,55
|
10,8
|
1,08
|
2,35
|
2,63
|
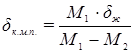
3 По результатам взвешивания образца определяют объемную плотность , г/см3
, по формуле
(3)
где - плотность жидкости насыщения, г/см3
.
4 Кажущаяся минералогическая плотность , г/см3
определяется по формуле
(4)
Контрольные вопросы к лабораторной работе № 2
1 Различие общей и эффективной пористости, единицы измерения пористости?
2 Классификация размеров пор?
3 Суть метода определения коэффициента открытой эффективной пористости путем насыщения образца жидкостью?
4 Что такое гидростатическое взвешивание?
1.4 Лабораторная работа № 3
Тема:
Определение коэффициента абсолютной газопроницаемости при стационарной фильтрации.
Цель работ:
Получение информации о фильтрационных свойствах изучаемых пород.
Проницаемостью
называют способность горной породы пропускать через себя жидкость, газ или их смесь под действием перепада давления.
Выделяют абсолютную, фазовую и относительную проницаемости.
Абсолютная проницаемость
- проницаемость пористого пространства для однофазной среды, которая заполняет это пространство. Абсолютная проницаемость не должна зависеть от свойств фильтруемой среды (жидкости или газа). Для ее оценки обычно используют воздух или газ, чтобы избежать физико-химического взаимодействия с матрицей породы, которое может изменить проницаемость.
Фазовая проницаемость
- проницаемость пород для определенной жидкости или газа при наличии в пористом пространстве многофазовой среды. Фазовая проницаемость зависит от соотношения фаз, насыщающих поровое пространство. Так, при водонасыщенности 80 % фазовая проницаемость для нефти практически равна нулю.
Относительной проницаемостью
пористой среды называется отношение фазовой проницаемости этой среды для данной фазы к абсолютной.
Проницаемость характеризуется коэффициентом , м2
который определяется в соответствии с линейным законом фильтрации Дарси
Кпр = Q·μ·L/DР·F, (5)
где Q - объемный расход газа в единицу времени, м3
/с;
m - динамическая вязкость газа при условиях фильтрации, Па×с;
L - длина пористой среды (образца), м;
DР - перепад давления, Па;
F - площадь фильтрации, м2
.
Размерность коэффициента проницаемости м2
, мкм2
. Проницаемость пород нефтяных и газовых месторождений изменяется от 10-3
до 2-3 мкм2
.
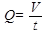
Сущность метода заключается в определении постоянной (стационарной) скорости фильтрации газа через образец горной породы в линейном или радиальном направлении при действии перепада давлений. Скорость фильтрации определяется известным объемом газа, прошедшим через образец за фиксированный отрезок времени (при постоянной разности давлений).
Оборудование и материалы
1 Установка для определения абсолютной газопроницаемости при стационарной фильтрации (рисунок 3).
2 Источник давления - газообразный сжатый азот или воздух.

1 - источник давления; 2 - редуктор высокого давления; 3 - редуктор низкого давления; 4 - осушитель газа; 5 - фильтр; 6 - трехходовой кран; 7 - манометры; 8 - кернодержатель; 9 - расходомер; 10 - пьезометр; 11 - вакуумный насос.
Рисунок 3 - Принципиальная схема установки для определения
газопроницаемости образцов горных пород
Подготовка к работе
1 Образцы высушивают в сушильном шкафу при температуре (105±2)°С.
2 Размеры образцов определяют с точностью до 0,1 мм, измеряя 3-5 раз в каждом направлении. Расхождения между измерениями не должны быть более 0,5 мм.
Проведение работы
Образец цилиндрической или кубической формы помещают в резиновую манжету кернодержателя так, чтобы зазор между боковой поверхностью образца и стенками манжеты был минимальным, допускающим перемещение образца в манжете. Создают давление бокового обжима не выше 2,5 МПа с помощью предусмотренной в аппарате гидро- или пневмосистемы. Давление обжима образцов указывают в таблице результатов. С помощью редуктора устанавливают рабочий перепад давления, контролируя его по дифманометру или с помощью манометров, установленных до и после образца. Выполняют измерения при давлении после образца, равном атмосферному, контролируемому с помощью манометра. Выполняют 3-кратное измерение расхода газа через образец при различных перепадах давления (в пределах 1×10-3
- 3×10-1
MПa).
Обработка результатов
1 При стационарной фильтрации результаты обмера образцов, сведения о перепадах давления, расходе газа, вязкости газа и температуре проведения опыта, барометрическом давлении записывают в таблицу 3.
Таблица 3 - Форма записи результатов при определении коэффи-
циента абсолютной газопроницаемости
| Диаметр керна, диаметр цилиндрического образца, Д, d, см.
|
Высота керна, высота цилиндрического образца, длина ребра кубика, Н, h, L, см
|
Площадь поперечного сечения, F, см2
|
Время прохождения газа через образец, t1
, t2
, t3
,с
|
Объем газа, прошедшего через образец, V, см3
|
Расход газа, Q=V/t, см3
/с
|
Перепад давления, DР, МПа
|
Барометрическое давление, Рб
, МПа
|
Приведенный перепад давления, DР/2+Рб
, МПа
|
Давление обжима Р0
, МПа
|
Температура, Т, °С
|
Вязкость газа, пропускаемого через образец, m, мПа×с
|
Коэффициент абсолютной газопроницаемости, Kг
×10-3
, мкм2
|
| 2,65
|
3,05
|
5,52
|
54,7
54,3
54,5
|
5
|
0,09
|
6×10-3
|
0,098
|
0,10
|
1,2
|
21
|
1,768×10-2
|
14,2
|
2 Коэффициент проницаемости для стационарной фильтрации при линейном потоке газа вычисляют по формуле
(6)
где - коэффициент газопроницаемости, измеренный при заданном
среднем давлении в образце, 10-3
мкм2
(миллидарси);
- расход газа, замеренный на выходе из образца
(при атмосферных условиях), см3
/с;
V - объем газа, прошедший через образец, см3
;
t - время фильтрации, с;
m - вязкость газа при условиях фильтрации ( , t° С) мПа×с;
ΔΡ - перепад давления на образце между входом и выходом, МПа;
- барометрическое давление, МПа;
L - длина образца, см;
F - площадь поперечного сечения образца, см2
.
Соотношения между единицами измерений в системе СИ и используемыми в практике при определении проницаемости приведены в таблице 4.
Таблица 4 – Соотношение единиц измерений
| Измеряемая
величина
|
Обозначение
|
Единицы, применяемые на практике для измерения проницаемости
|
Единицы
системы СИ
|
| Проницаемость
|
Кпр
|
1 дарси (Д)
1миллидарси (мД)
|
0,9869×10-12
м2
» 1 мкм2
10-3
мкм2
|
| Расход
|
Q
|
1 см3
/c
|
10-6
м3
/с
|
| Площадь
|
F
|
1 см2
|
10-4
м2
|
| Длина
|
L
|
см
|
10-2
м
|
| Давление*
|
Р
|
1 атм.физ.
|
1,01325×105
Па » 10-1
мПа
|
| Вязкость
(динамическая)
|
m
|
1 пуаз
1 сантипуаз
|
10-1
Па×с = 1 дПа×с
10-3
Па×с = 1 мПа×с
|
| ________________________________________________________________
Примечание. * На практике давление измеряют с помощью манометров
(пружинных, ртутных, водяных). Для перевода в физические
атмосферы пользуются следующими соотношениями:
1 кгс/см2
= 0,967841 (атм. физ.)
1 мм рт. ст. = 13,1579 ×10-4
(атм. физ.)
1 мм вод. ст. = 0,967841×10-4
(атм. физ.)
|
Контрольные вопросы к лабораторной работе № 3
1 Что такое проницаемость горной породы, единицы измерения?
2 Виды проницаемости?
3 Суть закона фильтрации Дарси?
2 ОЦЕНКА ВЛИЯНИЯ ТЕХНОЛОГИЧЕСКИХ ЖИДКОСТЕЙ
ПРИ ВСКРЫТИИ И РАЗОБЩЕНИИ ПРОДУКТИВНЫХ ПЛАСТОВ
14
14
14
14
14
14
14
14
14
14
14
14
14
14
14
14
14
14
14
14
14
14
14
14
14
14
14
14
14
14
14
14
14
14
14
14
14
14
14
14
14
14
14
14
14
14
14
14
14
14
14
14
14
14
14
14
14
14
14
14
14
14
14
14
14
14
14
14
14
14
14
14
14
14
14
14
14
14
14
14
14
14
14
14
14
14
14
14
14
14
14
14
14
14
14
14
14
14
14
14
14
14
14
14
14
14
14
14
14
14
14
14
14
14
14
14
14
14
14
НА ИЗМЕНЕНИЕ ПРОНИЦАЕМОСТИ КОЛЛЕКТОРА
2.1 Лабораторная работа N 4
Тема:
Определение коэффициента восстановления проницаемости пласта после воздействия фильтрата бурового раствора.
Влияние фильтратов буровых растворов на продуктивные пласты в лабораторных условиях определяется по изменению проницаемости образцов породы после воздействия на них фильтратов испытываемых буровых растворов.
В качестве количественного показателя оценки влияния фильтрата бурового раствора на образец керна используется коэффициент восстановления проницаемости β, который определяется как отношение проницаемости образца после воздействия на него фильтрата бурового раствора k1
к исходной проницаемости образца k0
.
β = k1
/k0
∙100 %
Оборудование и материалы
Исследования проводятся на модифицированной установки УИПК-1М с дополнительной емкостью высокого давления для фильтрата бурового раствора и использованием одного контейнера жидкостного для модели пластового флюида и второго контейнера жидкостного для фильтрата бурового раствора.
Установка для исследования проницаемости кернов (УИПК-1М) выпускалась Московским опытно промышленным заводом "НефтеКИП" в составе комплекса аппаратуры для исследования проницаемости кернов (АКМ - "Коллектор"). Эта установка может быть характерным примером оборудования отечественного производства. Установка позволяет изучать законы фильтрации жидкостей и газов в пористой среде в условиях, приближенных к пластовым: поровое давление от 1 до 300 атм., геостатическое (горное) давление от 1 до 600 атм., температура термостатирования образца, жидкостей и газа (азота) от 20 до 80 о
С.
Размеры исследуемых образцов керна: диаметр 30 мм, высота 50 мм. Диапазон регулировки расхода жидкости через керн от 0,0001 до 1 мл/с (см3
/с). На рисунке 4 приведена гидравлическая схема установки УИПК-1М.

Рисунок 4 – Гидравлическая схема установки УИПК-1М
Приготовление фильтрата бурового раствора осуществляется на специальной установке (рисунок 5), состоящей из корпуса со штуцером для подачи сжатого воздуха и с отверстием для отбора фильтрата. Внизу устанавливается металлический фильтр 4, а сверху фильтровальная бумага 3.
В корпус заливается испытываемый раствор, затем закрепляется крышка и подсоединяется баллон со сжатым воздухом.
После создания давления в корпусе от 0,1 МПа до 0,5 МПа из раствора отделяется фильтрат и собирается в специальную емкость.

1 – корпус, 2 – металлическое кольцо, 3 – бумажный фильтр,
4 – фильтрационная решетка, 5 – крышка
Рисунок 5 – Схема установки для отбора фильтрата бурового
раствора
Принцип действия установки УИПК-1М следующий. Давление создаваемое плунжерным прессом в заполненной маслом гидравлической системе установки, передается через поршневой разделитель исследуемой жидкости, которая поступает в образец, сжатый осевым и боковым давлениями. Второй плунжерный пресс создает противодавление на выходе из образца. Широкий диапазон скоростей движения прессов позволяет моделировать близкие к пластовым режимы движения жидкости через проницаемый образец горной породы.
Основным узлом установки УИПК-1М является зажим керна, который предназначен для крепления исследуемого образца при пропускании через него жидкости или газа и создания на образец всестороннего давления. Устройство кернодержателя представлено на рисунке 6.
Образец, помещенный в цилиндрическую резиновую манжету 19 и зафиксированный перфорированной металлической гильзой 20, устанавливается в стальной цилиндр 18. По торцам цилиндра расположены плунжеры 14 и 22.

Рисунок 6 – Зажим керна установки УИПК-1М
Для обеспечения герметичности между плунжерами и цилиндром вставляются уплотнительные конусы 16 и 21.
Цилиндр крепится в хомуте, верхняя 15 и нижняя 10 крышки которого стягиваются болтами 8 и гайками 9. Под плунжерами имеются диски 17 с отверстиями. Для термостатирования цилиндр 18 закрыт кожухом 6 с термоизоляцией 5. В кожухе имеются два штуцера 24 для присоединения шлангов термостата.
Осевое сжимающее усилие на образец создается за счет давления масла, которое подается через штуцер 12 в пространство, находящееся под плунжером 11. Благодаря этому давлению плунжер 11 приподнимает кернодержатель вдоль двух направляющих стоек 25. Поскольку перемещение вверх ограничено креплением стоек 25, то на образец создается осевое давление.
Боковое сжимающее усилие на образец создается маслом, поступающим через штуцер 7 в зазор между цилиндром 18 и резиновой манжетой 19. Осевое и боковое сжимающие усилия создаются плунжерным прессом, развивающим давление до 30 МПа, которое может быть повышено в системе гидрообжима керна до 60 МПа с помощью ручного пресса.
Подготовка установки и образцов керна
1 Подготовка к работе зажима керна и установка в нем образца.
2 Заполнение гидравлической системы установки УИПК-1М маслом и контейнера жидкостного с поршневым разделителем 10 моделью пластового флюида (рисунок 4).
3 Заполнение емкости высокого давления 16 и контейнера жидкостного с поршневым разделителем 15 фильтратом бурового раствора.
Проведение лабораторной работы
Работа выполняется в три этапа. Последовательность фильтрации жидкостей через керн и направление фильтрации выбираются так, чтобы приблизить воздействие на керн к промысловым условиям. На первом этапе фильтруется модель нефти в направлении, соответствующем направлению движения пластового флюида к забою скважины. Модель пластового флюида поступает в исследуемый образец снизу по горизонтальному каналу в верхней части плунжера 11, который закрывается вентилем В10 (рисунок 6).
Прошедший через образец флюид поступает в центральный канал верхнего плунжера 14, в верхней части которого расположена гильза 4 для термометра. Кольцевое пространство между гильзой и стенками канала сообщается с двумя узкими сквозными каналами 3. Через вентиль 12 и штуцер 2 выходящий флюид направляется на измерительные приборы. На нескольких режимах течения флюида при различных перепадах давления определяется проницаемость образца керна.
Расход жидкости через керн зависит от скорости движения плунжеров прессов, которые соединены таким образом, что при вращении шестерен их плунжеры движутся во взаимно противоположных направлениях. Привод прессов 9,11 (рисунок 4) состоит из электродвигателя, который через червячный редуктор вращает входной вал фрикционно-планетарного редуктора (ФПР), предназначенного для регулирования скорости вращения. При движении плунжера пресса по положению измерительного указателя определяется количество вытесненной жидкости с точностью 1 см3
, что соответствует перемещению плунжера на 1 мм.
На втором этапе после определения исходной проницаемости образца керна через вентиль 11 и штуцер 13 (рисунок 6) осуществляется поступление фильтрата бурового раствора в образец керна в противоположном направлении движению пластового флюида. Через образец керна прокачивается фильтрат бурового раствора в количестве не менее 5 объемов порового пространства керна.
На третьем этапе после воздействия фильтрата бурового раствора на образец керна по горизонтальному каналу в верхней части плунжера 11 (рисунок 6) вновь прокачивается пластовый флюид на нескольких режимах и определяется остаточная проницаемость образца керна.
Обработка результатов работы
Исходные данные и результаты измерений заносятся в таблицы 5-6. По результатам фильтрации флюида через керн при различных перепадах давления (не менее трех режимов) определяются коэффициенты проницаемости образца керна в соответствии с линейным законом фильтрации Дарси (лабораторная работа 3) до и после воздействия фильтрата бурового раствора и вычисляется коэффициент восстановления проницаемости.
Таблица 5 – Характеристика образцов и жидкостей, используемых в работе
| Номер
образца
|
Образец
|
Модель пластового флюида
|
Буровой раствор
|
| состав
|
диаметр, мм
|
длина, L, мм
|
начальная водонасыщенность, %
|
площадь, F, м2
|
состав
|
вязкость, µ, мПа∙с
|
плотность, кг/м3
|
поверхностное натяжение на границе
жидкость-жидкость, Н/м
|
состав
|
вязкость, мПа∙с
|
плотность, кг/м3
|
| 1
|
2
|
3
|
4
|
5
|
6
|
7
|
8
|
9
|
10
|
11
|
12
|
13
|
Таблица 6 – Результаты определения коэффициента восстановления проницаемости керна
| Номер
образца
|
Жидкость, фильтруемая через керн
|
Жидкость, насыщающая керн
|
Давление гидрообжима, МПа
|
Показания
манометра, МПа
|
Перепад давления, ΔΡ, МПа
|
Определения расхода через керн
|
Проницаемость, К=Q·μ·L/F·ΔΡ,
м2
|
Коэффициент восстановления проницаемости, β ,%
|
Относительная погрешность определения, %
|
| до образца
|
после образца
|
время, с
|
объем,
м3
|
Q, м3
/c
|
| 1
|
2
|
3
|
4
|
5
|
6
|
7
|
8
|
9
|
10
|
11
|
12
|
13
|
Контрольные вопросы к лабораторной работе № 4
1 Понятие об коэффициенте восстановления проницаемости?
2 Сущность метода определения проницаемости горных пород в условиях, приближенных к пластовым?
3 Требования к образцам керна и применяемое оборудование для исследований?
4 Способ приготовления фильтрата буровых растворов?
5 Суть основных этапов фильтрации жидкостей через керн?
2.2 Лабораторная работа N 5
Тема:
Определение коэффициента восстановления проницаемости после воздействия бурового раствора на пласт.
Исследования осуществляются на автоматизированных установках типа FDES-650Z, FDTES-100-140 и аналогичных в условиях, приближенных к пластовым.
Испытания проводятся на естественных образцах горной породы правильной цилиндрической формы с выдержанным диаметром при термобарических условиях, моделирующих условия залегания пласта. Исследования осуществляются в условиях статической и динамической фильтрации бурового раствора.
Диапазон изменения коэффициента проницаемости по жидкости от 0,1 до 5000 ∙10-3
мкм2
.
Оборудование установки системы Coretest systems FDES - 650Z
Для проведения лабораторных исследований в условиях статической фильтрации бурового раствора может использоваться оборудование Coretest systems FDES - 650Z, позволяющее моделировать процесс фильтрации бурового раствора через колонку кернов в условиях, приближённых к пластовым (горное давление до 68,9 МПа, поровое до 51,7 МПа, температура до 150 0
С).
В качестве модели призабойной зоны используется колонка естественных кернов диаметром 30 мм с идентичными стратиграфическими и физико-емкостными свойствами. Образцы кернов приготавливаются по стандартной методике в соответствие с требованиями ОСТа 39-181-85. Для определения проницаемости по жидкости используется модель пластового флюида, в качестве которой, в основном, применяется керосин.
На рисунке 7 приведена передняя часть установки FDES-650Z с компонентами оборудования. Кернодержатель типа Хаслера расположен в термостате (с противоположной стороны установки). Выдвижной кронштейн кернодержателя обеспечивает извлечение кернодержателя из термостата для установки образцов керна.
Метод измерения и его сущность
Суть метода заключается в сравнении проницаемостей по жидкости
| Датчики
перепада
давления
|
|
| Датчики верхнего
и нижнего давлений
системы
|
|
|
|
| Ручные
клапаны перепада
давления
|
|
| Ручные
отсекающие
клапаны
|
|
| Емкость для сбора жидкости при перетоке
|
|
| Регуляторы
всестороннего давления
|
|
| Отделение с
электронным
оборудованием
|
|
| Регулятор
обратного
давления
|
|
| Насос для создания всестороннего давления
|
|
| Вход для подачи
давления в систему
|
|
| Панель
подключения
к сети
|
|
|
Рисунок 7 –Передняя часть установки FDES - 650Z
колонки кернов до, и после воздействия бурового раствора. Кольматационная зона после воздействия бурового раствора определяется путём последовательного извлечения кернов из колонки с последующим сравнением проницаемостей. На рисунке 8 приведена гидравлическая схема установки FDES - 650Z.
Подготовка к проведению измерений
Подобрать необходимое количество кернов для проведения эксперимента. Загрузить керн в кернодержатель. Заправить поршневые накопители буровым раствором и моделью пластового флюида. Включить компьютер и запустить программу. После включения программы ввести в экран данные параметров керна и режимы работы системы, обязательные для проведения исследований.
Создать всестороннее и поровое давление. После подготовке системы и проверки на герметичность включить термостат.
При нагреве нужно проверить, чтобы отсекающий клапан для горного давления (MV 20) был открыт, всестороннее давление необходимо постоянно снижать, приоткрывая клапан (MV 21), чтобы предотвратить превышение давления в системе.
Порядок проведения работы
Для определения в дальнейшем зоны кольматации и степени снижения проницаемости по длине колонки кернов замерить проницаемость последовательно одного, двух, трех и остальных кернов, входящих в состав колонки кернов.
При определении проницаемости по модели пластового флюида клапаны гидравлической обвязки переключить на поток в прямом направлении.
Регулятором обратного давления установить требуемую величину противодавления. Работу насосов перевести в режим постоянной скорости. Начальная скорость составляет 0,1- 0,01 см3
/мин, в зависимости от проницаемости кернов. После стабилизации перепада давления на концах колонки кернов регистрируют проницаемость - Кпр. Затем, изменяют расход и также фиксируют Кпр. Расход изменяют не менее трёх раз. Условием стационарной фильтрации является соотношение Кпр = соnst при различных скоростях фильтрации. После воздействия бурового раствора определить остаточную проницаемость образцов керна.
Работу выполнить в следующем порядке:
1 После проведения внешнего осмотра гидравлических систем, блоков, манифольдов и механизмов, металлоконструкций и приборов безопасности установки заправить поршневые накопители: накопитель А - моделью пластового флюида; накопитель B - буровым раствором (рисунок 8).
 
Рисунок 8 – Гидравлическая схема FDES-650Z
2 Установить в кернодержатель один керн и выдержать под давлением для проверки герметичности.
3 Создать поровое и всестороннее давление, провести термостатирование. Прокачать модель пластового флюида из накопителя А в прямом направлении через торец керна с целью донасыщения и установления пластовых условий.
4 Установить стабилизацию давления при различных расходах модели пластового флюида через керн и снять замеры проницаемости.
5 Провести охлаждение и осуществить разборку кернодержателя.
6 Добавить второй керн, собрать кернодержатель и выполнить п.п.3, 4, 5.
7 Добавить третий керн, собрать кернодержатель и выполнить п.п. 3. 4.
8 Для подачи бурового раствора открыть клапаны в поршневом накопителе B. Подать буровой раствор в обратном направлении к торцу керна, создать перепад давления и осуществлять отслеживание процесса взаимодействия раствора с керном, отбор проб фильтрата и динамику фильтрации в течение времени, моделирующего условия взаимодействия бурового раствора с продуктивным пластом в скважине (от 15 до 24 часов).
9 Вытеснить фильтрат бурового раствора из керна путем прокачки модели пластового флюида в прямом направлении через торец керна, установить стабилизацию режимов течения пластового флюида при различных расходах (не менее 3-х режимов), снять замеры проницаемости.
10 Выполнить пункт 5, удалить один керн и визуально определить параметры глинистой корки.
11 Собрать кернодержатель, выполнить п.п. 3, 4, 5.
12 Удалить второй керн, собрать кернодержатель и выполнить п.п. 3, 4, 5.
13 Провести визуальный осмотр керна и сравнительный анализ проб кернового материала до и после взаимодействия с буровым раствором.
Коэффициент восстановления проницаемости вычислить как отношение проницаемостей после и до воздействия бурового раствора. Оценить динамику фильтрации бурового раствора по отбору проб фильтрата в процессе воздействия бурового раствора на образцы керна и кольматационную зону фильтрата по изменению проницаемости в зависимости от длины колонки.
Обработка результатов работы
Исходные данные и результаты измерений заносятся в электронные таблицы. По данным лабораторных исследований определяется коэффициент восстановления проницаемости, что позволяет оценить степень влияния бурового раствора на изменение проницаемости пласта в зависимости от типа, свойств и рецептуры раствора, динамики фильтрации, а также глубины проникновения (для первого, второго, третьего образцов керна).
Контрольные вопросы к лабораторной работе № 5
1 Сущность метода определения коэффициента восстановления проницаемости после воздействия бурового раствора?
2 Условия проведения измерений?
3 Средства измерения, приборы и материалы?
4 Оценка воздействия бурового раствора на проницаемость по длине колонки кернов?
5 Определение динамики фильтрации бурового раствора через керн и кольматационной зоны?
2.3 Лабораторная работа N 6
Тема:
Оценка изменения проницаемости пласта после воздействия фильтрата цементного раствора.
В процессе разобщения продуктивных пластов цементированием заколонного пространства обсадных труб происходит проникновение фильтрата цементного раствора в пласт. Перед цементным раствором прокачивается буферная жидкость с целью размыва глинистой корки для уплотнения контакта цементного раствора со стенкой ствола скважины.
В данной лабораторной работе проводятся исследования изменения проницаемости призабойной зоны пласта в процессе разобщения продуктивных пластов цементированием. Исследования осуществляются на автоматизированных установках типа FDES-650Z, FDTES-100-140 и аналогичных в условиях, приближенных к пластовым.
Испытания проводятся на естественных образцах горной породы правильной цилиндрической формы с выдержанным диаметром при термобарических условиях, моделирующих условия залегания пласта.
Диапазон изменения коэффициента проницаемости по жидкости от 0,1 до 5000 ∙10-3
мкм2
.
Оборудование установки системы Core
lab
FDTES
-100-140
Для проведения лабораторных исследований влияния фильтрата цементного раствора на пласт может использоваться установка FDTES-100-140 системы Corelab, позволяющая моделировать процесс фильтрации бурового раствора, буферной жидкости и фильтрата цементного раствора через колонку кернов в условиях, приближённых к пластовым (горное давление до 69 МПа, поровое до 41 МПа, температура до 150 0
С).
В качестве модели призабойной зоны используется колонка естественных кернов диаметром 30 мм, длиной до 10 см с идентичными стратиграфическими и физико-емкостными свойствами. Образцы кернов приготавливаются по стандартной методике в соответствие с требованиями ОСТа 39-181-85. Для определения проницаемости по жидкости используется модель пластового флюида, в качестве которой, в основном, применяется керосин.
На рисунке 9 приведена гидравлическая схема установки FDTES-100-140.

Рисунок 9 – Гидравлическая схема установки FDTES-100-140
Установка состоит из кернодержателя PPCH-400 (рисунок 10) и системы нагрева с всесторонним давлением, блоками управления давлением в системе, дифференциальным давлением и температурой; системы входящего потока с насосом QUIZIX QL-700 и накопителями жидкостей и системы выходящего потока для поддержания обратного давления и контроля выходящих объемов.

Рисунок 10 - Кернодержатель PPCH-400
Конструкция кернодержателя (рисунок 10) позволяет осуществлять статическую и динамическую фильтрацию технологических жидкостей. Кернодержатель имеет три дополнительных канала для отводов давления вдоль колонки кернов. Отводы различного давления вдоль длины колонки кернов позволяют оценить на данных участках перепад давления, глубину и степень повреждения пласта. Интегрированный пакет программ используется для контроля и регистрации данных, а также для автоматизации и управления испытаниями.
Метод измерения и его сущность
Суть метода заключается в сравнении проницаемостей по жидкости колонки кернов до, и после воздействия фильтрата цементного раствора в условиях, моделирующих пластовые. Вначале определяется исходная проницаемость образцов керна по модели пластового флюида. Затем осуществляется в обратном направлении течению пластового флюида воздействие на образцы керна бурового раствора в режиме статической фильтрации. После этого осуществляется воздействие на торец керна буферной жидкости в динамическом режиме и затем воздействие фильтрата цементного раствора в динамическом режиме. После вновь осуществляется движение пластового флюида в прямом направлении на нескольких режимах с различными перепадами давления и определяется остаточная проницаемость колонки кернов после воздействия бурового раствора и фильтрата цементного раствора. Вычисляются коэффициенты восстановления проницаемости по длине колонки кернов. Путем сравнения изменения проницаемости образцов керна после совместного воздействия бурового раствора с фильтратом цементного раствора на образцы керна с изменением проницаемости колонки кернов с идентичными стратиграфическими и физико-емкостными свойствами после воздействия бурового раствора (лабораторная работа 5) оценивается степень влияния фильтрата цементного раствора на коллектор.
Подготовка к проведению измерений
Подобрать необходимое количество кернов для проведения эксперимента. Загрузить керны в кернодержатель. Заправить поршневые накопители моделью пластового флюида, буровым раствором и буферной жидкостью. Включить компьютер и запустить программу. После включения программы ввести в экран данные параметров керна и режимы работы системы, обязательные для проведения исследований.
Создать всестороннее и поровое давление и включить термостат.
Порядок проведения работы
1 После сборки компонентов установки и проведения внешнего осмотра заправить поршневые накопители: накопитель #1 моделью пластового флюида; накопитель #2 буровым раствором; накопитель #3 буферной жидкостью (рисунок 9). Насос и область накопителей со стороны поршня насоса заполнить водой или нефтью.
2 Загрузить образцы керна в кернодержатель и поместить в термостат. Выдержать керн под давлением для проверки герметичности, создать поровое и всестороннее давление и провести термостатирование.
3 Установить поток модели пластового флюида из накопителя #1 через испытываемые образцы керна в прямом направлении и стабилизацию давления. Запустить насос в режиме постоянной скорости. Продолжить вводить поток, пока давление/скорость потока не станет постоянным, указывая, что равновесие достигнуто. Повторить эту операцию при двух дополнительных скоростях потока.
4 Отметить дифференциальные давления, скорость потока и совокупный введенный объем. Измерить дифференциальные давления поперек различных образцов керна (1, 2, 3), открывая клапаны AV10 и AV11. Вычислить и сравнить проницаемости по модели пластового флюида для одного, двух и трех образцов, как функции скорости потока, дифференциального давления и расстояния по керну.
5 Ввести буровой раствор (из накопителя #2) в обратном направлении к торцу образцов керна. Установить насос на требуемый постоянный перепад давления бурового раствора на керн и держать в течение 15 - 24 часов. Контролировать процесс взаимодействия бурового раствора с керном, дифференциальное давление как функцию длины керна и отбор фильтрата бурового раствора.
6 Установить циркуляцию буферной жидкости (из накопителя #3) вдоль торца керна. Прокачку буферной жидкости вдоль торца керна при требуемом давлении осуществлять в течение 24-36 мин.
7 Отключить накопитель #3 от системы, очистить его от буферной жидкости и заполнить фильтратом цементного раствора. Установить накопитель #3 в систему и создать насосом QL-700 в нем рабочее давление.
8 Закачать фильтрат цементного раствора к торцу керна. Создать перепад давления между торцами керновой колонки и прокачивать фильтрат цементного раствора вдоль торца керна в течение 1-3 часов. Отслеживать процесс взаимодействия фильтрата цементного раствора с керном и отбор фильтрата.
9 Выполнить п.п. 3, 4. Отключить термостат, провести охлаждение в естественном режиме и разобрать кернодержатель.
10 Провести визуальный осмотр образцов керна, определить их состояние и сделать сравнительный анализ кернового материала до и после воздействия бурового раствора, буферной жидкости и фильтрата цементного раствора.
11 Оценить изменение проницаемости образцов керна после воздействия бурового раствора и фильтрата цементного раствора и сравнить с изменением проницаемости образцов керна после воздействия бурового раствора (лабораторная работа № 5).
Обработка результатов работы
Исходные данные и результаты измерений заносятся в электронные таблицы. По данным лабораторных исследований определяется степень влияния фильтрата цементного раствора на изменение проницаемости пласта за счет сравнения совместного влияния бурового раствора и фильтрата цементного раствора на коллекторские свойства с влиянием бурового раствора на изменение проницаемости. На основании данных исследований можно оценить реальное влияние первичного вскрытия и разобщения продуктивных пластов на состояние призабойной зоны пласта в зависимости от рецептур бурового и тампонажного растворов.
Контрольные вопросы к лабораторной работе № 6
1 Последовательность работы на автоматизированной установке для оценки изменения проницаемости пласта после воздействия фильтрата цементного раствора?
2 Сущность метода определения изменения проницаемости после воздействия фильтрата цементного раствора?
3Оценка коэффициента восстановления проницаемости керна после совместного воздействия бурового раствора и фильтрата цементного раствора?
4 Условия и средства проведения измерений, приборы и материалы?
5 Оценка влияния фильтрата цементного раствора на проницаемость по длине колонки кернов?
2.4 Лабораторная работа N 7
Тема:
Определение коэффициента восстановления проницаемости после воздействия перфорационной жидкости на пласт.
В процессе вторичного вскрытия после разобщения продуктивных пластов весьма важную роль имеют состав и свойства перфорационной жидкости. Влияние перфорационной жидкости на изменение проницаемости продуктивного пласта может существенно повлиять на добычные характеристики вводимых в эксплуатацию объектов. В связи с этим определение коэффициента восстановления проницаемости после воздействия перфорационной среды на пласт весьма актуально.
В данной лабораторной работе проводятся исследования изменения проницаемости пласта после воздействия перфорационной среды на естественные образцы керна и образцы керна, подвергнутые воздействию фильтрата бурового раствора, что позволяет оценить реальное влияние перфорационной среды на пласт во время вторичного вскрытия с учетом глубины зоны проникновения фильтрата и длины перфорационных каналов.
Исследования осуществляются на автоматизированных установках типа FDES-650Z, FDTES-100-140 и аналогичных в условиях, приближенных к пластовым.
Испытания проводятся на естественных образцах горной породы правильной цилиндрической формы с выдержанным диаметром при термобарических условиях, моделирующих условия залегания пласта. Диапазон изменения коэффициента проницаемости по жидкости от 0,1 до 5000 ∙10-3
мкм2
.
Оборудование установки системы Cor
elab
FDTES
-100-140
Для проведения лабораторных исследований влияния перфорационной жидкости на проницаемость пласта может использоваться оборудование системы Corelab FDTES-100-140 (см. лабораторную работу 6.
Метод измерения и его сущность
Суть метода заключается в сравнении проницаемостей по жидкости колонки кернов до, и после воздействия перфорационной жидкости в условиях, моделирующих пластовые. Вначале определяется исходная проницаемость образцов керна по модели пластового флюида. Затем осуществляется в обратном направлении течению пластового флюида воздействие на образцы керна перфорационной жидкости в режиме статической фильтрации. После осуществляется движение пластового флюида в прямом направлении на нескольких режимах с различными перепадами давления и определяется остаточная проницаемость колонки кернов после воздействия перфорационной среды.
На колонке кернов с идентичными стратиграфическими и физико-емкостными свойствами проводятся исследования по оценке влияния перфорационной жидкости на образцы керна, подвергнутые перед этим воздействию фильтрата бурового раствора.
Подготовка к проведению измерений
Подобрать необходимое количество кернов для проведения эксперимента. Загрузить керны в кернодержатель. Заправить поршневые накопители моделью пластового флюида, перфорационной жидкостью и фильтратом бурового раствора. Включить компьютер и запустить программу. После включения программы ввести в экран данные параметров керна и режимы работы системы, обязательные для проведения исследований.
Создать всестороннее и поровое давление и включить термостат.
Порядок проведения работы
1 После сборки компонентов установки и проведения внешнего осмотра заправить поршневые накопители: накопитель #1 моделью пластового флюида; накопитель #2 перфорационной жидкостью; накопитель #3 фильтратом бурового раствора (рисунок 9, лабораторная работа 6). Насос и область накопителей со стороны поршня насоса заполнить водой или нефтью.
2 Загрузить образцы керна в кернодержать и поместить в термостат. Выдержать керн под давлением для проверки герметичности, создать поровое и всестороннее давление и провести термостатирование.
3 Установить поток пластового флюида из накопителя #1 через испытываемые образцы керна в прямом направлении и стабилизацию давления. Запустить насос в режиме постоянной скорости. Продолжить вводить поток, пока давление/скорость потока не станет постоянным, указывая, что равновесие достигнуто. Повторить эту операцию при двух дополнительных скоростях потока.
4 Отметить дифференциальные давления, скорость потока и совокупный введенный объем. Измерить дифференциальные давления поперек различных образцов керна (1, 2, 3), открывая клапаны AV10 и AV11. При этом фиксируются и заносятся в память ПЭВМ коэффициенты проницаемости для одного, двух и трех образцов, как функции скорости потока, дифференциального давления и расстояния по керну.
5 Ввести перфорационную жидкость (из накопителя #2) в обратном направлении к торцу образцов керна. Установить насос на требуемый постоянный перепад давления перфорационной жидкости на керн и держать в течение 3 - 6 часов. При этом на экране и в памяти ПЭВМ фиксируется перепад давления и количество поступающей из керна жидкости. Контролировать процесс взаимодействия перфорационной жидкости с керном, дифференциальное давление как функцию длины керна и отбор фильтрата.
6 Выполнить п.п. 3, 4. Отключить термостат, провести охлаждение в естественном режиме и разобрать кернодержатель.
7 Провести визуальный осмотр образцов керна, определить их состояние и осуществить сравнительный анализ кернового материала до и после воздействия перфорационной жидкости.
8 Подобрать колонку кернов с аналогичными стратиграфическими и физико-емкостными свойствами по сравнению с предыдущей испытанной колонкой кернов.
9 Выполнить п.п. 2, 3, 4. Ввести фильтрат бурового раствора (из накопителя #3) в обратном направлении к торцу образцов керна. Установить насос на требуемый режим потока с постоянным перепадом давления фильтрата бурового раствора на керн. Через образцы керна прокачать фильтрат бурового раствора в количестве не менее 5 объемов порового пространства керна. Контролировать процесс взаимодействия фильтрата бурового раствора с керном, дифференциальное давление как функцию длины керна.
10 Выполнить п.п. 5, 6. Провести визуальный осмотр образцов керна, определить их состояние и осуществить сравнительный анализ кернового материала и флюидов до и после воздействия фильтрата бурового раствора и перфорационной жидкости на образцы керна.
11 Оценить изменение проницаемости образцов керна после воздействия фильтрата бурового раствора и перфорационной жидкости и сравнить с изменением проницаемости образцов керна после воздействия перфорационной жидкости.
Вычисление результатов измерений
Исходные данные и результаты измерений заносятся в электронные таблицы. По данным лабораторных исследований определяется коэффициенты восстановления проницаемости пласта после воздействия перфорационной жидкости на естественные образцы керна и после воздействия перфорационной жидкости на коллектор, подвергнутый перед этим воздействию фильтрата бурового раствора. При этом оцениваются коэффициенты восстановления проницаемости по длине колонки кернов (для первого, второго и третьего образцов). На основании данных исследований определяется влияние перфорационной жидкости вторичного вскрытия продуктивных пластов на состояние призабойной зоны пласта в зависимости от состава и рецептуры перфорационной среды, глубины проникновения фильтрата бурового раствора в пласт и длины перфорационных каналов.
Контрольные вопросы к лабораторной работе № 7
1 Последовательность работы для оценки изменения проницаемости пласта после воздействия перфорационной среды?
2 Сущность метода определения коэффициента восстановления проницаемости после воздействия перфорационной жидкости?
3 Условия проведения измерений, средства измерения, приборы и материалы?
4 Определение коэффициента восстановления проницаемости после воздействия перфорационной жидкости на естественные образцы керна и образцы керна, подвергнутые влиянию фильтрата бурового раствора?
5 Оценка воздействия перфорационной жидкости на проницаемость по длине колонки кернов?
Список использованных источников
1 Подгорнов В.М. Практикум по заканчиванию скважин. [Текст]: / Учебное пособие. / В.М. Подгорнов, В.А. Вединцев - М.: Недра, 1984.
2 Породы горные. Методы определения коллекторских свойств. Метод определения коэффициента абсолютной газопроницаемости при стационарной и нестационарной фильтрации. ГОСТ 26450.2-85.
3 Нефть. Метод определения фазовой проницаемости в лабораторных условиях при совместной фильтрации. ОСТ 39-235-89.
4 Балуев А.А. Влияние технологических параметров скважин на их добывные возможности. [Текст]: / А.А. Балуев [и др.]. Нефтяное хозяйство. - 1997. - № 9. - c.29-31.
5 Балуев А. А. Эффективность применения биополимерных буровых растворов при бурении боковых стволов с горизонтальным участком. [Текст]: / А.А. Балуев [и др.]. – Нефтяное хозяйство, 2001, № 9. с. 35-37.
6 Ясашин A.M. Вскрытие, опробование и испытание пластов. [Текст]: / А.М. Ясашин - М.: Недра, 1979.-344 с.
7 Амиян В.А. Вскрытие и освоение нефтяных и газовых пластов. [Текст]: / В.А. Амиян [и др.]. - М.: Недра, 1980.
| Подписано к печати
|
Бум. ГОЗНАК
|
| Заказ №
|
Уч.- изд. л.
|
| Формат 60х90 2/16
|
Усл. печ. л.
|
| Отпечатано на RISO GR 3770
|
Тираж
|
________________________________________________________________
Издательство
Государственного образовательного учреждения высшего профессионального образования
«Тюменский государственный нефтегазовый университет»
625000, г. Тюмень, ул. Володарского, 38
Отдел оперативной полиграфии издательства
625039, г. Тюмень, ул. Киевская, 52
|