| Министерство образования Украины
Национальный технический университет Украины
«Киевский политехнический институт»
Институт телекоммуникационных систем
Теория электрических цепей и сигналов
Методические указания к курсовой работе
«РАЗРАБОТКА МАТЕМАТИЧЕСКИХ МОДЕЛЕЙ ЭЛЕКТРОННЫХ СХЕМ В РАЗЛИЧНЫХ РЕЖИМАХ ИХ РАБОТЫ»
Б.Н.Шелковников, О.В.Колчанов
Рассмотрены и одобрены
на заседании института
телекоммуникационных сетей и систем
Протокол №________________________
от _________________________________
Киев - 2002г
УДК 621.395.001
Теория электрических цепей
Методические указания у курсовой работе
«РАЗРАБОТКА МАТЕМАТИЧЕСКИХ МОДЕЛЕЙ ЭЛЕКТРОННЫХ СХЕМ
В РАЗЛИЧНЫХ РЕЖИМАХ ИХ РАБОТЫ»
Б.Н.Шелковников, О.В.Колчанов
-НТУУ «КПИ», 2002г.
Методические указания включают три раздела:
Математические модели различных режимов работы электронных схем и
методы и алгоритмы расчета различных режимов работы электронных схем.
Методы и алгоритмы анализа чувствительности электронных схем.
Методы и алгоритмы оптимизации электронных схем.
Методические указания к курсовой работе предназначены для выполнения курсовой работы студентами института телекоммуникационных систем НТУУ «КПИ», по вышеупомянутой дисциплине, а также для самостоятельной работы при изучении курса.
Библиография назв.
Рецензенты:
ВВЕДЕНИЕ
Использование персональных электронных вычислительных машин (ПЭВМ) во всех областях человеческой деятельности - характерная черта научно-технической революции. ПЭВМ, особенно высокопроизводительные, способствуют ускорению прогресса в радиоэлектронной промышленности. Использование ПЭВМ предполагает разработку соответствующего специализированного математического (методы, алгоритмы) и программного обеспечения.
Цель курса изложенного в методических указаниях - помочь в изучение электронных схем как объектов исследования и проектирования, получение навыков формулирования задач исследования и проектирования, овладение методами и алгоритмами решения задач исследования в проектирования электронных схем, навыками реализации задач в виде программного обеспечения на ПЭВМ. Изложение курса базируется на знаниях студентами курсов математики, физики, теоретических основ электротехники, полупроводниковых приборов, электронных цепей непрерывного и импульсного действия.
Забиваем Сайты В ТОП КУВАЛДОЙ - Уникальные возможности от SeoHammer
Каждая ссылка анализируется по трем пакетам оценки: SEO, Трафик и SMM.
SeoHammer делает продвижение сайта прозрачным и простым занятием.
Ссылки, вечные ссылки, статьи, упоминания, пресс-релизы - используйте по максимуму потенциал SeoHammer для продвижения вашего сайта.
Что умеет делать SeoHammer
— Продвижение в один клик, интеллектуальный подбор запросов, покупка самых лучших ссылок с высокой степенью качества у лучших бирж ссылок.
— Регулярная проверка качества ссылок по более чем 100 показателям и ежедневный пересчет показателей качества проекта.
— Все известные форматы ссылок: арендные ссылки, вечные ссылки, публикации (упоминания, мнения, отзывы, статьи, пресс-релизы).
— SeoHammer покажет, где рост или падение, а также запросы, на которые нужно обратить внимание.
SeoHammer еще предоставляет технологию Буст, она ускоряет продвижение в десятки раз,
а первые результаты появляются уже в течение первых 7 дней.
Зарегистрироваться и Начать продвижение
В методические указания входит изучение структур, режимов работы, качественных показателей, характеристик электронных схем. Процесса проектирования электронных схем, математических моделей компонентов электронных схем, математических моделей электронных схем, методов и алгоритмов анализа математических моделей электронных схем, ознакомление с задачами автоматизации конструирования и изготовления электронных схем, с принципами построения программ моделирования электронных схем и системами автоматизация проектирования.
ЗАДАЧИ АНАЛИЗА ЭЛЕКТРОННЫХ СХЕМ
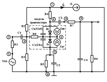
Транзисторный усилитель (ТРУ), представленный электрической принципиальной схемой (на рис. 1
), в зависимости от характера входного сигнала может работать в различных режимах. При отсутствии входного сигнала (или постоянном сигнале) усилитель находится в статическом состоянии (режим постоянного тока). При малом быстроизменяющемся входном сигнале допустимо считать, что транзистор проявляет только линейные динамические свойства, и усилитель работает в режиме линейного усиления. При большом быстроизменяющемся входном сигнале транзистор проявляет нелинейные динамические свойства, усилитель функционирует в динамическом нелинейном режиме. В зависимости от формы входного сигнала (гармонический, импульсный) функционирование усилителя может рассматриваться во временной или частотной областях.
Рис 1
Каждый режим работы усилителя можно представить соответствующей эквивалентной цепью (схемой) и математической моделью и оценить множеством качественных показателей (характеристик, схемных функций) и параметров. Качественные показатели определяются на основе математической модели и проверяются экспериментально. Все множество качественных показателей характеризует свойства и функциональные возможности усилителя в целом. К основным качественным показателем и параметрам усилителя относятся коэффициент передачи (коэффициент усиления) Кр
, входное и выходное сопротивлениях Zвх, Zвых
, динамический диапазон, коэффициент нелинейных искажений, коэффициент шума. Чтобы найти эти качественные показатели необходимо проанализировать усилитель в статическом режиме, в динамическом режиме во временной и частотной областях при большом и малом входных сигналах.
Эквивалентная схема ТРУ для каждого режима имеет свое множество элементов (компонентов) и свою структуру (т.е. специфичное для режима соединение элементов). Так, например, режим малого входного сигнала представляется линейной эквивалентной схемой - соединением линейных элементов, статический режим - нелинейной эквивалентной схемой на постоянном токе и т.д.
Сервис онлайн-записи на собственном Telegram-боте
Попробуйте сервис онлайн-записи VisitTime на основе вашего собственного Telegram-бота:
— Разгрузит мастера, специалиста или компанию;
— Позволит гибко управлять расписанием и загрузкой;
— Разошлет оповещения о новых услугах или акциях;
— Позволит принять оплату на карту/кошелек/счет;
— Позволит записываться на групповые и персональные посещения;
— Поможет получить от клиента отзывы о визите к вам;
— Включает в себя сервис чаевых.
Для новых пользователей первый месяц бесплатно.
Зарегистрироваться в сервисе
Следует отметить, что отмеченные режимы характеризуют работу большинства электронных схем приемно-усилительных устройств и поэтому решение задач расчета схем в этих режимах имеет общее значение.
Множество качественных показателей, определяемых в соответствующем режиме в представляющих задачи анализа, зависит от множества элементов и их параметров - d
р
э
,
от структуры их соединения - S
p
, типа входного сигнала (постоянный, частотный, временной):
Кр
=F(S
p
, d
р
э
, U
p
)
(1)
где р
- cоответствующий режим.
Динамические качественные показатели всегда зависят от исходного статического режима, что можно отразить зависимостью:
d
р
э
=
¦
(
Кст
)
Только в пассивных схемах статический режим может характеризоваться нулевыми значениями переменных. Соотношения вида (1)
представляют основные задачи расчета, анализа качественных показателей ТРУ и электронных схем.
Большое значение при проектировании электронных схем имеет решение задач расчета чувствительности качественных показателей по параметрам элементов- S
р
d
, позволяющее определить допуска на параметры, и задач оптимизации, т.е. поиска множества оптимальных параметров d
р
опт
, обеспечивающих необходимое отклонение множества качественных показателей от заданных в техническом задании.
Из перечисленных режимов наиболее общим является динамический режим при воздействии большого сигнала, изменявшегося во времени. Остальные режимы - частные от этого режима.
Динамический нелинейный режим (временная и частотная область)
- при большом входном сигнале.
Статический режим
наблюдается, когда внешнее воздействие постоянно во времени.
Динамический линейный режим (временная и частотная область)
- при малом входном сигнале.
МАТЕМАТИЧЕСКАЯ МОДЕЛЬ ЭЛЕКТРОННОЙ СХЕМЫ В ДИНАМИЧЕСКОМ РЕЖИМЕ ПРИ БОЛЬШОМ СИГНАЛЕ.
ВРЕМЕННАЯ ОБЛАСТЬ.
При большом быстроизменяющемся входном сигнале в ТРУ транзистор проявляет нелинейные и динамические свойства (рис. 2 )
, которые могут быть представлены эквивалентной схемой (на рис. 2 выделена штрихами) и математической моделью Эберса-Молла [1,2]
. Рис.2
В модели Эберса-Молла свойства элементов выражаются следующими соотношениями:
Iк=Iко•(
e
(К1•Uкб)
-1)=
¦
К
(
Uкб
), К1=1/(mк
•
j
Т
), (2)
Iэ=Iэо•(
e
(К2•Uбэ)
-1)=
¦
Э
(
Uбэ
), К2=1/(mэ
•
j
Т
)
J
дк
=
a
N
•I
э
,
J
дэ
=
a
I
•I
к
,
UR
б
=
i
R
б
•R
б
I
ск
=
Ск
(U
кб
)•dU
кб
/dt,
Ск
(U
кб
)=C
кб
+
Скд
=
Со
кб
/(1-U
кб
/
j
К
)0.5
+
Со
кд
•I
к
Со
кд=К1/(2•
p
•F
a
i
)
Iсэ=Сэ(Uбэ)•dUбэ/dt,
Сэ(Uбэ)=Cэб+Сэд=Со
кб/(1-Uбэ/
j
К
)0.5
+Со
кд•Iэ
Со
эд=К2/(2•
p
•F
a
n
)
где, Uкб, Uбэ -
напряжение коллектор-база, база-эмиттер соответственно;
К1, К2
- температурный потенциал;
j
т
- контактная разность потенциалов;
Iко, Iэо -
токи насыщения коллекторного и эмитерного переходов;
mк
, mэ
- коэффициенты отражающие технологию изготовления транзиторов;
a
N
,
a
I
-
коэффициенты усиления по току при нормальном и инверсном режимах;
i
Rб
-
ток через резистор базы;
Rб
-
сопротивление базы;
Со
кб
, Со
эб
- барьерные емкости при нулевом смещении;
F
a
n
F
a
i
- предельные частота транзистора при нормальном и инверсном включениях.
Свойства остальных элементов эквивалентной cxeмы ТРУ (рис. 2)
для динамического режима описываются соотношениями:
UR1
=
i
R1
•R1
, UR2
=
i
R2
•R2
, UR
б
=
i
R
б
•R
б
, UR3
=
i
R3
•R3
, UR4
=
i
R4
•R4
, UR5
=
i
R5
•R5
,
UR6
=
i
R6
•R6
, UR7
=
i
R7
•R7
В общем виде можно записать для элементов схемы :
Резисторы:
URi
=
i
Ri
•Ri
, i
- номер резистора (3)
Емкости:
i
Cj
=Cj
• dUcj/dt ,
j
- номер емкости
Источники постоянного тока:
J=
=const
Входное ток:
J~
=
¦
(
t
)
=Jм
•sin(
w
•t+
y
J
)
- функция времени.
Элементы схемы (или ветви), соединяясь в узлах, образуют в схеме контура. Токи в узлах (сечениях) схемы и напряжения в контурах подчиняются, соответсвенно, первому и второму законам Кирхгофа;
1. Алгебраическая cyммa токов i
в любом узле (в замкнутом сечении) электрической схемы равна нулю (вытекающий ток из узла берется со знаком "+"
, втекающий ток в узел берется со знаком "-"
)
n
S
i=
0
(4)
к
=1
2. Алгебраическая сумма напряжений u
ветвей в любом контуре электрической схемы равна нулю
n
S
u
=
0
к=1
Уравнения соединений, составленные по законам Кирхгофа, определяются только схемами соединений ветвей, т.е. геометрической структурой цепи, и не зависят от вида и характеристик элементов, т.е. физического содержания ветвей. Поэтому при составлении уравнений соединений удобно отвлекаться от вида и характеристик ветвей цепи и заменять их линиями, соединяющими узлы, с сохранением числа ветвей и узлов. В результате получают так называемый линейный граф (топологический граф), который представляет совокупность или систему узлов (вершин), изображаемых точками, и ветвей (ребер) изображаемых отрезками линий, соединяющих любую пару узлов. Таким образом, элементами графа являются узел и ветвь (рис. 3)
.
Рис.3
Объединенные множества уравнений ветвей (компонентных уравнении (2)
, (3)
и топологических уравнений (4)
составляют математическую модель схемы (ММС) для динамического режима при большом сигнале. Если схема имеет l
ветвей, то число уравнений к число переменных ММС равно l
•2
при выборе независимых сечений и контуров. Для нашей схема при указанных стрелками направлениях токов уравнение (4)
имеет вид :
Узел 1
i
R1
+
i
С1
- J~
=0
Узел
2
-
i
С
1
+
i
R3
+
i
R2
+
i
R
б
=0
Узел
3
-
i
R
б
+
i
Ск
+
i
Сэ
-
i
К
-
i
Э
-
i
ДК
-
i
ДЭ
=0 (5)
Узел
4
-
i
R5
-
i
С
2
-
i
Сэ
+
i
Э
+
i
ДЭ
=0
Узел
5
i
R4
+
i
С
3
-
i
Ск
+
i
К
+
i
ДК
=0
Узел
6
-
i
R4
-
i
R2
-
i
R7
+ J=
=0
Узел
7
-
i
C3
+
i
C4
-
i
R6
=0
Кроме токов и напряжений ветвей, введем в рассмотрение новые переменные - потенциалы узлов ji
относительно базисного узла (
j
0
=0
)
. В качестве базисного узла удобно взять узел, общий для входа и выхода схемы. Тогда согласно второму закону Кирхгофа, напряжения всех ветвей u
и узловые потенциалы ji
связываются соотношениями : u
R1
=
j1
-j0
, u
C1
=
j1
-j2
, u
R2
=
j2
-j6
, u
R3
=
j2
-j0
, u
С3
=
j5
-j7
u
Rб
=
j2
-j3
, u
R4
=
j5
-j6
, u
R6
=
j7
-j0
, u
R5
=
j0
-j4
, u
C4
=
j7
-j0
u
С2
=
j0
-j4
, u
Cк
=
j3
-j5
, u
Cэ
=
j3
-j4
, u
Iк
=
j5
-j3
, u
Iэ
=
j4
-j3
u
Jдк
=
j5
-j3
, u
Jдэ
=
j4
-j3
(6)
Множества уравнений (5)
и (6)
можно записать в матричной форме в общем виде | A | • |
i
|=0 (7)
| u
|=| At
| • |
j | (8)
где |
i
|
=
|
i
R1
,
i
С1
,
i
R2
……, J~
, J=
|t
- вектор токов всех ветвей схемы;
| u
|
=
|
u
R1
,
u
С1
,
u
R2
……,
u
Jдк
,
u
Jдэ
|t
-вектор напряжений всех ветвей;
|
j |
=
|
j1
,
j2
,
j3
,
j4
,….
jq
|t
- вектор узловых потенциалов;
q
- число узлов, t
- знак транспонирования.
Матрица |A|
, называемая матрицей инциденций узел-ветвь, для схемы представлена на рис.3
и характеризует ее структурные свойства. Матрице |A|
и соотношениям (7)-(8)
соответствует топологический (направленный) граф схемы, построенный на множестве переменных схемы i
, u
и j. Граф является геометрическим образом структуры схемы. На графе выделены узлы j1
,
j2
,
j3
,
j4
,
j5
,
j6
,
j7
. Выбор направления токов в ветвях графа определяет систему независимых токов в напряжений в МУС. Выразим уравнения (5)
используя уравнения (2),(3)
и (6)
. В результате получим систему уравнений (9)
:
Узел 1
(
j1
-j0
)/R1 +С1•d(
j1
-j0
)/dt - J~
=0
Узел 2
-
С1•d(
j1
-j0
)/dt +(
j2
-j0
)/R3 +(
j2
-j6
)/R2 +(
j2
-j3
)/Rб =0
Узел 3
-
(
j2
-j3
)/Rб +Ск
¦
(
j3
-j5
)•d(
j3
-j5
)/dt +Сэ
¦
(
j3
-j4
)•d(
j3
-
- j4
)/dt-
¦
К
(
j5
-j3
)-
¦
Э
(
j4
-j3
) -
a
N
•
¦
I
э
(
j4
-j3
) -
a
I
•
¦
I
К
(
j5
-j3
)=0
Узел 4
-
(
j0
-j4
)/R5-С2•d(
j0
-j4
)/dt-Сэ
¦
(
j3
-j4
)•d(
j3
-j4
)/dt+
+
¦
Э
(
j4
-j3
)+ +
a
I
•
¦
I
К
(
j5
-j3
)=0 (9)
Узел 5
(
j5
-j6
)/R4 +С3•d(
j5
-j7
)/dt +Ск
¦
(
j3
-j5
)•d(
j3
-
-j5
)/dt+
¦
К
(
j5
-j3
)+
a
N
•
¦
Iэ
(
j4
-j3
)=0
Узел 6
-
(
j5
-j6
)/R4 -(
j2
-j6
)/R2-(
j6
-j0
)/R7+ J=
=0
Узел 7
-С3•d(
j5
-j7
)/dt +С4•d(
j7
-j0
)/dt -(
j7
-j0
)/R6 =0
Эти уравнения, называемые узловыми, составлены методом, подобным методу узловых потенциалов для линейных цепей. Система (9)
- это система алгебро-дифференциальных нелинейных уравнений относительно переменных j1
,
j2
,
j3
,
j4
,
j5
,
j6
,
j7
,J=
,J~
Она состоит из трех групп уравнений: линейных алгебраических (7)
, линейных дифференциальных (1,2,6)
, нелинейных дифференциальных (остальные уравнения). Соответственно, переменные делятся на линейные Xл=J=
и J~
,
линейные дифференциальные Xлд=
|
j1
,
j2
,
j6
,
j7
|t
нелинейные дифференциальные Xнд=
|
j3
,
j4
,
j5
|t
.
С учётом сказанного система (9)
может быть записана в сокращенном виде:
¦
л=( Xл, Xлд, Xнд)=0;
¦
лд=( Xл, X'лд, Xнд)=0
¦
нд=( Xл, Xлд, X'лд, Xнд, X'нд)=0 (10)
где -¦
л
- линейный оператор; ¦
н
- нелинейный оператор.
X'нд, X'лд -
производные переменных по времени
Множество ветвей схеме (2)-(3)
соответственно свойствам их уравнений, можно разделить на характерные подмножества ветвей: (11)
- источников тока J=
, J~
;
- линейных резисторов R
и проводимоcтей G
; UR
=
i
R
•R
, или i
R
=UR
•G
,где G=1/R
- нелинейных резисторов Iн=
¦
(UR
)
;
- зависимых источников тока Iд=
a
•Iн
;
- линейных емкостей i
СЛ
= Сл•d(Ucл)/dt
;
- нелинейных емкостей i
СН
= Сн
¦
(
Ucн)•d(Ucн)/dt
.
Этому разбиению соответствует разбиение топологической матрицы |A|
на субматрицы и запись топологических уравнений (7)-(8)
в форме
| |
Ветви
|
| Узлы
|
J=
|
J~
|
R1
|
R2
|
R3
|
R
Б
|
R4
|
R5
|
R6
|
R7
|
I
к
|
I
э
|
I
дк
|
Iдэ
|
С1
|
С2
|
С3
|
С4
|
Ск
|
Сэ
|
| 1
|
0
|
-1
|
1
|
0
|
0
|
0
|
0
|
0
|
0
|
0
|
0
|
0
|
0
|
0
|
1
|
0
|
0
|
0
|
0
|
0
|
| 2
|
0
|
0
|
0
|
1
|
1
|
1
|
0
|
0
|
0
|
0
|
0
|
0
|
0
|
0
|
-1
|
0
|
0
|
0
|
0
|
0
|
| 3
|
0
|
0
|
0
|
0
|
0
|
-1
|
0
|
0
|
0
|
0
|
-1
|
-1
|
-1
|
-1
|
0
|
0
|
0
|
0
|
1
|
1
|
| 4
|
0
|
0
|
0
|
0
|
0
|
0
|
0
|
-1
|
0
|
0
|
0
|
1
|
0
|
1
|
0
|
-1
|
0
|
0
|
0
|
-1
|
| 5
|
0
|
0
|
0
|
0
|
0
|
0
|
1
|
0
|
0
|
0
|
1
|
0
|
1
|
0
|
0
|
0
|
1
|
0
|
-1
|
0
|
| 6
|
1
|
0
|
0
|
-1
|
0
|
0
|
-1
|
0
|
0
|
-1
|
0
|
0
|
0
|
0
|
0
|
0
|
0
|
0
|
0
|
0
|
| 7
|
0
|
0
|
0
|
0
|
0
|
0
|
0
|
0
|
1
|
0
|
0
|
0
|
0
|
0
|
0
|
0
|
-1
|
1
|
0
|
0
|
| |
АЕ
|
АR
|
AH
|
AД
|
АСЛ
|
АСН
|
| JЕ
|
| АЕ
|
А
R
|
AH
|
A
Д
|
АСЛ
|
АСН
|
•
|
JR
|
| IН
|
= 0
|
(12)
|
| IД
|
| i
СЛ
|
| uЕ
|
Аt
Е
|
j1
|
| uR
|
А
t
R
|
j2
|
| u
Н
|
=
|
At
H
|
•
|
j3
|
(13)
|
| u
Д
|
At
Д
|
•
|
| u
СЛ
|
А
t
СЛ
|
•
|
| u
СН
|
А
t
СН
|
jq
|
Подставим уравнение (13)
в соотношения (11)
и результат в (12)
. После преобразований получал матричное уравнение: (14)
|АЕ
|•|
i
Е
|+|АR
|•|G|•|Аt
R
|•|
j
|+|АH
|•
¦
(|Аt
H
|•|
j
|)+|АД
|•
a
•
¦
Н
(|Аt
Д
|•|
j
|)+
+|АСЛ
|•|СЛ
|•d(|Аt
CЛ
|•|
j
|)/dt+|АСН
|•|СН
¦
(|Аt
CН
|•|
j
|)|•d(|Аt
CН
|•|
j
|)/dt = 0
Уравнение (14)
- это записанное в более общей форме (с учетом топологических субматриц) уравнение (9)
. Подстановка субматриц и уравнений ветвей на основе (11), (2), (3)
и последующее преобразование дадут в конечном итоге (9)
. Уравнение (14)
как и (9)
можно представить в форме (10)
.
Итак, уравнения (9), (6), (2), (3)
составляют математическую модель ТРУ в динамическом режиме, а соотношения (14), (13), (11)
- математическую модель для динамического режима класса электронных схем, представляемого на основе множества компонентов (ветвей) вида (11)
. Назовем эту модель ММС-ДР1(Математическая модель схемы - динамический режим 1).
Рассмотрим еще один из видов математической модели схемы ТРУ (рис. 4)
Рис. 4
Выбор дерева на топологическом графе схемы определяет не только системы линейно-независимых уравнений, составленных по законам Кирхгофа, но, в конечном итоге, вид и свойства математической модели схемы.
Наиболее общие топологические свойства электронных схем представляются законами Кирхгофа в форме:
|Пi
| =0, (15)
|Рu
|=0, (16)
где |Пi
|
, |Рu
|
- матрицы сечений и контуров.
На самом деле, под |П|
, и |Р|
в дальнейшем подразумеваются матрицы главных сечений и контуров. Если обобщенные узлы, образуемые сечениями графа, совпадают с вершинами (узлами) графа, то матрица |П|
совпадает с |А|
. Это случай построения канонических сечения и дерева. Построение дерева (имеется в виду фундаментальное дерево) разбивает ветви графа на ветви дерева (ребра) и ветви, не вошедшие в дерево, называемые хордами (связями). Уравнения Кирхгофа при этом принимают вид
| |
|
|
|
i
T
|
|
|
|
| П
i
|
=
|
1 |
p
|
•
|
|
=0
|
или
|
i
T
=-
p
•i
X
(17)
|
| |
|
|
|
i
X
|
|
|
|
| |
|
|
|
u
T
|
|
|
|
| Р
u
|
=
|
r
| 1
|
•
|
|
=0
|
или
|
u
Х
=
r
•u
Т
(18)
|
| |
|
|
|
u
X
|
|
|
|
При совпадении фундаментального дерева с деревом графа выполняется соотношение: p
=-
r
t
,
r
=-
p
t
(19)
С учетом этого соотношения (17)-(18)
запишутся i
T
= -
p
•i
X
,
u
Х
=
p
t
•u
Т
(20) (21)
На основе уравнений (20)-(21)
может быть составлена ММС в форме нормальных обыкновенных дифференциальных уравнений (в виде уравнений переменных состояния [1,2,4,5]
.
Выберем дерево графа cxeмы так, чтобы в ветви дерева вошли источники напряжения, емкости и нужное количество резисторов, а в хорды - источники тока, индуктивности (если имеются) и оставшиеся резисторы. Это всегда можно сделать, если ветви схемы не образуют топологических вырождений. (например, контуров из емкостных ветвей и источников ЭДС или сечений, образованных индуктивными ветвями и источниками тока). Иначе необходимо устранение вырождения [5]
. На рис.5
показано дерево и сечения на графе схемы ТРУ. Рис.5
Соответствующая матрица сечений П для схемы
| Сечения
|
ветви
|
| E
|
Uвх
|
С1
|
С2
|
С3
|
С4
|
Сэ
|
Ск
|
R3
|
R1
|
R2
|
R
Б
|
R4
|
R5
|
R6
|
R7
|
I
д
|
I
к
|
I
дэ
|
Iдк
|
| |
7
|
1
|
|
|
|
|
|
|
|
|
|
1
|
|
1
|
|
|
|
|
|
|
|
| |
1
|
|
1
|
|
|
|
|
|
|
|
-1
|
|
|
|
|
|
|
|
|
|
|
| |
2
|
|
|
1
|
|
|
|
|
|
|
-1
|
|
|
|
|
|
|
|
|
|
|
| |
5
|
|
|
|
1
|
|
|
|
|
|
|
|
1
|
-1
|
1
|
|
-1
|
|
|
|
|
| |П|
=
|
8
|
|
|
|
|
1
|
|
|
|
|
|
|
|
|
|
|
-1
|
|
|
|
|
| |
9
|
|
|
|
|
|
1
|
|
|
|
|
|
|
|
|
1
|
1
|
|
|
|
|
| |
4
|
|
|
|
|
|
|
1
|
|
|
|
|
-1
|
1
|
|
|
1
|
-1
|
|
1
|
|
| |
6
|
|
|
|
|
|
|
|
1
|
|
|
|
|
1
|
|
|
1
|
|
1
|
|
-1
|
| |
3
|
|
|
|
|
|
|
|
|
1
|
1
|
-1
|
-1
|
|
|
|
|
|
|
|
|
Емкостной контур (С2®Сэ®Ск®С3®С4) разорван включением небольшого R7. Матрица |П|
разбивается на ряд характерных субматриц
| 1
|
p
ERX
|
p
EI
|
| p
CRX
|
p
CI
|
| p
CHIH
|
p
CHI
Д
|
| p
RBRX
|
p
RBI
|
| p
RX
=
|
p
ERX
|
p
RX
=
|
p
EI
|
| p
CRX
|
p
CI
|
| p
RBRX
|
p
RBI
|
Подставим компонентные уравнения (11)
в (20)-(21),
в результате получим
С•d(Uc)/dt=
p
CRX
•GХ
•
uRX
+
p
CIH
+IH
(uH
)+
p
CIД
•
a
•
IH
(22)
i
EB
=
p
EBRX
•G
Х
•
uRX
+
p
EBI
•
IX
ü
ý
(23)
i
RB
=
p
RBRX
•G
Х
•uRX
+
p
RBI
•IX
þ
| uRX
|
p
t
RX
|
EB
|
EB
=|E, uBX
|t
uRB
=uR3
(24)
IX
=|IH
, I
Д
|t
|
| =
|
•
|
uC
|
| uIX
|
p
t
IX
|
uRB
|
uRB
=RB
•
i
RB
В этих уравнениях
| C1
|
|
1/R1
|
| |
C2
|
1/R2
|
| C=
|
C
э
¦
(u
ЭБ
)
|
, GX
=1/RX
=
|
1/R
Б
|
| C
э
¦
(u
КБ
)
|
…
|
| СН
|
1/R7
|
| RB
=R3,
|
IH
=
|
I
Э
(u
ЭБ
)
I
К
(u
КБ
)
|
I
Д
=
a
•IH
=
|
a
N
a
I
|
•
|
I
Э
I
К
|
Подстановка уравнения (24)
в (22)
приводит поcледнее к виду (25)
| -1
|
EB
|
EB
|
| С
•d(Uc)/dt=
|
С
|
•
|
(
p
CRX
•GХ
•
p
t
RX
•
|
uC
|
+
p
CIH
•IH
•(
p
t
IX
•
|
uC
|
)+
p
CI
Д
•
a
•IH
)
|
| uRB
|
uRB
|
Соотношения (25)
, (23)
и (24)
- ММС в форме уравнений переменных состояния, назовем ее ММС-ДР2. (Математическая модель схемы - динамический режим 1).
В сокращенном виде эти соотношения запишутся в виде
Xд=
¦
д( Xд, Xл, ЕВ
), Xд=| Xлд, Xнд|t
, Xл=
¦
л( Xд, Xл, ЕВ
) (26)
Второе уравнение можно представить и в форме:
|А|•X=
¦
д( Xд, ЕВ
)
Если подставить в (23)-(25)
значения топологических субматриц p
IJ
и параметров ветвей C1,C2,...,R1,R2,..,
a
и т.п., то получим математическую модель ТРУ для динамического режима при большом воздействующем сигнале.
Сравнение ММС-ДР1 и ММС-ДР2 показывает, что прежде всего они отличаются видом математических уравнений (в первом случае - неявная форма алгебро-дифференциальных нелинейных уравнений, во втором случае производные, переменных дифференциальных уравнений выражены явно) и числом независимых переменных (в первом случае - это j
, во втором - |uС,
uRX
, uIX
|t
- При необходимости получения напряжений и токов всех ветвей в ММС-ДР1 приходится иметь дело с (2•
l
+q)
уравнениями (14), (13)
и (11),
в ММС-ДР2 с n
£
2•
l
уравнениями.
МАТЕМАТИЧЕСКАЯ МОДЕЛЬ ЭЛЕКТРОННОЙ СХЕМЫ В СТАТИЧЕСКОМ РЕЖИМЕ
Схема находится в статическом режиме, если на нее воздействуют постоянные во времени сигналы, т.е. при t=to
(или равном нулю)
u
вх
(to
)=Е=const.
При этом токи в емкостях (напряжения на индуктивностях) равны нулю, что соответствует duC
/dt
=0
и d
i
L
/dt=0
или отсутствию изменений токов и напряжений в схеме. Подставляя эти условия в соотношения (9), (14), (25)
получим соответствующие математические модели для статического режима - ММС ТРУ: ММС-Cтl, ММС-Ст2.
Математическая модель ТРУ для статического режима будет иметь вид (9)
без членов с производными и при u
вх
=Е.
Уравнение (6)
остается без изменений и позволяет определить напряжения на всех ветвях (включая емкостные) в статике после нахождения из (27)
j и подстановки в (6)
. Необходимые токи ветвей, как и в динамике, можно найти из уравнений (2), (3).
Модель ММС-Ст1 на основе ММС-ДР1 (см. соотношения (14), (13), (11)
) запишется как
|АЕ
|•|
i
Е
|+|АR
|•|G|•|Аt
R
|•|
j
|+|АH
|•
¦
(|Аt
H
|•|
j
|)+|АД
|•
a
•
¦
Н
(|Аt
Д
|•|
j
|) = 0
(27)
|
u
|=|А|t
•|
j
|,
|u
|
=
|
u
Е
,
u
R
,
u
H
,
u
Д
,
u
СЛ
,
u
СН
|t
(28)
| R1
|
|
| i
Ri
= G•u
Ri
|
G=1/R
|
…
|
| R=
|
R
Б
|
|
|
| |
…
|
|
| R7
|
I
н
=
¦
Н
(
u
Н
), I
н
=| I
к
, I
э
|t
,
I
э
=
a
•
I
н
, I
д
=| I
дк
, I
дэ
|t
,
a
=|
a
n
a
i
| (29)
Сокращенно уравнения (27)
представляются в форме (см. (10)
)
¦
л( Xл, Xн)=0 (30)
¦
н( Xл, Xн)=0
где -¦
л
- линейный оператор; ¦
н
- нелинейный оператор.
Xл, Xн -
независимые переменные, соответственно, линейных и нелинейных алгебраических уравнений.
Из соотношений (25)
, (23)
, (24)
с учетом i
С
=0
и u
вх
(to
)=Е получим математическую модель электронных схем ММС-Ст2
| EB
|
EB
|
| p
CRX
•G
Х
•
p
t
RX
•
|
uC
|
+
p
CIH
•IH
•(
p
t
IX
•
|
uC
|
)+
p
CI
Д
•
a
•IH
=0
|
| uRB
|
uRB
|
i
ЕВ
=
p
ЕВ
RX
•G
Х
•uRX
+
p
ЕВ
I
•I
Х
I
Х
=| I
н
, I
д
|t
, (31)
i
R
В
=
p
ЕВ
RX
•G
Х
•uRX
+
p
R
В
I
•I
Х
uRX
=R
В
•
i
R
В
,
| uRX
|
p
t
RX
|
EB
|
| =
|
•
|
uC
|
| uIX
|
p
t
IX
|
uRB
|
Сокращенно ММС-Ст2 имеет вид уравнении (30)
.
Если линейные уравнения рассматривать как частный случая нелинейных уравнений, то все ММС-Ст и уравнение (30)
можно представить как одно операторное уравнение
¦
( X)=0
(32)
МЕТОДЫ И АЛГОРИТМЫ РАСЧЕТА СТАТИЧЕСКОГО РЕЖИМА РАБОТЫ.
Вообще существует два основных подхода при решении задачи расчета статического режима.
Первый основан на представлении статического режима, к которому стремятся при t
®
¥
переходные процессы в схеме при подключении к ней источников питания и входного источника (его постоянной составляющей). При этом используются динамическая математическая модель схемы и методы численного интегрирования для ее решения. Второй подход основан на решении алгебро-трансдендентных нелинейных уравнений с применением итерационных, проекционных методов, методов спуска и продолжения решения по параметру, комбинированных методов [1,2,4,5]
.
Наибольшее распространение при машинном проектировании электронных схем нашел метод Ньютона и его модификации. Пусть задана система нелинейных алгебраических и трансцендентных уравнений вида (32)
и известно, что в некоторой области G
переменных (X1
, Х2
,..., Хn
)
существует единственное решение (X*
1
, Х*
2
,..., Х*
n
)
. Метод Ньютона заключается в том, что по начальному приближению переменных (X0
1
,Х0
2
,...,Х0
n
)
находится следующее приближение по формулам :
Xi
1
=
Х
i
0
-|W(
Х
i
0
)|-1
•¦
(
Х
i
0
) i=1,…n
или
W(
Х
i
0
)
•D
Х
i
0
= -
¦
(
Х
i
0
),
Х
i
1
=
Х
i
0
+
D
Х
i
0
,
где
¦
(Хi
0
),
- значение левой части системы (32)
при Хi
0
, называется вектором невязок,
W(Хi
0
)=d
¦
(Хi
0
)/dХi
0
-
матрица Якоби (якобиан) системы (32),
D
Хi
0
- вектор поправок.
По полученным значениям вычисляется
W(
Х
i
1
)
•D
Х
1
1
= -
¦
(
Х
i
1
), i=1,…,n
Хi
2
= Хi
1
+
D
Хi
1
,
и т.д.
Если найдено k-е
приближение, то (k+1)-e
приближение находится по формуле
W(Хi
k
)
•D
Х1
k
= -
¦
(Хi
k
), (33)
Хi
k+1
= Хi
k
+
D
Хi
k
Если Lim(Хi
k
)k
®
¥
для i=1,…,n
. т.е. Хi
k
®
¥
(погрешность), то говорят, что метод Ньютона сходится к решению.
Как видно из (33)
на каждой итерации процесса приближения к решению требуется вычислять значение вектора невязок ¦
(Хi
k
)
, Якобиана W=d
¦
(Хi
k
)/dХi
k
, решать систему линейных алгебраических уравнений относительно вектора поправок D
Хi
k
и находить следующее приближение Хi
k+1
через Хi
k
и D
Хi
k
по формуле суммирования векторов.
Приближенное решение Хi
k+1
= Хi
*
желательно получить с наперед заданной точностью e
. На практике достигнутую в процессе итераций точность оценивают по норде вектора поправок D
Хi
k
или по норме вектора невязок [
¦
(Хi
k
)]
. Очевидно, что при Хi
k+1
®
Хi
*
имеем [
D
Хi
k
]
®
0
и [
¦
(Хi
k
)]
®
0
. Отсюда следует, что вычисления следует прекращать, если [
D
Хi
k
] <
e
или [
¦
(Хi
k
)] <
e
. Под номой вектора D
Хi
k
или ¦
(Хi
k
)
может пониматься либо евклидова норма е
- норма
n
[
D
Х
i
k
] =
(
S
(
D
Х
i
k
)2
)
0.5
i=1
либо S
- норма
n
[
D
Хi
k
] =
S
|
D
Хi
k
|
i=1
либо равномерная норма ( m
- норма)
[
D
Хi
k
] = max
|
D
Хi
k
|
1
£
i
£
n
Скорость сходимости метода Ньютона квадратична
D
Х
i
k+1
£
k
•(
Х
i
k
)2
где k
- константа.
Если ошибка D
Хi
k
мала, например D
Хi
<< 1
, то последующая ошибка будет уменьшаться до увеличенного в k
- раз квадрата предыдущей ошибки. После каждой итерации наблюдается удвоение количества правильных десятичных знаков в результате. Для сходимости процесса Ньютона к решению Х*
необходимо, чтобы:
а) начальное приближение Х0
было близко задано к корням Х*
;
б) вектор функция ¦
(Х)
должна быть определена и непрерывна вместе со своими частными производными первого и второго порядка в некоторой области;
в) матрица Якоби W(Х)
должна иметь обратную ограниченную матрицу;
г) матрица вторых частных производных функции ¦
(Х)
также должна быть ограничена. Эти условия математически сложны для априорного определения факта сходимости и скорости сходимости. Поэтому мы не приводим их строгой математической формулировки, а поясним на конкретных примерах как они влияют на процесс сходимости и результат решения.
ПРИМЕР МАТЕМАТИЧЕСКОЙ МОДЕЛИ ДЛЯ СТАТИЧЕСКОГО РЕЖИМА РАБОТЫ ЭЛЕКТРОННОЙ СХЕМЫ.
Рассмотрим простейшую математическую модель цепи (рис.6)
с диодом для статического режима
Рис.6
-E+Uд+R
•Iо•(
e
Uд /
j
т
-1)=
¦
(
Uд
)=0
(34)
где- Iо,
j
Т
- параметры модели диода для статического режима;
E, R
- параметры цепи.
Якобиан уравнения (34)
будет равен:
W(
Uд
)=d
¦
(
Uд
)/d
Uд
=1+(1/
j
Т
) •R•Iо•
e
Uд /
j
т
(35)
Итерационная формула Ньютона (см. (33)
) с учетом (34)
и (35)
примет вид
Uк
д/
j
Т
Uк
д/
j
Т
[ 1+(1/
j
Т
) •R•Iо•
e
] •
D
Uk
д = E-Uк
д -R•Iо•(
e
-1) (36)
Uк+1
д
= Uк
д
+
D
Uк
д
На рис.7
показана геометрическая интерпретация процесса решения по итерационной формуле (36)
. Рис. 7
Процесс решения начинается с начального приближения U0
Д
и заканчивается в близкой окрестности корня U*
Д
. Видно, что выбор начального приближения U0
Д
справа от корня приводит к окончанию итерационного процесса в поиску решения за 3-4 итерации. Наклон касательной в точке, например, [U0
Д
,
¦
(U0
Д
)]
определяется W(U0
Д
)
, а приращение между итерациями D
U0
Д
- значением якобиана и функции в прежней точке, т.е.
D
U0
Д
= W-1
(U0
Д
) •
¦
(U0
Д
)
В промежутке между итерациями функция ¦
(U0
Д
)
заменяется прямой линией, касательной в исходной точке. Поэтому метод Ньютона называют еще методом касательной или методом линеаризации. Если начальное приближение выбрать слева от корня, то нетрудно видеть, что из-за большой величины обратной производной W-1
(U0
Д
)
уже первое приращение D
U0
Д
велико и может привести к большому значению функции ¦
(U1
Д
)
и даже переполнению разрядной сетки ЭВМ (рис.8).
На рис. 9
. показаны для произвольной функции ¦
(Х)
случаи зацикливания итераций и расходимости метода Ньютона. Однако из геометрических интерпретаций видно, что если начальное приближение выбрано близко к точному решению, то метод сходится всегда.
Рис. 8
Рис. 9
Для устранения неоправданного роста ¦
(U1
Д
)
переполнения разрядной сетки ЭВМ в случае экспоненциальных нелинейностей существует несколько способов [l,2]
:
а) введение ограничений на изменение напряжения и тока диодов:
Iд
£
Iд макс
, Uд
£
Uд макс
6) линеаризация диодных характеристик после Uд макс
, т.е. применение соотношений:
ì
Iо•(eUд/
j
т
-1) при Uд
£
Uд макс
= Uдм
Iд=
í
î
Iо•(eUдм/
j
т
-1)•(1+(Uд-Uдм)/
j
Т
) при Uд > Uдм
в) использование вспомогательных соотношений - определение поправки, например, при D
U
>0
по формуле:
D
Uк
Д
= j
Т
•Ln(1+
D
Uк
Д
/
j
Т
)
где D
Uк
Д
- поправка, вычисленная по обычной итерационной схеме Ньютона. Эти идеи переносимы и на другие классы нелинейных функций.
МЕТОДЫ РЕШЕНИЯ СИСТЕМ ЛИНЕЙНЫХ АЛГЕБРАИЧЕСКИХ УРАВНЕНИЙ ПРИМЕНЯЕМЫХ ДЛЯ АНАЛИЗА СХЕМ.
При расчете статического режима методом Ньютона (cм. (33)
) возникает необходимость решения, системы линейных алгебраических уравнений на каждой итерации. Численные методы решения систем линейных уравнений делятся на две группы:
1) точные (прямые) методы
2) итерационные.
Точные методы
дают решение системы за конечное число арифметических операций. Если все операции выполняются точно (без ошибок округления), то решение заданной системы также получается точным.
Итерационные методы
служат, как правило, для итерационного улучшения решений, получаемых прямыми методами. Итерационные методы являются приближенными. Они дают решение системы как предел последовательных приближений, вычисляемых некоторым единообразным процессом (например), рассмотренный метод Ньютона, метод простой итерации, метод Некрасова, метод Зейделя и др. [4,5]
.
Наиболее простой среди точных методов - метод Гаусса [4,5]
. Он основан на идее исключения неизвестных, в результате которого заданная система уравнений
W•
D
Х=
¦
или А•Х=В
т.е.
а11
•х1
+а12
•х2
+а13
•х3
+……а1n
•хn
=b1
а21
•х1
+а22
•х2
+а23
•х3
+……а2n
•хn
=b2
(37)
………………………………………
аn1
•х1
+ аn2
•х2
+ аn3
•х3
+……аnn
•хn
=bn
преобразуется в эквивалентную ей систему о верхней треугольной матрицей, решение которой уже не представляет труда. Метод Гаусса может быть реализован следующим образом. Предположим, что а11
¹
0
и разделим первое уравнение системы (37)
на коэффициент а11
, называемый ведущим для первого шага,. Затем умножим последовательно полученное уравнение на аi1
и (i=2,3,..., n)
и вычтем его из соответствующих уравнений (i=2,3,..., n)
системы (37)
. В результате неизвестное x1
будет исключено из всех уравнений заданной системы, кроме первого, и мы получим систему, эквивалентную (37)
вида
х1
+а12
(1)
•х2
+а13
(1)
•х3
+……а1n
(1)
•хn
=b1
(1)
0+а22
(1)
•х2
+а23
(1)
•х3
+……а2n
(1)
•хn
=b2
(1)
(38)
………………………………………………
0+аn2
(1)
•х2
+аn3
(1)
•х3
+……аnn
(1)
•хn
=bn
(1)
С этой системой поступаем аналогично, но без учета первого уравнения. Таким образом, на втором шаге фактически преобразуемой является система ( n-1 )
-го порядка с матрицей
| а22
(1)
а23
(1)
…… а2n
(1)
|
| а32
(1)
а33
(1)
…… а3n
(1)
|
| ……………………….. |
| аn2
(1)
аn3
(1)
…… аnn
(1)
|
и правой частью | b2
(1)
b3
(1)
…… bn
(1)
|t
После второго шага получаем систему, в которой х2
будет исключено из всех уравнений, кроме первого и второго. Продолжая описанный процесс, после n -го шага придем к системе, эквивалентной (37)
, но с треугольной матрицей
х1
+а12
(1)
•х2
+а13
(1)
•х3
+……а1n
(1)
•хn
=b1
(1)
0 + х2
+………………а2n
(2)
•хn
=b2
(2)
(39)
………………………………………
…………………………………
х
n
=bn
(n)
Преобразование системы (37)
в систему (39)
называется прямым ходом, а решение треугольной системы (39)
- обратным ходом. Вычислительные формулы этого варианта метода Гаусса, называемого алгоритмом единственного деления, имеют следующий вид:
Прямой ход. s
-й шаг (s = 1, 2,……n)
а
i
к
(s)
=
а
i
к
(s-1)
/
а
ss
(s-1)
, bi
(s)
= bi
(s-1)
/
а
ss
(s-1)
, i=s,
к
=s,s+1,……,n (40)
а
i
к
(s)
=
а
i
к
(s-1)
-[
а
s
к
(s-1)
/
а
ss
(s-1)
]•
а
is
(s-1)
,
bi
(s)
=bi
(s-1)
-[
а
is
(s-1)
/
а
ss
(s-1)
]•bi
(s-1)
, i=s+1, s+1, ………., n
к
=s, s+1, ……, n
Обратный ход осуществляется по формул
n
xi
=bi
(i)
-
S
а
i
к
(i)
•x
к
, i=n, n-1, ………,1
(41)
к=i+1
Схема единственного деления проста и экономна по числу арифметических операций (требует умножений- (
n
3
+3
•n2
+n
)/3
, сложений- (2
•n
3
+3
•n2
+5•n
)/6
, делений- n
), однако для ее применения необходимо, чтобы вcе ведущие элементы аss
(s-1)
(s=1,2,….,
n
)
были отличны от нуля. Близость ведущих элементов к нулю может привести к большой потере точности вычисленного решения. В связи с этим вводятся различные варианты метода Гаусса, например, алгоритм с выбором главных элементов по всей матрице. Порядок исключения неизвестных в заданной системе происходит следующим образом. На каждом шаге s
(s=1,2,….,
n-1
)
из коэффициентов преобразуемой матрицы выбирается наибольший по модулю, называемый главным элементом s
-го шага. Стоящее при нем неизвестное исключается по описанному выше правилу. Дня удобства вычислений перед исключением этого неизвестного делают перестановку уравнений и неизвестных так, чтобы главный элемент занял левый верхний угол преобразуемой матрицы. Если s-
м шаге наибольший элемент выбирается среди коэффициентов s
-го столбца (строки), то такой алгоритм называется алгоритмом с выбором главного элемента по столбцу (отроке). Следует отметать, что процедура обращения матриц путем применения исключений Гaycca требует примерно n3
умножений по сравнению n3
/3
при решении системы линейных уравнений. Поэтому не предлагается решать уравнение W
•
D
Х=
¦
путем обращения W
.
При решении систем линейных уравнений, в том числе при анализе линейных схем, широкое распространение кроме метода Гаусса получили также LU
- разложение, метод Краута, методы отражений и вращений [5, Д2]
. В случае расчета больших электронных схем матрица W
имеет значительное количество нулевых элементов (до 80-90 %) т.е. сильно разряжена. Учет этого обстоятельства в специальных модификациях вышеуказанных методов [5, Д2]
позволяет резко увеличить эффективность решения (уменьшить затраты памяти и увеличить скорость решения).
При расчете статического режима ТРУ (см. (9)
при условиях статики и (33)
) методом Ньютона потребуется решать систему линейных алгебраических уравнений вида
| -1/R1
|
|
|
|
|
|
|
•
|
D
j
к
1
|
=
|
¦
1
(
j
к
1
)
|
| |
1/R
Б
+
+1/R2
|
1/R3
-
-1/RБ
|
|
|
|
|
D
j
к
2
|
¦
2
(
j
к
2
,
j
к
3
)
|
| |
1/R
Б
|
W33
|
a
N
•
¦
'
э
-
-
¦
'э
|
-
a
I
•
¦
'к- -
¦
'к
|
|
|
D
j
к
3
|
¦
3
(
j
к
2
,
j
к
3
,
j
к
4
,
j
к
5
)
|
| |
|
a
N
•
¦
'э++
¦
'э
|
W44
|
|
|
|
D
j
к
4
|
¦
4
(
j
к
3
,
j
к
4
)
|
| |
|
¦
'к+
+
a
N
•
¦
'э
|
-
a
N
•
¦
'э
|
-
¦
'к+
+1/R4
|
|
|
D
j
к
5
|
¦
5
(
j
к
3
,
j
к
4
,
j
к
5
)
|
| |
|
|
|
|
1/R6
|
|
D
j
к
6
|
¦
6
(
j
к
6
)
|
| |
1/R2
|
|
|
1/R7
|
|
-1
|
D
i
к
Е
|
¦
7
(
j
к
2
,
j
к
5
,
i
к
Е
)
|
где ¦
'к=d
¦
к
j
к
i
/d
j
к
i
, ¦
'э=d
¦
э
j
к
i
/d
j
к
i
i
- индекс соответствующего потенциала,
W33
= -1/RБ
+
¦
'э+
a
N
•
¦
'э+
¦
'к+
a
I
•
¦
'к
W44
= 1/R5
+
¦
'
э
-
a
N
•
¦
'
э
Если в вычислении i
Е
нет необходимости, то можно решать систему 6-го порядка, удалив последний строку и седьмой столбец в матрице W
. Потенциалы на каждой итерации определяются из
j
к+!
i
=
j
к
i
-
D
j
к
i
, к=0,1,2,……..
Если [
D
j
i
k
] <
e
и [
¦
(
j
i
k
)] <
e
, то j
i
k+1
=
j
*
i
т.е. искомому решению.
Для моделей ММС-Ст1 и ММС-Ст2 может быть построена итерационная схема (33)
подобно тому, как это было сделано для модели ТРУ. Например, матрица Якоби от (27)
имеет вид
W(
i
Е
,
j
)=|АЕ
|+|АR
|•|G|•|Аt
R
|+|АH
|•
¦
'(|Аt
H
|•|
j
|)•|Аt
H
|+
+|АД
|•
a
•
¦
'Н
(|Аt
Д
|•|
j
|)•|Аt
Д
|
(42)
Чтобы рассчитать методом Ньютона статический режим заданной схемы из класса электронных схем представленного множеством ветвей (2)-(3)
, необходимо по заданной топологической информации (матрацам |А|
или |П|
) сформировать не только модели (27….29)
или (31)
, но и матрицу Якоби. В ЭВМ это осуществляется автоматически с помощью специальных алгоритмов формирования модели и Якобиана. Если при решении линейной системы применяется метод разреженных матриц, то якобиан представляется не в форме матрицы [n
x
n]
, а в виде связанных векторов (множеств) [5]
.
Кроме метода Ньютона, при расчете статического режима, т.е. при решении ММС-Ст1 и ММС-Ст2, можно применить другие методы:
-метод Ньютона-Канторовича, требующий вычисления Якобиана только один раз;
-метод наискорейшего спуска, который менее критичный, чем метод Ньютона, к выбору начального приближения, но с меньшей скоростью сходимости;
-метод Матвеева - комбинацию из названных;
-методы высокой скорости сходимости [2,4,5].
На основе ММС-Ст рассчитывается ряд качественных показателей, например, потребляемая мощность на постоянном токе - Ро
, как сумма мощностей, потребляемых в каждой ветви, передаточная характеристика Uвых=
¦
(Uвх)
при линейном законе изменения Uвх
в др. По окончании расчета статического режима находятся также параметры малосигнальных моделей приборов. Например, для транзистора определяется
gK
= I'К
•(U*
КБ
)
»
D
IК
/
D
U*
КБ
|
| UКБ=
U*
КБ
rK
=1/gK
, CK
=CK
(UКБ
)
gЭ
= I'Э
•(U*
БЭ
)
»
D
IЭ
/
D
U*
БЭ
|
| UБЭ=
U*
БЭ
rЭ
=1/gЭ
, CЭ
=CЭ
(UБЭ
)
U*
КБ
, U*
БЭ
-
значения напряжений в статическом режиме.
МАТЕМАТИЧЕСКАЯ МОДЕЛЬ ЭЛЕКТРОННОЙ СХЕМЫ В ДИНАМИЧЕСКОМ РЕЖИМЕ ПРИ МАЛОМ СИГНАЛЕ.
ВРЕМЕННАЯ ОБЛАСТЬ.
При малом входном сигнале нелинейные функции, описывающие свойства приборов, в окрестности статического режима можно считать линейными и представлять параметрами, рассчитанными (или измеренными) в статическом режиме. Тогда на эквивалентной схеме транзистора (рис.2)
диоды будут заменены резисторами r
K
и r
Э
, нелинейные емкости - постоянными значениями. Математическая модель ТРУ (9)
приобретает вид линейных алгебро-дифференциальных уравнений, а ее обобщенный матричный аналог (14)
-ММС-ДР1
|АЕ
|•|
i
Е
|+|АR
|•|G|•|Аt
R
|•|
j
|+|АH
|•gН
•|Аt
H
|•|
j
|+|АД
|•
a
• gД
•|Аt
Д
|•|
j
|+
+|АСЛ
|•|СЛ
|•d(|Аt
CЛ
|•|
j
|)/dt+|АСН
|•|СН
•d(|Аt
CН
|,|
j
|)/dt = 0
(43)
gН
=|1/rк
1/rэ
|, СН
=|Ск
Сэ
|
или после перестановок:
| |
d(Асл
,
j
)/dt
)
|
|
|
| |Асл Cл|Асн Cн |АЕ
|
•
|
d(Асн
,
j
)/dt
)
|
=
|
[AR
•
GR
•
At
R
+AH
•
gH
•
At
H
+ A
Д
•
a
•
g
Д
•
At
Д
]
•
j
+
+ AR1
•
G1
•U
ВХ
(44)
|
| |
i
Е
|
|
|
и, наконец, в сокращенном виде без уравнения для i
Е
A
j
•d(At
C
,
j
)/dt=AG
j
•
j
+ AU
•
u
(t) (45)
Соответственно ММС ДР2 (см.(23)
) для малого сигнала после алгебраических преобразований с учетом разбиения матриц p
t
RХ
и p
t
IХ
, ( на субматрицы ) запишется как
С•duc/dt=|C|-1
•[(
p
CRX
•GХ
•
p
t
CRX
+
p
CIH
•gH
•
p
t
CIX
+
p
CIД
•
a
•gH
•
p
t
CIX
)•uc+ +(
p
CRX
•GХ
•
p
t
RBRX
+
p
CIH
•gH
•
p
t
RBIX
+
p
CIД
•
a
•gH
•
p
t
RBIX
)•uRB
+
+(
p
CRX
•GХ
•
p
t
ERX
+
p
CIH
•gH
•
p
t
EIX
+
p
CIД
•
a
•gH
•
p
t
EIX
)•EB
]
(46)
или более сокращенно
dX/dt=A1
•X +A2
•X+B1
•
u
(t), X=
uC
, Xл
=
uRB
,
u
(t)=E
B
(47)
где A1
, A2
, B1
- матрицы в квадратных скобках, умноженные на |C|-1
.
Используя подобные преобразования из (23)
и (24)
, имеем
XЛ
=Д1
•X +Д2
•
u
(t)
(48)
Подставляя (48)
в (47)
окончательно получим
dX/dt=(A1
+A2
•
Д
2
)•X+(B1
+A2
•
Д
2
)•
u
(t),
или
dX/dt=A•X+B•
u
(t)
=
¦
( X,
t
)
(49)
Это уравнение разрешено явно относительно производных dX/dt
, а уравнение (45)
представлено в неявной форме относительно производных, порядок и вид систем уравнений также различен. Алгоритм формирования уравнений (45)
проще, ибо не требует выбора дерева на графе и такого количества операций с матрицами, как при получении (48)
.
Задача расчета динамического режима математически формулируется как задача Коши, заключающаяся в том, что ищется решение X(
t
)
(или j
(
t
)
) уравнения (49)
(или (45)
), удовлетворяющее заданному начальному условию
X(
tО
)=X
О
=X*
(
j
(
tО
)=
j
*
)
на интервале tО
£
t
£
tК
, tК
- конец интервала.
Условия существования и единственности решения поставленной задачи Коши будем считать выполненными.
При решении численными (конечно-разностными) методами искомая функция ищется в отдельных точках интервала [tО
,
tК
], t0
,
t1
,…,
tn
, …,
tN
называемых узлами, в виде таблицы значений X0
,X
1
,…,X
n
,…,X
N
, приближенно равных значениям X(t1
)
,
X(t2
)
,…,
X(tn
)
,…,
X(tN
)
точного решения X(t)
. Расстояние между узлами h
=D
t
=tn+1
-tn
называется шагом интегрировании и может быть задано либо перед началом вычислений (интегрирование с постоянным шагом), либо определяться в процессе вычислений (интегрирование с автоматическим выбором шага).
Большинство численных методов решения рассматриваемой задачи Коши можно представить в виде [l,2,4.5,Д4]
Xn+1
=F(Xn-q
, Xn-q+1
,…,Xn
,Xn+1
,…, Xn+s
)
(50)
где F
- некоторая известная функция указанных аргументов, определяемая способом построения метода и зависящая от вида интегрируемого уравнения и избранной сетки
t
О
<
t1
<
…..
<tN
=T
При q=0, 0
£
s
£
1
такие вычислительные алгоритмы обычно называют одношаговыми, а при q
³
1
или s
³
1
- многошаговыми. Как одношаговые, так и многошаговые метода вида (50)
называют явными в случае s=0
и неявными при s=1
. В случае s=1
многошаговые алгоритмы называют методами с забеганием вперед. Многошаговые методы требуют применения специальных вычислительных алгоритмов для нахождения первых q
- значений X1
,X2
,..,Xq
приближенного решения и последних его s-1
значений XN-S+2
,X N-S+3
,…,XN
.
Ввиду приближенного характера решения на каждом шаге численного интегрирования возникает, так называемая, локальная ошибка:
e
к
=|| XК
, X(tК
)
||
между точным и получаемым решением. Локальная ошибка состоит всегда из двух компонент:
1) ошибки метода (-или отбрасывания) -e
мк
2) ошибки округления e
rк
Первая зависит от вида численного алгоритма, используемого при вычислении XК
,
а вторая - обусловлена конечной длиной машинного слова при реализации алгоритма на ЭВМ. Как ошибка метода, так и ошибка округления накапливаются с увеличением числа шагов. Некоторые методы (численно неустойчивые) способствуют усилению локальной ошибки метода и ошибки округления на каждом шаге так, что через некоторое время возросшая ошибка может преобладать над самим решением. Устойчивость же метода гарантирует, что локальные ошибки не усиливаются, а остаются ограниченными для достаточно малой величит шага h
при h
®
¥
. Методы имеют разную область устойчивости и, соответственно, разную величину максимально-возможного шага интегрирования. На результат решения влияет также точность задания начальных условий. На практике для расчетов имеет смысл применять сходящиеся методы. Метод считается сходящимся в том случае, когда для решения задачи Коши, имеющей единственное решение X(t)
, вычисленное решение X(tК
)
при действии указанных факторов, однозначно сходится к X(t)
на интервале tО
£
t
£
T
при t
®
¥
и h=T/n
.
Самыми простыми из методов численного интегрирования являются явный и неявный методы Эйлера. Они являются первыми в ряду как одношаговых, так и многошаговых методов. Согласно явному методу Эйлера решение определяется по формуле
Xn+1
= Xn
+
h•
¦
(Xn
,
tn
) +
r
n+1
(51)
где
Xn+1
=X(tn
+h),
tn
=
to
+n•h,
r
n+1
-
ошибка метода (или ошибка отбрасывания),
r
n+1
=(h2
/2)•
¦
''(
tn
+
Q
•h,
Xn
)
0
<
Q
<
1
(52)
или выраженная через конечные разности и значения Xi
r
n+1
=(h2
/2)•(
D
2
•Xn
)/h2
= (Xn+1
-2•Xn
+Xn-1
)/2
(53)
Показатель при h
(в нашем случае два) характеризует порядок точности метода.
Геометрически метод Эйлера означает замену интегральной кривой, представляющей точное решение X(t
),
кусочно-ломаной линией, участки которой параллельны касательной к X(t
)
в узлах tn
. Поэтому метод Эйлера называют иначе методом ломаных или касательных.
Если ошибка задана, т.е. r
n+1
= e
то шаг интегрирования может быть выбран исходя из ошибки метода
h
£
[2•
e
/(
•
¦
''(
tn
,
Xn
)
)
]0.5
(54)
Значительно большие ограничения на шаг интегрирования явного метода Эйлера налагаются из условий устойчивого поведения в процессе вычислений [2,6]
. Так при интегрировании устойчивой системы линейных дифференциальных уравнений (50)
, имеющей, например, р
различных действительных отрицательных собственных чисел матрицы А=|
l
1
,
l
2
,…,
l
p
|t
решение стремится к нулю, т.е. Lim
n
®
¥
Xn
=0
только при выполнении условия
|1+h•
l
i
|t
<1, i=1,2,……,p
Учитывая, что l
i
, получаем верхнюю границу для величины шага интегрирования
h < 2/
l
МАКС
(55)
где l
МАКС
= МAX
[|
l
1
|,|
l
2
|,|
l
3
|,….,|
l
p1
|,]
Известно, что постоянные времени линейной схемы, описываемой системой (50)
, связаны с собственными значениями |А|
следующим образом: t
=
-1
/
l
i
.
Поэтому h < 2•
t
МИН
, где t
МИН
=МIN
[|
t
1
|,|
t
2
|,|
t
3
|,….,|
t
p1
|,]
Если в системе уравнений имеется большой разброс собственных значений l
i
. (говорят, жесткая система) или в схеме большой разброс постоянных времени, то приходится интегрировать с малым шагом даже на участке, где решение изменяется медленно (большое t
). Любая попытка увеличения шага незамедлительно приводит к резкому возрастанию погрешности ("взрыву" погрешности).
Неявный метод Эйлера Xn+1
= Xn
+
h•
¦
(Xn+1
,
tn+1
)
(56)
имеет ошибку метода r
n+1
= -0.5•h2
•
¦
''(
Xn
, tn
),
(57)
но в отличие от явного метода Эйлера, его свойства устойчивости не накладывают каких-либо ограничений на шаг h
. Действительно, из условия устойчивости
1/|1-h•
l
i
| < 1
и т.к. l
i
<0
, то приближенное решение устойчиво для всех h>0
. Шаг интегрирования может быть выбран, основываясь только на соображениях точности, т.е. по формуле (57)
. Применение неявного метода Эйлера для решения жестких систем уравнений (с большим разбросом постоянных времени) позволяет получить выигрыш в числе шагов h
и тем больший, чем больше разброс постоянных времени. Однако использование (56)
связано с решением на каждом шаге интегрирования системы нелинейных уравнений для нахождения вектора Xn+1
, если ¦
(Xn
)
- нелинейно.
Применение (56)
для интегрирования (49)
приводит к решению на каждом шаге системы
|1/h - A |•Xn+1
=(1/h)•Xn+1
+ B•
u
(t
n+1
)
(58)
а для решения (45)
- системы линейных уравнений
|A
j
/h - AG
j
|•
j
n+1
= (A
j
/h)•
j
n
+ A
u
•
u
(t
n+1
)
(59)
При явном, методе Эйлера получаем, соответственно системы
Xn+1
=|1+h•A |•Xn
+ h•B•
u
(t
n1
)
(60)
(A
j
/h)•
j
n+1
=|A
j
/h + AG
j
|•
j
n
+ A
u
•
u
(t
n
)
(61)
Решение линейных систем может быть произведено методом Гаусса, либо другим методом решения систем алгебраических уравнений. Следует отметить, что при интегрировании жестких систем, в линейных уравнениях могут возникать плохообусловленные матрицы, что предъявляет дополнительные требования к методам решения линейных систем и ограничивает шаг h
Методы Эйлера, как правило, при анализе динамического режима сложных электронных схем не всегда обеспечивают необходимую точность и эффективность решения. Поэтому применяют методы более сложные, большего порядка точности и в случае решения жестких систем, а таковыми в большинстве случаев являются математические модели электронных схем - жестко-устойчивые:
метод Шихмана,
метод Гира,
ФДН,
неявные методы Рунге-Кутта [1,2,5]
.
В случае колебательного характера решения предпочтение отдается методу трапеций и неявным методам Рунге-Кутта.
Имея решение (58)
-(61)
и уравнения (13)
,(23)
-(24)
или (49)
можно определить почти все токи и напряжения в анализируемой схеме и необходимые качественные показатели; коэффициенты передачи, входные и выходные сопротивления и прочее.
МЕТОДЫ И АЛГОРИТМЫ РАСЧЕТА ДИНАМИЧЕСКОГО РЕЖИМА ПРИ БОЛЬШОМ СИГНАЛЕ.
ВРЕМЕННАЯ ОБЛАСТЬ
.
Математические модели для динамического нелинейного режима, детально рассмотренные в разделе "МАТЕМАТИЧЕСКАЯ МОДЕЛЬ ЭЛЕКТРОННОЙ СХЕМЫ В ДИНАМИЧЕСКОМ РЕЖИМЕ ПРИ БОЛЬШОМ СИГНАЛЕ. ВРЕМЕННАЯ ОБЛАСТЬ."
(9)
, (13)
, (14)
, (23)-(25),
можно представить (10)
и (26)
в двух характерных обобщенных формах
F
д
(X, X
, t)=0, X(to
)=X*
(62)
и
X
=
¦
д (x, t), (63)
где Fд
, ¦
д
- нелинейные операторы,
X
*
- результат расчета статического режима,
|X|=|XД
,XН
,XЛ
|t
, т.е. в виде нелинейных алгебро-дифференциальных уравнений и в нормальной форме обыкновенных дифференциальных уравнений. Решение этих уравнений может быть найдено при использовании явных и неявных методов численного интегрирования. Применяя явный метод Эйлера к (63)
найдем решение в узлах t0
, t1
, t2
,….., tn
, интервала [t0
,….. tК
]
по соотношению
Xn+1
= Xn
+
h•
¦
д(Xn
,
tn
) n=0,1,……N
(64)
Из уравнения (56)
для производной Х
получим
X
n+1
=¦
(
Xn+1
,
tn+1
)=(
Xn+1
-
Xn
)/h (65)
Введение из (65)
в (62)
и (63)
позволяет последние свести к конечным нелинейным алгебраическим уравнениям в узлах разностной сетки
Fд (
Xn+1
,
(
Xn+1
-
Xn
)/h,
tn+1
)=0 (66)
(
Xn+1
-
Xn
)/h=
¦
д(
Xn+1
,
tn+1
)
(67)
Для решения (66)
и (67)
применим метод Ньютона. В результате получим алгоритмы расчета динамического режима в виде
|
¶
Fд(
Xк
n+1
)/
¶
Xк
n+1
|•
D
Xк
n+1
= - Fд(
Xк
n+1
, (
Xn+1
-
Xn
)/h,
tn+1
) (68)
Xк+1
n+1
=Xк
n+1
+
D
Xк
n+1
, к=0,1,2,….,
и
|
¶
¦
д(
Xк
n+1
)/
¶
Xк
n+1
-1/h
|•
D
Xк
n+1
=¦
д(
Xк
n+1
,
tn+1
) -
Xк
n+1
/h +
Xn
, (69)
Xк+1
n+1
=Xк
n+1
+
D
Xк
n+1
Таким образом, расчет динамического режима сводится к решению к
-раз на каждом шаге численного интегрирования систем линейных алгебраических уравнений, например, рассмотренным ранее методом Гаусса. Условия сходимости метода Ньютона требуют достаточно хорошего начального приближения, точность которого определяет и число итераций в (68)
и (69)
. Для его получения рекомендуют [2,5]
- один из явных методов (например, метод Эйлера). При этом руководствуются тем, что характеристики устойчивости явного метода не имеют существенного значения при его однократном применении. Следует отметить, что из условий сходимости метода Ньютона вытекают дополнительные ограничения на пределы изменения шага численного интегрирования h
. При построении численных алгоритмов приходится также учитывать особенности интегрирующих систем уравнений (например, жесткость), которые могут привести к плохой обусловленности матрицы Якоби и трудностям при решении систем линейных уравнений. При сильно разреженной матрице Якоби применяют методы решения систем с разреженными матрицами [4,5]
.
Компоненты вектора Fд
и матрицы Якоби ¶
Fд/
¶
X
для ММС ТРУ вида (9)
при подстановке (69)
будут
Fд 1
=(С1
/h-1/R1
)•
j
1(n+1)
-
(С2
/h)•
j
2(n+1)
-uвх
(t
n+1
)/R1+(С1
/h)•
j
1n
+(С2
/h)•
j
2n
Fд 2
=(С1
/h)•
j
1(n+1)
-
(С1
/h+1/RБ
+1/R2
)•
j
2(n+1)
+
(1/R3
-1/RБ
+1/R2
)•
j
3(n+1)
-
-
E
2
/
R2
+(С1
/h)•
j
1n
+(С2
/h)•
j
2n
Fд 3
=………………………………………………………………………… (70)
Fд 4
= -[ СЭ
(-
j
3(n+1)
+
j
4(n+1)
) / h ]•
j
3(n+1)
+
[ СЭ
(-
j
3(n+1)
+
j
4(n+1)
) / h ]•
j
4(n+1)
-
-
a
I
¦
к
(-
j
3(n+1)
+
j
4(n+1)
) +
¦
э
(-
j
3(n+1)
+
j
4(n+1)
+
j
5(n+1)
/R5
--
-
СЭ
(-
j
3(n+1)
+
j
4(n+1)
) / h ]•
j
3(n+1)
+
СЭ
(-
j
3(n+1)
+
j
4(n+1)
) / h ]•
j
4(n+1)
F
д
5
=………………………………………………………………………………..
F
д
7
=
j
2(n+1)
/R2
--
j
5(n+1)
/R4
-
i
E(n+1)
--
(1/R2
+1/R4
)•E (71)
| |
|
1
|
2
|
3
|
4
|
5
|
6
|
7
|
| |
1
|
С1
/h-1/R1
|
-С1
/h
|
……………………………..
|
..
|
……
|
.
|
….
|
| |
2
|
С1
/h
|
-С1
/h+1/RБ
+1/R2
|
…………………………….
|
…
|
……
|
.
|
….
|
| ¶
Fд(Xк
n+1
)/
¶
Xк
n+1
=
|
3
|
………..
|
…………….…
|
…………………………….
|
…
|
……
|
.
|
….
|
| |
4
|
………
|
………………
|
(
С
'
Э
/h)•
j
3(n+1)
+(
С
'
Э
/h)+
a
I
¦
'
к
--
¦
'
э
|
..
|
…
|
.
|
….
|
| |
5
|
………..
|
……………….
|
……………………………………
|
…
|
….
|
.
|
….
|
| |
6
|
……….
|
|
………………………………….
|
|
..
|
.
|
….
|
| |
7
|
………….
|
1/R2
|
…………………………………
|
|
-1/R4
|
|
-1
|
Здесь ¦
'к,
¦
'э, С'э
- производные от нелинейных функций по соответствующим переменным.
Обобщенные модели (14)
и (25)
таким же путем, как было сделано для (9)
, можно представить в виде (68)
и, соответственно, (69)
.
На основе системы (14)
вектор Fд
и матрица Якоби ¶
Fд/
¶
j
запишутся в форме:
Fд= AСН
•[CН
(At
СН
,
j
n+1
)/h]•At
СН
•
j
n+1
+
+ AСЛ
•(CЛ
/h)•At
СЛ
•
j
n+1
+
+ AН
•
¦
н(At
Н
,
j
n+1
) +
+ AН
•
a
•
¦
н(At
Д
,
j
n+1
)+
+ AR
•GR
•At
R
•
j
n+1
+ (72)
+AE
•
i
К
+
+A
СН
•[C
Н
(A*
СН
,
j
n
)/h]•At
СН
•
j
n
+
+ A
СЛ
•(C
Л
/h)•At
СЛ
•
j
n
¶
F
д
/
¶
j
n+1
= A
СН
•[C '
Н
(At
СН
,
j
n+1
)•At
СН
/h]•At
СН
•
j
n+1
+
+ A
СН
•[C
Н
(At
СН
,
j
n+1
) /h]•At
СН
+
+ A
СЛ
•(C
Л
/h)•At
СЛ
+
+ AН
•
¦
'н(At
Н
,
j
n+1
)•AН
t
+ (73)
+ AН
•
a
•
¦
'н(At
Д
,
j
n+1
)•At
Д
+
+ AR
•GR
•At
R
+
+ AE
При реализации на ЭВМ задачи расчета динамического режима для электронной схемы произвольной структуры вектор Fд
в Якобиан ¶
Fд/
¶
j
n+1
формируются по заданной топологии схемы автоматически с помощью специальных алгоритмов формирования.
Алгоритм анализа динамического режима, использующий ММC вида (63)
или (25)
и явные методы численного интегрирования не требуют решения систем нелинейных алгебраических уравнений и казалось бы более эффективен по затратам времени и памяти на ЭВМ, чем (68)
или (69)
. Но, на самом деле из-за ограничений на шаг, из условий устойчивости явных методов, этот алгоритм, особенно ври интегрировании жестких систем дифференциальных уравнений (c большим разбросом постоянных времени), а таковыми почти всегда являются уравнения электронных схем, оказывается менее аффективным.
МАТЕМАТИЧЕСКАЯ МОДЕЛЬ ЭЛЕКТРОННОЙ СХЕМЫ В ДИНАМИЧЕСКОМ РЕЖИМЕ ПРИ МАЛОМ СИГНАЛЕ.
ЧАСТОТНАЯ ОБЛАСТЬ.
Математические модели для частотной области получаются на основе моделей (43), (45), (49)
для временной области при использовании преобразования Лапласа (оператор d/dt
заменяется p
или j
w
, а. переменные j
(t)
®
j
(p)
и X(t)
®
X(p)
, u(t)
®
u(p)
и учете того, что сопротивление источника питания на переменном токе равно нули, т.е. Е=0
.
Тогда уравнение (45)
, например, приобретает вид
|A
j
•p•At
C
|•
j
(p)=|AG
j
|•
j
(p)+|AU
|•
u
(p) (74)
или
|A
j
•p•At
C
- AG
j
|•
j
(p)=|AU
|•
u
(p)
(75)
а из (47)
-(49)
можно получить
|p - A|•Х(p)=В•
u
(р)
(76)
Хл
(р)=[Д1
•|p-A|-1
•B+Д2
]•
u
(p)
(77)
Качественные показатели или функции схемы (например, коэффициенты передачи) определяются из (75)-(77)
следующим образом
K
j
(p)=[
j
(p)/
u
(p)]•[ A
u
/|A
j
•p•At
C
- AG
j
|] (78)
K1
(p)=[X(p)/
u
(p)]•[В/(р-А)] (79)
K2
(p)=[Xл
(p)/
u
(p)]•[ Д1
•В/(р-А)+Д
2
] (80)
Математическая модель может быть составлена и непосредственно по эквивалентной схеме переменного тока. Например, для рассматриваемого нами ТРУ эквивалентная схема, граф схемы и матрица инциденций А
представлены ниже.

Рис. 10
Эквивалентная схема ТРУ для режима малого сигнала в частотной области
Рис. 11
Граф схемы ТРУ для режима малого сигнала в частотной области.
Матрица инциденций |А|
| |
|
|
1
|
2
|
3
|
4
|
5
|
6
|
7
|
8
|
9
|
10
|
| |
|
1
|
-1
|
1
|
|
|
|
|
|
|
|
|
| |
|
2
|
|
-1
|
-1
|
1
|
|
|
|
|
|
|
| A
|
=
|
3
|
|
|
|
-1
|
-1
|
|
1
|
|
|
|
| |
|
4
|
|
|
|
|
1
|
-1
|
|
|
|
|
| |
|
5
|
|
|
|
|
|
|
1
|
-1
|
1
|
|
| |
|
6
|
|
|
|
|
|
|
|
|
-1
|
-1
|
Каждая k -я ветвь схемы представляется как обобщенная
i
К
=
b
К
•(
uк
+Ек
) -Jк
где b
К
- проводимость ветви, в общем b
К
=1/R+p•C+1/(p•L)
Ек
, Jк
- источники тока и напряжения в ветви, i
К
- ток в ветви,
uк
- напряжение на b
К
.
Узловое уравнение вида (63)
для данной схемы будет
|Y|•|
j
|=|I| (81)
где, |Y|=|A|•|YB
|•|A|t
, |I|=|A| • (|J|-|YB
|•|E|)
|YB
|-
матрица проводимостей ветвей,
|E|
и |J|
- вектора источников напряжения и тока ветвей,
|
j
|=|
j
1
,
j
2
,
….
,
j
6
,|t
-
вектор потенциалов узлов.
Матрица проводимостей узлов |Y|
| |
|
1/R1
+p
•
C1
|
-p
•
C1
|
|
|
|
|
| |
|
-p
•
C1
|
p
•
C1+1/R2
+
+1/R3
+1/R
Б
|
-1/R
Б
|
|
|
|
| |
|
|
-1/R
Б
|
p
•(
C
Э
+C
К
)+
+1/r
Э
+1/R
Б
+
+1/r
К
|
-1/r
Э
+p
•
C3
|
|
|
| Y
|
=
|
|
|
-1/r
Э
+p
•
C3
|
p
•(
C
Э
+C2
)+
+1/r
Э
+1/R5
|
|
|
| |
|
|
|
|
|
p
•
C4
+1/rK
+
+1/R4
|
-p
•
C3
|
| -p
•
C3
|
p
•(
C3
+C4
)+
+1/R6
|
Вектор эквивалентных узловых источников тока
|I|=|
-uвх
/R1
, 0,
a
•Iэ, 0,
a
•Iэ, 0|t
.
Напряжение узлов и ветвей
|
u
|=|A|t
•|j
|,
|
j
|=|
j
1
,
j
2
,
….
,
j
6
,|t
, |
u
|=|
u
1
,
u
2
,
….
,
u
10
,|t
.
Коэффициент передачи по напряжению с выхода схемы на вход определится как
К
u
=
j
6
/
uвх
(82)
а коэффициент передачи по мощности - из выражения
К
u
=[
j
2
6
•(Z11
+R1
)] / [
u2
вх
•Z66
] (83)
где Z11
и Z66
- соответствующие элементы Y-1
Поиск решения систем уравнений (75), (76), (81)
в определение качественных показателей (см. (78)-(83)
) связаны с решением систем линейных уравнений (или обращением матриц) с комплексными коэффициентами. Описанные ранее алгоритмы для решения систем линейных уравнений могут быть применены и в данном случае с учетом того, что все величины комплексные. Полное количество операций умножения здесь в 4 раза больше, чем с действительными коэффициентами. Это видно из выражения при умножении двух комплексных чисел Z
1
, Z
2
Z
1
•Z
2
=(x1
+jy1
)•(x2
+jy2
)= (x1
•x2
- y1
•y2
) + j(x1
•y2
+ y1
•x2
)
МАТЕМАТИЧЕСКАЯ МОДЕЛЬ ЭЛЕКТРОННОЙ СХЕМЫ В ДИНАМИЧЕСКОМ РЕЖИМЕ ПРИ БОЛЬШОМ СИГНАЛЕ.
ЧАСТОТНАЯ ОБЛАСТЬ
.
При воздействии на схему большого гармонического сигнала с для составлении математической модели схемы в частотной области применяют однократное преобразование Фурье.
Если на нелинейный элемент с характеристикой
¦
(u
н1
,
u
н2
,…,
u
нz
)
воздействует сигнал большой мощности, то разложение в ряд Фурье имеет вид:
N
¦
н
(t) =(1/2) •
S
Ф
n
•
e
j(n•
w
)•t
(84)
n=-N
где
2
p
ó
Ф
n
=(1/
p
2
)•
ô
¦
(
u
н1
,
u
н2
,…,
u
нz
) •
е-j(n
•
t
1
)
•d
t
1
,
t
1
=
w
1
•t,
(85)
õ
0
N
u
нq
(t)=(1/4)
•
S
Un
нq
•
e
j(n•
w
1
)•t
q=1,2,……,z
t
1
=
w
1
•t,
n=-N
Ф
n
и Un
нq
- комплексные амплитуды гармоник;
n
- номер гармоники w
1
=n•
w
;
N
-количество используемых гармоник;
Для упрощения записи введем обозначение wn
=
еj(n
•
t
1
)
(86)
N N w-n
=
е
-j(n
•
t
1
)
а вместо S
будем использовать S
n=-N n
учтем также
N
u
(t)=(1/4)•
S
U
n
н
q
•
e
j(n•
w
1
)•t
(87)
n
N
i
вх
(t)=(1/4)•
S
I
n
вх
• w-n
(88)
n
N
при переходе в частотную область d/dt
Û
S
j(r•
w
1
)
r
Для нелинейного конденсатора iсн
(t)=С(
uс
)•d
uс
/
dt
(89)
Комплексные амплитуды определяются из соотношения
2
p
ó
n
I
c
n
=(j
w
/4
p
2
)•
ô
С(
uсн
)•wn
[
S
r
•
U
r
c
•w-r
]•d
t
1
(90)
õ
r
0
напряжение на нелинейный конденсаторе
N
u
сн
(t)=(1/4)
S
U
c
n
•
w-n
(91)
n
ток через нелинейный кондненсатор
N
i
сн
(t)=(1/4)
S
I
c
n
•
w-n
(92)
n
ток нелинейный резистор
N
i
н
(t)=(1/4)
S
I
n
н
•
w-n
(93)
n
где
2
p
ó
N
I
n
н
=(1/
p
2
)•
ô
i
н
(t)
(
S
•
U
n
н
•w-n
)
• wn
d
t
1
(94)
õ
n
0
Для линейных компонент запишем
линейная емкость
N
iсл
(t)=(1/4)
S
I
n
сл
•
w-n
(95)
n
где N
I
n
сл
=j
S
(
r
•
w
1
)
•C•
U
r
c
•
w-r
(96)
r
линейная проводимость
N
iG
(t)=(1/4)
S
G
•
U
n
G
•
w-n
(97)
n
С учетом всех пред идущих выводов в матричной форме получим систему в области комплексных амплитуд используя одномерное преобразование Фурье
N N N N
(
|
Асн
|
/4)
•
S
I
n
сн
+
(
|
Ас
|
/4)
•
S
I
n
с
+
(
|
Ас
|
/4)
•
S
I
n
н
+
(
|
А
R
|/
4)
•
S
G
•
|
Ас
|t
•
U
n
=
n n n n
N
= (
1
/
4)
•
S
I
n
вх
(98)
n
где
2
p
ó
N N
I
n
cн
=(j
w
/4
p
2
)•
ô
С•
(
|Асн
|
/4)
•
[
S
U
n
•w-n
]
•wn
•
[
S
r
•
|Асн
|t
•
U
r
•wr
]
•d
t
1
(99)
õ
n r
0
N
I
n
cл
=j
S
(r
•
w
1
)
•С•
|Асн
|t
•
U
r
•wr
•d
t
1
(100)
r
2
p
ó
N
I
n
н
=(1/
p
2
)•
ô
i
н
•
[
S
•
|Асн
|t
•
U
n
•w-n
]
•wn
•d
t
1
(101)
õ
n
0
ПРИМЕР МАТЕМАТИЧЕСКОЙ МОДЕЛИ ЭЛЕКТРОННОЙ СХЕМЫ В ДИНАМИЧЕСКОМ РЕЖИМЕ ПРИ ОДНОМ БОЛЬШОМ СИГНАЛЕ В ЧАСТОТНОЙ ОБЛАСТИ.
Электронная схема для математической модели динамического режима в частотной области с большим сигналов представлена на рисунке 12.
Рис. 12
Пусть входное воздействие на схему (рис.12)
будет иметь переменную и постоянную составляющую:
u
ВХ
(t) =
u01
+ u1
м
•sin(
w
•t) (102)
Тогда система уравнений описывающая данную схему будет иметь вид:
u
Д
(t) +
uR
(t) =
u
ВХ
(t)
i
Д
(t)
+
i
С
(t) --
i
R
(t)
=0
i
С
(t)=C•d
u
Д
(t)/dt (103)
i
R
(t)=GR
•
uR
(t)
i
Д
(t)=Io•(e
u
(t) /
j
т
--1)
Перейдем от уравнений (103)
во временной области к уравнениям в частотной области (U
, I
-комплексные величины).
Гармоники входного воздействия:
u01
Û
Uo
u1
м
•sin(
w
1
•t)
Û
U
1
(
104
)
где (|U
1
|=
u1м
/
20.5
)
Гармоники тока через диод:
p
ó
æ
0.5
• j
т
•S
U
к
Д
•еj
•n
•
t
1
ö
i
Д
(t)
Û
I
к
Д
=1/(2
p
)•
ô
I
о
•
ç
е
к=1
--1
÷
•
е-jк
t
1
• d
t
1
(105)
õ
è
ø
-p
где t
1
=
w
1
•t
Ток через емкость для к-ой гармоники:
(линейная емкость) i
С
(t)
Û
I
к
С
= j•к•
w
•C•
U
к
Д
(106)
Ток через резистор для к-ой гармоники:
i
R
(t)
Û
I
к
R
= G
R
•
U
к
R
(107)
Система уравнений (103)
относительно комплексных амплитуд при к=1,2,3,…. имеет вид
U
к
Д
+
U
к
R
--
U
к
ВХ
=
0
Þ
F1
(I), I=1,2,3,….
I
к
Д
+
I
к
C
-
I
к
R
=
0
Þ
F2
(I)
(108)
С учетом (104)-(107)
уравнения (108)
запишутся
U
к
Д
+
U
к
R
--
U
к
ВХ
=
F1
(I)
p
(109)
ó
æ
0.5
• j
т
•S
U
к
Д
•е
j
•n
•
t
1
ö
1/(2
p
)
•ô
I
о
•
ç
е
к
=1
-1
÷
•
е
-j
к
t
1
•d
t
1
+
j•
к
•
w
•C•
U
к
Д
-
G
R
•
U
к
R
=
F2
(I)
õ
è
ø
| -p
|
_________________________
Ú
________________________________
FI
(U
к
Д
)
МАТЕМАТИЧЕСКАЯ МОДЕЛЬ ЭЛЕКТРОННОЙ СХЕМЫ В ДИНАМИЧЕСКОМ РЕЖИМЕ ПРИ ДВУХ БОЛЬШИХ СИГНАЛАХ.
ЧАСТОТНАЯ ОБЛАСТЬ
.
При воздействии на схему большого гармонического сигнала с для составлении математической модели схемы в частотной области применяют однократное преобразование Фурье.
Если на нелинейный элемент с характеристикой
¦
(u
н1
,
u
н2
,…,
u
нz
)
воздействует сигнал большой мощности, то разложение в ряд Фурье имеет вид:
M N
¦
н
(t) =(1/4) •
S
S
Ф
mn
•
e
j(m•
w
1
+n•
w
2
)•t
(110)
m=-M n=-N
где
2
p
2
p
óó
(111)
Ф
mn
=(1/
p
2
)•
ôô
¦
(
u
н1
,
u
н2
,…,
u
нz
)•
е-j(m
•
t
1
+n
•
t
2
)
•d
t
1
•d
t
2
,
t
1
=
w
1
•t,
t
2
=
w
2
•t,
õõ
0
0
M N
u
нq
(t)=(1/4)
•
S
S
U
mn
нq
•
e
j(m•
w
1
+n•
w
2
)•t
m=-M m=-N q=1,2,……,z
t
1
=
w
1
•t,
t
2
=
w
2
•t,
Ф
mn
и Umn
нq
- комплексные амплитуды гармоник;
n- номер гармоники (w
=m•
w
1
+ m•
w
2
)
;
M,N
-количество используемых гармоник;
Для упрощения записи введем обозначение wmn
=
еj(m
•
t
1
+n
•
t
2
)
(112)
w-m-n
=
е
-j(m
•
t
1
+n
•
t
2
)
M N M N
а вместо S
S
будем использовать S
S
m=-M n=-N m n
учтем также
M N
u
(t)=(1/4)•
SS
U
mn
н
q
•
e
j(m•
w
1
+n•
w
2
)•t
(113)
m n
M N
i
вх
1
(t)=(1/4)•
SS
I
mn
вх
1
• w-m-n
m n
M N
i
вх
2
(t)=(1/4)•
SS
I
mn
вх
2
• w-m-n
m n
M N
при переходе в частотную область d/dt
Û
SS
j(r•
w
1
+s•
w
2
)
r s
Для нелинейного конденсатора iсн
(t)=С(
uс
)•d
uс
/
dt
(114)
Комплексные амплитуды определяются из соотношения
2
p
2
p
óó
M N
I
c
n
=(j
w
/4
p
2
)•
ôô
С
(
u
сн
)•wmn
[
SS
(
r
+s•
w
2
/
w
1
) •
U
rs
c
•w-r-s
]•d
t
1
•d
t
2
90)
õõ
r s
0 0
напряжение на нелинейный конденсаторе
M N
u
сн
(t)=(1/4)
SS
U
c
mn
•
w-m-n
(115)
m n
ток через нелинейный кондненсатор
M N
i
сн
(t)=(1/4)
SS
I
c
mn
•
w-m-n
(116)
m n
ток нелинейный резистор
M N
i
н
(t)=(1/4)
S
S
I
mn
н
•
w-m-n
(117)
m n
где
2
p
2
p
óó
M N
I
n
н
=(1/
p
2
)•
ôô
iн
(t)
(
S
S
•
U
mn
н
•w-m-n
)
• wmn
•d
t
1
•d
t
2
(94)
õõ
m n
0 0
Для линейных компонент запишем
линейная емкость
M N
i
сл
(t)=(1/4)
SS
I
mn
сл
•
w-m-n
(118)
m n
где M N
I
mn
сл
=j
SS
(
r
•
w
1
+s
•
w
2
)
•C•
U
rs
c
•
w-r-s
(119)
r s
линейная проводимость
M N
iG
(t)=(1/4)
S
S
G
•
U
mn
G
•
w-m-n
(120)
m n
С учетом всех пред идущих выводов в матричной форме получим систему в области комплексных амплитуд используя одномерное преобразование Фурье
M N M N M N
(
|
Асн
|
/4)
•
SS
I
mn
сн
+
(
|
Ас
|
/4)
•
SS
I
mn
с
+
(
|
Ас
|
/4)
•
SS
I
mn
н
+
m n m n m n
M N M N M N
+(
|
А
R
|/
4)
•
S
S
G
•
|
Ас
|t
•
U
mn
= (
1
/
4)
•
SS
I
mn
в
x1
+(
1
/
4)
•
SS
I
mn
в
x2
(121)
m n m n m n
где
2
p
2
p
óó
M N
I
mn
c
н
=(j
w
1
/4
p
2
)•
ôô
С
•
(
|
Асн
|
/4)
•
[
SS
U
mn
•w-m-n
]
•wmn
•
õõ
m n
0 0
MN
•
[
SS
(r
+
s
•
w
2
/
w
1
)
•
|
Асн
|t
•
U
rs
•wrs
]
•d
t
1
•d
t
2
r s
MN
I
n
c
л
=j
SS
(r
•
w
1
+
s
•
w
2
)
•
С
•
|
Асн
|t
•
U
rs
(122)
r s
2
p
2
p
óó
M N
I
n
н
=(1/
p
2
)•
ô
ô
i
н
•
[
SS
•
|
Асн
|t
•
U
mn
•w--m-n
]
•wmn
•d
t
1
•d
t
2
(101)
õõ
m n
0 0
ПРИМЕР МАТЕМАТИЧЕСКОЙ МОДЕЛИ ЭЛЕКТРОННОЙ СХЕМЫ В ДИНАМИЧЕСКОМ РЕЖИМЕ ПРИ ДВУХ БОЛЬШИХ СИГНАЛАХ. ЧАСТОТНАЯ ОБЛАСТЬ.
Электронная схема для математической модели динамического режима в частотной области для двух больших сигналов представлена на рисунке 13
Рис. 13
Пусть входное воздействие на схему (рис.13)
будет иметь постоянную и две переменные составляющие гармонически не связанные:
u
вх
(t) =
u01
+u1
м
•sin(
w
1
•t)
+u2
м
•sin(
w
2
•t) (123)
Тогда система уравнений описывающая данную схему будет иметь вид:
uД
(t) +
uR
(t) =
u1вх
(t)+
u2вх
(t)
i
Д
(t)
+
i
С
(t) --
i
R
(t)
=0
i
С
(t)=C•d
u
Д
(t)/dt (124)
i
R
(t)=GR
•
uR
(t)
i
Д
(t)=Io•(e
u
(t) /
j
т
--1)
Перейдем от уравнений (124)
во временной области к уравнениям в частотной области (U
, I
-комплексные величины).
Гармоники входного воздействия:
2
p
2
p
óó
uвх
(t)
Û
U
mn
=1/(4
p
2
)•
ôô
uвх
(t)•
е-j
•(m•
t
1+n•
t
2)
•d
t
1
•d
t
2
(125)
õõ
0 0
где t
1
=
w
1
•t,
t
2
=
w
2
•t
Получим U00
Û
Uo, U01
Û
U
2
, U12
Û
0,
U10
Û
U
1
, U02
Û
0,
U21
Û
0
U20
Û
0 …….. ………
Гармоники тока через диод:
2
p
2
p
óó
æ
0.5
• j
т
•SS
U
к
Д
•еj
•(m
•
t
1+
n
•
t
2
)
ö
i
Д
(t)
Û
I
mn
Д
=1/(4
p
2
)•
ôô
I
о
•
ç
е
m n
--1
÷
•
е-j(m
t
1
+n
t
2
)
•d
t
1
•d
t
2
õõ
è
ø
0 0
где t
1
=
w
1
•t,
t
2
=
w
2
•t (126)
Ток через емкость для к-ой гармоники:
(линейная емкость) i
С
(t)
Û
I
mn
С
= j•(m•
w
1
+n•
w
1
)•C•
U
mn
Д
(127)
Ток через резистор для к-ой гармоники:
i
R
(t)
Û
I
mn
R
= G
R
•
U
mn
R
(128)
Система уравнений (124)
относительно комплексных амплитуд при m=0,1,2,3,…. и n=0,1,2,3,…. имеет вид:
U
mn
Д
+
U
mn
R
--
U
mn
ВХ
=
0
Þ
F1
(I), I=1,2,3,….
I
mn
Д
+
I
mn
C
-
I
mn
R
=
0
Þ
F2
(I)
(129)
С учетом (125)-(128)
уравнения (129)
запишутся
U
mn
Д
+
U
mn
R
--
U
mn
ВХ
=
F1
(I)
I
mn
Д
+
j•(m•
w
+n•
w
)•C•
U
mn
Д
-
G
R
•
U
mn
R
=
F2
(I)
(130)
___
Ú
___
FI
Д
{U
mn
Д
}
или
| I00
д
(
S
Umn
Д
)
|
|
0•С•U00
Д
|
|
U00
R
|
|
F1
|
|
| I01
д
(
S
Umn
Д
)
|
|
j•(0+
w
2
)•С•U01
Д
|
|
U01
R
|
|
F2
|
|
| I02
д
(
S
Umn
Д
)
|
|
j•(0+2
w
2
)•С•U02
Д
|
|
U02
R
|
|
F3
|
|
| I10
д
(
S
Umn
Д
)
|
|
j•(
w
1
+0)•С•U10
Д
|
|
U10
R
|
|
F4
|
|
| I11
д
(
S
Umn
Д
)
|
+
|
j•(
w
1
+
w
2
)•С•U11
Д
|
- | GR
|•
|
U11
R
|
=
|
F5
|
(131)
|
| …………..
|
|
…………………..
|
|
……
|
|
….
|
|
| I21
д
(
S
Umn
Д
)
|
|
j•(2
w
1
+1
w
2
)•
С
•U21
Д
|
|
U21
R
|
|
F8
|
|
| I22
д
(
S
Umn
Д
)
|
|
j•(2
w
1
+2
w
2
)•С•U22
Д
|
|
U22
R
|
|
F9
|
|
| …………..
|
|
…………………..
|
|
……
|
|
….
|
|
| …………..
|
|
…………………..
|
|
……
|
|
….
|
|
МЕТОДЫ И АЛГОРИТМЫ АНАЛИЗА ЧУВСТВИТЕЛЬНОСТИ ЭЛЕКТРОННЫХ СХЕМ
Наибольшее распространение при анализе чувствительности нашли метод приращений, методы, основанные на решении уравнений чувствительности - моделей чувствительности, метод присоединенных схем [1,4,5]
.
В методах моделей чувствительности вид уравнении чувствительности определяется уравнениями схемы относительно множества качественных. показателей или характеристик и методом анализа чувствительности (например, в методах сопряженных систем и вариационном [1,5]
формируется специальная сопряженная система).
Например, чувствительность коэффициентов передачи по напряжению по параметрам d
в частотной области для схемы ТРУ ((69)-(70))
, определится из соотношения
SK
d
=(
d
/K)•
(¶
K/
¶
d
)=[
d
/(K•U
вх
)]•(
¶
j
/
¶
d
)=
=[
d
/(K•U
вх
)]•|Y-1
|•[(
¶
Y/
¶
d
)•
j
+ (
¶
I/
¶
d
)] (132)
Как видим, вычисление вектора чувствительноcтей связано с решением системы линейных уравнений с той же матрицей схемы |Y|
и новой правой частью, в которой присутствуют производные ¶
Y/
¶
d
и ¶
I/
¶
d
. Расчет чувствительности линейных схем во временной области (см. 49)
сводится к численному интегрированию дополнительной системы уравнений
Y
=А
•
Y +(
¶
А
/
¶
d
)
•
x +(
¶
B
/
¶
d
)
•
U(t)
(133)
где Y=¶
x /
¶
d
,
Y
=¶
Y /
¶
t
и вычислению
S
x
d
=(
d
/
x )•
Y
Подобным образом можно получить соотношения для анализа чувствительности электронных схем в статическом и нелинейном динамическом режимах. Относительное отклонение качественных показателей связано с чувствительностью следующим образом
N
D
K/K =
S
S
к
d
i
•(
D
d
i
/
d
i
)
i=1
для вычисления допусков элементов по заданному отклонению качественного показателя схемы применяют метод наихудшего случая, статистический расчет, метод Монте-Карло. При расчете наихудшего случая допуск элемента схемы di
определяется по формуле
di
=[(
D
K/K)МАКС
]
/
[N
•
|
Sк
d
i
|
]
при этом значения частных отклонении |
Sк
d
i
|
•
di
считаются одинаковыми для всех элементов схемы.
МЕТОДЫ И АЛГОРИТМЫ ОПТИМИЗАЦИИ ЭЛЕКТРОННЫХ СХЕМ
Задачи численной оптимизации заключаются в переборе по определенному плану возможных значений параметров компонентов, расчете для каждого сочетания параметров значений критерия оптимальности и поиска оптимального сочетания параметров, соответствующего минимуму критерия оптимальности. Таким образом, в информационном плане задача оптимизации заключается в определении каким-либо методом, алгоритмом множества оптимальных параметров d
Э
опт
по заданному множеству начальных параметров d
Э
при фиксированных функции цели и ограничениях
ì
max (min)
Ф
[K(
d
Э
)],
d
Э
опт
=Ам
í
при G(x)
³
0, (134)
î
X=|
K, S,
d
Э
|t
где
Ам
- алгоритм метода оптимизации,
Ф
- функция цели,
G
- функция, выражающая ограничения.
K, S,
d
Э
- (
см
.(1))
.
Теории оптимизации, методам и алгоритмам решения оптимизационных задач, приложений теории оптимизации и ее методов в электронике посвящена обширная литература [1,2,3,6, Д2, Д5-Д7]
. В настоящее время нет методов настолько универсальных, что их применение к любой оптимизационной задаче заведомо приведет к решению с приемлемой, точностью и приемлемыми затратами машинного времени. Поэтому выбор метода решения оптимизационной задачи подразумевает предварительное исследование характера целевой функции и ограничений и, в первую очередь, алгоритмов вычисления качественных показателей и их свойств, что делает наиболее эффективным применение методов оптимизации в специализированных программах.
Все рассмотренные в настоящей главе задачи расчета качественных показателей можно поставить как оптимизационные в виде задачи нелинейного программирования (102)
. Отличаться они будут специфичными для каждой задачи d
Э
, S, К, G
и Ф
и выбранным методом оптимизации. В качестве примера рассмотрим постановку и решение задачи оптимизации качественных показателей линейных схем в частотной области. Качественные показатели как функции .параметров схемы были представлены соотношениями (66)-(68)
, (70)-(71)
. Допустив, что ограничений на параметры не имеется, выразим целевую функцию в виде
ì
М N
½
S
•
S
Wij
•|K
ij
-
K*
ij
|q
при Dij
>|Kij
- K*
ij
|
½
i=1 j=1
Ф
=
í
(134)
½
î
0
при Dij
£
|Kij
- K*
ij
|
где
M
- число частотных точек,
N
- число оптимизируемых качественных показателей,
K*
ij
- заданное значение j-го качественного показателя в i-ой частотной точке, Wij
- весовой коэффициент j-го качественного показателя в i-ой частотной
точке,
Dij
- допуск на j-ий качественный показатель,
q
- показатель степени.
При q=2
функция Ф(
d
)
в малой окрестности минимума будет вести себя как квадратичная. Это позволяет для решения задачи (103)
использовать один из простейших методов сопряженных направлений - метод Пауэлла [Д3]
. В этом методе местонахождение минимума некоторой квадратичной функции Ф(
d
)
определяется путем проведения последовательных одномерных поисков, начиная с точки d
о
, вдоль системы получаемых сопряженных направлений. По результатам n
-одномерных поисков ( n
- количество изменяемых параметров) строится новое направление, которое используется для (n+1)-го
одномерного поиска. Если новое направление перспективно, то оно заменяет одно из старых направлений. Перспективность оценивается по критерию (определитель матрицы направлений), который отражает степень сопряженности направлений. При минимизации функций, которые отличаются от квадратичных, замены направлений не всегда приводят к росту абсолютного значения определителя, но никогда не обращают определитель в нуль.
Алгоритм метода Пауэлла состоит из следующих этапов:
исходные данные - начальная точка поиска -d
о
, точность поиска -e
.
1.
Начальные направления S1
,S2
,…,Sn
задаются в матрице направлений S
, параллельные координатным осям параметров. Определяется Ф1
=Ф(
d
о)
.
2.
Осуществляется переход из точки d
V-1
в d
V
с определением l
mv
по результатам одномерного поиска
d
V
=d
V-1
+ l
mv
•SV
После n
одномерных поиcков получаем точку d
n
со значением функции Ф2
=Ф(
d
n
)
.
3.
Из матрицы направлений S
выбираем направление Sj
(1
£
j
£
n)
, для которого изменение функции оказалось наибольшим
D
j=Ф(
d
j-1
) -Ф(
d
j
)
4.
Строим новое нормированное направление
l
n-1
=(
d
n
-
d
O
)/
m
= (
d
n
-
d
O
) .
n
[
S
(
d
n
-
d
O
) ]2
i=1
и определяем для него l
m(n+1)
, и d
n+1
=d
n
+ l
m(n+1)
•Sn+1
Вычисляем ФS
=Ф(
d
n+1
)
.
5.
Проверяем перспективность нового направления
4
•D
j(Ф2
- ФS
)
³
(Ф1
- Ф2
-
D
j)2
l
m(n+1)
> 0
Если неравенства выполняются, то заменяем направление Sj
на Sn+1
и берем следующую последовательность n направлений S1
,S2
,…,Sj-1
,Sj
,Sj+1
,…,Sn
,Sn+1
.
При нарушении неравенств матрицу направлений S
оставляем без изменений.
6.
Проверяем |ФS
- Ф1
|
£
e
. Если неравенство выполнилось, то d
ОПТ
=d
n+1
и процесс оптимизации останавливается. В противном случае полагаем d
О
=d
n+1
продолжаем процесс о пункта 1 до удовлетворения этого неравенства.
Одномерный пояса осуществляется либо посредством квадратичной аппроксимации, либо методом золотого сечения [Д6,Д7]
.
ПРИЛОЖЕНИЕ
к методическим указаниям по курсовой работе
«РАЗРАБОТКА МАТЕМАТИЧЕСКИХ МОДЕЛЕЙ ЭЛЕКТРОННЫХ СХЕМ В РАЗЛИЧНЫХ РЕЖИМАХ ИХ РАБОТЫ»
Математичесеие модели прибороп
Диод
Схема замещения полупроводникового диода (рис.П1) состоит из идеального диода, изображенного в виде нелинейного зависимого источника тока I(V), емкости р-п-
перехода С и объемного сопротивления RS
. Нелинейная модель полупроводникового диода.
Вольт-амперные характеристики диода.
Ток диода представляется в виде разности токов
I=Ifwd
-Irev
Зависимость
Ifwd
=In
*Kinj
+Irec
*Kgen
аппроксимирует ВАХ диода при положительном напряжении на переходе V.
Здесь In
=IS
*(ехр[V/(NR
*Vt
)]-1)-нормальная составляющая тока;
Ir
=ISR
*(exp[V/(NR
*Vt
)]-1) - ток рекомбинации;
Kinj
- коэффициент инжекции
Рис. П1
.
ì [IKF
/(IKF
+ In
)]0.5
при IKF
> 0;
Kinj
= í
î 1
при IKF
<0;
Kgen
= [(1-V/VJ
)2
+0.005]M
/2
- коэффициент генерации.
Ток диода при отрицательном напряжении на переходе Irev
характеризует явление пробоя. Он имеет две составляющие
Irev
= Irev.high
+Irev.low
где
Irev.high
= IBV
*exp [-(V+BV / (NBV
*Vt
)]
Irev.low
= IBVL*exp [-(V+BV / (NBVL
*Vt
)]
Vt
=kT/q -температурный потенциал перехода (0,026 В при номинальной температуре 27°С); k = 1,38*10-23
Дж/°С-постоянная Больцмана; q = 1,6-10-19
Кл заряд электрона; Т-
абсолютная темпера-
ратура р-n-перехода. Вид ВАХ диода
рис.П2
показан на рис.П2.
Емкость перехода С
С=Сt
+Сj
,
где Сt
диффузионная емкость перехода; Ct
=TT
*G;
Cj - барьерная емкость перехода
ì CJO
*(1-V/VJ
)-
M
при V < FC
*
VJ
;
Cj = í
î CJO
*(1-FC
)-(1+
M
)
*[1-FC
*(1+M
)+M
*V/VJ
] при V > FC
*
VJ
;
G=d(Kinj
*I)/dV - дифференциальная проводимость перехода для текущих значений I и V.
Линеаризованная схема замещения диода
.
Схема приведена на рис.П3,а. Ее можно дополнить источниками шумовых токов, как показано на рис.П3,б. В диоде имеются следующие источники шума:
- объемное сопротивление RS, характеризующееся тепловым током Iш
RS
со
спектральной плотностью SRS
=4*k*T/(RS
-Area
);
- дробовой и фликкер-шум диода, характеризующийся током Iш
d
со спектральной плотностью Sш
=2*q*l+KF*IAF
/f, где f - текущая частота.

Рис.П 3
. Линеаризованная схема замещения диода (а) с включением источников внутреннего шума (б)
Температурные зависимости параметров.
В математической модели диода они учитываются следующим образом:
IS(T)=IS
*exp{EG(T)/[N
*Vt
(T)]T/Tnom-1)}*(T/Tnom)XTI/N
ISR(T)=ISR
*exp{EG(T)/[N
*Vt
(T)]T/Tnom-1)}*(T/Tnom)XTI/N
IKF(T)=IKF
*[1+TIKF
*(T-Tnom)]
BV(T)=BV
*[1+TBV1
*(T-Tnom)+ TBV2
*(T-Tnom)2
]
RS(T)=RS
*[1+TRS1
*(T-Tnom)+ TRS2
*(T-Tnom)2
]
VJ(T)=VJ
*T/Tnom-3*Vt
(T)*ln(T/Tnom)-EG(Tnom)*T/Tnom+EG(T)
CJO(T)=CJO
*{1+M
*[0.0004(T-Tnom)+1-VJ(T)/VJ
]}
KF(T)=KF
*VJ(T)/VJ
AF(T)=AF
*VJ(T)/VJ
EG(T)=E*Go-a*T2
/(b+T)
где EG(Tnom) - ширина запрещенной зоны при номинальной температуре (1,11 эВ для кремния; 0,67 эВ для германия; 0,69 эВ для диодов с барьером Шотки при температуре 27°С). Значения параметров IS
, Vt
, VJ
, CJO
, KF
, AF
, EG
берутся для номинальной температуры Тnom; для кремния EGo=1,16 эВ,
а=7*10-4
, b=1108; XTI
=3 для диодов с р-n-переходом и ХТ
I
=2 для диодов с барьером Шотки.
Значение номинальной температуры Тnom устанавливается с помощью опции TNOM (по умолчанию Тпот=27°С).
Приведенные выше выражения описывают диоды с р-n-переходом, включая и стабилитроны. Диоды с барьером Шотки также характеризуются этими зависимостями, но они обладают очень малым временем переноса ТТ
~0 и более чем на два порядка большими значениями тока диода I. При этом ток насыщения определяется зависимостью IS=K*Т*ехр(-jb
/V;),
где К - эмпирическая константа; jb
- высота барьера Шотки.
Скалярный множитель
Area
.
Указываемый при включении диода в схему, он позволяет в программе определить эквивалентный диод, характеризующий параллельное включение нескольких одинаковых приборов или прибор, занимающий большую площадь. С его помощью изменяются значения параметров I
S
, IRS
, IBV
, IBVL
, RS
и CJO
:
IS=IS*Area, ISR=ISR*Area, IBV=IBV*Area, IBVL=IBVL*Aiva, RS=RS/Area, CJO=CJO*Area.
По умолчанию скалярный множитель Агеа
=1.
В качестве примера приведем описание параметров модели диода Д104А
.model D104A D(IS=5.81e-12 RS=8.1 N=1.15
+ TT=8.28nS CJO=41.2pF VJ=0.71 M=0.33
+ FC=0.5 EG=1.11 XTI=3)
Параметры математической модели диода
приведены в табл.п.1.
Таблица 1
| Имя
Параметра
|
Параметр
|
Значение по умолчанию
|
Единица измерения
|
| IS
RS
N
ISR
NR
IKF
ТТ
CJO
VJ
М
EG
FC
BV
IBV
NBV
IBVL
NBVL
ХТ
1
Т
1
КР
TBV1
TBV2
TRS1
TRS2
KF
AF
T_MEASURD
T_ABS
T_REL_GLOBAL
Т_
REL
_
LOCL
|
Ток насыщения при температуре 27°С
Объемное сопротивление
Коэффициент инжекции
Параметр тока рекомбинации
Коэффициент эмиссии для тока ISR
Предельный ток при высоком уровне инжекции
Время переноса заряда
Барьерная емкость при нулевом смещении
Контактная разность потенциалов
Коэффициент лавинного умножения
Ширина запрещенной зоны
Коэффициент нелинейности барьерной емкости прямосмещенного перехода
Обратное напряжение пробоя (положительная величина)
Начальный ток пробоя, соответствующий напряжению BV
(положительная величина)
Коэффициент неидеальности на участке пробоя
Начальный ток пробоя низкого уровня
Коэффициент неидеальности на участке пробоя низкого уровня
Температурный коэффициент тока насыщения
Линейный температурный коэффициент IKF
Линейный температурный коэффициент BV
Квадратичный температурный коэффициент BV
Линейный температурный коэффициент RS
Квадратичный температурный коэффициент RS
Коэффициент фликкер-шума
Показатель степени в формуле фликкер-шума
Температура измерений
Абсолютная температура
Относительная температура
Разность между температурой диода и модели-прототипа
|
10-14
0
1
0
2
¥
0
0
1
0,5
1,11
0,5
¥
10-10
1
0
1
3
0
0
0
0
0
0
1
|
А
Ом
А
А
с
Ф
В
эВ
В
А
А
°С-1
°C-1
°C-2
°C-1
°C-2
°C
°C
°C
°C
|
Биполярный транзистор
В программе MICROCAP-5, Pspice и других используется схема замещения биполярного транзистора в виде адаптированной модели Гуммеля-Пуна, которая по сравнению с исходной моделью позволяет учесть эффекты, возникающие при больших смещениях на переходах. Эта модель автоматически упрощается до более простой модели Эберса-Молла, если опустить некоторые параметры. Эквивалентные схемы этих моделей для n-р-n-структуры изображены на рис. П 4.
Рис. П4
. Схема замещения биполярного п р-п-
транзистора: а -модель Гуммеля-Пуна;б - передаточная модель Эберса-Молла
Статический режим транзистора
.
Режим описывается следующими соотношениями (см. рис. П4, а):
Ib
= Ibe1
/BF
+ Ibe2
+ Ibc1
Ibe1
/BR
+ Ibc2
Ic
= Ibe1
/Qb
-
Ibc1
/Qb
-
Ibc1
/BR
-
Ibc2
Ibe1
=
IS
*
[exp(Vbe
/(NF
*Vt
))-1]
Ibe2
=
ISE
*
[exp(Vbe
/(NE
*Vt
))-1]
Ibc1
=
IS
*
[exp(Vbc
/(NR
*Vt
))-1]
Ibc2
=
ISC
*
[exp(Vbc
/(NC
*Vt
))-1]
Qb
=Q1
*[1+(1+4*Q2
)NK
]/2
Q1
=1/(1-Vbc
/VAF
-Vbe
/VAR
)
Q2
=Ibe1
/IKF
+ Ibc1
/IKR
Is=
ISS
*
[exp(Vjs
/(NS
*Vt
))-1]
На рис 4 приняты обозначения:
Ib
- ток базы;
Ic
- ток коллектора;
Ibe
1
- ток коллектора в нормальном режиме;
Ibc
1
- ток коллектора в инверсном режиме;
Ibe
2
Ibc
2
- составляющие тока перехода база-эмиттер, вызванные
неидеальностью перехода;
IS
- ток подложки;
Vbe
, Vbc
- напряжения на переходе внутренняя база-эмиттер и
внутренняя база-коллектор;
Vbs
- напряжение внутренняя база-подложка;
\/bn
- напряжение внутренняя база-подложка для режима
квазинасыщения;
Vbx
- напряжение база-внутренний коллектор;
Vce
- напряжение внутренний коллектор-внутренний эмиттер;
Vjs
- напряжение внутренний коллектор-подложка для
NPN-транзистора, напряжение внутренняя
подложка-коллектор для PNP-транзистора или напряжение
внутренняя база - подложка для LPNP-транзистора.
Объемное сопротивление базы Rb
характеризуется двумя оставляющими. Первая составляющая RB
определяет сопротивление вывода базы и сопротивление внешней области базы, которые не зависят от тока базы Ib
. Вторая составляющая RBM
характеризует сопротивление активной области базы, находящейся непосредственно под эмиттером; это сопротивление зависит от тока Ib
. Объемное сопротивление базы Rb
определяется следующими выражениями в зависимости от значения параметра IRB
:
ì RBM+(RB-RBM)/
Qb
при IRB
= ¥;
Rb
= í
î RBM+3*(RB-RBM)*(tgX - X)/(X*tg2
X)
при IRB > 0
;
где
X=[(1+14,59025*Ib
/IRB
)0.5
-1]/[2,4317*(Ib
/IRB
)0.5
]
Замечание.
В программе
PSpice
токи, втекающие в транзистор, считаются положительными. Поэтому в активном нормальном режиме в п-р-п-структуре (рис.П4)
Ic
>0, 1
b
>0,
Ie
<0. Для структуры р-л-р все напряжения и токи имеют противоположный знак.
Динамические свойства переходов
.
Они учтены включением в модель емкостей коллектора, эмиттера и подложки, которые имеют диффузионные и барьерные составляющие. Емкость перехода база-эмиттер равна сумме диффузионной (Сtbe
) и барьерной (Сjbe
) составляющих:
Cbe
= Ctbe
+Cjbe
где Ctbe
+= tf
*Gbe
;
Gbe = dIbe
/dVbe
- дифференциальная проводимость перехода база-эмиттер в рабочей точке по постоянному току;
tf
= TF
*[1 +XTF
*(3*x-2*х)*ехр(Vbc
/(1,44*VTF
))];
x=Ibe1
/( Ibe1
+ITF
);
ì CJE
*(1-Vbe
/VJE
)-MJE
при Vbe
£ FC*VJE
;
Cjbe
= í
î CJE
*(1-FC
)-(1+MJE
)
*[1-FC
*(1+MJE
)+MJE
*Vbe
/VJE
] при Vbe
> FC*VJE
;
Емкость перехода база-коллектор расщепляется на две составляющие:
емкость между внутренней базой и коллектором
Сbс = Сtbc
+ XCJC
*Cjbc
,
где Сtbc
= TR
*Gbc
,
Gbc
=dIbc1
/dVbc
;
ì CJC
*(1-Vbc
/VJC
)-MJC
при Vbx
£ FC*VJC
;
Cjbc
= í
îCJC
*(1-FC
)-(1+MJC
)
*[1-FC
*(1+MJC
)+MJC
*Vbx
/VJC
] при Vbx
> FC*VJC
;
и емкость между внешним выводом базы и коллектором
ì(
1-XCJC
)
*CJC
*(1-Vbx
/VJC
)-
MJC
при Vbx
£ FC
*
VJC
;
Cbx
= í (
1-XCJC
)
*CJC
*(1-FC
)-(1+
MJC
)
*[1-FC
*(1+MJC
)+MJC
*Vbx
/VJC
]
î при Vbx
> FC
*
VJC
;
Емкость коллектор-подложка равна
ì CJS
*(1-Vbc
/VJS
)-
MJS
при Vjs
£ 0;
Cjbc
= í
îCJS
*(1+MJS
*Vjs
/VJS
] при Vbx
> 0;
Режим квазинасыщения.
Этот режим характеризуется прямым смещением перехода внутренняя база-
коллектор, в то время как переход наружная база-
коллектор остается смещенным в обратном направлении. В расширенной модели Гуммеля-Пуна этот эффект моделируется с помощью дополнительного управляемого источника тока Iepi
, и двух нелинейных емкостей, заряды которых на рис. 4, а обозначены Qo
и Qw
.
Iepi
=A1/A2
Где A1=VO
*{Vt
*[K(Vbc
)-K(Vbn
)-ln((1+K(Vbc
))/(1+K(Vbn
)))]+Vbc
-Vbn
}
A2=RCO
*(|Vbc
-Vbn
|+VO
)
Эти изменения вносятся в модель, если задан параметр RCO
:
где K(V) = (1 + GAMMA*
exp(V /Vt
))0.5
Температурная зависимость.
Эта зависимость параметров элементов эквивалентной схемы биполярного транзистора устанавливается с помощью следующих выражений:
IS(T) = IS
*exp[EG(T)/Vt
(T)*(T/Tnom-1)]*(T/Tnom)XTI
;
ISE(T) = (ISE
/bf
)*exp[EG(T)/(NE*
Vt
(T))*(T/Tnom -1)]*(T/Tnom)XTI/NE
ISC(T) = (ISC
/bf
)*exp[EG(T)/(NC
-Vt
(T))*(T/Tnom-1)]*(T/Tnom)XTI/NC
ISS(T) = (ISS
/bf
)*exp[EG(T)/(NS
-Vt
(T))*(T/Tnom-1)]*(T/Tnom)XTI/NS
BF(T) =BF
*bf
,
BR(T)=BR
*bf
,
bf
=(T/Tnom)XTB
;
RE(T) =RE*
[1+TRE1*
(T-
Tnom)+TRE2
*(T-Tnom)2
]
RB(T)= RB*
[1+TRB1*
(T-
Tnom)+TRB2
*(T-Tnom)2
]
RBM(T) = RBM*
[1+TRM1*
(T-
Tnom)+TRM2
*(T-Tnom)2
]
RC(T) = RC*
[1+TRC1*
(T-
Tnom)+TRC2
*(T-Tnom)2
]
VJE(T) = VJE
*T/Tnom-3*Vt
*ln(T/Tnom)-EG(Tnom)*T/Tnom+EG(T);
VJC(J) = VJC
*T/Tnom-3*Vt
*ln(T/Tnom) -EG(Tnom)*T/Tnom+EG(T);
VJS(J) = VJS
*T/Tnom-3*Vt
*ln(T/Tnom) -EG(Tnom)*T/Tnom+EG(T);
CJE(J) = CJE
*{1+MJE
*[0,0004*(T-Tnom)+1-VJE(T)/VJE
]};
CJC(T) = CJC
*{1+MJC
*[0,0004*(T-Tnom)+1-VJC(T)/VJC
]}
CJS(7) = CJS
*{1+MJS
*[0,0004*(T-Tnom)+1-VJS(T)/VJS
]}
KF(T) = KF
*VJC(T)/VJC
,
AF(T) =AF
*VJC(7)/VJC
.
EG(T)=E*Go-a*T2
/(b+T)
Линейная схема замещения биполярного транзистора.
Схема приведена на рис.П5. В нее дополнительно включены источники флюктуационных токов. Тепловые шумы Iш
RB
Iш
R
С
и Iш
R
Е
, создаваемые резисторами RB, RC и RE, имеют спектральные плотности
SRB
= 4*k*T/RB
, SRC
= 4*k*T/RC
, SRE
= 4*k*T/RE
,
Источники тока Iш
b
, Iшс
, характеризующие дробовой и фликкер-шумы в цепях базы и коллектора, имеют соответственно спектральные плотности
Sb
= 2*q*Ib
+KF*
Ib
AF
*If
, SC
=2*q*Ic
Рис.П5
. Линейная схема замещения биполярного транзистора с включением источников шума
Скалярный коэффициент
Area
.
Он позволяет учесть параллельное соединение однотипных транзисторов, для чего в приведенной выше модели изменяются следующие параметры:
IS=IS*Area, ISE=ISE*Area, ISC=ICS*Area, ISS=ISS*Area, IKF=IKF*Aiva, IKR=IKR*Area, IRB=IRB*Area, ITF=ITF*Area, CJC=CJC*Area, CJE=CJE*Area, CJS=CJS*Area, RBB=RBB/Area, RE=RE/Area, RC=RC/Area, QCO=QCO*Area.
Значение Aгеа указывается в задании на моделирование при включении транзистора в схему, по умолчанию Area
=1.
В качестве примера приведем список параметров модели Гуммеля-Пуна биполярного транзистора КТ316Д
.model KT316D NPN(IS=2.75f XTI=3 EG=1.11 VAF=96 BF=136.5 NE=2.496
+ ISE=12.8pA IKF=97.23m XTB=1.5 VAR=55 BR=0.66 NC=2 ISC=15.5p
+ IKR=0.12 RB=70.6 RC=8.4 CJC=4.1pF VJC=0.65 MJC=0.33 FC=0.5 VJE=69
+ CJE=1.16pF MJE=0.33 TR=27.8n TF=79.0p ITF=0.151 VTF=25 TF=2)
Параметры полной математической модели биполярного транзистора
приведены в табл. 2.
Таблица 2.
| Имя
параметра
|
Параметр
|
Значение по умолчанию
|
Единица измерения
|
| IS
|
Ток насыщения при температуре 27°С
|
10-16
|
А
|
| BF
|
Максимальный коэффициент усиления тока в нормальном режиме в схеме с ОЭ (без учета токов утечки)
|
100
|
| BR
|
Максимальный коэффициент усиления тока в инверсном режиме в схеме с ОЭ
|
1
|
| NF
|
Коэффициент неидеальности в нормальном режиме
|
1
|
| NR
|
Коэффициент неидеальности в инверсном режиме
|
1
|
| ISE
(
C
2)*
|
Ток насыщения утечки перехода база-эмиттер
|
0
|
А
|
| ISC
(
C
4)*
|
Ток насыщения утечки перехода база-коллектор
|
0
|
А
|
| IKF
(
IK
)*
|
Ток начала спада зависимости SF от тока коллектора в нормальном режиме
|
¥
|
А
|
| IKR
*
|
Ток начала спада зависимости BR от тока эмиттера в инверсном режиме
|
¥
|
А
|
| NE
*
|
Коэффициент неидеальности перехода база-эмиттер
|
1.5
|
| NC
*
|
Коэффициент неидеальности коллекторного перехода
|
1,5
|
| NK
|
Коэффициент, определяющий множитель Qb
|
0.5
|
| ISS
|
Обратный ток р-п-перехода подложки
|
0
|
А
|
| NS
|
Коэффициент неидеальности перехода подложки
|
1
|
| VAF
(
VA
)*
|
Напряжение Эрли в нормальном режиме
|
¥
|
В
|
| VAR
(
VB
)*
|
Напряжение Эрли в инверсном режиме
|
¥
|
В
|
| RC
|
Объемное сопротивление коллектора
|
0
|
Ом
|
| RE
|
Объемное сопротивление эмиттера
|
0
|
Ом
|
| RB
|
Объемное сопротивление базы (максимальное) при нулевом смещении перехода база-эмиттер
|
0
|
Ом
|
| RBM
*
|
Минимальное сопротивление базы при больших токах
|
RB
|
Ом
|
| IRB*
|
Ток базы, при котором сопротивление базы уменьшается на 50% полного перепада между RB и RBM
|
¥
|
А
|
| TF
|
Время переноса заряда через базу в нормальном режиме
|
0
|
c
|
| TR
|
Время переноса заряда через базу в инверсном режиме
|
0
|
с
|
| QCO
|
Множитель, определяющий заряд в эпитаксиальной области
|
0
|
Кл
|
| RCO
|
Сопротивление эпитаксиальной области
|
0
|
Ом
|
| VO
|
Напряжение, определяющее перегиб зависимости тока эпитаксиальной области
|
10
|
B
|
| GAMMA
|
Коэффициент легирования эпитаксиальной области
|
10-11
|
| XTF
|
Коэффициент, определяющий зависимость TF от смещения база- коллектор
|
0
|
| VTF
|
Напряжение, характеризующее зависимость TF от смещения база- коллектор
|
00
|
В
|
| ITF
|
Ток, характеризующий зависимость TF от тока коллектора при больших токах
|
0
|
А
|
| PTF
|
Дополнительный фазовый сдвиг на граничной частоте транзистора fгр=1/(2pTF)
|
0
|
град.
|
| CJE
|
Емкость эмиттерного перехода при нулевом смещении
|
0
|
пФ
|
| VJE (PE)
|
Контактная разность потенциалов перехода база-эмиттер
|
0,75
|
В
|
| MJE (ME)
|
Коэффициент, учитывающий плавность эмиттерного перехода
|
0,33
|
| CJC
|
Емкость коллекторного перехода при нулевом смещении
|
0
|
Ф
|
| VJC (PC)
|
Контактная разность потенциалов перехода база-коллектор
|
0,75
|
B
|
| MJC(MC)
|
Коэффициент, учитывающий плавность коллекторного перехода
|
0,33
|
| CJS
(
CCS
)
|
Емкость коллектор-подложка при нулевом смещении
|
0
|
Ф
|
| VJS (PS)
|
Контактная разность потенциалов перехода коллектор-подложка
|
0,75
|
B
|
| MJS (MS)
|
Коэффициент, учитывающий плавность перехода коллектор-подложка
|
0
|
| XCJC
|
Коэффициент расщепления емкости база-коллектор
|
1
|
| FC
|
Коэффициент нелинейности барьерных емкостей прямосмещенных переходов
|
0.5
|
| EG
|
Ширина запрещенной зоны
|
1,11
|
эВ
|
| XTB
|
Температурный коэффициент BF и BR
|
0
|
| XTI
(
PT
)
|
Температурный коэффициент IS
|
3
|
| TRE
1
|
Линейный температурный коэффициент RE
|
0
|
°C-1
|
| TRE
2
|
Квадратичный температурный коэффициент RE
|
0
|
°C-2
|
| TRB
1
|
Линейный температурный коэффициент RB
|
0
|
°C-1
|
| TRB
2
|
Квадратичный температурный коэффициент RB
|
0
|
°C-2
|
| TRM
1
|
Линейный температурный коэффициент RBM
|
0
|
°C-1
|
| TRM
2
|
Квадратичный температурный коэффициент RBM
|
0
|
°C-2
|
| TRC
1
|
Линейный температурный коэффициент RC
|
0
|
°C-1
|
| TRC
2
|
Квадратичный температурный коэффициент RC
|
0
|
°C-2
|
| KF
|
Коэффициент, определяющий спектральную плотность фликкер-шума
|
0
|
| AF
|
Показатель степени, определяющий зависимость спектральной
|
1
|
| |
плотности фликкер-шума от тока через переход
|
| T
_
MEASURED
|
Температура измерений
|
°C
|
| T
_
ABS
|
Абсолютная температура
|
°C
|
| T
_
RELGLOBAL
|
Относительная температура
|
°C
|
| T_RELLOCAL
|
Разность между температурой транзистора и модели-прототипа
|
°C
|
| * Для модели Гуммеля-Пуна
|
Полевой транзистор
Полевые транзисторы с управляющим р-n-переходом (Junction FET) описываются моделью Шихмана-Ходжеса в соответствии с эквивалентной схемой, представленной на рис.П6, а для транзистора с каналом n-типа.
Рис.П6
. Нелинейная (а) и линейная (б) схемы замещения полевого транзистора с управляющим р-n-переходом и каналом n-типа Статические характеристики полевого транзистора.
Они описываются следующими зависимостями.
Ток затвора равен
Ig
= Igs
+ Igd
,
где
Igs
= In
+Iг
*Кg
- ток утечки затвор-исток;
Ins
= IS
*[exp(Vgs
/(N
*
Vt
)-1] - нормальный ток;
Irg
= ISR
*[exp(Vgs
/(NR
*Vt
) -1] - ток рекомбинации;
Kgs
= [(1-Vgs
/PB
)*2+0,005]M
/2
- фактор генерации;
Igd
= Ind
+Ird
*Kgd
+Ij
, - ток утечки затвор-сток;
lnd
= IS
*[exp(Vgd
/(N*Vt
) -1] - нормальный ток;
Ird
= ISR
*[exp(Vgd
/(NR
*Vt
) -1] - ток рекомбинации;
Kgd
= [(1-Vgd
/PB
)*2+0,005]M
/2
- фактор генерации;
Ij
- ток ионизации, равный
ìIdrain*ALFA
*Vdiff
*exp(-VK/Vdiff
) при 0<Vgs
<Vds
(режим насыщения);
Ij
= í
î 0 в других диапазонах;
ì0 при Vgs
-VTO
£ 0;
ïBETA
*(1+LAMBDA
*Vds
)*(Vgs
-VTO
)2
при 0<Vgs
-VTO
£Vds
;
Idrain
= í (режим насыщения)
ïBETA
*(1+LAMBDA
*Vds
)*Vds
*[2*(Vgs
-VTO
) *Vds
] при Vds
<Vgs
-VTO
;
î (линейный режим);
Vdiff
=Vds
-(Vgs
-VTO
};
Vgs
- напряжение затвор-исток,
Vgd
- напряжение затвор-сток.
Заметим, что полевой транзистор обедненного типа характеризуется отрицательными значениями VTO
<0 (для каналов р- и n-типа), а транзистор обогащенного типа - положительными VTO
³0.
Токи стока и истока равны соответственно
Id
=
Idrain
- Igd
,
Is
=
- Idrain
-Igs
В нормальном режиме (Vds
³0) ток Idrain
рассчитывается по формулам:
где
Vds
- напряжение сток-исток,
Vgd
- напряжение затвор-сток, область Vgs
-VTO
<0 соответствует режиму отсечки. В инверсном режиме (Vds
<0)
ì0 при Vgd
-VTO
£ 0;
ï-BETA
*(1+LAMBDA
*Vds
)*(Vgd
-VTO
)2
при 0<Vgd
-VTO
£-Vds
;
Idrain
= í (режим насыщения)
ïBETA
*(1+LAMBDA
*Vds
)*Vdd
*[2*(Vgd
-VTO
) *Vds
] при -Vds
<Vgs
-VTO
;
î (линейный режим);
Емкости затвор-исток и затвор-сток
.
Описываются выражениями
ìCGS
*(1-Vgs
/PB
)-
M
при Vgs
£ FC
*PB
;
Сgs
= í
î CGS
*(1-FC
)
-(1+
M
)
*[1-FC
*(1+M
)+M
*Vgs
/PB
] при Vgs
> FC
*PB
;
ìCGD
*(1-Vgd
/PB
)-
M
при Vgd
£ FC
*PB
;
Сgd
= í
î CGD
*(1-FC
)
-(1+
M
)
*[1-FC
*(1+M
)+M
*Vgd
/PB
] при Vgd
> FC
*PB
;
Линейная схема замещения полевого транзистора
.
Схема приведена на рис. П6.б, где дополнительно включены источники флюктуационных токов. Тепловые шумы, создаваемые резисторами RS и RD, имеют спектральные плотности
SRS
= 4*k*T/RS
, SRD
= 4*k*T/RD
.
Источник тока Iш
d
, характеризующий дробовой и фликкер-шум, имеет спектральную плотность
Sd
=8*k*T*Gm
/3+KF
-Id
AF
/f,
где
Gm
=dIdrain
/dVgs
- дифференциальная проводимость в рабочей точке по постоянному току.
Температурные эффекты
характеризуются следующими зависимостями:
VTO(T) = VTO
+VTOTC
*(T- Tnom);
ВЕТА(T) =BETA
*1,01BETATCE(T-Tnom)
;
IS(T) =IS*
exp[EG(Tnom)/(N
*Vt
)*(Т/Tnom -1)]*(Т/Tnom );
ISR(T) =ISR*
exp[EG(Tnom)/(NR
*Vt
)*(T/Tnom-1)]*(T/Tnom)XTI/NP
;
PB(T) = PB*
T/Tnom-3*Vt
*ln(T/Tnom)-EG(Tnom)*T/Tnom+EG(T);
CGS(T) = CGS
*{1+M
*[0,0004(T-Tnom)+1-РВ(Т)/РВ
]};
CGD(T) = CGD
*{1+M
*[0,0004(T-Tnom)+1-РВ(Т)/РВ
]};
KF(T) = KF
*PB(T)/PB
,
AF(T) = AF
*PB(T)/PB
.
EG(T)=E*Go-a*T2
/(b+T)
Скалярный коэффициент
Area
Позволяет учесть параллельное соединение однотипных транзисторов, для чего в приведенной выше модели изменяются следующие параметры:
IS=IS*Area, ВЕТА=ВЕTА*Area, RD=RD/Area, RS=RS/Area, CGS=CGS*Area, CGD=CGD*Area.
Значение Area
указывается в задании на моделирование при включении транзистора в схему, по умолчанию Агеа=
1
.
В качестве примера приведем описание параметров модели транзистора КП303Е
.model KP303E NJF (VTO=-4.12 BETA=782.5u LAMBDA=9.13m RS=21
+RD=21 CGS=4.2pF CGD=3.8pF FC=0.5 PB=1 IS=10f)
Параметры модели полевого транзистора приведены в табл. 3.
Таблица 3
| Имя параметра
|
Параметр
|
Значение по умолчанию
|
Единица измерения
|
| VTO
|
Пороговое напряжение
|
-2
|
В
|
| BETA
|
Коэффициент пропорциональности
|
10-4
|
А/В
|
| LAMBDA
|
Параметр модуляции длины канала
|
0
|
1/В
|
| IS
|
Ток насыщения р-n-перехода затвор-канал
|
10-14
|
А
|
| N
|
Коэффициент неидеальности р-n-перехода затвор-канал
|
1
|
| ISR
|
Параметр тока рекомбинации р-п- перехода затвор-канал
|
0
|
А
|
| NR
|
Коэффициент эмиссии для тока ISR
|
2
|
В
|
| ALPHA
|
Коэффициент ионизации
|
0
|
В
|
| VK
|
Напряжение ионизации для перехода затвор-канал
|
0
|
В
|
| RD
|
Объемное сопротивление области стока
|
0
|
Ом
|
| RS
|
Объемное сопротивление области истока
|
0
|
Ом
|
| CGO
|
Емкость перехода затвор-сток при нулевом смещении
|
0
|
Ф
|
| CGS
|
Емкость перехода затвор-исток при нулевом смещении
|
0
|
Ф
|
| M
|
Коэффициент лавинного умножения обедненного р-п-перехода за твор-канал
|
0,5
|
| FC
|
Коэффициент нелинейности емкостей переходов при прямом смещении
|
0,5
|
| PB
|
Контактная разность потенциалов р-п-перехода затвора
|
1
|
В
|
| VTOTC
|
Температурный коэффициент VTO
|
0
|
В/°С
|
| BETATCE
|
Температурный коэффициент BETA
|
0
|
| Х
TI
|
Температурный коэффициент тока IS
|
3
|
| KF
|
Коэффициент, определяющий спектральную плотность фпиккер-шума
|
0
|
| AF
|
Показатель степени, определяющий зависимость спектральной плотности фликкер-шума от тока через переход
|
1
|
| T
_
MEASURD
|
Температура измерения
|
°С
|
| T
_
ABS
|
Абсолютная температура
|
°С
|
| Т
_ REL_GLOBAL
|
Относительная температура
|
°С
|
| T
_
REL
_
LOCAL
|
Разность между температурой транзистора и модели-прототипа
|
°С
|
Арсенид-галлиевыи полевой транзистор
Арсенид-галлиевые полевые транзисторы (GaAsFET) имеют эквивалентную схему, изображенную на рис.П 7
, а
. Рис.П7. Нелинейная (а) и линейная (б) схемы замещения арсенид галлиевого полевого транзистора
Существуют четыре разновидности математического описания этой модели, предложенные Куртисом (Curtice), Рэйтеоном (Raytheon), модель TriQuit [56] и модель Паркера-Скеллерна (Parker-Skeltem). Модель Куртиса дает удовлетворительные результаты лишь при расчете статического режима, в то время как остальные модели отражают и динамические характеристики арсенид-гаплиевого транзистора.
Статический режим.
Он описывается следующими соотношениями.
1) Ток затвора равен
Ig
= Igs
+ Igd
Для моделей LEVEL=1-3
Igs
= IS
*[exp(Vgs
/(N*
Vt
)-1]
Igd
= IS
*[exp(Vgd
/(N*
Vt
)-1]
Для моделей LEVEL=4
Igs
=Igsf
+ Igsr
,
где
Igsf
=IS
*[exp(Vgs
/ (N
*Vt
)) -1] + Vgs
*GMIN
Igsr
=IBD
*[1-exp(-Vgs
/VBD
)]
Igd
=Igsf
+ Igdr
,
Igdf
= IS
*[exp(Vgd
/ (N
*Vt
)) -1] + Vgd
*GMIN
Igdr
=IBD
*[1-exp(-Vgd
/VBD
)]
2) Ток стока и истока
Id
=Idrain
- Igd
Is
= -Idrain
-Igs
.
Ток Idrain
в модели Куртиса (LEVEL=1) в нормальном режиме (Vds
³0) писывается соотношениями:
ì0 при Vgs
-VTO
<
0;
Idrain
= íBETA
*(1+LAMBDA
*Vds
)*(Vgs
-VTO
)2
*TANH(ALPHA
*Vds
)
î при Vgs
-VTO
³ 0; (режим насыщения и линейный режим)
В модели Рэйтеона (LEVEL=2) в нормальном режиме:
ì0 при Vgs
-VTO
<
0;
Idrain
= íBETA
*(1+LAMBDA
*Vds
)*(Vgs
-VTO
)2
*Kt
/[1+B
*(Vds
-VTO
)]
î при Vgs
-VTO
³ 0; (режим насыщения и линейный режим)
где полиномиальная аппроксимация гиперболического тангенса имеет вид
ì1-(1-Vds
*ALFA/3)2
при 0< Vds
<3; (линейный режим)
Kt
= í
î 1 при Vds
³ 3/ALPHA
; (режим насыщения)
Для модели TriQuit (LEVEL=3) в нормальном режиме
ì0 при Vgs
-VTO
<
0;
Idrain
= íIdso
/
(1+DELTA
*Vds
*Idso
) при Vgs
-VTO
³ 0;
î (режим насыщения и линейный режим)
Idso
=BETA
*(Vgs
-Vto
)Q
*Kt
Vto
= VTO
-GAMMA
*Vds
В инверсном режиме (Vds
<0) токи стока и истока в приведенных выше соотношениях меняются местами.
Динамический режим.
Емкость перехода исток-сток равна Cds
=
CDS
(рис. 7, а).
В модели LEVEL=1 емкости Cgs
, Cgd
определяются выражениями:
емкость затвор-исток равна
ìCGS
*(1-Vgs
/VBI
)-
M
при Vgs
£ FC
*VBI
;
Сgs
= í
î CGS
*(1-FC
)
-(1+
M
)
*[1-FC
*(1+M
)+M
*Vgs
/VBI
] при Vgs
> FC
*VBI
;
емкость затвор-сток равна
ìCGD
*(1-Vgd
/VBI
)-
M
при Vgd
£ FC
* VBI
;
Сgd
= í
î CGD
*(1-FC
)
-(1+
M
)
*[1-FC
*(1+M
)+M
*Vgd
/ VBI
] при Vgd
> FC
* VBI
;
В модели LEVEL=2 и З эти емкости определяются выражениями:
Cgs
= CGS
*K2
*K1
/(1-Vn
/VBI
)0.5
+ CGD
*K3
Cgd
= CGS
*K3
*K1
/(1-Vn
/VBI
)0.5
+ CGD
*K2
где
K1
=0,5*[1+(Ve
-VTO
)/((Ve
-VTO
)2
+VDELTA
2
)0.5
]
K2
=0,5*[1+(Vgs
- Vgd
)/((Vgs
- Vgd
)
2
+(1/ALPHA
2
))0.5
]
K3
=0,5*[1+(Vgd
- Vgs
)/((Vgd
- Vgs
)
2
+(1/ALPHA
2
))0.5
]
Ve
=0,5*[Vgs
+ Vgd
+((Vgs
- Vgd
)
2
+(1/ALPHA
2
))0.5
]
ì 0,5*[Ve
+VTO
+((Ve
-VTO
)2
+VDELTA
2
)0.5
]
Vn
= í при Ve
+VTO
+((Ve
-VTO
)2
+VDELTA
2
)0.5
] < VMAX
î VMAX
в других диапазонах
Линейная схема замещения транзистора.
Схема приведена на рис.П7,б, где дополнительно включены источники флюктуационных токов. Тепловые шумы IшRS
, IшR
D
, IшRG
, создаваемые резисторами RS, RD и RG, имеют спектральные плотности
SRS
= 4*k*T/RS
, SRD
= 4*k*T/RD
, SRG
= 4*k*T/RG
.
Источник тока Iш
d
, характеризующий дробовой и фликкер-шум, имеет спектральную плотность
Sd
=8*k*T*Gm
/3+KF
-Id
AF
/f,
где
Gm
=dIdrain
/dVgs
- дифференциальная проводимость в рабочей точке по постоянному току.
Температурные эффекты
характеризуются следующими зависимостями:
IS(T) =IS*
exp[EG(Tnom)/(N
*Vt
)*(T/Tnom-1)]*(T/Tnom)XTI/NP
;
VBI(T) = VBI*
T/Tnom-3*Vt
(T)*ln(T/Tnom)-EG(Tnom)*T/Tnom+EG(T);
CGS(T) = CGS
*{1+M
*[0,0004(T-Tnom)+1-VBI(Т)/V
В
I
]};
CGD(T) =CGD
*{1+M
*[0,0004(T-Tnom)+1-VВI(Т)/V
В
I
]};
VTO(T) = VTO
+VTOTC
*(T- Tnom);
ВЕТА(T) =BETA
*1,01BETATCE(T-Tnom)
;
RG(T)=RG
*(1+TRG1
*(T- Tnom))
RD(T)=RD
*(1+TRD1
*(T- Tnom))
RS(T)=RS
*(1+TRS1
*(T- Tnom))
KF(T) = KF
*VBI
(T)/VBI
,
AF(T) = AF
*PB(T)/VBI
.
EG(T)=E*Go-a*T2
/(b+T)
Скалярный
коэффициент
Area
позволяет учесть параллельное соединение однотипных транзисторов, для чего в приведенной выше модели изменяются следующие параметры: IS =IS-Area, BETA=BETA*Area, RD=RD/Area, RS=RS/Area, RG=RG/Area, CGS = CGS*Area, CGD = CGD*Area, CDS = CDS*Area.
Значение Area указывается в задании на моделирование при включении транзистора в схему, по умолчанию Агеа=1.
Параметры четырех математических моделей приведены в табл. 4.
Таблица 4
| Имя параметра
|
Параметр
|
Значение
по умолчанию
|
Единица измерения
|
| LEVEL
|
Тип модели: 1 - модель Куртиса, 2 - модель Рэйтеона, 3 - модель TriQuit, 4 - модель Паркера-Скеллерна
|
1
|
| VTO
|
Барьерный потенциал перехода Шотки
|
-2,5
|
| VBI
|
Контактная разность потенциалов
|
1,0
|
В
|
| ALPHA
|
Константа, определяющая ток Idrain (Level=1-3)
|
2,0
|
1/В
|
| B
|
Параметр легирования (Level=2)
|
0,3
|
1/B
|
| BETA
|
Коэффициент пропорциональности в выражении для тока стока
|
0,1
|
А/В2
|
| LAMBDA
|
Параметр модуляции длины канала
|
0
|
1/B
|
| GAMMA
|
Параметр статической обратной связи (для Level=3)
|
0
|
| DELTA
|
Параметр выходной обратной связи (для Level=3, 4)
|
0
|
(А*В)-1
|
| Q
|
Показатель степени (для Level=3, 4)
|
2
|
| RG
|
Объемное сопротивление области затвора
|
0
|
Ом
|
| RD
|
Объемное сопротивление области стока
|
0
|
Ом
|
| DC
|
Объемное сопротивление области истока
|
0
|
Ом
|
| CGD
|
Емкость затвор-сток при нулевом смещении
|
0
|
Ф
|
| CGS
|
Емкость затвор-исток при нулевом смещении
|
0
|
Ф
|
| CDS
|
Емкость сток-исток при нулевом смещении
|
0
|
Ф
|
| IS
|
Ток насыщения р-л-перехода затвор-канал
|
10-14
|
А
|
| TAU
|
Время переноса носителей заряда (Level=1-3)
|
0
|
с
|
| M
|
Коэффициент лавинного умножения перехода затвора (Level=1-3)
|
0,5
|
| N
|
Коэффициент неидеальности
|
1
|
| |
Коэффициент нелинейности барьерной емкости прямосмещенного перехода затвора
|
0,5
|
| VBI
|
Контактная разность потенциалов р-л-перехода затвора
|
1
|
| EG
|
Ширина запрещенной зоны
|
1,11
|
эB
|
| Х
TI
|
Температурный коэффициент тока IS
|
0
|
| VDELTA
|
Напряжение, входящее в выражения для емкостей переходов (для LEVEL=2 и 3)
|
0,2
|
B
|
| VMAX
|
Максимальное напряжение, входящее в выражения для емкостей переходов (для Level=2 и 3)
|
0,5
|
B
|
| VTOTC
|
Температурный коэффициент VTO
|
0
|
B/o
C
|
| BETATCE
|
Температурный коэффициент BETA
|
0
|
%/ o
C
|
| TRG
1
|
Линейный температурный коэффициент RG
|
0
|
1/ o
C
|
| TRD
1
|
Линейный температурный коэффициент RD
|
0
|
1/ o
C
|
| TRS
1
|
Линейный температурный коэффициент RS
|
0
|
1/ o
C
|
| KF
|
Коэффициент, определяющий спектральную плотность фликкер-шума
|
0
|
| AF
|
Показатель степени, определяющий зависимость спектральной плотности фликкер-шума от тока через переход
|
1
|
| T
_
MEASURED
|
Температура измерения
|
o
C
|
| T
_
ABS
|
Абсолютная температура
|
o
C
|
| T_REL_GLOBAL
|
Относительная температура
|
o
C
|
| T
_
REL
_
LOCAL
|
Разность между температурой транзистора и модели-прототипа
|
o
C
|
| ACGAM
|
Коэффициент модуляции емкости
|
0
|
| HFETA
|
Параметр обратной связи VGS на высокой частоте
|
0
|
| СПЕЦИФИЧЕСКИЕ ПАРАМЕТРЫ МОДЕЛИ УРОВНЯ
LEVEL
=4
|
| HFE
1
|
Коэффициент модуляции HFGAM напряжением VGD
|
0
|
1/В
|
| HFE
2
|
Коэффициент модуляции HFGAM напряжением VGS
|
0
|
1/В
|
| HFGAM
|
Параметр обратной связи VGD на высокой частоте
|
0
|
.
|
| HFG
1
|
Коэффициент модуляции HFGAM напряжением VSG
|
0
|
1/В
|
| HFG
2
|
Коэффициент модуляции HFGAM напряжением VDG
|
0
|
1/В
|
| IBD
|
Ток пробоя перехода затвора
|
0
|
А
|
| LFGAM
|
Параметр обратной связи на низкой частоте
|
0
|
| LFG
1
|
Коэффициент модуляции LFGAM напряжением VSG
|
0
|
1/В
|
| LFG
2
|
Коэффициент модуляции LFGAM напряжением VDG
|
0
|
1/В
|
| MXI
|
Параметр напряжения насыщения
|
0
|
| MVST
|
Параметр подпороговой модуляции
|
0
|
1/В
|
| P
|
Показатель степени
|
2
|
| TAUD
|
Время релаксации тепловых процессов
|
0
|
с
|
| TAUG
|
Время релаксации параметра обратной связи GAM
|
0
|
с
|
| VBD
|
Потенциал пробоя перехода затвора
|
1
|
В
|
| VST
|
Подпороговый потенциал
|
0
|
В
|
| XC
|
Фактор уменьшения емкости разряда
|
0
|
| XI
|
Параметр, определяющий точку излома потенциала насыщения
|
1000
|
| Z
|
Параметр точки излома характеристики транзистора
|
0,5
|
ЛИТЕРАТУРА
Основная
1. Анисимов Б.В., Белов Б.И., Норенков И.П. Машинный расчет элементов ЭВМ. -М.: Высшая школа. 1976. - 336 с.
2. Ильин В.Н. Машинное проектирование электронных схем. - М.:
Энергия, 1972. - 260 с.
3. Сигорский В.П., Петренко А. И. Алгоритмы анализа электронных схем - К.:
Техніка. 1970. - 396 с.
4. Калабеков Б.А. Применение ЭВМ в инженерных расчетах в технике связи.
- М.; Радио и связь, 1981. - 225 с.
5. Чуа Л.О., Пен-Мин Лин. Машинный анализ электронных схем. Алгоритмы и вычислительные методы. - М.: Энергия. 1980. - 640 с.
3. Конструирование функциональных узлов ЭВМ на интегральных схемах.
/ Б.Н. Ермолаев и др. - М.; Советское радио, 1978. - 200 с.
Дополнительная
Д1. Малорацкий Л. Г. Микроминиатюризация элементов и устройств СВЧ.
- М.: Советское радио, 1976. - 216 с.
Д2. Петренко А.И. Краткий конспект лекций по курсу "Методы моделирования
электронных схем на ЭЦВМ. - К.; КПИ, 1977. - 174 с.
ДЗ. Иващенко Н.Н. Автоматическое регулирование. - М.; Машиностроение,
1978. - 736 с.
Д4. Чахмахсязан Е.А., Бармаков Ю.Н., Гольденберг А.Э. Машинный анализ
интегральных схем. - М.; Советское радио, 1974. - 271с.
Д5. Нагорный Л.Я. Моделирование электронных схем на ЭДЕМ. - К.:
Технiка, 1974. - 360 с.
Д6. Горинштейн A.M. Численные решения задач радиотехники и техники
связи на ЭЦВМ. - М.: Связь, 1972. - 200 с.
Д7. Трохименко Я.К., Каширский Н.С., Ловкий В.К. Проектирование
радиотехнических схем на инженерных ЭЦВМ. - К.: Технiка, 1976. - 272 с.
Д8. Проектирование приемно-усилительных устройств с применением
ЭВМ /Л.И.Бурин, Д.Я.Мельников, В.З.Топуриа, Б.Н.Шелковников.
- М.: Радио и связь, 1981. - 176 с., ил.
СОДЕРЖАНИЕ
ВВЕДЕНИЕ
……..………………………………………..……………………………………………..……3
ЗАДАЧИ АНАЛИЗА ЭЛЕКТРОННЫХ СХЕМ
.………………………………………………………..4
МАТЕМАТИЧЕСКАЯ МОДЕЛЬ ЭЛЕКТРОННОЙ СХЕМЫ В ДИНАМИЧЕСКОМ
РЕЖИМЕ ПРИ БОЛЬШОМ СИГНАЛЕ. ВРЕМЕННАЯ ОБЛАСТЬ.
……………………..… ….…6
МАТЕМАТИЧЕСКАЯ МОДЕЛЬ ЭЛЕКТРОННОЙ СХЕМЫ В СТАТИЧЕСКОМ РЕЖИМЕ
….……………………………………………………………………………………………...…15
МЕТОДЫ И АЛГОРИТМЫ РАСЧЕТА СТАТИЧЕСКОГО РЕЖИМА
РАБОТЫ
……………………………………………………..…………………………………….……….17
ПРИМЕР МАТЕМАТИЧЕСКОЙ МОДЕЛИ ДЛЯ СТАТИЧЕСКОГО РЕЖИМА
РАБОТЫ ЭЛЕКТРОННОЙ СХЕМЫ
…………………….……………………………………………..19
МЕТОДЫ РЕШЕНИЯ СИСТЕМ ЛИНЕЙНЫХ АЛГЕБРАИЧЕСКИХ
УРАВНЕНИЙ ПРИМЕНЯЕМЫХ ДЛЯ АНАЛИЗА СХЕМ
………………….....……………………21
МАТЕМАТИЧЕСКАЯ МОДЕЛЬ ЭЛЕКТРОННОЙ СХЕМЫ В ДИНАМИЧЕСКОМ
РЕЖИМЕ ПРИ МАЛОМ СИГНАЛЕ. ВРЕМЕННАЯ ОБЛАСТЬ
………………………………..…25
МЕТОДЫ И АЛГОРИТМЫ РАСЧЕТА ДИНАМИЧЕСКОГО РЕЖИМА
ПРИ БОЛЬШОМ СИГНАЛЕ. ВРЕМЕННАЯ ОБЛАСТЬ
….….…………………………….……30
МАТЕМАТИЧЕСКАЯ МОДЕЛЬ ЭЛЕКТРОННОЙ СХЕМЫ В ДИНАМИЧЕСКОМ
РЕЖИМЕ ПРИ МАЛОМ СИГНАЛЕ. ЧАСТОТНАЯ ОБЛАСТЬ
………….…………..……………33
МАТЕМАТИЧЕСКАЯ МОДЕЛЬ ЭЛЕКТРОННОЙ СХЕМЫ В ДИНАМИЧЕСКОМ
РЕЖИМЕ ПРИ БОЛЬШОМ СИГНАЛЕ. ЧАСТОТНАЯ ОБЛАСТЬ.
…………………………...…37
ПРИМЕР МАТЕМАТИЧЕСКОЙ МОДЕЛИ ЭЛЕКТРОННОЙ СХЕМЫ В
ДИНАМИЧЕСКОМ РЕЖИМЕ ПРИ ОДНОМ БОЛЬШОМ СИГНАЛЕ В
ЧАСТОТНОЙ ОБЛАСТИ
……………………………………………………….……………….………39
МАТЕМАТИЧЕСКАЯ МОДЕЛЬ ЭЛЕКТРОННОЙ СХЕМЫ В ДИНАМИЧЕСКОМ
РЕЖИМЕ ПРИ ДВУХ БОЛЬШИХ СИГНАЛАХ. ЧАСТОТНАЯ ОБЛАСТЬ
……………….....…41
ПРИМЕР МАТЕМАТИЧЕСКОЙ МОДЕЛИ ЭЛЕКТРОННОЙ СХЕМЫ В
ДИНАМИЧЕСКОМ РЕЖИМЕ ПРИ ДВУХ БОЛЬШИХ СИГНАЛАХ.
ЧАСТОТНАЯ ОБЛАСТЬ
……………………………………..…………………………….………….…44
МЕТОДЫ И АЛГОРИТМЫ АНАЛИЗА ЧУВСТВИТЕЛЬНОСТИ
ЭЛЕКТРОННЫХ СХЕМ
………………………………………………………………….…..………..…46
ПРИЛОЖЕНИЕ
…………………………………………………………………………………..……..…50
Диод
.…………………………………………………………………………………..…51
Биполярный транзистор
…………………………………………...………………55
Полевой транзистор
…………………………………………………………………63
Арсенид-галлиевыи полевой транзистор
………………………………………67
ЛИТЕРАТУРА
…………………………………………………………………………………………..…73
|