Реферат
Интегральная
(engl. Integrated circuit, IC, microcircuit, microchip, silicon chip, or chip), (микро
)схема
(ИС, ИМС, м/сх
), чип
, микрочи́п
(англ. chip
— щепка, обломок, фишка) — микроэлектронное устройство — электронная схема произвольной сложности, изготовленная на полупроводниковом кристалле (или плёнке) и помещённая в неразборный корпус. Часто под интегральной схемой
(ИС) понимают собственно кристалл или плёнку с электронной схемой, а под микросхемой
(МС) — ИС, заключённую в корпус. В то же время выражение «чип компоненты» означает «компоненты для поверхностного монтажа» в отличие от компонентов для традиционной пайки в отверстия на плате. Поэтому правильнее говорить «чип микросхема», имея в виду микросхему для поверхностного монтажа. В настоящий момент большая часть микросхем изготавливается в корпусах для поверхностного монтажа.
Транзисторно-транзисторная логика
(ТТЛ
, TTL
) — способ преобразования дискретной информации (в частности, выполнения логических операций) с помощью электронных устройств, построенных на основе биполярных транзисторов и резисторов. Название транзисторно-транзисторный
возникло из-за того, что транзисторы используются как для выполнения логических функций (например, И, ИЛИ), так и для усиления выходного сигнала (в отличие от резисторно-транзисторной и диодно-транзисторной логики). ТТЛ получила широкое распространение и применяется в компьютерах, АСУТП, электронных музыкальных инструментах, а также в контрольно-измерительной аппаратуре. Благодаря широкому распространению ТТЛ входные и выходные цепи электронного оборудования часто выполняются совместимыми по электрическим характеристикам с ТТЛ.
ТТЛ-логика (как и ТТЛШ) является прямым наследником ДТЛ и использует тот же принцип действия. Входной ТТЛ-транзистор (в отличие от обычного) имеет несколько, обычно от 2 до 8, эмиттеров. Эти эмиттеры выполняют роль входных диодов (если сравнивать с ДТЛ). Многоэмиттерный транзистор по сравнению с применявшейся в схемах ДТЛ сборкой из отдельных диодов занимает меньше места на кристалле и обеспечивает более высокое быстродействие. Следует отметить, что в микросхемах ТТЛШ, начиная с серии 74LS, вместо многэмиттерного транззистора используется сборка диодов Шоттки (серия 74LS) или PNP транзисторы в сочетании с диодами Шоттки (серии 74AS, 74ALS), так что фактически произошел возврат к ДТЛ. Название ТТЛ заслуженно носят лишь серии 74, 74H, 74L, 74S, содержащие многоэмиттерный транзистор. Все более поздние серии многоэмиттерного транзистора не содержат, фактически являются ДТЛ и носят название ТТЛШ (ТТЛ Шоттки) лишь "по традиции", будучи развитем именно ТТЛ.
Забиваем Сайты В ТОП КУВАЛДОЙ - Уникальные возможности от SeoHammer
Каждая ссылка анализируется по трем пакетам оценки: SEO, Трафик и SMM.
SeoHammer делает продвижение сайта прозрачным и простым занятием.
Ссылки, вечные ссылки, статьи, упоминания, пресс-релизы - используйте по максимуму потенциал SeoHammer для продвижения вашего сайта.
Что умеет делать SeoHammer
— Продвижение в один клик, интеллектуальный подбор запросов, покупка самых лучших ссылок с высокой степенью качества у лучших бирж ссылок.
— Регулярная проверка качества ссылок по более чем 100 показателям и ежедневный пересчет показателей качества проекта.
— Все известные форматы ссылок: арендные ссылки, вечные ссылки, публикации (упоминания, мнения, отзывы, статьи, пресс-релизы).
— SeoHammer покажет, где рост или падение, а также запросы, на которые нужно обратить внимание.
SeoHammer еще предоставляет технологию Буст, она ускоряет продвижение в десятки раз,
а первые результаты появляются уже в течение первых 7 дней.
Зарегистрироваться и Начать продвижение
Транзисторно-транзисторная логика с диодами Шоттки
(ТТЛШ
)
В ТТЛШ используются транзисторы Шоттки , в которых барьер Шоттки не позволяет транзистору войти в режим насыщения в результате чего диффузионная емкость мала и задержки переключения малы, а быстродействие высокое
ТТЛШ-логика отличается от ТТЛ наличием диодов Шоттки в цепях база — коллектор, что исключает насыщение транзистора, а также наличием демпфирующих диодов Шоттки на входах (редко на выходах) для подавления импульсных помех, образующихся из-за отражений в длинных линиях связи (длинная - понятие относительное, длинной считается линия, время распространения сигнала в которой больше длительности его фронта, для самых быстрых ТТЛШ микросхем линия становится длинной начиная с длины в несколько сантиметров).
Дешифраторами
называются комбинационные устройства, преобразующие n-разрядный двоичный код в логический сигнал, появляющийся на том выходе, десятичный номер которого соответствует двоичному коду.
Дешифраторы.
Это комбинационные схемы с несколькими входами и выходами, преобразующие код, подаваемый на входы в сигнал на одном из выходов. На выходе дешифратора появляется логическая единица, на остальных – логические нули, когда на входных шинах устанавливается двоичный код определенного числа или символа, т.е. дешифратор расшифровывает число в двоичном коде, представляя его логической единицей на определенном выходе. Число входов дешифратора равно кол-ву разрядов поступающих двоичных чисел. Число выходов равно полному кол-ву различных двоичных чисел этой разрядности.
Для n-разрядов на входе, на выходе 2^n, чтобы вычислить, является ли поступившее на вход двоичное число известным ожидаемым, инвертируются пути в определенных разрядах этого числа. Затем выполняется конъюнкция всех разрядов преобразованного таким образом числа. Если результатом конъюнкции является логическая единица, значит на вход поступило известное ожидаемое число.
Сервис онлайн-записи на собственном Telegram-боте
Попробуйте сервис онлайн-записи VisitTime на основе вашего собственного Telegram-бота:
— Разгрузит мастера, специалиста или компанию;
— Позволит гибко управлять расписанием и загрузкой;
— Разошлет оповещения о новых услугах или акциях;
— Позволит принять оплату на карту/кошелек/счет;
— Позволит записываться на групповые и персональные посещения;
— Поможет получить от клиента отзывы о визите к вам;
— Включает в себя сервис чаевых.
Для новых пользователей первый месяц бесплатно.
Зарегистрироваться в сервисе
Из логических э-тов являющихся дешифраторами можно строить дешифраторы на большое число входов. Каскадное подключение таких схем позволит наращивать число дифференцируемых переменных.
Счётчик
— устройство, на выходах которого получается двоичный (двоично-десятичный) код, определяемый числом поступивших импульсов. Счётчики могут строится на T-триггерах. Основной параметр счётчика — модуль счёта — максимальное число единичных сигналов, которое может быть сосчитано счётчиком. Счётчики обозначают через СТ (от англ. counter).
Семисегментный индикатор
— устройство отображения цифровой
информации. Является альтернативой более дорогим матричным экранам, когда нужно отображать только цифры, без букв или с небольшим их количеством.
Семисегментный индикатор, как говорит его название, состоит из семи элементов индикации (сегментов), включающихся и выключающихся по отдельности. Включая их в разных комбинациях, из них можно составить упрощённые изображения арабских цифр. Часто семисегментные индикаторы делают в курсивном начертании, что повышает читаемость.
Цифры, 6, 7 и 9 имеют два разных представления на семисегментном индикаторе.
Сегменты обозначаются буквами от A до G; восьмой сегмент — десятичная запятая, предназначенная для отображения дробных чисел.
Изредка на семисегментном индикаторе отображают буквы. Обратите внимание, что на анимации слева часть из букв A—F заглавные, а часть — строчные; это позволяет легко их различать.
Светодиодные индикаторы имеют предельно простую форму, так как в них применяются светодиоды, отлитые в форме сегментов, и чем меньше разных типов светодиодов, тем дешевле устройство. В жидкокристаллических, газорязрядных и других индикаторах дизайнеры находят место для вариации формы сегментов.
В информатике разрядностью
электронного (в частности, периферийного) устройства или шины называется количество разрядов (битов), одновременно обрабатываемых этим устройством или передаваемых этой шиной. Термин применим к составным частям вычислительных, периферийных или измерительных устройств: ЖКИ, шинам данных компьютеров, процессорам и т.д. Разрядностью компьютера называют разрядность его машинного слова
Задание
к курсовому проекту с дисциплины «компьютерная схемотехника»
· Часть 1.
Построение принципиальных схем по булевым выражениям
Дана логическая функция

1.
Постройте функциональную схему в базисе: И, ИЛИ, НЕТ.
2.
Постройте принципиальную схему, используя микросхемы серии К155, К555.
3.
Укажите на схеме значения логических сигналов на выходе каждого логического элемента для заданной комбинации входных сигналов.
Таблица
| Номер варианта
|
Логическая функция
|
Комбинация входных сигналов
|
| Х1
|
Х2
|
Х3
|
| 10
|

|
0
|
0
|
1
|
· Часть 2.
Построение функциональных схем шифратора, дешифратора и мультиплексора по таблице истинности.
Закон функционирования мультиплексора на восемь каналов без стробирования заданный таблицей истинности
Таблица 3
| Адресні входи
|
Вихід
|
Вхідний
канал
|
Адресні входи
|
Вихід
|
Вхідний
канал
|
| А2
|
А1
|
А0
|
Q
|
А2
|
А1
|
А0
|
Q
|
| 0
|
0
|
0
|
1
|
D0
|
1
|
0
|
0
|
5
|
D4
|
| 0
|
0
|
1
|
2
|
D1
|
1
|
0
|
1
|
2
|
D5
|
| 0
|
1
|
0
|
3
|
D2
|
1
|
1
|
0
|
7
|
D6
|
| 0
|
1
|
1
|
4
|
D3
|
1
|
1
|
1
|
8
|
D7
|
1. Объясните предназначение данного мультиплексора.
2. Приведите его условное графическое изображение и пример на основе микросхем серии К155, К555.
3. Укажите назначение всех выводов.
4. Запишите логическое выражение для выхода Q.
5. Постройте функциональную схему мультиплексора в базисе И-НЕ.
· Часть 3
Расчет счетчика
1. Выберите с таблицы микросхему счетчика для своего варианта.
2. Изобразите условное графическое изображение (УГИ) данной микросхемы, укажите назначение всех выводов.
3. Выясните разрядность счетчика (n) и коэффициент пересчета (N).
4. Укажите на УГИ значения логических сигналов, которые нужно подать на входы счетчика для начальной записи в счетчик двоичного числа (кода), заданного в таблице.
5. Произведите расчет и укажите на выводах УГИ двоичное число (код) в режиме счета (сложения) после поступления числа заданных тактовых (входных) импульсов, если заранее в нем было записано заданное двоичное число.
| Номер варианта
|
Тип микросхемы
|
Двоичное число
|
Число тактовых импульсов
|
| 10
|
К155ИЕ5
|
1010
|
42
|
Расчет регистра
1. Выберите с таблицы микросхему регистра в соответствии с вариантом.
2. Приведите УГИ данной микросхемы.
3. Укажите предназначение всех выводов регистра.
4. Определите тип регистра, и опешите все функции, которые он может выполнять.
5. Укажите разрядность регистра.
6. Запишите на УГИ регистра значения всех логических сигналов, которые нужно подать на информационные входы, для записи в регистр заданного двоичного числа.
7. Опешите последовательность подачи сигналов для записи в регистр заданного двоичного числа.
8. Укажите в какой форме происходит запись в последовательной или параллельной.
9. Рассчитайте и укажите на выходах регистра двоичное число, зафиксированное в регистре после выполнения сдвига вправо на четыре двоичных разряда.
10. Постройте диаграмму сдвига информации в регистре.
| Номер варианта
|
Тип микросхемы
|
Двоичное число
|
Число тактовых импульсов
|
| 10
|
К555ИР9
|
11100011
|
4
|
· Часть 4
Разработать, описать и начертить принципиальную электрическую схему электронного устройства соответственно варианту. Провести экономический расчет и расчет надежности электронного устройства.
Вариант 10.
- Построить дешифратор на 32 выхода на основе микросхем серии К155.
- Построить схему одного десятичного разряда таймера с кнопочным набором времени на основе микросхем серии К155.
Задание 1
Построение принципиальных схем по булевым выражениям
Дана логическая функция

4.
Постройте функциональную схему в базисе: И, ИЛИ, НЕТ.
5.
Постройте принципиальную схему, используя микросхемы серии К155, К555.
6.
Укажите на схеме значения логических сигналов на выходе каждого логического элемента для заданной комбинации входных сигналов.
Таблица
| Номер варианта
|
Логическая функция
|
Комбинация входных сигналов
|
| Х1
|
Х2
|
Х3
|
| 10
|

|
0
|
0
|
1
|
Выполнение.
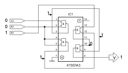
Логическая функция имеет вид: . Для построения логической схемы соответствующей функции произведем ее минимизацию. Все построения и минимизация выполняются в программной среде Electronics Workbench версии 5.12.
Минимизированная функция следующая: .
1. В соответствии с этим строем логическую схему базисе И,ИЛИ,НЕТ
:

2. Данная схема состоит из двух элементов НЕТ, двух элементов И, и одного ИЛИ. К данным типам элементов по справочнику подбираем функциональные аналоги и строим принципиальную схему.
3. В соответствии комбинацией подаем на входы логические сигналы и обозначаем результаты.
Задание 2
Построение функциональных схем шифратора, дешифратора и мультиплексора по таблице истинности.
Закон функционирования мультиплексора на восемь каналов без стробирования заданный таблицей истинности
Таблица 3
| Адресні входи
|
Вихід
|
Вхідний
канал
|
Адресні входи
|
Вихід
|
Вхідний
канал
|
| А2
|
А1
|
А0
|
Q
|
А2
|
А1
|
А0
|
Q
|
| 0
|
0
|
0
|
1
|
D0
|
1
|
0
|
0
|
5
|
D4
|
| 0
|
0
|
1
|
2
|
D1
|
1
|
0
|
1
|
2
|
D5
|
| 0
|
1
|
0
|
3
|
D2
|
1
|
1
|
0
|
7
|
D6
|
| 0
|
1
|
1
|
4
|
D3
|
1
|
1
|
1
|
8
|
D7
|
1. Объясните предназначение данного мультиплексора.
2. Приведите его условное графическое изображение и пример на основе микросхем серии К155, К555.
3. Укажите назначение всех выводов.
4. Запишите логическое выражение для выхода Q.
5. Постройте функциональную схему мультиплексора в базисе И-НЕ.
Выполнение:
1. Данный мультиплексор предназначен для мультиплексирования сигналов поступающих на 8 входов в один выход, в соответствии с адресом канала. Такие элементы используются в цифровых устройствах, где нужно по одному каналу передавать многопоточные сигналы. Примером таких устройств является: клавиатура ЭВМ, приборная доска некоторых современных автомобилей (в которых показания считываются с множества датчиков на один прибор), и т.д.
2. Условное графическое обозначение данного устройства имеет вид:
 
3. Выводы D0,D1,D2,D3,D4,D5,D6,D7 – это информационные входы мультиплексора на которые подаются мультиплексируемые сигналы. A0,A1,A2 – это информационные входы с помощью которых задается адрес того или иного входа D. Q – это выход мультиплексора, по которому передается сигнал другому устройству.
4. Функциональная схема мультиплексора в базисе И-НЕ имеет вид:
 
Задание 3
Расчет счетчика
1. Выберите с таблицы микросхему счетчика для своего варианта.
2. Изобразите условное графическое изображение (УГИ) данной микросхемы, укажите назначение всех выводов.
3. Выясните разрядность счетчика (n) и коэффициент пересчета (N).
4. Укажите на УГИ значения логических сигналов, которые нужно подать на входы счетчика для начальной записи в счетчик двоичного числа (кода), заданного в таблице.
5. Произведите расчет и укажите на выводах УГИ двоичное число (код) в режиме счета (сложения) после поступления числа заданных тактовых (входных) импульсов, если заранее в нем было записано заданное двоичное число.
| Номер варианта
|
Тип микросхемы
|
Двоичное число
|
Число тактовых импульсов
|
| 10
|
К155ИЕ5
|
1010
|
42
|
Выполнение:
Данная микросхема – четырехразрядный двоичный счетчик, Выполненный на двухступенчатых триггерах J-K типа. Счетчик имеет два счетных входа С1, С2 и два входа установки нуля R01, R02. Вход Q1 внутренне не соединен с последующими триггерами. Это дает возможность использовать схему в двух независимых режимах работы в качестве: четырехразрядного двоичного счетчика, когда входные счетные импульсы поступают на вход С1.

После 42х тактов после записи числа указанного в таблице на выходе будет шестнадцатеричное число 4 или двоичное 0100.
Счетчик имеет 4 разряда и коэффициент пересчета равен 16.
Расчет регистра
1. Выберите с таблицы микросхему регистра в соответствии с вариантом.
2. Приведите УГИ данной микросхемы.
3. Укажите предназначение всех выводов регистра.
4. Определите тип регистра, и опешите все функции, которые он может выполнять.
5. Укажите разрядность регистра.
6. Запишите на УГИ регистра значения всех логических сигналов, которые нужно подать на информационные входы, для записи в регистр заданного двоичного числа.
7. Опешите последовательность подачи сигналов для записи в регистр заданного двоичного числа.
8. Укажите, в какой форме происходит запись в последовательной или параллельной.
9. Рассчитайте и укажите на выходах регистра двоичное число, зафиксированное в регистре после выполнения сдвига вправо на четыре двоичных разряда.
10. Постройте диаграмму сдвига информации в регистре.
| Номер варианта
|
Тип микросхемы
|
Двоичное число
|
Число тактовых импульсов
|
| 22,10
|
К555ИР9
|
11100011
|
4
|
Выполнение:
Микросхема К555ИР9
представляет собой восьмиразрядный сдвиговый регистр с параллельной загрузкой и имеет два режима работы: параллельная загрузка и сдвиг. Параллельная загрузка информации осуществляется при наличии на входе выбора WR низкого уровня напряжения, причем загрузка происходит асинхронно.
После установки высокого уровня напряжения на входе выбора режима WRпо положительному фронту тактового импульса на входе синхросигнала SYN или входе блокировки синхросигнала DE происходит сдвиг. При высоком уровне напряжения на одном из входов SYN или DE состояние регистра не изменяется.
Условное обозначение данного регистра имеет вид:

Для записи в регистр данного числа параллельно требуется следующая последовательность:

При параллельном вводе числа в регистр требуется всего один такт. Запись происходит с поступлением тактирующего импульса, который сохраняет состояния с информационных входов D0-D3. При этом для параллельной записи необходимо присутствие на входе PE сигнала низкого уровня.
В случае сдвига числа (заданного по варианту) вправо на выходах регистра будут присутствовать соответствующие сигналы:
| Выход
|
Без сдвига
|
Со сдвигом на 4 разряда
|
| D0
|
1
|
0
|
| D1
|
1
|
0
|
| D2
|
1
|
1
|
| D3
|
0
|
1
|
| D4
|
0
|
1
|
| D5
|
0
|
1
|
| D6
|
1
|
1
|
| D7
|
1
|
0
|
Задание 4
Разработать, описать и начертить принципиальную электрическую схему электронного устройства соответственно варианту. Провести экономический расчет и расчет надежности электронного устройства.
Вариант 10.
· Построить дешифратор на 32 выхода на основе микросхем серии К155.
· Построить схему одного десятичного разряда таймера с кнопочным набором времени на основе микросхем серии К155.
Выполнение:
Построение дешифратора на 32 выхода.
Для решения поставленной задачи за основу были применены микросхемы серии К155ИД3, которые представляют собой четырехразрядный дешифратор с шестнадцатью выходами.
Принципиальная схема дешифратора с 32 выходами:
 
В данном устройстве применены две микросхемы К155ИД3 и одна микросхема К155ЛА3. Входной сигнал D0-D3 подается на соответствующие входы дешифраторов U1 и U2, а вход D4 подается на логическую схему состоящей из трех элементов 2И-НЕ, служащих инверторами.
Принцип работы заключается в следующем. При наличии на входе D4 сигнала низкого уровня логическая схема отключает второй дешифратор U2 и поступившие данные обрабатываются только первым дешифратором U1. В случае когда на вход D4 поступил сигнал высокого уровня отключается U1 и входной код уже обрабатывается U2. Таким образом в совокупности получается пятиразрядный дешифратор на 32 выхода состоящий из трех микросхем.
Расчет надежности.
Методика расчета надежности заключается в следующем:
1.
Составляется логическая схема надежности системы.
2.
Все элементы проектируемой системы разбиваются на группы с одинаковыми внутригрупповыми интенсивностями отказов и производится подсчет количества элементов в каждой группе Nj.
3.
Вычисляются произведения Nj
λj
соответствующей группы элементов.
4.
Расчитывается результирующая интенсивности отказов систем

где k - число групп элементов в системе.
5.
Определяется среднее время безотказной работы

6.
Вычисляется вероятность безотказной работы системы

где Тр = 105
7.
Составляется таблица, куда заносятся исходные и расчетные данные (табл. 1).
Таблица1

| № группы
|
Наименование элементов
|
Число элементов
|
λ*10-6
|
Nj *
λј
|
| 1
|
Микросхема К155ИД3
|
2
|
0,01
|
0,02
|
| 2
|
Микросхема К155ЛА3
|
1
|
0,01
|
0,01
|
| 3
|
Контактные разьемы
|
3
|
0,05
|
0,15
|
| 4
|
Платы печатного монтажа
|
1
|
0,2
|
0,2
|
8
.Сравниваются заданные значения вероятности безотказной работы и расчетные. Если Рзад
>Ррасч
, то необходимо принять меры для повышения надежности: упрощение схемы, применение более надежных элементов, облегчение режимов работы системы, резервирование системы.
Экономический расчет.
Для расчета себестоимости блока составляется калькуляция. Расчет суммы затрат на материалы производится по формуле:
где — стоимость покупных изделий необходимых для изготовления блока
m—количество деталей и материалов необходимых для изготовления изделия.
| № п/п
|
Наименование деталей и материалов
|
Количество
|
Стоимость в гривнах
|
| Одного изделия
|
Сумма
|
| 1
|
Печатная плата
|
1
|
1
|
1
|
| 2
|
Микросхема К155ИД3
|
2
|
3
|
6
|
| 3
|
Микросхема К155ЛА3
|
1
|
1
|
1
|
| 4
|
Клемы 1Х16
|
2
|
1
|
2
|
| 5
|
Клемы 1Х5
|
1
|
0,5
|
0,5
|
| 6
|
Упаковка
|
1
|
1
|
1
|
| Количество общее
|
8
|
Сумма
|
11,5
|
Калькуляция себестоимости производства блока представлена в таблице 2.
| № п/п
|
Статья калькуляции
|
Сумма затрат
|
| 1
|
Материалы и детали
|
11,5
|
| 2
|
Тарифная зарплата рабочих
|
5
|
| 3
|
Отчисление на соцстрахование
|
0,7
|
| 4
|
Содержание и эксплуатация оборудования
|
9
|
| 5
|
Общецеховые расходы
|
6
|
| 6
|
Цеховая себестоимость
|
17,5
|
| 7
|
Общезаводские расходы
|
0,05
|
| 8
|
Заводская производственная себестоимость
|
17,55
|
| 9
|
Все производственные расходы
|
0,5265
|
| 10
|
Полная себестоимость
|
18,0765
|
| 11
|
Себестоимость за вычетом материальных затрат
|
6,5765
|
| 12
|
Норматив рентабельности
|
2,301775
|
| 13
|
Прибыль
|
0,08878275
|
| 14
|
Оптовая цена изделия
|
18,16528275
|
Цена одного изделия составляет около 20 грн.
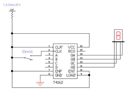
Построение схемы одного десятичного разряда таймера с кнопочным набором времени.
Для решения данной задачи было применено два типа микросхем. Это двоично-десятичный счетчик (на К555ИЕ11) и преобразователь двоичного кода в семисегментный код для числового индикатора (на КМ555ИД18).
Принципиальная схема устройства.

Принцип работы данного устройства заключается в следующем. На тактирующий вход счетчика с помощью кнопки J1 подается сигнал высокого уровня и по его завершению (так как это инверсный вход) происходит счет двоичного числа. Это число подается со выходов счетчика на вход семисегментного дешифратора, который преобразовывает двоичный код в код семисегментного индикатора который и подается на этот индикатор. В следствии чего индетифицыруется как число от 0 до 9.
Расчет надежности.
Методика расчета надежности заключается в следующем:
1.
Составляется логическая схема надежности системы.
2.
Все элементы проектируемой системы разбиваются на группы с одинаковыми внутригрупповыми интенсивностями отказов и производится подсчет количества элементов в каждой группе Nj.
3.
Вычисляются произведения Nj
λj
соответствующей группы элементов.
4.
Расчитывается результирующая интенсивности отказов систем
 
где k - число групп элементов в системе.
5.
Определяется среднее время безотказной работы

6.
Вычисляется вероятность безотказной работы системы

где Тр = 104
7.
Составляется таблица, куда заносятся исходные и расчетные данные (табл. 1).
Таблица1

| № группы
|
Наименование элементов
|
Число элементов
|
λ*10-6
|
Nj *
λј
|
| 1
|
Микросхема К555ИЕ11
|
1
|
0,01
|
0,01
|
| 2
|
Микросхема КМ555ИД18
|
1
|
0,01
|
0,01
|
| 3
|
Семисегментный индикатор
|
1
|
1
|
1
|
| 4
|
Платы печатного монтажа
|
1
|
0,2
|
0,2
|
8
.Сравниваются заданные значения вероятности безотказной работы и расчетные. Если Рзад
>Ррасч
, то необходимо принять меры для повышения надежности: упрощение схемы, применение более надежных элементов, облегчение режимов работы системы, резервирование системы.
Экономический расчет.
Для расчета себестоимости блока составляется калькуляция. Расчет суммы затрат на материалы производится по формуле:
где — стоимость покупных изделий необходимых для изготовления блока
m—количество деталей и материалов, необходимых для изготовления изделия.
| № п/п
|
Наименование деталей и материалов
|
Количество
|
Стоимость в гривнах
|
| Одного изделия
|
Сумма
|
| 1
|
Печатная плата
|
1
|
1
|
1
|
| 2
|
Микросхема К555ИЕ3
|
1
|
2
|
2
|
| 3
|
Микросхема КМ555ИД18
|
1
|
2
|
2
|
| 4
|
Семисегментный индикатор
|
1
|
3
|
3
|
| 6
|
Упаковка
|
1
|
1
|
1
|
| Количество общее
|
5
|
Сумма
|
9
|
Калькуляция себестоимости производства блока представлена в таблице 2.
| № п/п
|
Статья калькуляции
|
Сумма затрат
|
| 1
|
Материалы и детали
|
9
|
| 2
|
Тарифная зарплата рабочих
|
5
|
| 3
|
Отчисление на сцстрахование
|
0,7
|
| 4
|
Содержание и эксплуатация оборудования
|
9
|
| 5
|
Общецеховые расходы
|
6
|
| 6
|
Цеховая себестоимость
|
15
|
| 7
|
Общезаводские расходы
|
0,05
|
| 8
|
Заводская производственная себестоимость
|
15,05
|
| 9
|
Все производственные расходы
|
0,4515
|
| 10
|
Полная себестоимость
|
15,5015
|
| 11
|
Себестоимость за вычетом материальных затрат
|
6,5015
|
| 12
|
Норматив рентабельности
|
2,275525
|
| 13
|
Прибыль
|
0,08777025
|
| 14
|
Оптовая цена изделия
|
19,5237025
|
Цена одного изделия составляет около 20 грн.
Справочные данные
ЦИФРОВЫЕ ИНТЕГРАЛЬНЫЕ МИКРОСХЕМЫ СЕРИИ К155
ОБЩИЕ СВЕДЕНИЯ
Отечественная промышленность выпускает обширную номенклатуру интегральных микросхем (ИС). Широкое применение для построения устройств автоматики и вычислительной техники находят цифровые ИС серии К155, которые изготовляются по стандартной технологии биполярных ИС транзистор-но-транввстарной логики (ТТЛ). Номенклатура ИС серии КШ5 составляет около 100 наименований.
Все ИС серии КД55 имеют напряжение питания 5 В±5%. Интегральные микросхемы выпускаются в пластмассовых корпусах трех типов, отличающихся количеством выводов (14, 16, 24) и размерами, и имеют диапазон рабочих температур от — 10 до +70° С. Часть микросхем выпускается также в керамических корпусах и имеет обозначение К.М155. Температурный диапазон микросхем в керамических корпусах — от — 45 до +85° С.
Интегральные микросхемы серии К155 имеют выходной уровень логического 0 не более 0,4 В (типовое значение 0,1 — 0,2 В), выходной.уровень логической 1 не менее 2,4 В (типовое значение 3,2 — 3,5 В), типовую нагрузочную способность — 10.
В табл. 1 приведены значения потребляемой мощности, предельной частоты тактовых импульсов, а также число выводов корпуса и разводка выводов питания рассматриваемых ниже микросхем.
При проектировании цифровых приборов следует иметь в виду, что фактическое быстродействие триггеров и счетчиков превышает указанное в табл. 1 в 1,5 — 2 раза, а потребляемая мощность в среднем в 1,5 — 2 раза меньше предельной, указанной в таблице.
При разработке принципиальных схем различных устройств всегда возникает вопрос: что делать с неиспользуемыми входами интегральных микросхем. Для ИС ТТЛ, к которым относятся ИС серии К155, возможно несколько вариантов. Во-первых, неиспользуемые входы микросхем можно никуда не подключать
[Для ИС некоторых серий (К533, К555, К530, К531 и др.) оставлять входы неподключенными не допускается.], т. е. подпаивать к контактной площадке минимальных размеров, к которой (это важно) не подключены проводники. При таком варианте несколько уменьшается быстродействие микросхем. Во-вторых, возможно подключение неиспользуемых входов к используемым входам того же элемента, но это несколько увеличивает нагрузку (в основном емкостную) на микросхему — источник сигнала, что также снижает быстродействие. Неиспользуемые входы J триггеров можно подключать к инверсным выходам тех же триггеров, а К
— к прямым. Это очень удобно, так как указанные выводы триггеров обычно расположены рядом. Можно подключать неиспользуемые 1входы к выходу неиспользуемого элемента И — НЕ, входы которого при этом надо соединить с общим проводом. Наконец, можно объединять неиспользуемые входы ИС и подключать их к источнику питания +5 В через резистор 1 кОм (до 20 входов к одному резистору). Последние два способа не снижают быстродействия ИС.
Таблица 1
| Обозначение, ИС
|
Потребляемая мощность, мВт
|
Предельная частота, МГц
|
Число выводов корпуса
|
Выводы
питания
|
| + 5 В
|
Общ.
|
| К155ТВ1
|
105
|
10
|
14
|
14
|
7
|
| К155ТМ2
|
157,5
|
10
|
14
|
14
|
7
|
| К155ТМ5
|
265
|
—
|
14
|
4
|
11
|
| К155ТМ7
|
265
|
—
|
16
|
5
|
12
|
| К155ИЕ1
|
150
|
10
|
14
|
14
|
7
|
| К155ИЕ2
|
265
|
10
|
14
|
5
|
10
|
| К155ИЕ4
|
255
|
10
|
14
|
5
|
10
|
| К155ИЕ5
|
265
|
10
|
14
|
5
|
10
|
| К155ИЕ6
|
510
|
15
|
16
|
16
|
8
|
| К155ИЕ7
|
510
|
15
|
16
|
16
|
8
|
| К155ИЕ8
|
600
|
15
|
16
|
16
|
8
|
| К155ИР1
|
410
|
10
|
14
|
14
|
7
|
| К155ИД1
|
132
|
—
|
16
|
5
|
12
|
| К155ИДЗ
|
250
|
—
|
24
|
24
|
12
|
| К155ИД4
|
210
|
—
|
16
|
16
|
8
|
| К155КП1
|
360
|
—
|
24
|
24
|
12
|
| К155КП2
|
315
|
—
|
16
|
16
|
8
|
| К165КП5
|
230
|
—
|
14
|
14
|
7
|
| К155КП7
|
260
|
—
|
16
|
16
|
8
|
| К155ЛП5
|
262,5
|
—
|
14
|
14
|
7
|
| К155ИП2
|
294
|
—
|
14
|
14
|
7
|
| К155ИМ1
|
175
|
|
14
|
14
|
7
|
| К155ИМ2
|
290
|
|
14
|
4
|
11
|
| К155ИМЗ
|
640
|
—
|
16
|
5
|
12
|
Недопустимо подключать ко входу ИС проводник, который во время работы может оказаться неподключенным к выходу источника сигнала, например, при управлении от кнопки или переключателя. Такие проводники обязательно следует подключать к источнику +6 В через резистор 1 — .1(0 кОм.
На печатных платах с использованием ИС серии К155 необходима установка блокировочных конденсаторов между цепью +5 В и общим проводом. Их количество определяется одним-двумя конденсаторами емкостью 0,033 — 0,047 мкФ на каждые десять микросхем. Конденсаторы следует располагать на плате по возможности равномерно. Их следует также установить рядом со всеми ИС с мощным выходом (например, К155ЛА6) или с потребляемой мощностью более 0,5 Вт.
Цифровые ИС по своим функциям делятся на два широких класса — комбинационные и последовательностные. К первому классу относятся ИС, не имеющие внутренней памяти, состояние выходов этих ИС однозначно определяется уровнями входных сигналов в данный момент времени.
Ко второму классу относятся ИС, состояние выходов которых определяется не только уровнями входных сигналов в данный момент времени, но и состоянием ИС в предыдущий момент из-за наличия внутренней памяти.
К комбинационным ИС серии К155 относятся простые логические элементы И — НЕ, И — ИЛИ — НЕ, НЕ, ИЛИ — НЕ, И, ИЛИ, имеющие в своем обозначении буквы ЛА (К155ЛАЗ), ЛР (К155ЛР1), ЛН (К155ЛН1), ЛЕ (К155ЛЕ1), ЛИ (К155ЛИ1), ЛЛ (К155ЛЛ1), более сложные элементы — дешифраторы (К155ИД1, К155ИДЗ, КИ55ИД4), мультиплексеры (К155КП1, К155КП2, К155КП5, К.155КП7), сумматоры по модулю 2 (К155ЛП5, К155ИП2), полные сумматоры (КЛ55ИМ1, К155ИМ2, К155ИМЗ), а также
некоторые другие.
К последовательностным ИС относятся триггеры (К155ТВ1, К155ТМ2, К155ТМ5, К155ТМ7), счетчики (К155ИЕ1 — К155ИЕ8), сдвигающие регистры (К155ИР1) и др.
Работа логических элементов достаточно проста — для элементов И выходной уровень логической 1 формируется при подаче на все входы элемента уровней логической 1, для элемента ИЛИ для формирования уровня логической 1 на выходе достаточно подачи хотя бы на один вход уровня логической 1. Элементы И — НЕ (основной элемент серии К155) и ИЛИ — НЕ дополнительно инвертируют выходной сигнал, элемент И — ИЛИ — НЕ состоит из нескольких элементов И, выходы которых подключены ко входам элемента ИЛИ — НЕ.
Изучение работы более сложных ИС серии К155 удобно начать с микросхем последовательностного типа.
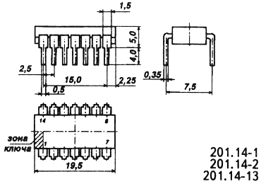
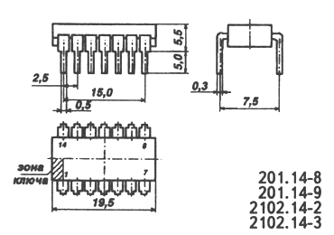
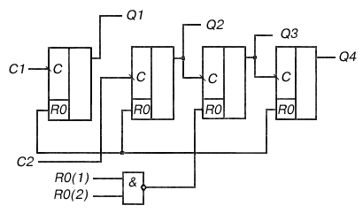
Микросхемы представляет собой двоичный счетчик. Каждая ИС состоит из четырех JK-триггеров,образуя счетчик делитель на 2 и 8. Установочные входы обеспечивают прекращение счета и одновременно возвращают все триггеры в состояние низкого уровня (на входы R0(1) и R0(2) подается высокий уровень). Выход Q1 не соединен с последующими триггерами. Если ИС используется как четырехразрядный двоичный счетчик, то счетные импульсы подаются на С1, а если как трехразрядный - то на вход С2. Корпус К155ИЕ5 типа 201.14-1, КМ155ИД5 типа 201.14-8.
Корпус ИМС К155ИЕ5

Корпус ИМС КМ155ИЕ5

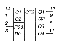
Условное графическое обозначение

1 - вход счетный С2; 2 - вход установки 0 R0(1); 3 - вход установки 0 R0(2); 4,6,7,13 - свободные; 5 - напряжение питания +Uп
; 8 - выход Q3; 9 - выход Q2; 10 - общий; 11 - выход Q4; 12 - выход Q1; 14 - вход счетный C1;
Функциональная схема
 
Электрические параметры
| 1
|
Номинальное напряжение питания
|
5 В 5 %
|
| 2
|
Выходное напряжение низкого уровня при Uп
=4,75 В
|
не более 0,4 В
|
| 3
|
Выходное напряжение высокого уровня при Uп
=4,75 В
|
не менее 2,4 В
|
| 4
|
Напряжение на антизвонном диоде при Uп
=4,75 В
|
не менее 1,5 В
|
| 5
|
Входной ток низкого уровня по входам установки в 0 при Uп
=5,25 В
|
не более -1,6 мА
|
| 6
|
Входной ток низкого уровня по счетным входам С1 и С2 при Uп
=5,25 В
|
не более -3,2 мА
|
| 7
|
Входной ток высокого уровня по входам установки в 0 при Uп
=5,25 В
|
не более -0,04 мА
|
| 8
|
Входной ток высокого уровня по счетным входам С1 и С2 при Uп
=5,25 В
|
не более 0,08 мА
|
| 9
|
Ток входного пробивного напряжения по входам установки в 0 и счетным входам С1 и С2
|
не более 1 мА
|
| 10
|
Ток потребления
|
не более 53 мА
|
| 11
|
Время задержки распространения при включении по счетному входу С1 при Uп
=5 В
|
не более 135 нс
|
| 12
|
Время задержки распространения при выключении по счетному входу С1 при Uп
=5 В
|
не более 135 нс
|
| 13
|
Ток короткого замыкания приUп
=5,25 В
|
-18...57 мА
|
Предельно допустимые режимы эксплуатации
| 1
|
Напряжение питания
|
не более 6 В
|
| 2
|
Минимальное напряжение на входе
|
-0,4 В
|
| 3
|
Максимальное напряжение на входе
|
5,5 В
|
| 4
|
Минимальное напряжение на выходе
|
-0,3 В
|
| 5
|
Максимальное напряжение на выходе закрытой ИС
|
5,25 В
|
| 6
|
Температура окружающей среды К155ИЕ5 КМ155ИЕ5
|
-10...+70 ° C -45...+85 ° C
|
Вывод:
В ходе выполнения курсового проекта приобрел навыки построения электронных схем по булевым выражениям. Были исследованы различные типы производственных цифровых логических и функциональных микросхем таких как логические элементы И, ИЛИ, НЕ, ИЛИ-НЕ, И-НЕ, дешифраторов, шифраторов мультиплексоры и т.д.
В результате выполнения заданий были построены принципиальные схемы с использованием цифровых микросхем. При построении использовались некоторые справочные материалы по этим устройствам, вследствие этого были приобретены навыки пользования различной схемотехнической литературой.
Поставленная задача была выполнена.
Список использованной литературы:
· В.Л.Шило «Популярные цифровые микросхемы»
· С.А.Бирюков «Цифровые устройства на интегральных микросхемах»
· http://ru.wikipedia.org
· О.Н.Партала «Цифровая электроника»
· Н.А.Елагин,А.В.Ростов «конструкции и технологии в помощь радиолюбителям электроники»
|