| Федеральное агентство по образованию
Государственное образовательное учреждение высшего профессионального образования
«ТОМСКИЙ ПОЛИТЕХНИЧЕСКИЙ УНИВЕРСИТЕТ
»
Утверждаю
Директор ЭЛТИ
А.П. Суржиков
« » 2009 г.
О.А. Мастерова, А.В. Барская, А.П. Лукина
ЭКСПЛУАТАЦИЯ ЭЛЕКТРОЭНЕРГЕТИЧЕСКИХ
СИСТЕМ И СЕТЕЙ
Методические указания к выполнению лабораторных работ
для студентов, обучающихся по специальности 140205 «Электроэнергетические системы и сети» и направлению 140200 «Электроэнергетика» (магистерские программы «Электроэнергетические системы, сети, электропередачи, их режимы и надежность» и «Энергосбережение и
энергоэффективность»)
Издательство
Томского политехнического университета
2009
УДК 621.311.004 (076.5)
ББК 31.27я73
М328
М328 Эксплуатация электроэнергетических систем и сетей: методические указания для студентов, обучающихся по специальности 140205 «Электроэнергетические системы и сети» и направлению 140200 «Электроэнергетика» (магистерские программы «Электроэнергетические системы, сети, электропередачи, их режимы и надежность» и «Энергосбережение и энергоэффективность»)/ О.А. Мастерова, А.В. Барская, А.П. Лукина. – Томск: Изд-во ТПУ, 2009. – 37 с.
УДК 621.311.004 (076.5)
ББК 31.27я73
Методические указания рассмотрены и рекомендованы к изданию методическим семинаром кафедры «Электроэнергетические системы и высоковольтная техника» ЭЛТИ от 29.08. 2008 г.
Зав. кафедрой ЭСВТ
д.т.н., профессор __________В.Я. Ушаков
Председатель учебно-методической
комиссии __________В.И. Готман
Рецензент
Заместитель генерального директора ОАО «НИКИ» г. Томска
С.А. Окунев
© Мастерова О.А., Барская А.В., Лукина А.П., 2009
© Томский политехнический университет, 2009
© Оформление. Издательство Томского политехнического университета, 2009
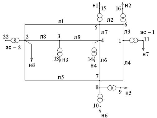
1. ИСХОДНЫЕ ДАННЫЕ
Рис.1.
Схема энергосистемы
Ключом к определению конкретного варианта исходных лабораторных работ является первая буква фамилии, первая буква имени и порядковый номер в списке группы.
Например, Иванов А.
находится в списке группы под номером 13
. Для буквы «И
» выбирается соответствующий столбец из таблицы 1.1, для буквы «А»
– столбец из таблицы 1.2, для номера «13»
– третий столбец из таблицы 1.4.
При планировании режима для энергосистемы, представленной на рис. 1, предполагаем, что подана заявка на вывод в ремонт линии электропередачи и агрегата на одной из станций в период с 9 до 10 часов утра (таблица 1.4).
Таблица 1.1
| Номер нагрузки
|
Отрасль
промышленности
|
Варианты
|
| Наименование
|
Тmax
, час
|
АЖНУФ
|
БЗОХЦ
|
ВИПЧШЩ
|
ГКРЗЫ
|
ДЛСЮМ
|
ЕМТЯ
|
| Рm
ах
|
cosφ
|
Рm
ах
|
cosφ
|
Рm
ах
|
cosφ
|
Рm
ах
|
cosφ
Забиваем Сайты В ТОП КУВАЛДОЙ - Уникальные возможности от SeoHammer
Каждая ссылка анализируется по трем пакетам оценки: SEO, Трафик и SMM.
SeoHammer делает продвижение сайта прозрачным и простым занятием.
Ссылки, вечные ссылки, статьи, упоминания, пресс-релизы - используйте по максимуму потенциал SeoHammer для продвижения вашего сайта.
Что умеет делать SeoHammer
— Продвижение в один клик, интеллектуальный подбор запросов, покупка самых лучших ссылок с высокой степенью качества у лучших бирж ссылок.
— Регулярная проверка качества ссылок по более чем 100 показателям и ежедневный пересчет показателей качества проекта.
— Все известные форматы ссылок: арендные ссылки, вечные ссылки, публикации (упоминания, мнения, отзывы, статьи, пресс-релизы).
— SeoHammer покажет, где рост или падение, а также запросы, на которые нужно обратить внимание.
SeoHammer еще предоставляет технологию Буст, она ускоряет продвижение в десятки раз,
а первые результаты появляются уже в течение первых 7 дней.
Зарегистрироваться и Начать продвижение
|
Рm
ах
|
cosφ
|
Рm
ах
|
cosφ
|
| Н – 1
|
Станкостроение
|
6900
|
20
|
0.91
|
35
|
0.86
|
25
|
0.84
|
16
|
0.87
|
28
|
0.92
|
24
|
0.88
|
| Н – 2
|
Машиностроение
|
5800
|
100
|
0.9
|
19
|
0.82
|
150
|
0.86
|
26
|
0.88
|
38
|
0.81
|
27
|
0.89
|
| Н – 3
|
Автомобиле-строение
|
5300
|
30
|
0.81
|
45
|
0.86
|
27
|
0.84
|
40
|
0.83
|
50
|
0.84
|
70
|
0.85
|
| Н – 4
|
Сельское хозяйство
|
5000
|
50
|
0.86
|
55
|
0.82
|
60
|
0.81
|
65
|
0.87
|
38
|
0.82
|
80
|
0.88
|
| Н – 5
|
Коммунально-бытовая
|
5400
|
60
|
0.82
|
55
|
0.82
|
71
|
0.86
|
62
|
0.9
|
53
|
0.83
|
64
|
0.91
|
| Н – 6
|
Деревообрабаты-вающая
|
5600
|
50
|
0.8
|
60
|
0.82
|
65
|
0.86
|
86
|
0.88
|
68
|
0.85
|
47
|
0.89
|
| Н – 7
|
Черная
металлургия
|
8000
|
242
|
0.85
|
260
|
0.81
|
166
|
0.86
|
381
|
0.86
|
252
|
0.84
|
346
|
0.87
|
| Н – 8
|
Химическая
|
7600
|
419
|
0.85
|
424
|
0.88
|
326
|
0.86
|
528
|
0.88
|
435
|
0.94
|
441
|
0.85
|
Здесь Тm
ах
– годовое число часов использования максимума нагрузки,
Рm
ах
– величины мощности нагрузки, МВт,
cosφ
– коэффициент мощности.
Таблица 1.2
Длины воздушных линий электропередач ВЛЭП - 220 кВ
| Обозначе-ние ЛЭП
|
Li
(км)
|
| |
АБВЗ
|
ЭЮЯ
|
ГДЕЖ
|
ЧИКЛ
|
МНОП
|
РСТУ
|
ФХЦ
|
ШЩ
|
| Л - 1
|
55
|
54
|
15
|
31
|
52
|
44
|
40
|
44
|
| Л - 2
|
59
|
46
|
56
|
42
|
42
|
52
|
30
|
35
|
| Л - 3
|
28
|
30
|
59
|
49
|
33
|
56
|
49
|
55
|
| Л - 4
|
42
|
50
|
53
|
24
|
28
|
20
|
40
|
25
|
| Л - 5
|
44
|
52
|
56
|
58
|
31
|
30
|
30
|
30
|
| Л - 6
|
51
|
22
|
37
|
31
|
48
|
58
|
20
|
25
|
| Л - 7
|
39
|
54
|
28
|
38
|
55
|
40
|
45
|
19
|
| Л - 8
|
49
|
55
|
31
|
24
|
59
|
45
|
56
|
56
|
| Л - 9
|
29
|
28
|
21
|
44
|
19
|
27
|
26
|
56
|
| Марка провода
|
АСО - 240
|
АСО - 300
|
Таблица 1.3
Параметры турбогенераторов на электростанциях
| Номер
электро-
станции
|
Тип агрегата
|
Номинальная мощность
генератора
Sн.ген
, МВA
|
U
ном
,
кВ
|
b
/(2,5.
10-4
), тут/кВт∙ч.
|
c
оs
j
ном
|
| ЭС - 1
ЭС - 2
|
ТВФ- 100
ТВВ - 200
|
117,5
235
|
10,5 15,75
|
0,38+P*
2,8
0,44+P*
3,4
|
0,85
0.85
|
b
- удельная расходная характеристика агрегата на электростанциях.
Таблица 1.4
Характеристики ремонтного режима и факторов, влияющих на нагрузку
| № варианта
|
0
|
1
|
2
|
3
|
4
|
5
|
6
|
7
|
8
|
9
|
| Отключение ТГ на электростанции
|
ЭС-1
|
ЭС-2
|
ЭС-1
|
ЭС-2
|
ЭС-1
|
ЭС-2
|
ЭС-1
|
ЭС-2
|
ЭС-1
|
ЭС-2
|
| Отключение ВЛЭП
|
Л-1
|
Л-5
|
Л-6
|
Л-7
|
Л-8
|
Л-9
|
Л-1
|
Л-5
|
Л-8
|
Л-9
|
Таблица 1.5
Типовые графики нагрузок активной мощности для рабочего дня
| Время
ti
– ti+1
, час
|
Величина нагрузки для каждой отрасли промышленности и для каждого интервала времени, %
|
| Н-1
|
Н-2
|
Н-3
|
Н-4
|
Н-5
|
Н-6
|
Н-7
|
Н-8
|
| 00 – 02
|
47
|
87
|
67
|
75
|
50
|
36
|
83
|
93
|
| 02 – 04
|
47
|
87
|
45
|
80
|
50
|
33
|
83
|
90
|
| 04 – 06
|
47
|
87
|
44
|
73
|
60
|
32
|
83
|
95
|
| 06 – 08
|
81
|
87
|
62
|
63
|
90
|
50
|
100
|
95
|
| 08 – 10
|
100
|
100
|
100
|
100
|
100
|
100
|
100
|
100
|
| 10 – 12
|
85
|
94
|
82
|
75
|
100
|
85
|
90
|
93
|
| 12 – 14
|
85
|
94
|
91
|
65
|
80
|
83
|
90
|
90
|
| 14 – 16
|
100
|
100
|
100
|
100
|
80
|
83
|
93
|
100
|
| 16 – 18
|
82
|
92
|
66
|
85
|
100
|
80
|
95
|
95
|
| 18 – 20
|
74
|
92
|
77
|
70
|
100
|
77
|
90
|
90
|
| 20 – 22
|
76
|
92
|
76
|
50
|
90
|
75
|
83
|
90
|
| 22 – 00
|
70
|
87
|
78
|
70
|
70
|
48
|
83
|
90
|
Используя таблицу 1.5 рассчитать графики нагрузок активной, реактивной и полной мощности в соответствии с исходными данными.
1.
Инструкция для расчета установившихся
режимов в программе «ДАКАР»
Работа начинается с вычерчивания схемы замещения электрической сети, в которой затем пронумеровывают все узлы (рис. 1.2.) Для трехобмоточных трансформаторов и автотрансформаторов нейтральной точке присваивается отдельный номер. Намечаются балансирующие узлы.
Сервис онлайн-записи на собственном Telegram-боте
Попробуйте сервис онлайн-записи VisitTime на основе вашего собственного Telegram-бота:
— Разгрузит мастера, специалиста или компанию;
— Позволит гибко управлять расписанием и загрузкой;
— Разошлет оповещения о новых услугах или акциях;
— Позволит принять оплату на карту/кошелек/счет;
— Позволит записываться на групповые и персональные посещения;
— Поможет получить от клиента отзывы о визите к вам;
— Включает в себя сервис чаевых.
Для новых пользователей первый месяц бесплатно.
Зарегистрироваться в сервисе
Затем следует сформировать массивы информации об узлах и ветвях схемы. Линии электропередачи представляют активными и реактивными сопротивлениями, реактивной проводимостью и потерями мощности на корону.
Трансформаторы вводят в расчет активным и реактивным сопротивлениями, потерями активной и реактивной мощности холостого хода. Потери на корону и холостого хода трансформаторов обычно записывают в виде нагрузки в соответствующих узлах сети.
Для облегчения набора схемы и ее параметров информацию целесообразно предварительно представить в виде таблице 1.5 и 1.6.
Информация об узлах сети
Таблица 2.1.
| Имя
узла
|
№
узла
|
U
ном
кВ
|
P
нагр
МВт
|
Q
нагр
Мвар
|
P
ген
МВт
|
Q
ген
Мвар
|
U
зад
кВ
|
Q
min
Мвар
|
Q
max
Мвар
|
…
|
N
c
|
Информация о ветвях сети
Таблица 2.2.
| № нач.
ветви
|
№ кон.
ветви
|
R
,
Ом
|
X
,
Ом
|
В
,
мкСм
|

|
……
|
2.1. Редактирование исходных данных для расчета
установившегося режима в программе «ДАКАР»
Под редактированием исходных данных для расчета установившегося режима понимается выбор существующего рабочего файла или создание нового, внесение необходимых изменений и запись информации в файл. Выбор файла режима.
Выбор файла режима осуществляется через меню «Дакар», «Режим», «Выбор режима». При помощи базы данных, компьютер выдает на экран список всех файлов режимов, доступных в данной директории. Подводя курсор к строке с данными необходимого режима и нажатием <
Enter
>
, мы делаем данные файла рабочими. Задание нового имени файла режима осуществляется нажатием клавиши <
Ins
>
. По подсказке «Введите имя файла» необходимо набрать нужное имя без расширения и нажать клавишу <
Enter
>
. В списке файлов режимов появится новая строка с набранным только что именем файла, нулевыми количественными данными и пустым наименованием (комментарием). Здесь рекомендуется задать текстовое наименование режима, количественные характеристики не задавать. После задания имени файла и наименования режима операция создания нового файла заканчивается нажатием клавиши <
F
2>
.
Редактирование параметров узлов.
Внесение данных осуществляется через меню «Редактирование».
Список редактируемых полей параметров узлов:
1. Состояние узла (для обычных узлов – 0; для отключенных – 1; для записей с составляющими мощностей – 2).
2. Наименование узла до 8 символов;
3. Тип узла;
4. Номер узла (0 – 9999);
5. Номинальное напряжение в кВ;
6. Активная нагрузка в МВт;
7. Реактивная нагрузка в МВар;
8. Активная генерация в МВт;
9. Реактивная генерация в Мвар;
10. Заданное напряжение в кВ;
11. Нижний предел по Q в Мвар;
12. Верхний предел по Q в Мвар;
В параметрах узлов заданны все узлы, включая балансирующие.
Потребляемая реактивная нагрузка и выдаваемая реактивная генерация задаются со знаком плюс.
Предусматривается два вида отработки генерирующей мощности узла:
1. задание активной и реактивной генерации;
2.
задание активной генерации и задание модуля напряжения. Узлы с заданным модулем напряжения определяются наличием в информации узла нижнего и верхнего предела по располагаемой реактивной генерации узла (Q
min
, Q
max
). Если модуль напряжения такого узла не задан, то его значение принимается равным номинальному напряжению узла. При отсутствии регулировочного диапазона по реактивной мощности или неправильное задание (Q
min
, Q
max
), заданный модуль напряжения не учитывается.
Редактирование параметров ветвей.
Список редактируемых полей параметров ветвей:
1. Состояние узла (0 – включена, 1 – отключена в начале, 2 – отключена в конце, 3 – отключена с обеих сторон);
2. Номер узла начала ветви;
3. Номер узла конца ветви;
4. Номер цепи для параллельных ветвей или 0 для одноцепной;
5. Активное сопротивление в Ом;
6. Реактивное сопротивление в Ом;
7. Активная проводимость в мкСм;
8. Реактивная проводимость мкСм;
9. Продольный коэффициент трансформации;
10. Поперечный коэффициент трансформации.
Так как в справочниках параметры трансформации даются приведенными к высшему напряжению, то и здесь желательно задавать эти значения. При этом первый узел трансформаторной ветви – это узел высшего напряжения, а коэффициент трансформации как отношение числа витков обмотки низшего напряжения, к числу витков обмотки высшего напряжения. При таком подходе коэффициент трансформации обычно меньше единицы.
Емкостная проводимость ЛЭП задается целым числом со знаком минуc. Секционные выключатели могут задаваться нулевым активным и реактивным сопротивлением ветви.
Для разнесения потерь между линиями и трансформаторами необходимо для ветвей высшего напряжения трехобмоточных трансформаторов задавать коэффициент трансформации равный единице.
Редактирование параметров балансирующих узлов.
Список редактируемых полей параметров балансирующих узлов:
1. Номер первого балансирующего узла.
2. Напряжение первого балансирующего узла в кВ.
3. Фаза напряжения первого балансирующего узла, в градусах.
4. Номер второго балансирующего узла.
5. Напряжение второго балансирующего узла в кВ.
6. Фаза напряжения второго балансирующего узла, в градусах.
7. ...
Остальные поля являются информационными. Их значения определяются автоматически при редактировании соответствующих структур. Также нецелесообразно здесь редактировать тип режима.
2.2. Запись режима.
Пункт меню «Запись режима» предназначен для сохранения режима находящегося во временном каталоге, в рабочий каталог данных. Перед записью пользователь может изменить имя файла, под которым текущий режим будет записан в рабочий каталог. Для этого перед записью в поле редактирования выводится название файла, под которым он будет загружен во временную директорию. Данная команда доступна только тогда, когда в файл режима были внесены какие-либо изменения. Но с помощью «горячей» клавиши F
2
режим можно записать в любое время. Её можно использовать также для дублирования режима в другой каталог или под новым именем.
Поиск ошибок.
Поиск ошибок в исходных данных осуществляется через пункт меню «Режим» «Поиск ошибок». Ошибки по уровню разделяют на две категории: предупреждения, выделенные одним восклицательным знаком. Это скорее информация к размышлению, чем ошибка. Большинство из них выдаются, когда исходные данные или координаты режима не удовлетворяют некоторым усредненным соотношениям. Ошибки, выделенные двумя восклицательными знаками. В большинстве случаев – это неправильно заданная информация, которая может привести к сбою расчета – их необходимо обязательно исправить. После завершения работы программы контроля в протокол выдаются сообщения об ошибках и информационные сообщения. В начале выдается информационное сообщение о структуре файла режима (комментарий к режиму, количество узлов, ветвей, шунтов).
Расчет установившегося режима.
Расчет установившегося режима может быть выполнен из любого места меню Дакар нажатием горячей клавиши F
8
, а также через меню «Расчет» «Режим...F
8
».
Кроме того, расчет установившегося режима может быть выполнен из программы графического редактора.
При активизации пункта меню «Расчет» «Режим F
8
» открывается графическое окно «Расчет установившегося режима». Через это окно осуществляется подготовка к расчету, вызов программы для его выполнения и начальный анализ результатов расчета. Окно разделено на три части:
1. Условия расчета;
2. Переключатели учета параметров;
3. Набор кнопок.
Часть <условие расчета> включает в себя выбор метода расчета и переключатели условий расчета. Окно «Метод расчета» обеспечивает выбор одного из трех методов:
1. Метод КЭДС – компенсирующих ЭДС;
2. Метод Ньютона;
3. Метод балансировки – балансировки режима.
После этого на экране появляется окно «Расчет установившегося режима», «Условия расчета» и «Учет параметров».
Часть «Условия расчета» обеспечивает выбор одного из трех вышеуказанных методов. Для выбора нужного метода необходимо подвести курсор к нужному методу и нажать <ENTER> или функциональную кнопку «Выбор». Чаще всего для расчета установившихся режимов используется метод компенсирующих ЭДС.
Остальные переключатели имеют следующие значения.
Расчет с переменной частотой
– переключатель, при фиксации которого производится расчет установившихся режимов с учетом изменения частоты, иначе – рассчитывается установившийся режим с постоянной частотой.
Расчет с автоматикой
– расчет УР с учетом действия автоматики.
Расчет по заданию
– перед расчетом УР производятся заданные изменения в исходной схеме (отключение линии, изменение мощности нагрузки и генерации).
Регулирование
– задание автоматического выбора коэффициентов трансформации по заданному напряжению на стороне среднего и низкого напряжений трансформаторов и автотрансформаторов.
Результаты в протокол
– при включенном переключателе результаты расчета по узлам и ветвям будут записываться в текстовый файл RESULT
.
TXT
, который можно потом просмотреть при нажатии функциональной кнопки «Протокол – F9».
Учет расчетных напряжений
– при включенном переключателе производится расчет начальных условий с учетом напряжений, записанных в файле текущего режима, иначе – расчет с нулевых начальных условий.
Учет ограничений по
Q
– при включенном переключателе будут учитываться во время расчета ограничения по реактивной мощности генераторов, иначе пределы по Q
считаются неограниченными.
Учет ограничений по
– при включенном переключателе максимальное ограничение по Q мощности принимаются на основе расчетных значений полученных из условия ограничения перегрузки синхронной машины по току статора и ротора. При отключенном переключателе – эти значения вычисляются, выдаются в протокол расчета, но не используются в расчете.
Учет СХН
– учитываются статические характеристики нагрузки по напряжению и частоте.
Используется следующий набор функциональных кнопок.
Параметры F
3
– задание параметров (констант) расчета УР.
Задание F
4
– формирование задания по осуществлению изменений в расчетной схеме перед началом расчета.
Автоматика F
5
– осуществляется подготовка, редактирование или просто набора автоматик, которые будут учитываться при расчете УР.
Графики F
7
– просмотр результатов расчета в графическом виде при выполнении серии расчетов.
Расчет F
8
– запускается одна из программ расчета установившегося режима.
Протокол F
9
– выводится для просмотра протокола расчета из текстового файла RESULT
.
TXT
.
Отмена ESC
– выход из меню расчета установившегося режима.
ЛАБОРАТОРНАЯ РАБОТА № 1
Расчет потокораспределения в сетевой части
энергосистемы для определения коэффициентов распределения активной мощности
в максимальном и ремонтном режимах
Цели работы
1. Освоение расчетов установившихся режимов энергосистемы с использованием промышленной программы «ДАКАР».
2. Определение коэффициентов потокораспределения активных мощностей на основе расчетов максимальных и ремонтных режимов сетевой части энергосистемы.
1.
Общие положения
Режимы электрической сети – это электрическое состояние сети, которое количественно выражается параметрами режима, такими как и т.д.
Установившиеся режимы – это режимы, изменение параметров которых происходит медленно. Наиболее характерными установившимися режимами являются максимальный, минимальный и послеаварийный (ремонтный) режимы.
Целью расчета установившегося режима электросети является определение следующих параметров:
- мощностей по концам продольных ветвей и в поперечных ветвях;
- токов во всех ветвях;
- напряжений во всех узлах.
Первым этапом расчетов режимов исследуемой энергосистемы (см. рис. 1) является расчет режимов ее сетевой части (рис.2).
Расчет установившихся режимов энергосистемы производится с использованием промышленной программы «ДАКАР».
По результатам расчета (зная величины активных мощностей по концам продольных ветвей) можно определить коэффициенты распределения активных мощностей С
1
, С
2
, С
12
. Эти коэффициенты в дальнейшем будут использованы при расчете оптимального распределения активных мощностей между электростанциями с учетом суммарных потерь активной мощности в сети.
Коэффициенты распределения активных мощностей С
1
, С
2
, С
12
определяются аналитически при помощи метода наложения.
Рис.2. Расчётная схема сетевой части энергосистемы
В качестве первого режима принимается режим, когда питание всей сети осуществляется от первой электростанции, вторая электростанция – отключена. Частичные потоки мощности в i
-ом элементе сети в первом режиме вычисляются по формуле
, (1)
где Pi
– активная мощность в начале i
-ой линии по результатам расчета первого режима;
P
ЭС1
– активная мощность, отдаваемая первой электростанцией, по результатам расчета первого режима.

Во втором режиме все питание осуществляется от электростанции номер два (при отключенной первой электростанции). Частичные потоки активной мощности в в i
-ом элементе сети для этого режима вычисляются по формуле:
, (2)
где Pi
– активная мощность в начале i
-ой линии по результатам расчета второго режима;
P
ЭС2
– активная мощность, отдаваемая второй электростанцией по результатам расчета второго режима.

Искомые коэффициенты могут быть определены по следующим выражениям:
, , ,
Где Ri
– активное сопротивление провода ВЛЭП.
2.
Подготовка исходных данных
Для облегчения набора схемы и ее параметров в промышленной программе «ДАКАР» информацию целесообразно представить в виде таблиц 1 и 2. Которые будут содержать массивы информации об узлах и ветвях исследуемой схемы. В таблице параметров узлов задаются все узлы, включая балансирующие. При этом считаем, что все генерирующие источники и нагрузки подключены непосредственно к сети 220 кВ, т.е. к узлам 1,2,3,4,5,6 и 7. Причем в 7 узле подключена сумма нагрузок 5 и 6.
При формировании массивов исходной информации необходимо помнить, что потребляемая реактивная нагрузка и выдаваемая реактивная генерация задаются со знаком плюс. Линии электропередачи представляют активными и реактивными сопротивлениями, реактивной проводимостью. Емкостная проводимость ЛЭП задается целым числом со знаком минус.
Таблица 1. Информация об узлах сети
| Имя узла
|
Номер узла
|
U
нoм, кВ
|
Р
наг, МВт
|
Q
наг, МВар
|
Р
ген, МВт
|
Q
reн, МВар
|
U
зад, кВ
|
• • •
|
N
c
|
| ЭС-1
|
1
|
220
|
0
|
0
|
0
|
0
|
0
|
• • •
|
101
|
| • • •
|
• • •
|
| ПС2
|
6
|
220
|
19
|
13,3
|
0
|
0
|
0
|
• • •
|
1
|
Таблица 2. Информация о ветвях сети
| № нач. ветви
|
№ кон. ветви
|
R
, Ом
|
X
, Ом
|
B
, мкСм
|
K1
|
• • •
|
| 2
|
5
|
6.66
|
23.93
|
-143
|
0
|
• • •
|
| • • •
|
3.
Порядок проведения лабораторной работы
1. Расчет установившегося режима сетевой части энергосистемы для часа максимума при питании от первой электростанции.
(Режим №1)
1.1. Выбрать в качестве рабочего режима режим rej
1
, являющийся шаблоном для расчета установившегося режима сетевой части схемы при питании от ЭС 1.
1.2. Внести изменения в rej
1
согласно своему варианту. Редактирование исходных данных осуществлять согласно списка редактируемых полей параметров узлов и ветвей. В качестве балансирующего узла принять узел подключения ЭС 1. Сохранить исходную информацию для расчета первого режима под своим оригинальным именем.
1.3. Осуществить расчет режима. Результаты сохранить для дальнейшего вывода на печать.
2.
Расчет ремонтного режима сетевой части энергосистемы для часа максимума при питании от первой электростанции. (Режим №2)
2.1. В массиве ветвей исходных данных для расчета первого режима произвести отключение одной из линий, заданной в таблице 1.4 исходных данных согласно варианту.
2.2. Осуществить расчет режима. Результаты сохранить для дальнейшего вывода на печать.
3.
Расчет установившегося режима сетевой части энергосистемы для часа максимума при питании от второй электростанции. (Режим №3)
3.1. Выбрать в качестве рабочего режим rej
2
, являющийся шаблоном для расчета установившегося режима сетевой части схемы при питании от ЭС2.
3.2. Внести изменения в rej
2
согласно своему варианту. В качестве балансирующего узла принять узел подключения ЭС 2. Сохранить исходную информацию для расчета третьего режима под своим оригинальным именем.
3.3. Осуществить расчет режима. Результаты сохранить для дальнейшего вывода на печать.
4.
Расчет ремонтного режима сетевой части энергосистемы для часа максимума при питании от второй электростанции. (Режим №4)
4.1. В массиве ветвей исходных данных для расчета третьего режима произвести отключение одной из линий, заданной в таблице 1.4 исходных данных согласно варианту.
4.2. Осуществить расчет режима. Результаты сохранить для дальнейшего вывода на печать.
4.
Обработка результатов расчета
По формулам 1 и 2 определяются коэффициенты k
1
i
и k
2
i
, по результатам расчетов, следует заполнить таблицы для максимального и ремонтного режимов, по примеру таблицы 3.
Таблица 3. Коэффициенты распределения активной мощности
| №
ЛЭП
|
R
лi
, Ом
|
k
1
i
|
k
2
i
|
k
1
i
k
1
i
R
л
i
|
k
2
i
k
2
i
R
л
i
|
k
1
i
k
2
i
R
л
i
|
| 1
|
2
|
3
|
4
|
5
|
6
|
7
|
| 1
|
| 2
|
| 3
|
| 4
|
| 5
|
| 6
|
| 7
|
| 8
|
| 9
|
| С
1
=
|
С
2
=
|
С
12
=
|
Просуммировав элементы по 5, 6 и 7 столбцам получаем искомые коэффициенты распределения активной мощности сети С
1
, С
2
, С
12
.
ЛАБОРАТОРНАЯ РАБОТА № 2
Расчет экономического распределения
активной мощности между электростанциями энергосистемы
Цели работы
1. Определение экономического распределения активных мощностей между электростанциями с учетом изменения потерь в сетях для максимального и ремонтного режимов энергосистемы.
2. Построение прогнозируемых суточных графиков нагрузки отдельных электростанций и энергосистемы.
3. Выбор регулирующей электростанции.
1.
Общие положения
Критерием экономичного распределения активной мощности является минимум затрат на ведение режима энергосистемы, который характеризуется равенством удельных приростов этих затрат.
В случае распределения активной мощности между двумя электростанциями целевой функцией
является сумма расходов условного топлива на обеих электростанциях. Тогда оптимальному распределению мощностей будет отвечать минимум этой функции:
, (1)
при выполнении ограничения (без учета потерь):
. (2)
Для определения экстремума функции многих переменных используется метод неопределенных множителей Лагранжа.
Идея метода Лагранжа состоит в замене условной оптимизации на безусловную. При этом определяется экстремум функции Лагранжа, который совпадает с экстремумом целевой функции.
Составляем функцию Лагранжа на основе целевой функции с учетом ограничений
, (3)
Известно, что в точке экстремума раны нулю все частные производные от функции Лагранжа по независимым переменным
, (4)
Таким образом, критерием оптимальности распределения активных мощностей является равенство частных производных
→ , (5)
т.е. равенство относительных (удельных) приростов расхода условного топлива ε,
называемых также характеристиками относительных приростов (ХОП)
. (6)
При необходимости учета потерь мощности изменяется уравнение баланса мощностей, являющееся ограничение
, (7)
тогда частные производные по независимым переменным определяются по формуле
, (8)
и критерием экономичности режима системы, состоящей из двух электростанций, является равенство удельных приростов расхода топлива с учетом потерь мощности в сети
. (9)
2.
Подготовка исходных данных
Распределение активных мощностей между электростанциями ведётся с учётом изменения потерь в сетях, которое определяется с помощью коэффициентов распределения активных мощностей С
1
, С
2
, С
12
, рассчитанных в предыдущей лабораторной работе, и количества работающих генераторов в нормальном режиме на первой и второй электростанциях соответственно.
Число агрегатов на электростанциях находим из соотношения:
(10)
где для заданной схемы энергосистемы (см. рис.1)
можно найти из следующих выражений:
,
(11)
, (12)
где k
D
Р
тр
, k
D
Р
л
, k
сн
, k
рез
– коэффициенты, учитывающие потери активной мощности в трансформаторах и ВЛЭП, нагрузки электроприемников собственных нужд и резервы электростанций (k
D
Р
тр
=1.02; k
D
Р
л
=1.08; k
сн
=1.1; k
рез
=1.1).
3.
Порядок проведения лабораторной работы
Расчет оптимального распределения активной мощности в энергосистеме осуществляется на ПЭВМ с помощью программы POPTIM.
1. Выбрать в качестве рабочего режима режим dann
, являющийся шаблоном для расчета оптимального распределения активной мощности в энергосистеме.
2. С помощью клавиши F
5
необходимо скопировать файл dann
в файл с оригинальным именем.
3. Внести изменения в рабочий файл согласно своему варианту (этот рабочий файл открывается с помощью клавиши F3
, а редактируется с помощью клавиши F6
).
Список ввода исходных данных:
11. На первой строке располагаются общие данные для всех вариантов.
12. Корректировку данных необходимо начинать со второй сроки, в которой необходимо набрать номер группы и фамилию студента.
13. В строке три необходимо внести исходные данные генераторов обоих электростанций (см. табл. 1.3):
a) номинальную активную мощность генераторов (МВт);
b) относительный удельный расход топлива на холостой ход агрегата в о.е.;
c) коэффициент аппроксимации удельной расходной характеристики в о.е.;
d) среднее номинальное напряжение (кВ).
14. В строке четыре вводятся исходные данные cosφ
всех восьми нагрузок (см. табл.1.1).
5. Строка пять содержит общие данные для всех вариантов.
6. В строке шесть вводятся следующие параметры:
a) количество работающих генераторов в нормальном режиме на первой и второй электростанциях соответственно;
b) коэффициенты распределения активных мощностей С
1
, С
2
, С
12
, с соответствующими знаками, рассчитанных для максимального режима в лабораторной работе №1.
7. В строке семь вводятся исходные данные активных мощностей всех восьми нагрузок в МВт (см. табл.1.1).
8. В строке девять следующие параметры:
a) количество работающих генераторов в ремонтном режиме на первой и второй электростанциях соответственно, т.е. отключение на одной из электростанций одного из агрегата (см. табл. 1.4);
b) коэффициенты распределения активных мощностей С
1
, С
2
, С
12
, с соответствующими знаками, рассчитанных для ремонтного режима в лабораторной работе № 1.
9. В строке десять вводятся исходные данные активных мощностей всех восьми нагрузок (МВт) (см. табл.1.1).
10. В строке десять вводится количество часов в сутках.
11. В строках одиннадцать, двенадцать, тринадцать необходимо ввести активные мощности системного графика нагрузки, для двадцати четырех часов.
Информацию целесообразно представить в виде таблицы 1.
Таблица 1
| 1
|
20
|
0.05
|
| 9201
|
Иванов С.
|
| Р
н.ген.эс1
|
Р
н.ген.эс2
|
b
б
|
b
б
|
γ
к
|
γ
к
|
U
ср.ном
|
| с
osφ
наг1
|
cosφ
наг2
|
с
osφ
наг3
|
с
osφ
наг4
|
cosφ
наг5
|
с
osφ
наг6
|
cosφ
наг7
|
cosφ
наг8
|
| 2
|
0
|
| n
ЭС1
|
n
ЭС2
|
С
1
|
С
2
|
С
12
|
| Р
max
1
|
Р
max
2
|
Р
max
3
|
Р
max
4
|
Р
max
5
|
Р
max
6
|
Р
max
7
|
Р
max
8
|
| n
ЭС1
|
n
ЭС2
|
С
1
|
С
2
|
С
12
|
| 24
|
| Р
эн.сист
|
Р
эн.сист
|
Р
эн.сист
|
Р
эн.сист
|
Р
эн.сист
|
Р
эн.сист
|
Р
эн.сист
|
Р
эн.сист
|
| Р
эн.сист
|
Р
эн.сист
|
Р
эн.сист
|
Р
эн.сист
|
Р
эн.сист
|
Р
эн.сист
|
Р
эн.сист
|
Р
эн.сист
|
| Р
эн.сист
|
Р
эн.сист
|
Р
эн.сист
|
Р
эн.сист
|
Р
эн.сист
|
Р
эн.сист
|
Р
эн.сист
|
Р
эн.сист
|
Внесенные в память компьютера данные необходимо сохранить с помощью клавиши F2
и выйти из рабочего файла исходных данных с помощью клавиши Esc
.
Из списка файлов отображенных на дисплее компьютера необходимо найти файл poptim.exe и запустить его.
На дисплее появится запрос UNIT 5
?, на который необходимо ввести имя своего рабочего файла с исходными данными и нажать клавишу Enter
.
На дисплее появится запрос UNIT 6
?, на который необходимо ввести имя файла, отличное от имени файла с исходными данными, в котором будут сохранены результаты расчета.
Расчеты потоков мощности максимальных и ремонтных режимов необходимо вывести на печать.
4.
Обработка результатов расчета
1. Необходимо представить на графике прогнозируемые суточные графики активной нагрузки отдельных электростанций и энергосистемы, используя полученные расчеты экономического распределения активных мощностей между электростанциями.
2. В рассматриваемой энергосистеме регулирование частоты следует поручить одной из электростанций, которую называют регулирующей. Это необходимо для того, чтобы выделить станцию, работающую с относительно постоянной нагрузкой, в базовой части графика нагрузки энергосистемы. Для того чтобы выбрать регулирующую станцию, необходимо найти резервы мощности в час максимальной нагрузки.
Резервная мощность каждой электростанции можно определить следующим образом:
,
(13)
– установленная мощность генераторов на ЭС-1 и ЭС-2;
,
(14)
3. В качестве регулирующей электростанции, выбирается электростанция, имеющая большую резервную мощность. Другая электростанция будет работать в базовом режиме, с постоянной мощностью. После определения регулирующей и базовой электростанции, необходимо представить уточненные суточные графики нагрузки электростанций с учётом вывода в ремонт агрегата на одной из станций (с 9до 10 часов).
ЛАБОРАТОРНАЯ РАБОТА № 3
Расчет установившегося режима работы
энергосистемы для часа максимума нагрузки
Цели работы
1. Расчет и анализ установившегося режима энергосистемы на промышленной программе ДАКАР.
2. Регулирование напряжений у потребителей с помощью изменения коэффициентов трансформации трансформаторов на подстанциях и установки компенсирующих устройств.
1.
Общие положения
В данной работе производится расчет установившегося режима по полной схеме энергосистемы (рис.1) с использованием промышленной программы «ДАКАР». Рис.1. Расчётная схема энергосистемы
Производится выбор числа и номинальной мощности трансформаторов таким образом, чтобы была обеспечена возможность надежного электроснабжения потребителей всех категорий при наиболее эффективном использовании выбранной мощности трансформаторов.
При питании потребителей I, II категорий количество трансформаторов должно быть не менее двух, а их мощность определяется из соотношения:
, (1)
где P
max
– максимальное значение активной нагрузки; n
– число параллельно работающих трансформаторов; β
– коэффициент допустимой перегрузки.
Приближенно:
, (2)
где R =
1.882 – районный коэффициент.
Принимается, что генераторы электростанции 1 работают на общие (сборные) шины на генераторном напряжении. В этом случае количество трансформаторов здесь может быть любым, но не менее двух. Расчетную мощность одного трансформатора можно определить по формуле (1).
Поскольку нагрузка Н – 7 подключена непосредственно на шины генераторного напряжения, то ее мощность не протекает по трансформаторам связи.
Таким образом:
(3)
На электростанции ЭС-2 установлены блоки «генератор-трансформатор». Поэтому число трансформаторов здесь соответствует числу агрегатов, а номинальная мощность определяется из условия:
S
ном
тр
= S
ном ген
(4)
Параметры трансформаторов необходимо свести в таблицу.
2.
Подготовка исходных данных
Для облегчения набора схемы и ее параметров в промышленной программе «ДАКАР» информацию целесообразно представить в виде таблиц № 1.и 2. Которые будут содержать массивы информации об узлах и ветвях исследуемой схемы. В таблице параметров узлов задаются все узлы, включая балансирующие. Необходимо помнить, что потребляемая реактивная нагрузка и выдаваемая реактивная генерация задаются со знаком плюс. Линии электропередачи представляют активными и реактивными сопротивлениями, реактивной проводимостью. Емкостная проводимость ЛЭП задается целым числом со знаком минус.
Трансформаторы вводят в расчет с учетом их количества активным и реактивным сопротивлениями, потерями активной и реактивной мощности холостого хода. Потери холостого хода трансформаторов обычно записывают в виде нагрузки в соответствующих узлах сети. Так как в справочниках параметры трансформации даются приведенными к высшему напряжению, то и здесь желательно задавать эти значения. При этом первый узел трансформаторной ветви – это узел высшего напряжения, а коэффициент трансформации как отношение числа витков обмотки низшего напряжения, к числу витков обмотки высшего напряжения. При таком подходе коэффициент трансформации обычно меньше единицы.
Для разнесения потерь между линиями и трансформаторами необходимо для ветвей высшего напряжения трехобмоточных трансформаторов задавать коэффициент трансформации равный единице.
Таблица 1. Информация об узлах сети
| Имя узла
|
№ узла
|
U
нoм
, кВ
|
Р
наг
, МВт
|
Q
наг
, МВар
|
Р
ген
, МВт
|
Q
reн
, МВар
|
U
зад
, кВ
|
Q
min
, МВар
|
Q
max
, МВар
|
• •
|
N
c
|
| ЭС-1
|
22
|
220
|
0
|
0
|
0
|
0
|
0
|
0
|
0
|
• •
|
101
|
| •
•
•
|
| ПС2
|
6
|
220
|
19
|
13,3
|
0
|
0
|
0
|
0
|
0
|
• •
|
1
|
Таблица 2. Информация о ветвях сети
| № нач. ветви
|
№ кон. ветви
|
R
, Ом
|
X
, Ом
|
B
, мкСм
|
K
1
|
• •
|
| 1
|
11
|
1,4
|
51,5
|
0
|
0,0434
|
• •
|
| •
•
•
|
3.
4.
Порядок проведения лабораторной работы
Максимальный режим рассчитывается двумя способами:
1. Для базовой электростанции задаются такие параметры, как активная мощность P
Г
=P
эк
и фиксированное напряжение , равное номинальной уставке АРВ генератора, то есть U
ном
.
2. Для базовой электростанции задаются активная мощность PГ
=Pэк
и реактивная мощность QГ
=Qэк
, а напряжение на выводах генератора является величиной расчётной.
Далее, по результатам расчёта выбирается рабочая уставка АРВ генератора (номинальная, либо полученная при расчёте установившегося режима вторым способом).
Для этого производится сравнение результатов расчётов с точки зрения технической реализуемости режима (0,95U
ном
U
Г
1,05U
ном
), обеспечения требуемых уровней напряжения у потребителей и экономичности.
В данной лабораторной работе необходимо произвести расчет максимального режима первым способом.
1. Выбрать в качестве рабочего режима режим в rej
1 (
лаб.1) и внести изменения согласно своему варианту.
2. Принять в качестве балансирующего узла узел, в котором подключена регулирующая электростанция.
3. Сохранить исходную информацию для расчета режима.
4. Осуществить расчет режима. Результаты сохранить для дальнейшего вывода на печать.
5.
Обработка результатов расчета
1. Вывести результаты расчетов на печать.
2. Сделать анализ установившегося режима энергосистемы.
ЛАБОРАТОРНАЯ РАБОТА № 4
Расчёт установившегося режима энергосистемы при заданных
P
эк
и
Q
эк
электростанции,
работающей в базовом режиме
Цели работы
1. Определение экономического распределения реактивной мощности между электростанциями.
2. Расчет максимального режима при задании Рэк и Qэк электростанции, работающей в базовом режиме. Определение , генератора, равное уставке АРВ генератора.
3. Выбор рабочей уставка АРВ генератора (номинальная, либо полученная при заданной Qэк).
1.
Общие положения
Помимо экономического распределения активных мощностей в энергосистеме следует определить экономическое распределение реактивной мощности между ЭС–1 и ЭС–2 для часа максимума системного графика нагрузки.
Рассматриваемая электрическая сеть принимается однородной. Для таких систем коэффициенты распределения реактивных мощностей В
1
, В
2
, В
12
оказываются пропорциональными соответствующим коэффициентам распределения активных мощностей:
; ; (1)
Экономическое распределение реактивной мощности между ЭС–1 и ЭС–2 можно найти, решив систему уравнений:
, (2)
где
, (3)
; (4)
; (5)
(6)
Однако при назначении реактивной мощности следует учитывать ограничения по предельной мощности генераторов станций. Располагаемые реактивные мощности генераторов определяются в зависимости от отдаваемых активных мощностей и напряжения на шинах генератора.
2.
Подготовка исходных данных
В данной лабораторной работе необходимо произвести расчет максимального режима вторым способом, который описан в лабораторной работе № 3.
Необходимо рассчитать реактивную мощность Q
Г
= Q
эк
.
Для базовой электростанции задаться активная мощность P
Г
= P
эк
и реактивная мощность Q
Г
= Q
эк
, (расчет которой описан выше) а напряжение на выводах генератора является величиной расчётной.
3.
Порядок проведения лабораторной работы
1. Выбрать в качестве рабочего режима режим из лабораторной работы № 3 и внести изменения.
2. Задаться для базовой электростанции активной мощностью P
Г
= P
эк
и реактивной мощностью Q
Г
= Q
эк
, а напряжение на выводах генератора является величиной расчётной.
3. Сохранить исходную информацию для расчета режима.
4. Осуществить расчет режима. Результаты сохранить для дальнейшего вывода на печать.
4.
Обработка результатов расчета
1. Вывести результаты расчетов на печать.
2. Сделать анализ установившегося режима энергосистемы.
ЛАБОРАТОРНАЯ РАБОТА № 5
Расчет установившихся режимов энергосистемы для разных ступеней графика нагрузки
Цели работы
1. Расчет и анализ режимов для часов максимума и минимума графика нагрузки и ремонтного режима энергосистемы.
2. Анализ экономической целесообразности отключения части трансформаторов на понижающих подстанциях в минимальном режиме.
1.
Общие положения
По одной из известных промышленных программ, предназначенных для расчетов установившихся режимов, например DAKAR
,
необходимо провести расчет режимов, соответствующих часам максимума и минимума графика нагрузки энергосистемы, а также ремонтного режима.
В качестве одного из режимных мероприятий подробно рассматривается отключение части трансформаторов в режимах малых нагрузок.
Отключение одного из n
-работающих трансформаторов целесообразно, когда происходящее при этом снижение потерь х.х. оказывается большим, чем увеличении нагрузочных потерь из-за перераспределения суммарной нагрузки между меньшим числом трансформаторов.
Количество работающих трансформаторов (двухобмоточных) определяется из условия:
– в работе 1 трансформатор;
– в работе 2 трансформатора.
Экономическая мощность S
эк
для двухобмоточных трансформаторов определяется по формуле:
(1)
В случае установки на подстанции трехобмоточных трансформаторов или автотрансформаторов нельзя однозначно ответить на вопрос о целесообразности или нецелесообразности отключения или включения одного трансформатора. Поскольку обмотки среднего и низшего напряжения могут иметь нагрузку, по разному изменяющуюся по времени, то и суммарные потери будут иметь более сложную зависимость от суммарной нагрузки, чем для двухобмоточных трансформаторов.
2.
Подготовка исходных данных
Cуммарные потери активной мощности в n
трехобмоточных трансформаторах можно найти по формуле:
Результаты расчета суммарных потерь активной мощности установленного на п/ст 5 автотрансформатора сводятся в таблицу 1.
Таблица 1
| Время
|
S
нагр.с
,МВА
|
S
нагр.н
, МВА
|
Δ
Р
тр
(N
=1),
кВт
|
Δ
Р
тр
(N
=2),
кВт
|
| 1
|
2
|
3
|
4
|
5
|
| 0 – 2
|
| 2 – 4
|
| 4 – 6
|
| 6 – 8
|
| 8 – 10
|
| 10 – 12
|
| 12 – 14
|
| 14 – 16
|
| 16 – 18
|
| 18 – 20
|
| 20 – 22
|
| 22 – 24
|
По данным таблицы 1 строятся графики зависимостей суммарных потерь активной мощности от мощности, передаваемой через трансформатор для одного и двух работающих трансформаторов. По графику определяется экономичное количество работающих автотрансформаторов на п/ст 5.
По результатам определения экономичного количества трансформаторов, работающих на всех подстанциях, заполняется таблица 2.
Таблица 2
Число трансформаторов, работающих на подстанциях
| Время
|
ПС – 1
|
ПС - 2
|
ПС - 3
|
ПС - 4
|
ПС – 5
|
| S
нагр
|
n
тр
|
S
нагр
|
n
тр
|
S
нагр
|
n
тр
|
S
нагр
|
n
тр
|
S
нагр
|
n
тр
|
| 1
|
2
|
3
|
4
|
5
|
6
|
7
|
8
|
9
|
10
|
11
|
| 0 – 2
|
| 2 – 4
|
| 4 – 6
|
| 6 – 8
|
| 8 – 10
|
| 10 – 12
|
| 12 – 14
|
| 14 – 16
|
| 16 – 18
|
| 18 – 20
|
| 20 – 22
|
| 22 – 24
|
3.
Порядок проведения лабораторной работы
1.1. Расчет режима для часа максимума графика нагрузки энергосистемы.
1. После проведенного сравнения результатов расчётов (лабораторная работа № 3 и № 4) с точки зрения технической реализуемости режима (0,95U
ном
U
Г
1,05U
ном
), обеспечения требуемых уровней напряжения у потребителей и экономичности выбрать в один рабочий режим.
2. Осуществить расчет режима. Отрегулировать напряжения у потребителей согласно ГОСТу 13109-97.
3. Результаты сохранить для дальнейшего вывода на печать.
Расчет режима для часа минимума графика нагрузки энергосистемы.
1. Выбрать в качестве рабочего режима режим при задании для базовой электростанции активной мощности P
Г
и фиксированного напряжения , равного рабочей уставке АРВ и внести изменения, согласно своему варианту и выбранных режимных мероприятиям.
2. Осуществить расчет режима. Отрегулировать напряжения у потребителей согласно ГОСТу 13109-97.
3. Результаты сохранить для дальнейшего вывода на печать.
Расчет ремонтного режима энергосистемы.
1. Выбрать в качестве рабочего режима режим при задании для базовой электростанции активной мощности PГ и фиксированного напряжения , равного рабочей уставке АРВ и внести изменения, согласно своему варианту.
2. Осуществить расчет режима. Отрегулировать напряжения у потребителей согласно ГОСТу 13109-97.
3. Результаты сохранить для дальнейшего вывода на печать.
4.
Обработка результатов расчета
1. Вывести результаты расчетов на печать.
2. Сделать анализ установившихся режимов энергосистемы.
ЛАБОРАТОРНАЯ РАБОТА № 6
Оперативные расчеты режимов КЗ
Цели работы
1. Освоение расчетов режимов симметричных коротких замыканий на промышленной программе ДАКАР.
2. Расчет и анализ режима трехфазного короткого замыкания для намеченных вариантов оперативной схемы.
1.
Общие положения
Одной из задач, решаемых на уровне краткосрочного планирования, является проведение отдельных поверочных расчетов токов коротких замыканий для проверки правильности выбора ранее установленных и выбора вновь вводимых устройств РЗ и А, различных коммутационных устройств.
Режим работы энергосистемы (ЭС) – это совокупность процессов, характеризующих работу ЭС и ее состояние в любой момент времени.
Параметры режима: и т.д.
Параметры системы: .
При переходе от одного режима к другому возникают переходные процессы. При этом изменяется электромагнитное состояние элементов системы и нарушается баланс между механическим и электромагнитным моментами на валах генераторов и двигателей. Это означает, что переходный процесс характеризуется совокупностью электромагнитных и электромеханических изменений в системе, которые взаимно связаны и представляют собой единое целое.
Наиболее частой причиной возникновения аварийных переходных процессов является короткое замыкание.
Короткое замыкание (КЗ) – это не предусмотренное нормальными условиями эксплуатации замыкание между фазами или фазами и землей.
В месте замыкания часто образуется дуга, сопротивление которой имеет нелинейный характер. Помимо этого в месте короткого замыкания возникает сопротивление, вызванное загрязнением, остатками изоляции и т.п.
Несимметричные КЗ, а также несимметричные нагрузки образуют в системе поперечную несимметрию. Нарушение симметрии какого-либо промежуточного элемента трехфазной цепи (например, отключение одной фазы линии электропередачи)
вызывает продольную несимметрию.
Последствия коротких замыканий:
1) термическое повреждение, связанное с его недопустимым нагревом токами КЗ;
2) механические повреждения электрооборудования, вызываемые воздействием больших электромагнитных сил между токоведущими частями;
3) ухудшение условий работы потребителей вследствие снижения напряжения;
4) наведение при несимметричных КЗ (из-за неуравновешенной системы токов) в соседних линиях и сигнализации ЭДС, опасных для обслуживающего персонала и аппаратуры этих линий;
5) возникновение системных аварий, вызванных нарушением устойчивости системы.
Наибольшая опасность при КЗ угрожает элементам системы, прилегающим к месту его возникновения.
В зависимости от места и продолжительности КЗ его последствия могут иметь местный характер или отражаться на функционировании всей системы.
ЛАБОРАТОРНАЯ РАБОТА № 7
Составление вариантов оперативной схемы энергосистемы с использованием
графического редактора
Цели работы:
Научится составлять оперативную и ремонтную схемы энергосистемы.
1.
Общие положения
Главная схема электрических соединений – это совокупность основного электрооборудования (генераторы, трансформаторы, линии), сборных шин, коммутационной и другой первичной аппаратуры со всеми выполненными между ними в натуре соединениями.
2.
Подготовка исходных данных
При выборе схем электроустановок должны учитываться следующие факторы:
· значение и роль электростанции или подстанции для энергосистемы;
· положение электростанции или подстанции в энергосистеме, схемы и напряжения прилегающих сетей;
· категория потребителей по степени надежности электроснабжения;
· перспектива расширения и промежуточные этапы развития электростанции, подстанции и прилегающего участка сети.
Главная схема электрических соединений подстанции выбирается с использованием типовых схем РУ 35 – 750 кВ. Нетиповая схема может применяться только при наличии технико-экономических обоснований.
Рекомендуется принять следующие типовые схемы РУ, которые формируют главную схему электрических соединений:
РУ – ВН ЭС – 1 выполнено по схеме с двумя несекционированными (рабочей и обходной) системами шин.
РУ – НН ЭС – 1 выполнено по схеме – одна секционированная система с обходной системой шин и с одним выключателем на цепь.
РУ – ВН ЭС – 2 выполнено по схеме с двумя несекционированными (рабочей и обходной) системами шин.
П/ст 2, 3 имеют схему четырехугольника.
П/ст 1,4,5 – одна секционированная система шин с обходной с отдельным секционным и обходным выключателями.
В схемах с обходной системой шин все присоединения с выключателями подключаются к обходной системе шин.
3.
Порядок проведения лабораторной работы
Вариант 1. Все генераторы работают, все выключатели включены, предусмотрена работа всех трансформаторов параллельно.
Вариант 2. Ремонтный режим. В соответствии с заданием отключен генератор на одной из электростанций и отключена одна из линий.
Оперативные схемы для обоих вариантов составляются с помощью программы S
С
HMAIN
.
СПИСОК литературы.
1. Баркан Я.О. Эксплуатация энергосистем. – М.: Высшая школа, 1990. – 304 с.
2. Правила технической эксплуатации электрических станций и сетей. – М.: Энергия, 1977. – 288 с.
3. Совалов С.А. Режимы единой энергосистемы. – М.: Энергия, 1983. – 384 с.
4. Маркович И.М. Режимы энергетических систем. –М.: Энергия, 1969. – 352 с.
СОДЕРЖАНИЕ
1. Исходные данные…………………………….………………………. 3
2. Инструкция для расчета установившихся режимов в программе «ДАКАР»………………………………………………...…………..... 7
3. Расчет потокораспределения в сетевой части энергосистемы для определения коэффициентов распределения активной мощности в максимальном и ремонтном режимах…………………………..…. 14
4. Расчет экономического распределения активной мощности между электростанциями энергосистемы…………………………….…… 19
5. Расчет установившегося режима энергосистемы для часа максимума нагрузки энергосистемы…………………………………..…….. 24
6. Расчёт установившегося режима энергосистемы при заданных P
эк
и Q
эк
электростанции, работающей в базовом режиме……………... 28
7. Расчет установившихся режимов энергосистемы для разных ступеней графика нагрузки………………………………..……………… 30
8. Оперативные расчеты режимов КЗ ………………………..………. 33
9. Составление вариантов оперативной схемы энергосистемы с использованием графического редактора……………………….…… 35
10. Литература…………………………………….…………………….. 36
Учебное издание
Мастерова Ольга Альбертовна
Барская Анна Валерьевна
Лукина Алла Петровна
ЭКСПЛУАТАЦИЯ ЭЛЕКТРОЭНЕРГЕТИЧЕСКИХ
СИСТЕМ И СЕТЕЙ
Методические указания к выполнению лабораторных работ
для студентов специальности 140205 «Электроэнергетические системы и сети» и направления 140200 «Электроэнергетика» (магистерские
программы «Электроэнергетические системы, сети, электропередачи, их режимы и надежность» и «Энергосбережение и энергоэффективность»)
Научный редактор
кандидат технических наук,
доцент И.О. Фамилия
Редактор И.О. Фамилия
Верстка И.О. Фамилия
Дизайн обложки И.О. Фамилия
| Подписано к печати 00.00.2008. Формат 60х84/16. Бумага «Снегурочка».
Печать Xerox. Усл. печ. л. 000. Уч.-изд. л. 000.
Заказ ХХХ. Тираж ХХХ экз.
|
| 
|
Томский политехнический университет
Система менеджмента качества
Томского политехнического университета сертифицирована
NATIONAL QUALITY ASSURANCE по стандарту ISO 9001:2000
|

|
| . 634050, г. Томск, пр. Ленина, 30.
|
|