| 3
Содержание с.
ВВЕДЕНИЕ 5
1 ОСНОВНЫЕ ОПРЕДЕЛЕНИЯ КУРСА 5
1.1 Машины и механизмы 5
1.2 Звенья механизмов 6
1.3 Кинематические пары 7
1.4 Кинематические цепи 8
1.5 Кинематические характеристики механизмов 8
1.6 Передачи 10
1.7 Агрегаты 12
1.8 Зубчатые колёса 12
1.9 Виды зацеплений 13
1.10 Геометрические элементы 14
1.11 Параметры зацепления 15
1.12 Качественные показатели зацепления 15
2 СОДЕРЖАНИЕ КУРСОВОЙ РАБОТЫ 16
3 ОФОРМЛЕНИЕ КУРСОВОЙ РАБОТЫ 17
4 ЗАЩИТА КУРСОВОЙ РАБОТЫ 18
5 БУКВЕННЫЕ ОБОЗНАЧЕНИЯ 19
6 ОПРЕДЕЛЕНИЕ РАЗМЕРОВ ЗВЕНЬЕВ В РЫЧАЖНЫХ МЕХАНИЗМАХ С НИЗШИМИ 22
ПАРАМИ [1] 22
6.1. Проектирование кривошипно-коромысловых механизмов по крайним положениям коромысла и максимально допускаемому углу давления 22
6.2 Проектирование кривошипно-коромысловых механизмов по крайним положениям коромысла и коэффициенту изменения средней скорости рабочего и холостого хода 24
6.3 Проектирование кривошипно-ползунных механизмов
по ходу ползуна и отношению длины шатуна к длине кривошипа 25
6.4 Проектирование кривошипно-ползунных механизмов
по величине хода ползуна, коэффициенту изменения средней скорости и углу давления 26
7 КИНЕМАТИЧЕСКИЙ АНАЛИЗ МЕХАНИЗМА [1,2] 27
7.1 Построение плана механизма ( рис. 5а) на примере
схемы долбежного станка 27
7.2 Определение скоростей точек и звеньев механизма 28
7.3 Построение плана скоростей (рис.6б) 30
7.4 Определение ускорений точек и звеньев механизма 32
7.5 Построение плана ускорений 34
7.6 Построение графика перемещений выходного 37
звена [4] 37
7.7 Построение графика скоростей и ускорений методом
графического интегрирования
37
7.8 Вопросы для самоконтроля 38
8 СИНТЕЗ МЕХАНИЗМОВ ПЕРЕДАЧ [1,2] 43
8.1 Элементы внешнего эвольвентного прямозубого
зацепления 43
8.2 Выбор коэффициентов смещения [3] 44
8.3 Расчёт параметров зацепления [1] 47
8.4 Построение картины внешнего эвольвентного
прямозубого зацепления [4] 48
8.5 Определение числа пар зубьев в зацеплении 51
8.6 Определение коэффициентов относительных
скольжений 51
9 ПРОЕКТИРОВАНИЯ ПЛАНЕТАРНЫХ ПЕРЕДАЧ 53
9.1Передаточное отношение планетарных передач 54
9.2 Определение числа зубьев колёс планетарных
передач 55
9.3 Примеры определения числа зубьев колёс для
Забиваем Сайты В ТОП КУВАЛДОЙ - Уникальные возможности от SeoHammer
Каждая ссылка анализируется по трем пакетам оценки: SEO, Трафик и SMM.
SeoHammer делает продвижение сайта прозрачным и простым занятием.
Ссылки, вечные ссылки, статьи, упоминания, пресс-релизы - используйте по максимуму потенциал SeoHammer для продвижения вашего сайта.
Что умеет делать SeoHammer
— Продвижение в один клик, интеллектуальный подбор запросов, покупка самых лучших ссылок с высокой степенью качества у лучших бирж ссылок.
— Регулярная проверка качества ссылок по более чем 100 показателям и ежедневный пересчет показателей качества проекта.
— Все известные форматы ссылок: арендные ссылки, вечные ссылки, публикации (упоминания, мнения, отзывы, статьи, пресс-релизы).
— SeoHammer покажет, где рост или падение, а также запросы, на которые нужно обратить внимание.
SeoHammer еще предоставляет технологию Буст, она ускоряет продвижение в десятки раз,
а первые результаты появляются уже в течение первых 7 дней.
Зарегистрироваться и Начать продвижение
некоторых схем планетарних передач 56
10 ВОПРОСЫ ДЛЯ САМОКОНТРОЛЯ 64
11 ЗАДАНИЯ К КУРСОВОЙ РАБОТЕ 66
СПИСОК ЛИТЕРАТУРЫ 86
ВВЕДЕНИЕ
Курс теории механизмов и машин рассматривает общие методы исследования и проектирования и является общетехнической дисциплиной, формирует знания инженеров по конструированию, изготовлению и эксплуатации машин. Общие методы анализа синтеза механизмов позволяют будущему инженеру определять многие параметры проектируемых механизмов с учетом их кинематических и динамических свойств. Курс теории механизмов и машин дает основы для подготовки инженеров-механиков по технологии изготовления и эксплуатации машин. Знание видов механизмов, их кинематических и динамических свойств, методов синтеза дает возможность инженеру ориентироваться не только в принципе работы механизмов, но и их технологической взаимосвязи на производстве. Курс теории механизмов и машин является основой для изучения последующих технологических дисциплин.
1 ОСНОВНЫЕ ОПРЕДЕЛЕНИЯ КУРСА
Теория механизмов и машин (ТММ)
– одна из научных дисциплин машиноведения, в которой изучаются вопросы структуры ( строения ) кинематики и динамики механизмов и машин.
Механизм
– устройство, состоящее из физических тел и предназначенное для преобразования движения одного или нескольких тел в требуемое движение других тел.
Машина (М) – искусственное механическое устройство с согласованно работающими частями, осуществляющими определенные целесообразные движения для преобразования энергии, материала или информации.
Машинный агрегат (МА)
– это совокупность машины – двигателя, рабочей машины (исполнительного механизма ) , передаточных механизмов (передач) и системы контроля, регулирования и управления.
Передаточный механизм (ПМ)
– механизм, служащий для передачи движения, как правило, с преобразованием его параметров.
Анализ механизмов
– исследование структурных, кинематических и динамических свойств существующих механизмов.
Синтез механизмов
– проектирование новых механизмов со структурными, кинематическими, динамическими свойствами, обеспечивающими требуемое движение.
Масштабный коэффициент (в ТММ)
– отношение истинной величины, измеренной в соответствующих единицах, к длине отрезка линии, изображающего эту величину на чертеже, измеренного в миллиметрах.
Деталь
– изделие, изготовленное из однородного по наименованию и марке материала без применения сборных операций.
Звено ( физическое тело )
– составная часть механизма в виде отдельной детали или совокупности деталей, соединенных между собой неподвижно.
Сервис онлайн-записи на собственном Telegram-боте
Попробуйте сервис онлайн-записи VisitTime на основе вашего собственного Telegram-бота:
— Разгрузит мастера, специалиста или компанию;
— Позволит гибко управлять расписанием и загрузкой;
— Разошлет оповещения о новых услугах или акциях;
— Позволит принять оплату на карту/кошелек/счет;
— Позволит записываться на групповые и персональные посещения;
— Поможет получить от клиента отзывы о визите к вам;
— Включает в себя сервис чаевых.
Для новых пользователей первый месяц бесплатно.
Зарегистрироваться в сервисе
Входное звено
– звено, которому сообщается движение, преобразуемое в требуемое движение других звеньев.
Ведущее звено
– звено, для которого сумма элементарных робот всех внешних сил, приложенных к нему, положительна.
Выходное звено
– звено, совершающее требуемое движение, для которого предназначен его механизм.
Ведомое или рабочее звено
– звено, для которого сумма элементарных работ всех внешних сил, приложенных к нему, отрицательна.
Промежуточное звено ( звенья )
– звено или звенья, находящиеся между входным и выходным звеньями.
Стойка
– неподвижное звено механизма.
Кривошип
– звено, совершающее вращательное движение.
Ползун
– звено, совершающее поступательное движение.
Шатун
– звено, совершающее плоскопараллельное движение.
Коромысло (балансир )
– звено, совершающее качательное
( возвратно – вращательное ) движение.
Направляющее
– звенья, образующие поступательную пару ползунами.
Кулиса
– подвижная направляющая ( для кулисного камня ).
Кулисный камень
– ползун, скользящий по кулисе.
Кинематическая пара (КП)
– подвижное соединение звеньев, непосредственно соприкасающихся друг с другом.
Вращательная КП (шарнир)
– КП, обеспечивающая вращательное относительное движение звеньев.
Поступательная КП
– КП, обеспечивающая поступательное относительное движение звеньев.
Винтовая КП
– КП, содержащая винт и гайку.
Элемент КП
– точка, линия или поверхность, по которым происходит соприкосновение двух звеньев.
Высшая КП
– КП, у которой элемент – точка или линия.
Низшая КП
– КП, у которой элемент – плоскость или поверхность.
Открытые КП
– геометрически незамкнутые КП.
Закрытые КП
– геометрически замкнутые КП.
Обратимые КП
– КП, форма траектории точек элементов которых не изменяется при обращении движения.
Необратимые КП
– КП, форма траектории точек элементов которых изменяется при обращении движения.
Класс КП
– число условий связи, накладываемых КП на относительное движение звеньев.
Кинематическая цепь (КЦ)
– совокупность звеньев, образующих между собой кинематические пары.
Простая КЦ
– КЦ, у которой каждое звено входит не более чем в две КП.
Сложная КЦ
– КЦ, у которой имеются звенья, входящие более чем в две КП.
Замкнутая КЦ
– КЦ, каждое звено которой входит не менее чем в две КП.
Незамкнутая КЦ
– КЦ, у которой имеются звенья, входящие только в одну КП.
Пространственная КЦ
– КЦ, у которой траектория движения точек звеньев находится в разных плоскостях.
Плоская КЦ
– КЦ, у которой траектория движения точек всех звеньев находится в параллельных плоскостях.
Кинематическая схема механизма
– схема, вычерченная строго в масштабе с учетом формы, размеров и взаимного расположения звеньев и кинематических пар при заданном положении и законе движения входного звена (или выходного звена ).
Траектория
– линия ( прямая или кривая ), которую описывает точка в пространстве.
Число степеней свободы абсолютно твердого тела (АТТ)
– число независимых координат, полностью определяющих положение тела в пространстве и его движение.
Поступательное движение
– такое движение АТТ, при котором отрезок, соединяющий две любые точки тела, перемещается параллельно самому себе. Например, такое движение совершают кабина колеса обозрения, педали велосипеда.
Абсолютное движение
– движение точки (тела) по отношению к неподвижной системе отсчета
(системе координат ).
Переносное движение
– движение подвижной системы отсчета по отношению к неподвижной.
Относительное движение
– движение точки (тела) по отношению к подвижной системе отсчета.
Относительная скорость (ускорение)
– скорость (ускорение) относительного движения.
План скоростей (ускорений)
– фигура, образованная векторами скоростей (ускорений).
Абсолютная скорость
Va
(
ускорение
aa
)
– скорость (ускорение) абсолютного движения.
Переносная скорость
Vc
(ускорение
ac
)
– скорость (ускорение) переносного движения.
Относительная скорость
Vr
(
ускорение
ar
)
– скорость (ускорение) относительного движения.
Мгновенный центр скоростей (ускорений)
– такая точка плоской фигуры, скорость (ускорение) которой в данный момент времени равна нулю.
Периодическое движение
– движение , при котором значения величин повторяются через определенные интервалы времени.
Апериодическое движение
– движение, при котором значения величин не повторяются.
Период цикла Т
– время, по истечению котрого звенья занимают исходное положение.
Полный цикл движения механизма
– промежуток времени, в течение котрого совершается рабочий процесс.
Аналог скорости точки
- первая производная радиуса – вектора точки по обобщенной координате механизма.
Аналог ускорения
- вторая производная радиуса – вектора точки по обобщенной координате механизма.
Передаточное число
u
– отношение числа зубьев большего колеса Z2
к числу зубьев меньшего колеса Z1
(шестерни).
U=
Z2
/
Z1
Передаточное отношение
– отношение мгновенных угловых (линейных) скоростей в направлении передачи движения.
Угловая (линейная) координата
– величина, определяющая положение любого звена механизма относительно стойки.
Обобщенная координата
– независимая координата (линейная или угловая), определяющая положения всех звеньев механизма.
План механизма
– это его кинематическая схема, соответствующая определенному положенню входного звена.
Мертвые положения механизма
– это два его крайних положения , при которых кривошип и примыкающий к нему шатун находяться на одной линии либо кривошипы кулис, взаимно перпендикулярны.
Рабочее движение механизма
– движение, при котором преодолевается полезное (рабочее) сопротивление.
Холостое движение механизма
– движение , при котором полезное (рабочее) сопротивление отсутствует.
Фазовый угол рабочего движения
– угол поворота входного звена(кривошипа) , соответсвующий рабочему движению.
Фазовый угол холостого движения
– угол поворота входного звена(кривошипа), соответствующий холостому движению.
Механизм передачи движения
– это механизм, предназначенный для воспроизведения вращательного движения с постоянным передаточным отношением между двумя заданными в пространстве осями.
Фрикционная передача
– механическая передача, служащая для передачи вращательного движения от одного
вала к другому с помощью сил трения.
Цилиндрическая зубчатая передача
– зубчатая передача, составленная из прямо- и косозубых или шевронных цилиндрических колёс.
Рядовая передача
– механизм с цилиндрическими
прямозубыми колёсами и параллельными осями, причём на каждой оси находится по одному зубчатому колесу.
Коническая передача
- зубчатая передача с пересекающимися осями.
Ступень передачи
- два зубчатых колеса, входящие в высшую кинематическую пару.
Косозубая цилиндрическая передача
- зубчатая передача, составленная из косозубых цилиндрических колёс.
Шевронная цилиндрическая передача
- зубчатая передача, составленная из шевронных цилиндрических колёс.
Цепная передача
- механизм для передачи вращения между параллельными валиками при помощи двух жестко закрепленных на них звездочках, через которые перекинута бесконечная приводная цепь.
Ременная передача
- механизм, служащий для передачи вращательного движения при помощи шкивов, закрепленных на валах приводного ремня.
Винтовая зубчатая передача
- гиперболоидная передача, у зубчатых колес которой начальные поверхности - круглые цилиндры.
Гипоидная зубчатая передача
– гиперболоидная передача, у зубчатых колес которой начальные поверхности – конусы.
Реечная зубчатая передача
– цилиндрическая зубчатая передача, одним из звеньев которой является зубчатая рейка.
Червячная передача
– механизм для передачи вращения между валами со скрещивающимися осями посредством винта (червяка) и сопряженного с ним червячного колеса.
Глобоидная передача
- червячная передача, у которой червяк нарезан не на цилиндре, а на поверхности вращения, образованной дугой с центром на оси червячного колеса.
Планетарная передача
– механизм для передачи и преобразования вращательного движения, содержащая по крайней мере одно зубчатое колесо с перемещающейся осью вращения.
Дифференциальная
передача
– планетарный механизм, предназначенный для передачи и преобразования вращательно-
го движения, у которого все звенья подвижны, и имеющий степень подвижности более единицы.
Редуктор
– агрегат, состоящий из понижающих передач, включающий систему взаимодействующих звеньев, заключенный в единый корпус.
Мультипликатор
– агрегат, состоящий из повышающих передач, включающий систему взаимодействующих звеньев, заключенный в единый корпус.
Коробка передач
– зубчатый механизм, передаточное отношение которого можно изменить скачкообразно по ступеням.
Вариатор
– механизм, предназначенный для плавного изменения передаточного отношения.
Зубчатое колесо
– звено механизма с замкнутой системой зубьев, обеспечивающих непрерывное движение другого звена.
Прямозубое цилиндрическое колесо –
цилиндрическое зубчатое колесо с зубьями, теоретические линии которых прямые и параллельны оси колеса.
Коническое зубчатое колесо
– зубчатое колесо конической зубчатой передачи.
Косозубое цилиндрическое колесо
– зубчатое колесо с косыми зубьями, теоретические линии которых эквидистантны и на
развёртке соосной цилиндрической поверхности являются параллельными прямыми.
Шевронное зубчатое колесо
– цилиндрическое зубчатое колесо, венец которого по ширине состоит из участков с правыми и левыми зубьями.
Рейка
– сектор цилиндрического зубчатого колеса, диаметры делительной и однотипных соосных поверхностей которого бесконечно велики, вследствие чего эти поверхности являются
параллельными плоскостями, а концентрические окружности — параллельными прямыми.
Шестерня
– зубчатое колесо с меньшим числом зубьев по сравнению с другим зацепляющимся с ним зубчатым колесом.
Червяк
– шестерня червячной или глобоидной передачи, представляющая собой винт, сцепляющийся с червячным колесом.
Червячное колесо
– винтовое колесо, сопряженное с червяком.
Центральное колесо
– зубчатое колесо механизма, ось которого неподвижна.
Сателлит
– зубчатое колесо механизма с перемещающейся осью.
Водило
- звено механизма, в котором установлен сателлит.
Промежуточные колеса
– звенья зубчатого механизма, расположенные между входным и выходным звеном и не влияющие на общее передаточное отношение.
Зубчатый венец (обод)
– часть зубчатого колеса, содержащая все зубья, связанные друг с другом прилегающей к ним поверхностью тела колеса.
Зубчатый сектор
– звено, имеющее ограниченную систему зубьев, расположенных на секторе колеса.
Внешнее зацепление
– зубчатое зацепление, при котором аксоидные поверхности колес расположены одна вне другой, а колеса вращаются в противоположные стороны.
Внутреннее зацепление
– зубчатое зацепление, при котором аксоидные поверхности зубчатых колес расположены одна внутри другой, а колеса вращаются в одну и ту же сторону.
Начальные окружности ( )
– окружности двух сопряженных зубчатых колес, в относительном движении перекатывающиеся без скольжения друг по другу.
Делительная окружность ( )
– окружность зубчатого колеса, для которой модуль выбирается стандартным.
Делительное межосевое расстояние
- расстояние цилиндрической зубчатой передачи, равное полусумме делительных диаметров зубчатых колес при внешнем зацеплении или полуразности при внутреннем зацеплении.
Основная окружность
– окружность, развертка которой является теоретическим торцовым профилем зуба эвольвентного цилиндрического зубчатого колеса.
Диаметр вершин зубьев
– диаметр окружности, принадлежащий поверхности вершин зубьев.
Диаметр впадины зуба
– диаметр окружности, принадлежащий соосной поверхности, касающейся дна впадины.
Межосевое расстояние передачи
- кратчайшее расстояние между осями вращения колес.
Ширина венца
– наибольшее расстояние между торцами зубьев колеса.
Начальная толщина зуба
– дуга начальной окружности, вмещающая впадину (расстояние между двумя зубьями).
Начальный шаг
– дуга начальной окружности, вмещающая толщину зуба и ширину впадины.
Угловой шаг
– центральный угол, опирающийся на дугу окружности между двумя соответствующими точками соседних зубьев.
Окружной шаг
– расстояние по дуге окружности между соседними зубьями одноименных точек.
Полюс зацепления
– точка касания начальных окружностей зубчатых колес передачи.
Линия зацепления
– прямая, проходящая через полюс зацепления и касательная к основным окружностям.
Активная линия зацепления
– часть линии зацепления зубчатой передачи, по которой происходит взаимодействие одного зуба с другим.
Дуга зацепления
– дуга, на которую начальные окружности колес перекатываются друг по другу за период работы одной пары профилей.
Угол зацепления
- угол между линией зацепления и перпендикуляром к линии, соединяющей центры колес.
Радиальный зазор
- расстояние между поверхностью вершин одного из зубчатых колес передачи и поверхностью впадин другого зубчатого колеса на линии центров.
Сопряженные профили зубьев
– взаимоогибаемые кривые при вращении зубчатых колес.
Сопряженные точки
- точки двух зубчатых колес, которые приходят в соприкосновение на линии зацепления.
Рабочие участки профилей зубьев
– участки профилей зубьев, которые участвуют в зацеплении.
Коэффициент перекрытия
- отношение дуги зацепления к шагу зацепления.
Коэффициент скольжения
- отношение скорости скольжения к скорости перемещения точки касания относительно этого профиля.
Коэффициент удельного давления -
отношение модуля к приведенному радиусу кривизны эвольвент в точке контакта.
2 СОДЕРЖАНИЕ КУРСОВОЙ РАБОТЫ
Задание на курсовую работу является комплексным и предусматривает проектирование и исследование основных видов механизмов, которые объединены в систему машинных агрегатов. Курсовая работа содержит два раздела, что соответствует двум листам проекта.
КИНЕМАТИЧЕСКИЙ АНАЛИЗ РЫЧАЖНОГО МЕХАНИЗМА
(лист 1)
1 Изучить техническое задание на проектирование, выполнить структурный анализ и при необходимости выполнить метрический синтез механизма.
2 Построить планы 12 положений механизма для рав-ноотстоящих положений входного звена.
3 Построить 12 планов скоростей с указанием на них всех характерных точек механизма и один план ускорений.
4 Построить график перемещений выходного звена.
5 Методом графического дифференцирования построить графики скоростей и ускорений.
6 Сравнить значения скоростей и ускорений точек, определенные по планам скоростей и ускорений со значениями на графиках.
7 Построить годограф скорости центра масс звена.
Расположение чертежей приведено в приложении Б.
СИНТЕЗ КИНЕМАТИЧЕСКОЙ СХЕМЫ ПЛАНЕТАРНОГО РЕДУКТОРА И ПОСТРОЕНИЕ КАРТИНЫ ЭВОЛЬВЕНТНОГО ЗАЦЕПЛЕНИЯ
(лист 2)
1 По передаточному отношению, модулю m1
, числу са-теллитов К
, учитывая условие соосности, соседства и сборки, подобрать числа зубьев всех колес планетарного механизма заданной схемы, считая колеса нулевыми и zmin
.
2 Рассчитать начальные диаметры и вычертить схему планетарного механизма.
3 Рассчитать внешнее зацепление пары прямозубых колес эвольвентных профилей с неподвижными осями, нарезанных стандартной инструментальной резкой. При выборе коэффициентов смещения рейки обеспечить отсутствие подреза ножек зубьев.
4 Построить картину эвольвентного зацепления. Изобразить по три зуба каждого колеса, линию зацепления, рабочие участки профилей зубьев, показать угол зацепления. Масштаб зацепления выбрать таким, чтобы высота зубьев на чертеже была 40-50 мм.
5 Определить коэффициент перекрытия аналитически и графически.
6 Построить график коэффициентов относительных ско-льжений зубьев.
Расположение чертежей показано в приложении В.
3 ОФОРМЛЕНИЕ КУРСОВОЙ РАБОТЫ
Курсовая работа включает графическую часть в объеме двух листов и расчетно-пояснительную записку 15-17 страниц.
Графические построения к каждому листу проекта выполняются на чертежной бумаге формата А1 карандашом с соблюдением всех требований ГОСТ. На чертежах сохраняются все вспомогательные построения, делаются соответствующие надписи и проставляются принятые масштабы. На листах проставляется угловой штамп по ГОСТ 2.104-68.
Пояснительную записку пишут на одной стороне листа писчей бумаги формата А4 по ГОСТ 2.301. Все страницы нумеруют. Записка должна содержать титульный и заглавный листы, задание на проектирование, введение, основной текст, список использованной литературы. В основном тексте даются краткие пояснения к решениям и расчетам. Образец заполнения титульного листа дан в приложении А. Записка скрепляется и подписывается. Все необходимые для расчета уравнения и формулы записываются в общем виде, а затем в них подставляются числовые значения и получают результат с указанием единиц измерения. Для повторяющихся вычислений записывается расчетная формула, просчитывается один раз значение определяемой величины, а остальные результаты расчетов заносятся в таблицу.
Полное содержание вопросов, связанных с текстовым оформлением пояснительной записки, приведено в литерату-
ре [6].
4 ЗАЩИТА КУРСОВОЙ РАБОТЫ
Защита осуществляется согласно графику, разработанному кафедрой. К плановой защите допускаются студенты, выполнившие курсовую работу в полном объеме и имеющие
необходимые подписи преподавателя на листах и пояснительной записке.
Досрочно выполненный проект защищается на заседании комиссии в сроки не позднее, чем за неделю до плановой защиты. Студенты, имеющие не прорецензированную курсовую работу, к защите не допускаются. На защите студент кратко излагает назначение и принцип работы механизма или машины
и особенности принятых решений при исследовании и проектировании схем механизмов. Он должен показать, что получил навыки выполнения конкретных расчетов, владеет аналитическими и графическими методами исследования механизмов, может обосновать целесообразность принятых конкретных решений.
Знание студентом общих методов исследования и проектирования кинематических схем механизмов является необходимым условием удовлетворительной оценки. При определении оценки на защите учитываются степень знаний и качество выполнения графической части проекта.
Пересдача проектов на повышенную оценку производится в исключительных случаях с разрешением заведующего кафедрой. Курсовой проект оценивается дифференцированной оценкой. Сроки выполнения отдельных этапов курсового проектирования определяются планами учебных занятий. Для подготовки к защите может быть полезным перечень вопросов для самоконтроля по каждому листу курсовой работы и в приложении Е.
5 БУКВЕННЫЕ ОБОЗНАЧЕНИЯ
- размеры звеньев механизма, м;
- угловая скорость звена, с-1
;
- частота вращения звена, мин-1
;
- масштабный коэффициент длин, м/мм;
- линейная скорость точки звена, м/с;
- масштабный коэффициент скоростей, м/с∙мм;
Н
- ход выходного звена, м;
S
- перемещения выходного звена, м;
- угловые перемещения входного звена, град, рад;
- масштабный коэффициент перемещений, м/мм;
- масштабный коэффициент угловых перемещений звена, мм-1
;
- масштабный коэффициент линейных ускорений точки, м/с2
∙мм;
- угловое ускорение звена, с-2
;
- масса звена, кг;
- сила сопротивления, Н;
- осевой момент инерции звена, кг∙м2
;
- отношение длин шатуна к длине кривошипа;
- угол развала кривошипов, угловой ход коромысла 3
(схема 15), град;
- коэффициент изменения средней скорости прямого и
обратного ходов;
- угол между крайними положениями шатуна, град;
- допускаемый угол давления, град;
- сила инерции, Н;
- сила движущая, Н
- момент пары сил инерции, Н∙м;
- сила тяжести, Н;
- момент силы, Н∙м;
- уравновешивающая сила, Н;
- уравновешивающий момент, Н∙м;
- движущий момент, Н∙м;
- сила резания, кН;
и - сила сопротивления прямого и обратного хода жёлоба (схема 4), кН;
- давление в цилиндре I ступени, МПа;
- давление в цилиндре II ступени (схема 5), МПа;
, - углы, фиксирующие крайние положения коромысла (схема 8), град;
- положение кривошипа для плана ускорений, град;
- угловой ход коромысла, град;
- центр масс звена. При неуказанных координатах центр звена находится в середине, м;
- число зубьев колеса ;
K
- число саттелитов;
m
- модуль зубчатых колёс ;
- модуль зубчатых колёс планетарной ступени редуктора, мм;
- шаг по делительной окружности, мм;
- диаметр начальной окружности, мм;
- диаметр делительной окружности, мм;
- диаметр основной окружности, мм;
- окружность вершин зубьев, мм;
- окружность впадин зубьев, мм;
- межосевое расстояние, мм;
- угол зацепления, град;
b
- радиальный зазор, мм;
- коэффициент перекрытия передачи;
- коэффициент скольжения зубьев;
- коэффициент радиального зазора;
h
- высота зуба, мм;
- высота головки зуба, мм;
- высота ножки зуба, мм;
- толщина зуба по делительной окружности, мм;
e
- ширина впадины по делительной окружности, мм;
uij
- передаточное отношение.
Для некоторых заданий принято значение коэффициента изменения средней скорости КV
и ход ползуна Н или угол поворота выходного звена, вмещающий крайние положения. Размеры кривошипа и шатуна не заданы. В этом случае производится метрический синтез механизма и определяются размеры не заданных звеньев. Методика определения размеров
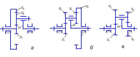
звеньев для некоторых схем механизмов приведена ниже на рисунках 1,2,3 и 4.
6 ОПРЕДЕЛЕНИЕ РАЗМЕРОВ ЗВЕНЬЕВ В РЫЧАЖНЫХ МЕХАНИЗМАХ С НИЗШИМИ
ПАРАМИ [1]
На рис. 1а показаны крайние положения коромысла A1
O2
и A2
O2
при заданной его длине L
и угле размаха в масштабе . По принятым максимальным углам давления вычисляют углы передачи в крайних положениях:
; (1)
Принимая точки и за вершины, а положения коромысла за стороны, строят углы передачи и .
Точка пересечения сторон углов определит положение центра вращения кривошипа, O1
O2
=
a
межцентровое расстояние, а отрезки A1
O1
и A2
O1
- крайние положения шатуна и
кривошипа. При этом большой отрезок A1
O1
определяет сумму длин кривошипа r и шатуна, а меньший A2
O1
- разность этих длин.

Рисунок 1
Приравнивая эту сумму и разность к длинам указан-
ных отрезков, найдем длину кривошипа r
и длину шатуна l
:
(2)
. (3)
Для случая, показанного на рисунке 1б, размеры r
и l
можно определить, исходя из зависимостей:

Для уменьшения в крайних положениях механизма углов давления и рекомендуется выбрать такой угол , при котором продолжение хорды будет проходить через шарнир , лежащий на горизонтали 
. (4)
Из этого условия определяется . Однако в таком механизме время прямого и обратного ходов коромысла будет одинаковым.

Рисунок 2
Решение задачи по этому условию выполняют в такой по-следовательности:
Строят крайние положения коромысла по его длине L
и углу размаха (рис.2);
По коэффициенту изменения средней скорости хода К
вычисляют угол между крайними положениями шатуна:
. (5)
Точки и соединяют прямой и, принимая эти точки за вершины, а линию за общую сторону, строят угол , а другой . Через точки и пересечения сторон построенных углов проводят окружность, которая является геометрическим центром возможного положения центра криво-шипа. Центр кривошипа не следует располагать в точках и , так как при этом подвижные звенья механизма окажутся на одной прямой (в мертвом положении), из которого механизм трудно вывести вращением кривошипа;
Выбрав центр кривошипа , соединяют его с точками и прямыми, которые изображают кривошип и шатун в крайних положениях. Длину кривошипа и шатуна определяют по форму-лам (2) и (3).
Для центрального механизма длина кривошипа принимается равной половине хода ползуна (рис.3): .
По отношению длины шатуна к длине кривошипа

Рисунок 3
находят длину шатуна и наибольший угол давления
, (6)
. (7)
6.4
Проектирование кривошипно-ползунных механизмов по величине хода ползуна, коэффициенту изменения средней скорости и углу давления
Задано:
- коэффициент изменения средней скорости прямого и обратного хода; - угол давления; - ход ползуна.
Построение ведется в такой последовательности (рис.4):

Рисунок 4
На линии х-х отмечают крайние положения ползуна В1
и В2
, расстояние между которыми равно его ходу Н
; по коэффициенту изменения средней скорости прямого и обратного хода К
определяют угол между крайними положениями шатуна по формуле(5); на линии В1
В2
строят угол в точке В2
, а в точке В1
- угол . Через точки В1,В2 и М проводят окружность и находят положение центра вращения кривошипа (точку ) с таким расчетом, чтобы угол давления между шатуном и линией перемещения ползуна не превышал допускаемую величину. В то же время положение центра ращения кривошипа относительно линии перемещения ползуна определит величину эксцентриситета механизма.
Длину кривошипа и шатуна определяют по формулам (2) и (3).
7 КИНЕМАТИЧЕСКИЙ АНАЛИЗ МЕХАНИЗМА [1,2]
Принимаем длину кривошипа на чертеже, равную 30-80мм. Так как в техническом задании все размеры звеньев задаются в метрах, а на чертеже откладываются длины звеньев в миллиметрах, то необходимо определить масштаб построения схемы механизма:
, (8)
где -истинная длина звена в метрах;
-длина звена в миллиметрах, откладываемая на чертеже.
Размеры остальных звеньев в миллиметрах определяют с помощью масштабного коэффициента длин . Истинная длина звена в метрах делится на масштабный коэффициент. Отложив отрезок , описывают окружность этим радиусом. Если коэффициент изменения средней скорости прямого и обратного хода , то необходимо определить рабочий и холостой ход. Начало рабочего хода обозначается на окружности как нулевое положение кривошипа.
Определение крайних положений механизма (выходного звена) для различных механизмов имеет свою специфику. Для некоторых механизмов удаётся сразу определить крайние положения(центральный кривошипно–ползунный). Для других механизмов необходимо строить положения механизма за один цикл(один оборот кривошипа).
Далее окружность от нулевого положения разбивают на 12 равных частей. Для центральных кривошипно-ползунных механизмов рабочий и холостой ход равны. Для кулисных механизмов коэффициент , угол рабочего хода кривошипа и холостого разные. Крайние положения механизма определяются, когда кривошип перпендикулярен к кулисе. За нулевое положение механизма принимают крайнее положение (начало рабочего хода). Второе крайнее положение механизма может не совпадать и займёт промежуточное положение на разбивке окружности на равные части. На листе формата А1 из одного центра строят 12 положений механизма. На направляющей выходного звена отмечают перемещения для двенадцати положений точки (0,1,2,3,4 и т.д.). При равенстве рабочего и холостого ходов точки прямого хода совпадают с точками перемещений обратного хода. Построение планов механизма (кривошипно–ползунного) показано в приложении Б.
При необходимости определить траектории движения центра масс звена достаточно соединить точки центров масс для различных положений механизма главной кривой.
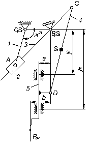
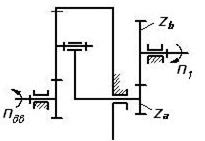
Определение скоростей и ускорений методом планов проведем на примере долбежного станка (для заданного положения механизма).
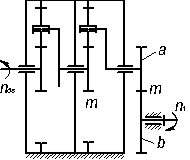
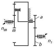
Механизм долбежного станка, схема которого приведена на рис.6а
, состоит из группы начальных звеньев (0, 1
) и двух групп Ассура (2, 3
и 4,5
) второго класса.
Скорости точек звеньев механизма II класса определяются с помощью планов скоростей (рис. 6 б
).
Скорость точки А1
определяется по формуле
. (9) Угловая скорость ω1
кривошипа равна , рад/с.
Звено 2
конструктивно закреплено со звеном 1
, поэтому скорость точки А2
(камня кулисы) и точки А1
кривошипа совпадают по величине и направлению ( ). Вектор скорости точки А1
направлен кривошипу в сторону угловой скорости ω1
.
Скорость точки А3
определяется из системы уравнений:
(10)
или
.
В уравнении 8
векторы абсолютных скоростей и VВ
известны по величине и направлению. При этом скорость VВ
= 0. Скорость параллельна звену АВ
, а скорость перпендикулярна этому звену. Величины и направления скоростей и определяются из плана скоростей.
Скорость точки С
определяется из условия подобия приведенной пропорции, а вектор этой скорости имеет на-правление, противоположное вектору скорости точки А
, т.к. расположена по другую сторону от центра вращения В.
,
или
,
или
. (11) Скорость точки Д
определяется из следующего условия:
(12)
или

В уравнении 10
скорости точек VС
и VДо
известны по величине и направлению (VДо
= 0). Скорость VДС
перпендикулярна звену СД
, а скорость VДДо
параллельна
направляющей у–у
. Величины и направления векторов VДС
и VДДо
определяются из плана скоростей.
Из произвольной точки р
откладываем отрезок ра1
в масштабе μν
, представляющий собой скорость точки А
кривошипа:
. (13)
Далее в соответствии с записанным векторным уранением 8
проводим линию действия скорости ( АВ
). Так как скорость VВ
= 0, то точка В
, изображающая ее, совпадает с полюсом. Тогда линия действия скорости точки пойдет из полюса, перпендикулярно АВ
. На пересечении этих линий получим точку а3
. Отрезки на плане скоростей ра3
и а1
а3
позволят определить направления скоростей и их величины:
, (14)
. (15)
Отрезок рс
на плане скоростей, изображающий скорость очки С
, определится из пропорции и имеет направление, противоположное отрезку ра3
,
который и откладываем:
. (16)
Согласно уравнениям 10
к вектору рс
плана скоростей прибавляем линию действия скорости VДС
СД
, а из полюса проводим линию действия скорости VДДо
параллельно направляющей у–у
. На пересечении линий действия
скоростей VДС
и VДДо
получим точку d
. Из полученного плана скоростей находим скорости:
, (17)
. (18)
Скорость точки S4
центра массы звена 4
определяется из условия подобия:
,
. (19)
Эту же пропорцию можно записать через отрезки плана скоростей
. (20)
Если центр массы находится на середине звена 4
, тогда точка
S4
на плане скоростей находится в середине отрезка cd
плана скоростей.
Скорость центра массы звена 4
S4
определится из условия
. (21)
По плану скоростей определяются угловые скорости звеньев:
, (22)
. (23)
Построение годографа скоростей точек центра масс.
Из произвольной точки О откладываем векторы скоростей центра масс Si
в масштабе для различных положений. Концы векторов соединяем плавной кривой (приложение Б). Эта кривая (годограф скорости) представляет собой геометрическое место концов точки О, равных различным значениям вектора скорости, являющейся функцией времени или функцией положения кривошипа.
Ускорение точек звеньев механизма определяется с помощью плана ускорений. Под действием приложенных к механизму сил кривошип вращается неравномерно.
Тогда полное ускорение точки А1
определится по формуле
. (24)
Нормальное ускорение направлено по звену І к центру вращения О1
(рис. 6 в
) и имеет величину
, (25)
где ω1
– угловая скорость звена 1
для рассматриваемого положения механизма, рад/с
;
– длина звена, м.
Тангенциальная составляющая ускорения определяется по формуле
(26)
Угловое ускорение ε1
совпадает с направлением угловой скорости, если – функция возрастающая и направлена в противоположную сторону, если – функция убывающая. В рассматриваемом примере принято, что угловая скорость и угловое ускорение совпадают по направлению, - задано.
Ускорение точки ,
т.к. звено 2
совершает вращательное движение вместе со звеном 1
. Для определения ускорения точки А3
, принадлежащей звену 3
, воспользуемся теоремой о сложении ускорений в переносном и относительном движениях:
(27)
или
 .
В этом уравнении известно по величине и направлению. Величина ускорения Кориолиса определяется по формуле
. (28)
Направление определяется поворотом вектора относительной скорости на 90° в сторону угловой скорости звена 3
.
Ускорение – релятивное (относительное), направлено
вдоль звена 2
. Ускорение точки В
равно нулю, т.к. она неподвижна. Нормальное ускорение точки А3
относительно В
направляется к центру вращения В
, а величина определяется по формуле
. (29)
Величина и направление тангенциального ускорения неизвестны, но линия действия ускорения известна, она звену АВ
.
Полное ускорение точки А3
есть геометрическая сумма его составляющих.
Принимаем точку π
за полюс (рис.6 в
), откладываем отрезок πп1
, изображающий нормальное ускорение точки А
в масштабе μа
:
.
Перпендикулярно вектору πп1
прибавляем отрезок п1
а1
, изображающий вектор тангенциального ускорения, мм, в масштабе μа
:
.
Соединив конец этого вектора с полюсом, получим вектор полного ускорения точки А1
звена 1
.
Если звено 1
вращается равномерно (ω1
= сопst
), то ускорение = 0, тогда полное ускорение = равно нормальному. Согласно уравнению (24) к вектору ускорения прибавляется , величина и направление которого
известны. На плане ускорений к отрезку πа1
прибавляем отрезок а
1
к
, величина которого равна
. (30)
Через конец отрезка а1
к
проводим линию действия ускорения , которая параллельна звену АВ
. Далее из полюса π
откладываем отрезок πп3
, изображающий ускорение в масштабе μа
:
, мм. (31)
К концу отрезка πп3
проводим линию действия тангенциального ускорения , она отрезку πп3
. Точка а3
пересечения линий действий ускорений и определит конец πа3
вектора полного ускорения точки А3
, принадлежащей звену 3
. При этом на плане ускорений определяются величины и направления ускорений:
(32)
Ускорение точки С
звена 3
имеет направление, противоположное ускорению точки А3
, т.к. расположена по другую сторону точки В
, а величина этого ускорения опре-делится по теореме подобия из пропорции
, мм. (33)
Для определения ускорений точки Д
составим 2
векторных уравнения:
(34)
или
.
Определим каждую из составляющих уравнения (34), ускорение ас
– найдено, и направлено от точки Д к точке С.
Ускорение к нормальной составляющей, но неизвестны его величина и направление, ускорение =0 – так как точка Д0
принадлежит неподвижной направляющей у–у
.
Ускорение = 0 , т.к. ω5
= 0.
Ускорение -ускорение точки Д
, принадлежащее звену 5
,
параллельно направляющей y-y.
На плане ускорений в соответствии с уравнением (34) к
вектору ускорения точки С
прибавляем отрезок
, мм . (35)
Величина и направление известны. Перпендикулярно к нему проводим линию действия тангенциального ускорения. Так как = 0 и = 0, то проводится из полюса || у–у
. Из плана ускорений определяются величины ускорений , .
Ускорение – центр массы звена 4
определяется из условия подобия по пропорции
. (36)
Кроме того, из построенного плана ускорений определяются
угловые ускорения звеньев 3
и 4
.
; . (37)
Перемещения долбяка SD
, равные отрезкам 0-1, 0-2, 0-3,…, 0-6, 0-7,… соответствуют положениям кривошипа 0, 1, 2, 3,…, 6,7,… (рис.5а). График перемещений (рис.5б) строится следующим образом. Проводим оси координат S и t или S и φ. Если кривошип вращается равномерно, то угловые перемещения (φ) пропорциональны времени (t). На оси ординат (φ) откладываем 12 одинаковых отрезков 0-1, 1-2, 2-3, … и так далее, соответствующих углу поворота кривошипа. Из точек 1, 2, 3, … оси абсцисс откладываем отрезки 1-1', 2-2', 3-3',…, равные
соответствующим перемещениям точки Д (0-1, 0-2, 0-3,…) Соединив концы ординат 1', 2’, 3’,… плавной кривой, получим диаграмму перемещений. Масштабный коэффициент в этом случае равен масштабному коэффициенту схемы механизма μs
=μe
. Если высоту графика необходимо уменьшать или увеличивать, то коэффициент μs
графика перемещений определяют следующим образом. Задаются максимальной высотой отрезка 8-8' (hmax
) и по нему определяется коэффициент μs
=Smax
/hmax
= … м/мм. Остальные значения ординат перемещений определяются через найденный коэффициент (hi
=Si
/μs
). Через полученные точки 1', 2', 3', … проводят плавную кривую. Отрезок 0-12 на оси абсцисс представляет собой один оборот кривошипа, равный 2π, выраженный в мм. За один оборот (1 цикл установившегося движения) механизм совершает рабочий и холостой ход. Масштабный коэффициент оси абсцисс равен μφ
=2π/0-12|.
На кривой перемещений s-φ соединяются точки 0-1', 1'-2', 2’-3’, … хордами. Откладываются координатные оси скорости точки Д и угловых перемещений кривошипа φ. Построение графика V-φ проведем графическим дифференцированием методом хорд (рис. 5в и приложение 2). На оси абсцисс от точки О влево откладывается отрезок Н1
, равный мм, и отмечается точка Р. Из этой точки проводим лучи, параллельные хордам, а на оси скоростей V отмечаем точки1'',0-2'',0-3,'' пропорциональные средним значениям скоростей VД
на соответствующих участках. Откладываем эти отрезки на средних ординатах соответствующих участков 0-1, 1-2, 2-3, … (вертикальные линии). Соединим ряд полученных точек 1''', 2''', 3’’’, … плавной кривой; эта кривая будет диаграммой скорости VД
-φ (приложение 2). По диаграмме (VД
-φ) аналогично строим
диаграмму ускорений (аД
-φ) (рис. 5г). Чтобы получить значение скорости и ускорения для крайних участков оси абсцисс (0 и 12), нужно построить дополнительные значения VД
и аС
для одного из участков следующего цикла. Влево отложить участок (11-12) от точки О и вправо отложить участок 12-13. Соединив плавной кривой точки, соответствующие последним участкам первого цикла и первым участкам следующего цикла, отсечем на крайней правой оси ординат отрезок, который следует отложить на крайней левой оси ординат цикла. После этого достраивается вся кривая.
Масштаб μφ
и является одинаковым для всех графиков. Масштабный коэффициент графика скоростей определяется по формуле , а для диаграммы ускорений .
1 Что такое машина, механизм, машинный агрегат, кинематическая пара, кинематическая цепь?
2 Что называется звеном, стойкой, кривошипом, шатуном, ползуном, коромыслом, кулисой, кулисным камнем?
3 Дайте классификацию кинематических пар, приведите два-три примера.
4 Дайте классификацию механизмов, приведите два-три примера механизмов первой и второй групп.
5 Каковы предмет, цель , задачи и методы ТММ?
6 По наименованию каких звеньев дают названия механизму?
7 Изобразите структурную схему кривошипно-коромыслового, кривошипно-ползунного и кривошипно-кулисного механизмов.
8 В каких станках используют кривошипно-кулисный механизм?
9 В каких машинах используют кривошипно-ползунный механизм?
10 Какая величина является основной структурной характеристикой кинематической цепи и механизма?
11 Напишите структурную формулу П.Л.Чебышева.
12 Какая кинематическая цепь называется структурной группой Асура?
13 Изобразите механизм первого класса.
14 Как определить класс структурной группы Асура?
15 Изобразите диады I,II,III видов.
16 Как определить класс и порядок механизма в целом?
17 Приведите пример механизмов, имеющих лишние степени свободы и пассивную связь.
18 Какое основное правило должно быть обеспечено при расчленении механизма.
19 Изобразите структурную схему рычажного механизма, имеющего два начальных механизма первого класса и W=2.
20 Покажите на примере кривошипно-ползунного механизма, каков основной принцип структурного синтеза и анализа механизмов?
21 Что такое кинематическая схема механизмов?
22 Перечислите виды движения звеньев механизма?
23 Назовите основные кинематические характеристики. Какое движение называется перманентным?
24 Каковы цель и основные задачи кинематического исследования?
25 Изобразите принципиальную схему кинематического исследования механизма?
26 В чем состоят цель и сущность аналитического метода кинематического исследования? Его достоинства и недостатки?
27 Раскройте модульный принцип графоаналитического метода кинематического исследования?
28 Какова сущность графоаналитического метода кинематического исследования?
29 Что такое план скоростей (ускорений)?
30 Перечислите основные свойства плана скоростей (ускорений)?
31 Постройте план скоростей для кривошипно-коромыслового механизма?
32 По плану скоростей найдите абсолютную скорость заданной точки звена?
33 Как определяются модуль и направление кориолисова ускорения?

Рисунок 5

Рисунок 6
8 СИНТЕЗ МЕХАНИЗМОВ ПЕРЕДАЧ [1,2]
Задачей геометрического синтеза зубчатого зацепления является определение его размеров, а также качественных показателей (коэффициентов перекрытия, относительного скольжения и удельного давления), зависящих от геометрии зацепления.
На рис. 7 показаны два зубчатых колеса, находящихся в зацеплении. Геометрические параметры колес рассчитываются по формулам. Буквой обозначен полюс зацепления.
Через точку проведем образующую прямую , которая является касательной к основным окружностям. Прямая называется теоретической линией зацепления. Она является траекторией точки контакта профилей в ее абсолютном движении. Пересечение окружностей головок колеса 2 и линии зацепления дает точку а
, пересечение окружностей головок колеса 1 и линии зацепления дает точку в
. В точке а
, зуб колеса 1 входит в зацепление с зубом колеса 2, а в точке в
эти же зубья выходят из зацепления. Отрезок ав
(толстая линия) линии зацепления называется активной линией зацепления. Угол, измеренный между касательной , проведенной перпенди-кулярно к межосевому расстоянию О1
О2
, и линией зацепления называется углом зацепления а
.
Крайней точкой профиля зуба колеса 1, находящегося в зацеплении с профилем зуба колеса 2, является точка с,
лежащая на окружности головок. Чтобы получить точку на профиле зуба второго колеса, соприкасающуюся с точкой с,
нужно радиусом О2
в
сделать засечку на профиле зуба второго колеса (точка к
). Аналогично находится точка с'.
Радиусом О1
а
делается засечка
на профиле зуба первого колеса. Эвольвентные профили сс’
и кк’
называются рабочими участками профилей зубьев. Растояние между окружностью головок колеса 1 и окружностью впадин колеса 2 по линии центров О1
О2
называется радиальным
зазором. Он необходим для предотвращения заклинивания зубьев при вращении и определяется по формуле
, (38)
где с* = 0,25
– коэффициент радиального зазора;
m
– модуль.
Часть ножки зуба, соответствующая очерченному переходной кривой нерабочему участку, который соединяет впадины зуба с эвольвентной частью профиля, называется галтелью. Радиус галтели принимают р = 0,4m
(рисунке 7).
При нарезании зубьев колес при малом числе зубьев (меньше 17) происходит подрезание ножки зуба, кроме того, зуб по окружности выступов зубьев может оказаться заостренным. Подобные формы зуба считаются недопустимыми. В таких случаях производят исправление зуба смещением исходного производящего контура (ИПК) относительно делительной окружности проектируемого колеса. Смещение ИПК влияет на форму зуба в торцовом сечении и на эксплуатационные свойства зацепления. Величина смещения определяется по формуле
,
где х
– коэффициент смещения;
m
– модуль.
Коэффициент смещения может быть положительным или отрицательным. Нулевым смещением называется такое, когда средняя линия ИПК касается делительной окружности зубчатого колеса (х
= 0). Если средняя линия ИПК не касается делительной окружности нарезаемого колеса (отодвинута от центра), то такое зацепление называется положительным (х>0). При пересечении средней линии ИПК (смещена к центру колеса) делительной
окружности нарезаемого колеса такое смещение называют отрицательным (х<0
). Коэффициенту смещения присваивают индексы: х1
–
для шестерни и х2
–
для колеса. Наименьшее число зубьев zmin
для колес без смещения (х
= 0) равно zmin
17.
Наименьший коэффициент смещения по критерию отсутствия подрезания зуба при заданных числах зубьев z1
и z2
:
(39)
Толщина зуба по окружности головок принимается S
a
0.3
m
для колес, незакаленных с однородной структурой материала. Для колес с поверхностным упрочнением зубьев S
a
0.4
m.
Для силовых передач общего назначения со свободным межосевым расстоянием коэффициенты смещения х1
и х2
рекомендуется выбирать по таблицам 1 и 2.
Таблица 1 - Коэффициенты смещения для силовых передач при свободном выборе межосевого расстояния
| z1
и z2
|
x1
|
x2
|
| z1,2
|
0
|
0
|
| 
|
0.3
|
-0.3
|
| 
|
0.5
|
0.5
|
| 
|
0.5
|
0
|
| 
|

|

|
Таблица 2 - Рекомендуемые значения коэффициентов смещения по критерию наибольшей износостойкости и наибольшего сопротивления заеданию
| z1
|
x1
|
| при z2
|
| 12
|
15
|
18
|
22
|
28
|
34
|
42
|
50
|
65
|
80
|
| 12
|
0.36
|
0.43
|
0.49
|
0.53
|
0.57
|
0.60
|
0.63
|
0.63
|
0.64
|
0.65
|
| 15
|
-
|
0.44
|
0.48
|
0.55
|
0.60
|
0.63
|
0.68
|
0.66
|
0.67
|
0.67
|
| 18
|
-
|
-
|
0.54
|
0.6
|
0.63
|
0.67
|
0.68
|
0.70
|
0.71
|
0.71
|
| 22
|
-
|
-
|
-
|
0.67
|
0.71
|
0.74
|
0.76
|
0.76
|
0.76
|
0.76
|
| 28
|
-
|
-
|
-
|
-
|
0.85
|
0.86
|
0.88
|
0.91
|
0.88
|
0.87
|
| 34
|
-
|
-
|
-
|
-
|
-
|
1.00
|
1.00
|
1.00
|
0.99
|
0.98
|
| 42
|
-
|
-
|
-
|
-
|
-
|
-
|
1.15
|
1.16
|
1.17
|
1.14
|
| 50
|
-
|
-
|
-
|
-
|
-
|
-
|
-
|
1.31
|
1.32
|
1.28
|
Продолжение таблицы 2
| z1
|
x2
|
| при z2
|
| 12
|
15
|
18
|
22
|
28
|
34
|
42
|
50
|
65
|
80
|
| 12
|
0.36
|
0,34
|
0,35
|
0,38
|
0,48
|
0,53
|
0,67
|
0,77
|
1,00
|
1,48
|
| 15
|
-
|
0.44
|
0,46
|
0,54
|
0,63
|
0,72
|
0,88
|
1,02
|
1,22
|
1,36
|
| 18
|
-
|
-
|
0.54
|
0,63
|
0,72
|
0,82
|
0,94
|
1,11
|
1,35
|
1,61
|
| 22
|
-
|
-
|
-
|
0.67
|
0,81
|
0,90
|
1,03
|
1,17
|
1,44
|
1,73
|
| 28
|
-
|
-
|
-
|
-
|
0.85
|
1,00
|
1,12
|
1,26
|
1,56
|
1,85
|
| 34
|
-
|
-
|
-
|
-
|
-
|
1.00
|
1,16
|
1,31
|
1,55
|
1,81
|
| 42
|
-
|
-
|
-
|
-
|
-
|
-
|
1.15
|
1,32
|
1,58
|
1,86
|
| 50
|
-
|
-
|
-
|
-
|
-
|
-
|
-
|
1.31
|
1,58
|
1,84
|
Кроме приведенных таблиц, распространенными значениями х1
и х2
являются рекомендации В.Н. Кудрявцева.[5]
Расчетные формулы для внешнего эвольвентного прямозубого зацепления.
Окружной шаг по делительной окружности
. (40)
Угловые шаги и .
Радиусы делительных окружностей
и . (41)
Радиусы основных окружностей
и , (42)
где =20° - угол профиля рейки.
Относительное смещение инструментальной рейки при на-резании колес х
(17- )/17 (при < 17) и х = 0 при ( > 17); х =-х при равносмещенном зацеплении.
Толщина зубьев по делительной окружности:
(43)
Инволюта угла зацепления
. (44)
Угол зацепления определяем по таблице инволют (приложение Г), а значение соs α находим в приложении Д.
Радиусы начальных окружностей
и . (45)
Межосевое расстояние а
. ( 46)
Радиусы окружностей впадин
и . (47)
Радиусы окружностей вершин
и . (48)
Коэффициент перекрытия
, (49)
где 
По данным картины зацепления коэффициент перекрытия определяется как
, (50)
где р - шаг зацепления по начальной окружности;
 - дуга зацепления.
Значения эвольвентной функции приведены в приложении 4.
Рассмотрим передачу, состоящую из двух стандартных нулевых колес. Будем считать, что геометрические размеры колес определены по ранее приведенным формулам. Требуется осуществить передачу движения от одного зубчатого колеса к другому при заданном передаточном отношении u.
Порядок синтеза приведен ниже.
Откладываем межцентровое расстояние αw
и обозначаем центры вращения колес О1
и О2
(рисунок 7). Проводим начальные (делительные) окружности радиусами rw1
, rw2
(r1
, r2
)
, касающимися в полюсе зацепления Ро
.
Проводим прямую Т-Т
, проходящую через точку Ро
и перпендикулярную к прямой О1
О2
.
Под стандартным углом αw
= =200
проводим производящую прямую n-n,
откладывая угол αw
в направлении, противоположном вращению входного звена 1. Проводим основные окружности радиусами rB1
и rB2
.
Линия n-n
является касательной к основным окружностям.
От центров О1
и О2
проводим перпендикуляры О1
N1
и О2
N2
.
Отрезок N1
N2
есть теоретическая линия зацепления. Проводим окружности ножек (rf1
,rf2
)
и окружности головок зубьев (rа1
,rа2
).
Принимаем точку Ро
за вычерчивающую и перекатываем производящую прямую N1
Ро
против часовой стрелки по основной окружности.
Строим эвольвентный профиль зуба малого колеса 1 (шестерни). Линию зацепления n-n от точки Ро
влево делим на несколько равных отрезков, отмечая точки 1, 2, 3, 4 ,… и так далее. Основную окружность rB1
делим на такие же равные части. Отмечаем точки 1’
, 2’
, 3’
, 4’
, 5’
,…, которые соединяют с центром О1
радиальными прямыми. Из точек 1’
, 2’
, 3’
, 4’
, 5’
, восстанавливаем перпендикуляры к радиальным прямым и обозначаем их как 1’
-1’
, 2’
-2’
, 3’
-3’
, 4’
-4’
,… Замеряем отрезок линии зацепления Ро
– 1 и откладываем его на прямой 1’
-1’
делая засечку. Затем замеряем отрезок линии зацепления Ро
– 2 и откладываем на перпендикуляре 2’
-2’
,делая засечку. Отрезок Ро
– 3 и откладываем на перпендикуляре 3’
-3’
. По засечкам проводим плавную кривую (эвольвенту), которая снаружи ограничена окружностью головок, а начинается от основной окружности. Построен эвольвентный профиль зуба. Для построения профиля с другой стороны зуба поступаем следующим образом. От точки Ро
на начальной окружности влево откладываем половину толщины зуба (
Sw
/2
).
Через полученную точку проводим радиальную прямую. Эта прямая делит зуб на две равные части. Зеркально откладываем половины толщин зуба по всем окружностям. Через полученные точки проводим эвольвенту. Профили зуба построены. Для вычерчивания других зубьев необходимо отложить шаг по начальной окружности и провести радиальную прямую, делящую зуб пополам. Для вычерчивания профилей зуба второго колеса берется линия зацепления и делится на равные отрезки вправо от точки Ро
. Все последующие операции проводятся аналогично вышеизложенному описанию. Остальные зубья вычерчиваются по правилу симметрии.
Картина эвольвентного прямозубого зацепления построена на рисунке 7 и в приложении В.
Рисунок 7
Коэффициент перекрытия определяет участки активной линии зацепления, на которой происходит зацепление одной пары профилей зубьев, и те участки, на которых происходит одновременное зацепление двух пар зубьев для внешнего зацепления. Графическое представление сказанного приведено на рисунке 8.

Рисунок 8
Для этого откладываем от крайних точек a и b активной линии зацепления ab отрезки ab, bc равные длине основного шага ( p = p * cos  ), и получаем участки aC, Cb, Bb. Так как ab= P , то будем иметь aC=Bb= ( -1) p и CB= (2- ) P .
Когда точка зацепления одной пары зубьев перемещается на участке aC, точка зацепления второй пары перемещается на участке Bb. Тогда можно сказать что на участке aC и Bb происходит одновременное зацепление двух пар зубьев. На участке cB происходит зацепление одной пары зубьев.
Рабочие участки профилей зубьев перекатываются друг по другу со скольжением. На этих участках действует силы трения, и происходит изнашивание зубьев.
Оценить вредное влияние изнашивания можно коэффициентами относительного скольжения и .
Для этого теоретическую линию зацепления делим на равные отрезки , , , … . По формулам (51) определяем величины коэффициентов , и сводим в таблицу. По полученным значениям коэффициентов удельных скольжений строим графики (рисунок 9)
, . (51)
Таблица 3 - Значения коэффициентов и
График коэффициентов удельных скольжений ограничивается точками a и b (практической линией зацепления). В точке р и равны нулю.
На картине зацепления отмечается радиальный зазор , который представляет собой расстояние между окружностью выступов колеса 1 и окружностью впадин колеса 2 по линии центров .

Рисунок 9 - График коэффициентов удельных скольжений
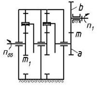
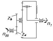
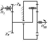
9 ПРОЕКТИРОВАНИЯ ПЛАНЕТАРНЫХ ПЕРЕДАЧ
Планетарной зубчатой передачей называют механизм для передачи и преобразования вращательного движения. Такие многозвенные зубчатые механизмы имеют колеса с подвижными осями, которые называются сателлитами. Подвижное звено, в котором закреплена ось сателлита, называется водилом.

Рисунок 10 - Схемы планетарных передач
Колеса, геометрические оси которых неподвижны, называются центральными. Неподвижное центральное колесо называется опорным. Планетарные механизмы, изображенные
на рис.10, получили широкое применение в силовых передачах средней и большой мощности при высоком КПД (0.96 – 0.98). Наличие нескольких сателлитов позволяет значительно снизить габариты, улучшить уравновешивание, разгрузить опоры центральных колес и уменьшить массу по сравнению с другими видами передач при тех же передаточных отношениях.
Передаточным отношением планетарной передачи является отношение угловых скоростей на входном и выходном валах, которые обычно выражают через числа зубьев колес:
U =  = 1- U = 1+ - для схемы рис. 10а; (52)
U = = 1- U = 1+ - для схемы рис. 10б; (53)
U = = 1- U = 1- - для схемы рис.10в. (54)
Обозначение U соответствует передаточному отношению планетарной передачи входного колеса 1 к выходному звену (водилу) при неподвижном опорном колесе 3.
Обозначение U соответствует передаточному отношению зубчатой передачи от входного звена 1 к выходному 4 при остановленном водиле H.
В исходных данных курсовой работы числа зубьев колес не заданы и их необходимо найти на стадии проектирования кинематической схемы. В формулах (52-54) известной величиной является только передаточное отношение, поэтому нахождение чисел зубьев является задачей неопределенной, допускающей большое число вариантов. Чтобы решение было однозначным, наложим такие ограничения:
1.Числа зубьев z , z , z , z должны быть целыми числами , а модули всех колес одинаковыми.
2.Все зубчатые колеса должны быть нулевыми (неисправленными), а это значит, что для избежания подреза ножки зуба для колес с внешним зацеплением принимают
z ≥ 17 , для колес с внутренним зацеплением z , z 85, в обеих случаях h =1.
3. Оси центральных колес и водила должны совпадать между собой, т.е. должно соблюдаться условие соосности, которое выражается так:
z +2z =z - для схемы рис.10а;
z +z =z -z - для схемы рис.10б; (55)
z +z =z +z - для схемы рис. 10в.
4. Сателлиты должны быть расположены с таким окружным шагом, чтобы между окружностями вершин соседних сателлитов обеспечивался гарантированный зазор – условие соседства:
Sin(180 /k) > (z +2) / (z +z ) , (56)
где k – число сателлитов.
Для схемы 10б вместо z следует подставлять z , если z >z .
5.Сборка сателлитов должна осуществляться без натягов при равных окружных шагах между ними. Это возможно при выполнении следующего условия:
 (1+kp)= Ц , (57)
где Ц = 1,2,.. и p=0,1,2,… - целые числа; k – число сателлитов.
Пример 1. Подобрать числа зубьев z , z и z для передачи (рис.10а) с передаточным отношением U=5,6.
Задаемся числом зубьев z из ряда z =17,18,19… Пусть z =18. Число зубьев z найдем из выражения (52).
U -1= z /z , откуда z = z ( U -1) = 18(5.6-1) =82.8
Условие z z =85 не выполняется, поэтому задаемся новым числом зубьев z =19, тогда z =z ( U -1) = 19(5.6-1) = =87.4. Округляем z до целого, чтобы z было одинаковой четности с z , т.е. z =87.
Из условия соосности (55) найдем
z = (z -z )/2 = (87-19)/2 = 34. (58)
Из условия соседства (56) определяем возможное число сателлитов в механизме:
K 4,2 . (59)
Значит, для этого механизма число сателлитов может быть взято равным 2,3 и 4. Принимаем k = 4. Проверяем условие сборки из выражения (57)
при p=0:
(z ·U ) / k = (19·5.6) / 4 = 26.6. (60)
Число в ответе получилось не целое, значит, при этих числах зубьев механизм без натягов не соберется. Назначаем новое число зубьев z .
Пусть z =20, тогда z = z ( U -1) = 20(5,6-1)=92,
z = (z -z )/2 = (92-20)/2 = 36.
Находим возможное число сателлитов
K 4,2. (61)
Принимаем k = 4 и проверяем условие сборки
(z ·U ) / k =Ц, (z ·U ) / k =(20·5.6) / 4 =28. (62)
Все условия выполняются , значит, окончательно принимаем z = 20; z = 36; z = 92; k=4.
Для построения кинематической схемы механизма необходимо определить радиусы делительных окружностей.

Рисунок 11 - Кинематическая схема планетарного механизма
Для схемы 10а:
r = ; r = ; r = . (63)
Пример 2. Для планетарных механизмов с двухрядным расположением зубчатых колес (рис. 10б, в) при определении чисел зубьев колес используют методику на основе расположения заданной величины передаточного отношения на ряд сомножителей C , C , C , C , которые пропорциональны назначаемым числам 58 зубьев z , z , z , z .
То есть z = C q ; z = C q; z = C q ; z = C q , где q - целое число.
Тогда уравнение (53) для схемы 10б запишется в виде
= U - 1 = (64)
Примем U = 6,6.
Тогда сомножители C , C , C , C должны являться вариантами разложения известной величины U - 1 = 5.6.
= 5.6 = = = = …
Из этих комбинаций следует выбрать такую, которая бы обеспечивала наиболее подходящую кинематическую схему по критерию минимальных размеров и массы зубчатых колес. Для схемы рис. 10б, когда входным является звено 1, обычно принимают С / C и C / C , близкими к U = = 2,56 2
и = , (65)
т.е. C = 2; С = 5,6; C = 1; С = 2.
Перепишем последнее выражение в виде
= = и = = ,
или z = z и z = z .
Подставим найденные значения чисел зубьев в выражение (55):
z + z = z - z , (66)
z ( ) = z ( ).
Это выражение выполняется, если :
z = C q(C - C ) ; z = C q(C - C ); (67)
z = C q(C +C ); z = C q(C +C ).
Сомножитель q назначают при проверке условия (z - целые числа) и условия сборки.
Для передаточного отношения U = 6.6 выбираем комбинацию коэффициентов C = 2; C = 5,6;
C = 1; C = 2.
Определим по формуле (67) число зубьев :
z = q 2(2-1) = 2q; z = q 5,6(2-1)= 5,6q;
z = q 1(2+5,6) = 7,6q; z = q 2(2+5,6)=15,6q. (68)
Примем q=10. Тогда
z =20; z = 56; z = 76; z = 152.
Проверяем условие сборки по формуле (57):
(1+kp)= Ц,
где Ц- целое число; k- число сателлитов; p- целое число (0,1,2,3,…).
Для p=0 и k=3
/k = 20 6,6/3= 44 – условие выполняется.
Проверяем условие соседства (56):
sin ( ) > (z +2) / (z +z ); (69)
sin (180 /3) > (56+2) / (20+56);
0,866 > 0,763 – условие выполняется.
При невыполнении условия (56) или (57) берут другое сочетание сомножителей = и повторяют все расчеты или назначают другое число сателлитов.

Рисунок 12 - Кинематическая схема планетарного редуктора
r = ; r = ; r = ; r = . (70)
Пример 3. Для передачи (рис.10в) определить число зубьев колес z , z , z , z , если известно, что U = 15 (входное звено водила).
Передаточное отношение от первого колеса к водилу определяется по формуле (54):
U = = 1- ,
= 1- = 1- = . (71)
Разложим число 14/15 на сомножители C , C , C , C , пропорциональные числам зубьев z , z , z , z . Тогда запишем
= = = = = . (72)
Выберем комбинацию
= .
Для такой схемы механизма отношение сомножителей целесообразно принимать близким к единице, так как в этом случае получают минимальные размеры.
Запишем = и = ,
z = z и z = z . (73)
Эти значения z и z подставим в формулу (55). Тогда получим
z = z .
Это соотношение будет выполнено, если:
z = C q(C + C ); z = C q(C + C );
z = C q(C +C ); z = C q(C +C ). (74)
Так как для передаточного отношения 14/15 выбрана комбинация сомножителей , то известны значения
C =5; C =7; C = 3; C =2.
Тогда по формулам определим значения чисел зубьев:
z = q 5 (2+3)= 25q;
z = q 7(2+3)= 35q;
z = q 3(5+7)= 36q;
z = q 2(5+7)= 24q. (75)
Примем q=1. Тогда z =25, z =35, z =36, z = 24.
Проверяем условие сборки
(1+kp)= Ц (целое число), где k- число сателлитов; p- целое число.
Для p=0 , k=3
= =75 – условие выполнено.
Проверяем условие соседства
sin ( ) > (z +2) / (z +z ); (76)
sin (180 /3) > (35+2) / (25+35);
0,866 > 0,62.
Условие выполняется.
При невыполнении условий сборки и соседства берут другое сочетание сомножителей или принимают другое число сателлитов.
10 ВОПРОСЫ ДЛЯ САМОКОНТРОЛЯ
1. Приведите пример схемы механизма, у которго оси параллельны, покажите выходное звено.
2. Дайте определение механизма передачи движения.
3. Определите степень подвижности простейшего механизма передачи движения.
4. За счет каких сил осуществляется передача движения во фрикционных передачах ?
5. Назначение и принцип работы вариатора.
6. Приведите пример рядовой передачи, определите передаточное отношение.
7. Какие механизмы применяются для передачи движения между валами, оси которых пересекаются?
8. Какую передачу можно применить для случая, когда оси валов перекрещиваются под углом меньше 900
?
9. Приведите пример схемы механизма передачи движения и определите направление выходного звена по правилу знаков.
10. Определите направление движения выходного звена по правилу стрелок.
11. Что такое ступень зубчатой передачи ?
12. Приведите схему механизма с внешним и внутренним зацеплением.
13. Приведите схему планетарного механизма, дайте название всем звеньям.
14. Покажите звено в планетарном механизме, совершающее сложное движение.
15. Определите передаточное отношение планетарной передачи.
16. Приведите схему дифференциального механизма, укажите область применения.
17. Перечислите способы передачи движения.
18. Какую передачу можно назвать силовой (кинематической)?
19. Что такое коробка скоростей?
20. Как получить эвольвентную кривую? Что такое эволюта?
21. Что такое модуль?
22. Как избавиться от осевых нагрузок в косозубой передаче?
23. Приведите пример цилиндрического и глобоидного червяка.
24. Как определить число зубъев на червяке?
25. Дайте определение начальной и делительной окружности.
26. Для нормального колеса определите толщину зуба по делительной окружности.
27. Как определяется шаг по делительной окружности?
28. По какой окружности нормального колеса ширина впадины и толщина зуба равны между собой.
29. Укажите величину стандартного коэффициента радиального зазора.
30. Покажите два нулевых колеса, находящихся в зацеплении, и определите активную линию зацепления.
31. Чему равен стандартный угол зацепления?
32. Для нормальных зубчатых колес покажите, чему равны высота головки зуба и высота ножки зуба.
33. Вычислите предельно минимальный коэффициент смещения из условия неподрезания.
11 ЗАДАНИЯ К КУРСОВОЙ РАБОТЕ
Тема 1 Механизм вытяжного пресса
| Рычажный механизм
|
Зубчатый механизм
|
| 
|

|
| Обозна-чение
|
Единица измерения
|
Вариант числовых значений
|
| 0
|
1
|
2
|
3
|
4
|
5
|
6
|
7
|
| lOA
|
м
|
0,10
|
0,09
|
0,09
|
0,08
|
0,10
|
0,07
|
0,10
|
0,11
|
| lAB
|
м
|
0,32
|
0,38
|
0,29
|
0,40
|
0,26
|
0,45
|
0,23
|
0,43
|
| lBC
|
м
|
0,30
|
0,26
|
0,27
|
0,28
|
0,24
|
0,30
|
0,21
|
0,29
|
| lCD
|
м
|
0,42
|
0,37
|
0,38
|
0,39
|
0,34
|
0,44
|
0,30
|
0,42
|
| lDF
|
м
|
0,11
|
0,09
|
0,10
|
0,10
|
0,09
|
0,11
|
0,08
|
0,10
|
| a
|
м
|
0,16
|
0,13
|
0,14
|
0,14
|
0,13
|
0,15
|
0,11
|
0,15
|
| b
|
м
|
0,29
|
0,37
|
0,26
|
0,39
|
0,23
|
0,44
|
0,20
|
0,42
|
| c
|
м
|
0,41
|
0,35
|
0,37
|
0,37
|
0,33
|
0,41
|
0,29
|
0,39
|
| nдв
|
об/мин
|
940
|
960
|
960
|
960
|
1440
|
1440
|
1420
|
1440
|
| n1
|
об/мин
|
50
|
45
|
40
|
55
|
60
|
65
|
70
|
75
|
| m3
|
кг
|
12
|
10
|
11
|
10
|
10
|
14
|
9
|
12
|
| JS3
|
кг·м2
|
0,20
|
0,14
|
0,16
|
0,16
|
0,12
|
0,28
|
0,09
|
0,21
|
| PF макс
|
кН
|
36
|
40
|
38
|
42
|
40
|
37
|
32
|
39
|
| m1
|
мм
|
3
|
4
|
3
|
4
|
3
|
4
|
3
|
4
|
| k
|
-
|
3
|
3
|
3
|
3
|
3
|
3
|
3
|
3
|
| za
|
-
|
18
|
20
|
21
|
24
|
18
|
20
|
22
|
23
|
| zb
|
-
|
30
|
32
|
38
|
42
|
32
|
30
|
36
|
38
|
| m
|
мм
|
5
|
6
|
5
|
6
|
8
|
5
|
6
|
8
|
| 
|
град
|
30
|
60
|
90
|
120
|
150
|
180
|
210
|
240
|
Тема 2 Механизм поперечно-строгального станка
| Рычажный механизм
|
Зубчатый механизм
|
| 
|

|
| Обозна-чение
|
Единица измерения
|
Вариант числовых значений
|
| 0
|
1
|
2
|
3
|
4
|
5
|
6
|
7
|
| lOA
|
м
|
0,12
|
0,07
|
0,07
|
0,08
|
0,09
|
0,09
|
0,10
|
0,10
|
| lОB
|
м
|
0,27
|
0,30
|
0,27
|
0,30
|
0,27
|
0,35
|
0,27
|
0,35
|
| lBC
|
м
|
0,49
|
0,56
|
0,49
|
0,56
|
0,49
|
0,64
|
0,49
|
0,64
|
| lCD
|
м
|
0,20
|
0,20
|
0,20
|
0,21
|
0,20
|
0,21
|
0,20
|
0,21
|
| h2
|
м
|
0,19
|
0,25
|
0,21
|
0,25
|
0,20
|
0,28
|
0,20
|
0,28
|
| l1
|
м
|
0,47
|
0,39
|
0,39
|
0,41
|
0,41
|
0,41
|
0,43
|
0,43
|
| l2
|
м
|
0,35
|
0,29
|
0,29
|
0,30
|
0,30
|
0,30
|
0,32
|
0,32
|
| lBS
2
|
м
|
0,25
|
0,30
|
0,25
|
0,30
|
0,25
|
0,34
|
0,25
|
0,34
|
| lDS
5
|
м
|
0,10
|
0,10
|
0,10
|
0,11
|
0,10
|
0,11
|
0,10
|
0,11
|
| h1
|
м
|
0,13
|
0,13
|
0,11
|
0,12
|
0,104
|
0,15
|
0,10
|
0,11
|
| nдв
|
об/мин
|
1420
|
950
|
930
|
940
|
1250
|
1100
|
1440
|
1350
|
| n1
|
об/мин
|
71
|
68
|
74
|
72
|
72
|
70
|
75
|
65
|
| m3
|
кг
|
18
|
19
|
18
|
20
|
18
|
20
|
19
|
18
|
| JS3
|
кг·м2
|
0,43
|
0,60
|
0,43
|
0,82
|
0,43
|
0,42
|
0,43
|
0,80
|
| Pрез
|
кН
|
1,8
|
1,6
|
1,7
|
1,9
|
2,2
|
2,4
|
2,6
|
2,0
|
| φ1
|
град
|
120
|
210
|
240
|
210
|
150
|
120
|
150
|
210
|
| m1
|
мм
|
3
|
5
|
3
|
4
|
5
|
3
|
4
|
5
|
| za
|
-
|
17
|
17
|
19
|
21
|
18
|
19
|
17
|
20
|
| zb
|
-
|
34
|
36
|
38
|
42
|
36
|
40
|
38
|
42
|
| m
|
мм
|
10
|
13
|
14
|
15
|
16
|
15
|
14
|
12
|
Тема 3 Механизм долбежного станка
| Рычажный механизм
|
Зубчатый механизм
|
| 
|

|
| Обозна-чение
|
Единица измерения
|
Вариант числовых значений
|
| 0
|
1
|
2
|
3
|
4
|
5
|
6
|
7
|
| lOA
|
м
|
0,10
|
0,11
|
0,12
|
0,13
|
0,14
|
0,10
|
0,15
|
0,12
|
| lОB
|
м
|
0,05
|
0,05
|
0,04
|
0,06
|
0,08
|
0,04
|
0,05
|
0,06
|
| lBC
|
м
|
0,10
|
0,11
|
0,08
|
0,12
|
0,12
|
0,09
|
0,10
|
0,14
|
| lОD
|
м
|
0,40
|
0,45
|
0,35
|
0,50
|
0,56
|
0,30
|
0,50
|
0,48
|
| a
|
м
|
0,02
|
0,01
|
0,03
|
0,02
|
0,02
|
0,01
|
0,01
|
0,02
|
| b
|
м
|
0,03
|
0,02
|
0,04
|
0,03
|
0,03
|
0,02
|
0,02
|
0,03
|
| у1
|
м
|
0,30
|
0,34
|
0,27
|
0,38
|
0,44
|
0,21
|
0,40
|
0,34
|
| у2
|
м
|
0,50
|
0,56
|
0,43
|
0,62
|
0,68
|
0,39
|
0,60
|
0,52
|
| nдв
|
об/мин
|
1500
|
1200
|
1500
|
1400
|
1500
|
1000
|
1500
|
1400
|
| n1
|
об/мин
|
200
|
120
|
180
|
140
|
160
|
100
|
150
|
120
|
| m3
|
кг
|
20
|
22
|
22
|
21
|
24
|
18
|
25
|
20
|
| JS3
|
кг·м2
|
0,32
|
0,40
|
0,25
|
0,48
|
0,60
|
0,18
|
0,60
|
0,44
|
| Pрез
|
кН
|
2,0
|
1,75
|
1,5
|
1,8
|
1,35
|
1,9
|
1,6
|
1,7
|
| φ1
|
град
|
90
|
120
|
150
|
180
|
210
|
240
|
270
|
240
|
| m1
|
мм
|
4
|
3
|
4
|
3
|
4
|
3
|
4
|
3
|
| za
|
-
|
18
|
21
|
20
|
22
|
20
|
18
|
21
|
23
|
| zb
|
-
|
36
|
42
|
40
|
44
|
40
|
36
|
42
|
46
|
| m
|
мм
|
5
|
4
|
5
|
4
|
5
|
4
|
5
|
4
|
Тема 4 Механизм качающегося конвейера
| Рычажный механизм
|
Зубчатый механизм
|
| 
|

|
| Обозна-чение
|
Единица измерения
|
Вариант числовых значений
|
| 0
|
1
|
2
|
3
|
4
|
5
|
6
|
7
|
| lOA
|
м
|
0,09
|
0,10
|
0,11
|
0,12
|
0,14
|
0,10
|
0,12
|
0,14
|
| lAB
|
м
|
0,38
|
0,46
|
0,42
|
0,46
|
0,28
|
0,45
|
0,55
|
0,53
|
| lBC
|
м
|
0,30
|
0,33
|
0,35
|
0,39
|
0,35
|
0,40
|
0,40
|
0,45
|
| х
|
м
|
0,30
|
0,34
|
0,32
|
0,33
|
0,32
|
0,35
|
0,41
|
0,40
|
| у
|
м
|
0,06
|
0,06
|
0,05
|
0,06
|
0,04
|
0,05
|
0,07
|
0,07
|
| lВD
|
м
|
1,40
|
1,50
|
1,40
|
1,50
|
1,60
|
1,50
|
1,50
|
1,60
|
| nдв
|
об/мин
|
1200
|
1360
|
1460
|
1350
|
1260
|
1260
|
1580
|
1470
|
| n1
|
об/мин
|
60
|
68
|
73
|
70
|
63
|
63
|
79
|
74
|
| m4
|
кг
|
80
|
90
|
85
|
100
|
90
|
95
|
100
|
100
|
| JS4
|
кг·м2
|
40
|
42
|
35
|
40
|
38
|
42
|
45
|
35
|
| Pс1
|
кН
|
1,5
|
1,4
|
1,2
|
1,5
|
1,4
|
1,5
|
1,5
|
1,6
|
| Pс2
|
кН
|
4,0
|
3,8
|
3,5
|
4,0
|
3,9
|
4,0
|
4,0
|
4,5
|
| φ1
|
град
|
30
|
60
|
90
|
120
|
150
|
210
|
240
|
270
|
| m1
|
мм
|
5
|
4
|
5
|
6
|
5
|
4
|
5
|
6
|
| za
|
-
|
22
|
20
|
18
|
17
|
22
|
18
|
20
|
17
|
| zb
|
-
|
40
|
38
|
32
|
30
|
38
|
30
|
36
|
32
|
| m
|
мм
|
8
|
7
|
9
|
10
|
8
|
7
|
9
|
10
|
Тема 5 Механизм двухступенчатого двухцилиндрового
воздушного компрессора
| Рычажный механизм
|
Зубчатый механизм
|
| 
|

|
| Обозна-чение
|
Единица измерения
|
Вариант числовых значений
|
| 0
|
1
|
2
|
3
|
4
|
5
|
6
|
7
|
| lOA
= lОC
|
м
|
0,14
|
0,13
|
0,15
|
0,12
|
0,14
|
0,15
|
0,14
|
0,12
|
| lAB
= lCD
|
м
|
0,55
|
0,52
|
0,62
|
0,48
|
0,59
|
0,60
|
0,56
|
0,50
|
| nдв
|
об/мин
|
3000
|
2950
|
2940
|
2930
|
2920
|
3000
|
2950
|
2940
|
| n1
|
об/мин
|
750
|
650
|
655
|
700
|
680
|
600
|
615
|
580
|
| m2
|
кг
|
22
|
26
|
19
|
23
|
22
|
20
|
25
|
22
|
| JS2
|
кг·м2
|
0,55
|
0,50
|
0,60
|
0,50
|
0,55
|
0,60
|
0,55
|
0,50
|
| P1 макс
|
кН
|
0,24
|
0,25
|
0,26
|
0,27
|
0,30
|
0,28
|
0,25
|
0,27
|
| P1 макс
|
кН
|
0,80
|
0,84
|
0,87
|
0,90
|
1,00
|
0,94
|
0,84
|
0,90
|
| d1
|
м
|
0,35
|
0,37
|
0,38
|
0,36
|
0,31
|
0,34
|
0,40
|
0,38
|
| d2
|
м
|
0,20
|
0,21
|
0,22
|
0,20
|
0,18
|
0,20
|
0,23
|
0,22
|
| φ1
|
град
|
30
|
60
|
120
|
150
|
210
|
240
|
300
|
330
|
| m1
|
мм
|
2
|
3
|
3
|
3
|
2
|
3
|
2
|
3
|
| za
|
-
|
20
|
19
|
18
|
21
|
18
|
21
|
20
|
19
|
| zb
|
-
|
36
|
32
|
30
|
28
|
36
|
20
|
28
|
31
|
| m
|
мм
|
3
|
4
|
5
|
3
|
4
|
5
|
3
|
4
|
Тема 6 Механизм привода глубинного насоса
| Рычажный механизм
|
Зубчатый механизм
|
| 
|

|
| Обозна-чение
|
Единица измерения
|
Вариант числовых значений
|
| 0
|
1
|
2
|
3
|
4
|
5
|
6
|
7
|
| lOA
|
м
|
0,625
|
0,56
|
0,50
|
0,47
|
0,53
|
0,58
|
0,37
|
0,42
|
| lAB
|
м
|
2,5
|
2,25
|
2,0
|
1,87
|
2,12
|
2,33
|
1,5
|
1,66
|
| lBC
|
м
|
1,12
|
1,01
|
0,9
|
0,84
|
0,95
|
1,05
|
0,67
|
0,74
|
| lВD
|
м
|
1,54
|
1,39
|
1,23
|
1,15
|
1,3
|
1,44
|
0,92
|
1,03
|
| lВЕ
|
м
|
2,14
|
1,92
|
1,71
|
1,6
|
1,81
|
2,0
|
1,28
|
1,42
|
| lЕК
|
м
|
2,58
|
2,32
|
2,06
|
1,93
|
2,19
|
2,4
|
1,55
|
1,72
|
| lEF
|
м
|
3,68
|
3,31
|
2,94
|
2,75
|
3,12
|
3,43
|
2,2
|
2,5
|
| x
|
м
|
1,5
|
1,35
|
1,2
|
1,12
|
1,27
|
1,4
|
0,90
|
1,0
|
| y
|
м
|
2,18
|
1,96
|
1,74
|
1,63
|
1,85
|
2,03
|
1,3
|
1,45
|
| nдв
|
об/мин
|
770
|
770
|
1000
|
1000
|
770
|
770
|
1520
|
1000
|
| n1
|
об/мин
|
8
|
9
|
12
|
13
|
10
|
7
|
20
|
14
|
| Gш
|
кН
|
40
|
45
|
25
|
20
|
35
|
30
|
15
|
18
|
| GF
|
кН
|
45
|
50
|
30
|
25
|
40
|
35
|
18
|
20
|
| Gж
|
кН
|
10
|
12
|
10
|
9
|
10
|
8
|
6
|
5
|
| J1
|
кг·м2
|
2,0
|
1,8
|
1,5
|
1,3
|
2,0
|
2,5
|
1,0
|
1,4
|
| φ1
|
град
|
30
|
60
|
90
|
120
|
150
|
180
|
210
|
240
|
| m1
|
мм
|
3
|
2,3
|
4
|
3,5
|
3
|
4
|
3,5
|
3
|
| za
|
-
|
16
|
17
|
18
|
19
|
18
|
17
|
16
|
19
|
| zb
|
-
|
32
|
35
|
38
|
40
|
35
|
32
|
40
|
38
|
| m
|
мм
|
6
|
7
|
8
|
7
|
6
|
8
|
7
|
6
|
Тема 7 Механизм вытяжного пресса
| Рычажный механизм
|
Зубчатый механизм
|
| 
|

|
| Обозна-чение
|
Ед.
изм.
|
Вариант числовых значений
|
| 0
|
1
|
2
|
3
|
4
|
5
|
6
|
7
|
| lOA
|
м
|
0,55
|
0,77
|
0,33
|
0,6
|
0,49
|
0,7
|
0,6
|
0,51
|
| lAB
= 2 lAS
2
|
м
|
0,53
|
0,74
|
0,32
|
0,62
|
0,47
|
0,6
|
0,58
|
0,5
|
| lBC
|
м
|
0,22
|
0,3
|
0,13
|
0,2
|
0,2
|
0,3
|
0,24
|
0,21
|
| lCD
|
м
|
0,15
|
0,21
|
0,09
|
0,15
|
0,14
|
0,18
|
0,17
|
0,16
|
| lDE
= 2 lDS
4
|
м
|
0,91
|
1,28
|
0,55
|
1
|
0,82
|
0,85
|
1,1
|
0,9
|
| a
|
м
|
0,03
|
0,04
|
0,02
|
0,04
|
0,02
|
0,03
|
0,03
|
0,02
|
| b
|
м
|
0,1
|
0,15
|
0,06
|
0,15
|
0,09
|
0,1
|
0,11
|
0,1
|
| nдв
|
об/мин
|
960
|
940
|
940
|
950
|
960
|
720
|
730
|
1430
|
| n1
|
об/мин
|
40
|
42
|
50
|
60
|
55
|
45
|
40
|
65
|
| m4
|
кг
|
65
|
75
|
40
|
60
|
45
|
75
|
70
|
60
|
| JS4
|
кг·м2
|
10,5
|
13
|
4
|
9
|
8
|
8,5
|
9,6
|
10
|
| φ1
|
град
|
90
|
30
|
60
|
120
|
150
|
210
|
240
|
300
|
| F макс
|
кН
|
45
|
55
|
30
|
42
|
38
|
60
|
50
|
54
|
| m1
|
мм
|
5
|
6
|
3
|
4
|
4
|
6
|
5
|
5
|
| za
|
-
|
20
|
22
|
30
|
26
|
22
|
24
|
21
|
23
|
| zb
|
-
|
36
|
40
|
48
|
50
|
36
|
50
|
38
|
36
|
| m
|
мм
|
6
|
7
|
4
|
5
|
5
|
7
|
6
|
6
|
Тема 8 Механизм плунжерного насоса
| Рычажный механизм
|
Зубчатый механизм
|
| 
|

|
| Обозна-чение
|
Единица измер.
|
Вариант числовых значений
|
| 0
|
1
|
2
|
3
|
4
|
5
|
6
|
7
|
| lВО2
=
lBC
|
м
|
0,185
|
0,170
|
0,180
|
0,190
|
0,200
|
0,180
|
0,165
|
0,175
|
| l1
|
м
|
0,135
|
0,130
|
0,120
|
0,125
|
0,140
|
0,300
|
0,125
|
0,115
|
| l2
|
м
|
0,225
|
0,225
|
0,225
|
0,225
|
0,225
|
0,220
|
0,220
|
0,220
|
| lAS2
/ lAB
|
м
|
0,3
|
0,35
|
0,40
|
0,30
|
0,40
|
0,32
|
0,35
|
0,40
|
| lBS4
/ lBC
|
м
|
0,30
|
0,40
|
0,30
|
0,35
|
0,30
|
0,30
|
0,40
|
0,30
|
| α1
|
град
|
30
|
25
|
35
|
20
|
30
|
28
|
23
|
33
|
| α2
|
град
|
60
|
65
|
60
|
55
|
70
|
55
|
65
|
75
|
| dц
|
м
|
0,05
|
0,06
|
0,04
|
0,05
|
0,04
|
0,055
|
0,065
|
0,045
|
| Р
|
МПа
|
2,5
|
2,8
|
3,0
|
2,0
|
3,5
|
3,8
|
4,0
|
4,5
|
| nдв
|
об/мин
|
960
|
940
|
950
|
960
|
720
|
730
|
960
|
950
|
| n1
|
об/мин
|
100
|
120
|
130
|
140
|
110
|
125
|
135
|
90
|
| m2
|
кг
|
20
|
21
|
25
|
17
|
19
|
18
|
19
|
23
|
| φ1
|
град
|
45
|
60
|
90
|
45
|
30
|
60
|
90
|
100
|
| m1
|
мм
|
4
|
5
|
6
|
7
|
8
|
5
|
6
|
7
|
| za
|
-
|
18
|
18
|
19
|
17
|
19
|
18
|
20
|
20
|
| zb
|
-
|
26
|
30
|
32
|
24
|
34
|
32
|
40
|
28
|
| m
|
мм
|
8
|
9
|
10
|
7
|
6
|
8
|
9
|
10
|
Тема 9 Механизм компрессора одностороннего действия
| Рычажный механизм
|
Зубчатый механизм
|
| 
|

|
| Обозна-чение
|
Единица измерения
|
Вариант числовых значений
|
| 0
|
1
|
2
|
3
|
4
|
5
|
6
|
7
|
| Н
|
м
|
90
|
100
|
104
|
110
|
106
|
130
|
115
|
120
|
| λ=
lAB
/ lО1А
|
м
|
4,0
|
3,6
|
3,85
|
4,0
|
4,0
|
3,6
|
3,85
|
4,0
|
| β
|
град
|
120
|
120
|
120
|
120
|
120
|
120
|
120
|
120
|
| nдв
|
об/мин
|
1500
|
1450
|
1400
|
1500
|
1550
|
1450
|
1500
|
1600
|
| n1
|
об/мин
|
480
|
500
|
540
|
580
|
660
|
600
|
700
|
800
|
| m2
|
кг
|
0,24
|
0,18
|
0,22
|
0,20
|
0,24
|
0,25
|
0,18
|
0,20
|
| JS2
|
кг·м2
|
0,015
|
0,018
|
0,02
|
0,025
|
0,024
|
0,03
|
0,025
|
0,024
|
| F макс
|
кН
|
0,60
|
0,64
|
0,68
|
0,70
|
0,72
|
0,74
|
0,76
|
0,80
|
| φ1
|
град
|
30
|
45
|
60
|
90
|
105
|
120
|
135
|
150
|
| m1
|
мм
|
4
|
5
|
4
|
5
|
4
|
5
|
4
|
5
|
| za
|
-
|
19
|
18
|
17
|
18
|
19
|
17
|
20
|
17
|
| zb
|
-
|
36
|
39
|
34
|
32
|
36
|
28
|
38
|
30
|
| m
|
мм
|
8
|
9
|
10
|
9
|
8
|
10
|
7
|
6
|
Тема 10 Механизм поршневого насоса
| Рычажный механизм
|
Зубчатый механизм
|
| 
|

|
| Обозна-чение
|
Единица измерения
|
Вариант числовых значений
|
| 0
|
1
|
2
|
3
|
4
|
5
|
6
|
7
|
| lBO
2
|
м
|
0,17
|
0,18
|
0,19
|
0,20
|
0,21
|
0,22
|
0,23
|
0,24
|
| lО
1
O
2
|
м
|
0,16
|
0,17
|
0,18
|
0,19
|
0,20
|
0,21
|
0,22
|
0,23
|
| lСD
|
м
|
0,1
|
0,1
|
0,1
|
0,1
|
0,1
|
0,1
|
0,1
|
0,1
|
| l
|
м
|
0,16
|
0,17
|
0,18
|
0,19
|
0,20
|
0,21
|
0,22
|
0,23
|
| Н
|
м
|
0,12
|
0,13
|
0,14
|
0,15
|
0,16
|
0,18
|
0,14
|
0,17
|
| dц
|
м
|
0,11
|
0,115
|
0,120
|
0,125
|
0,130
|
0,135
|
0,140
|
0,145
|
| КV
|
м
|
1,2
|
1,2
|
1,2
|
1,25
|
1,25
|
1,25
|
1,2
|
1,2
|
| nдв
|
об/мин
|
960
|
950
|
940
|
960
|
950
|
940
|
960
|
950
|
| n1
|
об/мин
|
100
|
105
|
110
|
115
|
120
|
125
|
130
|
140
|
| m5
|
кг
|
4
|
5
|
4,5
|
4,5
|
5
|
5
|
5,5
|
5,5
|
| JS2
, JS3
, JS4
|
кг·м2
|
mi
li
2
/12
|
| Р
|
МПа
|
0,30
|
0,40
|
0,45
|
0,50
|
0,55
|
0,60
|
0,65
|
0,70
|
| φ1
|
град
|
0
|
15
|
30
|
45
|
60
|
75
|
90
|
120
|
| m1
|
мм
|
3
|
4
|
5
|
6
|
3
|
4
|
5
|
6
|
| za
|
-
|
17
|
19
|
20
|
21
|
24
|
20
|
24
|
19
|
| zb
|
-
|
29
|
31
|
32
|
36
|
38
|
36
|
| m
|
мм
|
6
|
8
|
9
|
10
|
11
|
12
|
6
|
8
|
Тема 11 Механизм качающегося конвейера
| Рычажный механизм
|
Зубчатый механизм
|
| 
|

|
| Обозна-чение
|
Единица измерения
|
Вариант числовых значений
|
| 0
|
1
|
2
|
3
|
4
|
5
|
6
|
7
|
| lO
1
А
|
м
|
0,06
|
0,065
|
0,07
|
0,08
|
0,09
|
0,10
|
0,105
|
0,10
|
| l1
|
м
|
0,15
|
0,16
|
0,18
|
0,22
|
0,25
|
0,30
|
0,310
|
0,320
|
| l2
|
м
|
0,075
|
0,08
|
0,100
|
0,110
|
0,130
|
0,170
|
0,160
|
0,170
|
| Н
|
м
|
0,180
|
0,185
|
0,200
|
0,210
|
0,270
|
0,280
|
0,260
|
0,285
|
| ψ
|
град
|
60
|
74
|
70
|
60
|
75
|
70
|
65
|
70
|
| nд
|
об/мин
|
1200
|
1360
|
1460
|
1350
|
1260
|
1580
|
880
|
1570
|
| n1
|
об/мин
|
60
|
68
|
73
|
70
|
63
|
79
|
63
|
74
|
| m5
|
кг
|
30
|
35
|
38
|
40
|
45
|
50
|
52
|
55
|
| F
|
кН
|
0,5
|
0,4
|
0,8
|
0,7
|
0,6
|
0,45
|
0,55
|
0,40
|
| φ1
|
град
|
0
|
30
|
45
|
60
|
90
|
120
|
45
|
60
|
| m1
|
мм
|
5
|
4
|
5
|
6
|
5
|
4
|
5
|
6
|
| za
|
-
|
15
|
14
|
16
|
13
|
12
|
14
|
15
|
10
|
| zb
|
-
|
45
|
42
|
48
|
19
|
40
|
45
|
48
|
35
|
| m
|
мм
|
8
|
7
|
9
|
10
|
8
|
7
|
9
|
10
|
Тема 1
2
Механизмы ножниц
Рычажный механизм Зубчатый механизм


| Обозна-чение
|
Единица измерения
|
Вариант числовых значений
|
| 0
|
1
|
2
|
3
|
4
|
5
|
6
|
7
|
| 
|
м
|
1,1
|
1,0
|
1,15
|
1,3
|
1,2
|
1,25
|
1,3
|
1,25
|
| 
|
м
|
0,85
|
0,80
|
0,65
|
0,7
|
0,55
|
0,6
|
0,65
|
0,5
|
| 
|
град.
|
25
|
28
|
30
|
30
|
25
|
28
|
32
|
28
|
| 
|
град.
|
20
|
23
|
25
|
28
|
20
|
22
|
25
|
20
|
| 
|

|
200
|
210
|
220
|
230
|
250
|
210
|
240
|
200
|
| 
|

|
2,3
|
2,1
|
2,25
|
3,1
|
2,5
|
2,7
|
3,2
|
2,8
|
| 
|

|
30,0
|
30,0
|
25,0
|
80,0
|
70,0
|
65,0
|
81,0
|
75,0
|
| 
|
град.
|
150
|
160
|
170
|
155
|
140
|
145
|
120
|
130
|
| 
|
мм
|
5
|
6
|
5
|
6
|
5
|
5
|
4,5
|
6,5
|
| 
|
13
|
12
|
14
|
10
|
16
|
17
|
20
|
21
|
| 
|
26
|
28
|
30
|
26
|
32
|
36
|
45
|
48
|
| 
|
мм
|
8
|
10
|
10
|
10
|
10
|
8
|
8
|
8
|
| 
|
3
|
3
|
3
|
3
|
3
|
3
|
3
|
3
|
| 
|
об/мин.
|
960
|
1000
|
110
|
1200
|
125
|
1300
|
135
|
1000
|
| 
|
-||-
|
100
|
120
|
135
|
150
|
115
|
140
|
125
|
110
|
Тема 1
3
Механизм качающегося грохота станка
 Рычажный механизм Зубчатый механизм
| Обоз-
начение
|
Единица измере-ния
|
Варианты числовых значений
|
| 0
|
1
|
2
|
3
|
4
|
5
|
6
|
7
|
| 
|
м
|
0,3
|
0,25
|
0,2
|
0,35
|
0,4
|
0,5
|
0,3
|
0,45
|
| 
|
м
|
0,24
|
0,2
|
0,16
|
0,28
|
0,32
|
0,35
|
0,4
|
0,38
|
| 
|
м
|
0,105
|
0,9
|
0,7
|
1,25
|
1,4
|
1,3
|
1,35
|
1,42
|
| 
|
м
|
0,09
|
0,075
|
0,06
|
0,105
|
0,12
|
0,08
|
0,15
|
0,07
|
| 
|
м
|
0,08
|
0,067
|
0,053
|
0,095
|
0,11
|
0,09
|
0,12
|
0,06
|
| 
|
м
|
0,5
|

|
| 
|
м
|
0,06
|
0,05
|
0,04
|
0,07
|
0,08
|
0,09
|
0,095
|
0,1
|
| 
|
об/мин
|
960
|
940
|
940
|
950
|
960
|
720
|
730
|
1430
|
| 
|
об/мин
|
40
|
42
|
50
|
60
|
55
|
45
|
40
|
65
|
| 
|

|
150
|
160
|
140
|
180
|
200
|
190
|
210
|
170
|
| 
|

|
3,5
|
3,0
|
2,8
|
4,0
|
4,5
|
4,8
|
5,0
|
3,9
|
| 
|

|
6,0
|
6,1
|
5,4
|
7,0
|
9,0
|
9,5
|
10
|
11
|
| 
|
град.
|
90
|
30
|
60
|
120
|
150
|
210
|
240
|
300
|
| 
|
мм
|
3
|
3
|
3
|
3
|
2
|
2
|
2
|
2
|
| 
|
22
|
18
|
25
|
22
|
20
|
28
|
30
|
36
|
| 
|
12
|
9
|
12
|
11
|
11
|
16
|
17
|
22
|
| 
|
мм
|
2
|
2
|
2
|
2
|
3
|
3
|
3
|
3
|
Тема 14 Механизмы щёковой дробилки
 Рычажный механизм Зубчатый механизм
| Обоз-
начение
|
Единица измерения
|
Варианты числовых значений
|
| 0
|
1
|
2
|
3
|
4
|
5
|
6
|
7
|
| 
|
м
|
0,35
|
0,4
|
0,45
|
0,5
|
0,45
|
0,4
|
0,35
|
0,55
|
| 
|
м
|
0,08
|
0,09
|
0,19
|
0,11
|
0,10
|
0,14
|
0,15
|
0,12
|
| 
|
м
|
0,5
|
0,55
|
0,6
|
0,7
|
0,7
|
0,65
|
0,75
|
0,6
|
| 
|
-||-
|
0,33
|
| 
|
-||-
|
0,06
|
0,07
|
0,08
|
0,09
|
0,09
|
0,1
|
0,07
|
0,06
|
| 
|
-||-
|
0,7
|
0,8
|
0,9
|
1,0
|
0,9
|
0,7
|
0,8
|
1,0
|
| 
|
-||-
|
0,5
|
| 
|
1,06
|
1,05
|
1,06
|
1,07
|
1,08
|
1,04
|
1,06
|
1,05
|
| 
|
град.
|
20
|
22
|
20
|
24
|
26
|
28
|
25
|
23
|
| 
|
об/мин.
|
1320
|
1290
|
1350
|
1320
|
1350
|
1290
|
1320
|
1350
|
| 
|
-||-
|
100
|
120
|
135
|
150
|
115
|
140
|
125
|
110
|
| 
|

|
17
|
20
|
22
|
25
|
23
|
24
|
22
|
25
|
| 
|

|
0,018
|
0,027
|
0,039
|
0,053
|
0,039
|
0,04
|
0,025
|
0,017
|
| 
|

|
1,0
|
1,5
|
1,75
|
1,6
|
1,4
|
1,45
|
1,3
|
1,37
|
| 
|
град.
|
60
|
75
|
90
|
115
|
145
|
160
|
175
|
180
|
| 
|
5
|
5
|
5
|
6
|
6
|
6
|
6
|
6
|
| 
|
12
|
14
|
12
|
14
|
11
|
10
|
17
|
18
|
| 
|
24
|
18
|
20
|
28
|
29
|
30
|
32
|
36
|
79
Тема
15
Поперечно-строгальный станок
Рычажный механизм Зубчатый механизм

| Обоз-
начение
|
Единица измерения
|
Варианты числовых значений
|
| 0
|
1
|
2
|
3
|
4
|
5
|
6
|
7
|
| Ход ползуна
|
м
|
0,3
|
0,4
|
0,5
|
0,45
|
0,55
|
0,6
|
0,65
|
0,35
|
| 
|
м
|
0,08
|
0,75
|
0,65
|
0,64
|
0,5
|
1,6
|
0,70
|
0,65
|
| 
|
м
|
0,5
|
0,55
|
0,43
|
0,44
|
0,3
|
0,4
|
0,5
|
0,45
|
| 
|
м
|
в середине звена
|
| 
|
об/мин
|
135
|
1440
|
1100
|
1250
|
940
|
930
|
950
|
1420
|
| 
|
об/мин
|
65
|
75
|
70
|
72
|
72
|
74
|
68
|
71
|
| 
|

|
20
|
18
|
20
|
19
|
18
|
19
|
20
|
25
|
| 
|

|
0,43
|
0,6
|
0,42
|
0,82
|
0,43
|
0,42
|
0,43
|
0,8
|
| 
|

|
1,8
|
2,0
|
1,6
|
1,7
|
1,9
|
2,2
|
2,4
|
2,6
|
| 
|
град.
|
210
|
180
|
150
|
120
|
240
|
120
|
45
|
90
|
| 
|
мм
|
4
|
5
|
3
|
3,5
|
5
|
4,5
|
3
|
4
|
| 
|
11
|
14
|
13
|
12
|
15
|
17
|
16
|
20
|
| 
|
46
|
44
|
48
|
32
|
38
|
30
|
38
|
46
|
| 
|
мм
|
6
|
6,5
|
7
|
5,5
|
8
|
10
|
12
|
13
|
ПРИЛ0ЖЕНИЕ А
(обязятельное)
Пример оформления титульного листа пояснительной записки
МИНИСТЕРСТВО ОБРАЗОВАНИЯ УКРАИНЫ СУМСКОЙ ГОСУДАРСТВЕННЫЙ УНИВЕРСИТЕТ
Кафедра сопротивления материалов и машиноведения
МЕХАНИЗМЫ КОМПРЕССОРА ОДНОСТОРОННЕГО ДЕЙСТВИЯ
ПОЯСНИТЕЛЬНАЯ ЗАПИСКА
к курсовому проекту по теории механизмов и машин
МКОД 03. 02. 00 ПЗ
№ задания № варианта
Руководитель курсовой работы
Студент
Группа
Сумы 2010
ПРИЛОЖЕНИЕ Г
(обязательное)
Таблица значений эвольвентной функции (inv α)
| Угол град.
|
Порядок
|
0'
|
10'
|
20'
|
30'
|
40'
|
50'
|
| 20°
|
0,0
|
149
|
153
|
157
|
161
|
165
|
169
|
| 21°
|
0,0
|
173
|
178
|
182
|
187
|
191
|
196
|
| 22°
|
0,0
|
200
|
205
|
210
|
215
|
220
|
225
|
| 23°
|
0,0
|
230
|
236
|
241
|
247
|
252
|
258
|
| 24°
|
0,0
|
263
|
269
|
275
|
281
|
287
|
297
|
| 25°
|
0,0
|
300
|
306
|
313
|
319
|
326
|
333
|
| 26°
|
0,0
|
339
|
346
|
353
|
361
|
368
|
375
|
| 27°
|
0,0
|
383
|
390
|
398
|
406
|
414
|
422
|
| 28°
|
0,0
|
430
|
438
|
447
|
455
|
464
|
473
|
| 29°
|
0,0
|
482
|
491
|
500
|
509
|
518
|
529
|
| 30°
|
0,0 |
|
537
|
547
|
557
|
567
|
577
|
588
|
ПРИЛОЖЕНИЕ Д
(обязательное)
Таблица значений 
| Угол,
град
|
0
|
10
|
20
|
30
|
40
|
50
|
60
|
| 20
|
0,940
|
0,939
|
0,938
|
0,937
|
0,936
|
0,935
|
0,934
|
| 21
|
0,934
|
0,932
|
0,931
|
0,930
|
0,929
|
0,928
|
0,927
|
| 22
|
0,927
|
0,926
|
0,925
|
0,924
|
0,923
|
0,922
|
0,920
|
| 23
|
0,920
|
0,919
|
0,918
|
0,917
|
0,916
|
0,915
|
0,913
|
| 24
|
0,913
|
0,912
|
0,911
|
0,910
|
0,909
|
0,907
|
0,906
|
| 25
|
0,906
|
0,905
|
0,904
|
0,903
|
0,901
|
0,900
|
0,899
|
| 26
|
0,899
|
0,897
|
0,896
|
0,895
|
0,894
|
0,892
|
0,891
|
| 27
|
0,891
|
0,890
|
0,888
|
0,887
|
0,886
|
0,884
|
0,883
|
| 28
|
0,883
|
0,882
|
0,880
|
0,879
|
0,877
|
0,876
|
0,875
|
| 29
|
0,875
|
0,873
|
0,872
|
0,870
|
0,869
|
0,867
|
0,866
|
ПРИЛОЖЕНИЕ Е
(обязательное)
Вопросы для подготовки к защите курсовой работы
к листу 1
1. Дайте определение понятия "механизм", назначение механизма, название звеньев. Определите степень подвижности механизма, количество кинематических пар и их класс.
2. Расскажите о структурном анализе рычажного механизма. Назовите входные и выходные звенья, начальное звено, обобщенную координату. Выделите структурные группы. Определите наличие избыточных связей.
3. Как определяется число степеней свободы для плоской и пространственной схем механизма. Какие ограничения на движение звеньев наложены при плоском варианте схемы? Покажите, как устраняются избыточные связи в рычажном механизме.
4. Расскажите о синтезе рычажного механизма, рас-смотренного в вашем проекте.
5. Какова последовательность кинематического анализа, какие уравнения использованы при построении планов аналогов скоростей? Как определяли направления векторов относительных скоростей точек? Как определяли направления угловых скоростей звеньев? Как пользовались масштабами?
6. Расскажите об использовании методов графического дифференцирования и интегрирования. Покажите связь между масштабными коэффициентами.
7. Как определить кинетическую энергию звена и механизма в целом? При каком значении обобщенной координаты кинетическая энергия достигает максимального значения?
8. Как определяли движущий момент на входном валу и какова суммарная работа сил, приложенных к звеньям механизма?
Продолжение приложения Е
К листу 2
1. Расскажите об основных свойствах эвольвентного профиля спроектированного вами зубчатого колеса.
2 Перечислите основные свойства эвольвентного зацепления.
3 Как влияет относительное положение исходного произ-водящего контура на качественные показатели зубчатой передачи?
4. Какие технологические методы используются для на-резания зубьев колес?
5 Покажите основные параметры зубчатого зацепления и назовите факторы, от которых они зависят.
6. Расскажите, каким образом устраняется подрезание ножек зубьев.
7 От каких величин зависит длина активного участка линии зацепления?
8 Покажите на чертеже отрезки, отношения которых равны коэффициенту перекрытия.
9 Как были выбраны коэффициенты смещения исходного производящего контура.
10 На профиле зуба колеса обозначить точку и графическим методом найдите сопряженную точку на профиле зуба колеса . Укажите место контакта этих двух точек на линии зацепления.
11. Покажите, как изменится форма зуба и его размеры и при увеличении смещения ИПК.
СПИСОК ЛИТЕРАТУРЫ
1. Артоболевский И.И. Теория механизмов и машин.- М.:Наука, 1988.
2. Учаев П.Н., Никитин М.А. Конспект лекций по курсу «Теория механизмов и машин» Сумы: Издательство СумГУ, 2002; 2004. – Ч. І, ІІ.
3. Попов С.А. Курсовое проектирование по теории механизмов и механике машин. – М.: Высшая школа, 1986.
4. Методические указания к курсовому проектированию по теме « Синтез механизмов передач курса «Теория механизмов и машин» для студентов инженерно – технических специальностей дневной и заочной форм обучения. – Сумы: СумГУ, 1996.
5. Кореняко А.С. Курсовое проектирование по теории механизмов и машин.- Киев: Высшая школа, 1970.
6. Методические указания к оформлению текстовых документов курсовых проектов по теории механизмов и машин и основам конструирования с использованием стандартов ЕСКД. – Харьков, 1981.
МИНИСТЕРСТВО ОБРАЗОВАНИЯ И НАУКИ УКРАИНЫ
СУМСКИЙ ГОСУДАРСТВЕННЫЙ УНИВЕРСИТЕТ
2694
ТЕОРИЯ МЕХАНИЗМОВ И МАШИН
Сборник заданий и методические указания
к курсовой работе
для иностранных студентов инженерно-технических специальностей
дневной формы обучения
Сумы
Издательство СумГУ
2010
ТЕОРИЯ МЕХАНИЗМОВ И МАШИН.
Сборник заданий и методические указания к курсовой работе для иностранных студентов инженерно-технических специальностей дневной формы обучения /Составители: М.А.Никитин, Н.Н.Никитина. – Сумы: Издательство СумГУ, 2010-88 с.
Кафедра сопротивления материалов и машиноведения
МИНИСТЕРСТВО ОБРАЗОВАНИЯ И НАУКИ УКРАИНЫ
СУМСКИЙ ГОСУДАРСТВЕННЫЙ УНИВЕРСИТЕТ
К печати и в свет
разрешаю на основании
“Единых правил”,
п. 2.6.14
Заместитель первого проректора – В.Б.Юскаев
начальник организационно –
методического управления
2694
ТЕОРИЯ МЕХАНИЗМОВ И МАШИН
Сборник заданий и методические указания
к курсовой работе
для иностранных студентов инженерно-технических специальностей
дневной формы обучения
Все цитаты, цифровой и
фактический материал,
библиографические сведения
проверены, запись единиц
отвечает стандартам
Составители : М.А.Никитин,
Н.Н.Никитина
Ответственный за выпуск И.Б.Каринцев
Декан факультета технических систем А.Г.Гусак
и энергоэффективных технологий
Сумы
Издательство СумГУ
2010
|