|
СОДЕРЖАНИЕ
ВЕДЕНИЕ. 4
1. СТРУКТУРА ПОЯСНИТЕЛЬНОЙ ЗАПИСКИ.. 5
2.ТРЕБОВАНИЯ К СТРУКТУРНЫМ ЭЛЕМЕНТАМ.. 7
2.1. Титульный лист. 7
2.2. Содержание. 7
2.3. Перечень сокращений, условных обозначений, символов, единиц и терминов 7
2.4. Введение. 8
2.5. Основная часть. 9
2.6. Заключение. 12
2.7. Список использованных источников. 12
2.8. Приложения. 13
3.ПРАВИЛА ОФОРМЛЕНИЯ.. 14
3.1. Общие требования. 14
3.2. Заголовки. 15
3.3. Нумерация. 16
3.4. Список использованных источников. 17
3.5. Приложения. 18
3.6. Оформление титульного листа. 19
3.7. Оформление содержания. 19
3.8. Оформление иллюстраций. 20
3.9. Оформление блок-схем. 2
1
3.10. Оформление таблиц. 23
3.11. Оформление формул. 25
3.12. Оформление ссылок. 26
ПРИЛОЖЕНИЕ 1. оБРАЗЕЦ ОФОРМЛЕНИЯ ТИТУЛЬНОГО ЛИСТА………………………28
ПРИЛОЖЕНИЕ 2. ОБРАЗЕЦ ОФОРМЛЕНИЯ СОДЕРЖАНИЯ.. 29
введение
Оформление печатных работ научного характера должно соответствовать определенным требованиям как по содержанию, так и по оформлению. В прошедшие годы были разработаны многочисленные стандарты на различные виды документации – Единая система программной документации (ЕСПД), Единая система конструкторской документации (ЕСКД) и др. Имеются стандарты на библиографическое описание документов, стандарты на содержание и оформление научно-исследовательских работ, и многие другие.
Большая часть стандартов, созданных в период существования СССР, уже устарела. И хотя реформа системы стандартизации России действует уже несколько лет, новые стандарты Российской Федерации по интересующей нас тематике не выпущены. Поэтому при оформлении печатных документов ориентируются на существующие стандарты, действие которых никто не отменял.
Защита дипломного проекта предусматривает подготовку пояснительной записки, которая по своей сути является отчетом о научно-исследовательской работе. Поэтому в правилах оформления будем ориентироваться на ГОСТ 7.32-91 (ИСО 5966-82) «ОТЧЕТ О НАУЧНО-ИССЛЕДОВАТЕЛЬСКОЙ РАБОТЕ. Структура и правила оформления», входящего в Систему стандартов по информации, библиотечному и издательскому делу [1].
1.
ОБЩИЕ ТРЕБОВАНИЯ К СТРУКТУРЕ И СОДЕРЖАНИЮ ПОЯСНИТЕЛЬНОЙ ЗАПИСКИ
Структурными элементами пояснительной записки к дипломному проекту являются:
Забиваем Сайты В ТОП КУВАЛДОЙ - Уникальные возможности от SeoHammer
Каждая ссылка анализируется по трем пакетам оценки: SEO, Трафик и SMM.
SeoHammer делает продвижение сайта прозрачным и простым занятием.
Ссылки, вечные ссылки, статьи, упоминания, пресс-релизы - используйте по максимуму потенциал SeoHammer для продвижения вашего сайта.
Что умеет делать SeoHammer
— Продвижение в один клик, интеллектуальный подбор запросов, покупка самых лучших ссылок с высокой степенью качества у лучших бирж ссылок.
— Регулярная проверка качества ссылок по более чем 100 показателям и ежедневный пересчет показателей качества проекта.
— Все известные форматы ссылок: арендные ссылки, вечные ссылки, публикации (упоминания, мнения, отзывы, статьи, пресс-релизы).
— SeoHammer покажет, где рост или падение, а также запросы, на которые нужно обратить внимание.
SeoHammer еще предоставляет технологию Буст, она ускоряет продвижение в десятки раз,
а первые результаты появляются уже в течение первых 7 дней.
Зарегистрироваться и Начать продвижение
· титульный лист;
· содержание;
· перечень сокращений, условных обозначений и пр.;
· введение;
· основная часть;
· заключение;
· список использованных источников;
· приложения.
Жирным шрифтом выделены обязательные элементы.
Наименования всех структурных элементов, кроме титульного листа и основной части, служат заголовками структурных элементов пояснительной записки. Основная часть текстового документа, как правило, разбивается на два, три или более разделов, которым присваиваются порядковые номера, обозначенные арабскими цифрами с точкой (например, «1. ОПИСАНИЕ ПРЕДМЕТНОЙ ОБЛАСТИ»).
Разделы основной части могут быть разделены на подразделы, те, в свою очередь, на пункты и, при необходимости, на подпункты. Каждое такое разделение должно быть логически обоснованным.
К написанию содержательной части пояснительной записки следует отнестись очень серьезно и вдумчиво, т.к. именно пояснительная записка полностью отражает не только уровень и качество проделанной Вами работы, но также является характеристикой Вашего профессионального уровня.
Хотелось бы в целом затронуть общие ошибки, возникающие при написании содержательной части пояснительных записок:
1. Очень корявый язык.
2. Большая безграмотность не только в построении фраз, но и в написании отдельных слов.
3. Частое использование технических терминов без понимания их смысла, это очень опасно, т. к. за каждое слово в пояснительной записке придется ответить на защите дипломного проекта.
4. Бездумное переписывание готовых текстов, взятых из других источников, например, из Интернета или из работ других студентов, с присущими этим текстам ошибками.
5. Полное игнорирование требований к содержанию пояснительной записки.
6. Полное игнорирование требований к оформлению пояснительной записки.
Следует отметить, что приводимые далее требования к содержательной части пояснительной записки являются наиболее общими и относятся к описанию работ, связанных с разработкой программных средств, при этом авторы постарались охватить широкий класс таких задач. Но ввиду большого разнообразия существующих задач, возможно, не все аспекты, связанные со спецификой этих задач удалось затронуть. Поэтому, учащимся следует подходить к описанию своей работы вдумчиво и творчески и по согласованию с руководителем добавлять необходимые разделы, пункты, которые не упомянуты в нижеследующем описании.
2. ТРЕБОВАНИЯ К СТРУКТУРНЫМ ЭЛЕМЕНТАМ
Сервис онлайн-записи на собственном Telegram-боте
Попробуйте сервис онлайн-записи VisitTime на основе вашего собственного Telegram-бота:
— Разгрузит мастера, специалиста или компанию;
— Позволит гибко управлять расписанием и загрузкой;
— Разошлет оповещения о новых услугах или акциях;
— Позволит принять оплату на карту/кошелек/счет;
— Позволит записываться на групповые и персональные посещения;
— Поможет получить от клиента отзывы о визите к вам;
— Включает в себя сервис чаевых.
Для новых пользователей первый месяц бесплатно.
Зарегистрироваться в сервисе
На титульном листе должны быть указаны следующие сведения:
· официальное название учебного заведения;
· название выпускающей кафедры;
· наименование темы дипломного проекта;
· вид материала (дипломный проект с указанием присваиваемой квалификации);
· курс, группа, инициалы и фамилия студента;
· ученая степень, научное звание, инициалы и фамилия руководителя дипломного проекта, его должность и место работы;
· место и год выполнения проекта (подготовки отчета).
Титульный лист должен быть подписан студентом и руководителем, подпись руководителя должна быть заверена печатью.
Студенту следует обратить особое внимание на то, что тема дипломного проекта должна быть сформулирована совершенно одинаково во всех документах, где она упоминается, а именно: приказ по ВКИ, бланк задания на дипломирование, титульный лист, отзыв руководителя, рецензия.
Пример оформления титульного листа приведен в прил. 1.
Содержание является обязательным и располагается на странице 2. Пример оформления содержания дан в прил. 2. Названия разделов, пунктов и их последовательность должны точно соответствовать их написанию и расположению в тексте ПЗ. Содержание также должно быть напечатано шрифтом
Times New Roman
14 пт
с интервалом между строк Минимум 18 пт.
При автоматическом формировании содержания эти параметры устанавливаются вручную.
Принятые в отчете малораспространенные сокращения, условные обозначения, символы, единицы и специфические термины должны быть представлены в виде отдельного списка.
Если сокращения, условные обозначения, символы, единицы и термины повторяются в отчете менее трех раз, отдельный список не составляют, а расшифровку дают непосредственно в тексте отчета при первом упоминании.
В этом разделе должна быть лаконично, но очень ясно описана решаемая Вами проблема, затраченные Вами усилия для решения этой проблемы, используемые программные средства, чтобы после прочтения «Введения» становилась очевидной затронутая Вами проблематика. Объем раздела «Введение» не более полутора листов печатного текста, оформленного в соответствии с требованиями. В этом разделе должны быть отражены следующие вопросы:
· тема дипломной работы;
· формулировка проблемы (задачи);
· проблема - как часть большой разработки, в рамках какой системы/подсистемы выполняется данная подзадача, или это автономная задача;
· для кого предназначена работа и где может использоваться;
· актуальность (насколько она важна, современна) и новизна темы;
· перечислить виды проделанной работы, например, в следующем виде:
- изучена новая предметная область;
- найдены и рассмотрены существующие аналоги;
- составлена спецификация требований к системе;
- исследованы возможные способы реализации;
- изучены новые технологии и программные средства (какие);
- разработана объектная модель;
- разработана модель данных;
- разработан пользовательский интерфейс;
- реализованы все функции системы;
- сделан анализ проделанной работы.
· перечислить используемые технические, операционные, программные средства. Пример:
Использовалась операционная система WinXP, СУБД Cache`5.0.9.5202.2, Internet Explorer 6.0, Mozilla Firefox, Stylus Studio 2006, Far Manager 1.70 beta 5 build 1634.
Допускается добавление информации от себя, если в этом возникает необходимость и этого требует специфика решаемой Вами задачи.
Основная часть пояснительной записки детально раскрывает существо решенной Вами задачи. Основная часть может состоять из следующих разделов:
· Постановка задачи.
· Описание данных.
· Алгоритмы решения задачи.
· Описание базы данных.
· Схема функционирования программного средства.
· Руководство пользователя.
2.5.1. Постановка задачи
В этом разделе должны быть отражены следующие вопросы:
1.
Описание предметной области
Задача может относиться к очень сложной предметной области, с новыми понятиями, со сложной терминологией, сложными взаимосвязями между объектами, поэтому необходимым является описание специфики этой сложной предметной области, описание терминов, с которыми познакомился учащийся.
2.
Постановка задачи
2.1. Суть задачи.
В чем существо решаемой учащимся задачи. Сам ли учащийся поставил задачу, (ведь часто руководитель только формулирует проблему) или задача поставлена руководителем. Является ли задача частью сложной большой системы или это автономная задача.
2.2. Анализ требований к системе (программному продукту).
Так как часто результатом решения задачи является разрабатываемое учащимся программное средство, необходимо описать, как данное программное средство будет выглядеть с точки зрения пользователя. А именно:
· Перечислить виды пользователей системы (программного средства).
· Описать все функции, выполняемые системой (программным средством) в интересах каждого пользователя.
Это можно оформить либо в виде коротких и четких предложений, описывающих функции программного средства, либо в виде диаграмм прецедентов (Use case diagram) языка UML.
3.
Исследовательская часть
· Что изучил, исследовал, что было сделано в этой предметной области до меня, как я это использовал в своей работе;
· предложения (мои) по реализации.
4.
Характеристика выбранных программных сред и средств
В этом разделе необходимо описать выбранные учащимся технические средства (устройства, если использовались), операционные средства (редко используемые операционные системы), программные средства, технологии, которые выбраны для решения данной задачи. Описать достоинства и недостатки используемых средств и обосновать необходимость использования именно этих программных сред, средств и технологий.
2.5.2. Описание данных
В данном разделе описывается структура входных и выходных данных. Если входных и выходных данных нет, то данный раздел опускается. Например, входные данные поступают на вход программе в виде файла, значит, структура файла должна быть полностью описана. Аналогичное требование выполняется и для выходных данных.
2.5.3. Алгоритмы решения задачи
В этом разделе необходимо описать используемые алгоритмы решения задачи. Этот пункт, как правило, относится к задачам, связанным со сложными вычислительными алгоритмами. Если таковых нет, например, если это несложный сайт или приложение для баз данных, то данный пункт опускается. Применяются два способа описания алгоритма:
1. Словесный.
2. Графический, в виде блок-схемы.
2.5.4. Описание базы данных
В этом разделе необходимо описать структуру базы данных, если база данных есть. Если приложение не использует базу данных, этот пункт опускается.
При описании структуры базы данных:
1. Описываются все таблицы в виде:
Имя таблицы – описание, т.е. для хранения какой информации предназначена данная таблица. Например:
USERS – таблица хранит информацию о пользователях.
2. Описываются все поля таблицы с указанием типа, назначения, первичных и внешних ключей. Пример приведен на рис. 1.
Пример описания таблицы базы данных

Рис. 1.
3. Приводится концептуальная схема базы данных (рис.2), которая отображает взаимосвязи между таблицами, например, в стиле СУБД ACCESS.
Пример концептуальной схемы базы данных

Рис.2.
Для объектной базы данных приводится описание структуры всех классов, аналогично тому, как это сделано для таблиц, добавляется только описание методов.
2.5.5. Схема функционирования программного средства
В этом разделе должна быть полностью описана структура программы, т.е.
· из каких функциональных блоков (файлов, модулей, процедур, функций, классов) состоит программа;
· приведено описание каждого блока с его названием и назначением;
· приведена графическая схема взаимосвязи этих программных блоков.
Например:
Index.php – главная страница для управления новостной информацией;
Addnews.php – добавление новой новости;
EditNews.php – изменение информации о новости;
DeleteNews.php – удаление устаревшей новости.
Пример схемы взаимодействия дан на рис.3.

Рис.3.
2.5.6. Руководство пользователя
В этом разделе описывается:
· порядок установки программного средства на компьютер пользователя;
· все действия пользователя при работе с системой (программным средством).
В этом разделе необходимо привести образы экранов (ScreenShots) для лучшего восприятия раздела.
В этом разделе необходимо:
· подвести итоги проделанной работы - что сделано, что не сделано;
· оценить практическую значимость работы, будет ли она иметь практическое применение.
· отметить точки роста (развития) программы. Например:
o добавить новые функции (режимы работы);
o распространить на новый класс задач;
· сравнить выполненную работу с существующими аналогами.
· перечислить виды проделанной Вами работы, аналогично тому, как это сделано в разделе «Введение».
· привести объем созданного Вами программного средства, в любых единицах, например: в килобайтах, строках кода, классах, процедурах, функциях и т.д.
Список должен содержать сведения об источниках, использованных при составлении пояснительной записки. На все использованные источники в тексте пояснительной записки должны быть ссылки. В списке источники следует располагать в порядке появления ссылок в тексте.
В приложения рекомендуется включать материалы, связанные с выполненным дипломным проектом, которые по каким-либо причинам не могут быть включены в основную часть.
В приложения могут быть включены:
1) материалы, дополняющие пояснительную записку;
2) промежуточные математические доказательства, формулы и счеты;
3) таблицы вспомогательных цифровых данных;
4) протоколы испытаний;
5) описание аппаратуры и приборов, применяемых при проведении экспериментов, измерений и испытаний;
6) тексты программ;
7) иллюстрации вспомогательного характера и др.
В приложения следует включать иллюстрации, таблицы, распечатки с ЭВМ, выполненные на листах формата А3.
3. ПРАВИЛА ОФОРМЛЕНИЯ
3.1. Общие требования
Для пояснительной записки используется белая бумага формата А4. Допускается представлять иллюстрации, таблицы и распечатки с ЭВМ на листах формата А3 [3].
Текст пояснительной записки должен быть кратким, ясным, не содержать орфографических и грамматических ошибок, должен быть напечатан на одной стороне листа с левым полем не менее 3 см, правым полем не менее 1 см, верхним полем не менее 1,5 см и нижним полем не менее 2 см.
Расстояние между строками должно быть равно 1.5 интервала. Для задания в Word требуемого межстрочного интервала надо использовать интервал “Минимум
” с указанием величины интервала числом 18 пт.
Высота букв текста должна быть не менее 2.5 мм (включая надписи на графическом поле рисунков и текст в таблицах). Для основного текста должен использоваться шрифт Times New Roman
размера 14 пт.
Опечатки и описки допускается исправлять подчисткой или закрашиванием белой краской и нанесением на том же месте исправлений машинописным способом или черной тушью.
Текст каждого абзаца должен начинаться с отступа, равного 1.5 см. Между абзацами не должно быть дополнительных отступов или пустых строк.
При выполнении пояснительной записки необходимо соблюдать равномерную плотность, контрастность и четкость изображения по всему тексту. В тексте должны быть четкие, не расплывшиеся линии, буквы, цифры и знаки, которые должны быть одинаково черными по всему тексту.
Вписывать в отпечатанный текст отдельные слова, формулы, знаки допускается только черными чернилами или черной тушью, при этом плотность вписанного текста должна быть максимально приближена к плотности основного изображения.
Опечатки, описки и графические неточности допускается исправлять подчисткой или закрашиванием белой краской и нанесением на том же месте исправленного изображения машинописным способом или от руки черными чернилами или черной тушью.
В тексте пояснительной записки не допускается:
- применять обороты разговорной речи, техницизмы, профессионализмы;
- применять для одного и того же понятия различные научно-технические термины, близкие по смыслу (синонимы);
- применять произвольные словообразования;
- применять сокращения слов, кроме установленных правилами русской орфографии, соответствующими государственными стандартами, а также указанных в данной пояснительной записке;
- сокращать обозначения единиц физических величин, если они употребляются без цифр, за исключением единиц физических величин в головках и боковиках таблиц, и в расшифровках буквенных обозначений, входящих в формулы и рисунки.
В тексте документа, за исключением формул, таблиц и рисунков, не допускается:
- применять математический знак минус (-) перед отрицательными значениями величин (следует писать слово "минус");
- применять без числовых значений математические знаки, например, >
(больше), <
(меньше), = (равно),
(больше или равно), (меньше или равно), (не равно), а также знаки № (номер), % (процент).
Нумерация страниц пояснительной записки – сквозная, включая страницы приложений, начинается с титульного листа, но номер страницы на нем не печатается. На странице 2 помещается содержание, на третьей странице – перечень сокращений, если он имеется, иначе — введение, и т.д. Номера страниц документа проставляются арабскими цифрами в правом верхнем углу без точки в конце. Для вставки номеров страниц в программе Word используется пункт меню Вставка | Номера страниц.
3.2. Заголовки
Структурным элементам номера не присваиваются, т.е. заголовки «СОДЕРЖАНИЕ», «ВВЕДЕНИЕ» и др. пишутся без нумерации. Заголовки структурных элементов и разделов выполняются жирным шрифтом, прописными буквами, без переносов с выравниванием по центру.
Каждый структурный элемент и раздел следует начинать с новой страницы.
Подразделы имеют нумерацию в пределах раздела (общий номер подраздела состоит из номера раздела и номера подраздела, разделенных точкой, например, 1.1, 1.2 и т. д.), пункты – в пределах подраздела (1.1.1, 1.1.2), подпункты — в пределах пункта(1.1.1.1, 1.1.1.2). Подразделы, пункты и подпункты имеют собственные заголовки. Заголовки подразделов, пунктов и подпунктов следует начинать с абзацного отступа и печатать строчными буквами, не подчеркивая, без точки в конце. Каждый пронумерованный заголовок должен быть указан в содержании. Деление текста на подразделы, пункты и подпункты должно быть логически обоснованным.
Заголовки по возможности следует делать краткими. Если заголовок включает несколько предложений, их разделяют точками. В конце заголовков точка не ставится. Переносы слов в заголовках не допускаются.
Шрифт заголовков одного уровня рубрикации должен быть единым по всему тексту. Например, заголовки подразделов можно выполнять жирным шрифтом, пунктов – жирным курсивом, подпунктов – курсивом. Подчеркивание в заголовках и тексте не рекомендуется. Допускается увеличивать размер шрифта заголовков до 16-18 пт.
Заголовки следует отделять от основного текста дополнительным пробелом сверху и снизу. Аналогично шрифту, дополнительные пробелы перед заголовком и после него в зависимости от уровня рубрикации могут иметь разное значение:
после заголовка структурного элемента или раздела — 1,5 интервала;
перед заголовком подраздела — 1,5 интервала, после — 1 интервал;
перед заголовком пункта — 1 интервал, после — 0,7 интервала;
перед заголовком подпункта — 0,7 интервала, после — 0,5 интервала.
При оформлении работы программой Microsoft Word размер дополнительных пробелов устанавливается в меню Формат | Абзац | Интервал | после ,
как показано на рис.4.

Рис. 4.
Заголовки рисунков и таблиц выравниваются горизонтально по центру относительно рисунка или таблицы.
3.3. Нумерация
Номер страницы ставится в правом верхнем углу каждой страницы, кроме титульного листа. Титульный лист считается первой страницей.
Заголовки разделов основной части, пунктов и подпунктов нумеруются последовательно арабскими цифрами. Номера заголовков пунктов и подпунктов включают номера всех вышележащих разделов до главы (приложения) включительно, разделенные точкой. В конце номера должна стоять точка. После заголовка пунктов и подпунктов до конца страницы должна быть напечатана хотя бы одна строка текста.
Разделы «Введение», «Заключение», «Список использованных источников» не нумеруются.
Рисунки, таблицы и формулы нумеруют последовательно арабскими цифрами. Нумерация может быть сквозная («Рис. 12») или в пределах раздела («Рис. 3.10»). Первым числом при двойной нумерации ставится номер раздела (приложения), за ним через точку ставится порядковый номер рисунка, таблицы или формулы в разделе (приложении). В приложении рисунки и таблицы нумеруются с добавлением буквы «П» («Рис. П.10», «Таблица П.2» или «Рис. П2.5», если приложений больше одного).
Ссылки на литературные источники нумеруют сквозной одинарной нумерацией в косых чертах или квадратных скобках в порядке появления в тексте (например: /2/ или [2]).
Перечисления (списки) в тексте при необходимости нумеруют арабскими цифрами с круглой скобкой.
Если в основной части (приложении) только один рисунок (одна таблица или формула), они не нумеруются и слова «Рис.» («Таблица») не пишутся.
3.4. Список использованных источников
Список должен содержать перечень источников, на которые имеются ссылки в тексте отчета. Список приводится в порядке появления ссылок в тексте пояснительной записки. Сведения об источниках следует давать в соответствии с [4,5].
Сведения об источнике состоят из двух частей:
1. Название статьи (книги). Состоит из:
1) списка авторов в виде: Фамилия1 И.О., Фамилия2 И.О.;
2) заголовка статьи (книги).
Если авторов меньше четырех, то список авторов приводится перед заголовком (см. пример 1). В противном случае указываются только три первых автора и слова “и др.” через косую черту после заголовка (см. пример 2). Если авторов нет (см. пример 6), то список авторов опускают.
2. Выходные данные издания:
1) для книги: город, название издательства, год издания, количество страниц в книге;
2) для статьи: название журнала или сборника статей, год издания, номер тома, номер выпуска, диапазон страниц;
3) для электронных ресурсов: Интернет-адрес ресурса и дата последнего отзыва.
Для названий отдельных городов в библиографических описаниях приняты специальные сокращения: Москва — М., Санкт-Петербург — СПб, Ленинград — Л., Киев — К., Нью-Йорк — N.Y., Париж — Р., Лондон — L., Берлин — В. Названия всех прочих городов в списке должны указываться полностью.
Пример ссылки на статью в журнале с 1¸3 авторами:
1. Александров О.Е., Селезнев В.Д. Взаимодействие поверхностных акустических волн с газовым окружением //Поверхность: физика, химия, механика,– 1991, – №9, – С.33-39.
Пример ссылки на статью в журнале с четырьмя и более авторами:
2. Об увлечении газа поверхностной акустической волной /Александров О.Е., Елфимов А.А., Флягин А.Г. и др. //Акустический журнал, – 1989, – Т.35, – В.6, – С. 961-965.
Пример ссылки на книгу с 1¸3 авторами:
3. Дантеманн Д, Мишел Д., Тейлор Д. Программирование в среде Delphi: Пер. с англ. - К.: НИПФ ДиаСофт Лтд, 1988, – 608 с.
Пример ссылки на книгу с четырьмя и более авторами:
4. Электронные возбуждения в кристаллах гидрида лития / Лущик Ч.Б., Гаврилов Ф.Ф., Завт Г.С. и др. - М.: Наука, 1985. – 215 с.
Пример ссылки на книгу без авторов:
5.Руководство программиста по Wicrosoft Windows 95: Справочник и руководство для создания коммерческих приложений : Пер. с англ. – М.: Издательский отдел “Русская Редакция” ТОО “Channel Trading Ltd.”, 1997. – 600 с.
Пример ссылки на электронный ресурс:
6. Травин А.Н. Три поисковика Рунета, не считая Google: [Электрон.
ресурс].– http://www.netoskop.ru/theme/2001/06/21/2662.html [12.11.06]
3.5. Приложения
В приложения следует включать вспомогательный материал, необходимый для полноты пояснительной записки: тексты программ, выходные формы, протоколы тестирования, иллюстрации вспомогательного характера и т.п.
Приложения располагаются в конце пояснительной записки в порядке появления ссылок на них в тексте. Каждое приложение должно начинаться с новой страницы с указанием в правом верхнем углу слова «ПРИЛОЖЕНИЕ» и иметь содержательный заголовок. Если приложений несколько, они нумеруются: ПРИЛОЖЕНИЕ 1, ПРИЛОЖЕНИЕ 2, и т.д.
При необходимости приложение может быть разбито на пункты и подпункты. Оформлять заголовки следует так же, как заголовки пунктов и подпунктов разделов основной части.
Номер пункта, подпункта, рисунка, формулы и таблицы в приложении начинается с буквы «П». В нумерацию пунктов, подпунктов, формул, таблиц и рисунков при наличии нескольких приложений включают номер приложения: «П1», «П2», и т.д.
3.6. Оформление титульного листа
Титульный лист является первой страницей пояснительной записки, входит в общее число страниц, но номер страницы на нем не печатается. Образец титульного листа дан в прил. 1. Название дипломного проекта пишется без кавычек. Проследите, чтобы тема дипломного проекта точно соответствовала ее написанию в приказе на утверждение тем дипломных работ. Вместо слов «должность место работы» нужно указать должность и место работы Вашего научного руководителя, например:
Научный руководитель
к.т.н., с.н.с. ИВМиМГ СО РАН
Названия должности, института и ученые степени пишутся сокращенно. Допустимые сокращения:
м.н.с. — младший научный сотрудник;
н.с. — научный сотрудник;
с.н.с. — старший научный сотрудник;
зав.лаб. — заведующий лабораторией;
зав.отд. — заведующий отделом;
к.т.н. — кандидат технических наук;
д.э.н. — доктор экономических наук и т.п.
К моменту защиты дипломного проекта на титульном листе должны стоять подпись научного руководителя, заверенная печатью, и подпись студента.
3.7. Оформление содержания
Содержание является обязательным и располагается на странице 2. Шрифт и наименование заголовков должны соответствовать их написанию в тексте, за исключением размера шрифта. Содержание также должно быть напечатано шрифтом Times New Roman
14 пт
с интервалом между строк Минимум 18 пт.
При автоматическом формировании содержания эти параметры устанавливаются вручную. Номера страниц должны быть выровнены по правой границе поля. Заполнитель строк — точки.
Заголовки одного уровня вложения должны быть выровнены по одной вертикальной границе. Заголовки нижнего уровня печатаются с отступом вправо по отношению заголовков верхнего уровня.
Пример оформления содержания дан в прил. 2.
3.8. Оформление иллюстраций
Иллюстрациями называются любые графические материалы: рисунки, фотографии, схемы, графики и т.п. Фрагмент текста программы также оформляют как иллюстрацию.
Иллюстрации должны быть напечатаны или выполнены черной пастой (тушью). Допускается выполнять иллюстрации на отдельном листе и вклеивать их в текст. Допускаются иллюстрации, напечатанные на цветном принтере.
Иллюстрации должны располагаться после первой ссылки на них в тексте пояснительной записки.
Иллюстрация должна состоять из: 1) названия, 2) графического изображения, 3) пояснительной надписи (не обязательно) и 4) номера. Пример оформления иллюстрации приведен на рис. 5.

Рис. 5.
Иллюстрацию центрируют на странице или сдвигают влево или вправо так, чтобы текст обтекал рисунок, но только с одной стороны. Название иллюстрации, подрисуночный текст и номер центрируют относительно иллюстрации.
В названии иллюстрации и подрисуночном тексте допускается использовать меньший размер шрифта (8-12 пт).
Иллюстрация обозначается словом «Рис.», которое помещают после поясняющих данных. Между номером иллюстрации и дальнейшим текстом должен быть дополнительный отступ (задается в меню Формат | Абзац | Интервал | после 6 пт
).
Иллюстрацию следует выполнять на одной странице. Если иллюстрация не умещается на одной странице, можно переносить ее на другие страницы, при этом название иллюстрации помещают на первой странице, поясняющие данные – на каждой странице и под ними указывают номер рисунка и номер листа, например: «Рис.1.5, лист 1.», «Рис.1.5, лист 2.».
3.9. Оформление блок-схем
Блок-схемы графически изображают алгоритм решения задачи. Основные графические символы и соотношения размеров сторон приведены в таблице [6,7].
Таблица
Основные графические символы
| Наименование
|
Обозначение и размеры
|
Функция
|
| 1
|
2
|
3
|
| 1. Процесс
|

|
Выполнение операций или группы операций, в результате которых изменяется значение, форма представления или расположение данных
|
| 2. Решение
|

|
Выбор направления выполнения алгоритма или программы в зависимости от некоторых переменных условий
|
| 3.Предопределенный процесс
|

|
Использование ранее созданных и отдельно описанных алгоритмов или программ (вызов процедуры)
|
| 4.Ввод-вывод
|

|
Преобразование данных в форму, пригодную для обработки (ввод) или отображения результатов обработки (вывод)
|
| 1
|
2
|
3
|
| 5. Ручная операция
|

|
Автономный процесс, выполняемый вручную или при помощи неавтоматически действующих средств
|
| 6. Ручной ввод
|

|
Ввод данных вручную при помощи неавтономных устройств с клавиатурой, набором переключателей, кнопок
|
| 7. Документ
|

|
Ввод-вывод данных, носителем которых служит бумага
|
| 8. Линия потока
|

|
Указание последовательности между символами
|
| 9. Соединитель
|

|
Указание связи между прерванными линиями потока, связывающими символами
|
| 10. Пуск - останов
|

|
Начало, конец, прерывание процесса обработки данных или выполнения программы
|
| 11. Комментарий
|

|
Связь между элементом схемы и пояснением
|
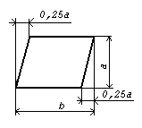
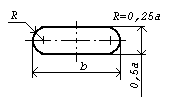
Размер a
должен выбираться из ряда 10, 15, 20 мм. Допускается увеличивать размер a
на число, кратное 5. Размер b
равен 1,5a
. На отдельной блок-схеме размеры a
и b
должны быть фиксированными.
Линии потока должны быть параллельны и перпендикулярны сторонам листа. Располагать их под иным углом не допускается.
Направления линии потока сверху вниз и слева направо принимают за основные и, если линии потока не имеют изломов, стрелками можно не обозначать. В остальных случаях направление линии потока обозначать стрелкой обязательно.
Примеры блок-схем приведены на рис.6.
Примеры блок-схем
Рис. 6.
3.10. Оформление таблиц
Таблицы используются для размещения цифрового или структурированного текстового материала. Таблицы должны располагаться после первой ссылки на них в тексте пояснительной записки.
Строятся таблицы в соответствии со схемой, приведенной на рис. 7.
Таблица должна состоять из:
1) номера таблицы;
2) названия таблицы;
3) таблицы.
При размещении таблиц на странице следует руководствоваться теми же правилами, что и для рисунков.
Номер следует размещать в правом верхнем углу над заголовком таблицы после слова «Таблица».

Рис. 7.
Заголовки граф и строк таблицы следует писать с прописной буквы, а подзаголовки граф - со строчной буквы, если они составляют одно предложение с заголовком, или с прописной буквы, если они имеют самостоятельное значение. В конце заголовков и подзаголовков таблиц точки не ставят. Заголовки и подзаголовки граф указывают в единственном числе.
Разделять заголовки и подзаголовки боковика и граф диагональными линиями не допускается.
Горизонтальные и вертикальные линии, разграничивающие строки таблицы, допускается не проводить, если их отсутствие не затрудняет пользование таблицей.
Заголовки граф, как правило, записывают параллельно строкам таблицы. При необходимости допускается перпендикулярное расположение заголовков граф.
Головка таблицы должна быть отделена линией от остальной части таблицы.
Таблицу следует располагать непосредственно после текста, в котором она упоминается впервые, или на следующей странице. На все таблицы должны быть ссылки в тексте пояснительной записки.
Если таблица продолжается на нескольких страницах, то на первой странице после шапки таблицы (строки с названиями столбцов) добавляется строка с номерами столбцов. На второй и последующих страницах должна быть надпись: «Продолжение табл.», оформленная так же, как номер таблицы (например: «Продолжение табл. 2.2»), а в продолжении таблицы первой ставится строка с номерами столбцов. Названия столбцов таблицы на последующих листах не пишутся.
Отдельная колонка (№ п/п), содержащая нумерацию строк, в таблицу включаться не должна. Нумерацию строк, при необходимости, проставляют в первом столбце таблицы, отделяя от текста точкой.
Числовые данные в колонках таблицы должны быть выровнены по десятичному разделителю.
Пример оформления таблицы см. рис. 1.
Текст, повторяющийся в строках одной и той же графы и состоящий из одиночных слов, чередующихся с цифрами, для сокращения заменяют кавычками ( ″ ). Если повторяющийся текст состоит из двух и более слов, при первом повторении его заменяют словами «То же», а далее – кавычками. Заменять кавычками повторяющиеся в таблице цифровые данные, математические знаки, знаки процента не допускается.
При отсутствии отдельных данных в таблице следует ставить прочерк (тире).
3.11. Оформление формул
Формулы должны быть напечатаны или вписаны в текст черной пастой (тушью).
Формулы на отдельной строке должны быть выровнены горизонтально по центру текстового поля. Номер формулы в круглых скобках центрируется вертикально относительно формулы и помещается у правой границы станицы.
Уравнения и формулы следует выделять из текста в отдельную строку. Между текстом и формулой на отдельной строке должен быть отступ 12 пт
. Если уравнение не умещается в одну строку, оно должно быть перенесено после знака равенства (=) или после знаков плюс (+), минус (-), умножения (×), деления (:), или других математических знаков. Причем знак должен присутствовать в конце строки и дублироваться в начале следующей строки.
Если в отчете только одна формула или уравнение, их не нумеруют.
Пояснения символов и числовых коэффициентов, входящих в формулу, если они не пояснены ранее в тексте, должны быть приведены непосредственно под формулой. Пояснения каждого символа следует давать с новой строки в той последовательности, в которой символы приведены в формуле. Первая строка пояснения должна начинаться со слова "где" без двоеточия после него.
Пример:
Плотность каждого образца ρ
, кг/м , вычисляют по формуле
где m
- масса образца, кг;
V
- объем образца, м .
Верхние (нижние) индексы в формулах должны быть смещены вверх (вниз) на величину 0.2¸0.3 и иметь размер 0.5¸0.6 относительно размера символа, к которому они приписаны. Например, A
i
j
.
Формулы, следующие одна за другой и не разделенные текстом, разделяют запятой.
3.12. Оформление ссылок
На каждый рисунок, таблицу, формулу, приложение и литературный источник в тексте пояснительной записки обязательно должна быть ссылка. Ссылки следует оформлять по следующим образцам:
· на формулу:
В выражении (5.1)... Решая систему уравнений (5.2)...
· на рисунок:
На рис. 4.1 изображено¼
В результате решения получим зависимость скорости от частоты (рис. 4.3)¼
· на таблицу:
В табл. 2.2 приведены данные¼
· на приложение:
Образец оформления дан в прил. 2 ¼
· на литературный источник:
… см. [2-4,7].
Повторные ссылки на рисунки, таблицы и приложения начинаются сокращением «см.» (например: см. рис. 4.3).
Список использованных источников
1. ГОСТ 7.32-91 Отчет о научно-исследовательской работе. Структура и правила оформления. — (Соотв. ИСО 5966-82). —Утв. 1980. . — (Система стандартов по информации, библиотечному и издательскому делу).
2. ГОСТ 7.12-93. Библиографическая запись. Сокращение слов на русском языке. Общие требования и правила. — (Соотв. ИСО 832-94) . — Взамен ГОСТ 7.12—77. — Утв. 1995. — (Система стандартов по информации, библиотечному и издательскому делу).
3. ГОСТ 2.105-95. Общие требования к текстовым документам. — Взамен ГОСТ 2.105-79, ГОСТ 2.906-71. — Утв. 1995. — (Единая система конструкторской документации)
4. ГОСТ 7.1-2003. Библиографическая запись. Библиографическое описание. Общие требования и правила составления. — Взамен ГОСТ 7.1—84, ГОСТ 7.16-79, ГОСТ 7.18-79, ГОСТ 7.34-81 и ГОСТ 7.40—82. — Утв. 2003. — (Система стандартов по информации, библиотечному и издательскому делу).
5. ГОСТ 7.83-2001. Электронные издания. Основные виды и выходные сведения. — Утв. 2001. — (Система стандартов по информации, библиотечному и издательскому делу).
6. ГОСТ 19.002-80. Схемы алгоритмов и программ. Правила выполнения. — Взамен ГОСТ 19427—74. — Утв. 1980. — (Единая система программной документации).
7. ГОСТ 19.003-80. Схемы алгоритмов и программ. Обозначения условные графические. — Взамен ГОСТ 19428—74. — Утв. 1980. — (Единая система программной документации).
ПРИЛОЖЕНИЕ 1
оБРАЗЕЦ ОФОРМЛЕНИЯ ТИТУЛЬНОГО ЛИСТА

ПРИЛОЖЕНИЕ 2
оБРАЗЕЦ ОФОРМЛЕНИЯ содержания
СОДЕРЖАНИЕ
| Введение . . . . . . . . . . . . . . . . . . . . . . . . . . . . . . . . . . . . . .
|
3
|
| 1. название первой главы. . . . . . . . . . . . . . . . . . . . . . . . .
|
4
|
| 2. название второй главы. . . . . . . . . . . . . . . . . . . . . . . . .
|
9
|
| 2.1. Название первого пункта в главе. . . . . . . . . . . . . . . . . . . . .
|
9
|
| 2.1.1. Название первого подпункта . . . . . . . . . . . . . . . . . . .
|
11
|
| 2.1.2. Название второго подпункта . . . . . . . . . . . . . . . . . . .
|
11
|
| 2.2. Название второго пункта в главе... . . . . . . . . . . . . . . . . . . .
|
13
|
| .
|
| Заключение. . . . . . . . . . . . . . . . . . . . . . . . . . . . . . . . . . . .
|
30
|
| список использованных источников. . . . . . . . . . . . . . .
|
32
|
| приложение 1.
Заголовок приложения 1 . . . . . . . . . . . . . . .
|
33
|
| приложение 2.
Заголовок приложения 2 . . . . . . . . . . . . . .
|
34
|
|