| КУРСОВАЯ РАБОТА
по дисциплине «Электромагнитные переходные процессы
в СЭС»
Тематика курсовой работы связана с расчетом электромагнитных переходных процессов в электрических системах. Целью работы является усвоение студентами практических методов расчета основных параметров тока и остаточных напряжений при симметричном и несимметричных к.з.
Задания 1 и 2 связаны между собой единой схемой энергосистемы и исходными данными. Исходные данные представлены принципиальными схемами энергосистем и параметрами электрооборудования.
ЗАДАНИЕ 1
РАСЧЕТ ТРЕХФАЗНОГО КОРОТКОГО ЗАМЫКАНИЯ В СЛОЖНОЙ ЭЛЕКТРИЧЕСКОЙ СИСТЕМЕ
Для электрической системы, упрощенная принципиальная схема которой приведена на одном из рис. 1-3, выполнить расчет трехфазного к.з. в указанной точке.
При расчете определить:
· , - действующие значения периодической слагающей тока к.з. в точке к.з. и протекающего через выключатель с тем же номером, что и номер точки к.з., соответственно для c;
· - ударные токи к.з., соответствующие ;
· распределение периодических слагаемых токов по ветвям схемы (кА) и остаточных линейных напряжений (кВ) в ее узлах для начального момента времени.
Примечание: для точек к.з., имеющих двухстороннюю подпитку, ориентироваться на большую величину периодической слагаемой тока через выключатель.
Сопротивление системы до шин 220 кВ определяется по мощности трехфазного к.з.
МЕТОДИЧЕСКИЕ УКАЗАНИЯ
1. Расчеты токов к.з. рекомендуется выполнить при приближенном учете коэффициентов трансформации. Систему измерения величин (именованную или относительную) студент выбирает самостоятельно.
2. При расчете режима к.з. влиянием обобщенной нагрузки Н1, Н2 пренебречь; влияние синхронного и асинхронного двигателей учесть, если они электрически связаны со ступенью к.з. При расположении этих двигателей за одной или двумя ступенями трансформации от узла к.з. их влиянием можно пренебречь.
3. Исходный режим работы электрической системы – номинальный.
4. Конечные результаты расчета должны быть определены в именованных единицах на соответствующих ступенях напряжения.
ЗАДАНИЕ 2
РАСЧЕТ НЕСИММЕТРИЧНОГО КОРОТКОГО ЗАМЫКАНИЯ
В СЛОЖНОЙ ЭЛЕКТРИЧЕСКОЙ СИСТЕМЕ
Забиваем Сайты В ТОП КУВАЛДОЙ - Уникальные возможности от SeoHammer
Каждая ссылка анализируется по трем пакетам оценки: SEO, Трафик и SMM.
SeoHammer делает продвижение сайта прозрачным и простым занятием.
Ссылки, вечные ссылки, статьи, упоминания, пресс-релизы - используйте по максимуму потенциал SeoHammer для продвижения вашего сайта.
Что умеет делать SeoHammer
— Продвижение в один клик, интеллектуальный подбор запросов, покупка самых лучших ссылок с высокой степенью качества у лучших бирж ссылок.
— Регулярная проверка качества ссылок по более чем 100 показателям и ежедневный пересчет показателей качества проекта.
— Все известные форматы ссылок: арендные ссылки, вечные ссылки, публикации (упоминания, мнения, отзывы, статьи, пресс-релизы).
— SeoHammer покажет, где рост или падение, а также запросы, на которые нужно обратить внимание.
SeoHammer еще предоставляет технологию Буст, она ускоряет продвижение в десятки раз,
а первые результаты появляются уже в течение первых 7 дней.
Зарегистрироваться и Начать продвижение
Для электрической системы выполнить в заданной точке расчет несимметричного короткого замыкания.
При расчете для момента определить:
· - действующее значение периодической составляющей тока к.з.;
· - ударный ток к.з.
МЕТОДИЧЕСКИЕ УКАЗАНИЯ
1. Для расчета несимметричных к.з использовать метод симметричных составляющих.
2. Сопротивление «системы» для обратной и нулевой последовательностей принять равным сопротивлению прямой последовательности.
3. Результирующее сопротивление схемы обратной последовательности относительно точки к.з. считать приближенно равным сопротивлению прямой последовательности.
4. Влиянием обобщенной нагрузки Н1, Н2 пренебречь; схемы обмоток трансформаторов и автотрансформаторов указаны на рисунках; конструктивное исполнение ВЛ указаны в исходных данных для ВЛ.
5. Конечные результаты расчетов должны быть определены в именованных единицах на соответствующих ступенях напряжения.
ИСХОДНЫЕ ДАННЫЕ ДЛЯ ЗАДАНИЙ 1, 2
ПАРАМЕТРЫ ТУРБОГЕНЕРАТОРОВ ТГ1-ТГ3
И ГИДРОГЕНЕРАТОРОВ ГГ1-ГГ4
| Схема 1
|
| №2
вар.
|
Турбогенераторы ТГ1 – ТГ3
|
| Тип
|
,
МВА
|
,
кВ
|
,
о.е.
|
,
кА
|
cos
|
| 0
|
Т-6-2
|
7,5
|
10,5
|
0,119
|
0,412
|
0,8
|
| 1
|
Т-12-2
|
15
|
10,5
|
0,131
|
0,825
|
0,8
|
| 2
|
ТВС-30
|
37,5
|
10,5
|
0,153
|
2,065
|
0,8
|
| 3
|
ТВФ-55-2
|
68,75
|
11,5
|
0,123
|
3,462
|
0,8
|
| 4
|
ТВФ-60-2
|
75
|
10,5
|
0,146
|
4,125
|
0,8
|
| 5
|
ТВФ-63-2
|
78,75
|
10,5
|
0,153
|
4,33
|
0,8
|
| 6
|
ТВФ-50
|
62,5
|
6,3
|
0,134
|
5,73
|
0,8
|
| 7
|
ТВФ-32-2У3
|
40
|
6,3
|
0,143
|
3,667
|
0,8
|
| 8
|
Т-6-2
|
7,5
|
6,3
|
0,121
|
0,688
|
0,8
|
| 9
|
Т-12-2
|
15
|
6,3
|
0,114
|
1,376
|
0,8
|
| Схема 2
|
| 0
|
Т-6-2
|
7,5
|
10,5
|
0,119
|
0,412
|
0,8
|
| 1
|
Т-12-2
|
15
|
10,5
|
0,131
|
0,825
|
0,8
|
| 2
|
Т-12-2
|
15
|
10,5
|
0,131
|
0,825
|
0,8
|
| 3
|
ТВС-30
|
37,5
|
10,5
|
0,153
|
2,065
|
0,8
|
| 4
|
ТВФ-32-2ЕУ3
|
40
|
10,5
|
0,153
|
2,2
|
0,8
|
| 5
|
ТВФ-55-2
|
68,75
|
11,5
|
0,123
|
3,462
|
0,8
|
| 6
|
Т-12-2
|
15
|
6,3
|
0,114
|
1,376
|
0,8
|
| 7
|
ТВС-30
|
37,5
|
6,3
|
0,143
|
3,44
|
0,8
|
| 8
|
ТВФ-32-2ЕУ3
|
40
|
6,3
|
0,143
|
3,667
|
0,8
|
| 9
|
ТВФ-50-2
|
62,5
|
6,3
|
0,133
|
5,73
|
0,8
|
| Схема 3
|
Гидрогенераторы ГГ1 – ГГ4
|
| 0
|
ВГС-325/89-14
|
12,5
|
10,5
|
0,22
|
0,687
|
0,8
|
| 1
|
ВГС-260/99-10
|
11,25
|
10,5
|
0,2
|
0,618
|
0,8
|
| 2
|
ВГС-440/120-20
|
27,5
|
10,5
|
0,21
|
1,512
|
0,8
|
| 3
|
ВГС-440/120-20
|
27,5
|
10,5
|
0,21
|
1,512
|
0,8
|
| 4
|
СВ-850/120-60
|
40
|
10,5
|
0,24
|
2,2
|
0,8
|
| 5
|
СВ-375/195-2УХЛ
|
47,5
|
10,5
|
0,12
|
2,612
|
0,8
|
| 6
|
ВГС-440/120-20
|
27,5
|
6,3
|
0,21
|
2,520
|
0,8
|
| 7
|
СВ-850/120-60
|
40
|
6,3
|
0,24
|
3,666
|
0,8
|
| 8
|
СВ-119/250-40
|
44
|
6,3
|
0,17
|
4,032
|
0,8
|
| 9
|
СВ-808/130-40У4
|
64,7
|
6,3
|
0,22
|
5,929
|
0,85
|
ПАРАМЕТРЫ РЕАКТОРОВ И СИСТЕМЫ
| Схемы 1, 2, 3
|
| №2 вари-анта
|
Реакторы СР, ЛР
|
Система
|
| Тип
|
,
кВ
|
,
Ом
|
,
кВ
|

МВА
|
| 0
|
РБГ-10-2500-0,14
|
10
|
0,14
|
220
|
2500
|
| 1
|
РБДУ-10-2500-0,2
|
10
|
0,2
|
228
|
2400
|
| 2
|
РБД-10-2500-0,25
|
10
|
0,25
|
230
|
2300
|
| 3
|
РБГД-10-2500-0,35
|
10
|
0,35
|
218
|
2200
|
| 4
|
РБУ-10-1600-0,25
|
10
|
0,25
|
225
|
2100
|
| 5
|
РБГ-10-1600-0,35
|
10
|
0,35
|
215
|
2600
|
| 6
|
РБГ-10-2500-0,2
|
10
|
0,2
|
226
|
2550
|
| 7
|
РБУ-10-1000-0,45
|
10
|
0,45
|
232
|
2650
|
| 8
|
РБУ-10-1000-0,28
|
10
|
0,28
|
222
|
2750
|
| 9
|
РБД-10-2500-0,2
|
10
|
0,2
|
232
|
2350
|
ПАРАМЕТРЫ ТРАНСФОРМАТОРОВ Т1, Т2
| Схема 1
Сервис онлайн-записи на собственном Telegram-боте
Попробуйте сервис онлайн-записи VisitTime на основе вашего собственного Telegram-бота:
— Разгрузит мастера, специалиста или компанию;
— Позволит гибко управлять расписанием и загрузкой;
— Разошлет оповещения о новых услугах или акциях;
— Позволит принять оплату на карту/кошелек/счет;
— Позволит записываться на групповые и персональные посещения;
— Поможет получить от клиента отзывы о визите к вам;
— Включает в себя сервис чаевых.
Для новых пользователей первый месяц бесплатно.
Зарегистрироваться в сервисе
|
| № 2 вари-анта
|
Трансформаторы Т1, Т2
(двухобмоточные)
|
| Тип
|
, МВА
|
,
кВ
|
,
кВ
|
, %
|
| 0
|
ТДН-16000/115
|
16
|
115
|
11
|
10,5
|
| 1
|
ТДН-32000/115
|
32
|
115
|
11
|
10,5
|
| 2
|
ТДЦН-80000/115
|
80
|
115
|
11
|
10,5
|
| 3
|
ТДЦН-125000/121
|
125
|
121
|
10,5
|
10,5
|
| 4
|
ТДЦН-200000/121
|
200
|
121
|
11
|
10,5
|
| 5
|
ТДЦН-200000/121
|
200
|
121
|
11
|
10,5
|
| 6
|
ТДЦН-125000/115
|
125
|
115
|
6,3
|
10,5
|
| 7
|
ТДЦН-80000/115
|
80
|
115
|
6,3
|
10,5
|
| 8
|
ТДН-16000/115
|
16
|
115
|
6,3
|
10,5
|
| 9
|
ТДН-32000/115
|
32
|
115
|
6,3
|
10,5
|
| Схема 2
|
| № 2 вари-анта
|
Трансформаторы Т1, Т2
(трехобмоточные)
|
| Тип
|
, МВА
|
U
, кВ
|
, %
|
| вн
|
сн
|
нн
|
в-с
|
в-н
|
с-н
|
| 0
|
ТДТН-16000/115
|
16
|
115
|
38,5
|
11
|
10,5
|
17
|
6
|
| 1
|
ТДТН-25000/115
|
25
|
115
|
38,5
|
11
|
10,5
|
17
|
6
|
| 2
|
ТДТН-40000/115
|
40
|
115
|
38,5
|
11
|
10,5
|
17
|
6
|
| 3
|
ТДТН-63000/115
|
63
|
115
|
38,5
|
11
|
10,5
|
17
|
6,5
|
| 4
|
ТДТН-80000/115
|
80
|
115
|
38,5
|
11
|
10,5
|
17
|
6,5
|
| 5
|
ТДТН-125000/115
|
125
|
115
|
38,5
|
11
|
10,5
|
17
|
6,5
|
| 6
|
ТДТН-40000/115
|
40
|
115
|
38,5
|
6,3
|
10,5
|
17
|
6,5
|
| 7
|
ТДТН-63000/115
|
63
|
115
|
38,5
|
6,3
|
10,5
|
17
|
6,5
|
| 8
|
ТДТН-80000/115
|
80
|
115
|
38,5
|
6,3
|
10,5
|
17
|
6,5
|
| 9
|
ТДТН-125000/115
|
125
|
115
|
38,5
|
6,3
|
10,5
|
17
|
6,5
|
| Схема 3
|
| №2 вари-анта
|
Трансформаторы Т1, Т2 (с расщепленной обмоткой)
|
| Тип
|
,
МВА
|
,
кВ
|
,
кВ
|
, %
|
| 0
|
ТРДН-25000/115
|
25
|
115
|
10,5-10,5
|
10,5
|
| 1
|
ТРДН-32000/115
|
32
|
115
|
10,5-10,5
|
10,5
|
| 2
|
ТРДН-40000/115
|
40
|
115
|
10,5-10,5
|
10,5
|
| 3
|
ТРДН-63000/115
|
63
|
115
|
10,5-10,5
|
10,5
|
| 4
|
ТРДН-80000/115
|
80
|
115
|
10,5-10,5
|
10,5
|
| 5
|
ТРДН-125000/115
|
125
|
115
|
10,5-10,5
|
10,5
|
| 6
|
ТРДН-40000/115
|
40
|
115
|
6,3- 6,3
|
10,5
|
| 7
|
ТРДН-63000/115
|
63
|
115
|
6,3- 6,3
|
10,5
|
| 8
|
ТРДН-80000/115
|
80
|
115
|
6,3- 6,3
|
10,5
|
| 9
|
ТРДН-125000/115
|
125
|
115
|
6,3- 6,3
|
10,5
|
ПАРАМЕТРЫ АВТОТР
АНСФОРМАТОРОВ АТ4, АТ5
| Схемы 1, 2, 3
|
| №2 вари-анта
|
Тип
|
,
МВА
|
U
, кВ
|
, %
|
| вн
|
сн
|
нн
|
в-с
|
в-н
|
с-н
|
| 0
|
АТДТН-32000/230
|
32
|
230
|
121
|
11
|
11
|
34
|
21
|
| 1
|
АТДЦТН-63000/230
|
63
|
230
|
121
|
11
|
11
|
35
|
22
|
| 2
|
АТДЦТН-100000/230
|
100
|
230
|
121
|
11
|
11
|
31
|
19
|
| 3
|
АТДЦТН-125000/230
|
125
|
230
|
121
|
11
|
11
|
31
|
19
|
| 4
|
АТДЦТН-160000/230
|
160
|
230
|
121
|
11
|
11
|
32
|
20
|
| 5
|
АТДЦТН-200000/230
|
200
|
230
|
121
|
11
|
11
|
32
|
20
|
| 6
|
АТДЦТН-250000/230
|
250
|
230
|
121
|
11
|
11
|
32
|
20
|
| 7
|
АТДЦТН-63000/230
|
63
|
230
|
121
|
6,6
|
11
|
35
|
22
|
| 8
|
АТДЦТН-100000/230
|
100
|
230
|
121
|
6,6
|
11
|
31
|
19
|
| 9
|
АТДЦТН-125000/230
|
125
|
230
|
121
|
6,6
|
11
|
31
|
19
|
ПАРАМЕТРЫ ТРАНСФОРМАТОРОВ Т3
| Схемы 1, 3
|
| № 2 вари-анта
|
Тип
|
, МВА
|
,
кВ
|
,
кВ
|
, %
|
| 0
|
ТМН-2500/110
|
2,5
|
110
|
11
|
10,5
|
| 1
|
ТМН-6300/115
|
6,3
|
115
|
11
|
10,5
|
| 2
|
ТДН-10000/115
|
10
|
115
|
11
|
10,5
|
| 3
|
ТДН-16000/115
|
16
|
115
|
11
|
10,5
|
| 4
|
ТМН-2500/110
|
2,5
|
110
|
6,6
|
10,5
|
| 5
|
ТМН-6300/115
|
6,3
|
115
|
6,6
|
10,5
|
| 6
|
ТДН-10000/115
|
10
|
115
|
6,6
|
10,5
|
| 7
|
ТМН-2500/110
|
2,5
|
110
|
11
|
10,5
|
| 8
|
ТМН-6300/115
|
6,3
|
115
|
11
|
10,5
|
| 9
|
ТДН-10000/115
|
10
|
115
|
11
|
10,5
|
| Схема 2
|
| №2 вари-анта
|
Тип
|
, МВА
|
,
кВ
|
,
кВ
|
, %
|
| 0
|
ТМ-2500/35
|
2,5
|
35
|
10,5
|
6,5
|
| 1
|
ТМ-4000/35
|
4,0
|
35
|
10,5
|
7,5
|
| 2
|
ТМ-6300/35
|
6,3
|
35
|
10,5
|
7,5
|
| 3
|
ТД-10000/38,5
|
10,0
|
38,5
|
10,5
|
7,5
|
| 4
|
ТМ-2500/35
|
2,5
|
35
|
6,3
|
6,5
|
| 5
|
ТМ-6300/35
|
6,3
|
35
|
6,3
|
7,5
|
| 6
|
ТМ-10000/35
|
10,0
|
35
|
6,3
|
7,5
|
| 7
|
ТД-10000/38,5
|
10,0
|
38,5
|
11
|
7,5
|
| 8
|
ТМ-4000/35
|
4,0
|
35
|
11
|
7,5
|
| 9
|
ТМ-6300/35
|
6,3
|
35
|
11
|
7,5
|
ПАРАМЕТРЫ СИНХРОННЫХ ДВИГАТЕЛЕЙ СД-1
(режим перевозбуждения)
| Схемы 1, 2, 3
|
| №2 вари-анта
|
Тип
|
,
МВА
|
,
кВ
|
,
о.е.
|
,
кА
|
cos
|
| 0
|
СДН-16-69-6
|
3,71
|
10
|
5,4
|
0,214
|
0,87
|
| 1
|
СДН-16-84-6
|
4,61
|
10
|
5,8
|
0,266
|
0,87
|
| 2
|
СДН-16-104-6
|
5,75
|
10
|
7,1
|
0,332
|
0,87
|
| 3
|
СДН-17-94-8
|
7,25
|
10
|
6,8
|
0,418
|
0,87
|
| 4
|
СДН-18-111-12
|
9,18
|
10
|
5,9
|
0,53
|
0,87
|
| 5
|
СТМ-6000-2
|
5,55
|
10
|
10,1
|
0,32
|
0,9
|
| 6
|
СТД-4000-2
|
4,5
|
6
|
6,7
|
0,438
|
0,89
|
| 7
|
СТД-5000-2
|
5,74
|
6
|
7,2
|
0,553
|
0,87
|
| 8
|
СТД-6300-2
|
7,23
|
6
|
6,3
|
0,696
|
0,87
|
| 9
|
СТД-8000-2
|
9,13
|
6
|
7,0
|
0,88
|
0,87
|
ПАРАМЕТРЫ АСИНХРОННЫХ ДВИГАТЕЛЕЙ АД-2
| Схемы 1, 2, 3
|
| №2 вари-анта
|
Тип
|
,
МВА
|
,
кВ
|
,
о.е.
|
,
кА
|
cos
|
| 0
|
ВА02-630 L-4
|
1,77
|
10
|
6,5
|
0,102
|
0,9
|
| 1
|
ВА02-630 L-4
|
2,22
|
10
|
6,0
|
0,128
|
0,9
|
| 2
|
ВА02-630 М-6
|
1,39
|
10
|
5,9
|
0,080
|
0,9
|
| 3
|
АТД-3200
|
3,55
|
10
|
6,4
|
0,205
|
0,9
|
| 4
|
АТД-2000
|
2,22
|
6
|
5,5
|
0,214
|
0,9
|
| 5
|
АТД-4000
|
4,4
|
6
|
6,3
|
0,423
|
0,91
|
| 6
|
АТД-5000
|
5,46
|
6
|
5,6
|
0,525
|
0,915
|
| 7
|
ВА02-630 L-4
|
1,77
|
10
|
6,5
|
0,102
|
0,9
|
| 8
|
ВА02-630 L-4
|
2,22
|
10
|
6,0
|
0,128
|
0,9
|
| 9
|
АТД-3200
|
3,55
|
10
|
6,4
|
0,205
|
0,9
|
ПАРАМЕТРЫ НАГРУЗОК И ВОЗДУШНЫХ ЛЭП
| Схемы 1, 2, 3
|
| №2 варианта
|
Нагрузка, МВА
|
Длина ЛЭП, км
|
| Н1
|
Н2
|
Л1
|
Л2
|
Л3
|
Л4
|
Л5
|
| 0
|
3,0
|
10
|
30
|
20
|
15
|
40
|
15
|
| 1
|
10
|
15
|
25
|
50
|
30
|
60
|
20
|
| 2
|
10
|
25
|
35
|
45
|
35
|
80
|
10
|
| 3
|
30
|
40
|
40
|
55
|
25
|
90
|
25
|
| 4
|
30
|
60
|
45
|
35
|
20
|
40
|
35
|
| 5
|
60
|
80
|
15
|
45
|
25
|
60
|
20
|
| 6
|
10
|
30
|
45
|
45
|
30
|
70
|
15
|
| 7
|
30
|
70
|
50
|
20
|
20
|
80
|
25
|
| 8
|
0
|
15
|
60
|
30
|
40
|
90
|
10
|
| 9
|
5
|
30
|
35
|
45
|
25
|
70
|
30
|
Примечание
Все ЛЭП-110 кВ выполнены проводом АС-240 (х
= 0,4 Ом/км);
ЛЭП-35 кВ выполнены проводом АС-120 (х
= 0,4 Ом/км).
Исполнение линий: Л1, Л2, Л3 – одноцепные со стальным тросом;
Л4 – двухцепная с хорошо проводящим тросом;
Л5 – одноцепная без троса.
РАСЧЕТ РЕЖИМА ТРЕХФАЗНОГО КОРОТКОГО ЗАМЫКАНИЯ В СЛОЖНОЙ ЭЛЕКТРИЧЕСКОЙ СЕТИ
При расчетах тока к.з. в сложных электрических сетях напряжением выше 1 кВ и в соответствии с ГОСТ 27514-87 «Короткие замыкания в электроустановках. Методы расчета в электроустановках переменного тока напряжением свыше 1 кВ» принимается ряд упрощений.
1. Рассматриваемая энергосистема строго симметрична при трехфазном коротком замыкании.
2. Не учитывается намагничивающий ток трансформаторов и автотрансформаторов. Не учитывается насыщение магнитной системы указанных элементов, что позволяет считать их сопротивления постоянными.
3. Не учитываются активные сопротивления элементов энергосистемы.
4. Для воздушных линий напряжением до 220 кВ включительно не учитывается емкостная проводимость; для кабельных линий емкостная проводимость учитывается, начиная с напряжения 35 кВ и выше.
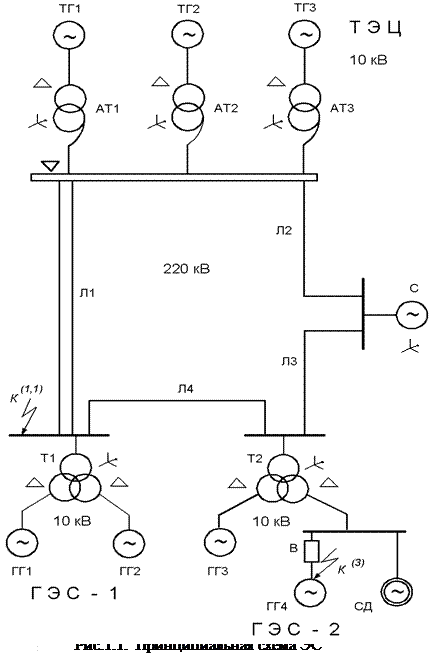
ПРИМЕР 1
Для электрической схемы, представленной на рис. 1.1, произвести расчет режима трехфазного к.з. в точке
.
При расчете определить:
· , - действующие значения периодической слагающей тока к.з. в точке к.з. и протекающего через выключатель с тем же номером, что и номер точки к.з., соответственно для
· - ударные токи к.з., соответствующие ;
· распределение периодических слагаемых токов по ветвям схемы (кА) и остаточных линейных напряжений (кВ) в ее узлах для начального момента времени.
Примечание: поскольку точка к.з., имеет двухстороннюю подпитку, ориентируемся на большую величину периодической слагаемой тока через выключатель.
ИСХОДНЫЕ ПАРАМЕТРЫ ОБОРУДОВАНИЯ
Турбогенераторы ТГ1 - ТГ3
Автотрансформаторы АТ1 - АТ3
ТВФ-120-2У3; АТДЦТН-200000/220/110/10;
=125 МВА; =200 МВА;
=10,5 кВ; =230 кВ; =121 кВ;
=6,875 кА;
=10,5 кВ;
=0,192 о.е.; =11%; =32%;
cos
=0,8. =20%.
Гидрогенераторы ГГ-1 – ГГ4
Трансформаторы Т1-Т2
СВ–800/105-60; ТРДН–63000/220;
=30 МВА; =63 МВА;
=10,5 кВ; =230 кВ;
=1,655 кА;
=11 кВ;
=0,2 о.е.; =11,5%.
cos
=0,85.
Синхронный двигатель СД
Система
СДН-18-71-12; =2500 МВА;
=5,77 МВА; =230 кВ.
=10 кВ; ЛЭП
=0,333 кА; Л1 – 120 км; Л2, Л3 – 75 км;
=5,9 о.е.; Л4 – 30 км;
cos
=0,87. =0,4 Ом/км.
РАСЧЕТ
Расчет проведем в системе относительных единиц (о.е.) при приближенном учете коэффициентов трансформации.
ПРИНИМАЕМ БАЗИСНЫЕ ЕДИНИЦЫ:
=1000 МВА; =10,5 кВ на ступенях схемы с =10 кВ;
=230 кВ на ступенях схемы с =220 кВ;
= =54,985 кА;
= =2,51 кА.
РАСЧЕТ ПАРАМЕТРОВ СХЕМЫ ЗАМЕЩЕНИЯ
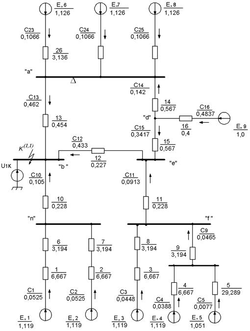
Схема замещения со значениями реактивных составляющих, сопротивлений элементов и сверхпереходных ЭДС источников питания в о.е. приведена на рис.1.2.
Рис.1.2. Исходная схема замещения: «a», «b», «d», «e», «n», «f» - узлы схемы
При определении сверхпереходных ЭДС (
)
источников конечной мощности допускается использовать их приближенные значения.
1. Турбогенераторы ТГ1 - ТГ3
;
; ;
=
= .
2. Автотрансформаторы АТ1-АТ3
=
= ;
=
= . .
3. Гидрогенераторы ГГ1-ГГ4
;
; ;

4. Трансформаторы Т1, Т2 с расщепленной обмоткой
;
где = 3,5;
   .
5. Синхронный двигатель (режим перевозбуждения)
относительное номинальное значение;
;
; ;
.
Примечание. Для асинхронного двигателя, учитываемого в расчете токов режима к.з., сверхпереходных ЭДС рассчитывается по выражению
,
где - соответственно номинальное напряжение, номинальный ток и сверхпереходных реактивность, выраженные в о.е. при принятых базисных условиях на ступени подключения асинхронного двигателя. Рассчитываются аналогично приведенному примеру для синхронного двигателя (СД). Представленная формула справедлива и для СД, работающего в режиме недовозбуждения. Для указанных двигателей .
6. Система
;
.
7. Воздушные линии
;
; .
ПРЕОБРАЗОВАНИЕ СХЕМЫ ЗАМЕЩЕНИЯ
Схема замещения преобразуется до эквивалентной ветви относительно точки к.з. с результирующим значением ЭДС ( ) и сопротивлением ( ). Используемые приемы преобразования, как правило, основываются на последовательном, параллельном сложении элементов схемы, взаимном эквивалентном преобразованиях «звезды» и «треугольника» сопротивлений; разрезании схемы по вершине приложенной ЭДС. Основные формулы, реализующие эти приемы, приведены в табл.1.3.
Этапы преобразования схемы замещения.
1.
Упрощение схемы ТЭЦ относительно узла « а »
;
используя симметрию схемы ТЭЦ, находим эквивалентную ветвь схемы ТЭЦ относительно узла «а»:
; .
2. Упрощение схемы ГЭС-1 относительно узла « b »:
; .
3. Эквивалентная ветвь ГГ3 (ГЭС-2) относительно узла « f »:
; .
4. Преобразование фрагмента схемы ЛЭП - “система”, окаймленного узлами «а», «b», «е», «d» (рис.1.3).
«Звезду» сопротивлений с элементами 14, 15, 16 заменяем эквивалентным «треугольником» сопротивлений с элементами 30, 31, 32 и последующим рассечением по вершине ЭДС , которая будет приложена к ветвям с элементами 30, 31:
;
.
Рис. 1.3. Преобразование фрагмента схемы
«Треугольник» сопротивлений с элементами 13, 32, 12 заменяем «звездой» сопротивлений с элементами 33, 34, 35:
; ; .
5. Расчет и относительно узла к.з.
В результате предшествующих преобразований схема приобретает сложно-радиальный вид (рис.1.4).
В процессе преобразования в направлении от наиболее удаленных источников к точке к.з. находим параметры эквивалентных ветвей относительно узлов схемы, фиксируя результаты, которые необходимы в последующем для расчета коэффициентов токораспределения. Результат расчетов дает:
· относительно узла «m»:
;
;
; ;
· относительно узла «е»:
, где // - символ параллельного сложения;
;
; ;
· относительно узла «f»:
;
;
; ;
· относительно узла «k» имеем три ветви (рис. П 1.5, а):
; ;
; ;
; .
Результирующие параметры схемы замещения (рис.1.5, б):
; ;
; .
Периодическая слагаемая тока к.з. (действующее значение)
;
Рис.1.5. Этапы преобразования схемы замещения
РАСЧЕТ КОЭФФИЦИЕНТОВ ТОКОРАСПРЕДЕЛЕНИЯ
Коэффициент токораспределения ветви C
i
численно равен току, протекающему по этой ветви I
i
при условии, что суммарный ток в месте к.з. принят за единицу, т.е. . Расчет коэффициентов C
i
основан на законах Кирхгофа.
1. Расчет коэффициентов токораспределения ветвей (рис.1.5, 1.4):
· питающих узел «k»:
  

(проверка: );
· питающих узел «f»:
;

(проверка: );
· питающих узел «е»:
;

(проверка: );
· питающих узел «m»:
;
;
(проверка: );
· питающих узел «а»:
;
;
(проверка: ).
2. Расчет коэффициентов токораспределения ветвей фрагмента схемы, представленного на рис.1.3.
Для нахождения коэффициентов токораспределения в ветвях источников питания расчет коэффициентов «С
»
в ветвях указанного фрагмента схемы не требуется. Тем не менее мы этот расчет произведем. Во-первых, он иллюстрирует расчет коэффициентов «С
»
при взаимном переходе от «звезды» сопротивлений в «треугольник» и наоборот и, во-вторых, позволяет найти коэффициенты «С
»
, соответствующие исходной схеме.
На рис.1.3 стрелками указаны принятые положительные направления коэффициентов «С
».
Номера этих коэффициентов совпадают с номерами соответствующих сопротивлений ветвей.
Расчет коэффициентов «С
»
в D
сопротивлений 13, 12, 32, соответствующего «звезде» сопротивлений 33, 34, 35:
;
;
;
(проверка: ;
;
).
Расчет коэффициентов «С
»
в «звезде» сопротивлений 14, 15, 16, соответствующего D
сопротивлений 30, 31, 32:
;
;

(проверка: ).
3. Расчет коэффициентов токораспределения ветвей источников питания:
;
; ;
.
РАСЧЕТ ПАРАМЕТРОВ АВАРИЙНОГО РЕЖИМА ДЛЯ НАЧАЛЬНОГО МОМЕНТА ВРЕМЕНИ
1. ПАРАМЕТРЫ ТОКА К.З. В МЕСТЕ К.З.
Периодическая слагаемая тока к.з. в именованных единицах
кА.
Ударный ток к.з.
кА,
где показывает превышение ударного тока над амплитудой периодической составляющей; для рассматриваемого примера, принимаем единый , с для всех источников подпитки места к.з. (у синхронных двигателей величина ударного коэффициента примерно та же, что и у синхронных генераторов равновеликой мощности).
Если принять, что в рассматриваемой схеме вместо синхронного двигателя подключен асинхронный двигатель, то для тока, посылаемого АД, целесообразно принять свой ударный коэффициент . При выборе надо иметь в виду, что затухание периодической и апериодической слагающих посылаемого двигателем тока происходит практически одновременно (и примерно с одинаковыми постоянными времени), поэтому учитывается затухание обеих составляющих.
Значения существенно зависят от величины активной мощности двигателя (рис.1.6). Обычно принимается значение, соответствующее средней кривой рис.1.6. Для предполагаемого случая ударный ток к.з. следовало бы рассчитывать по выражению
,
где =1,8 – для асинхронных двигателей мощностью =5 МВТ;
=1,92 – для всех прочих источников.
Наибольшее действующее значение полного тока к.з.
кА
имеет место за первый период переходного процесса и соответствует времени =0,01 с, т.е. моменту наступления ударного тока.
Рис.1.6 Значения ударного коэффициента для асинхронных двигателей
2.
ПАРАМЕТРЫ ТОКА К.З., ПРОТЕКАЮЩЕГО ЧЕРЕЗ
ГЕНЕРАТОРНЫЙ ВЫКЛЮЧАТЕЛЬ
Ориентируясь на коэффициенты токораспределения, заметим, что максимальное значение тока, протекающего через выключатель, будет
иметь место при к.з. на клеммах ГГ4, т.е. когда через выключатель протекают токи всех источников, за исключением тока собственно от ГГ4.
Действующее значение периодической слагаемой тока к.з., протекающего через выключатель,
кА.
Ударный ток, действующий на выключатель,
кА.
3.
ПЕРИОДИЧЕСКИЕ СЛАГАЕМЫЕ ТОКОВ ИСТОЧНИКОВ ПИТАНИЯ, ПРИВЕДЕННЫЕ К СТУПЕНЯМ НАПРЯЖЕНИЯ ЭТИХ ИСТОЧНИКОВ
Периодическая слагаемая тока, приведенная к U
б
i
в любой ветви ( )
схемы, определяется по выражению
.
По результатам расчета для с имеем:
(токи приведены к источников)
· генератор ТЭЦ (ТГ1-ТГ3) =2,412 кА;
· генератор ГЭС-1 (ГГ1, ГГ2) =0,947 кА;
· генератор ГЭС-2 (ГГ3) =1,478 кА;
· генератор ГЭС-2 (ГГ4) =9,233 кА;
· синхронный двигатель = 1,997 кА;
· система =0,186 кА.
Пояснения. Поскольку базисные напряжения ступеней присоединения всех источников питания, за исключением системы, и базисное напряжение ступени к.з. одинаковы (10,5 кВ), то представленные выше значения токов источников (за исключением системы) справедливы и для ступени к.з.
Поскольку ГГ4 и СД связаны с точкой к.з. непосредственно, то их ветви можно было бы не включать в и и не рассчитывать для них коэффициенты токораспределения. Посылаемые этими источниками токи можно рассчитать по выражениям
кА;
кА.
Незначительные расхождения с ранее полученными значениями обусловлены округлениями вычислительных действий.
Следует обратить внимание на то, что, благодаря электрической близости СД к месту к.з. и его относительно большой мощности, посылаемый им ток составляет 7,7% от общего тока к.з. ( ), что больше тока подпитки от ГГ3, составляющего 5%, и токов от генераторов ГЭС-1, составляющих 6% общего тока к.з.
4.
РАСЧЕТ ОСТАТОЧНЫХ НАПРЯЖЕНИЙ В УЗЛАХ СХЕМЫ ( с)
На высшей стороне трансформатора Т2 (узел «е»)


кВ.
На высшей стороне трансформатора Т1 (узел «b»)

кВ.
На шинах ГГ3
=
= кВ.
Рис.1.7. Остаточные линейные напряжения узлов, ЭДС источников и периодические слагающие тока ветвей в начальный момент времени к.з.
РАСЧЕТ РЕЖИМА НЕСИММЕТРИЧНОГО КОРОТКОГО ЗАМЫКАНИЯ В СЛОЖНОЙ ЭЛЕКТРИЧЕСКОЙ СЕТИ
ПРИМЕР 2
Для электрической схемы (рис.1.1) и исходных данных для примера 1 произвести расчет режима двухфазного короткого замыкания на землю в точке .
При расчете для момента определить:
· - действующее значение периодической составляющей тока к.з.;
· - ударный ток к.з.
РАСЧЕТ
В практических расчетах несимметричных режимов используются те же допущения, что и при анализе симметричного трехфазного к.з.
Расчет проведем в системе относительных единиц при тех же базисных условиях.
Независимо от вида несимметрии на первом этапе необходимо составить схемы замещения прямой, обратной и нулевой последовательностей и определить результирующие параметры относительно точки несимметрии.
СХЕМА ЗАМЕЩЕНИЯ ПРЯМОЙ ПОСЛЕДОВАТЕЛЬНОСТИ
Сопротивление элементов и ЭДС источников питания в о.е. для исходной схемы представлены на рис.1.2.
На первом этапе необходимо определить результирующее сопротивление и результирующую ЭДС относительно точки к.з. (узел «b»). В процессе упрощения схемы, как и ранее, сохраняем промежуточные результаты. В качестве исходной позиции принимаем схему (рис.1.4) и максимально используем ранее полученные результаты. По результатам расчета имеем:
· относительно узла «f»
// ; // ;
; ;
· относительно узла «е»
// ; // ;
; ;
· относительно узла «m»
// ; // ;
// ; ;
· относительно узла «b» (точка к.з.)
// ; // ;
; .
Рис.2.2. Схема замещения прямой последовательности электрической сети
Результирующие параметры схемы
// ; // .
Периодическая слагаемая трехфазного тока к.з.
;
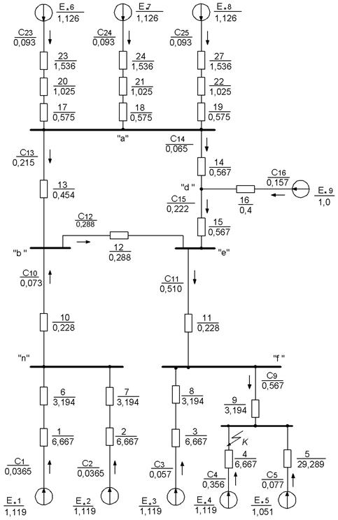
СХЕМА ЗАМЕЩЕНИЯ ОБРАТНОЙ ПОСЛЕДОВАТЕЛЬНОСТИ
Схема обратной последовательности по структуре полностью совпадает со схемой прямой последовательности. Отличие схемы обратной последовательности состоит в том, что в ней ЭДС всех генерирующих источников питания принимаются равными нулю, а в месте короткого замыкания приложено напряжение обратной последовательности . Кроме того, для генераторов сопротивление обратной последовательности ; для всех прочих элементов сопротивление обратной и прямой последовательностей одинаковы. В практических расчетах можно принимать В силу этого допущения имеем .
СХЕМА ЗАМЕЩЕНИЯ НУЛЕВОЙ ПОСЛЕДОВАТЕЛЬНОСТИ
Схема нулевой последовательности существенно отличается от схемы прямой последовательности и в значительной мере определяется соединением обмоток трансформаторов. Началом схемы нулевой последовательности считают точку, в которой объединены ветви с нулевым потенциалом, а ее концом – место к.з., в котором приложено .
Для рассматриваемого примера схема нулевой последовательности представлена на рис.2.3. В нее входят все ВЛ-220 кВ, автотрансформаторы АТ-1 – АТ-3 обмотками высокого и низкого напряжений (обмотки среднего напряжения «звезда с нулем» находятся на холостом ходу и током не обтекаются), трансформаторы Т1, Т2 всеми тремя обмотками и «система». Для автотрансформаторов (АТ-1 – АТ3), трансформаторов (Т1, Т2) и «системы» сопротивления нулевой последовательности равны сопротивлениям прямой последовательности.
Сопротивление нулевой последовательности ЛЭП существенно больше сопротивления прямой последовательности.
В упрощенных практических расчетах сопротивление нулевой последовательности ( ) воздушных линий электропередач допускается определять через коэффициент , значение которого зависит от конструктивного исполнения ЛЭП. Приближенные значения коэффициентов приведены в табл.2.1.
Таблица 2.1
| Исполнение воздушной линии электропередачи
|

|
| Одноцепная линия без троса
|
3,5
|
| Одноцепная линия со стальным тросом
|
3,0
|
| Одноцепная линия с хорошо проводящим тросом
|
2,0
|
| Двухцепная линия без троса
|
5,5
|
| Двухцепная линия со стальным тросом
|
4,7
|
| Двухцепная линия с хорошо проводящим тросом
|
3,0
|
Примем следующие конструктивные исполнения ВЛ:
Л1 - двухцепная с хорошо проводящим тросом;
Л2, Л3 - одноцепные со стальным тросом;
Л4 - одноцепная без троса.
В соответствии с этим и данными табл.2.1 имеем следующие значения сопротивлений нулевой последовательности ВЛ:
; ;
.
Преобразование схемы и расчет
В силу значительной аналогии процесса упрощения схемы прямой и нулевой последовательностей мы приведем его в сокращенной форме.
По данным рис.2.3 находим эквиваленты:
· относительно узла «а»
;
· относительно узла «k» («b»)
// ;
· относительно узла «e»
.
Рис. 2.3. Схема замещения нулевой последовательности электрической сети
· относительно узла «k» («b»)
// ;
· относительно узла «e»
.
Преобразование фрагмента схемы ЛЭП-С, окаймленного узлами «а», «b», «е», «d», «система», как и ранее, проведем в два этапа, используя рис.2.1.
На первом этапе «звезду» сопротивлений 14, 15, 16 (рис.2.1, б) заменяем сопротивлений
; ; .
И далее сопротивлений 12, 13, 32 (рис.2.1, а) заменяем «звездой» сопротивлений
; ; .
В результате проведенных преобразований схема имеет разомкнутую структуру (рис.2.4).
Завершающий этап преобразований по схеме (рис.2.4):
· относительно узла «m»
// ;
// ;
· относительно узла «k»
// .
Суммарный реактанс схемы нулевой последовательности
// .
Коэффициенты токораспределения преобразованной и исходной схем замещения представлены на рис. 2.4 и рис.2.3.
Рис. 2.4. Преобразованная схема замещения нулевой последовательности
РАСЧЕТ ПАРАМЕТРОВ АВАРИЙНОГО РЕЖИМА ДЛЯ
НАЧАЛЬНОГО МОМЕНТА ВРЕМЕНИ
Параметры режима несимметричного к.з в точке к.з.
Согласно методу симметричных составляющих, расчет несимметричных к.з. приводит к правилу эквивалентности тока прямой последовательности, в соответствии с которым ток прямой последовательности любого несимметричного к.з. в реальной точке «
»
численно равен току трехфазного к.з. в некоторой фиктивной точке, удаленной от реальной точки на дополнительный реактанс :
,
где для различных видов к.з. определяется по табл.2.2.
Таблица 2.2
ЗНАЧЕНИЯ ДОПОЛНИТЕЛЬНОГО СОПРОТИВЛЕНИЯ 
И КОЭФФИЦИЕНТА 
| Вид замыкания
|

|

|

|
| Трехфазное
|
3
|
0
|
1
|
| Двухфазное
|
2
|
 
|

|
| Однофазное
|
1
|

|
3
|
| Двухфазное на землю
|
1,1
|
//
|

|
Модуль периодической слагаемой тока поврежденной фазы (фаз) в точке любого (n) несимметричного к.з. определяется по выражению
,
где - коэффициент пропорциональности, зависит от вида к.з. согласно табл.2.2.
Отметим, что токи обратной ( ) и нулевой ( ) последовательностей по месту к.з. пропорциональны току прямой последовательности. Симметричные составляющие напряжения по месту к.з. определяются выражениями (см. табл.2.3)
; ; .
Проведем расчет интересующих параметров по месту .
Имеем: ; ; .
Примем фазу ЭДС 
Действующее значение периодической слагаемой тока прямой последовательности особой фазы А
,
где  // // 0,605 = 0,227.
Токи обратной и нулевой последовательностей
;
.
Модуль периодической слагаемой тока поврежденных фаз 
кА,
где .
Ударный ток к.з.
кА,
где ; .
|