| Московский государственный институт
электроники и математики
Кафедра ЭВА
Курсовая работа
по дисциплине «Моделирование»
Выполнила студентка гр. С-74:
Маняхина С.А.
Преподаватель
Гоманилова Н.Б.
Москва 2004
СОДЕРЖАНИЕ
- Техническое задание на курсовую работу -
- Анализ технического задания -
- Моделирование -
- Разработка теста -
- Выводы -
ТЕХНИЧЕСКОЕ ЗАДАНИЕ НА КУРСОВУЮ РАБОТУ
1. Провести моделирование и отладку заданной схемы.
2. Разработать обнаруживающий тест с использованием системы схемотехнического проектирования "Мозайка".
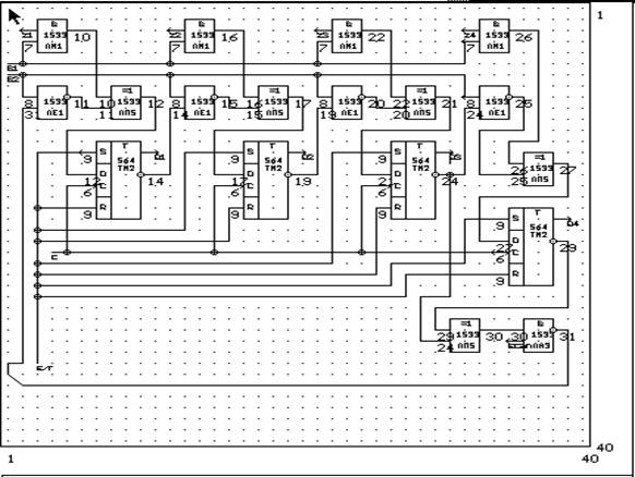
Заданная схема - схема встроенного блока логических наблюдений BILBO
Рис.1
В1, В2 – управляющие входы
Z1, Z2, Z3, Z4 – информационные входы
Q1, Q2, Q3, Q4 – информационные выходы
Scan – вход сканирования
В курсовой работе требуется рассмотреть 2 режима работы схемы:
- B1=B2=1, C=0 – системный рабочий режим
- B1=B2=0, C=1 – генератор псевдослучайных чисел
АНАЛИЗ ТЕХНИЧЕСКОГО ЗАДАНИЯ
BILBO – это специально разработанный элемент для создания схем самотестирования. Этот многофункциональный элемент позволяет уменьшить схемную избыточность, которая вводится в кристалл для обеспечения самотестирования.
Рассмотрим работу схемы в заданных режимах.
1. Системный рабочий режим
B1=B2=1, Scan=0
При таких значениях на управляющих входах и входе сканирования схему можно представить следующим образом:
Рис.2
Таким образом, в системном рабочем режиме схема представляет собой 4 D-триггера, работающих независимо друг от друга.
2. Генератор псевдослучайных чисел
B1=B2=0, Scan=1
При таких значениях на управляющих входах и входе сканирования схему можно представить следующим образом:
Рис.3
В данном режиме работы на входы D триггеров 2-4 подаются сигналы с инверсных выходов предыдущих триггеров. Но т.к. сигналы с инверсных выходов инвертируются, то на D-входы подаются сигналы, совпадающие со значениями на прямых выходах триггеров. На вход D 1-го триггера подаются сигналы с выходов триггеров 3-4, которые складываются по модулю 2 и инвертируются.
Пусть в начальном состоянии генератор псевдослучайных чисел выводит число 1111, т.е. триггеры установлены в 1. Значит, в следующем такте на вход D 1-го триггера поступает 1, на выходах триггеров значения –1111. Т.е. схема работает неверно.
Для корректной работы схемы необходимо подавать на вход 1-го D-триггера неинвертированный сигнал. Элемент ИЛИ-НЕ необходим для правильной работы схемы в режиме 1. Поэтому будем инвертировать сигнал еще раз, заменив элемент И на И-НЕ.
Забиваем Сайты В ТОП КУВАЛДОЙ - Уникальные возможности от SeoHammer
Каждая ссылка анализируется по трем пакетам оценки: SEO, Трафик и SMM.
SeoHammer делает продвижение сайта прозрачным и простым занятием.
Ссылки, вечные ссылки, статьи, упоминания, пресс-релизы - используйте по максимуму потенциал SeoHammer для продвижения вашего сайта.
Что умеет делать SeoHammer
— Продвижение в один клик, интеллектуальный подбор запросов, покупка самых лучших ссылок с высокой степенью качества у лучших бирж ссылок.
— Регулярная проверка качества ссылок по более чем 100 показателям и ежедневный пересчет показателей качества проекта.
— Все известные форматы ссылок: арендные ссылки, вечные ссылки, публикации (упоминания, мнения, отзывы, статьи, пресс-релизы).
— SeoHammer покажет, где рост или падение, а также запросы, на которые нужно обратить внимание.
SeoHammer еще предоставляет технологию Буст, она ускоряет продвижение в десятки раз,
а первые результаты появляются уже в течение первых 7 дней.
Зарегистрироваться и Начать продвижение
Окончательный вид схемы:

Рис.4
Временные диаграммы для входов:

Рис.5
В схеме использованы следующие элементы:
Серия 1533
«И» ЛИ1 - 4
«ИЛИ-НЕ» ЛЕ1 - 4
«исключающее ИЛИ» ЛП5 - 5
«И-НЕ» ЛА3 - 1
Серия 564
D-триггер ТИ2 - 4
МОДЕЛИРОВАНИЕ
Моделирование схемы было произведено в две итерации. На первом шаге ошибочной оказалась временная диаграмма входов S и R триггеров, которая не была приведена в техническом задании. На входы S и R триггеров подавалась 1, при этом триггеры не срабатывали на входные воздействия. Для корректной работы схемы необходимо подавать на эти входы 0.
При моделировании схемы были получены следующие временные диаграммы:



Рис.6
Временные диаграммы на тактах 1-11 соответствуют 1-му режиму работы схемы. Каждый триггер работает независимо от других. Запись 0 и 1 осуществляется верно.
| № имп
|
Z1
|
Z2
|
Z3
|
Z4
|
Q1
|
Q2
|
Q3
|
Q4
|
| 1
|
0
|
0
|
0
|
0
|
0
|
0
|
0
|
0
|
| 2
|
1
|
1
|
1
|
1
|
1
|
1
|
1
|
1
|
| 3
|
0
|
0
|
0
|
0
|
0
|
0
|
0
|
0
|
| 4
|
1
|
1
|
1
|
1
|
1
|
1
|
1
|
1
|
| 5
|
1
|
1
|
1
|
1
|
1
|
1
|
1
|
1
|
Такты 12-40 соответствуют 2-му режиму работы схемы.
| № имп
|
Q1
|
Q2
|
Q3
|
Q4
|
| 1
|
1
|
1
|
1
|
1
|
| 2
|
0
|
1
|
1
|
1
|
| 3
|
0
|
0
|
1
|
1
|
| 4
|
0
|
0
|
0
|
1
|
| 5
|
1
|
0
|
0
|
0
|
| 6
|
0
|
1
|
0
|
0
|
| 7
|
0
|
0
|
1
|
0
|
| 8
|
1
|
0
|
0
|
1
|
| 9
|
1
|
1
|
0
|
0
|
| 10
|
0
|
1
|
1
|
0
|
| 11
|
1
|
0
|
1
|
1
|
| 12
|
0
|
1
|
0
|
1
|
| 13
|
1
|
0
|
1
|
0
|
| 14
|
1
|
1
|
0
|
1
|
| 15
|
1
|
1
|
1
|
0
|
| 16
|
1
|
1
|
1
|
1
|
По таблице состояний выходов видно, как осуществляется генерация псевдослучайных чисел: сигналы Q1 и Q3 суммируются по mod2 и поступают на 1-ый триггер. На триггеры 2-4 поступают значения от предыдущих триггеров. Из временных диаграмм также видно, что изменение сигнала на входах Z1-Z4 в данном режиме не влияют на работу схемы, что соответствует выводам, полученным на этапе анализа технического задания.
Следовательно, схема работает верно.
РАЗРАБОТКА ТЕСТА
При разработке теста для заданной схемы было выполнено 2 итерации.
На первой итерации рассматривалась работа схемы в системном рабочем режиме.
В1=В2=1
Scan=0
Рассмотрим элементы 1-4 (рис.4). Возможные неисправности приведены в таблице.
| Неисправ
ность
|
Z1
|
Значение на выходе Q1 без неисправности
|
С неисправностью
|
| z1º0
|
1
|
1
|
0
|
| z1º1
|
0
|
0
|
1
|
| P10º0
|
1
|
1
|
0
|
| P10º1
|
0
|
0
|
1
|
| B1º0
|
1
|
1
|
0
|
| P11º1
|
1
|
1
|
0
|
| P12º0
|
1
|
1
|
0
|
| P12º1
|
0
|
0
|
1
|
| Q1º0
|
1
|
1
|
0
|
| Q1º1
|
0
|
0
|
1
|
Неисправности B1º1, B2º1, B2º0, P31º1, P31º0, P11º0 проверить нельзя из-за выбранного режима работы. Таким образом, в качестве первоначального теста подадим следующую временную диаграмму:

Рис.7
График изменения полноты теста

Рис.8


Данные неисправности нельзя проверить в системном рабочем режиме. Поэтому на второй итерации рассматривалась работа схемы в режиме генератора псевдослучайных чисел.
В1=В2=0
Scan=1
Сервис онлайн-записи на собственном Telegram-боте
Попробуйте сервис онлайн-записи VisitTime на основе вашего собственного Telegram-бота:
— Разгрузит мастера, специалиста или компанию;
— Позволит гибко управлять расписанием и загрузкой;
— Разошлет оповещения о новых услугах или акциях;
— Позволит принять оплату на карту/кошелек/счет;
— Позволит записываться на групповые и персональные посещения;
— Поможет получить от клиента отзывы о визите к вам;
— Включает в себя сервис чаевых.
Для новых пользователей первый месяц бесплатно.
Зарегистрироваться в сервисе
Неисправности типа константа 1:
Для проверки неисправности В1º1 необходимо подать на вход z1=1. При этом на выходе триггера всегда будет 1. Для проверки неисправности Р31º1 необходимо установить на инверсных выходах триггеров 3 и 4 различные значения (4 такт работы генератора псевдослучайных чисел). Неисправности Р11º1, Р14º1, Р15º1 и аналогичные им проверяется при работе генератора на 2-5 тактах работы. Неисправности Р29º1, Р24º1 и Р30º1 проверяются на 2-м такте работы.
Неисправности типа константа 0:
Для проверки неисправности Р30º0 и Р12º0 следует установить на инверсных выходах триггеров 3 и 4 различные значения (4 такт работы генератора псевдослучайных чисел).
Неисправность Р31º0 и scanº0 проверяются на 1 такте.
Таким образом, для проверки неисправностей, непроверенных на шаге 1, необходимо, чтобы генератор псевдослучайных чисел проработал 5 тактов. Временная диаграмма будет выглядеть следующим образом:

Рис.9
График изменения полноты теста

Рис.10

Неисправность s/rº0 проверить нельзя, т.к. схема работает только при данном значении. Таким образом, для данной схемы построен максимально полный тест. Полнота теста –
98 %.
ВЫВОД
В курсовой работе была проведена отладка схема встроенного блока логических наблюдений BILBO. Затем был разработан тест, обнаруживающий неисправности типа константа 0 и константа 1. Полнота теста составила 98%. Одна неисправность в схеме является не обнаруживаемой.
|