Кафедра ИКТ
Курсовая работа по дисциплине «Схемотехника ЭВМ»
на тему
«Активный фильтр нижних частот на операционном усилителе»
Выполнила: студентка
группы С-65
Белякова Д.Ю.
Проверил: к.т.н. Сафонов С.Н.
Аннотация
В курсовой работе разработан активный фильтр нижних частот на операционном усилителе в соответствии с техническим заданием. Построена принципиальной схемы, рассчитаны частотно-задающие элементы, разработана схема стабилизации амплитуды, а также выбрана элементная база.
Содержани
е
1. Техническое задание. 4
2. Анализ технического задания. 4
3. Разработка функциональной схемы. 4
4. Разработка принципиальной схемы.. 5
4.1 Выбор элементной базы.. 5
4.2 . Расчет параметров схемы.. 5
Список используемой литературы.. 9
Приложение. 10
1.
Техническое задание
1) Наименование разрабатываемого устройства:
Активный фильтр нижних частот на операционном усилителе
2) Параметры устройства:
Частота среза, Гц 1000
Крутизна ската АЧХ, Дб/окт 18
Коэффициент передачи в полосе пропускания 1
Сопротивление нагрузки, Ом 600
Амплитуда выходного сигнала, В, не менее 3
Неравномерность АЧХ в полосе пропускания
Дб, не более 6
2. Анализ технического задания
Целью курсовой работы является разработка активного фильтра нижних частот на операционном усилители. В начале разработки требуется определить тип проектируемого фильтра. Каждый полюс вносит в переходный участок частотные характеристики наклон -6 Дб/окт, поэтому в зависимости от крутизны ската выбирается порядок фильтра. Заданная крутизна ската АЧХ составляет -18 Дб/окт., поэтому этот фильтр относится к фильтрам третьего порядка. Решение поставленной задачи сводится к последовательному соединению фильтров меньших порядков, а именно фильтров первого и второго порядков.
3. Разработка функциональной схемы.
Поскольку в постановке задачи не изложено никаких требований относительно точности разрабатываемого фильтра, то единственным критерием подбора элементов, использующихся в принципиальной схеме, - это обеспечение заданных параметров работы устройства.
Расчет фильтра можно разбить на следующие этапы:
1. Нахождение количества каскадов фильтра. Поскольку крутизна ската АЧХ составляет -18 Дб/окт, то следует отнести разрабатываемый фильтрам к фильтрам третьего порядка. Для того, чтобы получить фильтр третьего порядка, следует соединить последовательно два каскада: фильтры первого и второго порядков.
Забиваем Сайты В ТОП КУВАЛДОЙ - Уникальные возможности от SeoHammer
Каждая ссылка анализируется по трем пакетам оценки: SEO, Трафик и SMM.
SeoHammer делает продвижение сайта прозрачным и простым занятием.
Ссылки, вечные ссылки, статьи, упоминания, пресс-релизы - используйте по максимуму потенциал SeoHammer для продвижения вашего сайта.
Что умеет делать SeoHammer
— Продвижение в один клик, интеллектуальный подбор запросов, покупка самых лучших ссылок с высокой степенью качества у лучших бирж ссылок.
— Регулярная проверка качества ссылок по более чем 100 показателям и ежедневный пересчет показателей качества проекта.
— Все известные форматы ссылок: арендные ссылки, вечные ссылки, публикации (упоминания, мнения, отзывы, статьи, пресс-релизы).
— SeoHammer покажет, где рост или падение, а также запросы, на которые нужно обратить внимание.
SeoHammer еще предоставляет технологию Буст, она ускоряет продвижение в десятки раз,
а первые результаты появляются уже в течение первых 7 дней.
Зарегистрироваться и Начать продвижение
2. Выбор типа фильтра. Удобнее всего использование фильтра Саллена-Кея. Его особенностью является использование положительной обратной связи, которая действует в пределах частоты среза, что обеспечивает увеличение коэффициента усиления, а как следствие и изменение крутизны АЧХ.
3. Выбор АЧХ. Существует три основных типа характеристик: Чебышева, Бесселя и Баттерворта. Характерным для АЧХ Баттерворта является равномерная АЧХ в полосе пропускания, а затем быстрый спад. АЧХ Чебышева имеет неравномерную АЧХ в полосе пропускания, которая может быть выбрана в зависимости от поставленной задачи от 0,5 Дб до 3 Дб. АЧХ Чебышева имеет более крутую АЧХ по сравнению с АЧХ Баттерворта. Фильтр Бесселя имеет оптимальную переходную характеристику, объясняемую пропорциональностью величины фазового сдвига частоте входного сигнала. Это свойство проявляется в отсутствии выбросов на фронтах импульсного сигнала. АЧХ Бесселя более пологая по сравнению с АЧХ Чебышева и Баттерворта. Поэтому целеобразно использовать АЧХ Баттерворта.
4. Разработка принципиальной схемы
4.1 Выбор элементной базы
В качестве активных элементов фильтра выбраны операционные усилители общего применения типа К140УД17.

4.2 . Расчет параметров схемы

Таблица 1. Коэффициенты затухания для фильтров второго порядка [6].
Фильтр второго порядка
.
Последовательность расчета фильтра состоит из следующих шагов:
1. Определение соотношение f3ДБ
/fср
для фильтра Баттерворта (таблица 1).
f3ДБ
/fср
=1
2. Нахождение частоты среза звеньев фильтра.
Частота среза: , где n-порядок фильтра.

 
3. Расчет сопротивлений.
Выбирается тип операционного усилителя. В данном случае возможно применение К140УД17, прецизионного операционного усилителя, который имеет приемлемые напряжения смещения и токи смещения. Он может использоваться в измерительных цепях.
В начале расчета выбирается емкость С=0.015 мкФ (при использовании фильтра Саллена-Кея второго порядка С2
=С3
=С, R3
=R4
=R).


4. Сопоставляя с рядом номинальных значений сопротивлений, получим 
5. Расчет коэффициента затухания.
Для определения коэффициента затухания используется таблица 1. Для фильтра Баттерворта второго порядка .
6. Нахождение Ra
.
Ra
=R=6.8 кОм.
Сопоставляя с рядом номинальных значений сопротивлений, получим 
Сервис онлайн-записи на собственном Telegram-боте
Попробуйте сервис онлайн-записи VisitTime на основе вашего собственного Telegram-бота:
— Разгрузит мастера, специалиста или компанию;
— Позволит гибко управлять расписанием и загрузкой;
— Разошлет оповещения о новых услугах или акциях;
— Позволит принять оплату на карту/кошелек/счет;
— Позволит записываться на групповые и персональные посещения;
— Поможет получить от клиента отзывы о визите к вам;
— Включает в себя сервис чаевых.
Для новых пользователей первый месяц бесплатно.
Зарегистрироваться в сервисе
Расчет значения Rb
:


Сопоставляя с рядом номинальных значений сопротивлений, получим 
7. Коэффициент усиления в полосе пропускания.



Фильтр первого порядка
1. Расчет частоты среза.



2. Коэффициент передачи в полосе пропускания.





3. Значение коэффициента затухания для фильтра Баттервора первого порядка [1].
4. Расчет сопротивления частотозадающей цепи.
Для это выбирается величина С1
=0.1мкФ.
По этой величине рассчитывается сопротивление


Сопоставляя рассчитанную величину с рядом с рядом номинальных значений сопротивлений, выбираем значение 1.6 кОм.
 

Сопоставляя полученное значение с рядом номинальных значений сопротивлений, выбираем значение R1
=4.7кОм.

Рис 1. АЧХ фильтра нижних частот.
R
1
ОМЛТ-0.125 - 4.7кОм ±5%
Список используемой литературы
1. У. Титце, К. Шенк «Полупроводниковая схемотехника», Москва, «МИР», 1982.
2. Г. Ханзел «Справочник по расчету фильтров», США, «Сов. Радио» 1969, стр. 287.
3. Павлов В.Н., Ногин В.П. «Схемотехника аналоговых электронных устройств», учебник для ВУЗов, М. Телеком, 2003 г. стр. 324.
4. http://www.chipinfo.ru/dsheets/ic/140/ud13.html интернет-ресурсы по типам операционного усилителя.
5. http://kazus.ru/guide/chips/ud17.html интернет-ресурсы -типовая схема операционного усилителя.
6. Л. Фолкенберри «Применение операционных усилителей и ИС», Москва, «Мир», 1985, стр. 574.
Приложение
 
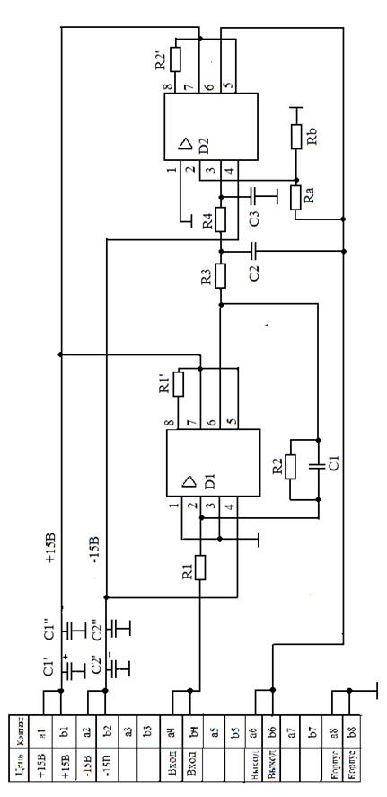
Рис2. Принципиальная схема фильтра третьего порядка.
При работе использовался РП14-16Л разъем.
Назначение выводов: 1 - общий; 2 - вход инвертирующий; 3 - вход неинвертирующий; 4 - напряжение питания -Uп
; 5 - балансировка; 6 - выход; 7 - напряжение питания +Uп
; 8 балансировка;
|