| Министерство образования и науки РФ Московский Государственный Институт Электроники и Математики (Технический университет)
Курсовая работа по курсу Информатика
| Задание выполнил студент группы С-15
Глухов К.
|
Руководитель задание принял Зак Е.А..
|
| Москва 2006
|
Содержание
Задание, Постановка задачи 3
Описание JK-триггера 4,5
Алгоритм 6
Функциональная схема, временная диаграмма 7
Принципиальная схема 8
Список литературы 9
Задание
Деление частоты на 13 с помощью
JK-триггеров.
Постановка задачи
Для деления частоты на 13 необходимо пропускать только каждый тринадцатый импульс. Это может быть реализовано посредством применения счетчика, который дает выходной импульс при записи в него значения 13.
ОПИСАНИЕ
JK-ТРИГГЕРА
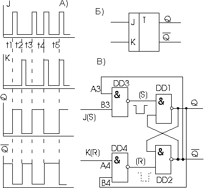
Триггер типа JK представляет собой устройство с двумя устойчивыми выходными состояниями, обладающее двумя информационными входами J и K (рис. 7.1). По принципу действия он сходен с RS-триггером, с той разницей, что в состояниях JK-триггера нет неопределенности при одновременном поступлении сигналов высокого уровня на оба входа. На рис. 7.1В показана схема JK-триггера на ЛЭ И-НЕ. Она отличается от схемы RS-триггера только тем, что элементы DD3 и DD4 включены не как инверторы, а по входам A3 и A4 управляются сигналами с выходов триггера /Q и Q, соответственно.
Работу схемы поясняет рис. 7.1А. Если JK-триггер находится в нулевом состоянии (Q = 0, a /Q = 1 -до момента t1) и на вход J поступит сигнал показанного на рисунке вида, на выходе DD3 за счет связи выхода /Q с входом A3, возникнет сигнал низкого уровня. Он будет действовать подобно сигналу /S на входе /R/S-триггера, образованного элементами DD1 и DD2, т. е. вызовет смену состояния триггера. Если JK-триггер пребывал в единичном состоянии (Q = 1 и /Q = 0 - до момента t2) и сигнал поступит на вход K, то, рассуждая аналогично, можно убедиться, что на выходе DD4 возникает сигнал (показан на рисунке штрихами), который действует подобно сигналу /R, т. е. состояние триггера снова изменится (в этом случае на выходе DD3 напряжение высокого уровня). Когда на обоих входах J и К одновременно напряжение низкого уровня, состояние триггера сохраняется.

Рис. 7.1. JK-триггер: А - временная диаграмма работы, Б - условное графическое обозначение, В - схема с четырьмя ЛЭ И-НЕ
Забиваем Сайты В ТОП КУВАЛДОЙ - Уникальные возможности от SeoHammer
Каждая ссылка анализируется по трем пакетам оценки: SEO, Трафик и SMM.
SeoHammer делает продвижение сайта прозрачным и простым занятием.
Ссылки, вечные ссылки, статьи, упоминания, пресс-релизы - используйте по максимуму потенциал SeoHammer для продвижения вашего сайта.
Что умеет делать SeoHammer
— Продвижение в один клик, интеллектуальный подбор запросов, покупка самых лучших ссылок с высокой степенью качества у лучших бирж ссылок.
— Регулярная проверка качества ссылок по более чем 100 показателям и ежедневный пересчет показателей качества проекта.
— Все известные форматы ссылок: арендные ссылки, вечные ссылки, публикации (упоминания, мнения, отзывы, статьи, пресс-релизы).
— SeoHammer покажет, где рост или падение, а также запросы, на которые нужно обратить внимание.
SeoHammer еще предоставляет технологию Буст, она ускоряет продвижение в десятки раз,
а первые результаты появляются уже в течение первых 7 дней.
Зарегистрироваться и Начать продвижение
Когда на входы J и К одновременно поступает напряжение высокого уровня, дальнейшее поведение триггера зависит от его исходного состояния.
1. Исходное состояние JK-триггера - единичное (Q = 1 и /Q = 0 - после момента t3). За счет связи /Q с A3 на входе A3 = 0 и на выходе DD3 сохраняется напряжение высокого уровня, на которое сигнал J= 1 на входе Вз не влияет. В то же самое время на выходе элемента И-НЕ (DD4) вследствие связи входа В4 с выходом Q (Q = 1) появится сигнал /R, от которого /R/S-триггер, состоящий из DD1 и DD2, сменит состояние (Q = 0, a /Q = l - после момента t4).
2. Исходное состояние триггера - нулевое (Q = 0 и /Q = 1 - после момента t4). Рассуждая аналогично, нетрудно убедиться, что на выходе DD4 сохранится напряжение высокого уровня, а на выходе DD3 появится сигнал /S, который сменит состояние /R/S-триггера (Q = 1, /Q = 0 - после момента t5).
Таким образом, в обоих случаях JK-триггер меняет свое состояние. В этом и состоит различие между JK- и RS-триггерами.
Работа JK-триггера определяется следующей таблицей состояний:
| J
|
K
|
Qn+1
|
/Qn+1
|
| 0
|
0
|
Qn
|
/Qn
|
| 1
|
0
|
1
|
0
|
| 0
|
1
|
0
|
1
|
| 1
|
1
|
/Qn
|
Qn
|
| Таблица истинности JK-триггера
|
|
 Алгоритм
Описание алгоритма
- Подача питания.
- Вход импульса.
- (Условный блок) Проверка уровня напряжения на не деленном сигнале, первом, третьем и четвертым триггерах на соответствие уровню логической единицы. В случае положительного результата сравнения происходит выход импульса, в случае отрицательного – вход нового.
- Выход импульса.
Функциональная схема
, временная диаграмма
       1
                                                 C
D1.2
       D2.1
        D2.2
 /13
Принципиальная схема
+5B
Использовались микросхемы К555ТВ6 (2 JK-триггера без входа S) и микросхемы К555ЛИ6 (логическое И
). Частота подается на C
, деленная частота выходит на /13
.
Список литературы
· Лекции. Зак Е.А.
· “Популярные цифровые микросхемы” Шило В.Л.
· “Применение интегральных микросхем серии ТТЛ” Бирюков С.А.
|