| Московский Государственный Университет им. М.В.Ломоносова
Физический факультет
Кафедра физики полимеров и кристаллов
Курсовая работа
“Определение основных параметров сегнетоэлектрических и антисегнетоэлектрических жидких кристаллов”
Студента 417 группы
Кафедры физики полимеров и кристаллов
Молькина Вадима
Научные руководители: к.ф.-м.н., вед.н.с. Е.П.Пожидаев
к.ф.-м.н., ст.н.с. А.В.емельяненко
Москва,2006
Оглавление
1. Введение
§1.1. Диэлектрики и сегнетоэлектрики.
§1.2. Общие сведения о жидких кристаллах.
2. Классификация жидких кристаллов.
§2.1. Современная классификация полярных жидких кристаллов с точки зрения их диэлектрических свойств.
§2.2. Структура и симметрия фаз жидких кристаллов.
§2.3. Структура и симметрия фаз хиральных жидких кристаллов. Дипольное упорядочение в наклонных хиральных смектиках.
3.Экспериментальная часть.
§3.1. Регистрация электрооптического отклика С*ЖК.
§3.2.Измерение спонтанной поляризации методом интегрирования токов переполяризации
§3.3.Оптическая ячейка.
4. Результаты.
§4.1. Экспериментальное исследование температурной зависимости спонтанной поляризации и параметра порядка сегнетоэлектрического смектика-С.
§4.2. Экспериментальное исследование поляризации и диэлектрической восприимчивости при наличии полиморфизма полярных фаз.
§4.3. Электрооптические измерения.
5. Выводы и проблемы.
6. Дополнение А.
7. Литература.
1.Введение
1.1.Диэлектрики и сегнетоэлектрики.
Хорошо известно, что диэлектрические материалы обладают способностью к электрической поляризации
во внешнем электрическом поле
. Электрическое поле, действуя на разноименно заряженные частицы, смещает их в противоположных направлениях, вызывая разделение “центров тяжести” положительных и отрицательных зарядов. В ионных кристаллических диэлектриках, например, электрическая поляризация возникает в результате перемещения положительных и отрицательных ионов. При этом искажается распределение их электронной плотности и смещается центр тяжести электронного облака относительно положительно заряженных ядер. В результате каждая элементарная ячейка кристалла приобретает электрический дипольный момент. Чем больше электрическое поле, тем больше поляризация вещества; способность к электрической поляризации характеризуется диэлектрической восприимчивостью, которая определяется как отношение поляризации к вызывающему ее электрическому полю[1].
Забиваем Сайты В ТОП КУВАЛДОЙ - Уникальные возможности от SeoHammer
Каждая ссылка анализируется по трем пакетам оценки: SEO, Трафик и SMM.
SeoHammer делает продвижение сайта прозрачным и простым занятием.
Ссылки, вечные ссылки, статьи, упоминания, пресс-релизы - используйте по максимуму потенциал SeoHammer для продвижения вашего сайта.
Что умеет делать SeoHammer
— Продвижение в один клик, интеллектуальный подбор запросов, покупка самых лучших ссылок с высокой степенью качества у лучших бирж ссылок.
— Регулярная проверка качества ссылок по более чем 100 показателям и ежедневный пересчет показателей качества проекта.
— Все известные форматы ссылок: арендные ссылки, вечные ссылки, публикации (упоминания, мнения, отзывы, статьи, пресс-релизы).
— SeoHammer покажет, где рост или падение, а также запросы, на которые нужно обратить внимание.
SeoHammer еще предоставляет технологию Буст, она ускоряет продвижение в десятки раз,
а первые результаты появляются уже в течение первых 7 дней.
Зарегистрироваться и Начать продвижение
Сравнительно недавно, в 20-30-х годах прошлого столетия, Дж. Валашек в США, И.В.Курчатов с сотрудниками в СССР, Г.Буш с сотрудниками в Швейцарии показали, что в некоторых ионных кристаллах электрическая поляризация может возникать и существовать спонтанно
, т.е. в отсутствие внешнего электрического поля. Это физическое явление было обнаружено впервые в кристаллах сегнетовой соли KNaC4
H4
O6
*4H2
O в интервале температур между – 18 и +24 0
С и затем – в кристаллах дигидрофосфата калия KH2
PO4
(KDP) – при температурах ниже - 1500
С. Оказалось, что спонтанно поляризованное состояние исчезает при указанных критических температурах, диэлектрическая восприимчивость в полярной фазе и вблизи этих критических температур достигает огромных значений, на 3 – 4 порядка превышающих обычные значения в неполяризованном состоянии, а ее величина сильно зависит от электрического поля. Кроме того, направление спонтанной электрической поляризации может быть изменено внешним электрическим полем.
В нашей литературе описанное явление называют сегнетоэлектричеством
, в зарубежной – ферроэлектричеством (по очевидной формальной аналогии с давно известным феноменом ферромагнетизма). Возможность существования сегнетоэлектричества в жидких кристаллах теоретически показал Мейер в 1975г. [2], а первое упоминание об антисегнетоэлектрических
ЖК принадлежит перу отечественных ученых и относится к 1982г. [3].
1.2.Общие сведения о жидких кристаллах.
Жидкие кристаллы представляют собой особый класс веществ, промежуточный между твердыми кристаллами и изотропными жидкостями. Жидким кристаллам присущи одновременно анизотропия физических свойств, характерная для твердых кристаллов, и текучесть, свойственная изотропным жидкостям. Иное название данного класса веществ - мезофазы - как нельзя лучше отражает эти необычные свойства.
Впервые жидкокристаллическая фаза была обнаружена немецким ученым Ф. Рейнитцером в 1888 году в процессе изучения им температурных зависимостей свойств производных холестерина [4]. При нагреве кристаллического вещества до определенной температуры образовывался мутный расплав с анизотропными свойствами. При дальнейшем нагреве вещество просветлялось, переходя в изотропную фазу. Во время последующего охлаждения из изотропной фазы сначала появлялась мезофаза, и только после происходила кристаллизация. Вещества, переходящие в жидкокристаллическое состояние в процессе нагрева из кристаллической фазы или охлаждения из изотропной были названы термотропными жидкими кристаллами. Позже обнаружились и другие вещества, которые проявляли жидкокристаллические свойства при растворении до определенной концентрации – так называемые лиотропные жидкие кристаллы.
Сервис онлайн-записи на собственном Telegram-боте
Попробуйте сервис онлайн-записи VisitTime на основе вашего собственного Telegram-бота:
— Разгрузит мастера, специалиста или компанию;
— Позволит гибко управлять расписанием и загрузкой;
— Разошлет оповещения о новых услугах или акциях;
— Позволит принять оплату на карту/кошелек/счет;
— Позволит записываться на групповые и персональные посещения;
— Поможет получить от клиента отзывы о визите к вам;
— Включает в себя сервис чаевых.
Для новых пользователей первый месяц бесплатно.
Зарегистрироваться в сервисе
Все мезофазы являются сложными органическими соединениями, состоящими, как правило, из нескольких веществ, молекулы которых имеют сильно вытянутую или дисковидную форму.
Термотропные ЖК, образованные молекулами вытянутой палочкообразной формы, при охлаждении из изотропной фазы (нагреве из кристаллической) могут образовывать не одну, а несколько промежуточных мезофаз, различающихся типом молекулярной упаковки (рис.1.1., более подробно см.§2.2 ).
| 
|
| Рис. 1.1. Мезофазы
|
Направление преимущественной ориентации молекул жидкого кристалла обозначается единичным вектором и называется директором. Монодоменный образец ЖК проявляет сильную анизотропию физических свойств и является прозрачным.
Жидкие кристаллы, обладающие сильной анизотропией физических свойств, вот уже на протяжении почти 120 лет являются объектом пристального внимания физиков и химиков, а в последние десятилетия широко применяются в устройствах отображения информации в качестве сред, контролирующих свойства пропускаемого и отражаемого излучения.
Основной целью данной работы являлось освоение экспериментальных методов измерения фундаментальных параметров ЖК, таких, как спонтанная поляризация, угол наклона, диэлектрическая восприимчивость и др.
2. Классификация жидких кристаллов.
§2.1. Современная классификация полярных жидких кристаллов с точки зрения их диэлектрических свойств.
Термин “сегнетоэлектрические жидкие кристаллы” (по-английски ferroelectric liquid crystals) первоначально появился [2] для обозначения наличия самопроизвольного дипольного упорядочения в жидких кристаллах. Со временем стало ясно, что в жидких кристаллах существуют все те же типы дипольного упорядочения, что и в твёрдых кристаллах. Полярные жидкие кристаллы подразделяются на сегнетоэлектрики, антисегнетоэлектрики, ферриэлектрики и гелиэлектрики [5]. Основой классификации полярных ЖК являются типы дипольного упорядочения и их макроскопические проявления, а именно зависимости макроскопической поляризации от электрического поля, приведенные на рисунке 2.1. На уровне этой классификации никаких отличий жидких кристаллов от других диэлектриков не существует. Зависимости - это “отпечатки пальцев” того типа дипольного упорядочения, с которым мы имеем дело.
Верхняя диаграмма рисунка 2.1 характеризует поведение любого неполярного диэлектрика во внешнем поле, и, в частности, любого жидкого кристалла, не обладающего спонтанным дипольным упорядочением. В малых полях макроскопическая поляризация прямо пропорциональна полю [6]:
(2.1.1),
где - число молекул в единице объёма, - дипольный момент единицы объёма, - постоянная Больцмана, - абсолютная температура. Критерием малости поля в данном случае является соотношение
(2.1.2),
так как степень ориентации диполей неполярного диэлектрика по внешнему электрическому полю определяется фактором Больцмана , где - объёмная плотность потенциальной энергии диполей в электрическом поле.
Если
(2.1.3),
то зависимость становится нелинейной и имеет тенденцию к насыщению даже в отсутствии спонтанного дипольного упорядочения, как это видно из верхней диаграммы рис. 2.1. Очевидно, что тенденция к насыщению проявляется, когда большая часть диполей выстраивается по электрическому полю.
Для многих известных диэлектриков, например, для CCl4
, C6
H5
NO2
указанная тенденция не реализуется вовсе, так как пробой диэлектрика наступает раньше, чем выстраивание большей части диполей по электрическому полю. Для диэлектриков с большим молекулярным весом М
»500 а.е.м. (такими являются смектические жидкие кристаллы) нелинейности зависимости проявляются уже при Е
»107
V×м-1
. Это обстоятельство необходимо учитывать, чтобы не перепутать нелинейности зависимостей неполярных ЖК, обусловленные выполнением соотношения (2.1.3), с подобными зависимостями, но обусловленными наличием дипольного упорядочения полярных ЖК.
Вектор электрического смещения в диэлектрике в системе СИ при выполнении условий (2.1.1) и (2.1.2) записывается в виде:
(2.1.4),
где =8,85´10-12
Кл/В×м – диэлектрическая постоянная вакуума, - диэлектрическая проницаемость диэлектрика, - безразмерная диэлектрическая проницаемость диэлектрика. Индуцированная макроскопическая поляризация в линейном приближении в системе СИ имеет вид:
(2.1.5),
где - диэлектрическая восприимчивость в системе СИ. В системе СГС соотношение (2.1.5) для линейного диэлектрика имеет вид [5]:
c
µ
(2.1.5’),
В (2.1.5’) c
µ
- это диэлектрическая восприимчивость линейного диэлектрика, не зависящая от электрического поля и температуры в случае выполнения соотношений (2.1.1) и (2.1.2). Если является нелинейной зависимостью, то в общем случае диэлектрическая восприимчивость определяется как [7]:
|T
,
r
=
const
(СГС), (СИ) (2.1.6),
где T
– температура, r
- плотность, - макроскопическая поляризация нелинейного диэлектрика. Соотношение (2.1.6) удобно для анализа полярных диэлектриков, являющихся также нелинейными диэлектриками.
В общем случае
=c
µ
+ (2.1.7),
где - макроскопическая поляризация упорядоченной структуры полярного диэлектрика, являющаяся проекцией спонтанной поляризации на направление электрического поля. В сущности, именно зависимости изображены на всех диаграммах (кроме верхней диаграммы) рисунка 2.1. Максимальное значение модуля функции есть ни что иное, как спонтанная поляризация полярного диэлектрика. Диэлектрическая восприимчивость полярного нелинейного диэлектрика всегда характеризуется наличием, по крайней мере, двух составляющих, как это следует из (2.1.6) и (2.1.7):
c
¥
+ (2.1.8),
где
(2.1.9)
это составляющая диэлектрической восприимчивости, обусловленная изменением проекции спонтанной поляризации на направление электрического поля при изменении величины поля. Составляющая восприимчивости c
¥
характеризует способность молекул поляризоваться под действием электрического поля, а характеризует способность спонтанно поляризованной структуры переориентироваться во внешнем электрическом поле.
Рассмотрим теперь диаграмму б) рисунка 2.1, на которой изображена хорошо известная петля гистерезиса сегнетоэлектрика
. В полярных жидких кристаллах такая петля наблюдается, если диполи спонтанно упорядочены, а их направление одинаково во всём объёме образца [8]. Если =0, то , то есть в отсутствии электрического поля образец поляризован самопроизвольно и однородно.
На диаграмме в) рисунка 2.1 изображена петля гистерезиса ферриэлектрика
, в котором существует две неэквивалентные и разнонаправленные подрешётки самопроизвольно упорядоченных диполей [9], спонтанная поляризация которых и . При =0 макроскопическая поляризация равна разности поляризаций подрешёток: = - .
В антисегнетоэлектрике
существуют две эквивалентные, но разнонаправленные подрешётки самопроизвольно упорядоченных диполей (диаграмма г) рисунка 2.1), поэтому при =0 =0. Впервые о наблюдении антисегнетоэлектричества в жидких кристаллах сообщалось в работе [3], однако интенсивные исследования этого явления начались после публикации японской группы профессора А. Фукуды [10].
В гелиэлектрике
направление спонтанного дипольного упорядочения плавно прецессирует вдоль некоторого выделенного направления, как показано на диаграмме д) рисунка 2.1. В результате макроскопическая поляризация равна нулю при =0. Первый сегнетоэлектрический ЖК [2] на самом деле оказался гелиэлектриком, как это выяснилось позже [11].
Несмотря на установившуюся современную классификацию типов дипольного упорядочения в полярных жидких кристаллах, их по-прежнему чаще всего называют сегнетоэлектрическими ЖК, имея в виду самое существенное свойство всех перечисленных структур: наличие спонтанного дипольного упорядочения.
§2.2. Структура и симметрия фаз жидких кристаллов.
Классический анализ дипольного упорядочения в жидких кристаллах [12] основан на симметрии жидкокристаллических фаз. Рассмотрим основные типы структур (фазы) [13,14] термотропных ЖК. Молекулы термотропных ЖК обладают сильно вытянутой палочкообразной формой. Если молекулы не хиральны, то с точки зрения симметрии их считают твёрдыми зеркально-симметричными цилиндрами. Изотропный расплав органического вещества, состоящего из молекул такого сорта, при охлаждении не сразу переходит в твёрдое кристаллическое состояние. При понижении температуры появляются одна или несколько промежуточных фаз (мезофаз), в которых существует упорядоченность расположения молекул. Приведённая в таблице 2.1 схема иллюстрирует переход от менее упорядоченных фаз к более упорядоченным.
 |
 |
Наименее упорядоченной фазой ЖК является нематическая фаза с точечной симметрией D
¥
(точечная симметрия фазы ЖК трактуется как точечная симметрия молекулярных группировок, образующих данные фазы). В нематической фазе возникает направление преимущественной ориентации длинных осей молекул, характеризующееся единичным вектором, , который называется директором жидкого кристалла. Вероятность ориентации длинных осей молекул вдоль директора описывается степенью упорядоченности или параметром порядка [15]:
(2.2.1),
где - угол между осью отдельной молекулы и директором ЖК, а усреднение ведётся по всему ансамблю молекул. В нематической фазе (нематике) типичные значения , а центры масс молекул расположены совершенно беспорядочно, то есть существует только ориентационное упорядочение длинных осей молекул.
При переходе от нематической к смектической фазе А, кроме некоторого возрастания параметра ориентационного порядка (величина достигает значений 0,8¸0,9) появляется периодичность плотности вдоль направления директора с периодом, примерно равным длине молекул. Это трактуется как возникновение слоистой упаковки молекул; вещество состоит уже из последовательности мономолекулярных слоёв, уложенных один на другой. Положение центров масс молекул в слоях упорядочено. Для характеристики структуры вводятся понятия о смектических плотностях (в таблице 2.1 показаны пунктиром) - плоскостях, перпендикулярных директору и ограничивающих молекулярные слои, о среднем значении толщины слоя, и о параметре трансляционного порядка τ
[16]. В фазе А характерное значение =0,5, а точечные симметрии фазы А и нематика одинаковы.
Следующей по степени упорядоченности является смектическая фаза С ( и почти не зависят от температуры), обладающая, как и фаза А, слоистым строением, но в смектике С директор наклонён на угол q
o
по отношению к нормали к смектическим слоям. Положение директора в такой системе определяется полярным углом q
o
и азимутальным углом j
в плоскости смектического слоя (плоскость ХУ, табл.2.1). Это означает, что в смектике-С дополнительно к ориентационному и трансляционному упорядочению появляется специфический параметр порядка, описывающий наклон молекул в смектических слоях [17, 18]. Этот параметр порядка при <<1 имеет вид:
(2.2.3).
В фазе С имеется зеркальная плоскость (плоскость рисунка ХZ, табл.2.1) и ось второго порядка, перпендикулярная зеркальной плоскости и лежащая в плоскости смектического слоя, то есть точечная группа симметрии такой структуры С2
h
.
Не вдаваясь в подробное описание, заметим, что помимо рассмотренных, существует ещё целый ряд смектических фаз (B, I, F, J, G, E, K, H) [19], которые можно назвать высокоупорядоченными смектиками. Схематическое изображение структур смектических фаз, установленных методами рентгеноструктурного анализа, приведено на рисунке 2.2, взятом из работы [20].
Рисунок 2.2.
Схематическое изображение структур смектических фаз, реконструированных на основании данных рентгеноструктурного анализа. Рисунок из [20].
§2.3. Структура и симметрия фаз хиральных жидких кристаллов. Дипольное упорядочение в наклонных хиральных смектиках.
До сих пор мы рассматривали фазы жидких кристаллов, состоящих из зеркально-симметричных молекул, которые ещё называются ахиральными молекулами. Жидкие кристаллы, состоящие из хиральных молекул, обладают некоторыми особенностями по сравнению с ЖК, образованными зеркально-симметричными молекулами. По определению, хиральный объект не может быть охарактеризован никаким элементом симметрии, кроме тривиального, то есть кроме группы , означающей вращение объекта на 360° вокруг собственной оси. Хиральная нематическая (или холестерическая) фаза имеет ту же локальную симметрию, что и ахиральный смектик, но без центра инверсии. На больших пространственных интервалах холестерическая фаза представляет собой спираль с шагом , превышающим размеры молекул в тысячи раз (таблица 2.2, хиральные молекулы обозначены спиральками), при этом компоненты директора выражаются соотношениями [13]:
, , (2.3.1),
где - направление оси спирали.
Структура хиральной смектической фазы С*
также спиральная (или геликоидальная структура) с шагом спирали геликоида =0,1¸10 микрометров. Компоненты директора фазы С задаются соотношениями [13]:
, , (2.3.2),
где -азимутальный угол в плоскости смектических слоёв, которые в таблице 2.2 показаны пунктиром.
В каждом смектическом слое фазы С*
(точечная группа симметрии С2
) существует единственный элемент симметрии - ось второго порядка, лежащая в плоскости смектического слоя перпендикулярно плоскости, проходящей через нормаль к слою и директор . Последняя плоскость не

Таблица 2.2.
Типы упорядочения и точечная симметрия некоторых фаз жидких кристаллов, образованных хиральными молекулами.[21]
может быть зеркальной, так как хиральные молекулы не имеют никаких элементов симметрии. Поэтому указанная ось второго порядка является полярной (в таблице 2.2 полярная ось обозначена единичным вектором ), независимо от наличия или отсутствия у молекул дипольного момента [12]. Вдоль полярной оси возможно существование спонтанной поляризации слоя, если хиральные молекулы обладают дипольными моментами, перпендикулярными длинным осям молекул (рисунок 2.3). В этом случае спонтанная поляризация будет иметь ориентационную природу, так как она явится следствием упорядочения коротких осей молекул в фазе С*
, которое должно иметь место и в отсутствие диполей.
Упорядочение коротких осей молекул – это и есть существование полярной оси смектического слоя. Вектор , показанный на рисунке 2.3, всегда лежит в плоскости смектического слоя, и его направление совпадает с
направлением единичного вектора полярной оси , который показан в левой нижней части таблицы 2.2. Полярная ось называется также - директором, см. обозначение на рис. 2.3.
В сущности, спонтанная поляризация в данном случае – это сумма проекций дипольных моментов всех молекул, находящихся в единице объёма жидкого кристалла, на его полярную ось. Сказанное выше – это изложение идеи американского физика Роберта Мейера о возможности сегнетоэлектричества в наклонных хиральных смектических фазах [2]. Спонтанная поляризация не является параметром порядка рассматриваемого сегнетоэлектрика. Как было показано С. А. Пикиным, В. Л. Инденбомом и Е. Б. Логиновым [22], модуль параметра порядка коротких осей в отдельном смектическом слое связан с углом наклона q
соотношением:
(2.3.3),
а при <<1 модуль параметра порядка коротких осей молекул в смектическом слое равен углу наклона:
(2.3.3’).
Модуль спонтанной поляризации Рс
в рамках рассматриваемого приближения пропорционален параметру порядка коротких осей молекул, и, согласно [13, 12, 22] может быть записан в виде:
=c
µ
m
p
q
(2.3.4),
где m
p
– пьезоэлектрический модуль жидкого кристалла. Спонтанная поляризация не является параметром порядка, но пропорциональна ему. На этом основании сегнетоэлектрический жидкий кристалл был классифицирован как псевдособственный сегнетоэлектрик [12, 22].
Измерения температурных зависимостей спонтанной поляризации и угла наклона первого сегнетоэлектрического жидкого кристалла п-децилоксибензилиден-п’-амино-2-метилбутилциннамат (ДОБАМБЦ):

подтвердили справедливость соотношения (2.3.4) [23].
Глава 3. Экспериментальная часть.
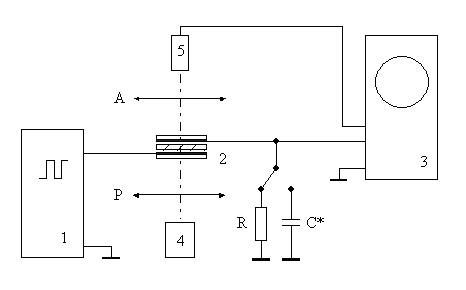
§3.1.Регистрация электрооптического отклика С*ЖК
Под электрооптическим откликом жидкого кристалла понимается изменение светопропускания жидкокристаллической ячейки при изменении напряжения, приложенного к слою ЖК. Существуют стандартные приёмы регистрации электрооптического отклика [11], которые были использованы и в данной работе в соответствии с блок-схемой электрооптической установки, собранной Е.П.Пожидаевым (рисунок 3.1). Особенностью этой установки, удобной при работе с С*ЖК, являлась возможность одновременной регистрации электрооптического отклика, тока переполяризации и интеграла от тока переполяризации, то есть Р(t)
.

Рисунок 3.1. Блок-схема регистрации электрооптического отклика, тока переполяризации и зависимости Р(t)
сегнетоэлектрических ЖК: 1 – генератор импульсов управляющего напряжения, электрооптическая ячейка на основе СЖК, 3 – осциллограф, 4 – источник света, 5 – фотоумножитель или фотодиод, Р – поляризатор, А – анализатор, - резистор для регистрации тока переполяризации, - конденсатор для интегрирования токов переполяризации. См. Дополнение А.
Для регистрации электрооптического отклика С*ЖК ячейка помещалась на поворотный столик между скрещенными поляризатором и анализатором. Поворот ячейки между скрещенными поляроидами позволял измерять ещё и угол наклона молекул в смектических слоях, как это изложено в работах [11, 23]. В качестве источника света чаще всего использовались либо гелий-неоновый лазер, либо лампа подсветки микроскопа. При необходимости изменения длины волны источника света, в комбинации с лампой подсветки микроскопа применялись интерференционные фильтры.
Типичная форма кривой электрооптического отклика показана на рисунке 3.2. Регистрация откликов в электронном виде осуществлялась с помощью осциллографа С1-91, их обработка – в программе Origin 6.1 или 7.0.

Рисунок 3.2. Управляющее напряжение на С*ЖК ячейке
(верхняя кривая) и сигнал
ФЭУ (нижняя кривая).
Измерение проведено по
схеме рисунка 3.1, толщина
слоя С*ЖК-65 = 17,5
мкм, Т=25°
С, источник света –
He-Ne лазер.
§3.2.Измерение спонтанной поляризации методом интегрирования токов переполяризации
Интегрирование токов переполяризации сегнетоэлектриков – это один из первых методов определения спонтанной поляризации, предложенный ещё в 1930 году Сойером и Тауэром [24]. Аналогичный по физической сущности метод измерения спонтанной поляризации сенгетоэлектрических жидких кристаллов предложен в 1977 году Мартино – Лагардом [25]. Эти методы основаны на том обстоятельстве, что плотность тока переполяриации равна скорости изменения плотности поверхностных зарядов , равной (в системе СГС) величине макроскопической поляризации Р
:
(3.2. 1).
Поляризацию получают, интегрируя экспериментальные зависимости либо [25], либо [24]. Различаются и способы интегрирования. Для измерения спонтанной поляризации в данной работе использовался метод интегрирования токов переполяризации, изложенный выше в разделе 3.1. На нижней кривой рисунка 2.15 б можно видеть две составляющих интеграла от тока переполяризации. Быстрая составляющая представляет собой отклик, связанный с высокочастотной частью диэлектрической проницаемости , медленная - со спонтанной поляризацией. Спонтанная поляризация вычисляется по формуле [26]:
(3.2. 2),
где S
– площадь поверхности С*ЖК, ограниченная проводящими электродами ячейки.


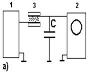
Рисунок 3.3: а) Блок-схема установки интегрирования токов переполяризации С*ЖК из работы [257]: 1 – генератор знакопеременных прямоугольных импульсов, 2 – осциллограф, 3 – СЖК ячейка; б) – эпюры напряжения на экране осциллографа. Верхняя кривая – напряжение, приложенное к ячейке, нижняя кривая – напряжение на конденсаторе С
.
§3.3.Оптическая ячейка.
Образец ЖК можно считать монокристаллическим, если имеет место не хаотичная, вполне определенная упорядоченность длинных осей молекул во всем объеме образца. Это условие можно выполнить при толщине слоя жидкого кристалла 1÷100 мкм. Для создания пространственно однородного (монодоменного) образца ЖК используется оптическая ячейка, схема которой показана на рис.3.
| а
|
б
|
| в
|
| Рис.3 Фотография ЖК-ячейки (а), схема ЖК ячейки: вид сверху (б), вид сбоку (в)
|
ЖК-ячейка представляет собой две стеклянных пластинки с напыленным на них прозрачным токопроводящим покрытием. Чаще всего в качестве такого покрытия используются напыляемые на стекло тонкие (50¸150 нм) слои смесевого полупроводникового материала In2
O3
(90%)+SnO2
(10%) (indium-tin oxide, ITO). Для создания анизотропной поверхности с целью получения монодоменного образца на проводник наносится слой ориентанта (возможно нанесение только на одну из подложек). Ориентация молекул, при которой их длинные оси преимущественно перпендикулярны подложкам, называется гомеотропной; если длинные оси молекул параллельны подложкам, ориентация планарная.
Величина зазора между стеклянными пластинами задается диэлектрическими прокладками - спейсерами. Подготовленная таким образом ячейка нагревается, ЖК наносится на контактную область как можно ближе к зазору; под действием температуры СЖК переходит в изотропное состояние и втягивается в зазор между подложками за счёт капиллярных сил. Применявшиеся в работе ячейки обладали следующими характеристиками: толщина зазора 4,75 мкм; рабочая площадь 1-1,4 см2
; проводящий слой – ITO; ориентирующее покрытие наносилось только с одной стороны (асимметричные граничные условия).
Глава 4.Результаты.
§4.1. Экспериментальное исследование температурной зависимости спонтанной поляризации и параметра порядка сегнетоэлектрического смектика-С.
На рисунке 4.1 представлены измеренные температурные зависимости зависимости спонтанной поляризации и угла наклона смектических слоев для С*ЖК – 533(по классификации ФИАН), в которых явно просматривается S-образный вид данных кривых, что находится в полном согласии с теорией Ландау фазовых переходов. В этой теории было показано, что при сегнетоэлектрических фазовых переходах второго рода спонтанная поляризация уменьшается с ростом температуры по закону , а в присутствии внешнего электрического поля эта зависимость искажается в результате появления наведенной поляризации.
 
Рисунок 4.1. Измеренные температурные зависимости спонтанной поляризации и угла наклона.
На рисунке 4.2 представлен рассчитанный на основании этих результатов график температурной зависимости отношения спонтанной поляризации к углу наклона .
Как следует из графика, для С-фазы данное отношение практически постоянно и наблюдается лишь его небольшое уменьшение с ростом температуры. После фазового перехода величина довольно быстро
стремится к нулю. Т.о., в обеих фазах С*ЖК – 533 наблюдается
Рисунок 4.2. Вид кривой отношения спонтанной поляризации к углу наклона в зависимости о температуры. Излом при 460
связан с фазовым переходом из С-фазы в фазу А (точное значение 480
).
пропорциональность ~ , что говорит о том, что данный кристалл является псевдособственным сегнетоэлектриком.
§4.2. Экспериментальное исследование поляризации и диэлектрической восприимчивости при наличии полиморфизма полярных фаз.
В этой части работы изучался кристалл MHPBC, структурная формула которого приведена ниже.

Рисунок 4.3. Структурная формула кристалла MHPBC.
На рисунке 4.4 представлен график зависимости поляризации от температуры для кристалла MHPBC.
Как видно из предложенного графика, при температуре 660
происходит переход из фазы С в некоторую фазу, которую идентифицировать пока не удалось [27]. В интервале 60.50
- 660
С присутствует еще один переход. По мнению исследователей, обе фазы в указанном температурном интервале являются антисегнетоэлектрическими.

Рисунок 4.4.Температурная зависимость поляризации в кристалле MHPBC.
Измерения проводились при напряжении на электродах ячейки 5 вольт, при котором поляризация в ЖК не достигала насыщения. Следует отметить, что были произведены измерения и при напряжении 10 вольт, при которых кривая поляризации не имела никаких аномалий, из чего можно сделать вывод о том, что найдена верхняя граница существования указанных антисегнетоэлектрических фаз. Необходимо сделать важное замечание. В работе [27] утверждалось, что кристалл MHPBC является энантиотропным, т.е. все указанные фазы могут наблюдаться как при нагреве, так и при охлаждении. По результатам проведенных исследований выяснилось, что он относится к монотропным ЖК, в которых фазы проявляются только при охлаждении кристалла.
На рисунке 4.5 приведен график для диэлектрической восприимчивости, рассчитанной по формуле:
(4.2.1)
Как видно из формулы, полученная величина χ достаточна лишь для оценки,
т.к. по результатам предварительных измерений в каждой из четырех

Рисунок 4.5. График зависимости диэлектрической восприимчивости от температуры для кристалла MHPBC.
наблюдаемых фаз линейный участок зависимости имеет место при определенных напряжениях (~до 1В, что значительно ниже используемых в работе), а точная оценка χ возможна лишь при линейной зависимости.
§4.3. Электрооптические измерения.
Для определения текстур фаз, найденных в MHPBC, были произведены электрооптические исследования на микроскопе. Для этого ячейку с жидким кристаллом помещали в термостат и подвергали процессам нагрева и последующего охлаждения. Переход в изотроп произошел при 1230
С.

Рисунок 4.6. Фотография формирования фазы при температуре 18.70
С.
 Все текстуры фотографировались при охлаждении. Первые зародыши фазы появились при ~1190
С, после чего температура ячейки была стабилизирована. На рисунке 4.6 приведена равновесная текстура образовавшейся фазы. Окончательное формирование фазы произошло при температуре 1130
С (см. рис. 4.7).
Рисунок 4.7. Фотографии фазы А. Слева: Фотография текстуры стерических доменов, полученная в работе [28]. Справа: текстура MHPBC, сделанная при Т=113°С.
Следующая обнаруженная фаза сформировалась при 700
С. Методом сравнений обнаруженные фазы удалось идентифицировать как фаза А и фаза С соответственно. Точечные дефекты на обеих текстурах не могут быть идентифицированы как одиночные спейсеры, однако есть все основания полагать, что они (дефекты) являются сгустками спейсеров, вокруг которых в слое СЖК возникают локальные дефекты, которые, вообще говоря, ухудшают оптическое качество слоя жидкого кристалла, если спейсеры находятся в пределах световой апертуры (рисунок 4.8). Однако интегрально рассеяние света на дефектах ориентации вокруг спейсеров меньше, чем рассеяние на регулярных неоднородностях текстуры, таких как, например, упругие или сегнетоэлектрические домены, что видно на левой фотографии рисунка 4.8.
 
Рисунок 4.8. Фотографии фазы С. Слева: Текстура 1,5mm слоя С*ЖК-408. Точечные дефекты – нарушения ориентации вокруг 1,5mm спейсеров, полосковые дефекты – сегнетоэлектрические домены. Площадь текстуры на микрофотографии - 135´165 mm2
. Фото взято из работы [29]. Справа: текстура MHPBC, сделанная при Т=70°С.
К сожалению, в результате первого исследования не удалось оптически зарегистрировать ни одну из сегнетоэлектрических фаз, однако работа в этом направлении далека от завершения.
5.Выводы и проблемы.
В результате проведенных исследований были освоены методы измерения спонтанной поляризации методом интегрирования токов переполяризации,
угла наклона и диэлектрической восприимчивости ЖК, проведены электрооптические измерения для определения типа фаз, наблюдавшихся в MHPBC; сделаны выводы о том С*ЖК – 533 является несобственным сегнетоэлектриком, а MHPBC – энантиотропным ЖК.
Также необходимо отметить и ряд проблем, с которыми пришлось столкнуться при выполнении данной работы. Толщина ячеек используемых в работе, не превышала 4.75 мкм, что не является пределом для данной области исследований. Однако при указанных толщинах важную роль на все измеряемые параметры оказывают взаимодействия ЖК и нанесенного на внутреннюю поверхность ячейки ориентанта. По самым оптимистическим прогнозам, эти взаимодействия играют роль вплоть до толщин в 20 мкм. Такие взаимодействия могут не только замазывать пики на графиках, т.е. скрывать фазовые переходы, но и убивать антисегнетоэлектрик. Кроме того, необходимо было поддерживать строго определенную скорость нагрева термостата, в противном случае регистрируемая и действительная температура ячейки могли отличаться. А поскольку используемый термостат не являлся автоматом, фиксирование температуры в нем на первых этапах работы представляло некоторую проблему для автора работы.
Для решения указанных проблем необходимо не только рассчитать и вычесть поверхностные явления, но и освоить метод приготовки ячеек. Также необходимо освоить еще один метод изучения ЖК и фазовых переходов - измерение петель гистерезиса.
6. Дополнение А. Полная схема экспериментальной установки.
Рисунок 6.1. Схема экспериментальной установки.
В подачи сигнала на ячейку используется один из четырех генераторов; на рисунке показаны виды импульсов, которые каждый из них способен подавать на выход. Приведем названия генераторов: 1 – генератор импульсов Г5-63, 2 – генератор сигналов низкочастотный Г3-112, 3 – генератор сигналов специальной формы Г6-28, 4 – генератор сигналов, имитирующих работу ячейки ЖК мониторов. Источниками питания лампы подсветки микроскопа и ФЭУ являются ТЕС 7М и высоковольтный стабилизированный выпрямитель ВСС – 2. Нагрев термостата осуществлялся при помощи нихромовой спирали, питаемой от ФЕС 5010, а температура определялась исходя из показаний вольтметра ВС – 21А, измеряющего напряжение на термопаре, один конец которой поддерживался при постоянной температуре талого льда (00
С). Для регистрации отклика ячейки использовался осциллограф С1 – 91.
7.Литература.
1.Струков Б.А. Сегнетоэлектричество. М.: Наука(1979.).
2.Meyer R.B., Libert L., Strzelecki L., and Keller P., Ferroelectric Liquid Сrystals
, -
J. De Phys. Lett
., v. 36,
p. L-69 - L-71, (1975).
3. L. A. Beresnev, L. M. Blinov, V. A. Baikalov, E. P. Pozhidaev, A. I. Pavluchenko, G. V. Purvanetskas. Ferroelectricity in tilted smectics doped with optically active additives
, Mol. Cryst. Liq. Cryst., 89, 327- 338, (1982). 4. Reinitzer F., Montash Chem., 9
, 421 (1888).
5. D. Demus, J. Goodby, G. W. Gray, H.-W. Spiess, V. Vill. Handbook of Liquid Crystals, vol. 2B, Wiley-VCH, (1998).
6. Л. Д. Ландау, Е. М. Лифшиц. Электродинамика сплошных сред.
М., Наука, (1993).
7. Р. Блинц, Б. Жекш. Сегнетоэлектрики и антисегнетоэлектрики
. - М., Мир, 1975.
8. N. A. Clark, S.T. Lagerwall. Submicrosecond bistable electro-optic switching in liquid crystals
, Appl.Phys.Lett., 36 (11), pp.899-901, (1980).
9. A. Fukuda, Y. Takanishi, T. Izozaki, K. Ishikawa, H. Takezoe. J. Mater. Chem., 4, 997-1006, (1994).
10. N. Hiji, A. D. J. Chandani, S. Nishijama, Y. Ouchi, H. Takezoe, A. Fukuda. Antiferroelectric properties of liquid crystals
, Ferroelectrics, 85, 99-107 (1988).
11. Б. И. Островский, А. З. Рабинович, А. С. Сонин, Б. А. Струков. Диэлектрические свойства геликоидального смектического жидкого кристалла
, - ЖЭТФ, 74, с. 1748-1759, (1978).
12. С. А. Пикин, В. Л. Инденбом. Термодинамические состояния и симметрия жидких кристаллов
, УФН, 125, 251-277, (1978).
13. С. А. Пикин. Структурные превращения в жидких кристаллах
. - М., Наука, 1981.
14. Л. М. Блинов. Электро- и магнитооптика жидких кристаллов
. - М., Наука, 1978.
15. Де Жен П. Физика жидких кристаллов
, М, Мир, (1977).
16. S. A. Pikin. Structural transformations in liquid crystals
, New York, NY: Gordon &Breach, (1991).
17. D. Demus. Textures of liquid crystals. - Wiss. Z. Univ. Halle, s. 25-40, (1979).
18. P. G. De Gennes. Sur la transition smectique A - smectique C, C. R. Acad. Sci. Paris, 274, serie B, 758-760, (1972).
19. P. S. Pershan. Structures of liquid crystal phases
, World Scientific Publishing, Singapore, (1988).
20. E. B. Loginov, Z. X. Fan, W. Haase. Landau approach for the phase transition in ordered loquid crystals. Part
1.
Hexatic
phases
, Mol. Mat., 5, 123-142, (1995).
21.Е.П.Пожидаев. Физические свойства смектической С фазы жидких кристаллов и принципы создания жидкокристаллических сегнетоэлектриков с заданными электрооптическими свойствами,
Диссертация на соискание учёной степени доктора физико-математических наук, Москва, (2006).
22. В. Л. Инденбом, С. А. Пикин, Е. Б. Логинов. Фазовые переходы и сегнетоэлектрические структуры в жидких кристаллах
, Кристаллография, 21, 6, 1093-1100, (1976).
23. Б. И. Островский. Исследование фазовых переходов и дипольного упорядочения в смектических жидких кристаллах
, Диссертация на соискание учёной степени кандидата физико-математических наук, Москва, (1980).
24. C. B. Sowyer, C. H. Tower. Rochelle salt as a dielectric
, Phys. Rev., 55, 269-273, (1930).
25. Ph. Martinot - Lagarde. Direct electrical measurment of the permanent polarisation of a ferroelectric chiral smectic C* liquid crystal
, J. de Phys. Lett., 38, p.L-17 - L-19, (1977).
26. V. M. Vaksman, Yu. P. Panarin. Measurement of ferroelectric liquid crystal parameters
, Mol. Mat., 1, 147-154, (1992).
27. Taadaki Isozaki at al
. Phys.Rev.B., Vol.48, Number 18,(1993).
28. V. P. Vorflusev, Yu. P.Panarin, S. A. Pikin, V. G. Chigrinov, Domain structures in ferroelectric liquid crystals
, Liquid Crystals
, 14
, N°
4, 1055-1060 (1993).
29. E. Pozhidaev, V. Chigrinov, D. Huang, A. Zhukov, J. Ho, H. S. Kwok, Photoalignment of Ferroelectric Liquid Crystals by Azodye Layers, Japanese Journal of Applied Physics
, 43
, No. 8A, 5440-5446, (2004).
|