| Курсовая работа по дисциплине «Цифровые устройства»
На тему: «Разработка преобразователя кода»
Содержание
1. Техническое задание………………………………………………………………………………..…..…..3
2. Анализ технического задания ………………………………………………………….………..……..4
3. Составление логических уравнений устройства и их минимизация …….....……5
4. Выбор элементной базы………………………….……………………………….…………..……..……7
5. Расчет технических показателей устройства……..……………………………….……...…..8 6. Разработка принципиальной схемы устройства ……………………………….………..…..9
7. Моделирование работы преобразователя.…………………………………………….………10
7.1. Результаты моделирования работы преобразователя………………………..……..10
8. Печатная плата…………….……………………………………………………………………….……………11
9. Печатный узел……………..……………………………………………………………………….…….…..…12 10. Принципиальная схема устройства………………………………………………….…….…..…13 10. Оценка степени выполнения задания………………………………..………………….……..14
11. Список используемой литературы..……………………………………………….…..…….……15
2. Анализ технического задания
В соответствии с техническим заданием необходимо разработать преобразователь кода, удовлетворяющий заданным техническим характеристикам и условиям эксплуатации. Для этого необходимо составить логические уравнения преобразований кода букв, провести их минимизацию для упрощения схемы; подобрать необходимую элементную базу, максимально подходящую по требуемым параметрам и условиям.
Составим таблицу истинности, соответствующую преобразованиям из десятичного алфавита в заданный код. Т.к. мы используем только 10 букв, то таблица будет не полной.
| №
|
X3
|
X2
|
X1
|
X0
|
Y3
|
Y2
|
Y1
|
Y0
|
Yp
|
#
|
| 0
|
0
|
0
|
0
|
0
|
1
|
0
|
0
|
1
|
1
|
9
|
| 1
|
0
|
0
|
0
|
1
|
0
|
0
|
1
|
0
|
0
|
2
|
| 2
|
0
|
0
|
1
|
0
|
0
|
1
|
0
|
0
|
0
|
4
|
| 3
|
0
|
0
|
1
|
1
|
1
|
1
|
0
|
0
|
1
|
12
|
| 4
|
0
|
1
|
0
|
0
|
0
|
0
|
1
|
1
|
1
|
3
|
| 5
|
0
|
1
|
0
|
1
|
0
|
1
|
1
|
1
|
0
|
7
|
| 6
|
0
|
1
|
1
|
0
|
1
|
1
|
0
|
1
|
0
|
13
|
| 7
|
0
|
1
|
1
|
1
|
0
|
0
|
0
|
0
|
1
|
0
|
| 8
|
1
|
0
|
0
|
0
|
1
|
0
|
1
|
0
|
1
|
10
|
| 9
|
1
|
0
|
0
|
1
|
1
|
1
|
1
|
0
|
0
|
14
|
| 10
|
1
|
0
|
1
|
0
|
X
|
X
|
X
|
X
|
X
|
|
| 11
|
1
|
0
|
1
|
1
|
X
|
X
|
X
|
X
|
X
|
|
| 12
|
1
|
1
|
0
|
0
|
X
|
X
|
X
|
X
|
X
|
|
| 13
|
1
|
1
|
0
|
1
|
X
|
X
|
X
|
X
|
X
|
|
| 14
|
1
|
1
|
1
|
0
|
X
|
X
|
X
|
X
|
X
|
|
| 15
|
1
|
1
|
1
|
1
|
X
|
X
|
X
|
X
|
X
|
|
Табл. 1
Где X0, X1, X2, X3 – входные воздействия, Y0, Y1, Y2, Y3, Yp – сигналы на выходе
3. Составление логических уравнений устройства и их минимизация
Для минимизации уравнений из таблицы истинности воспользуемся преобразованиями, используя карты Карно.
Y0 = 

Y1=

Y2=

Y3=

YP=

4. Выбор элементной базы
В качестве элементной базы выберем отечественную серию КР1531(ТТЛ с диодами Шоттки), которая подходит своими параметрами под требования технического задания.
Забиваем Сайты В ТОП КУВАЛДОЙ - Уникальные возможности от SeoHammer
Каждая ссылка анализируется по трем пакетам оценки: SEO, Трафик и SMM.
SeoHammer делает продвижение сайта прозрачным и простым занятием.
Ссылки, вечные ссылки, статьи, упоминания, пресс-релизы - используйте по максимуму потенциал SeoHammer для продвижения вашего сайта.
Что умеет делать SeoHammer
— Продвижение в один клик, интеллектуальный подбор запросов, покупка самых лучших ссылок с высокой степенью качества у лучших бирж ссылок.
— Регулярная проверка качества ссылок по более чем 100 показателям и ежедневный пересчет показателей качества проекта.
— Все известные форматы ссылок: арендные ссылки, вечные ссылки, публикации (упоминания, мнения, отзывы, статьи, пресс-релизы).
— SeoHammer покажет, где рост или падение, а также запросы, на которые нужно обратить внимание.
SeoHammer еще предоставляет технологию Буст, она ускоряет продвижение в десятки раз,
а первые результаты появляются уже в течение первых 7 дней.
Зарегистрироваться и Начать продвижение
Данная элементная база имеет следующие допустимые значения внешних воздействующих факторов:
- Пониженная температура среды -60 С
- Повышенная температура среды 70 С
- Вибрация с частотой 1-2000 Гц с ускорением до 200м/с2
- Одиночные удары с ускорением до 1500м/с2
- Перегрузки до 5000м/с2
- Напряжение питания 5В±5%
- Мощность 4мВт/вентиль
Технические характеристики элементов:
| Наименование элемента
|
Тип
|
Время задержки распространения при включении, нс
|
Время задержки распространения при выключении, нс
|
Время задержки распространения среднее, нс
|
| КР1531ЛИ1
|
И
|
4.0-5.3
|
4.2-5.6
|
4.7
|
| КР1531ЛЛ1
|
ИЛИ
|
4.0-5.3
|
4.2-5.6
|
4.7
|
| КР1531ЛН1
|
НЕ
|
3.7-5.0
|
3.2-4.3
|
4.05
|
Табл. 2
5.
Расчет технических показателей устройства
Время формирования выходного сигнала
Рассчитывается время задержки распространения элементов для формирования сигнала по самому длинному пути (5 элементов).
Tз.р.сред.
= 4.05 + 4*4.7 = 22.85 нс
Потребляемая мощность
Согласно документации потребляемая мощность серии КР1531 составляет 4мВт на вентиль. При разработке устройства используется 39 элементов.
Pпот.
= 39*4 = 156 мВт
Время наработки на отказ

N = количество элементов
N = 39
λ - интенсивность отказов

tнар
= 2,56 часов.
6. Разработка принципиальной схемы устройства
Для разработки принципиальной схемы используем:
- 4 элемента КР1531ЛН1 (инверторы)
- 24 элементов КР1531ЛИ1 (умножители)
- 11 элементов КР1531ЛЛ1 (сумматоры)
Итого: 39 элемента
Для моделирования работы преобразователя в системе Orcad используем зарубежный аналог-серию 74ALS.
| Отечественный элемент
|
Зарубежный аналог
|
| КР1531ЛИ1
|
74ALS08
|
| КР1531ЛЛ1
|
74ALS32
|
| КР1531ЛН1
|
74ALS04
|
Табл. 3
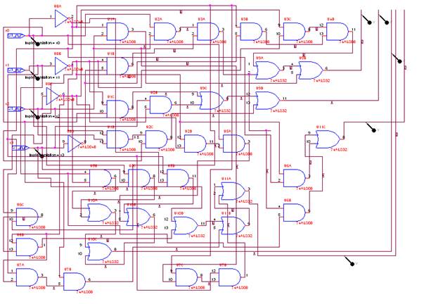
7. Моделирование работы устройства

Рис. 1
Схема смоделирована в пакете Orcad
7.1. Результаты моделирования работы преобразователя
| 
|
Результаты моделирования соответствуют таблице истинности, соответствующей ТЗ и расчетам показателей, полученным ранее.
|
Рис. 2
8. Печатная плата
Для разработки печатной платы используется компонент Layout Plus пакета Orcad.

Рис. 3
9. Печатный узел
Рис. 4
10. Оценка степени выполнения задания
В курсовой работе был разработан преобразователь простого 4-х разрядного кода букв десятичного алфавита с формированием бита паритета. Работа включает в себя разработку принципиальной схемы устройства, расчет технических показателей, моделирование работы устройства, анализ правильности функционирования, разработка конструкции печатной платы.
| Технические показатели
|
Требования ТЗ
|
Расчетное значение
|
Оценка степени выполнения задания
Сервис онлайн-записи на собственном Telegram-боте
Попробуйте сервис онлайн-записи VisitTime на основе вашего собственного Telegram-бота:
— Разгрузит мастера, специалиста или компанию;
— Позволит гибко управлять расписанием и загрузкой;
— Разошлет оповещения о новых услугах или акциях;
— Позволит принять оплату на карту/кошелек/счет;
— Позволит записываться на групповые и персональные посещения;
— Поможет получить от клиента отзывы о визите к вам;
— Включает в себя сервис чаевых.
Для новых пользователей первый месяц бесплатно.
Зарегистрироваться в сервисе
|
| Напряжение питания, В
|
5В±5%
|
5В±5%
|
Выполнено
|
| Время формирования выходного сигнала, нс
|
25
|
22.85
|
Выполнено
|
| Потребляемая мощность, мВт
|
<250
|
156
|
Выполнено
|
| Время наработки на отказ, час
|
85000
|
256000
|
Выполнено
|
| Диапазон рабочих температур, С
|
-30 до 40
|
-60 до 70
|
Выполнено
|
| Перегрузки, g
|
5
|
500
|
Выполнено
|
| Одиночные удары с ускорением не более, g
|
10
|
150
|
Выполнено
|
| Вибрация с частотой, Гц и ускорением не более, g
|
10-500
10
|
1-2000
20
|
Выполнено
|
| Срок эксплуатации, лет
|
15
|
15
|
Выполнено
|
11. Список использованной литературы
1. Нефедов А. В. Интегральные микросхемы и их зарубежные аналоги. Справочник. Т. 10. – М.: ИП РадиоСофт, 2001. – 504с.
2. Популярные микросхемы ТТЛ. М.: Аргус, 1993.
3. Справочник по интегральным микросхемам. Табарин Б.В., Якубовский С.В. и др. – М.: Энергия, 1981
4. Петров Ю.В., Рогожин В.А., Аникин С.Н. Проектирование печатных плат радиоэлектронных и телекоммуникационных устройств в САПР. Спб.:2009
|