| 
МИНИСТЕРСТВО ОБРАЗОВАНИЯ И НАУКИ РОССИЙСКОЙ ФЕДЕРАЦИИ
ФЕДЕРАЛЬНОЕ АГЕНТСТВО ПО ОБРАЗОВАНИЮ
ГОСУДАРСТВЕННОЕ ОБРАЗОВАТЕЛЬНОЕ УЧРЕЖДЕНИЕ
ВЫСШЕГО ПРОФЕССИОНАЛЬНОГО ОБРАЗОВАНИЯ
“САМАРСКИЙ ГОСУДАРСТВЕННЫЙ
ТЕХНИЧЕСКИЙ УНИВЕРСИТЕТ”
В.А. Дмитриев
ПРОЕКТИРОВАНИЕ
ПОКОВОК ШТАМПОВАННЫХ
Учебно-методическое пособие
Самара 2003
Составитель В,А, ДМИТРИЕВ
УДК 621.74
Проектирование поковок штампованных
: Учебно-метод. пособ.// В.А. Дмитриев;
Самар. гос. техн. ун-т. Самара, 2006. 44 с.
| Учебно-методическое пособие содержит теоретический материал и практические рекомендации к выполнению лабораторных работ и практических занятий при изучении дисциплины "Проектирование и производство заготовок".
Изложена методика проектирования технологических процессов горячей объёмной штамповки на кузнечном оборудовании в открытых и закрытых штампах для получения стальных круглых в плане поковок. Приведены правила разработки и оформления чертежей поковок и профиля рабочей полости штампов. Приведены сведения из нормативно-технической документации, необходимые для проектирования, и результаты решения контрольного примера.
Пособие предназначено для студентов, обучающихся по направлению 151000 «Технология, оборудование и автоматизация машиностроительных производств», специальностям 151001, 151002, 150205, и может быть использовано при выполнении курсовых и дипломных проектов.
Табл.30. Ил.20. Библиогр.: 11 назв.
Печатается по решению редакционно-издательского совета
Самарского государственного технического университета
Рецензент д-р техн. наук Р.М. Богомолов
ISBN © В.А.Дмитриев, 2006
© Самарский государственный
технический университет, 2006
|
Современная структура продукции КШП в машиностроении примерно такова: кованые поковки, изготовляемые из слитков, – 16%, из проката – 14%, штампованные поковки – 70%. Замена ковки прогрессивными методами штамповки, вальцовки, прокатки позволяет максимально приблизить форму и размеры поковок к контурам готовых деталей и тем самым более экономно расходовать металл за счёт снижения отходов в стружку в процессе обработки резанием. При этом высвобождается значительная часть парка металлорежущих станков, снижаются затраты легированной стали, расходуемой на изготовление режущего инструмента, сберегаются энергоресурсы. Кроме того, следует учесть, что в процессе штамповки обрабатываемый металл претерпевает не только наружные (контурные), но и внутренние (структурные) изменения, способствующие повышению прочности деталей по сравнению с изготовленными обработкой резанием или методами литья.
Забиваем Сайты В ТОП КУВАЛДОЙ - Уникальные возможности от SeoHammer
Каждая ссылка анализируется по трем пакетам оценки: SEO, Трафик и SMM.
SeoHammer делает продвижение сайта прозрачным и простым занятием.
Ссылки, вечные ссылки, статьи, упоминания, пресс-релизы - используйте по максимуму потенциал SeoHammer для продвижения вашего сайта.
Что умеет делать SeoHammer
— Продвижение в один клик, интеллектуальный подбор запросов, покупка самых лучших ссылок с высокой степенью качества у лучших бирж ссылок.
— Регулярная проверка качества ссылок по более чем 100 показателям и ежедневный пересчет показателей качества проекта.
— Все известные форматы ссылок: арендные ссылки, вечные ссылки, публикации (упоминания, мнения, отзывы, статьи, пресс-релизы).
— SeoHammer покажет, где рост или падение, а также запросы, на которые нужно обратить внимание.
SeoHammer еще предоставляет технологию Буст, она ускоряет продвижение в десятки раз,
а первые результаты появляются уже в течение первых 7 дней.
Зарегистрироваться и Начать продвижение
1.
ОСНОВНЫЕ ЭТАПЫ ПРОЕКТИРОВАНИЯ
ТЕХНОЛОГИЧЕСКОГО ПРОЦЕССА
ГОРЯЧЕЙ ОБЪЁМНОЙ ШТАМПОВКИ
Основными этапами проектирования технологического процесса являются:
1.Анализ технологичности конструкции штампованной заготовки.
2.Выбор штамповочного оборудования и способа штамповки.
3.Разработка технологических переходов штамповки.
4.Выбор способа нагрева, термического режима штамповки и ох-лаждения поковки.
5.Разработка чертежа поковки.
6.Конструирование профиля рабочей полости штампа.
7.Расчет размеров и массы исходной заготовки.
8.Разработка указаний о завершающих операциях (термообработка, очистка, методы контроля поковок).
9.Оценка технико-экономических показателей технологического процесса.
10.Составление технологической карты.
В рамках данной работы выполняются 1-8 этапы.
1.1. Анализ технологичности конструкции штампованной заготовки
Форма поковки определяется конфигурацией детали и принятым способом штамповки. Все элементы штампованной поковки должны иметь простую геометрическую форму и плавно сопрягаться друг с другом. Технологически рациональную форму поковки выбирают с учётом следующих рекомендаций [1,2]:
рационально одностороннее расположение рёбер, бобышек и других выступающих элементов;
следует избегать резких переходов по сечению детали (площадь поперечного сечения по длине детали не должна изменяться более чем в 3 раза);
толщину полотна не следует делать очень малой во избежание быстрого остывания поковки, ведущего к снижению стойкости штампа;
при штамповке (высадке) утолщений на концах стержней диаметр высаженной части не должен быть больше 4-х диаметров исходной заготовки, а высота высаженного утолщения должна быть более 0, 05…0,125 диаметра утолщения;
деталь не должна иметь длинных, узких отростков в плоскости полотна.
При отработке конструкции штампованной поковки на технологичность следует проверить возможность изменения конструкции детали или её элементов с целью упрощения конструкции поковки. Необходимо проверять возможность получения поковки в закрытом ручье вместо открытого или перевода штамповки с молота на другие кузнечные машины, применения комбинированных
способов изготовления поковки (вальцовка-штамповка на молоте или прессе и другие).
Сервис онлайн-записи на собственном Telegram-боте
Попробуйте сервис онлайн-записи VisitTime на основе вашего собственного Telegram-бота:
— Разгрузит мастера, специалиста или компанию;
— Позволит гибко управлять расписанием и загрузкой;
— Разошлет оповещения о новых услугах или акциях;
— Позволит принять оплату на карту/кошелек/счет;
— Позволит записываться на групповые и персональные посещения;
— Поможет получить от клиента отзывы о визите к вам;
— Включает в себя сервис чаевых.
Для новых пользователей первый месяц бесплатно.
Зарегистрироваться в сервисе
Для уменьшения расхода металла и упрощения штамповки иногда рационально разбить
деталь на две и более частей простой формы для штамповки их порознь с последующей сваркой
. Для мелких поковок более выгодна штамповка двух и более заготовок в одной поковке с последующей разрезкой.
С целью уменьшения стоимости технологической оснастки необходимо стремиться к унификации
поковки для различных деталей, применению групповых
поковок.
1.2. Выбор штамповочного оборудования и способа штамповки
При объёмной штамповке формообразование заготовки происходит в полости (ручье)
специального инструмента – штампа
. В зависимости от типа штампа различают штамповку в открытых, закрытых штампах (рис.1) и в штампах для выдавливания (рис.2). Перспективно применение штамповки выдавливанием в разъёмных матрицах (рис.3).
В качестве штамповочного оборудования используются пневматические штамповочные молоты, кривошипные и гидравлические прессы, горизонтально-ковочные машины, ковочные вальцы, радиально-обжимные машины и другое специализированное оборудование [1,3].
Р и с.1. Схемы штамповки:
а – на молоте в открытом штампе; б – на молоте в закрытом штампе;
в – на прессе в открытом штампе; г – на прессе в закрытом штампе;
1 – заготовка; 2 – поковка; 3 – выталкиватель
Р и с.2. Схемы штамповки в штампах для прямого (а) и обратного (б)
выдавливания: 1- пуансон; 2- матрица; 3 – поковка; 4 – выталкиватель
Р и с.3. Схемы штамповки выдавливанием в разъёмных матрицах:
поперечный (а), продольный (б) и смешанный (в) разъём
Поверхность разъема штампа располагают: в открытом
штампе - вблизи середины толщины
поковки, в закрытом
- совмещают с одной из торцовых
поверхностей: нижней
- при штамповке на молоте
, верхней
- при штамповке на прессе
.
В зависимости от применяемого способа штамповки и типа штампа конфигурация и размеры поковки в каждом случае будут различными (см. рис.1).
При выборе штамповочного оборудования и способа штамповки руководствуются конфигурацией детали и экономичностью техпроцесса. Каждый из видов оборудования и способов штамповки имеет свои преимущества и недостатки. В условиях единичного и мелкосерийного
производства наиболее экономичной является штамповка на пневматических молотах
в подкладных
или открытых
штампах. Признаки типов кузнечно-штамповочного производства приведены в табл.1.
Таблица 1
Признаки типа кузнечно-штамповочного производства
| Тип
производства
|
Годовой объём выпуска поковок, шт/год
|
Число типов
заготовок, шт
|
| Мелкие
(до 1 кг)
|
Средние
(1…10 кг)
|
Тяжёлые
(10…100 кг)
|
| Единичное и мелкосерийное
|
Менее
50000
|
менее
10000
|
менее
2000
|
13
и более
|
| Серийное
|
50000…
500000
|
10000…
100000
|
2000…
10000
|
6…12
|
| Крупносерийное и массовое
|
Более
500000
|
более
100000
|
более
10000
|
1…5
|
При определении массы подвижных частей штамповочного молота ориентируются на последний удар, когда полость окончательного ручья заполнена и металл вытекает в облойную канавку. Для пневматического молота
двойного действия применяют формулу Г. Гофмейстера
Мпч
= (5…6)
F
п
, (1)
где Мпч
– масса подвижных частей молота, кг; F
п
– площадь проекции поковки в плане, см2
.
Ориентировочные данные о необходимой массе подвижных частей штамповочного молота приведены в [1].
Усилие штамповки на прессе
(МН) определяется выражением
P =
y
p
уд
F
, (2)
где y
= масштабный коэффициент, для мелких поковок из штучных заготовок y
= 1; p
уд
- удельное давление прессования (МПа), определяемое для наиболее нагруженного перехода (осадки); F
– площадь поперечного сечения заготовки в зоне деформации, м2
.
, (3)
где - предел текучести материала (Мпа) при температуре окончания штамповки [3]; D
– средний диаметр заготовки после деформации, мм; H
– высота заготовки после деформации, мм.
Практикой установлено, что 1 тонна подвижных частей молота приблизительно соответствует усилию пресса, равному 10 МН.
Следовательно, если поковку штампуют на молоте с массой подвижных частей 1т, то для её штамповки на прессе потребное усилие составит 10 МН.
При закрытой штамповке масса подвижных частей молота и усилие пресса рассчитывают по тем же формулам с последующим уменьшением полученного значения на 20…25%.
Усилие высадки на ГКМ (МН) определяется по формуле, приведенной в [5],
P = k
F
п
,
(4)
где k
– коэффициент, учитывающий сложность штамповки (k
= 2…8); - предел прочности штампуемого материала (МПа
) при температуре окончания штамповки (табл.П2.2); F
п
– площадь поковки в плане, м2
.
1.3. Разработка технологических переходов штамповки
Штампованные поковки можно разделить на две основные группы – с вытянутой осью
и симметричные в плане
. К первой группе относятся поковки типа шатунов, рычагов, гладких и ступенчатых валов; ко второй - поковки фланцев, колец, зубчатых колёс и т.п. Поковки с вытянутой осью обычно штампуют поперёк оси
заготовки (плашмя); осесимметричные в плане поковки изготовляют штамповкой вдоль оси
(в торец).
Обработку заготовки в одном ручье
называют переходом
штамповки (количество ручьёв в штампе обычно соответствует количеству переходов штамповки).
Операцией
называют законченную часть технологического процесса, включающую в себя все переходы
объёмной штамповки, совершаемые за один нагрев
независимо от количества используемых при этом кузнечных машин.
Все переходы горячей объёмной штамповки можно разделить на три
основные группы – заготовительные, штамповочные и разделительные
.
Заготовительные
переходы необходимы для перераспределения металла исходной заготовки в соответствии с формой поковки. Штамповочные
переходы необходимы для получения окончательно оформленной поковки. Разделительные переходы
(отрубные, обрезные, отрезные и пробивные) необходимы для отделения поковки от прутка, обрезки облоя и пробивки отверстий, они выполняются в соответствующих ручьях тех же штампов, в которых проводят штамповку. На рис.4 показаны эскизы технологических переходов открытой штамповки на молоте осесимметричной поковки диска. В прил. 1 приведены эскизы технологических переходов штамповки заготовок на кривошипном горячештамповочном прессе (КГШП) и горизонтально-ковочной машине (ГКМ) [11].
Р и с.4. Эскизы технологических переходов открытой штамповки на молоте:
а- исходная заготовка; б- осадка; в – штамповка; г – обрезка облоя; д – пробивка перемычки;
е – плоскостная калибровка
1.4. Выбор способа нагрева, термического режима штамповки
и охлаждения поковки
В кузнечных цехах применяют следующие виды нагрева заготовок: пламенный, электрический и нагрев в жидкостях
(в растворах расплавленных солей). В условиях единичного и мелкосерийного производства поковок экономически оправдано применение пламенного нагрева. Нагрев заготовок в пламенных печах осуществляется с помощью теплоты, выделяющейся при сжигании газообразного, жидкого или твёрдого топлива. Основными видами электрического нагрева являются индукционный, контактный и в печах электросопротивления. Преимуществами нагрева в расплавах солей являются быстрота, полное отсутствие окалины и равномерность прогрева заготовок. Электрический нагрев и нагрев в жидкостях применяются в основном в условиях крупносерийного или массового производства поковок.
Для правильного установления температуры нагрева металла перед штамповкой необходимо знать её влияние на свойства металла. Прочность стали
, характеризующая её сопротивление деформированию, с повышением температуры уменьшается
. Это позволяет уменьшить потребное давление (усилие) для изменения формы металла в ручьях штампа.
Область температур, при которых металл находится в наиболее пластичном состоянии и обладает наименьшим сопротивлением пластической деформации, называется температурным интервалом
горячей обработки давлением. Максимально допустимую температуру нагрева перед штамповкой (верхний предел) Тв
для углеродистых
сталей можно определить по следующей формуле [3]
Тв
= Тс
-1500
, (5)
где Тс
– температура, соответствующая линии солидуса
диаграммы "железо-углерод
", 0
С.
Для каждого металла в зависимости от его химического состава установлены вполне определённые температурные интервалы горячей штамповки, приведенные в табл.П2.1. Там же содержатся данные о влиянии температуры нагрева стали на её сопротивление деформированию.
При охлаждении поковок происходит уменьшение их объёма и изменение состава и величины зерен металла в процессе структурно-фазовых превращений. Охлаждение поковок необходимо вести с такой скоростью, которая обеспечивает полное устранение возможности возникновения внутренних напряжений, обусловленных неравномерным их остыванием по толщине.
Режим охлаждения устанавливается в зависимости от химического состава металла, максимального поперечного сечения поковки и вида исходного металла (прокат или слиток). Чем более легирована и менее вязка сталь, тем медленнее должно вестись её охлаждение. Охлаждение поковок ведётся тремя способами: на воздухе, в колодце и вместе с печью
. Режимы охлаждения поковок приведены в работе [3].
1.5. Разработка чертежа поковки
Чертёж поковки представляет собой графический документ, выполненный в соответствии с требованиями ГОСТ 7505-89 [4] и стандартов ЕСКД. Чертёж поковки разрабатывается на основании чертежа детали и должен содержать все данные, необходимые для изготовления, контроля и приёмки поковки. Линейные и угловые размеры на чертеже поковки должны быть образованы путем добавления к номинальным размерам детали припусков на механическую обработку и кузнечных напусков, а также содержать сведения о предельно допустимых отклонениях размеров и формы поковки. Величины припусков устанавливают в зависимости от конструктивных характеристик поковки, шероховатости обработанной поверхности детали, изготовляемой из поковки.
При разработке чертежа поковки соблюдают следующий порядок действий. Определяют конструктивные характеристики и исходный индекс поковки. Выбирают тип штампа и положение плоскости разъема штампа. Назначают припуски на механическую обработку. Проектируют наметки отверстий и углублений. Назначают штамповочные уклоны. Производят расчеты размеров поковки и назначают допуски на контролируемые параметры поковки. Назначают радиусы закруглений. Формулируют технические требования на изготовление поковки. Оформляют чертеж поковки.
Определение конструктивных характеристик поковки.
ГОСТ 7505-89 устанавливает следующие конструктивные характеристики поковки: класс точности, группа стали, степень сложности, конфигурация поверхности разъема штампа.
Класс точности поковки
устанавливают в зависимости от применяемого оборудования для ее изготовления и типа штампа (табл.2).
Группа стали
. Стали, применяемые для получения поковок, подразделяют на три группы: М1, М2, М3. При назначении группы стали определяющим является среднее массовое содержание углерода и легирующих элементов ( Si, Mn, Cr, Ni, Mo, W, V и др.).
Таблица 2
Выбор класса точности поковок
| Основное деформирующее оборудование,
технологические процессы
|
Классы точности поковок
|
| Т1
|
Т2
|
Т3
|
Т4
|
Т5
|
| Кривошипные горячештамповочные прессы:
Открытая (облойная) штамповка
Закрытая штамповка
Выдавливание
Горизонтально – ковочные машины
Прессы винтовые, гидравлические
Горячештамповочные автоматы
Штамповочные молоты
Калибровка объемная (горячая и холодная)
Прецизионная штамповка
|
+
+
|
+
+
+
|
+
+
+
|
+
+
+
+
+
|
+
+
+
+
|
Примечания:
1. Прецизионная штамповка - способ штамповки, обеспечивающий устанавливаемую точность и шероховатость одной или нескольких функциональных поверхностей поковки, которые не подвергаются окончательной обработке.
2. При пламенном
нагреве заготовок допускается снижение
точности для классов Т2 - Т4 на один
класс.
3. При холодной или горячей плоскостной калибровке точность принимается на один класс выше.
М1
- сталь с массовой долей углерода до 0,35%
включительно и
суммарной массовой долей легирующих элементов до 2,0% включительно
.
М2
- сталь с массовой долей углерода свыше 0,35 до
0,65%
включительно или
суммарной массовой долей легирующих элементов свыше 2,0 до 5,0% включительно
.
М3
- сталь с массовой долей углерода свыше 0,65%
или суммарной массовой долей легирующих элементов свыше 5,0%.
Степень сложности поковки
. По степени сложности поковки подразделяют на четыре группы: С1, С2, С3, С4. Степень сложности устанавливают по табл. 3 в зависимости от численного отношения расчётной массы поковки Мпр
к массе пространственной геометрической фигуры Мф
, в которую вписывается
форма поковки. Расчетную массу поковки допускается вычислять по формуле
,
(6)
где Mпр
- расчетная масса поковки; Mд
- масса детали; Кр
- коэффициент, зависящий от формы поковки (табл. П3.1).
При вычислении Мф
габаритные линейные размеры детали рекомендуется увеличить в 1,05 раза (см. Приложение 2 ГОСТ 7505-89).
Таблица 3
Показатели для определения степени сложности поковки
| Отношение массы поковки к массе фигуры Мпр
/ Мф
( свыше - до )
|
Степень
сложности
|
| 0,63
0,32-0,63
0,16-0,32
до 0,16
|
C1
C2
C3
C4
|
Для горячих штамповок с тонкими
элементами, в том числе с пробиваемыми перемычками
, устанавливается степень сложности
C4
, если отношения t/
D,
t/
L,
t/(
D-
d)
не превышают 0,2 и
t
не более 25 мм
( где t
–толщина тонкого элемента, D
или d
– наибольший размер тонкого элемента, l
– длина тонкого элемента). Для поковок с наличием ребер, выступов, углублений, прошиваемых отверстий
степень сложности устанавливается по прил. 3 [7].
Для поковок, полученных на горизонтально-ковочных машинах, допускается определять степень сложности формы в зависимости от числа переходов: С1 – не более чем при двух переходах; С2 – при трёх переходах; С3 – при четырёх переходах; С4 – более чем при четырёх переходах.
Конфигурация поверхности разъема штампа
может быть плоской, симметрично или несимметрично изогнутой.
Определение исходного индекса поковки
.
Исходным индексом
поковки называют условный показатель, учитывающий в обобщенном виде конструктивные характеристики поковки и ее расчетную массу. Исходный индекс служит для назначения основных припусков, допусков и допускаемых отклонений. Исходный индекс определяют по табл. 4.
Для определения исходного индекса при группе стали М1, степени сложности поковки С1 и классе точности Т1 в графе “ Расчетная масса поковки “ находят соответствующую данной расчетной массе строку и перемещаются вправо только по горизонтали
до графы “Исходный индекс”. Так, для поковки с расчетной массой 5 кг и конструктивными характеристиками М1, С1, Т1 исходный индекс равен 5.
Для определения исходного индекса при группе стали М2 или М3, степени сложности поковки С2 - С4 и классе точности Т2 - Т5 от клеточки, соответствующей расчетной массе поковки, перемещаются вправо по горизонтали и вниз
по утолщенным наклонным линиям до пересечения каждой из них с вертикальными линиями, соответствующими заданным значениям М, С и Т
. Так, для поковки с расчетной массой 5 кг и конструктивными характеристиками М3, С2 и Т4 исходный индекс равен 14.
Таблица 4
Исходный индекс поковки
Общие требования при назначении припусков, допусков и кузнечных напусков
. ГОСТ 7507-89 устанавливает следующие требования при назначении припусков, допусков и кузнечных напусков.
Номинальный размер поковки - геометрический параметр, определяемый исходя из номинального размера детали, припуска и кузнечного напуска. Действительный размер поковки - фактический размер, полученный измерением с допустимой погрешностью.
Допускаемые отклонения формы и расположения поверхностей поковки являются самостоятельными величинами и не зависят от допусков и допускаемых отклонений размеров поковки. К ним относятся: смещение по поверхности разъема штампа; остаточный облой; высота заусенца; отклонение от концентричности и соосности; отклонение от плоскостности и прямолинейности; допуск радиусов закруглений; след от выталкивателя; изогнутость и радиальное биение.
Линейные размеры на чертеже поковки, образованные с учетом припусков и кузнечных напусков, должны быть проставлены от черновых баз
механической обработки, согласованных между изготовителем и потребителем и обозначенных специальным знаком на чертеже детали.
Припуски на механическую обработку
.
Припуск на механическую обработку устанавливается как величина суммарная
, включающая основной припуск
и дополнительные припуски
, учитывающие отклонения формы
поковки. Дополнительные припуски назначают для компенсации смещения по поверхности разъема штампа, отклонений от плоскостности и прямолинейности, отклонений межцентрового и межосевого расстояний, отклонений угловых размеров, изогнутости поковки. Величины этих припусков назначают, исходя из формы поковки и технологии ее изготовления. Для поковки, рассматриваемой в данной работе, требуется назначить дополнительные припуски, учитывающие смещение штампов и отклонение от плоскостности.
Численные величины всех припусков назначают на одну сторону
обрабатываемой поверхности поковки. При назначении величины припуска на поверхность, положение которой определяется двумя и более
размерами поковки, устанавливают наибольшее
из значений припусков.
Основные припуски на механическую обработку
устанавливают в зависимости от исходного индекса, линейных размеров детали и шероховатости ее поверхности по табл. 5.
Первый дополнительный припуск
, учитывающий смещение “
m
”
по поверхности разъема штампа (рис.5), назначают по табл. 6 в зависимости от массы и класса точности поковки. Таблица регламентирует величины дополнительных припусков для случая плоской
поверхности разъема штампов. Смещением по поверхности разъема штампа называют отклонение формы поковки в виде наибольшего линейного переноса по плоскости одной части поковки относительно другой.
Второй дополнительный припуск
, учитывающий отклонение от плоскостности, назначают по табл. 7 в зависимости от наибольшего размера и класса точности поковки. Отклонением от плоскостности Ра
называют отклонение, оцениваемое наибольшим расстоянием от точек действительной поверхности поковки до прилегающей плоскости (рис.6).
Таблица 5
Основные припуски на механическую обработку (на сторону), мм
| Исходный индекс
|
Толщина детали
|
| до 25
|
25 - 40
|
40 - 63
|
63 - 100
|
100 - 160
|
160 - 250
|
св.250
|
| Длина, ширина, диаметр, глубина и высота детали
|
| до 40
|
40—100
|
100—160
|
160—250
|
250-400
|
400—630
|
630—1000
|
| Ra 100
12,5
|
Ra 10
1,6
|
Ra 1,25
|
Ra 10012,5
|
Ra 10
1,6
|
Ra 1,25
|
Ra 100
12,5
|
Ra 10
1,6
|
Ra 1,25
|
Ra 100 12,5
|
Ra 10
1,6
|
Ra 1,25
|
Ra 100
12,5
|
Ra 10
1,6
|
Ra 1,25
|
Ra 100
12,5
|
Ra 10
1,6
|
Ra 1,25
|
Ra 100
12,5
|
Ra 10
1,6
|
Ra 1,25
|
| 1
|
0,4
|
0,6
|
0,7
|
0,4
|
0,6
|
0,7
|
0,5
|
0,6
|
0,7
|
0,6
|
0,8
|
0,9
|
0,6
|
0,8
|
0,9
|
_
|
—
|
—
|
—
|
—
|
—
|
| 2
|
0,4
|
0,6
|
0,7
|
0,5
|
0,6
|
0,7
|
0,6
|
0.8
|
0,9
|
0,6
|
0,8
|
0,9
|
0,7
|
0,9
|
1,0
|
0,8
|
1,0
|
1,1
|
—
|
—
|
—
|
| 3
|
0,5
|
0,6
|
0,7
|
0.6
|
0,8
|
0,9
|
0,6
|
0,8
|
0,9
|
0,7
|
0,9
|
1,0
|
0,8
|
1,0
|
1,1
|
0,9
|
1,1
|
1,2
|
1,0
|
1,3
|
1,4
|
| 4
|
0,6
|
0,7
|
0,9
|
0,6
|
0,8
|
0,9
|
0,7
|
0,9
|
1,0
|
0,8
|
1,0
|
1,1
|
0,9
|
1,1
|
1,2
|
1,0
|
1,3
|
1,4
|
1,1
|
1,4
|
1,5
|
| 5
|
0,6
|
0,8
|
0,9
|
0,7
|
0,9
|
1,0
|
0,8
|
1,0
|
1,1
|
0,9
|
1,1
|
1,2
|
1,0
|
1,3
|
1,4
|
1,1
|
1,4
|
1,5
|
1,2
|
1,5
|
1,6
|
| 6
|
0,7
|
0,9
|
1,0
|
0,8
|
1,0
|
1,1
|
0,9
|
1,1
|
1,2
|
1,0
|
1,3
|
1,4
|
1,1
|
1,4
|
1,5
|
1,2
|
1,5
|
1,6
|
1,3
|
1,6
|
1,8
|
| 7
|
0,8
|
1,0
|
1,1
|
0,9
|
1,1
|
1,2
|
1,0
|
1,3
|
1,4
|
1,1
|
1,4
|
1,5
|
1,2
|
1,5
|
1,6
|
1,3
|
1,6
|
1,8
|
1,4
|
1,7
|
1,9
|
| 8
|
0,9
|
1,1
|
1,2
|
1,0
|
1,3
|
1,4
|
1,1
|
1,4
|
1,5
|
1.2
|
1,5
|
1.6
|
1,3
|
1,6
|
1,8
|
1,4
|
1,7
|
1,9
|
1,5
|
1,8
|
2,0
|
| 9
|
1,0
|
1,3
|
1,4
|
1,1
|
1,4
|
1,5
|
1,2
|
1,5
|
1,6
|
1,3
|
1,6
|
1,8
|
1,4
|
1,7
|
1,9
|
1,5
|
1,8
|
2,0
|
1,7
|
2,0
|
2,2
|
| 10
|
1,1
|
1,4
|
1,5
|
1,2
|
1,5
|
1,6
|
1,3
|
1,6
|
1,8
|
1,4
|
1,7
|
1,9
|
1,5
|
1,8
|
2,0
|
1,7
|
2,0
|
2,2
|
1,9
|
2,3
|
2,5
|
| 11
|
1,2
|
1,5
|
1,6
|
1,3
|
1,6
|
1,8
|
1,4
|
1,7
|
1,9
|
1,5
|
1,8
|
2,0
|
1,7
|
2,0
|
2,0
|
1,9
|
2,3
|
2,5
|
2,0
|
2,5
|
2,7
|
| 12
|
1,3
|
1,6
|
1,8
|
1,4
|
1,7
|
1,9
|
1,5
|
1,8
|
2,0
|
1,7
|
2,0
|
2,2
|
1,9
|
2,3
|
2,5
|
2,0
|
2,5
|
2,7
|
2,3
|
2,7
|
3,0
|
| 13
|
1,4
|
1.7
|
1,9
|
1,5
|
1,8
|
2,0
|
1,7
|
2,0
|
2,2
|
1,9
|
2.3
|
2,5
|
2,0
|
2,5
|
2,7
|
2,2
|
2,7
|
3,0
|
2,4
|
3,0
|
3,3
|
| 14
|
1,5
|
1,8
|
2.0
|
1,7
|
2,0
|
2,2
|
1,9
|
2,3
|
2,5
|
2,0
|
2,5
|
2,7
|
2,2
|
2,7
|
3,0
|
2,4
|
3,0
|
3,3
|
2,6
|
3,2
|
3,5
|
| 15
|
1,7
|
2,0
|
2,2
|
1,9
|
2,3
|
2,5
|
2,0
|
2,5
|
2,7
|
2,2
|
2,7
|
3,0
|
2,4
|
3,0
|
3,3
|
2,6
|
3,2
|
3,5
|
2,8
|
3,5
|
3,8
|
| 16
|
1,9
|
2,3
|
2,5
|
2,0
|
2,5
|
2,7
|
2,2
|
2,7
|
3,0
|
2,4
|
3,0
|
3,3
|
2,6
|
3,2
|
3,5
|
2,8
|
3,5
|
3,8
|
3,0
|
3,8
|
4,1
|
| 17
|
2,0
|
2,5
|
2,7
|
2,2
|
2,7
|
3,0
|
2,4
|
3,0
|
3,3
|
2,63
|
3,2
|
3,5
|
2,8
|
3,5
|
3,8
|
3,0
|
3,8
|
4,1
|
3,4
|
4,3
|
4,7
|
| 18
|
2,2
|
2,7
|
3,0
|
2,4
|
3,0
|
3,3
|
2,6
|
3,2
|
3,5
|
2,8
|
3,5
|
3,8
|
3,0
|
3,8
|
4,1
|
3,4
|
4,3
|
4,7
|
3,7
|
4,7
|
5,1
|
| 19
|
2,4
|
3,0
|
3,3
|
2,6
|
3,2
|
3,5
|
2,8
|
3,5
|
3,8
|
3,0
|
3,8
|
4,1
|
3,4
|
4,3
|
4,7
|
3,7
|
4.7
|
5,1
|
4,1
|
5,1
|
5,6
|
| 20
|
2,6
|
3,2
|
3,5
|
2,8
|
3,5
|
3,8
|
3,0
|
3,8
|
4,1
|
3,4
|
4.3
|
4,7
|
3,7
|
4,7
|
5,1
|
4,1
|
5,1
|
5,6
|
4,5
|
5,7
|
6,2
|
| 21
|
2,8
|
3,5
|
3,8
|
3,0
|
3,8
|
4,1
|
3,4
|
4,3
|
4,7
|
3,7
|
4,7
|
5,1
|
4,1
|
5,1
|
5,6
|
4,5
|
5,7
|
6,2
|
4,9
|
6,2
|
6,8
|
| 22
|
3,0
|
3,8
|
4,1
|
3,4
|
4,3
|
4,7
|
3,7
|
4,7
|
5,1
|
4,1
|
5,1
|
5,6
|
4,5
|
5,7
|
6,2
|
4,9
|
6,2
|
6,8
|
5,4
|
6,8
|
7,5
|
| 23
|
3,4
|
4,3
|
4,7
|
3,7
|
4,7
|
5,1
|
4,1
|
5,1
|
5,6
|
4,5
|
5,7
|
6,2
|
4,9
|
6,2
|
6,8
|
5,4
|
6,8
|
7,5
|
5,8
|
7,4
|
8,1
|
Таблица 6
Первый дополнительный припуск
|
Масса
поковки, кг
|
Припуски для классов точности
поковки, мм
|
| Плоская поверхность разъема
|
| Т1
|
Т2
|
Т3
|
Т4
|
Т5
|
| Симметрично изогнутая
поверхность разъема
|
| Т1
|
Т2
|
Т3
|
Т4
|
Т5
|
| Несимметрично изогнутая поверхность разъема
|
| Т1
|
Т2
|
Т3
|
Т4
|
Т5
|
| До0,5 включ.
Св.0,5 -1,0
1,0 - 1,8
1,8 - 3,2
3,2 - 5,6
5,6 - 10,0
10,0-20,0
20,0-50,0
50,0-125,0
125,0-250,0
|
0,1
|
0,1
|
0,1
|
0,1
|
0,2
|
0,2
|
0,3
|
0,3
|
| 0,2
|
0,3
|
| 0,2
|
0,3
|
0,4
0,5
0,6
0,7
0,9
1,2
1,6
2,0
|
| 0,2
|
0,3
|
0,4
0,5
0,6
0,7
0,9
1,2
1,6
|
| 0,2
|
0,3
|
0,4
0,5
0,6
0,7
0,9
1,2
|
| 0,3
|
0,4
0,5
0,6
0,7
0,9
|
| 0,3
|
0,4
0,5
0,6
0,7
|
| 0,4
0,5
0,6
|
| 0,4
0,5
|
| 0,4
|
Р и с.5.Смещение по
плоскости разъёма
штампа
Таблица 7
Второй дополнительный припуск
| Наибольший размер
поковки, мм
|
Припуски для классов точности поковки, мм
|
| Т1
|
Т2
|
Т3
|
Т4
|
Т5
|
| До 100 вкл.
Св.100 -160
160 - 250
250 - 400
400 - 630
630 - 1000
1000-1600
1600-2500
|
0,1
0,2
0,2
0,3
0,4
0,5
0,6
0,8
|
0,2
0,2
0,3
0,4
0,5
0,6
0,8
1,0
|
0,2
0,3
0,4
0,5
0,6
0,8
1,0
1,2
|
0,3
0,4
0,5
0,6
0,8
1,0
1,2
1,6
|
0,4
0,5
0,6
0,8
1,0
1,2
1,6
2,0
|
Р и с.6. Неплоскостность
поковки
Назначение штамповочных уклонов
.
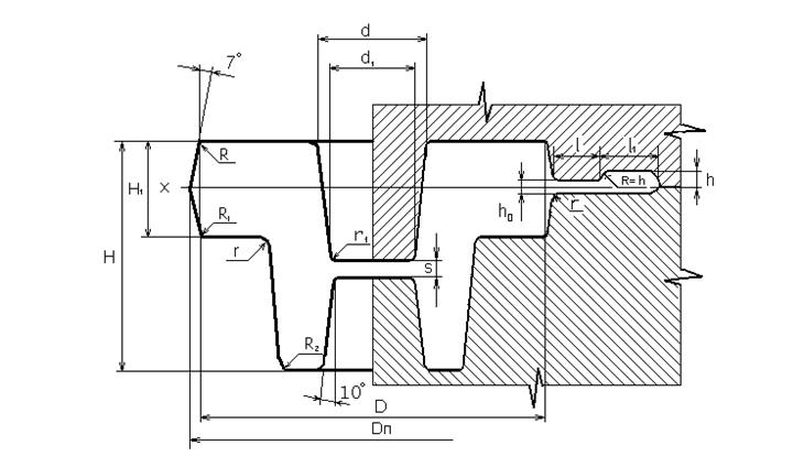
Штамповочные уклоны назначают по табл. 8 на все поверхности, расположенные параллельно направлению движения деформирующего инструмента. Точки пересечения следов конусных поверхностей, образованных штамповочными уклонами, являются координатами расположения поверхности разъема штампа и средней линии толщины перемычки. При этом в плоскости разъема штампа и по средней линии перемычки образуются новые размеры Dn
и dn
, характеризующие наибольший наружный и наименьший внутренний диаметры поковки. На рис.7 приведены схемы, иллюстрирующие образование координат плоскости разъёма штампа и размеров поковки в открытом (а) и закрытом (б) штампе (Z – условное обозначение припуска, x
– x
плоскость разъёма ).
Таблица 8
Величины штамповочных уклонов
| Оборудование
|
Штамповочные уклоны, град
|
| на наружной поверхности
|
на внутренней
поверхности
|
| Штамповочные молоты, прессы без выталкивателей
Прессы с выталкивателями, горизонтально-ковочные машины
Горячештамповочные автоматы
|
7
5
1
|
10
7
2
|
Проектирование углублений
.
При наличии в детали полости или отверстия
с целью снижения отходов металла в стружку проектируют намётку
отверстия (рис. 8). Образующуюся при штамповке перемычку удаляют в дальнейшем на обрезном прессе. При штамповке поковок с наметками в наиболее тяжелых условиях работают выступы штампов, называемые знаками
.
(а)
(б) Р и с.7. Схема образования координат плоскости разъёма и размеров поковок в открытом (а) и закрытом (б) штампах
Вследствие низкой стойкости знаков полости диаметром менее 30 мм
при горячей штамповке не выполняют
. Выполнение сквозных
отверстий в поковках обязательно
, если диаметр отверстий больше или равен
высоте поковок.
В зависимости от формы и размеров штампуемого отверстия различают намётки с плоской перемычкой, с раскосом, с магазином, с карманом и глухие
[1]. Плоскую
перемычку получают в небольших отверстиях с диаметром основания:
d
осн
.= 24+0,0625
D
п
, (7)
где D
п
– наибольший диаметр поковки, мм.
Р и с. 8. Чертеж поковки:
R
и r
— соответственно наружные и внутренние радиусы; a и b— соответственно наружный и внутренний штамповочные уклоны; DП
—
диаметр поковки; НП
—
высота поковки; hН
и
hВ
— глубина соответственно нижней и верхней наметок
Намётка верхним знаком делается глубиной hв
£
d осн
, а нижним знаком hн
£ 0,8
dосн
. Толщину плоской перемычки либо рассчитывают по формулам (8-9), либо определяют по табл. 9-10 и рис.9.
, (8)
, (9)
где h
¢- высота углубления ориентировочная; d
осн
.
- диаметр основания углубления.
Минимальная ширина кольцевого выступа поковки
определяется размером поковки (см. табл.10)
b1 min
= 10 + 0.0625 D
П
(10)
Если ширина выступа больше b
1
>
b
1
min
, то этот выступ получают в поковке при условии h
/
b
1
< 0,8
; в противном случае назначается напуск.
Р и с. 9. Параметры круглых и удлиненных в плане поковок
с плоским дном или перемычкой
Таблица 9
Минимальная толщина
S
(мм) дна или плоской перемычки
удлинённых или круглых в плане поковок (см. рис. 9)
| KS
или dS
|
L/KS
≤ 3
или h/d S
≤ 3
|
L/KS
> 3
или h/dS
> 3
|
| до 25
|
2
|
3
|
| 25 - 40
|
3
|
4
|
| св. 40 до 63
|
5
|
6
|
| » 63 » 100
|
6
|
8
|
| » 100 » 160
|
8
|
10
|
| » 160 » 250
|
12
|
16
|
| » 250 » 400
|
20
|
25
|
| » 400 » 630
|
30
|
40
|
Примечание. KS
=0,5 (K1
+ K2
); dS
= 0,5 (d1
+ d2
)
Таблица 10
Минимальная ширина
b
(мм) выступов (рёбер) удлинённых или круглых в плане поковок (см. рис. 9)
| h, мм
|
b
|
h, мм
|
b
|
| до 10
|
3
|
св. 40 до 63
|
12
|
| 10 - 16
|
4
|
св. 63
|
20
|
| св. 16 до 25
|
5
|
до 100
|
| » 25 » 40
|
8
|
св. 100 до 160
|
32
|
Радиусы закруглений
.
Наружные и внутренние углы поковки оформляют радиусами закруглений. Закругления радиусом R
, центры которых находятся внутри
контура поковки, относятся к наружным
, а радиусами r
с центрами вне контура поковки – к внутренним (см. рис.8). Минимальную величину радиусов наружных углов R
устанавливают по табл. 11 в зависимости от массы поковки и глубины h
полости ручья штампа. Величину радиусов закругления внутренних углов r
устанавливают по согласованию между изготовителем и потребителем. Рекомендуется величину внутренних углов принимать в 2 - 3 раза больше наружных: r
≈(2
…3)R
. Величины радиусов должны быть во всех случаях согласованы с припусками
на обработку.
Допуски и допускаемые отклонения размеров поковки
.
Допуски и допускаемые отклонения линейных размеров поковки назначают по табл.П4.1 в зависимости от исходного индекса и размеров поковки. Допуски наносят на чертеж поковки с соблюдением следующих правил:
Таблица 11
Радиусы закруглений наружных углов поковки
| Масса поковки, кг
|
Минимальная величина радиусов закруглений R при глубине полости ручья штампа, мм
|
| до 10 включ.
|
10-25
|
25-50
|
св. 50
|
| До 1,0 включительно
Св. 1,0 - 6,3
6,3 - 16,0
16,0 - 40,0
40,0 - 100,0
100,0 - 250,0
|
1,0
1,6
2,0
2,5
3,0
4,0
|
1,6
2,0
2,5
3,0
4,0
5,0
|
2,0
2,5
3,0
4,0
5,0
6,0
|
3,0
3,6
4,0
5,0
7,0
8,0
|
- допуски размеров типа D, Dn
, D1
, T
и t
(наружные размеры), учитывающие недоштамповку и двухсторонний износ штампов, принимают без корректировки
величин и знаков.
- допуски размеров типа d
и dn
(внутренние размеры), учитывающие износ выступов штампов, принимают с обратными
знаками.
- допуски размеров типа T
и t
(толщины поковки), учитывающие недоштамповку, устанавливают по наибольшей
толщине поковки.
- допуски размеров, не указанных на чертеже поковки, принимают равными 1,5 допуска соответствующего размера поковки, с равными
допускаемыми отклонениями.
Припуски и допуски на толщину поковок, подвергаемых холодной калибровке
.
При холодной калибровке припуски на механическую обработку и допуски на толщину между калиброванными плоскостями определяют по табл. П4.2. Допускаемые отклонения принимают равными половине поля допуска
.
Допускаемые отклонения формы и расположения поверхностей
.
Допускаемые отклонения формы и расположения поверхностей поковки в виде смещения по поверхности разъема штампов, остаточного облоя, высоты заусенца, отклонения от концентричности и плоскостности являются самостоятельными величинами и не зависят от допусков и допускаемых отклонений размеров поковки. Параметры этих величин отражают в технических требованиях на чертеже поковки.
Допускаемое смещение по поверхности разъема штампа
назначают по табл. П5.1 в зависимости от массы и класса точности поковки.
Остаточный облой и срезанная кромка.
При обрезке облоя и пробивке отверстия на поверхности поковки могут образоваться дефекты в виде выступа - остаточного облоя, или, наоборот, в виде срезанной кромки. Допускаемую величину остаточного облоя для случая плоской поверхности разъема штампов назначают по табл. П5.2 в зависимости от массы и класса точности поковки. Допускаемую величину остаточного облоя по контуру отверстия для радиусов перехода на стыке с перемычкой менее 10 мм удваивают. Величина срезанной кромки не должна уменьшать установленного припуска.
Допускаемая величина высоты заусенца.
Заусенцем называют выступ, образовавшийся на поверхности поковки в непредусмотренных для образования облоя местах сочленения частей штампов (зазорах), а также при обрезке облоя и пробивке отверстия. Допускаемую величину высоты заусенца назначают по табл. П5.3 в зависимости от массы, степени сложности и размеров поковки и способа штамповки.
Допускаемое отклонение от концентричности.
При пробивке отверстия в поковке центр его может сместиться относительно центра поковки. Такое смещение называют отклонением от концентричности. Допускаемое отклонение от концентричности пробитого в поковке отверстия относительно внешнего контура поковки устанавливают по табл. П5.4 в зависимости от наибольшего размера и класса точности поковки.
Допускаемое отклонение от плоскостности
устанавливают по табл. П5.5 в зависимости от наибольшего размера и класса точности поковки.
Табл. П5.1 и П5.2 регламентируют допускаемые величины смещений по поверхности разъема штампов и остаточного облоя только для случая плоской
поверхности разъема штампов. Допускаемые отклонения от концентричности, приведенные в табл. П5.4, соответствуют началу пробивки со стороны входа пуансона в поковку. В конце пробивки (со стороны выхода пуансона) эти отклонения могут быть увеличены на 25%.
1.6. Конструирование профиля рабочей полости штампа
Типы облойных канавок
открытых штампов приведены на рис.10. Толщину облоя h0
, рассчитывают для круглых в плане поковок по формуле
h0
= 0,015Dп
, (11)
Для поковок произвольной формы с площадью поперечного сечения F
П
ho
=
0,
015
(12)
а) б)
Р и с. 10. Основные типы облойных канавок:
а — при штамповке на молотах, б —
при штамповке на прессах
Остальные параметры облойной канавки для молотовых штампов назначают по табл. П6.1, а для прессовых штампов – по табл. П6.2 в зависимости от величины усилия пресса.
В виду того что штамповке подвергают нагретую
заготовку, размеры рабочей полости штампа должны быть увеличены на 1,5%
(или в 1,015 раза). На рис.11 приведен эскиз горячей поковки (слева) и профиль рабочей полости молотового штампа (справа).
 Основным конструктивным параметром замка закрытого штампа
является глубина ручья h
, остальные параметры назначают по табл.12 [6].
Р и с.11. Эскиз горячей поковки и профиля рабочей полости штампа
Таблица 12
Конструкция и размеры замка закрытого штампа
| 
|
Конструктивные
параметры
|
Размеры
|
| в долях h
|
в мм
|
| a1
|
1,5
|
-
|
| a2
|
1,0
|
-
|
| δ
|
-
|
0,2-0,6
|
| RВ.Ш.
|
-
|
8-10
|
| RН.Ш.
|
-
|
5-6
|
| Rn
|
-
|
≤ 0,3
|
| Δ для КГШП
|
-
|
≥ 4
|
| Δ для молота
|
-
|
0
|
| α
|
См. табл. 8
|
1.7. Расчет размеров и массы исходной заготовки
При расчете размеров исходной заготовки под штамповку используют закон постоянства объема: при пластической деформации объем металла практически не изменяется.
Исходная заготовка представляет собой горячекатаный прокат круглого или квадратного поперечного сечения. При открытой штамповке с образованием облоя целесообразно применять прокат обычной (В)
точности по сортаменту ГОСТ 2590-88 [8]. При закрытой штамповке (особенно на ГКМ) применяют прокат повышенной (Б, А)
точности по тому же сортаменту или калиброванный
прокат по сортаменту ГОСТ 7417-75 [9].
Тогда длина исходной заготовки
L
из
= Vиз
/ Fиз
, (13)
где Vиз
- объем металла исходной заготовки; Fиз
- площадь поперечного сечения исходной заготовки.
Объем металла исходной заготовки при штамповке в торец
Vиз
= Vп
+ Vотх
=
V
п
+
V
обл
+
V
у
+
V
пер
, (14)
где Vп
- объем металла поковки; Vотх
- объем отходов на технологических операциях штамповки (облой, угар, перемычка).
В процессе штамповки происходит износ ручья, т.е. увеличение его внешних размеров и уменьшение внутренних. Поэтому при подсчёте объёма поковки её номинальные размеры увеличивают: внешние
– на половину положительного
допуска, а внутренние
– на половину отрицательного.
Объём облоя при штамповке на молоте
[5] определяют по формуле
V
обл
=
F
о.к.
·
p·
k
, (15)
где F
о.к
.
– площадь облойной канавки, определяемая в зависимости от выбранного оборудования по табл.П5.1; p
– периметр поковки в плоскости разъёма штампа; k
– коэффициент, учитывающий заполнение металлом облойной канавки (k
= 0,75…0,8).
Объём облоя при штамповке на прессе
V
обл
=
V
мост
+
V
маг
=
p
(
h
0
l
+
Bh
2
)
, (16)
где p
– периметр поковки в плоскости разъёма штампа, мм; h
0
– толщина мостика, мм; l
– ширина мостика, мм; B
– ширина облоя в магазине, мм: B
=10 мм для M
пр
< 0,5кг; B
= 15 мм для M
пр
< 2кг; B
= 20 мм для M
пр
> 2кг; h
2
– средняя толщина облоя в магазине, h
2
= 2
h
0
,
мм.
Параметры облойной канавки h
0
и l
приведены в табл.5.2 в зависимости от величины усилия пресса (МН).
Угар металла зависит от способа нагрева заготовок: при пламенном
нагреве он составляет 2..3 % , а при электронагреве
- 0,5…1,0% от массы нагреваемого металла (Vп
+ Vоб
+Vпер
).
Объём перемычки под пробивку определяют после выбора её размеров и формы [1].
Получив по формуле (14) значение объёма исходной заготовки, выразим его через размеры сортового проката: диаметр D
из
и высоту H
из
. Из соображений обеспечения продольной устойчивости заготовки при осадке задаются величиной коэффициента m
=
H
из
/
D
из
из условия: 1,25 < m
<2,5 (чаще всего m
= 2).
Тогда расчётный диаметр (или сторона квадрата) исходной заготовки определяется в виде
(17)
Далее по сортаменту сортового проката определяем принятое
значение диаметра исходной заготовки D
из
, пересчитываем площадь сечения Fиз
и по формуле (13) находим длину исходной заготовки.
1.8. Правила оформления чертежа поковки
Чертёж поковки должен содержать все данные, необходимые для изготовления поковки, её контроля и приёмки. Чертёж поковки выполняется в соответствии с требованиями ГОСТ 3.1126-88 и стандартов ЕСКД. Поковку изображают в том положении, которое она занимает в штампе
. Масштаб изображения 1:1.
В графе I основной надписи чертежа под наименованием детали пишут слово "поковка штампованная".
Контуры детали вычерчивают тонкой штрихпунктирной линией. Размеры детали проставляют под размерами поковки в круглых скобках. Черновые базы
указывают на соответствующих поверхностях специальными знаками. Плоскость разъёма штампа изображают штрихпунктирной линией, обозначенной на концах знаками Х- -Х. Размеры поковки с допусками проставляют от черновых баз
с учётом удобства контроля поковки. Размерные линии для поверхностей с уклонами проводят от вершин углов.
Технические требования, предъявляемые к поковке, располагают над основной надписью чертежа
без заголовка. В технических требованиях указывают группу, категорию прочности, конструктивные характеристики и исходный индекс поковки; допускаемые отклонения формы и расположения поверхностей поковки; неуказанные предельные отклонения размеров и допуски радиусов закруглений; требования к качеству поверхности поковки; размеры и массу исходной заготовки; сведения о дополнительных отделочных операциях (правка, холодная или горячая калибровка).
Обозначение группы и категории прочности поковок
. Технические условия на поковки из конструкционной углеродистой и легированной стали регламентируются ГОСТ 8479-70 [10]. Поковки в зависимости от назначения разделяют на пять
групп: группа I - без механических испытаний, группы II и III - испытания на твердость, группы IV и V - специальные механические испытания. Поковки IV и V групп по механическим свойствам разделяют на 16 категорий прочности. Отнесение поковки к той или иной группе производится потребителем, номер группы указывают в технических требованиях на чертеже детали. Нормы твердости для поковок II и III групп и категории прочности для поковок IV и V групп устанавливаются по соглашению изготовителя с потребителем.
Номер группы, категорию прочности и сдаточные характеристики поковки указывают в технических требованиях на чертеже поковки специальным условным обозначением. Категория прочности обозначается буквами КП и числом, соответствующим пределу текучести материала поковки. Например: КП 175, где 175- предел текучести (МПа) материала поковки. Примеры условных обозначений поковок.
Поковки группы II (или III) из стали твердостью НВ 143 - 179
Гр. II (или III) НВ 143 - 179 ГОСТ 8479-70.
Поковки группы IV (или V) с категорией прочности КП 490
Гр. IV (или V) КП 490 ГОСТ 8479-70.
Марки стали для всех групп поковок устанавливаются по соглашению изготовителя с потребителем и указываются на чертеже детали и поковки. В табл. 13 приведен пример составления технических требований чертежа штампованной поковки..
Таблица 13
Пример записи технических требований на изготовление поковок
| Вид требования
|
Параметры требования
|
| Характеристики
поковки
|
Поковка Гр. … (см. раздел 1.8.)
Класс точности …, группа стали …, степень сложности …, исходный индекс … (см. раздел 1.5)
|
Допускаемые отклонения формы и расположения поверхностей поковки
|
Допускаемое смещение по поверхности разъёма штампа … (см. табл. П5.1)
Допускаемая величина остаточного облоя по внешнему контуру поковки …мм (см. табл. П5.2)
Допускаемая величина высоты заусенца по внешнему контуру поковки …мм (см. табл. П5.3)
Допускаемое отклонение от концентричности пробитого отверстия относительно внешнего контура поковки …мм (см. табл. П5.4)
Допускаемое отклонение от плоскостности …мм (см. табл. П5.5)
|
| Неуказанные предельные отклонения
|
Неуказанные предельные отклонения размеров … (см. п.5.5 ГОСТ 7505-89)
|
| Требования к качеству поверхностей поковки и
термической обработке
|
Очистка от окалины …. (дробеструйная, галтовкой, химическая и др.) На обрабатываемых поверхностях допускаются внешние дефекты не более 50% припуска
|
| Размеры и масса исходной заготовки
|
Размеры исходной заготовки: Dиз
´ Hиз
…мм, масса … кг
(см. раздел 1.7)
|
| Сведения о дополнительных отделочных операциях
|
По размеру … (толщина поковки) калибровать … (см. табл.П4.2)
|
МЕТОДИКА ВЫПОЛНЕНИЯ РАБОТЫ
Описание методики иллюстрируется примером проектирования поковки штампованной для детали «Фланец», приведенной в Приложении 7.
Подготовка исходных данных
.
Деталь представляет собой осесимметричное тело вращения, материал – хромистая легированная сталь 20Х ГОСТ 4543-71 с содержанием углерода до 2-х % и хрома до 1 %. Механические свойства: σв
=800 МПа, σт
= 650 МПА, твердость по Бринелю в отожженном или отпущенном состоянии не более 179НВ. Термообработка – нормализация. Группа поковки II по ГОСТ 8479-71. По табл.1 определяем тип производства поковок – мелкосерийное при Мпр
= 2,82 кг и годовом объёме выпуска Nг
= 1000 шт/год. Поэтому выбираем в качестве штамповочного оборудования пневматический штамповочный молот, тип штампа – открытый, способ нагрева исходной штучной заготовки – пламенный. Исходные данные вносим в карту проектирования техпроцесса (табл.14).
Таблица14
Карта проектирования техпроцесса
| Иванов И.И.
|
3-МС-1
|
10
|
01.10.02
|
| (Ф.И.О. студента)
|
(курс, группа)
|
(вариант)
|
(дата)
|
| Исходные данные
|
| Наименование детали
|
Фланец
|
| Масса детали, кг
|
1,88
|
| Годовой объём выпуска, шт.
|
1000
|
| Материал, термообработка
|
Сталь 20Х ГОСТ 4543-71, нормализация
|
| Группа поковки по ГОСТ 8479-71
|
Поковка II группы
|
| Штамповочное оборудование
|
Пневматический штамповочный молот
|
| Способ штамповки
|
Открытый
|
| Способ нагрева исходной заготовки
|
Пламенный
|
Разработка технологических переходов штамповки.
Изобразите эскизы технологических переходов для Вашего варианта штамповочного оборудования, способа штамповки и размеров детали.
Определение исходного индекса поковки
.
Для определения исходного индекса вычислите конструктивные характеристики и расчетную массу поковки.
Класс точности поковки
. По табл.2 для открытой молотовой штамповки при пламенном нагреве рекомендуется класс точности Т5.
Группа стали
. Материал поковки сталь 20Х. Средняя массовая доля углерода в этой марке – 0,2%, суммарная массовая доля легирующих элементов – не более 2-х %. Устанавливаем группу стали М1.
Расчетная масса поковки
. По формуле (6) и табл.П3.1 расчетная масса поковки
Мпр
= Мд
·kp
= 1,88·1,5 = 2,82 кг.
Степень сложности поковки
. Определим отношение t
/
D
для нашего варианта размеров: 20/125=0,16<0,2 - то есть поковка содержит тонкий элемент t<25 мм. Поэтому для таких поковок с тонкими элементами и пробиваемыми перемычками стандартом устанавливается степень сложности С4.
Исходный индекс поковки
. По табл.4 устанавливаем исходный индекс поковки 15.
Расчет размеров поковки.
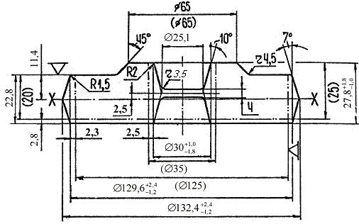
1. По заданному варианту размеров в масштабе 1:1 тонкой штрихпунктирной линией вычертите контур детали в том положении, которое поковка занимает в штампе (рис.12,а). Укажите исходные базы механической обработки. Заполните графы 2-4 табл.15.

a)

б)
Р и с.12. Эскизы холодной (а) и горячей (б, слева) поковки
и профиля рабочей полости штампа (б, справа)
2. Пользуясь эскизом (см. рис.12,а) и табл.5-7, последовательно заполните графы 5-9 табл.15 и назначьте основные и дополнительные припуски на обрабатываемые размеры поковки, рассчитайте номинальные размеры поковки.
Размер
D
: основной припуск 2,0 мм (D=125 мм; Ra
=12,5 мкм; исходный индекс поковки 15; смещение по плоскости разъёма штампа 0,3 мм (Мпр
= 2,82 кг; класс точности Т5); суммарный припуск на сторону 2,3 мм (2,0+0,3); размер поковки 129,6 мм (120+2,3·2).
Размер
d
: основной припуск 2,2 мм (D=35 мм; Ra
=0,8 мкм; исходный индекс поковки 15; смещение по плоскости разъёма штампа 0,3 мм (Мпр
= 2,82 кг; класс точности Т5); суммарный припуск на сторону 2,5 мм (2,2+0,3); размер поковки 30 мм (35-2,5·2).
Размер
D
1
: припуск не назначают, так как по этому размеру нет механической обработки.
Размер Т-толщина
: основной припуск 2,3 мм (Т=25 мм; Ra
=1,6 мкм; исходный индекс поковки 15; отклонение от плоскостности 0,5 мм (наибольший размер поковки 129,6 мм; класс точности Т5); суммарный припуск на сторону 2,8 мм (2,3+0,5); размер поковки 27,8 мм (25+2,8).
Размер
t
-толщина
: основной припуск 2,0 мм (t=20 мм; Ra
=1,6 мкм; исходный индекс поковки 15; отклонение от плоскостности 0,5 мм (наибольший размер поковки 129,6 мм; класс точности Т5); суммарный припуск на сторону 2,5 мм (2,0+0,5). Положение нижнего торца поковки определяется двумя размерами T и t с разными припусками. В соответствии с п. 4.5 ГОСТ 7505-89 необходимо установить наибольшее значение при-пуска на эту поверхность 2,8 мм: тогда размер поковки 22,8 мм (20+2,8).
3. Нанесите припуски на эскиз поковки и проставьте их размеры, проведите размерные линии и проставьте образовавшиеся размеры поковки.
4. Выберите положение плоскости разъёма штампа. Назначьте и изобразите штамповочные уклоны (см. табл.8 и рис.7). Установите координаты плоскости разъёма штампа, проведите её тонкой штрихпунктирной линией, обозначьте условными знаками и свяжите с черновой базой размером. Проведите от образовавшихся в плоскости разъёма штампа вершин углов размерные линии для обозначения размеров внешнего Dп
и внутреннего dп
контуров поковки. Рассчитайте эти размеры как катеты треугольников, образованных штамповочными уклонами, заполните графы 10-11 табл.15.
5. Рассчитайте толщину перемычки по формулам (7-9) или выберите по рис.9 и табл.9.
h′ = 0,5·T – 2 = 0,5·27,8-2 = 11,9 мм.
мм

Изобразите перемычку на эскизе и свяжите её среднюю линию с плоскостью разъёма штампа размером, полученным графическим построением и расчетом, проставьте размер толщины перемычки.
6. Назначьте по табл.11 радиусы закруглений наружных и внутренних углов поковки.
7. Назначьте допуски на размеры поковки по табл.П4.1с учетом 15 исходного индекса поковки. Согласно п.5.2 стандарта допускаемые отклонения внутренних размеров должны устанавливаться с обратными знаками. Заполните графы 12-13 табл.15. Допуск на диаметр ø65 относится к разряду не указанных на чертеже. Поэтому по п.5.5 стандарта он принимается равным 1,5 допуска номинального размера ø65 с равными допускаемыми отклонениями, то есть ±2,4 мм (3,2·1,5 = 4,8 мм).
Проставьте на эскизе поковки размеры из графы 13 табл.15. Допуск на размеры в направлении штамповки проставляют один раз. Не указанный на чертеже допуск не проставляют, а записывают в технические требования чертежа поковки.
8. Рассчитайте размеры горячей поковки, заполните графу 14 табл.15.
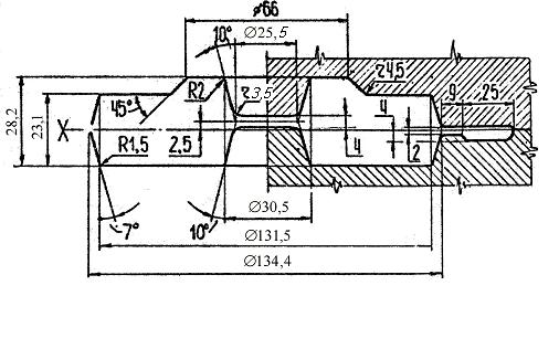
Конструирование профиля рабочей полости штампа
.
По размерам, полученным в графе 14 табл.15, вычертите эскиз (контур) горячей поковки (см. рис.12,б слева) и проставьте размеры. Для открытого штампа рассчитайте толщину облоя ho
по формуле (11) и выберите параметры облойной канавки по табл. П6.1.
ho
= 0,015·Dп
= 0,015·132,4 = 1,98 мм
Выбираем ближайшую канавку №5, для которой ho
= 2 мм. Для закрытого штампа сконструируйте замок согласно табл.12. Оформите эскиз профиля рабочей полости штампа. Эскиз профиля рабочей полости штампа приведен на рис.12,б справа.
Расчет размеров и массы исходной заготовки
.
Определите объём исходной заготовки по формуле (14). Вычислите объём поковки в виде алгебраической суммы объёмов трех усеченных конусов за вычетом объёмов двух усеченных конусов и цилиндра (см. рис.12,а) или распечатайте МЦХ объёмной модели поковки
Vп
= 19,265+2·146,732-2·7,11-1,798 = 296,531 см3
Объём отходов складывается из объёмов облоя, угара и перемычки
Vотх
= Vоб
+ Vу
+Vпер
Определите объём облоя по формуле (15), полагая периметр поковки
р = π۬ Dп.
max
и Fок
= 136 мм2
по табл.П6.1 для облойной канавки №5
Vоб
= 0,75·3,14·132,4·136 = 42405,07 мм2
= 42,405 см3
.
Определите объём перемычки толщиной S=5 мм как объём цилиндра
Vпер
= π·R2
· S = 3,14·92
·5 = 1271,7 мм2
= 1,272 см3
.
Определите объём угара металла при пламенном нагреве
Vу
= 0,025·( Vп
+ Vоб
+Vпер
)= 0,025·(296,531+42,405+1,272)=8,5 см3
.
Определите объём исходной заготовки
Vиз
= Vп
+ Vотх
= 296,531+42.405+8,5+1,272 = 348,708 см3
.
Определите массу поковки
Мп
=(Vп
·ρ)/1000 =(296,531·7,85)/1000 = 2,33 кг.
Определите массу исходной заготовки
Миз
= (Vиз
·ρ)/1000 = (348,708·7,85)/1000 = 2,74 кг.
Определите по формуле (17) диаметр исходной заготовки
= =6,05 см = 60,5 мм.
По сортаменту на круглый горячекатаный прокат обычной точности [8] ГОСТ 2590-88 принимаем Dиз
= 60 мм.
Определите по формуле (13) длину исходной заготовки
Lиз
= Vиз
/ Fиз =
348,708/(π·R2
) = 348,708/(3,14·32
)=12,4 см = 124 мм.
Проектирование операции холодной калибровки
.
На толщину детали t установлен допуск формы - допуск плоскостности не более 0,05 мм. Для обеспечения этого требования в технологическом процессе предусмотрена операция холодной калибровки (см. рис.4,е). Требуется установить размер толщины калиброванной поковки с допускаемыми отклонениями. Припуск на механическую обработку и допускаемые отклонения назначают по табл.П4.2.
Рассчитайте площадь F кольцевой поверхности поковки, подвергаемой калибровке, назначьте припуск на механическую обработку поковки.
Площадь кольцевой поверхности F = π/4·(12,962
– 7,52
) = 87,69 см2
; припуск на механическую обработку по табл.П4.2 составляет 0,8 мм.
Размер калиброванной поковки: 20 + 0,8 = 20,8 ±0,3 мм (толщина детали
t = 20 мм; припуск на мехобработку 0,8 мм; поле допуска 0,6 мм; допускаемые отклонения принимают равными половине поля допуска).
Оформление чертежа поковки
.
Оформите чертеж поковки и сформулируйте технические требования на её изготовление (см. раздел 1.8 и табл.13). Чертеж поковки приведен на рис.13.

Р и с.13. Чертеж поковки
ПОРЯДОК ВЫПОЛНЕНИЯ РАБОТЫ
1. Ознакомиться с теоретическими основами и методикой проектирования технологического процесса штамповки.
2. Проанализировать исходные данные для проектирования и заполнить карту проектирования техпроцесса.
3. Разработать и изобразить эскизы технологических переходов штамповки.
4. Разработать эскизы поковки и профиля рабочей полости штампа (см. рис.9).
5. Оформить чертеж поковки (см. рис.13).
ФОРМА ОТЧЕТА О ЛАБОРАТОРНОЙ РАБОТЕ
1. Заполненная карта проектирования техпроцесса (см. табл.14).
2. Эскизы технологических переходов штамповки.
3. Сводная таблица результатов расчета размеров поковки (см. табл.15).
4. Эскизы холодной и горячей поковки и профиля рабочей полости штампа.
5. Чертеж поковки с техническими требованиями.
БИБЛИОГРАФИЧЕСКИЙ СПИСОК
1. Руденко П.А.
Проектирование и производство заготовок в машиностроении. -К. :Выща шк., 1991.-247с.
2.Технологичность конструкций изделий: Справ./Под ред. Ю.Д. Амирова
. - М.: Машиностроение, 1985.-368с.
3.Ковка и штамповка: Справ.: В 4-х т. / Под ред. Е.И. Семёнов и др.
-М.: Машиностроение, 1985-1987.- Т.1: Материалы и нагрев. Оборудование. Ковка.-1985.-568с.
4. ГОСТ 7505-89. Поковки стальные штампованные. Допуски, припуски и кузнечные напуски.
5. Ковка и штамповка: Справ.: В 4-х т. / Ред. совет: Е.И. Семёнов и др
. -М.: Машиностроение, 1985-1987.- Т.2: Горячая штамповка.-1986.-592с.
6.Зайончик Л.И.
Проектирование поковок и отливок: Лабораторные работы. -Челябинск: ЧГТУ, 63с.
7.Прейскурант № 25-01. Оптовые цены на отливки, поковки и горячие штамповки.- М.: Прейскурантиздат, 1990.- 188с.
8. ГОСТ 2590 – 88. Прокат стальной горячекатаный круглый. Сортамент.
9. ГОСТ 7417-75. Прокат калиброванный круглый. Сортамент.
10. ГОСТ 8479-70. Поковки из конструкционной углеродистой и легированной стали. Технические условия.
11. Горбацевич А.Ф., Шкред В.А.
Курсовое проектирование по технологии машиностроения.- Мн.: Выш. школа, 1983.- 256 с.
П Р И Л О Ж Е Н Я
Приложение 1
Р и с. П1.1. Переходы штамповки на прессе заготовки шестерни

Р и с. П1.2. Переходы штамповки на ГКМ заготовки шестерни
Р и с. П1.3. Переходы штамповки на ГКМ заготовки вала-шестерни
Приложение 2
Таблица П2.1
Температурные интервалы штамповки некоторых сталей
| Марка стали
|
Температура, °С
|
Рекомендуемый
температурный
интервал, °С
|
| Начала
штамповки
|
Конца штамповки
|
| не выше
|
не ниже
|
| 10, 15
|
1300
|
800
|
700
|
1280—750
|
| 20, 25, 30, 35
|
1280
|
830
|
720
|
1250—800
|
| 40, 45, 50
|
1260
|
850
|
760
|
1200—800
|
| 55, 60
|
1240
|
850
|
760
|
1190—800
|
| 65, 70
|
1220
|
850
|
770
|
1180—800
|
| 15Г, 20Г, 25Г, ЗОГ
|
1250
|
850
|
750
|
1230—800
|
| 40Г, 45Г. 50Г
|
1220
|
850
|
760
|
1200—800
|
| 60Г, 65Г
|
1200
|
850
|
760
|
1180—800
|
| 15Х, 15ХА, 20Х
|
1250
|
870
|
760
|
1200—800
|
| 30Х, 38ХА
|
1230
|
870
|
780
|
1180—820
|
| 40Х, 45Х, 50Х
|
1200
|
870
|
800
|
1180—830
|
| 10Г2, 35Г2
|
1220
|
870
|
750
|
1200—800
|
| 40Г2, 45Г2, 50Г2
|
1200
|
870
|
800
|
1180—830
|
| 15ХМ
|
1230
|
850
|
780
|
1200—800
|
| 30ХМ.30ХМА, 35ХМ
|
1220
|
880
|
830
|
1180—850
|
| 20ХФ, 40ХФА
|
1240
|
850
|
760
|
1200—800
|
| 20ХН
|
1250
|
850
|
780
|
1200—800
|
| 40ХН, 45ХН, 50ХН
|
1200
|
870
|
780
|
118О—830
|
| 12ХН2, 12ХНЗА
|
1200
|
870
|
760
|
1180—800
|
| ЗОНХЗА
|
1180
|
900
|
800
|
1160__850
|
| 20ХГСА, 25ХГСА
|
1200
|
870
|
800
|
1160—830
|
| 30ХГС, 30ХГСА, 35ХГСА
|
1180
|
870
|
800
|
1140—830
|
| ШХ6, ШХ9
|
1200
|
900
|
850
|
1150—870
|
| ШХ15
|
1180
|
870
|
830
|
1130—850
|
| 9Х2
|
1150
|
850
|
760
|
1150—780
|
| У7, У7А, У8, У8А
|
1125
|
850
|
750
|
-
|
| У9, У10, У11 У12, У13
|
1100
|
860
|
770
|
-
|
| X12M
|
1180
|
900
|
850
|
-
|
| 5XHM, 5ХГМ, 5XHB
|
1200
|
870
|
850
|
-
|
| PI 8, P9
|
1200
|
920
|
900
|
-
|
Таблица П2.2
Сопротивление стали деформированию в зависимости
от температуры нагрева
| σв
(МПа) в холодном состоянии
|
σв
t
(МПа) при температуре нагрева t, 0
C
|
| 700
|
800
|
900
|
1000
|
1100
|
1200
|
1300
|
| 400
|
95
|
66
|
45
|
30
|
22
|
19
|
14
|
| 600
|
150
|
110
|
75
|
54
|
36
|
22
|
20
|
| 800
|
250
|
165
|
110
|
75
|
50
|
35
|
25
|
| 1000
|
330
|
230
|
160
|
110
|
70
|
50
|
30
|
Приложение 3
Таблица П3.1
Значения коэффициента КР
| Группа
|
Характеристика
детали
|
Типовые
представители
|
КР
|
| 1
|
Удлиненной формы:
|
Валы, оси цапфы, шатуны
|
1,3-1,6
|
| С прямой осью
|
| С изогнутой осью
|
Рычаги, сошки рулевого управления
|
1,1-1,4
|
| 2
|
Круглые и многогранные в плане:
|
Шестерни, ступицы, фланцы
|
1,5-1,8
|
| Круглые
|
| Квадратные, прямоугольные, многогранные
|
Шестерни, ступицы, гайки
|
1,3-1,7
|
| С отростками
|
Крестовины, вилки
|
1,4-1,6
|
| 3
|
Комбинированной
конфигурации
|
Кулаки поворотные, коленчатые валы
|
1,3-1,8
|
| 4
|
С большим объемом необрабатываемых поверхностей
|
Балки передних осей, рычаги переключения коробок передач
|
1,1-1,3
|
| 5
|
С отверстиями, углублениями, поднутрениями, не оформляемыми в поковке
|
Полые валы, фланцы, блоки шестерен
|
1,8-2,2
|
ОПРЕДЕЛЕНИЕ ГРУППЫ СЛОЖНОСТИ ШТАМПОВКИ
Наличие рёбер, выступов
Группа сложности устанавливается отношением h
/
b
ср
в соответствии с табл. П3.2, где h
– высота элемента, b
ср
– средняя ширина элемента (рис. П3.1).
Таблица П3.2
| Группа сложности
|
1
|
2
|
3
|
4
|
| h / bср
|
до 0,3
|
свыше 0,3-1,0
|
свыше 1-1,5
|
свыше 1,5
|
Р и с. П3.1. Определение группы сложности для поковок с отростками Наличие углублений
Группа сложности устанавливается по величине отношения h / dср
в соответствии с табл. П3.3, где h – глубина углубления, dср
– средний диаметр углубления или наименьший размер его поперечного сечения (рис. П3.2).
Таблица П3.3
| Группа сложности
|
1
|
2
|
3
|
4
|
| h / dср
|
До 0,3
|
Свыше 0,3-0,5
|
Свыше 0,5-0,7
|
Свыше 0,7
|
Р и с. П3.2. Определение группы сложности для поковок с углублениями Наличие прошиваемых отверстий
Группа сложности устанавливается по величине отношения h / d в соответствии с табл. П3.4, где h – максимальная высота штамповки, dср
– диаметр прошиваемого отверстия (рис. П3.3).
Таблица П3.4
| Группа сложности
|
1
|
2
|
3
|
4
|
| h / d
|
-
|
До 0,5вкл.
|
Свыше 0,5- 0,8
|
Свыше 0,8
|
Р и с. П3.3. Определение группы сложности для поковок
с прошиваемыми отверстиями
Приложение 4
Таблица П4.1
Допуски и допускаемые отклонения размеров поковок, мм
| Исходный индекс
|
Наибольшая толщина поковки
|
| до 40
|
40—63
|
63—100
|
100 -160
|
160-250
|
св.250
|
| Длина, ширина, диаметр, глубина и высота поковки
|
| до 40
|
40 -100
|
100—160
|
160 - 250
|
250 - 400
|
400 - 630
|
630-1000
|
| 1
|
0,3
|
+0,2 -0.1
|
0,4
|
+0,3 -0,1
|
0,5
|
+0,3 –0,2
|
0,6
|
+0,4
-0,2
|
0,7
|
+0,5 -0,2
|
—
|
—
|
—
|
—
|
| 2
|
0,4
|
+0,3 -0,1
|
0,5
|
+0,3 -0,2
|
0,5
|
+0,4 –0,2
|
0,7
|
+0,5
-0,2
|
0,6
|
+0,5 -0,3
|
0,9
|
+0,6 -0,3
|
—
|
—
|
| 3
|
0,5
|
+0,3 -0,2
|
0,6
|
+0,4 -0,2
|
0,7
|
+0,5 –0,2
|
0,8
|
+0,5
-0,3
|
0,9
|
+0,6 -0,3
|
1,0
|
+0,7 -0,3
|
1,2
|
+0,8 –0,4
|
| 4
|
0,6
|
+0,4 -0,2
|
0,7
|
+0,5 -0,2
|
0,8
|
+0,5 –0.3
|
0,9
|
+0,6
-0,3
|
1,0
|
+0,7 -0,3
|
1,2
|
+0,8 -0,4
|
1,4
|
+0,9 –0,5
|
| 5
|
0,7
|
+0,5 -0,2
|
0,8
|
+0,5 -0,3
|
0,9
|
+0,6 –0,3
|
1,0
|
+0,7
-0,3
|
1,2
|
+0,8 -0,4
|
1,4
|
+0,9 -0,5
|
1,6
|
+1,1 –0,5
|
| 6
|
0,8
|
+0,5 -0,3
|
0,9
|
+0,6 -0,3
|
1,0
|
+0,7 –0,3
|
1,2
|
+0,8
-0,4
|
1,4
|
+0,9 -0,5
|
1,6
|
+1,1 -0,5
|
2,0
|
+1,3 –0,7
|
| 7
|
0,9
|
+0,6 -0,3
|
1,0
|
+0,7 -0,3
|
1,2
|
+0,8 –0,4
|
1,4
|
+0,9
-0,5
|
1,6
|
+1,1 -0,5
|
2,0
|
+1,3 -0,7
|
.2,2
|
+1.4 –0,8
|
| 8
|
1,0
|
+0,7 -0,3
|
1,2
|
+0,8 -0,4
|
'1,4
|
+0,9 –0,5
|
1,6
|
+1,1
-0,5
|
2,0
|
+1,3 -0,7
|
2,2
|
+1,4 -0,8
|
2,5
|
+1,6 –0,9
|
| 9
|
1,2
|
+0,8 -0,4
|
1,4
|
+0,9 -0,5
|
1,6
|
+1,1 –0,5
|
2,0
|
+1,3
-0,7
|
2,2
|
+1,4 -0,8
|
2,5
|
+1,6 -0,9
|
2,8
|
+1,8 –1,0
|
| 10
|
1,4
|
+0,9 -0,5
|
1,6
|
+1,1 -0,5
|
2,0
|
+1,3 –0,7
|
2,2
|
+1,4
-0,8
|
2,5
|
+1,6 -0,9
|
2,8
|
+1,8 -1,0
|
3,2
|
+2,1 –1,1
|
| 11
|
1,6
|
+1,1 -0,5
|
2,0
|
+1,3 -0,7
|
2,2
|
+1,4 –0,8
|
2,5
|
+1,6
-0,9
|
2,8
|
+1,8 -1,0
|
3,2
|
+2,1 -1,1
|
3,6
|
+2,4 –1,2
|
| 12
|
2,0
|
+1,3 -0,7
|
2,2
|
+1,4 -0,8
|
2,5
|
+1,6 –0,9
|
2,8
|
+1,8
-1,0
|
3,2
|
+2,1 -1,1
|
3,6
|
+2,4 -1,2
|
4,0
|
+2,7 –1,3
|
| 13
|
2,2
|
+1,4 -0,8
|
2,5
|
+1,6 -0,9
|
2,8
|
+1,8 –1,0
|
3,2
|
+2,1
-1,1
|
3,6
|
+2,4 -1,2
|
4,0
|
+2,7 -1,3
|
4,5
|
+3,0 –1,5
|
| 14
|
2,5
|
+1,6 -0,9
|
2,8
|
+1,8 -1,1
|
3,2
|
+2,1 –1,1
|
3,6
|
+2,4
-1,2
|
4,0
|
+2,7 -1,3
|
4,5
|
+3,0 -1,5
|
5,0
|
+3,3 –1,7
|
| 15
|
2,8
|
+1,8 -1,0
|
3,2
|
+2,1 -1,1
|
3,6
|
+2,4 –1,2
|
4,0
|
+2,7
-1,3
|
4,5
|
+3,0 -1,5
|
5,0
|
+3,3 -1,7
|
5,6
|
+3,7 –1,9
|
| 16
|
3,2
|
+2,1 -1,1
|
3,6
|
+2,4 -1,2
|
4,0
|
+2,7 -1,3
|
4,5
|
+3,0
-1,5
|
5,0
|
+3,3 -1,7
|
5,6
|
+3,7 -1,9
|
6,3
|
+4,2 –2,1
|
| 17
|
3,6
|
+2,4 -1,2
|
4,0
|
+2,7 -1,3
|
4,5
|
+3,0 -1,5
|
5,0
|
+3,3
-1,7
|
5,6
|
+3,7 -1,9
|
6,3
|
+4,2 -2,1
|
7,1
|
+4,7 –2,4
|
| 18
|
4,0
|
+2,7 -1,3
|
4,5
|
+3,0 -1,5
|
5,0
|
+3,3 -1,7
|
5,6
|
+3,7
-1,9
|
6,3
|
+4,2 -2,1
|
7,1
|
+4,7 -2,4
|
8,0
|
+5,3 –2,7
|
| 19
|
4,5
|
+3,0 -1,5
|
5,0
|
+3,3 -1,7
|
5,6
|
+3,7 -1,9
|
6,3
|
+4,2
-2,1
|
7,1
|
+4,7 -2,4
|
8,0
|
+5,3 -2,7
|
9.0
|
+6,0 –3,0
|
| 20
|
5,0
|
+3,3 -1.7
|
5,6
|
+3,7 -1,9
|
6,3
|
+4,2 -2,1
|
7,1
|
+4,7
-2,4
|
8,0
|
+5,3 -2,7
|
9,0
|
+6,0 -3,0
|
10,0
|
+6,7 –3,3
|
Таблица П4.2
Припуски и допуски на толщину калибруемых поковок
| 
|
Площадь поверхности, подвергаемой калибровке, см2
(свыше-до)
|
Припуск, мм
|
Поле допуска, мм
|
| До 2,5 включительно
|
0,25
|
0,26
|
| 2,5 – 6,3
|
0,30
|
0,32
|
| 6,3 – 10,0
|
0,36
|
0,36
|
| 10,0 – 16,0
|
0,40
|
0,40
|
| 16,0 – 25,0
|
0,50
|
0,44
|
| 25,0 – 40,0
|
0,60
|
0,50
|
| 40,0 – 80,0
|
0,70
|
0,60
|
| 80,0 – 100,0
|
0,80
|
0,60
|
| 110,0 – 140,0
|
0,90
|
0,70
|
| 140,0 – 220,0
|
1,00
|
0,80
|
Приложение 5
Таблица П 5.1
Допускаемая величина смещения по поверхности
разъема штампов, мм
| Масса поковки, кг
|
Допускаемая величина смещения по
поверхности разъема штампа, мм
|
| Плоская поверхность
разъема штампа
|
| Т1
|
Т2
|
Т3
|
Т4
|
Т5
|
| Симметрично изогнутая
поверхность разъема
|
| Т1
|
Т2
|
Т3
|
Т4
|
Т5
|
| Несимметрично изогнутая
|
| Т1
|
Т2
|
Т3
|
Т4
|
Т5
|
| до 0,5 включ.
св. 0,5-1,0
1,0-1,8
1,8-3,2
3,2-5,6
5,6-10,0
10,0-20,0
20,0-50,0
50,0-125,0
125,0-250,0
|
0,1
0,2
0,2
0,3
0,4
0,5
0,6
0,7
0,8
1,0
|
0,2
0,2
0,3
0,4
0,5
0,6
0,7
0,8
1,0
1,2
|
0,2
0,3
0,4
0,5
0,6
0,7
0,8
1,0
1,2
1,4
|
0,3
0,4
0,5
0,6
0,7
0,8
1,0
1,2
1,4
1,8
|
0,4
0,5
0,6
0,7
0,8
1,0
1,2
1,4
1,8
2,5
|
0,5
0,6
0,7
0,8
1,0
1,2
1,4
1,8
2,5
3,2
|
0,6
0,7
0,8
1,0
1,2
1,4
1,8
2,5
3,2
4,0
|
Таблица П 5.2
Допускаемая величина остаточного облоя
по внешнему контуру поковки, мм
| Масса поковки, кг
|
Допускаемая величина остаточного
облоя, мм
|
| Плоская поверхность
разъема штампа
|
| Т1
|
Т2
|
Т3
|
Т4
|
Т5
|
| Симметрично изогнутая
поверхность разъема
|
| Т1
|
Т2
|
Т3
|
Т4
|
Т5
|
| Несимметрично
изогнутая
|
| Т1
|
Т2
|
Т3
|
Т4
|
Т5
|
| до 0,5-1,0
св. 0,5-1,0
1,0-1,8
1,8-3,2
3,2-5,6
5,6-10,0
10,0-20,0
20,0-50,0
50,0-125,0
125,0-250,0
|
0,2
0,3
0,4
0,5
0,6
0,7
0,8
0,9
1,0
1,2
|
0,3
0,4
0,5
0,6
0,7
0,8
0,9
1,0
1,2
1,4
|
0,4
0,5
0,6
0,7
0,8
0,9
1,0
1,2
1,4
1,6
|
0,5
0,6
0,7
0,8
0,9
1,0
1,2
1,4
1,6
1,8
|
0,6
0,7
0,8
0,9
1,0
1,2
1,4
1,6
1,8
2,2
|
0,7
0,8
0,9
1,0
1,2
1,4
1,6
1,8
2,2
2,8
|
0,8
0,9
1,0
1,2
1,4
1,6
1,8
2,2
2,8
3,5
|
0,9
1,0
1,2
1,4
1,6
1,8
2,2
2,8
3,5
4,0
|
Таблица П 5.3
Допускаемая величина высоты заусенца, мм
| Масса поковки,
кг
|
Степень сложности поковки
|
Допускаемая величина заусенца при максимальном размере поперечного сечения поковки по поверхности разъема штампа, мм
|
| до 40
|
40-100
|
100-160
|
160-250
|
св.250
|
| До 0,5 включ.
Св. 05 –3,2
3,2 –5,6
5,6 –20,0
20,0 –50,0
Св. 50,0
|
С1,С2
С3
С4
С1,С2
С3
С4
С1,С2
С3
С4
С1,С2
С3
С4
С1,С2
С3
С4
С1,С2
С3
С4
|
1,0
2,0
3,0
2,0
3,0
4,0
3,0
4,0
5,0
4,0
5,0
6,0
6,0
6,0
7,0
6,0
7,0
8,0
|
2,0
3,0
4,0
3,0
4,0
5,0
4,0
5,0
6,0
5,0
6,0
7,0
6,0
7,0
8,0
7,0
8,0
9,0
|
-
-
-
4,0
5,0
6,0
5,0
6,0
7,0
6,0
7,0
8,0
7,0
8,0
9,0
8,0
9,0
10,0
|
-
-
-
-
-
-
-
-
-
7,0
8,0
9,0
8,0
9,0
10,0
9,0
10,0
11,0
|
-
-
-
-
-
-
-
-
-
8,0
9,0
10,0
9,0
10,0
11,0
10,0
11,0
12,0
|
Таблица П 5.4
Допускаемое отклонение от концентричности пробитого
в поковке отверстия, мм.
| Наибольший размер поковки
|
Допускаемое наибольшее отклонение от
концентричности пробитого отверстия
для классов точности
|
| Т1
|
Т2
|
Т3
|
Т4
|
Т5
|
| До 100 включ.
Св. 100 - 160
160 - 250
250 - 400
400 - 630
630 - 1000
|
0,4
0,5
0,6
0,8
1,0
1,5
|
0,5
0,6
0,8
1,0
1,5
2,0
|
0,6
0,8
1,0
1,5
2,0
2,5
|
0,8
1,0
1,5
2,0
2,5
3,0
|
1,0
1,5
2,0
2,5
3,0
4,0
|
Таблица П 5.5
Допускаемые отклонения от плоскостности, мм
| Наибольший размер
поковки
|
Допускаемые отклонения по изогнутости
для классов точности
|
| Т1
|
Т2
|
Т3
|
Т4
|
Т5
|
| До 100 включ.
Св. 100 - 160
160 - 250
250 - 400
400 - 630
630 - 1000
1000 - 1600
1600 - 2500
|
0,3
0,4
0,5
0,6
0,8
1,0
1,2
1,6
|
0,4
0,5
0,6
0,8
1,0
1,2
1,6
2,0
|
0,5
0,6
0,8
1,0
1,2
1,6
2,0
2,5
|
0,6
0,8
1,0
1,2
1,6
2,0
2,5
3,2
|
0,8
1,0
1,2
1,6
2,0
2,5
3,2
4,0
|
Приложение 6
Таблица П 6.1
Размеры облойных канавок (мм) при штамповке
на молотах
| Порядковые номера
канавок
|
Высота канавок
|
Радиус г при глубине ручья
|
Размеры при штамповке
|
| осаживанием
|
выдавливанием в
неглубокую
полость
|
Выдавливанием в
глубокую
полость
|
| h0
|
h
|
до 20
|
20-40
|
свы-ше 40
|
l
|
l1
|
FОК
мм 2
|
1
|
l1
|
FОК
мм2
|
l
|
l1
|
FОК
мм2
|
| 1
|
0,6
|
3
|
1
|
1
|
1,5
|
6
|
18
|
52
|
6
|
20
|
61
|
8
|
22
|
74
|
| 2
|
0,8
|
3
|
1
|
1,5
|
1,5
|
6
|
20
|
69
|
7
|
22
|
77
|
9
|
25
|
88
|
| 3
|
1
|
3
|
1
|
1,5
|
2
|
7
|
22
|
80
|
8
|
25
|
91
|
10
|
28
|
104
|
| 4
|
1,6
|
3,5
|
1
|
1,5
|
2
|
8
|
22
|
102
|
9
|
25
|
113
|
11
|
30
|
155
|
| 5
|
2
|
4
|
1,5
|
2
|
2,5
|
9
|
25
|
136
|
10
|
28
|
153
|
12
|
32
|
177
|
| 6
|
3
|
5
|
1,5
|
2
|
2,5
|
10
|
28
|
201
|
12
|
32
|
233
|
14
|
38
|
278
|
| 7
|
4
|
6
|
2
|
2,5
|
3
|
11
|
30
|
268
|
14
|
38
|
344
|
16
|
42
|
385
|
| 8
|
5
|
7
|
2
|
2,5
|
3
|
12
|
32
|
343
|
15
|
40
|
434
|
18
|
46
|
506
|
| 9
|
6
|
8
|
2.5
|
3
|
3,5
|
13
|
35
|
435
|
16
|
42
|
530
|
20
|
50
|
642
|
| 10
|
8
|
10
|
3
|
3,5
|
4
|
14
|
38
|
601
|
18
|
46
|
745
|
22
|
55
|
903
|
| 11
|
10
|
12
|
3
|
3,5
|
4
|
15
|
40
|
768
|
20
|
50
|
988
|
25
|
60
|
208
|
Таблица П6.2
Размеры облойных канавок (мм) при штамповке
на кривошипных прессах
| Усилие
пресса,
кН
|
Размеры
|
Радиус r при глубине
ручья
|
| h0
|
l
|
h
|
R
|
до 10
|
до 30
|
до 60
|
Свыше
60
|
| 6300
|
1-1,5
|
5-6
|
5
|
15
|
0,5
|
1,0
|
1,5
|
-
|
| 10000
|
1-2,0
|
6-7
|
6
|
15
|
0,5
|
1,0
|
1,5
|
-
|
| 16000
|
2-2,5
|
6-7
|
6
|
20
|
1,0
|
1,5
|
2,0
|
2,5
|
| 20000
|
2,5-3,0
|
6-8
|
6-8
|
20
|
1,5
|
2,0
|
2,5
|
3,0
|
| 25000
|
2,5-3,0
|
6-8
|
6-8
|
20
|
1,5
|
2,0
|
2,5
|
3,0
|
| 31500
|
3,5-4,0
|
8-10
|
8
|
25
|
-
|
2,5
|
3,0
|
4,0
|
| 40000
|
3,5-4,0
|
8-10
|
8
|
25
|
-
|
2,5
|
3,0
|
4,0
|
| 63000
|
4-5
|
9-11
|
10
|
25
|
-
|
-
|
4,0
|
5,0
|
| 80000
|
5-6
|
11-12
|
12
|
30
|
-
|
-
|
5,0
|
6,0
|
| 100000
|
6-7
|
12-14
|
15
|
30
|
-
|
-
|
-
|
8,0
|
Приложение 7
1. Неуказанные предельные отклонения размеров: H14, h14, ±IT14/2.
2. Термообработка – нормализация.
3. Остальные параметры см. табл.П7.1
Р и с. П7.1. Фланец
| Таблица П7.1
|
| Варианты заданий
|
| №
|
Штамповочное
|
Способ
|
Размеры детали, мм
|
Материал
|
Масса
|
| оборудование
|
штамповки
|
D
|
D1
|
d
|
T
|
t
|
ГОСТ
4543-71
|
детали, кг
|
| 1
|
Молот
|
открытый
|
112
|
56
|
35
|
21
|
11
|
15Х
|
0,96
|
| 2
|
Молот
|
закрытый
|
128
|
64
|
40
|
24
|
14
|
40Х
|
1,52
|
| 3
|
КГШП
|
открытый
|
144
|
72
|
45
|
27
|
17
|
35Г2
|
2,24
|
| 4
|
КГШП
|
закрытый
|
160
|
80
|
50
|
30
|
20
|
15ХМ
|
3,19
|
| 5
|
Молот
|
закрытый
|
176
|
88
|
55
|
33
|
23
|
20ХН
|
4,37
|
| 6
|
КГШП
|
закрытый
|
192
|
96
|
60
|
36
|
26
|
25Г
|
5,81
|
| 7
|
КГШП
|
открытый
|
208
|
104
|
65
|
39
|
29
|
20ХФ
|
7,44
|
| 8
|
Молот
|
открытый
|
224
|
112
|
70
|
42
|
32
|
12ХН2
|
9,59
|
| 9
|
Молот
|
закрытый
|
240
|
120
|
75
|
45
|
35
|
20ХГСА
|
11,78
|
| 10
|
КГШП
|
закрытый
|
256
|
128
|
80
|
48
|
38
|
30ХГСА
|
14,64
|
| 11
|
КГШП
|
открытый
|
272
|
136
|
85
|
51
|
41
|
30ХГСН2А
|
17,63
|
| 12
|
Молот
|
закрытый
|
288
|
144
|
90
|
54
|
44
|
38ХС
|
21,13
|
| 13
|
Молот
|
открытый
|
304
|
152
|
95
|
57
|
47
|
20Х
|
25,16
|
| 14
|
КГШП
|
закрытый
|
320
|
160
|
100
|
60
|
50
|
12ХН3А
|
29,65
|
| 15
|
Молот
|
открытый
|
336
|
168
|
105
|
63
|
53
|
45Г2
|
34,39
|
| 16
|
Молот
|
закрытый
|
144
|
72
|
45
|
27
|
17
|
10Г2
|
2,24
|
| 17
|
КГШП
|
открытый
|
176
|
88
|
55
|
33
|
23
|
12ХН3А
|
4,37
|
| 18
|
Молот
|
закрытый
|
208
|
104
|
65
|
39
|
29
|
15ХФ
|
7,44
|
| 19
|
КГШП
|
открытый
|
240
|
120
|
75
|
45
|
35
|
18ХГТ
|
11,84
|
| 20
|
Молот
|
закрытый
|
272
|
136
|
85
|
51
|
41
|
19ХГН
|
17,75
|
СОДЕРЖАНИЕ
1. Основные этапы проектирования технологического процесса
горячей объёмной штамповки………………………………………………1
1.1. Анализ технологичности конструкции штампованной заготовки…2
1.2. Выбор способа штамповки и штамповочного оборудования ……...3
1.3. Разработка технологических переходов штамповки ……………….5
1.4. Выбор способа нагрева, термического режима штамповки и
охлаждения поковки ………………………………………………………7
1.5. Разработка чертежа поковки …………………………………………8
Определение конструктивных характеристик поковки …….……….8
Определение исходного индекса поковки ……………………………10
Общие требования при назначении припусков, допусков и
кузнечных напусков……………………………………………………11
Припуски на механическую обработку………………………………12
Назначение штамповочных уклонов…………………………………14
Проектирование углублений………………………………………….14
Радиусы закруглений…………………………………………………..17
Допуски и допускаемые отклонения линейных размеров
поковки…………………………………………………………………..17
Допускаемые отклонения формы и расположения
поверхностей поковки………………………………………………….18
Припуски и допуски на толщину поковок, подвергаемых
холодной калибровке …………………………………………………..18
1.6. Конструирование профиля рабочей полости штампа ………………19
1.7. Расчёт размеров и массы исходной заготовки……………………….21
1.8. Правила оформления чертежа поковки…..…………………………..22
Обозначение группы и категории прочности поковок……………….23
Методика выполнения работы…………………………………………….24
Порядок выполнения работы………………………………………………32
Форма отчета о лабораторной работе……………………………………..32
Библиографический список………………………………………………..32
Приложения…………………………………………………………………33
ДМИТРИЕВ Владимир Александрович
ПРОЕКТИРОВАНИЕ
ПОКОВОК ШТАМПОВАННЫХ
Редактор В. Ф. Е л и с е е в а
Технический редактор Г. Н. Ш а н ь к о в а
Подписано в печать
Формат 60х 84 1/16 . Бумага тип N 2.
Печать офсетная. Усл. п. л. 3,1. Усл.-кр.отт. 3,0.
Уч.-изд. л. 3,0. Тираж 100 экз..
Государственное образовательное учреждение
высшего профессионального образования
Самарский государственный технический университет
443100, г. Самара, ул. Молодогвардейская, 244
Главный корпус
|