| Министерство образования Республики Беларусь
Министерство образования Российской Федерации
Белорусско-Российский
Университет
Кафедра “ Техническая эксплуатация автомобилей ”
Курсовая работа
по дисциплине : “ Автомобили”
на тему: “Расчет автомобиля с разработкой (модернизацией) переднего дискового тормоза
Пояснительная записка
Выполнил студент гр. АХ:
Проверил преподаватель :
Могилев2003 г.
1 Проектировочный тяговый расчет автомобиля
Все формулы в разделе используются из [3].
Исходные данные:
а) максимальная скорость движения- 22 м/с;
б) полная масса- 975 кг;
в) полная масса на приводную ось- 480 кг;
г) колея передних колес -1.21 м;
д) высота автомобиля -1.35 м;
е) номинальный радиус колеса- 0.26 м.
1.1 Расчет максимальной мощности двигателя
Эффективная мощность двигателя при максимальной скорости определяется выражением :
кВт, (1.1)
где - коэффициент полезного действия трансмиссии. Для автомобилей с колесной формулой . Принимаем ;
- полная масса автомобиля, кг;
- коэффициент дорожного сопротивления, лежащий в пределах  . Принимаем ;
- коэффициент сопротивления воздуха, . Для легковых автомобилей . Принимаем ;
- площадь лобового сопротивления:
, (1.2)
где - колея передних колес автомобиля, м;
- высота автомобиля,
;
- максимальная скорость движения, м/с.
Следовательно, эффективная мощность двигателя при максимальной скорости движения автомобиля равна:

Определяем максимальную мощность двигателя при максимальной скорости движения автомобиля:
,кВт,
где - максимальная эффективная мощность двигателя , ;
- значение угловой скорости вращения коленчатого вала, соответствующее , 
- коэффициенты, зависящие от типа и конструкции двигателя. Для
карбюраторных ДВС .
Для карбюраторных ДВС .
Получаем:

1.2 Выбор прототипа
По заданному классу и виду автомобиля, заданной максимальной скорости движения автомобиля, а также найденным значениям номинальных мощности и номинального момента двигателя из [1] в качестве прототипа к проектируемому автомобилю выбираем ВАЗ-1111 техническая характеристика которого приведена в таблице 1.1.
Таблица 1.1- Техническая характеристика автомобиля АЗЛК-2335
| Параметр
|
Значение параметра
|
| Масса автомобиля, кг:
полная
|
975
|
| Распределение полной массы автомобиля по осям, кг:
Забиваем Сайты В ТОП КУВАЛДОЙ - Уникальные возможности от SeoHammer
Каждая ссылка анализируется по трем пакетам оценки: SEO, Трафик и SMM.
SeoHammer делает продвижение сайта прозрачным и простым занятием.
Ссылки, вечные ссылки, статьи, упоминания, пресс-релизы - используйте по максимуму потенциал SeoHammer для продвижения вашего сайта.
Что умеет делать SeoHammer
— Продвижение в один клик, интеллектуальный подбор запросов, покупка самых лучших ссылок с высокой степенью качества у лучших бирж ссылок.
— Регулярная проверка качества ссылок по более чем 100 показателям и ежедневный пересчет показателей качества проекта.
— Все известные форматы ссылок: арендные ссылки, вечные ссылки, публикации (упоминания, мнения, отзывы, статьи, пресс-релизы).
— SeoHammer покажет, где рост или падение, а также запросы, на которые нужно обратить внимание.
SeoHammer еще предоставляет технологию Буст, она ускоряет продвижение в десятки раз,
а первые результаты появляются уже в течение первых 7 дней.
Зарегистрироваться и Начать продвижение
на переднюю ось (ведущую)
на заднюю ось (ведомую)
|
480
495
|
| Максимальная скорость движения автомобиля, км/ч
|
130
|
| Контрольный расход топлива при движении с полной нагрузкой и скоростью 90 км/ч, л/100км
|
4.5
|
| Высота автомобиля, м
|
1.35
|
| Колея автомобиля, м
|
1.21
|
| База автомобиля, м
|
2.18
|
| Минимальный удельный расход топлива, г/(кВт·ч)
|
190
|
| Колесная формула
|

|
1.3 Внешняя скоростная характеристика двигателя
Зависимость текущих значений эффективности мощности двигателя от угловой скорости вращения коленчатого вала устанавливается формулой:
,кВт, (1.3)
где – коэффициенты, зависящие от типа и конструкции двигателя. Для карбюраторного двигателя .
Для угловой скорости вращения коленчатого вала двигателя получаем:
.
Для остальных значений угловой скорости вращения коленчатого вала двигателя значения эффективной мощности рассчитываем аналогично и результаты сводим в таблицу 1.2.
Текущее значение крутящего момента определяется выражением:
, кНм. (1.4)
Для угловой скорости вращения коленчатого вала двигателя получаем:
.
Для остальных значений угловой скорости вращения коленчатого вала двигателя значения крутящего момента рассчитываем аналогично и результаты сводим в таблицу 1.2.
Таблица 1.2 – Результаты расчета внешней скоростной характеристики двигателя
| Параметр
|
Размерность
|
Значения параметров
|
| ωe
|
c-1
|
116
|
232
|
348
|
464
|
580
|
696
|
| Ne
|
кВт
|
2.2968
|
4.91
|
7.37
|
9.19
|
9.9
|
9.03
|
| Me
|
кН·м
|
0.0198
|
0.0212
|
0.0212
|
0.0198
|
0.0171
|
0.013
|
По полученным значениям эффективной мощности и крутящего момента строим внешнюю скоростную характеристику двигателя (рисунок 1.1).
Рисунок 1.1 – Внешняя скоростная характеристика двигателя
1.4 Расчет передаточных чисел трансмиссии
1.4.1 Передаточное число главной передачи
Передаточное число главной передачи определяется выражением:
, (1.5)
где - угловая скорость коленчатого вала двигателя при максимальной скорости , с-1
. Принимаем ;
- передаточное число высшей ступени коробки передач. Принимаем ;
- радиус качения колеса:
, м, (1.6)
где - коэффициент деформации шины. Для шин низкого давления
. Принимаем ;
- номинальный радиус колеса , м.
Cледовательно, радиус качения колеса равен:
.
Следовательно, передаточное число главной передачи равно:
.
1.4.2 Передаточные числа коробки передач
Передаточное число первой передачи, необходимое по условию преодоления максимального дорожного сопротивления определяется выражением:
, (1.7)
где - максимальный крутящий момент, развиваемый двигателем, кНм;
- максимальный коэффициент дорожного сопротивления, лежащий в пределах . Принимаем .
Сервис онлайн-записи на собственном Telegram-боте
Попробуйте сервис онлайн-записи VisitTime на основе вашего собственного Telegram-бота:
— Разгрузит мастера, специалиста или компанию;
— Позволит гибко управлять расписанием и загрузкой;
— Разошлет оповещения о новых услугах или акциях;
— Позволит принять оплату на карту/кошелек/счет;
— Позволит записываться на групповые и персональные посещения;
— Поможет получить от клиента отзывы о визите к вам;
— Включает в себя сервис чаевых.
Для новых пользователей первый месяц бесплатно.
Зарегистрироваться в сервисе
Следовательно, передаточное число первой передачи из условия преодоления максимального дорожного сопротивления равно:
.
Передаточное число первой передачи, определяемое из условия отсутствия буксования ведущих колес, определяется выражением:
, (1.8)
где - сцепной вес автомобиля, Н. Для переднеприводных автомобилей:
,Н, (1.9)
где - масса , приходящаяся на переднюю ось автомобиля. Тогда сцепной вес равен:
,
- максимальный коэффициент сцепления с дорогой. Для асфальтобетонного покрытия . Принимаем ;
- коэффициент перераспределения реакций. Для передней оси . Принимаем .
Следовательно, передаточное число первой передачи из условия отсутствия буксования ведущих колес автомобиля равно:

Передаточное число первой передачи, определенное из условия обеспечения минимальной устойчивой скорости, определяется выражением:
, (1.10)
где - минимальная устойчивая угловая скорость коленчатого вала двигателя;
- минимально устойчивая скорость движения автомобиля. . Принимаем .
Следовательно, передаточное число первой передачи из условия обеспечения минимальной устойчивой скорости движения автомобиля равно:
.
Принимаем передаточное отношение первой передачи равным:
.
Передаточное отношение четвертой передачи принимаем равным :
.
Тогда передаточное отношение второй передачи определяется выражением:
. (1.11)
Передаточное отношение третьей передачи определяется выражением:
. (1.12)
2 Поверочный тяговый расчет автомобиля
2.1 Расчет кинематической скорости автомобиля по передачам
Кинематическая скорость автомобиля в функции угловой скорости коленчатого вала двигателя определяется выражением:
, м/c. (2.1)
Для первой передачи при частоте вращения коленчатого вала находим кинематическую скорость движения автомобиля:
.
Для остальных значений угловой скорости вращения коленчатого вала двигателя и высших передач значения кинематической скорости движения автомобиля рассчитываем аналогично, и результаты сводим в таблицу 2.1.
Таблица 2.1 – Результаты расчета внешней скоростной характеристики двигателя, скоростной, тяговой и динамической характеристик и графиков ус-
корений автомобиля
| Параметр
|
Размерность
|
Значения параметров
|
| 1
|
2
|
3
|
4
|
5
|
6
|
7
|
8
|
| ωe
|
С-1
|
116
|
232
|
348
|
464
|
580
|
696
|
| Ne
|
кВт
|
2.297
|
4.91
|
7.37
|
9.19
|
9.9
|
9.0288
|
| Me
|
Н·м
|
0.0198
|
0.0212
|
0.0212
|
0.0198
|
0.0171
|
0.013
|
| Первая передача
|
υ1
|
м/с
|
1.09
|
2.18
|
3.27
|
4.3
6
|
5.45
|
6.55
|
| PT
1
|
кН
|
1.7895
|
1.913
|
1.913
|
1.7895
|
1.5427
|
1.1725
|
| PB
1
|
кН
|
0.00039
|
0.0016
|
0.0035
|
0.0062
|
0.0097
|
0.014
|
| PC
1
|
кН
|
1.7891
|
1.9114
|
1.9095
|
1.7833
|
1.533
|
1.1585
|
| D1
|
-
|
0
.1871
|
0
.1998
|
0
.1996
|
0
.1864
|
0
.1603
|
0
.1211
|
| j1
|
м/с2
|
1
.0155
|
1
.0932
|
1
.0919
|
1
.0118
|
0.8527
|
0
.6147
|
| 1/j1
|
с2
/м
|
0
.9848
|
0
.9148
|
0
.9158
|
0
.9884
|
1.1728
|
1.6269
|
| Вторая передача
|
υ2
|
м/с
|
1
.63
|
3.27
|
4.9
|
6.53
|
8.17
|
9.8
|
| PT
2
|
кН
|
1.1950
|
1.2774
|
1.2774
|
1.1950
|
1.0302
|
0.7829
|
| PB
2
|
кН
|
0
.0009
|
0
.0035
|
0
.0078
|
0
.014
|
0
.0218
|
0
.0314
|
| PC
2
|
кН
|
1.1942
|
1.2739
|
1.2696
|
1.1811
|
1.0084
|
0.7516
|
| D2
|
-
|
0
.1248
|
0
.1332
|
0
.1327
|
0
.1235
|
0
.1054
|
0
.0786
|
| j2
|
м/с2
|
0.7903
|
0.8532
|
0.8498
|
0
.78
|
0
.6439
|
0
.4415
|
| 1/j2
|
с2
/м
|
1.2653
|
1.172
|
1.1768
|
1
.282
|
1
.5529
|
2.2648
|
| Третьперя едача
|
υ3
|
м/с
|
2.45
|
4.89
|
7.34
|
9.79
|
12.23
|
1
4.68
|
| PT3
|
кН
|
0.798
|
0.8531
|
0.8531
|
0.798
|
0.6879
|
0
.5228
|
| PB3
|
кН
|
0
.002
|
0
.0078
|
0
.0176
|
0
.0313
|
0
.0489
|
0
.0704
|
| PC
3
|
кН
|
0.7961
|
0.8452
|
0.8355
|
0.7667
|
0.6391
|
0
.4524
|
| D3
|
-
|
0
.0832
|
0
.0884
|
0
.0873
|
0
.0802
|
0
.0668
|
0
.0473
|
| J3
|
м/с2
|
0
.5337
|
0
.5771
|
0
.5685
|
0
.5079
|
0
.3952
|
0
.2305
|
| 1/j3
|
с2
/м
|
1
.8736
|
1
.7327
|
1
.759
|
1
.9691
|
2
.5305
|
4.3387
|
| Четвертая передача
|
υ4
|
м/с
|
3
.66
|
6
.733
|
10.99
|
1
4.65
|
1
8.32
|
2
2.
00
|
| PT
4
|
кН
|
0
.5329
|
0
.5697
|
0
.5697
|
0
.5329
|
0
.4594
|
0
.3491
|
| PB
4
|
кН
|
0
.
00
44
|
0
.
0
175
|
0
.
0
395
|
0
.0702
|
0
.1096
|
0
.1578
|
| PC
4
|
кН
|
0
.5285
|
0
.5521
|
0
.5302
|
0
.4627
|
0
.3498
|
0
.1913
|
| D4
|
-
|
0
.0553
|
0
.0577
|
0
.0554
|
0
.0484
|
0
.0366
|
0
.0200
|
| j4
|
м/с2
|
0
.3144
|
0
.3364
|
0
.316
|
0
.2531
|
0
.1478
|
0,0000
|
| 1/j4
|
с2
/м
|
3
.1804
|
2.9724
|
3
.1647
|
3.951
|
6
.7671
|
-
|
По полученным значениям строим график зависимости кинематической скорости автомобиля от угловой скорости коленчатого вала двигателя (рисунок 2.1).
Рисунок 2.1 – График кинематической скорости автомобиля
2.2 Тяговая характеристика автомобиля
Касательная сила тяги на ведущих колесах автомобиля определяется выражением:
, кН. (2.2)
Для движения автомобиля на первой передаче при скорости вращения коленчатого вала двигателя определяем значение касательной силы тяги на ведущих колесах:
.
Для остальных значений угловой скорости вращения коленчатого вала двигателя и высших передач значения касательной силы тяги на ведущих колесах автомобиля рассчитываем аналогично, и результаты сводим в таблицу 2.1.
Сила сопротивления воздуха при движении автомобиля определяется выражением:
, кН. (2.3)
Для движения автомобиля со скоростью сила сопротивления воздуха равна:

Для остальных значений угловой скорости вращения коленчатого вала двигателя и высших передач значения силы сопротивления воздуха рассчитываем аналогично, и результаты сводим в таблицу 2.1.
Свободная сила тяги автомобиля определяется выражением:
, кН. (2.4)
Для соответствующих значений касательной силы тяги на ведущих колесах автомобиля и силы сопротивления воздуха определяем свободную силу тяги:
.
Для остальных значений угловой скорости вращения коленчатого вала двигателя и высших передач значения свободной силы тяги рассчитываем аналогично, и результаты сводим в таблицу 2.1. По полученным значениям строим тяговую характеристику автомобиля (рисунок 2.1).
Рисунок 2.2 – Тяговая характеристика автомобиля
2.3 Динамическая характеристика автомобиля
Динамический фактор автомобиля определяется выражением:
, (2.5)
Для соответствующего значения свободной силы тяги определяем значение динамического фактора автомобиля:
.
Для остальных значений угловой скорости вращения коленчатого вала двигателя и высших передач значения динамического фактора автомобиля рассчитываем аналогично, и результаты сводим в таблицу 2.1. По полученным значениям строим динамическую характеристику автомобиля (рисунок 2.3).
Рисунок 2.3 – Динамическая характеристика автомобиля
2.4 Характеристики разгона автомобиля
2.4.1 Ускорение автомобиля
Ускорение автомобиля во время разгона определяется выражением:
, (2.6)
где δi
– коэффициент учета вращающихся масс:
, (2.7)
где , для одиночных автомобилей при номинальной мощности. Принимаем и .
Следовательно, коэффициент учета вращающихся масс для первой передачи равен:

для второй передачи:

для третьей передачи:

для четвертой передачи:
.
Следовательно, для движения автомобиля на первой передаче при угловой скорости вращения коленчатого вала двигателя ускорение автомобиля равно :
.
Для остальных значений угловой скорости вращения коленчатого вала двигателя и высших передач значения ускорения автомобиля рассчитываем аналогично, и результаты сводим в таблицу 2.1. По полученным значениям строим график ускорений автомобиля (рисунок 2.4).
Рисунок 2.4 – График ускорений автомобиля
2.4.2 Время разгона автомобиля
Из выражения (2.6) находим:
, (2.8)
Интегрируя, находим время разгона автомобиля:
, (2.9)
Вычисление времени разгона по выражению (2.8) осуществляем с использованием графика обратных ускорений, для построения которого по данным ускорений ji
в таблице 2.1 вычислим обратные ускорения1/ji
до скорости 0.9υmax
. Данные вычисления обратных ускорений сводим в таблицу 2.1 и строим график обратных ускорений (рисунок 2.5).
Рисунок 2.5 – График обратных ускорений автомобиля
Площадь на графике обратных ускорений, ограниченная сверху кривыми 1/ji
, осью скоростей снизу и прямыми υ =υ0
и υ =0.9υmax
согласно выражению (2.8), представляет собой время разгона автомобиля от скорости υ0
до скорости 0.9υmax
. Для его определения весь диапазон скорости разбиваем на шесть интервалов.
Считая что в каждом интервале скорости разгон автомобиля происходит с обратным ускорением, определенным выражением:
, (2.10)
то, следовательно, время разгона автомобиля от скорости υ0
до скорости 0.9υmax
рассчитывается по выражению:
. (2.11)
Для соответствующих значений ускорений ji
-1
и ji
получаем среднее обратное ускорение равно:
,
и время разгона в интервале:
.
Для остальных интервалов разгона автомобиля среднее обратное ускорение в интервале и время разгона автомобиля в интервале вычисляем аналогично, и результаты вычислений сводим в таблицу 2.2.
Полное время разгона автомобиля от скорости υ0
до скорости 0.9υmax
определяется выражением:
. (2.12)
2.4.3 Путь разгона автомобиля
Скорость движения автомобиля определяется выражением:
, (2.13)
откуда
. (2.14)
Интегрируя получаем:
. (2.15)
Считая, что в каждом интервале времени разгона, соответствующем интервалам скорости, движение автомобиля происходит со средней скоростью, определенной по формуле:
, м/с, (2.16)
путь его разгона в интервале равен:
. (2.17)
Для первого интервала средняя скорость движения автомобиля равна:
,
а путь разгона автомобиля равен:
.
Для остальных интервалов разгона автомобиля среднюю скорость движения в интервале и путь разгона автомобиля в интервале вычисляем аналогично, и результаты вычислений сводим в таблицу 2.2.
Таблица 2.2 – Результаты расчета времени и пути разгона автомобиля
| Номер интервала разгона
|
1
|
2
|
3
|
4
|
5
|
| Скорость в начале интервала
|
υi
-1
|
м/с
|
1.09
|
2.73
|
5.45
|
8.96
|
14.3
|
| Скорость в конце интервала
|
υi
|
м/с
|
2.73
|
5.45
|
8.96
|
14.3
|
19.8
|
| Обратное ускорение в начале интервала
|
1/ji
-1
|
с2
/м
|
0.9848
|
0.914
|
1.1728
|
1.88
|
3.81
|
| Обратное ускорение в конце интервала
|
1/ji
|
с2
/м
|
0.914
|
1.1728
|
1.88
|
3.81
|
9.67
|
| Среднее обратное ускорение
|
1/ji
ср
|
с2
/м
|
0.9494
|
1.043
|
1.53
|
2.85
|
6.74
|
| Время разгона в интервале
|
ti
|
с
|
1.56
|
2.84
|
5.37
|
15.22
|
37.07
|
| Полное время разгона
|
T
|
с
|
1.56
|
4.4
|
9.77
|
25
|
62.07
|
| Средняя скорость в интервале
|
υi
ср
|
м/с
|
1.91
|
4.1
|
7.2
|
11.63
|
17.05
|
| Путь разгона в интервале
|
Sj
|
м
|
2.98
|
11.6
|
38.7
|
177
|
632
|
| Полный путь разгона
|
S
|
м
|
2.98
|
14.58
|
53.5
|
230.3
|
862.3
|
По данным таблицы 2.2 строим график времени и пути разгона автомобиля (рисунок 2.6).
Рисунок 2.6 – График времени и пути разгона автомобиля
3 Топливно-экономический расчет автомобиля
Топливно-экономическая характеристика представляет зависимость путевого расхода топлива от скорости движения автомобиля при различных коэффициентах дорожного сопротивления.
При установившемся движении путевой расход топлива определяется выражением:
, л/100км, (3.1)
где ge
– удельный расход топлива, г/(кВт·ч);
NЗ
– мощность, затрачиваемая на движение автомобиля, кВт;
ρ – плотность топлива, принимаемая для бензина равной 730кг/м3
.
Расчет топливно-экономической характеристики осуществляется с использованием данных расчета тягово-динамических характеристик автомобиля.
3.1 Расчет баланса и степени использования мощности
Расчет баланса мощности автомобиля выполняется на высшей передаче при двух значениях коэффициента дорожного сопротивления. Для этого при расчетных значениях угловой скорости коленчатого вала двигателя принятых в тягово-динамическом расчете и соответствующих им значениях скорости автомобиля вычисляются мощность, подводимая к ведущим колесам автомобиля; мощность, необходимая для преодоления дорожного сопротивления и мощность, необходимая для преодоления сопротивления воздуха.
Мощность, подводимая к ведущим колесам автомобиля, определяется выражением:
,кВт. (3.2)
Для угловой скорости коленчатого вала двигателя и соответствующему ей значению эффективной мощности находим значение мощности, подводимой к ведущим колесам:
.
Мощность, необходимая для преодоления сопротивления воздуха, определяется выражением:
,кВт. (3.3)
Для угловой скорости коленчатого вала двигателя и соответствующему ей значению силы сопротивления воздуха находим значение мощности, идущей на преодоление сопротивления воздуха :
.
Мощность, необходимая для преодоления дорожного сопротивления, определяется выражением:
,кВт. (3.4)
Расчет мощности, необходимой для преодоления дорожного сопротивления выполним для двух значений коэффициента дорожного сопротивления:

и
.
Для скорости движения автомобиля υ=3,32 м/с и коэффициента дорожного сопротивления ψ=0.02 мощность, необходимая для преодоления дорожного сопротивления равна:
.
Мощность, затрачиваемая на движение автомобиля:
. (3.5)
Для соответствующих значений мощностей, затрачиваемых на преодоление сопротивления воздуха и дорожного сопротивления, мощность, затрачиваемая на движение автомобиля равна:
.
Для остальных значений скорости вращения коленчатого вала двигателя (скорости движения автомобиля) значения мощности, подводимой к ведущим колесам автомобиля, мощностей, идущих на преодоление сопротивления воздуха и дорожного сопротивления, а так же мощности, затрачиваемой на движение автомобиля, находим аналогично, результат вычислений сводим в таблицу 3.1 и строим графики мощностного баланса автомобиля (рисунок 3.1).
Степень использования мощности определяется выражением:
. (3.6)
Для соответствующих значений мощностей, затраченной на движение автомобиля и подводимой к ведущим колесам определяем степень использования мощности:
.
Степень использования угловой скорости коленчатого вала двигателя определяется выражением:
. (3.7)
Для скорости вращения коленчатого вала двигателя степень использования угловой скорости коленчатого вала двигателя равна:
.
Для остальных значений угловой скорости вращения коленчатого вала двигателя значения степеней использования мощности и угловой скорости коленчатого вала двигателя находим аналогично и результаты вычислений сводим в таблицу 3.1.
Таблица 3.1 – Результаты расчета баланса мощности и расхода топлива
| Параметр
|
Размер-
ность
|
Значения параметров
|
| ωе
|
с-1
|
11
6
|
23
2
|
3
48
|
46
4
|
58
0
|
696
|
| υ5
|
м/с
|
3
.66
|
7.33
|
10.99
|
14.65
|
1
8.32
|
2
2
|
| Ne
|
кВт
|
2.2968
|
4.91
|
7.37
|
9.1872
|
9.9
|
9.03
|
| NT
|
кВт
|
1.952
|
4.174
|
6.26
|
7.81
|
8.42
|
7.67
|
| NB
|
кВт
|
0
.0161
|
0
.129
|
0
.434
|
1
.03
|
2
.01
|
3.4696
|
| Ψ=ψV
=0.02
|
ND
|
кВт
|
0.7
|
1.402
|
2.1024
|
2.8
|
3.5
|
4.2
|
| NЗ
|
кВт
|
0.717
|
1.53
|
2,54
|
3.83
|
5.512
|
7.675
|
| И
|
-
|
0
.
3
67
|
0
.
3
666
|
0
.
4
05
|
0
.
49
1
|
0
.
65
5
|
1
.
0000
|
| КИ
|
-
|
1
.3
25
|
1
.
3
269
|
1
.
2
2
7
|
1
.
0
5
9
|
0
.
909
|
1
.
0000
|
| Е
|
-
|
0,2
|
0,4
|
0,6
|
0,8
|
1
|
1,2
|
| КЕ
|
-
|
1
.089
|
0
.
9954
|
0
.
9570
|
0
.
9623
|
1
.
0000
|
1
.
0585
|
| ge
|
г/(кВт·ч)
|
3
1
1
.81
|
285.3
|
253.63
|
220.173
|
196.40
|
228.63
|
| Qs
|
л/100км
|
2.73
|
2.667
|
2.62
|
2.577
|
2.646
|
3.574
|
| ψ=ψV
+0.005=0.025
|
ND
|
кВт
|
0.876
|
1.752
|
2.628
|
3.50
|
4.38
|
5.256
|
| NЗ
|
кВт
|
0.892
|
1.88
|
3.062
|
4.532
|
6.388
|
8.726
|
| И
|
-
|
0.457
|
0
.
4
51
|
0
.
4
8
9
|
0
.
58
|
0
.
7
59
|
1
.
1
37
|
| КИ
|
-
|
1
.116
9
|
1
.
1
29
|
1
.
0
62
|
0
.
95
3
|
0
.
90
|
1
.
05
3
|
| Е
|
-
|
0,2
|
0,4
|
0,6
|
0,8
|
1
|
1,2
|
| КЕ
|
-
|
1
.
0893
|
0
.
9954
|
0
.
9570
|
0
.
9623
|
1
.
0000
|
1
.
0585
|
| ge
|
г/(кВт·ч)
|
262.78
|
242.75
|
219.46
|
198.087
|
194.45
|
240.66
|
| Qs
|
л/100км
|
2.86
|
2.789
|
2.737
|
2.743
|
3.036
|
4.277
|
Рисунок 3.1 – График мощностного баланса автомобиля на высшей передаче
3.2 Расчет расходов топлива
Удельный расход топлива определяется выражением:
, г/(кВт·ч), (3.8)
где geN
– удельный расход топлива при максимальной мощности, г/(кВт·ч), принимаемый на 5…10% больше минимального удельного расхода;
КИ
– коэффициент, учитывающий изменение удельного расхода топлива в зависимости от степени использования мощности, определяемый по форму- ле:
, (3.9)
КЕ
– коэффициент, учитывающий изменение удельного расхода топлива в
в зависимости от степени использования угловой скорости коленчатого вала двигателя, определяемый по формуле:
. (3.10)
Для соответствующих значений степени использования мощности и степени использования угловой скорости коленчатого вала двигателя находим значение коэффициентов:
;
,
а также удельный соответствующий удельный расход топлива:
.
Остальные значения удельного расхода топлива находим аналогично и результаты вычислений сводим в таблицу 3.1.
По выражению (3.1) рассчитываем путевой расход топлива
.
Остальные значения путевого расхода топлива при различных скоростях движения находим аналогично, результат вычислений сводим в таблицу 3.1, а также строим топливно-экономическую характеристику автомобиля (рисунок 3.2).
Рисунок 3.2 – Топливно-экономическая характеристика автомобиля
4 Описание конструкции переднего дискового тормоза автомобиля
ВАЗ-1111
Тормозной механизм передних колес автомобилей ВАЗ-1111 дискового ти- па с автоматической регулировкой зазора между колодками и тормозным диском.
Привод рабочего тормоза у автомобиля ВАЗ-1111 гидравлический.
Тормозной механизм передних колес (рисунок 4.1) состоит суппорта 12 в сборе с рабочими цилиндрами, тормозного диска 18, двух тормозных колодок 16
соединительных пальцев 8 и трубопроводов.
Суппорт крепиться к кронштейну 11 двумя болтами 9 , которые стопорятся
Отгибанием на грань болтов стопорных пластин. Кронштейн 11 в свою очередь
крепится к фланцу поворотной цапфы 10 вместе с защитным кожухом 13 и пово- ротным рычагом. В суппорте выполнен радиусный паз, через который проходит
тормозной диск 18 и два поперечных паза для размещения тормозных колодок 16. В приливах суппорта два окна с направляющими пазами, в которых установ- лены два противолежащих цилиндра 17.
В каждом цилиндре расположен поршень 3 , который уплотняется упру- гим резиновым кольцом 6. Оно расположено в канавке цилиндра и плотно обжи- мает поверхность поршня. Полость цилиндра защищена от загрязнения резино-
вым колпачком 7.
Рабочие полости цилиндров соединены между собой трубопроводом 2. Во внешний цилиндр ввернут штуцер 1 для прокачки контура привода передних
тормозов, во внутренний – штуцер шланга для подвода жидкости.
Поршень 3 в тормозные колодки 16 , на которые наклеены фрикционные
накладки 5. Колодки установлены на пальцах 8 и поджимаются к ним пружина-
ми 15. Пальцы 8 удерживаются в цилиндре шплинтами 14.
Тормозной диск 18 крепится к ступице колеса двумя установочными
штифтами.
При торможении поршни под давлением жидкости выдвигаются из ко- лесных цилиндров и поджимают тормозные колодки к тормозному диску. При
движении поршни увлекают за собой уплотнительные кольца 6 , которые при
этом скручиваются. При растормаживании, когда давление в приводе падает,
поршни за счет упругой деформации колец вдвигаются обратно в цилиндры.
При этом накладки 5 будут находиться в легком соприкосновении с диском 18.
При износе накладок, когда зазор в тормозном механизме увеличива- ется, поршни под давлением жидкости проскальзывают относительно колец 6
и занимают новое положение в цилиндрах, которое обеспечивает оптимальный
зазор между колодками и диском.
| 1
— штуцер прокачки; 2
— трубопровод; 3 —
поршень ; 4
— пружинный фиксатор; 5 —фрикционные накладки; 6
— резиновое кольцо; 7 —рези-новый колпачок; 8
—соединительные пальцы; 9-
болты крепления суппорта;
10-
поворотная цапфа; 11-
кронштейн; 12-
суппорт; 13-
защитный кожух; 14-
шплинты; 15-
пружины; 16-
тормозные колодки; 17-
колесный тормозной цилиндр; 18-
тормозной диск.

|
Рисунок 4.1-Тормоз передний дисковый
Необходимо также отметить, что фрикционные накладки присоединены к колодкам путем склеивания, что более технологично по сравнению с заклепками.
5 Функциональный и прочностной расчет тормозной системы
5.1 Расчет максимально возможного тормозного момента
Прежде чем проектировать тормоза мобильных машин необходимо знать величину максимально возможного тормозного момента, который может быть реализован в определенных условиях эксплуатации машины и уже потом, с учетом найденной величины максимально возможного реализуемого момента, приступить к проектированию тормозов.
Из рассмотрения сил, действующих на мобильную машину при установившемся торможении на горизонтальном участке дороги (рисунок 5.1), определяем максимальные моменты трения переднего и заднего тормозов проектируемой машины, исходя из условия полного использования сцепления шин с дорогой:
M1
=(φּrּmּg/(n1
ּL))ּ(b+φּh), Нּм, (5.1)
M2
=(φּrּmּg/(n2ּL))ּ(a-φּh), Нּм, (5.2)
где М1
, М2
- максимально возможные моменты трения передних и задних тормозов соответственно в случае одновременного торможения всеми колесами автомобиля;
φ - коэффициент сцепления шин с дорогой, φ = 0.8;
r - радиус качения колеса, r= 0.2435 м ;
т - масса автомобиля, т = 975 кг;
а = 1.1068 м, b = 1.0732 м, h = 0.6374 м - координаты центра масс автомобиля;
L - база автомобиля, L = 2.18 м;
n1
, п2
- число колес с тормозами, соответственно, на передней и задней осях.
;
.
Таким образом , как видно из проведенных расчетов , момент трения на задних колесах меньше чем на передних.

Рисунок 5.1 – Силы, действующие на мобильную машину при торможении на горизонтальном участке дороги
Полученные формулы позволяют определить требуемые моменты трения, которые должны развивать проектируемые тормоза автомобиля для полного использования сцепления шин с дорогой и , тем самым, обеспечения максимальной эффективности торможения.
5.2 Расчет основных геометрических параметров тормозов
Для определения основных геометрических параметров однодискового переднего тормоза воспользуемся формулой для расчета величины тормозно- го момента:
,Нм, (5.3)
где коэффициент трения, ; средний радиус трения; сила прижимающая накладку к диску ,
, Н, (5.4)
где q -
давление жидкости в гидроприводе тормозов;
d
–
диаметр тормозного цилиндра , м;
Принимаем средний радиус трения Rc = 0.093 м. Давление жидкости в гидроприводе для автомобилей q = 8 – 9 МПа. Принимаем q = 9 МПа. Из выра-жения (5.3) определяем силу прижимающюю накладку к диску :
, (5.5)

Из выражения (5.4) определяем диаметр тормозного цилиндра:
, (5.6)

Основным показателем для окончательного выбора размеров фрикцион-
ных накладок является максимальная удельная нагрузка, создаваемая в контак-те поверхностей трения тормоза
, (5.7)
где F – площадь поверхности трения накладки.
Для дисковых тормозов допустимое значение удельной нагрузки на накладку не должно превышать 500 . Принимаем . Тогда из выраже-ния (5.7) площадь поверхности трения накладки равна
, (5.8)

Площадь поверхности трения накладки можно определить по форму-
ле (5.9)
(5.9)
где - центральный угол кольцевого сегмента накладки;
R ,r – наружный и внутренний радиусы кольцевого сегмента накладки.
Для определения R и r составим систему уравнений:
. (5.10)
Приняв , получаем
,
откуда:
.
Для определения диаметра главного цилиндра воспользуемся отноше-
нием
, (5.11)
где диаметр главного цилиндра, м;
диаметр колесного цилиндра, м.
Принимая 3 и получаем
5.3 Расчет показателей эффективности тормозов
Эффективность тормозов оценивается в основном тормозным путем и установившемся замедлением. Приравнивая силу инерции автомобиля и суммарную тормозную силу, найдем выражение для установившегося замедления:
j = φ • g = 0.8 • 9.81 = 7.848 м/с2
, (5.12)
Максимально возможный путь торможения с начальной скоростью 60 км/ч при гидравлическом приводе тормозов рассчитывают по формуле:
S=0.125V0
+V0
2
/(2ּj), м , (5.13)
где S - тормозной путь, м;
V
0
-
начальная скорость торможения, м/с;
V0
= 60 км/ч = 16.66 м/c;
S=0.125ּ16.66+16.662
/2ּּ 7.845 = 19.8 м.
Полученное выражение справедливо для случая одновременного торможения передними и задними колесами автомобиля.
5.4 Расчет показателей энергоемкости тормозов
Способность тормозов поглощать и быстро рассеивать накопленное тепло, без существенного снижения эффективности действия, называется энергоемкостью, о которой судят, косвенно, по удельной работе трения тормозов и приросту температуры за одно торможение на фрикционные нак-ладки.
Процесс интенсивного торможения продолжается весьма краткое время, поэтому пренебрегают теплоотдачей в окружающую среду и в соседние, нерабочие участки диска. Тогда удельная работа трения тормоза выразится как:
L=0.051Z1
V0
2
/ 2F , (5.14)
где Z1
- нормальная реакция дороги при торможении на колеса;
V0
-
начальная скорость торможения, V0
= 16.66 м/c;
F- площадь накладок рассчитываемого тормоза. Расчитываем нормальную реакцию дороги на переднее колесо:
Z=(Мg/(2L))(b+φh), (5.15)
Из ранее приведенных расчетов следует, что наиболее нагружженным является передний тормоз. Определим для него удельную работу трения: Z 1
=(975 ּ9.81/(2ּ2.18))ּ(1.0732+0.8ּ0.637)=3469.4 Н.
Lm
= 0.051ּ3469.4ּ (16.66)2
/ (2ּ 0.00227) = 1081 Н • м/см2
< 2000 Н • м/см2
.
Пренебрегая теплоотдачей в окружающую среду, можно считать что вся работа трения превращается в тепло. Тогда прирост температуры диска
за одно торможение выразится, как
(5.16)
где m – масса кольцевой части диска, непосредственно примыкающей к по-верхности трения,
(5.17)
где R,r – наружный и внутренний радиусы поверхности трения диска, м;
b – толщина диска, м;
р – плотность материала диска, для стали р = 7.83 ;
c – теплоемкость материала диска, для стали .


5.5 Прочностной расчет тормозов
Достаточная жесткость деталей барабанного тормоза, и прежде всего барабана и колодок, является непременным условием для обеспечения его надежности, стабильности и эффективности торможения.
Считаем тормозной барабан (рисунок 5.2) достаточно жестким, если выполняется условие:
W=2*108
*((P*h*f(a)/(c*E*sin2
α))*U(γi
)*(R3
/(L*H0
3
))<=0,0016*R, (5.15),
где W
-
максимальный статистический прогиб свободного края тормозного барабана;
Р –
разжимная сила , Н;
c - расстояние между центрами вращения барабана и поворота колодки, мм;
Е-модуль Юнга,E =
1,6 х 1011
н/м2
;
а - половина угла охвата колодки, а =
45°;
R
-
радиус средней окружности;
L
-
длина оболочки;
Н0
-
толщина оболочки;
R
0
-
опорноезначение,R
0=
0,25м
.
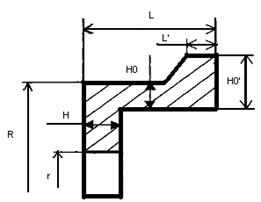
Рисунок 5.2 - Геометрические параметры тормозного барабана
L=75 мм, L’=17 мм, H=5 мм, H0=10 мм , H0’=5 мм, R=150 мм , r=35 мм.
Вычисляем значения γ, по следующим формулам:
γ1
=H/R0=0,02, (5.16),
γ2
=r/R0=0,136, (5.17),
γ3
=R/R0=0,6, (5.18),
γ4
=L/R0=0,3, (5.19),
γ5
=H0/R0=0,04, (5.20),
γ6
=L’/R0=0,068, (5.21),
γ7
=H0’/R0=0,1, (5.22),
где r0 - опорное значение средней окружности цилиндрической части тормозного барабана.
Далее определим U
(
γi
)
по выражению:
U
(
γi
)=0,0146/
(γ1*
γ4
)-0,002994/ (γ1*
γ3
)-1,93* γ2
+1,893* γ2
2
-0,5293/ γ2*
γ3
-1,924* γ3
+0,5576* *γ2
2
+0,1089* γ2
+1,852* γ7
+1,58 , (5.23).
Подставляем значения γi
в выражение (5.23):
U
(
γi
)=-6,7.
Половина угла охвата накладки тормоза а=45°, поэтому f(a) определяется по формуле:
f(a)=sin2
a/2+(cos4
a-1)/4+(2/π)*((9/4)*cos3
a-cos a/3-1/9-(a*sin3
a)/3), (5.24).
Подставляя значение а=45° в выражение (5.24) получаем f(a)=-0.00001324.
Подставим значение в выражение (5.15). Условие жесткости выполняется:
W
=0.235
MM
<0,0016* 150 = 0,24 мм.
|