| Реферат
Курсовой проект имеет объем 20 страницы, содержится шесть рисунков, использовано 5 источников. Разработанный преобразователь постоянного напряжения предназначен для преобразования электрической энергии, потребляемой данной аппаратурой, в вид, необходимый для ее нормального функционирования, и для улучшения параметров потребляемой мощности. Были разработаны и рассчитаны выпрямитель, фильтр и преобразователь. Полученные параметры, входные и выходные значения напряжений и токов удовлетворяют техническому заданию.
Содержание
| Введение
|
3
|
| 1 Выбор и обоснование структурной схемы
|
5
|
| 2 Выбор и обоснование принципиальной схемы
|
6
|
| 3 Расчет принципиальной схемы
|
9
|
4 Расчет КПД устройства
|
16
|
5 Конструкторская часть
|
17
|
6 Выбор диодов выпрямителя
7 Расчет фильтра
|
18
19
|
| Заключение
|
20
|
| Список литературы
|
21
|
| Приложение
|
22
|
Введение
Основная область практического применения высокочастотных транзисторных преобразователей – это средства вторичного электропитания радиоэлектронной аппаратуры (РЭА), которые представляют собой совокупность транзисторных преобразователей и предназначены для преобразования электрической энергии, потребляемой данной аппаратурой, в вид, необходимый для ее нормального функционирования, и для улучшения параметров потребляемой энергии. Преобразовательные устройства этого типа обеспечивают необходимые шкалы вторичных питающих напряжений постоянного и переменного токов, стабилизацию или регулирование их значений в соответствии с маломощным управляющим сигналом, требуемую форму и частоту напряжений на нагрузках переменного тока, эффективное сглаживание пульсаций и подавление электромагнитных помех во вторичных питающих цепях постоянного тока, электрическую изоляцию питающих цепей друг от друга и от первичного источника электрической энергии.
Являясь неотъемлемой частью любой РЭА, средства ее вторичного электропитания и, в частности, высокочастотные преобразователи в значительной степени характеризуют ее малогабаритные показатели и электропотребление, надежность и время готовности к работе. Поэтому на всех этапах развития радиоэлектроники обязательным условием поддержания высоких темпов технического прогресса было непрерывное совершенствование преобразовательных устройств, высокие темпы улучшения их эксплуатационных показателей в части массы и габаритов, надежности и долговечности, потерь электрической энергии и экономичности, быстродействия, электромагнитной совместимости с питаемой аппаратурой и первичным источником электрической энергии.
Забиваем Сайты В ТОП КУВАЛДОЙ - Уникальные возможности от SeoHammer
Каждая ссылка анализируется по трем пакетам оценки: SEO, Трафик и SMM.
SeoHammer делает продвижение сайта прозрачным и простым занятием.
Ссылки, вечные ссылки, статьи, упоминания, пресс-релизы - используйте по максимуму потенциал SeoHammer для продвижения вашего сайта.
Что умеет делать SeoHammer
— Продвижение в один клик, интеллектуальный подбор запросов, покупка самых лучших ссылок с высокой степенью качества у лучших бирж ссылок.
— Регулярная проверка качества ссылок по более чем 100 показателям и ежедневный пересчет показателей качества проекта.
— Все известные форматы ссылок: арендные ссылки, вечные ссылки, публикации (упоминания, мнения, отзывы, статьи, пресс-релизы).
— SeoHammer покажет, где рост или падение, а также запросы, на которые нужно обратить внимание.
SeoHammer еще предоставляет технологию Буст, она ускоряет продвижение в десятки раз,
а первые результаты появляются уже в течение первых 7 дней.
Зарегистрироваться и Начать продвижение
Тем не менее, в последнее время стало очевидным заметное отставание источников вторичного электропитания РЭА от тех требований, которые предъявляет современный уровень развития радиоэлектроники и автоматики. Так, относительная доля средств вторичного электропитания увеличилась до 20-50 % и более, а потери мощности электрической энергии в полупроводниковых преобразователях составляет до 30-50 % от суммарного количества энергии, потребляемой аппаратурой.
Создавшееся положение обусловлено широкой микроминиатюризацией РЭА на базе перехода от дискретных электрорадиоэлементов к интегральным микросхемам непрерывно увеличивающейся степени интеграции. Такая микроминиатюризация сопровождалась значительным ужесточением требований, предъявляемых РЭА и приборами автоматики к качеству потребляемой ими электрической энергии. Резко возросли требования к стабильности вторичных питающих напряжений, уменьшились их номинальные значения при одновременном возрастании во много раз токов нагрузки, значительно уменьшились допустимые уровни пульсаций, резко возросло число электрически изолированных друг от друга каналов вторичного электропитания для каждого отдельно взятого радиоэлектронного устройства. Значительно более жесткие требования в настоящее время предъявляются к качеству переходных процессов в высокочастотных транзисторных преобразователях, их быстродействию, устойчивому запуску, надежности, электромагнитной совместимости с питаемой аппаратурой.
В современных условиях основным направлением дальнейшего совершенствования средств вторичного электропитания РЭА, и высокочастотных транзисторных преобразователей в частности, является их комплексная миниатюризация на базе последних достижений техники.
1 Выбор и обоснование структурной схемы
       
 Rн
Рисунок 1
Для двухзвенных высокочастотных преобразователей постоянного напряжения переходные процессы периодической коммутации транзисторов в инверторе и диодов в выпрямителе сопровождаются выделением в них значительной мгновенной мощности. По мере увеличения частоты преобразования частота коммутации полупроводниковых приборов также увеличивается, в результате увеличивается мощность, рассеиваемая в виде тепла в элементах преобразователей, и уменьшается их КПД. Ввиду относительной небольшой мощности инвертора в двухзвенных преобразователях постоянного напряжения обратная реакция на него со стороны выпрямителя существенным образом определяет характер быстрых коммутационных процессов, что обуславливает необходимость исследования таких преобразователей как единой электромагнитной системы.
Сервис онлайн-записи на собственном Telegram-боте
Попробуйте сервис онлайн-записи VisitTime на основе вашего собственного Telegram-бота:
— Разгрузит мастера, специалиста или компанию;
— Позволит гибко управлять расписанием и загрузкой;
— Разошлет оповещения о новых услугах или акциях;
— Позволит принять оплату на карту/кошелек/счет;
— Позволит записываться на групповые и персональные посещения;
— Поможет получить от клиента отзывы о визите к вам;
— Включает в себя сервис чаевых.
Для новых пользователей первый месяц бесплатно.
Зарегистрироваться в сервисе
На выходе преобразователя включен двухполупериодный выпрямитель со средней точкой. Чтобы обеспечить заданный уровень пульсаций на выходе преобразователя после выпрямителя, устанавливаем Г-образный фильтр. Чтобы защитить цепь постоянного тока от перегрузки по току и замыканий в цепи нагрузки между фильтром и нагрузкой, помещаем защиту по току.
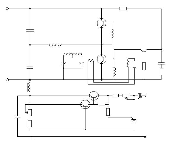
2 Выбор и обоснование принципиальной схемы
Рисунок 2
В качестве преобразователя напряжения выбираем преобразователь, выполненный по полумостовой схеме с переключающим трансформатором Т2. Эта схема относится к автогенераторным схемам с независимым возбуждением.
Частота работы данного преобразователя определяется параметрами переключающего трансформатора Т2:
,
где U1
– напряжение на обмотке ;
Bs
’
- индукция насыщения магнитопровода;
Se
’
– сечение сердечника;
W1
’
– количество витков в обмотке Т2.
Переключение транзисторов происходит лавинообразно в момент, когда индукция в сердечнике достигает индукции насыщения Вs
’
,цепи без транзисторов получают питание от обмоток положительной обратной связи W2
’
и W3
’
.
Для обеспечения минимальных потерь в транзисторах, транзисторы преобразователя VT1 и VT2 должны работать в ключевом режиме с минимальным падением напряжения на эмиттерно-коллекторном переходе во включенном состоянии транзистора.
Трансформатор T1 - это основной силовой трансформатор преобразователя, обеспечивающий питание нагрузки.
Нагрузка к преобразователю подключается к устройству регулирования напряжения, выполненное на транзисторах VT4, VT5, обеспечивающее одновременно защиту преобразователя от тока короткого замыкания в нагрузке. Регулятор напряжения в свою очередь получает питание от двухполупериодного выпрямителя преобразователя, выполненного на диоде VD1, VD2 по схеме со средней точкой, через сглаживающий фильтр на элементах L1, C4.
Для запуска преобразователя служит пусковое устройство R1, C4, R4 и VT3. При подключении преобразователя к питанию конденсатор C4 начинает заряжаться через резисторы R1 и R4. При достижении на коллекторе транзистора VT3 напряжения около 90В, происходит лавинный пробой транзистора и конденсатор C4 разряжается через транзистор на базовую обмотку, переключающего трансформатора Т2. Преобразователь запускается.
Регулятор напряжения, который обеспечивает также и защиту по току, работает следующим образом: изменяя величину сопротивления R5 (переменный резистор), изменяется ток базы транзисторов VT5, VT4 и соответственно падение напряжения на транзисторе VT4. Таким образом, закрывая транзистор VT4, можно уменьшать выходное напряжение, т.к.
Uвых
=Uвх
-UVT
4
.
Защита от тока короткого замыкания и повышенного тока происходит следующим образом: при достижении определенного уровня тока в нагрузке, возрастает падение напряжения на R8. Когда это напряжение достигает напряжения срабатывания тиристора VS1, то тиристор открывается и транзисторы VT5, VT4 запираются. Тем самым ток в цепи нагрузки уменьшается до величины остаточного тока, который определяется величиной сопротивления R5, R6.
Кнопка SB1 служит для возврата регулятора в исходное положение.  3 Расчет принципиальной схемы
Заданные параметры
Uвх
= 36 (В) +
10%
Uвых
= 12 –24 (В)
Iвых
= 2 (А)
КПД = 80%
Кп
= 0,5%
В целях уменьшения массово-габаритных показателей, принимаем частоту преобразователя равной 15 кГц.
3.1 Расчет режима работы транзисторов преобразователя и их выбор
3.1.1 Определим Uвх
max
и Uвх
min
. По заданным значениям Uвх
и его отклонение определим:
Uвх
max
= 39,6В,
Uвх
min
= 32,4В.
3.1.2 Определим ток коллектора открытого транзистора Iк нас
Для полумостовой схемы преобразователя имеем
 ,
где ηн
= КПД преобразователя;
Uкнас
- напряжение на переходе коллектор-эмиттер транзистора в режиме насыщения;
Uкэ нас
=3 для кремниевых транзисторов;
ILmax
– амплитуда тока во вторичной обмотке;
U2
-напряжение во вторичной обмотке.
Для двухполупериодного выпрямителя со средней точкой I2
max
=I2
√2
где I2
- ток во вторичной обмотке трансформатора T1.
Принимаем I2
=Iвых
=2А
I2
max
≈2,8А.
Для определения U2
воспользуемся формулой
U2
=Uвых
+Uзап
,
Uвых
=24B’
Uзап
- напряжение, которое теряется на диодах выпрямителя, элементах фильтра и регулятора.
Принимаем Uзап
=4B.
U2
=24+4=28B.
,
3.1.3 Определим максимальное напряжение на закрытых транзисторах UКЭ
max
Для преобразователя по полумостовой схеме имеем:
UКЭ
max
= 1,2 Uвх
max
,
UК
max
= 1,2∙39,6 ≈ 47,5B
По величинам Iкнас
и Uкэма
x
выбираем из справочника транзистор КТ908Б с параметрами:
Uкэ
= 60B,
Iк
max
= 10A,
H21э
=20 – статистический коэффициент передачи тока в схеме с ОЭ (общим эмиттером).
3.2 Расчет выходного трансформатора
3.2.1 Исходя из высокой рабочей частоты преобразователя, в качестве материала магнитопровода трансформатора преобразователя выбираем феррит марки 2000НМ.
Выбираем торроидальную конструкцию трансформатора.
Размеры магнитопровода выбираем исходя из габаритной мощности трансформатора:
Sтр
=2,1(U2
∙I2
+Uос
∙Iос
)
для двухполупериодной схемы выпрямителя со средней точкой.
Приближенно можно принять
Sтр
=2,1∙U2
∙I2
.
Составляющей можно пренебречь из-за ее небольшой величины. Тогда: Sтр
=2,1∙28∙2=117,2B∙A. По справочнику по таблице, исходя из значения Sтр
выбираем сердечник К28x16x9.
     
   28 
9
Рисунок 3
Определим сечение магнитопровода в см2
:
.
Из полученных данных рассчитываем выпрямитель и сглаживающий фильтр.
3.2.2 Определим количество витков, приходящихся на 1В:W0
,
В – магнитная индукция для 2000нм, В=0,1,
f=15кГц – частота преобразователя.

3.2.3 Определим число витков первичной обмотки W1


3.2.4 Определим число витков вторичной обмотки


3.2.5 Определим число витков обмотки обратной связи 
Принимаем =10В (напряжение на обмотке обратной связи). Тогда Wос
=Uос
∙Wо
=10∙3=30 витков,
Wос
=30.
3.2.6 Определим диаметры в мм проводов обмоток для W1
:
,
где j-плотность тока в проводе (обычно берется не более 3А/мм2
),
j=3А/мм2
,
; d1
=1,2мм.
Для W2
=W3
: ,
; d2
=0,9 мм.
Для Wос
: ,
где Iос
- ток обратной связи, Iос
определяется мощностью переключающего трансформатора Т2.
Приближенно выходную мощность Т2 можно определить через мощность, необходимую для переключения транзисторов VT1, VT2.
Габаритная мощность Т2 :
,
где и - мощности обмоток в базовых цепях управления транзисторов VT1 и VT2.
.
Обычно принимают Uб
= +3B (напряжение управления в базовой цепи).
Iб
определим через Iкнас
и h21э
(коэффициент усиления):
,
где кн
- коэффициент насыщения транзистора, примем 1,2,
кн
=1,2,
h21э
=20;
.
Определим
.
Габаритная мощность
=0,9+0,9=1,8 Вт.
Принимая во внимание, что КПД (η) такого маломощного трансформатора не более 0,7, определим потребляемую мощность трансформатора Т2:
,
.
Определим Iос
:
,
,
тогда  ,
.
В качестве проводов принимаем провода марки ПЭТВ-1.
По справочнику определим стандартные значения диаметров проводов для трансформатора Т1.
Для W1
: d1
=1,2 мм,
W2
=W3
: d=0,92 мм,
Wос
: dос
=0,31 мм.
3.3 Расчет переключательного трансформатора Т2
3.3.1 По габаритной мощности, а также по соображениям технологичности выбираем из справочника сердечник марки 2000НМ со следующими размерами: К16х8х6.
Определим сечение магнитопровода:

  
16 6
Рисунок 4
3.3.2 Определим количество витков на 1В:
,
.
3.3.3 Определим количество витков базовых обмоток:
(виток),
.
3.3.4 Определим число витков обмотки .
Принимаем UW
ос
=6В, тогда .

3.3.5 Определим диаметры проводов обмотки трансформатора Т2.
Для и d=0,36 мм,
Для : d=0,31 мм.
4 Определим
R
огр
в цепи обратной связи переключающего трансформатора
По схеме Rогр
=R2
имеем:
,
,
Ом, R2
=15 Ом.
Окончательно R2
подбирается при настройке частоты преобразователя.
5 Определим величины емкостных конденсаторов С1
и С2
Величину емкостей C1
и С2
будем определять, исходя из условий их
полного заряда и перезарядки при работе преобразователя на данной частоте с тем, чтобы обеспечить минимальную пульсацию выходного напряжения. При этом на выходе трансформатора преобразователя должны быть прямоугольные импульсы напряжения.
Известно, что постоянная времени RC цепи: τ=R∙C.
В нашем случае τ равно времени полупериода, тогда
, τ = 3,3∙105
с = 0,033 мс.
  
τ
Рисунок 5
,
где Rэ
-выходное эквивалентное сопротивление преобразователя, которое можно определить как
, ,
.
В качестве конденсаторов С1
и С2
из справочника выбираем конденсатор марки К73-11 на 2,2 мкФ х63В по две штуки на каждое плечо.
6 Выбор диодов выпрямителя
На выходе преобразователя включен двухполупериодный выпрямитель со средней точкой. В схеме имеются 2 диода. По величине выходного тока и выходного напряжения выбираем из справочника диоды марки КД213А.
7 Расчет фильтра
Чтобы обеспечить заданный уровень пульсаций на выходе преобразователя после выпрямителя устанавливается Г-образный фильтр.
Рисунок 6
По заданному коэффициенту пульсаций на выходе определим параметры L и C.
7.1 Определим требуемый коэффициент фильтрации
,
где кп1
- коэффициент на выходе выпркп2
_ коэффициент на нагрузке.
Для двухполупериодного выпрямителя со средней точкой кп1
=0,667, а кп2
– задан: кп2
=0,5.
,
.
Найдем произведение L1
и С4
(см. схему):
,
где p – число коммутаций за период p=2;
w – циклическая частота: w=2πf.
.
Принимаем величину С4
=0,5 мкФ, тогда
.
По справочнику выбираем унифицированный дроссель Д60 с параметрами: ток намагничивания равен 10А, индуктивность дросселя L=0,005.
Заключение
Курсовой проект выполнен в соответствии с заданием на проектирование, полученные результаты удовлетворяют ТЗ.
Также в соответствии с ТЗ были разработаны односторонняя печатная плата и печатный узел размером 55Х85мм.
В данной схеме, возможно установить элементы индикации о состоянии регулирующего элемента, о перегрузке компенсационного стабилизатора, о наличии питающего напряжения. Также возможна установка тепловой защиты РЭ.
Список литературы
1.
Китаев В.Е., Бокуняев А.А. Расчет источников электропитания устройств связи. – Издательство Связь, 1979. – 452с.
2.
Куляпин В.М. Теоретические основы проектирования электрических схем зажигания. – Уфимский авиационный институт, 1985.- 45с.
3.
Куляпин В.М., Утляпов Г.Н. Электроприборное оборудование летательных аппаратов. – Уфимский авиационный институт, 1978. – 38с.
4.
Моин В.С., Лаптев Н.Н. Стабилизированные транзисторные преобразователи. – Москва: издательство Энергия, 1972. – 358с.
5.
Ромаш Э.Э., Драбович Ю.И. и др. Высокочастотные транзисторные преобразователи. – Москва: издательство Радио и связь, 1988. – 489с.
|