| Реферат
Курсовой проект имеет объем 18 страниц, содержится восемь рисунков, использовано семь источников. Разработанное реле времени предназначено для использования в бытовой и промышленной аппаратуре в широком диапазоне температур. Были разработаны и рассчитаны блок питания, схема коммутации и времязадающая схема. Полученные параметры t
и
=0,1с…10мин
, U
вых
=220В
, входные и выходные значения напряжений и токов удовлетворяют техническому заданию. Также была разработана печатная плата на основе рассчитанной схемы.
Содержание
| Введение
|
2
|
| 1 Выбор и обоснование структурной схемы
|
3
|
| 2 Выбор и обоснование принципиальной схемы
|
5
|
| 3 Расчет принципиальной схемы
|
9
|
| 4 Расчет КПД устройства
|
14
|
| 5 Конструкторская часть
|
15
|
| Заключение
|
16
|
| Список литературы
|
17
|
| Приложение
|
18
|
Введение
Одной из наиболее важных особенностей настоящего времени является широкое развитие и внедрение электроники во все области жизни.
В промышленности и в быту часто возникает необходимость задания точного отрезка времени работы какого-либо устройства, механизма, схемы. Как-то: реле времени для фотопечати, командный механизм современных стиральных машин или станков, таймеры микроволновых печей и т.д.
Путь развития реле времени от простейших механических «часов» до микропроцессорных программно управляемых систем прошел через механические электронно-управляемые реле, примитивные реле времени на базе RC цепочек и транзисторов, электронные затворы, управляемые с помощью интегральных микросхем средней степени интеграции и т. п.
Постоянное стремление разработчиков к минимизации управляющей схемы при увеличении точности задания интервала времени привело к созданию ИМС средней и высокой степени интеграции.
1 Выбор и обоснование структурной схемы
Необходимость коммутации нагрузки, находящейся под высоким напряжением, при использовании точных ИМС приводит к необходимости гальванической развязки управляющей схемы (УС) и схемы коммутации (СК). Таким образом первоначальная структурная схема будет иметь следующий вид:

Рисунок 1.
Управляющую схему можно представить в виде схемы изображенной на рисунке 2.

Рисунок 2.
Кроме того, условие питания прибора от бытовой электросети ~220В приводит к необходимости введения блока питания (БП). Таким образом, синтезируем следующую структурную схему:
Забиваем Сайты В ТОП КУВАЛДОЙ - Уникальные возможности от SeoHammer
Каждая ссылка анализируется по трем пакетам оценки: SEO, Трафик и SMM.
SeoHammer делает продвижение сайта прозрачным и простым занятием.
Ссылки, вечные ссылки, статьи, упоминания, пресс-релизы - используйте по максимуму потенциал SeoHammer для продвижения вашего сайта.
Что умеет делать SeoHammer
— Продвижение в один клик, интеллектуальный подбор запросов, покупка самых лучших ссылок с высокой степенью качества у лучших бирж ссылок.
— Регулярная проверка качества ссылок по более чем 100 показателям и ежедневный пересчет показателей качества проекта.
— Все известные форматы ссылок: арендные ссылки, вечные ссылки, публикации (упоминания, мнения, отзывы, статьи, пресс-релизы).
— SeoHammer покажет, где рост или падение, а также запросы, на которые нужно обратить внимание.
SeoHammer еще предоставляет технологию Буст, она ускоряет продвижение в десятки раз,
а первые результаты появляются уже в течение первых 7 дней.
Зарегистрироваться и Начать продвижение

Рисунок 3.
2 Выбор и обоснование принципиальной схемы
В настоящее время существует достаточно широкий спектр ИМС, позволяющих синтезировать реле времени на их основе. От достаточно простого К155АГ1, до программируемого таймера КР580ВИ53. В данном случае необходимо формирование импульсов в очень широком диапазоне длительностей, что существенно сужает выбор элементной базы формирователя управляющих импульсов.
В качестве основы ФУИ был взят таймер КР1006ВИ1. Этот выбор был обусловлен способностью данного таймера формировать импульсы длительностью от 20 мкс, до значения, определяемого внешними навесными элементами; его неприхотливостью к напряжению питания; высокой точностью длительности формируемых импульсов, а так же тем, что выходные импульсы позволяют непосредственно управлять схемой гальванической развязки прибора.
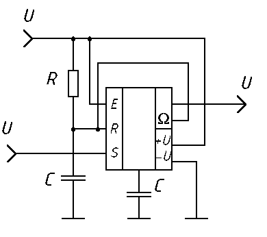
Типовая схема включения таймера КР1006ВИ1 в качестве ждущего мультивибратора приведена на рисунке 4. 
Рисунок 4.
При таком включении длительность выходного управляющего импульса определяется внешними навесными элементами R и C. Так как необходимо обеспечить широкий диапазон изменения длительности импульса, то функцию времязадающих элементов будет выполнять времязадающая схема, состоящая из переменного резистора, ограничительного резистора и двух конденсаторов различной емкости, подключаемых поочередно через галетный переключатель:

Рисунок 5.
При такой схеме длительность импульса будет регулироваться с помощью R1 в двух поддиапазонах, определяемых конденсаторами C1 и C2. А резистор R2 служит для ограничения минимальной длительности.
Для запуска таймера необходимо на его вход S подать напряжение, меньшее 1/3Uпит
. Поэтому можно использовать простейшую схему, приведенную на рисунке 6.

Рисунок 6.
Так как микросхема таймера допускает диапазон напряжения питания 5-15В и отличается достаточной независимостью длительности выходного импульса от напряжения питания, то для работы схемы достаточно БП с параметрической стабилизацией выходного напряжения:

Рисунок 7.
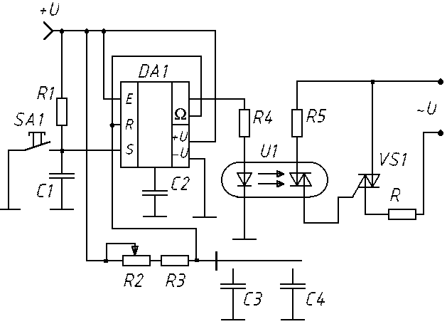
Для гальванической развязки управляющей схемы и схемы коммутации применена оптопара, отличающаяся от электромагнитного реле более компактными размерами и высоким быстродействием.
В схеме коммутации в качестве ключа можно применить силовой симистор. Таким образом, общая принципиальная схема устройства без БП имеет вид представленный на рисунке 8.
 Рисунок 8.
3 Расчет принципиальной схемы
Сервис онлайн-записи на собственном Telegram-боте
Попробуйте сервис онлайн-записи VisitTime на основе вашего собственного Telegram-бота:
— Разгрузит мастера, специалиста или компанию;
— Позволит гибко управлять расписанием и загрузкой;
— Разошлет оповещения о новых услугах или акциях;
— Позволит принять оплату на карту/кошелек/счет;
— Позволит записываться на групповые и персональные посещения;
— Поможет получить от клиента отзывы о визите к вам;
— Включает в себя сервис чаевых.
Для новых пользователей первый месяц бесплатно.
Зарегистрироваться в сервисе
3.1 Параметры формирователя управляющих импульсов
Параметры используемого в качестве ФУИ таймера КР1006ВИ1 приведены в таблице 1.
Таблица 1 – параметры таймера КР1006ВИ1
| Тип микросхемы
|
КР1006ВИ1
|
| Напряжение питания Uпит
, В
|
5..15
|
| Ток потребления*
Iпотр.
DA
1
, мА
|
10
|
| Ток нагрузки Iнагр.
MAX
, мА, не более
|
100
|
| Рассеиваемая мощность PDA
1
, Вт, при T=500
С
|
0,5
|
* здесь и далее при Uпит
=9 В.
3.2 Расчет схем коммутации и гальванической развязки
3.2.1 Определяем начальные данные для выбора симистора VS1.
Амплитудное напряжение в цепи нагрузки:
.
Действующее значение тока в цепи нагрузки:
.
В соответствии с найденными значениями выбираем симистор и выписываем его характеристики.
Таблица 2 – параметры симистора КУ208Г
| Параметр
|
КУ208Г
|
| Максимальное напряжение U
VS
1
MAX
, В
|
400
|
| Максимальное дейст. знач. тока I VS
1
MAX
, А, при TК
=500
С
|
5
|
| Ток управления, мА
|
160
|
| Рассеиваемая мощность PVS
1
, Вт, при TК
=500
С
|
10
|
3.2.2 Подбор оптронной пары.
Типовым решением в данных условиях коммутации сети с напряжением ~220В силовым симистором, и управления с помощью ИМС является использование тиристорной оптопары АОУ160А при R5=100 Ом.
Таблица 3 – параметры оптопары АОУ160А
| Параметр
|
АОУ160А
|
| Ток включения IU1
, мА
|
10
|
| Входное напряжение UU
1
, В, не более, при IU
1
=10 мА
|
1,6
|
| Наибольшее выходное напряжение, В
|
400
|
| Напряжение изоляции между входом и выходом, В
|
1500
|
Оптронная пара АОУ160А обеспечивает необходимую изоляцию управляющей цепи от цепи нагрузки и управление симистором VS1.
Управление излучателем осуществляется через резистор R4, который подбирается таким образом, чтобы при высоком уровне выходного напряжения таймера ток через оптрон составлял 10 мА.
Из ряда E24 выберем резистор типа МЛТ – 0,5 100 Ом ±5%.
3.3 Расчет схемы запуска
Схема запуска предназначена для подачи на вход S DA1, при нажатии на SA1, напряжения меньше 1/3Uпит
в течение времени, достаточного для срабатывания таймера. На основании этих условий выберем из ряда номиналов конденсатор типа КМ-6 емкостью 1 мкФ и резистор МЛТ 0,25 1 кОм.
3.4 Расчет времязадающей схемы
Длительность выходного импульса ФУИ определяется по формуле
T=1,1RC, (1)
где R и С - навесные элементы в типовой схеме включения.
По ТЗ необходима регулировка длительности импульса в пределах от 0.1 с до 10 мин. Покрытия такого широкого диапазона можно добиться только при разбиении его на поддиапазоны с перекрытием. Одним из вариантов является использование постоянного и переменного резисторов и нескольких конденсаторов, подключаемых попеременно через тумблер или галетный переключатель.
Зададимся двумя конденсаторами и исходя из этого составим систему уравнений в соответствии с формулой (1):
t0=1,1R3C3;
t1=1,1(R3+R2)C3;
t2=1,1R3C4;
t3=1,1(R3+R2)C4.
При этом должны выполняться условия:
t0<=0,1; t1>t2; t3>=600.
Синтез схемы, обеспечивающей необходимый диапазон можно вести путем задания некоторых элементов из ряда номиналов и расчета значений остальных элементов, с последующим выбором их номиналов и проверкой на соответствие ТЗ. В качестве начальных значений целесообразно задаваться номиналами конденсаторов и переменного резистора, т.к. ряд номиналов резисторов позволяет гораздо точнее выбрать их значения после расчетов.
Путем задания различных номиналов емкостей и вычисления остальных элементов было найдено, что при C3=10 мкФ, C4=500 мкФ, R2=1 МОм, R3=9,1 кОм получаются поддиапазоны от 0,1 до 12 секунд и от 5 до 603 секунд, что удовлетворяет ТЗ.
Выберем конденсаторы К52-2Б 10 мкФ и 500 мкФ с рабочим напряжением 16В, резистор МЛТ – 0,5 9,1 кОм±5% и переменный резистор СП-1 1 МОм группы А.
3.5 Расчет блока питания
Напряжение питания таймерной ИМС может находиться в пределах от 5 до 15 В. Поэтому при расчете блока питания мы можем задаться напряжением питания +9В и исходя из этого значения рассчитывать остальные параметры БП.
Напряжение стабилизации VD5:
Uстаб
=Uпит
=9В.
Выбираем из справочника стабилитрон Д814Б.
Таблица 4 – параметры стабилитрона Д814Б
| Параметр
|
Д814Б
|
| Напряжение стабилизации Uстаб
, В
|
9,5
|
| Ток стабилизации Iстаб
, мА
|
5
|
Для понижения напряжения возьмем стандартный УТП типа Т8.
Таблица 5 – параметры трансформатора Т8
| Тип трансформатора
|
Т8
|
| Типоразмер магнитопровода
|
ШЛМ10х20
|
| Напряжение на первичной обмотке Uперв
, В
|
220
|
| Ток первичной обмотки Iперв
, мА
|
33
|
| Номинальное напряжение на вторичной обмотке Uвт
, В
|
10
|
| Номинальный ток вторичной обмотки Iвт
, мА
|
400
|
Для выпрямления переменного напряжения выберем из справочника диодный мост КЦ402В.
Таблица 4 – параметры диодного моста КЦ402В
| Параметр
|
КЦ402В
|
| Максимальное обратное напряжение (амп.), В
|
400
|
| Средний выпрямленный ток, мА
|
1000
|
Для защиты БП от перегрузок по току в цепь первичной обмотки трансформатора поставим плавкий предохранитель на 2А.
4 Расчет КПД устройства
Коэффициент полезного действия рассчитываемого устройства может быть найден из произведения КПД его составных частей – блока питания и схемы коммутации:

5 Конструкторская часть
Максимальное рабочее напряжение рассчитанной схемы – 19В. Для печатной платы на основе стеклотекстолита минимальное расстояние между проводниками при данном напряжении – 0,15мм /7, с.306/.
Для печатных проводников, используемых в бытовой аппаратуре, допускается плотность тока до 30А/мм2
, следовательно для схемы с максимальной силой тока 2А необходимо использовать печатные проводники шириной не менее 1,3мм.
Диаметр контактной площадки определяем по формуле:
dK
=
d + 2
b +
c
= 1,2 + 2×0,3 + 0,7 = 2,5мм
,
где, d – диаметр отверстия, берется из расчета, что диаметр выводов используемых элементов 0,9мм, и диаметр отверстия делают на 0,3мм больше; b – необходимая минимальная радиальная толщина контактной площадки, с – коэффициент разброса межцентрового расстояния и смещения фольги.
Плату изготовить химическим методом. Шаг координатной сетки 2,5мм. Материал – стеклотекстолит СФ-1Н-1,5 ГОСТ10316-78. Элементы паять припоем Прв КР2 ПОС-61 ГОСТ 21931-76. Длина выступающих выводов за плату 0,5-1,0мм. Установку элементов производить по ОСТ 4010.030-81
Разводка платы производилась с помощью программы ACCEL EDA V15.0.
Заключение
Курсовой проект выполнен в соответствии с заданием на проектирование, полученные результаты t
и
=0,1с…10мин
, U
вых
=220В
удовлетворяют ТЗ.
Также в соответствии с ТЗ были разработаны односторонняя печатная плата и печатный узел размером 55Х85мм.
В данной схеме возможно установить элементы индикации о состоянии схемы коммутации, о заданном t
и
. Также возможна установка тепловой защиты СК.
Список литературы
1. Аксенов А.И., Нефедов А.В. Резисторы, конденсаторы, провода, припои, флюсы. Справочное пособие. – М.: СОЛОН-Р, 2000. - 240 с.
2. Аксенов А.И., Нефедов А.В., Юшин А.М. Элементы схем бытовой радиоаппаратуры. Диоды. Транзисторы. Справочник. - М.: Радио и связь, 1993. – 224 с.
3. Гершунский Б.С. Справочник по расчету электронных схем. - Киев: Вища школа, 1983. - 240с.
4. Перельман Б.Л. Полупроводниковые приборы: Справочник. – М: СОЛОН, МИКРОТЕХ, 1996. – 176 с.
5. Фрумкин Г.Д. Расчет и конструирование радиоэлектронной радиоаппаратуры. – М.: Высшая школа, 1989. – 463 с.
6. Расчет импульсных устройств на полупроводниковых приборах/ Агаханян Т.М., Кармазинский А.Н., Мезенцев А.В. и др. –М.: Советское радио, 1975.- 344 с.
7. Коломбет Е.А. Таймеры.- М.: Радио и связь, 1983.
|