| Реферат
Курсовой проект выполнен в объеме 32 страниц, содержит двенадцать рисунков, использовано 4 источника. Разработанный генератор пилообразного напряжения может быть использован в контрольно-измерительной аппаратуре, в цифро-аналоговых преобразователях и т. п. При проектировании были разработаны и рассчитаны интегратор на ОУ, симметричный мультивибратор, ключевое устройство и эмиттерный повторитель. Полученные параметры выходных значений напряжения и тока удовлетворяют требованиям техническому заданию.
содержание
| Введение
|
2
|
| 1 Основная часть
|
3
|
| 1 Выбор и обоснование структурной схемы устройства
|
3
|
| 1.1 Общая характеристика и принципы построения генераторов
|
3
|
| 1.2 Структурная схема генератора пилообразного напряжения
|
5
|
| 2 Расчетная часть
|
7
|
| 2.1 Выбор и обоснование принципиальной схемы устройства
|
7
|
| 2.1.1 Простейший генератор пилообразного напряжения (ГПН)
|
7
|
| 2.1.2 Классификация ГПН со стабилизаторами тока
|
10
|
| 2.1.3 Генераторы пилообразного напряжения на операционных усилителях. Содержание схемы разрабатываемого устройства
|
12
|
| 2.2 Расчет элементов устройства, выбор типов и номиналов.
|
18
|
| 2.2.1 Расчет токостабилизирующего элемента (ТСЭ)
|
18
|
| 2.2.2 Расчет симметричного мультивибратора на ОУ (СМВ)
|
20
|
| 2.2.3 Расчет ключевого устройства (КУ)
|
21
|
| 2.2.4 Расчет эмиттерного повторителя
|
22
|
| 2.2.5 Расчет коэффициента полезного действия КПД
|
25
|
| 3 Конструкторская часть
|
26
|
| Заключение
|
28
|
| Список используемых источников
|
29
|
| |
|
| |
|
| |
|
| |
|
| |
|
| |
|
Введение
Электроника является универсальным и исключительно эффективным средством при решении самых различных проблем в области сбора и преобразования информации, автоматического и автоматизированного управления, выработки и преобразования энергии. Знания в области электроники становятся необходимыми все более широкому кругу специалистов.
Сфера применения электроники постоянно расширяется. Практически каждая достаточно сложная техническая система оснащена электронными устройствами. Трудно назвать технологический процесс, управление которым осуществлялось бы без использования электроники. Функции устройств электроники становятся все более разнообразными. Роль электроники в настоящее время существенно возрастает с связи с применением микропроцессорной техники для обработки информационных сигналов и силовых полупроводниковых приборов для преобразования электрической энергии.
Забиваем Сайты В ТОП КУВАЛДОЙ - Уникальные возможности от SeoHammer
Каждая ссылка анализируется по трем пакетам оценки: SEO, Трафик и SMM.
SeoHammer делает продвижение сайта прозрачным и простым занятием.
Ссылки, вечные ссылки, статьи, упоминания, пресс-релизы - используйте по максимуму потенциал SeoHammer для продвижения вашего сайта.
Что умеет делать SeoHammer
— Продвижение в один клик, интеллектуальный подбор запросов, покупка самых лучших ссылок с высокой степенью качества у лучших бирж ссылок.
— Регулярная проверка качества ссылок по более чем 100 показателям и ежедневный пересчет показателей качества проекта.
— Все известные форматы ссылок: арендные ссылки, вечные ссылки, публикации (упоминания, мнения, отзывы, статьи, пресс-релизы).
— SeoHammer покажет, где рост или падение, а также запросы, на которые нужно обратить внимание.
SeoHammer еще предоставляет технологию Буст, она ускоряет продвижение в десятки раз,
а первые результаты появляются уже в течение первых 7 дней.
Зарегистрироваться и Начать продвижение
Электроника имеет короткую, но богатую событиями историю, которая составляет чуть более 100 лет. Путь пройденный от вакуумных приборов до сверхбольшой однокристальной микросхемы содержащей десятки миллионов транзисторов.
Основная часть
1. Выбор и обоснование структурной схемы устройства
1.1 Общая характеристика и принципы построения генераторов
Импульсы напряжения пилообразной формы могут быть как положительной, так и отрицательной полярности. На рисунке (1.1.1) показана реальная форма пилообразного импульса положительной полярности.

Рисунок 1.1.1
Важнейшим параметрами пилообразных импульсов являются: длительность прямого (рабочего) хода tпр, длительность обратного хода tобр, период повторения Т, амплитуда импульса Um. Поскольку строго линейный закон изменения напряжения U(t) получить невозможно, степень отклонения этого напряжения от линейного закона характеризует закон нелинейности:
ε= (1.1.1)
Где |u`(t)|t=0 и | u`(t)| t=tпр – соответственно скорость изменения напряжения в начале и в конце рабочего хода. В ждущем режиме имеется еще длительность паузы tп, в течение которой u(t)=const.
В практических схемах генераторов пилообразного напряжения tпр находятся в пределах от десятых долей микросекунды до десятков секунд, tобр – от 1 до 20% от tпр, Um
– от единиц до тысяч вольт. Значение ε так же зависти от назначения схемы и допускается (например, в осциллографии) до 10%.
Параметром, характеризующим схему генератора импульсов, является коэффициент использования напряжения источника питания E, под которым понимают отношение:
ξ=Um
/E (1.1.2)
Простейший принцип получения пилообразного напряжения основан на процессе заряда или разряда конденсатора C через резистор R (рис.1.1.1,б). Если ключ S разомкнут, то конденсатор заряжается от источника постоянного напряжения E. При этом напряжение на конденсаторе Uc
(выходе схемы), стремясь к асимптотическому уровню E (см.рис.1.1,а), изменяется по экспоненциальному закону:
Uc
=E(1-e -t/RC
). (1.1.3)
Замыкание ключа S приводит к быстрому разряду конденсатора. Скорость разряда конденсатора зависит от сопротивления ключа в замкнутом состоянии. Затем процесс повторяется. Прямой ход пилообразного напряжения в этой схеме формируется при разомкнутом ключе, а обратный при – замкнутом. Таким образом, для реализации этого принципа генератор должен содержать зарядное или разрядное устройство, интегрирующий конденсатор или ключ.
Сервис онлайн-записи на собственном Telegram-боте
Попробуйте сервис онлайн-записи VisitTime на основе вашего собственного Telegram-бота:
— Разгрузит мастера, специалиста или компанию;
— Позволит гибко управлять расписанием и загрузкой;
— Разошлет оповещения о новых услугах или акциях;
— Позволит принять оплату на карту/кошелек/счет;
— Позволит записываться на групповые и персональные посещения;
— Поможет получить от клиента отзывы о визите к вам;
— Включает в себя сервис чаевых.
Для новых пользователей первый месяц бесплатно.
Зарегистрироваться в сервисе
Взяв производные d
uc
/d
t выражения (1.1.3) при t = 0 и t = tпр
и подставив их в формулу (1.1.1), для коэффициента нелинейности получаем:
ε = 1-e -
t
пр/
RC
. (1.1.4)
Так как при t = tпр
, uc
= Um
, то, согласно равенству (1.1.3),
Um
= E (1-e -
t
пр/
RC
),
или, с учетом выражения (1.1.2),
ε=Um
/E=ξ. (1.1.5)
Следовательно, высокую степень линейности пилообразного напряжения (малое ε) можно получить при условии E >>Um
. Это приводит к плохому использованию напряжения источника питания. Например, при Um
= 10В и ε=1% E = 1000В.
Известно, что напряжение на конденсаторе Uc
связано с протекающим через него током ic
соотношением:
uc
=1/c .
Если ic
= I = const, то uc
= It/C = kt изменяется во времени по линейному закону. Следовательно, для получения пилообразных напряжений, изменяющихся с отклонениями от линейного закона, которые во много раз меньше, чем аналогичные отклонения в схеме (рис.1.1.1,б), необходимо, чтобы зарядный ток конденсатора был постоянен. Для этих целей применяют токостабилизирующие элементы (ТСЭ), ток которых не зависит от приложенного напряжения. Схема получения пилообразного напряжения с зарядным ТСЭ показана на рис.1.1.1,в.
Реально не существует элементов или двухполюсников, которые обеспечивали бы идеальную зависимость uc
=kt. Однако, если использовать в качестве ТСЭ коллекторно-эмиттерную цепь транзистора, коллекторный ток которого на рабочем участке характеристики почти не зависит от коллекторного напряжения, то напряжение на конденсаторе с определенной степенью приближения можно считать линейно изменяющимся.
Одним из способов стабилизации тока заряда или разряда конденсатора является применение в схеме генератора обратных связей.
1.2 Структурная схема генератора пилообразного напряжения
На основе проведенного анализа принципов построения генераторов выбрана структурная схема генератора в ждущем режиме, управляемый отдельным входным напряжением (импульсами). Такого рода выбор обусловлен, возможностью такого генератора достаточно просто регулировать длительность рабочего хода и частоты следования выходных импульсов путем изменения параметров управляющего сигнала не затрагивая схему самого формирователя ЛИН.
Согласно принципам построения генераторов пилообразного напряжения структурная схема должна состоять из следующих элементов:
1) Токостабилизирующий элемент (ТСЭ), обеспечивающий постоянный во времени ток заряда конденсатора C.
2) Конденсатор С, на котором формируется линейно изменяющиеся напряжение.
3) Ключевое устройство (КУ), с помощью которого осуществляется переключение формирования прямого и обратного хода выходного напряжения.
4) Формирователь импульсов (ФИ), обеспечивающий импульсные сигналы управления ключевым устройством (задающий длительность рабочего хода и частоту следования выходных импульсов пилообразного напряжения).
5) Эмиттерный повторитель, согласующий большое сопротивление нагрузки ОУ с малым сопротивлением нагрузки генератора.

Рисунок 1. Структурная схема устройства
2 Расчетная часть
2.1Выбор и обоснование принципиальной схемы генератора пилообразного напряжения
2.1.1 Простейший генератор пилообразного напряжения (ГПН)
В простейшем случае, когда не требуется высокая линейность рабочего участка выходного напряжения, применяют заряд (рисунок 2.1,а) или разряд конденсатора через резистор R. После размыкания ключа Кл конденсатор заряжается по закону
u=E(1-e -t/τ
), где τ=RC.
Если во время рабочего хода использовать лишь начальный участок экспоненты, т.е. при tраб
<<τ, или, другими словами, при Um
<<E, можно считать u(t) при 0≤t≤tраб
линейно изменяющимся напряжением. Учитывая, что iнач
=E/R, а iкон
=(E-Um
)/R, находим согласно (1.1.1) коэффициент нелинейности:
ε=Um
/E. (2.1)
Можно определить ε и по формуле
ε=Um
/E=1-e-
tраб/
τ
≈ tраб
/τ.
Из (2.1) следует, что коэффициент нелинейности ε оказывается равным Um
/E. Обычно это соотношение называется коэффициентом использования источника питания. При этом для получения достаточно малого значения ε приходится выбирать значение E во много раз большим амплитуды Um
т.е. плохо использовать напряжение источника питания. Таким образом, простейшая схема с зарядом или разрядом конденсатора через резистор оказывается пригодной лишь при сравнительно невысокой линейности (примерно 10%).
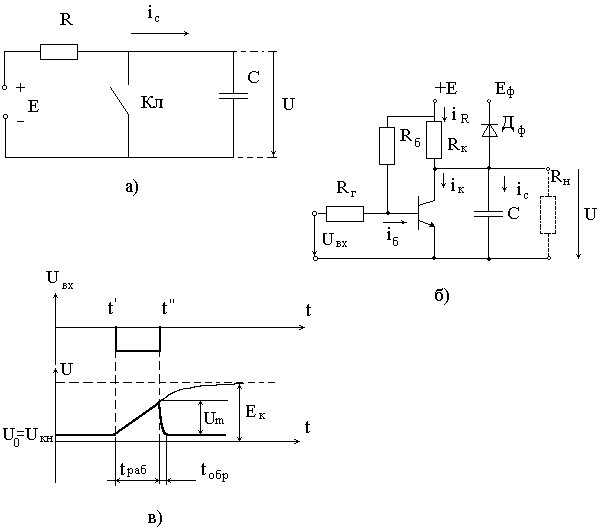
Принципиальная схема простейшего ГПН с транзисторным ключом и соответствующие временные диаграммы напряжения приведены на (рисунок 2.1,б,в).
В исходном состоянии, при t<t`, транзистор насыщен и ток базы I1
б
≈Eн
/Rб
>Iб.н
=Iк.н
/β=Eк
/βRк
. Предполагается, что Rг
>>Rвх
(Rвх
– входное сопротивление открытого транзистора, выходное напряжение u=uк.н
≈0).
Формирование рабочего хода происходит в интервале времени tраб, когда транзистор заперт благодаря воздействию отрицательного входного импульса (в действительности, начало рабочего хода оказывается задержанным относительно момента t` на значение t3
01
, обусловленное процессом рассасывания заряда из базы насыщенного транзистора, но обычно t3
01
<<tраб
и на временной диаграмме этот интервал не показан). В конце рабочего хода (момент t``) напряжение на выходе (и на коллекторе транзистора) примерно равно Um
, причем Um
<Uк.доп
. Однако при случайном увеличении длительности управляющего импульса или обрыве в цепи конденсатора C возможен пробой транзистора (обычно Eк
>>Um
); для предотвращения пробоя включается фиксирующий диод Дф
; при напряжении u≥Еф
(Um
<Eф
<Uк.доп
) отпирается диод и фиксируется коллекторное напряжение на уровне Eф
(при u<Еф диод закрыт). Коэффициент нелинейности согласно (2.1) ε=Um
/Eэкв
, где из-за наличия сопротивления Rн
, учитывающего сопротивление нагрузки и выходное сопротивление закрытого транзистора, Еэкв
=Ек
Rн
/(Rк
+Rн
) (влиянием тока Iк.0
пренебрегаем, так как Ек
>>RIк.0
).
ε= (2.2)

Рисунок 2.1
Из (2.2) видно, что сопротивление нагрузки оказывает существенное влияние на коэффициент нелинейности и в этом заключается еще один недостаток рассматриваемого ГПН. Только Rн
>>Rк
имеем ε≈Um
/Eк
.
Обратный ход формируется после прекращения действия входного импульса; при t>t`` транзистор отпирается и, хотя ток базы I1
б
большой, он работает в активном режиме, так как напряжение на коллекторе благодаря наличию конденсатора не изменяется скачком. Конденсатор разряжается практически постоянным током iСразр
=β I1
б
-iR
≈β I1
б
, так как iR
≈Iк.н
< β I1
б
; длительность обратного хода
tобр
≈ ≈ (2.3)
Учитывая что длительность рабочего хода
tобр
≈ ≈ ≈ (2.4)
получаем
tобр
/tраб
=Iк
.н
/β I1
б
=1/S, (2.5)
где S – коэффициент насыщения транзистора.
Для сокращения tобр
при заданном tраб
можно было бы увеличить коэффициент насыщения S (уменьшить Rб
), но это приводит к увеличению длительности задержки выключения транзистора.
2.1.2 Классификация ГПН со стабилизаторами тока.
Как уже указывалось выше, принцип действия схем генераторов пилообразного напряжения заключается в использовании заряда или разряда конденсатора во время рабочего хода через стабилизатор тока. Учитывая принципиальную общность почти всех применяемых на практике схем генераторов, целесообразно рассматривать их как варианты одной и той же схемы. При этом они отличаются друг от друга, главным образом, лишь способом создания напряжения в цепи стабилизатора тока. Поэтому классификационному признаку различают следующие типы генераторов:
1) Генераторы, в которых стабилизатор тока реализован в виде отдельного структурного элемента со специальным источником напряжения Ест
.
2) Генераторы, в которых источник напряжения Ест
стабилизатора тока реализован в виде заряженного конденсатора. Необходимо отметить, что этот генератор по другому классификационному признаку часто относят к группе компенсационных устройств. Идея построения таких устройств основана на том, что стабилизация зарядного (или разрядного) тока конденсатора С может быть достигнута, если последовательно с ним включить источник, напряжение которого изменяется по тому же закону, что и на конденсаторе С, но имеет обратную полярность. Роль такого источника напряжения выполняет усилитель. В зависимости от способа включения усилителя различают схемы с положительной и отрицательной обратной связью.
Рисунок 2.1.1
На рисунке 2.1.1,а показан вариант функциональной схемы компенсационного генератора с положительной обратной связью (ПОС): если коэффициент усиления усилителя К0
=+1, то повышение потенциала в точке а1
при заряде конденсатора С компенсируется точно таким же повышением потенциала в точке а2
, и зарядный ток i останется неизменным. Конечно, в практических схемах вследствие того, что коэффициент усиления К0
не остается в процессе работы постоянным и точно равным 1, а так же в результате нестабильности других параметров схем наблюдается определенное не постоянство тока i и большее или меньшее значение коэффициента нелинейности напряжения на конденсаторе и выходного напряжения uвых
. Генератор, реализующий функциональную схему на рисунке 2.1.1,а, называют компенсационным генератором с ПОС.
3) Генераторы, в которых роль источника напряжения стабилизатора тока выполняет источник питания схемы. Такой генератор по другому классификационному признаку относится к компенсационным генераторам с ООС (отрицательной обратной связью); функциональная схема такого генератора показана на рисунке 2.1.1,б.
Если в этой схеме коэффициент усиления К0
бесконечно большой, то можно считать, что напряжение на выходе конечно при напряжении на входе усилителя, равном нулю: u=0 ( т.е. uвых
=uс
), и зарядный ток i=E0
/R постоянен. Конечно, в реальных схемах К0
≠∞, но при достаточно большом значении К0
изменение зарядного тока i по мере заряда конденсатора С мало и коэффициент нелинейности так же мал. Заметим, что в соответствии с функциональной схемой рисунок 2.1.1,б строятся интегрирующие операционные усилители, предназначенные для реализации математической операции интегрирования. Действительно, при достаточно большем коэффициенте усиления К0
u
≈0, |uвых
|≈|uc
|≈1/c , где i=E0
/R, или в общем случае: i≈uвх
(t)/(R), если вместо источника E0
действует источник изменяющегося напряжения uвх
(t) и, следовательно, uвых
(t)≈1/RC .
2.1.3 Генераторы пилообразного напряжения на операционных усилителях. Содержание схемы разрабатываемого устройства
Интегрирующее включение операционного усилителя, обеспечивающего получение выходного напряжения, пропорционального интегралу от входного напряжения, предполагает включение конденсатора в цепь отрицательной обратной связи. Поэтому генераторы пилообразного напряжения на операционных усилителях строят по принципу генераторов с обратной связью, интегрирующих постоянное напряжения источника питания, которое для них является входным.
На рисунке 2.1.2,а показана схема генератора пилообразного напряжения с интегрирующей RC-цепочкой, включенной в цепь отрицательной обратной связи операционного усилителя /4/.

Рисунок 2.1.2
В момент времени t1
, ключ К размыкается и осуществляется прямой ход, а в момент времени t2
ключ замыкается, емкость C разряжается и на выходе устанавливается нулевое напряжение. Из приведенных ниже выражений следует, что емкость C заряжается почти постоянным током, а значит, напряжение на ней (как и напряжение Uвых
) изменяется по линейному закону (рисунок 2.1.2,б).
Протекающий ток через резистор R ток определяется выражением
iR
=(E-Uвх
)/R.
Если ОУ близок к идеальному, (К→∞, Uвх
→0, i_→0), то iR
=E/R=const, и Uвых
= -Uc
+Uвх
= -Uc
= -1/C . Из выражения iR
= ic
+i_ с учетом, что i_= 0, получим iR
= ic
.
Следовательно,
Uвых
= -1/C = -1/C = - (2.1.1)
При поступлении входного импульса на ключевое устройство (транзистор),
открывается и конденсатор C начинает разряжаться по экспоненте через коллекторную цепь транзистора. Согласно методике определения длительности экспоненциального процесса описанном в /1, стр. 26/.
Tпроцесса
= τln(0,99/0,01) ≈ 4,6τ (2.1.2)
В данном случае:
τразр
=С(Rкл
+Rвых
), (2.1.3)
где Rкл
-сопротивление ключевого устройства (в режиме насыщения); Rвых
-выходное сопротивление ОУ; C-емкость конденсатора.
Время формирования рабочего хода равно паузе между управляющими импульсами (когда ключевое устройство в режиме отсечки). На рисунке 2.1.3 изображены графики поясняющие работу ГПН, где Uкн
-напряжение насыщения коллекторного перехода; tп
- длительность паузы между импульсами входного сигнала.

Рисунок 2.1.3
Ключевое устройство (КУ) представляет собой насыщенный транзисторный ключ рисунок 2.1.4
Схема состоит из коммутируемой и управляющей цепей. Коммутируемая цепь образована резистором Rк
и источником питающего напряжения Eи.п.
При любом стационарном режиме работы устройства коллекторное напряжение Uкэ
и ток коллектора Iк
связаны уравнением Кирхгоффа:
Рисунок 2.1.4
Iк
=(Eи.п.-
Uкэ
)/Rк
+Iвых
. (2.1.4)
Уравнение (2.1.4) представлена на коллекторных характеристиках транзистора ( при условии Iвых
=0) в виде нагрузочной прямой.
Коммутируемая цепь замкнута, когда транзистор находится в режиме насыщения. При этом ток согласно (2.1.4),
Iк
=Iк нас
=(Eи.п
.-Uкэ нас
)/Rк
.
Для кремниевых планарных транзисторов обычно Uкэ
нас
=0,2-0,4В, поэтому, как правило, можно считать, что Uкэ
нас
<<Eи.п
, или, как в следствие, пользоваться приближенным соотношением
Iк
нас
=Eи.п.
/Rк
.
Коммутируемая цепь разомкнута, когда транзистор находится в режиме отсечки. При этом ток коллектора
Iк
=Iк0
,
а напряжение на коллекторе при Iвых
=0
Uкэ
=Eи.п.
-Iк0
Rк
.
Обычно Iк0
и Rк
таковы, что из произведение Iк0
Rк
гораздо меньше Eи.п
, поэтому для режима приближенно можно считать
Uкэ
≈Eи.п.
Управляющая цепь транзисторного ключа образована резистором Rб
и источником управляющего напряжения Uвх
. При этом эмиттерный вывод транзистора является общим для управляющей и коммутируемой цепей. В стационарном режиме работы напряжение Uвх
и ток базы Iб
удовлетворяют уравнению Кирхгофа
Uбэ
=Uвх
-Iб
Rк
.
Из рассмотренного выше и из /1 стр.98/ следует, что для обеспечения ключевого режима транзистора необходимо выполнение следующих неравенств:
в режиме насыщения
U1
вх
≥UБ
нас
+ IБ
нас
RБ
; (2.1.5)
в режиме отсечки
U0
вх
≤UБ0
+ IБ0
RБ
, (2.1.6)
где UБ нас
=0,7В, Uб0
=0,4В для кремниевых планарных транзисторов;
Iб
нас
= Iк
нас
/βmin
,
βmin
– минимальное значение коэффициента усиления транзистора по току в схеме сообщим эмиттером. Из (2.1.5) по заданному значению U1
вх
легко определить требуемое сопротивление Rб:
Rб
≤( U1
вх
–Uб
нас
)/Iб
нас
. (2.1.7)
Поскольку в задании не задана частота следования импульсов пилообразного напряжения, в качестве источника управляющих импульсов использован симметричный мультивибратор на ОУ, схема его приведена на рисунке 2.1.5. Коэффициент обратной связи мультивибратора определяется по формуле:
æ =R1/R1+R3. (2.1.8)
Исходя из задания максимальная частота следования импульсов будет равна
f = 1/T, T=tпр
+tобр
. (2.1.9)
Требуемая скорость нарастания сигнала на выходе ОУ будет вычисляться по формуле
VU
ВЫХ
=2Uвых
max
/tф
(2.1.10)
длительность фронта tф
зададим как 0,1 от длительности импульса tи
.

Рисунок 2.1.5
Допустимый коэффициент обратной связи
æ =Uдиф
/2Uвых
max
(2.1.11)
выходной ток ОУ
Iвых
=Iн
+I+I-
=Uвых( ) (2.1.12)
емкость С определяется
С= (2.1.13)
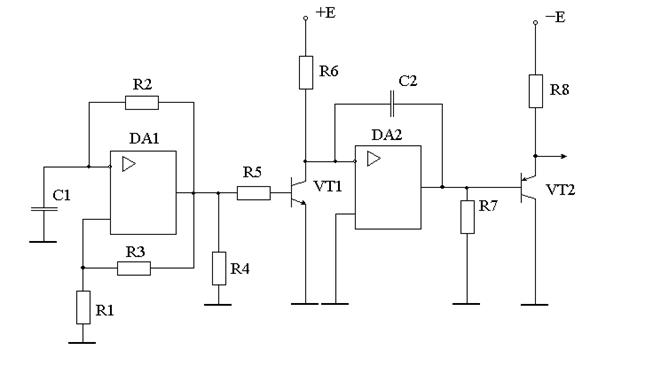
Полная электрическая принципиальная схема приведена на рисунке 1.
2.2 Расчёт элементов устройства, выбор типов и номиналов
2.2.1 Расчет токостабилизирующего элемента на ОУ
ТСЭ состоит из ОУ (DA2) включенного по схеме интегратора, состоящего из конденсатора С, который образует ООС, резистора R6 являющийся коллекторной нагрузкой VT1 и одновременно входящий в RC-цепочку интегратора, а так же резистора нагрузки ОУ R7 (рисунок 2.2.1).

Рисунок 2.1.1
Формирование обратного хода пилообразного напряжения зависти только от номиналов С2 и цепи разряда Rвых
=R7||Rвых ОУ
если принять, что Rкэ
транзистора VT1 равно нулю. Таким образом определяем τ цепи разряда конденсатора С.
τ=Rвых
·С2.
Заряжаться конденсатор С будет с τ=R6·С2 напряжение на выходе ОУ определяется по формуле (2.1.1):
Uвых
= -1/C = -1/C = - ,
где t – время заряда до выходного напряжения Uвых
. Время заряда t должно, быть примерно равно времени формирования прямого хода tпр
t≈tпр
.
Следуя из этого находим значение сопротивления R6 и конденсатора С2:
R6·C2=Et/ Uвых
R6·C2=15·0,1/12=0,125;
Рассчитаем требуемое значение C с учетом времени разряда tобр
C2 = tобр
/4,6·Rвых
(2.2.1)
Возьмем Rвых
= 54Ом для ОУ К140УД6А.
Из формулы (2.2.1) находим требуемую емкость С2.
C2 = 800·10-6
/4,6·54=3,22·10-6
Ф=3,22 мкФ.
Выберем ближайший номинал 3,3 мкФ из серии К73-16.
Определим сопротивление резистора R6:
R6=0,125/3,3·10-6
=37878Ом.
Выберем ближайший номинал резистора 39кОм
Определим требуемую скорость нарастания сигнала на выходе ОУ по формуле
VU
ВЫХ
=2Uвых
max
/tф
=2·12/100=24/100=0,24В/мс=0,00024В/мкс.
Определим выходной ток Iвых.ОУ
ОУ
Iвых
.ОУ
=I+
+I-
+Iн
,
Поскольку iR
= ic ,
I+
=0, то
Iвых.ОУ
= iR
+Iн
=Uвых
/Rн
+E/R6.
При значении R6=39кОм и Rн ОУ
=R7 =3кОм получаем
Iвых.ОУ
=12/3000+15/39000=0,004+0,0003=4,3мА.
Сопротивление нагрузки ОУ R7 выбираем исходя из справочных данных (таблица 1).
Выбираем из справочника /2/ ОУ К140УД6А имеющего следующие параметры приведенные в таблице 1.
Таблица 1- Параметры ОУ К140УД6А
| Напряжение источника питания Uи.п
, В
|
±15
|
| Потребляемый ток Iпот
, мА
|
≤2,8
|
| Коэффициент усиления Ку.
U
|
≥70000
|
| Потребляемый ток I пот.
, мА
|
2,5
|
| Сопротивление нагрузки Rн
, кОм
|
≤2
|
| Выходной ток Iвых
, мА
|
5
|
| Выходное напряжение Uвых
, В
|
±12
|
| Скорость нарастания выходного сигнала VU
ВЫХ
, В/мкс
|
2,5
|
| Напряжение на входе дифференциальное Uдиф
, В
|
±11
|
2.2.2 Расчет симметричного мультивибратора на ОУ (СМВ).
Исходя из формулы (2.1.9) находим частоту следования импульсов пилообразного напряжения
f = 1/T, T=2tпр
,
где tпр
– длительность рабочего хода равная длительности управляющего импульса. Период колебаний мультивибратора равен 2tпр
т.к. мультивибратор симметричный, подставив значения получим:
f=5Гц.
Резистор ПОС R3 обычно выбирают порядка 100кОм, резистор ООС R2=R1=50кОм, тогда коэффициент ОС æ будет определяться по формуле
æ =R1/R1+R3
æ =0,33<< æдоп
,
где æдоп
– допустимый коэффициент обратной связи в СМВ;
æдоп
≤ Uдиф
/2Uвых
max
=11/24=0,45
Рассчитаем скорость нарастания сигнала на выходе ОУ. Приняв tф
=0,1·tи
, тогда
VU
ВЫХ
=2Uвых
max
/tф
= 24/10=2,4В/мс=0,0024В/мкс
К рассчитанным параметрам выбираем ОУ К140УД6А параметры, которого даны в таблице 1.
Из формулы (2.1.13) найдем емкость конденсатора С1 времязадающей цепи
С1= = 5,77мкФ
находим ближайший номинал С1=5,6мкФ серии К73-16. Сопротивление нагрузки R4 возьмем 10кОм, при напряжении Uвых
=12В выходной ток не превышает допустимого тока для данного ОУ (п.2.2.1).
2.2.3 Расчет ключевого устройства (КУ)
Ключевое устройство реализовано на биполярном транзисторе n-p-n структуры управляемый импульсами положительной полярности. Из выходной цепи СМВ выходят импульсы как положительной так и отрицательной полярности. Транзистор КУ будет насыщен (открыт) при положительных полупериодах Uвх
, а при отрицательных находится в режиме отсечки (закрыт), при этом фронт пилообразного напряжения будет формироваться в момент времени действия отрицательного импульса на входе КУ. Поскольку коллекторная нагрузка R6=39кОм, необходимо рассчитать сопротивление R5 в базовой цепи транзистора VT1. Найдем его значение из формулы (2.1.7).
R5≤( U1
вх
–Uб
нас
)/Iб
нас
,
где Iб
нас
= Iк
нас
/βmin
;
Iк
нас
≈Eи.п.
/Rк
.
UБ нас
=0,7В для кремниевых планарных транзисторов
Iк
нас
=15/39000==0,38 мА.
Выберем из справочника /3/ n-p-n транзистор серии КТ315А с параметрами, приведенными в таблице 2.
Таблица 2 - Параметры транзистора КТ315А
| Максимальный ток коллектора Iк
max
, мА
|
100
|
| Максимальная рассеиваемая мощность Рк
maх,
мВт
|
150
|
| Структура
|
n-p-n
|
| Напряжение коллектор-эмиттер Uкэ
, В
|
25
|
| Коэффициент усиления потоку β
|
20..90
|
Подставив данные получим:
Iб
нас
=0,38/20=0,019мА.
R5≤(12-0,8)/0,019 =589 Ом.
Выберем номинал резистора R5=560 Ом.
PR
5
= I
R5
2
·R
5; I
R5
= UБ
нас
/R5;
I
R5
=0,7/560=0,00125А;
PR
5
= (0,00125)2
·560 ≈0,88мВт.
Выбираем резистор R
5 типа МЛТ-0,125-560 Ом ± 10%.
2.2.4 Расчет эмиттерного повторителя (ЭП)
Транзистор VT2 включен по схеме с общим коллектором (ОК), имеющий коэффициент усиления по напряжению примерно равную единице, и значительно меньшее по сравнению со входным выходное сопротивление. Нагрузка повторителя R8=15 Ом включена в эмиттерную цепь VT2. Транзистор VT2 p-n-p структуры открывается он при отрицательном входном напряжении.
Входное сопротивление ЭП рассчитаем по формуле описанной в /1/
Rвх
=(β+1)/(Rн
+1/gm
),
где β – коэффициент усиления по току в схеме с ОЭ; gm
– крутизна усилительной характеристики транзистора.
gm
= Iэ
/φт
, где φт
≈0,025В - изменение напряжения (не критично).
Определим ток эмиттера, имеем:
γ= β+1,
где γ – коэффициент усиление по току в схеме с ОК; β – коэффициент усиления по току в схеме с ОЭ. При Uвых.
max
= 12В и Rн
=15 Ом ток в нагрузке Iн
=0,8А. Таким образом Iэ
=Iн
=0,8А. Отсюда находим необходимый коэффициент усиления по току γ в схеме с ОК:
γ = 800/5=160
коэффициент усиления потоку с ОЭ:
β=(160-1)=159
подставив значения получаем:
Rвх
=(159+1)(15+1/(0,8/0,025))=2405Ом
т.е. входное сопротивление ЭП примерно равно сопротивлению нагрузки ОУ (R7).
Таблица 3 – Параметры транзистора КТ826А
| Максимальный ток коллектора Iк
max
, А
|
1
|
| Максимальная рассеиваемая мощность Рк
maх,
Вт
|
15
|
| Структура
|
p-n-p
|
| Напряжение коллектор-эмиттер Uкэ
, В
|
700
|
| Коэффициент усиления потоку β
|
160..300
|
Определим рассеиваемую мощность на резисторе PR
8
PR
8
= I
R8
2
·R
7;
PR
8
= (0,8)2
·15 ≈ 9,6 Вт
Выбираем резистор R
8 типа ПЭВ-10-15 Ом ± 5%.
Мощность рассеиваемая на коллекторе VT2:
PVT
2
=Uкэ
·Iк
=(15-12)·0,795=2,385 Вт
Iк
=αIэ
; α=β/ β+1=0,993
Iк
=0,993·0,8=0,795А
Параметры транзистора VT2 полностью подходят по рассчитанным величинам (таблица 3).
Определим коэффициент нелинейности по формуле:
ε= ,
где iнач.
– начальный ток; iконч.
- конечный ток.
Подставив значения находим ε
ε≈0,02.
При данных номиналах элементов получаются следующие параметры устройства: минус 12В; сопротивление нагрузки 15 Ом; коэффициент нелинейности около 2%; частота следования импульсов 5 Гц; длительность линейного участка импульса (фронта) 97·10-2
с; длительность спада (восстановления) 819·10-6
с; КПД устройства 80%; напряжение питания двуполярное ±15В;
2.2.5 Расчет коэффициента полезного действия
Коэффициент полезного действия генератора пилообразного напряжения рассчитаем по формуле:
η= %,
где Pпотр
- мощность потребляемая всем устройством; Pвых
- выходная мощность устройства.
Рассчитаем потребляемую мощность всего устройства. Потребляемы токи ОУ DA1 и DA2 возьмем из таблицы 1. Токи потребляемые ключевым устройством (КУ) и эмиттерным повторителем (ЭП) будут равны соответственно токам нагрузок этих каскадов.
Pпотр
=
Pвых
=Uвых
·Iвых
Pпотр
=2,8·15+2,8·15+0,38·15+800·15=12089,7мВт≈12Вт
Pвых
=15·0,8=9,6Вт
η=80%.
КПД разрабатываемого устройства составило 80%.
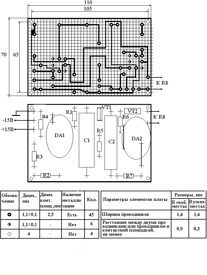
3 Конструкторская часть
В результате разработки структурной и принципиальной электрической схем генератора пилообразного напряжения была дополнительно разработана печатная плата с 70×110 мм с соответствующими навесными радиоэлементами. Резистор нагрузки R8 расположен вне печатной платы поскольку имеет большие габариты. При конструировании печатной платы учитывался ряд особенностей:
1)для уменьшения паразитных емкостей, индуктивностей и наводок верхнюю часть фольгированного медного слоя платы необходимо подключить к земляной шине;
2) выходной нулевой шиной считать объединенные в одной точке входную и выходную шины;
3)максимальное увеличение площадей металлических проводников с большими токами.
Печатная плата выполнена из двустороннего фольгированного стеклотекстолита толщиной 1,5-2 мм фотохимическим методом. Пайка выводов элементов выполнена припоем ПОС-61. Шаг координатной сетки 2,5 мм.

Заключение
В данной курсовой работе разработано устройство генератора линейно спадающего напряжения имеющего следующие параметры: выходное напряжение около минус 12В; сопротивление нагрузки 15 Ом; коэффициент нелинейности около 2%; частота следования импульсов 5 Гц; длительность линейного участка импульса (фронта) 97·10-2
с; длительность спада (восстановления) 819·10-6
с; КПД устройства 80%; напряжение питания двуполярное ±15В.
Достоинством данной схемы является возможность плавного изменения длительности фронта напряжения пилообразного сигнала с помощью СМВ частота управляющих импульсов, которого легко изменяема резистором ООС, например переменным резистором. Интегрирующий узел при этом остается неизменным.
Список использованных источников
1. Импульсные устройства ЭВМ, приборов и систем: Учеб. для техникумов.-М.: Энергоатомиздат, 1991.-248 с.
2. Аналоговые интегральные схемы: Справочник/А.Л. Булычев, В.И. Галкин, В.А. Прохоренко.-2-е изд., перераб. и доп.-Мн.: Беларусь, 1994.-382 с.
3. В помощь радиолюбителю: Сборник. Вып. 111/В80 Сост. И.Н. Алексеева.-М.: Патриот, 1991.-80 с.
4. Электроника: Учеб. пособие.- Ростов н/Д: изд-во «Феникс», 2001.- 448 с.
|