| Реферат
Курсовой проект имеет объем 23 страницы, содержится шесть рисунков, использовано 7 источников. Разработанный стабилизатор постоянного напряжения предназначен для использования в трехфазных низковольтных сетях. Были разработаны и рассчитаны выпрямитель, фильтр и стабилизатор. Полученные параметры КСТАБ
=
1818, КП
0,01%, входные и выходные значения напряжений и токов удовлетворяют техническому заданию. Также была разработана печатная плата на основе рассчитанной схемы.
Содержание
| Введение
|
2
|
| 1 Выбор и обоснование структурной схемы
|
3
|
| 2 Выбор и обоснование принципиальной схемы
|
5
|
| 3 Расчет принципиальной схемы
|
8
|
4 Расчет КПД устройства
|
18
|
5 Конструкторская часть
|
19
|
| Заключение
|
20
|
| Список литературы
|
21
|
| Приложение
|
22
|
Введение
Широкое развитие радиоэлектроники и внедрение ее во все отрасли науки и техники являются реалией нашего времени. Для нормального функционирования всех видов радиоэлектронных устройств (вычислительных комплексов, аппаратуры радио и связи, робототехнических средств и т.д.) необходимы системы энергетического снабжения.
Высокие технико-экономические показатели радиоэлектронных устройств во многом зависят от параметров источников вторичного электропитания.
Наиболее распространенной являются ИВЭ, состоящие из источника переменного напряжения, выпрямителей и стабилизаторов постоянного напряжения. В одних устройствах они используются как стабильные источники питания, обеспечивающие надежность работы, в других – еще и как источники эталонного (образцового) напряжения.
Развитие полупроводниковой техники дало возможность получить простые высокостабильные источники образцового напряжения практически любой мощности и небольших габаритов. Дальнейшее развитие ИВЭ привело к созданию и развитию класса силовых интегральных микросхем.
1 Выбор и обоснование структурной схемы
Существуют несколько типов стабилизаторов постоянного напряжения: параметрические, компенсационные последовательные и параллельные, на ОУ и интегральных микросхемах. В рамках ТЗ будут рассматриваться только первые три типа. Каждый из них имеет свои преимущества и недостатки. Так, например, параметрический стабилизатор характеризуется простотой исполнения и высоким КПД, но имеет низкий коэффициент стабилизации. При включении двух и более параметрических стабилизаторов последовательно их коэффициенты стабилизации и КПД перемножаются. Также в параметрических стабилизаторах невозможно плавное регулирование выходного напряжения.
Забиваем Сайты В ТОП КУВАЛДОЙ - Уникальные возможности от SeoHammer
Каждая ссылка анализируется по трем пакетам оценки: SEO, Трафик и SMM.
SeoHammer делает продвижение сайта прозрачным и простым занятием.
Ссылки, вечные ссылки, статьи, упоминания, пресс-релизы - используйте по максимуму потенциал SeoHammer для продвижения вашего сайта.
Что умеет делать SeoHammer
— Продвижение в один клик, интеллектуальный подбор запросов, покупка самых лучших ссылок с высокой степенью качества у лучших бирж ссылок.
— Регулярная проверка качества ссылок по более чем 100 показателям и ежедневный пересчет показателей качества проекта.
— Все известные форматы ссылок: арендные ссылки, вечные ссылки, публикации (упоминания, мнения, отзывы, статьи, пресс-релизы).
— SeoHammer покажет, где рост или падение, а также запросы, на которые нужно обратить внимание.
SeoHammer еще предоставляет технологию Буст, она ускоряет продвижение в десятки раз,
а первые результаты появляются уже в течение первых 7 дней.
Зарегистрироваться и Начать продвижение
Высокие коэффициенты стабилизации можно получить только с помощью стабилизатора компенсационного типа (СКТ), который выполняется по структурной схеме изображенной на рисунке 1.
Uвх
Uвых
Uус
у
а)
Uвх
Uвых
б)
Рисунок 1.
При компенсационном методе стабилизации осуществляется автоматическое регулирование выходного напряжения, связанное с воздействием отрицательной обратной связи на регулирующий элемент (РЭ) схемы.
Стабилизаторы с параллельно включенным РЭ (рисунок 1б) имеют меньший КПД по сравнению с последовательными схемами (рисунок 1а), достоинством же этого способа включения РЭ является более высокая надежность, так как отсутствует опасность перегрузок стабилизаторы при коротких замыканиях на выходе.
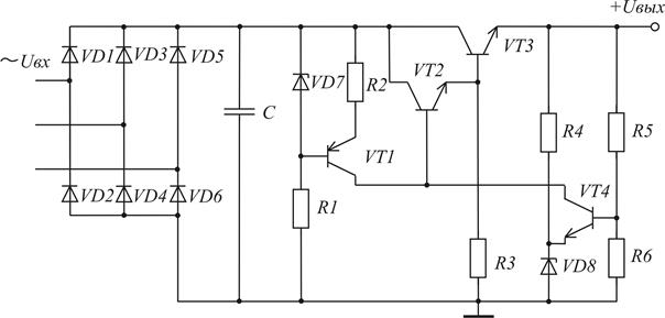
Так как на вход подается трехфазное сетевое напряжение, то необходимо использовать выпрямитель с фильтром, для выпрямления напряжения и уменьшения пульсаций выпрямленного напряжения. В результате синтезируем следующую структурную схему:
Рис 2.
2 Выбор и обоснование принципиальной схемы
Для выпрямления используем трехфазный выпрямитель выполненный по схеме Ларионова. Так как напряжение сети приблизительно равно выходному напряжению, то нужно использовать безтрансформаторный выпрямитель с емкостным фильтром. Схема Ларионова имеет хорошие энергетические показатели, низкое обратное напряжение и имеет высокий коэффициент сглаживания пульсацией.

Рисунок 3
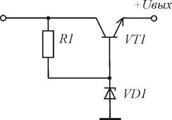
В качестве стабилизатора можно использовать данный вариант схемы:

Рисунок 4
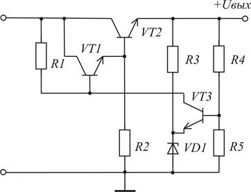
Эта схема не может обеспечить достаточный коэффициент стабилизации, следовательно, необходимо использовать СКТ с последовательно включенным РЭ. Так как ток нагрузки достаточно велик в качестве РЭ используется составной транзистор:

Рисунок 5
Схема на Рисунок 5 включает следующие узлы: РЭ, состоящий из транзисторов VT1, VT2 и резистора R1; схема сравнения (СС), состоящей из делителя напряжения R3,R4, стабилитрона VD1 и резистора R2; усилитель тока, состоящий из транзистора VT3 и резистора R5. Данная схема обеспечивает коэффициент стабилизации порядка 300-500. Для повышения коэффициента стабилизации можно использовать токостабилизирующий двухполюсник (ТД) включенный в коллекторную цепь транзистора VT3. ТД состоит из транзистора, двух резисторов и стабилитрона:
Сервис онлайн-записи на собственном Telegram-боте
Попробуйте сервис онлайн-записи VisitTime на основе вашего собственного Telegram-бота:
— Разгрузит мастера, специалиста или компанию;
— Позволит гибко управлять расписанием и загрузкой;
— Разошлет оповещения о новых услугах или акциях;
— Позволит принять оплату на карту/кошелек/счет;
— Позволит записываться на групповые и персональные посещения;
— Поможет получить от клиента отзывы о визите к вам;
— Включает в себя сервис чаевых.
Для новых пользователей первый месяц бесплатно.
Зарегистрироваться в сервисе

Рисунок 6
Применение ТД в этом случае эквивалентно включению в коллекторную цепь транзистора VT4 очень большого сопротивления для изменений тока.
3 Расчет принципиальной схемы
3.1 Расчет регулирующего элемента
3.1.1 Согласно схеме находим наименьшее напряжение на входе стабилизатора:

где U
кз
min
– минимальное напряжение на регулирующем транзисторе VT3 U
ПВХ
- максимальный уровень пульсаций входного напряжения.
Исходя из того, что VT3 предположительно кремневый, то Uкз
min
выбираем в пределе 3..5 В.
Учитывая нестабильность входного напряжения на входе стабилизатора ±10%, находим среднее и максимальное напряжение на входе стабилизатора:


Из полученных данных рассчитываем выпрямитель и сглаживающий фильтр.
3.1.2 Определяем максимальное значение на регулирующем транзисторе:
UK3MAX
= UBXMAX
– UH
=18,5–12= 6,5В
.
Мощность, которая рассеивается на коллекторе транзистора VT3, равняется:

По полученным значениям U
к3
max
, I
н
, Р3
выбираем тип регулирующего транзистора.
Таблица 1 – параметры транзистора КТ817А
| Марка транзистора
|
КТ817А
|
| Тип транзистора
|
N-P-N
|
| Допустимый ток коллектора, Iк мах
, А
|
3
|
| Доп. напряжение коллектор-эмиттер, Uк мах
, В
|
25
|
| Рассеиваемая мощность коллектора, Pмах
, Вт
|
25
|
| Минимальный коэф. передачи тока базы, h21Э3
min
|
750
|
По статическим ВАХ выбранного транзистора находим:
| 
|
(1)
|
| 
|
(2)
|
где h11Э3
– входное сопротивление транзистора, Ом; m
3
– коэффициент передачи напряжения.
Находим ток базы транзистора VT3

3.1.3 Определяем начальные данные для выбора транзистора VT2. Рассчитываем напряжение коллектор-эмиттер VT2
U
К2МАХ
=
U
К3МАХ
–
U
БЭ3
= 6,5 – 0.7 = 5.8В
,
где U
БЭ3
– падение напряжения на эмиттерном переходе транзистора VT3 (0.7 В).
Ток коллектора VT2 приблизительно равен току базы VT3:
I
к2
=
I
б3
= 0,08А
.
Мощность, рассеиваемая на коллекторе транзистора VT2, равняется

По полученным значениям U
к2
max
,
I
к2
, Р2
выбираем тип транзистора
Таблица 2 – параметры транзистора КТ603Б
| Марка транзистора
|
КТ603Б
|
| Тип транзистора
|
N-P-N
|
| Допустимый ток коллектора, Iк мах
, А
|
0,3
|
| Доп. напряжение коллектор-эмиттер, Uк мах
, В
|
30
|
| Рассеиваемая мощность коллектора, Pмах
, Вт
|
0,5
|
| Минимальный коэф. передачи тока базы, h21Э3
min
|
60
|
По статическим ВАХ выбранного транзистора согласно формулам (1), (2) находим:
h11Э2
= 300 Ом, m2
= 600.
Рассчитываем ток базы VT2:

Находим сопротивление резистора R3:

Выбираем ближайший по стандарту номинал с учетом рассеиваемой на резисторе мощности:

В соответствии с рядом Е24 выбираем резистор типа МЛТ- 0,125 33 кОм ±5%.
3.1.4 Рассчитываем основные параметры составного транзистора.
Входное сопротивление транзистора:
h
11Эск
=
h
11Э2
+
h
11Э3
h
21Э2
min
= 300 + 33×60 =2280Ом
.
Коэффициент передачи напряжения транзистора:

Выходное сопротивление транзистора:

3.2 Расчет схемы сравнения и усилителя
3.2.1 Источником опорного напряжения берем параметрический стабилизатор напряжения на кремневом стабилитроне VD2 из расчета:
UVD
2
=
U
вых
– 3 = 12 – 3 = 9В
.
Выбираем из справочника стабилитрон КС191Б.
Таблица 3 – параметры стабилитрона КС191Б
| Параметр
|
КС191Б
|
| Напряжение стабилизации U
ст
, В
|
9,1
|
| Средний ток стабилизации I VD
2
, А
|
5´10-3
|
| Дифференциальное сопротивление стабилитрона rVD
2
, Ом
|
18
|
Вычисляем сопротивление резистора R4, задавши средний ток стабилитрона (I
R
4
=
I
VD
2
):

Мощность, рассеиваемая на резисторе R4, равняется:

В соответствии с рядом Е24 выбираем резистор типа МЛТ- 0,125 560 Ом ±5%.
3.2.2 Определяем начальные данные для выбора транзистора VT4. Рассчитываем напряжение коллектор-эмиттер транзистора:
U
к4
max
=
U
н
–
UVD
2
= 12 – 9,1 = 2,9В
.
Задаем ток коллектора VT4 меньшим нежили средний стабилитронаVD2:
I
К4
= 4×10-3
А
.
Мощность, рассеиваемая на коллекторе транзистора VT4:
Р2
=
I
к4
×U
к4
max
= 4 10-3
×2,9 = 11,6×10-3
Вт
.
По полученным значениям U
к4
max
,
I
к4
, Р4
выбираем тип транзистора
Таблица 4 – параметры транзистора КТ312В
| Марка транзистора
|
КТ312В
|
| Тип транзистора
|
N-P-N
|
| Допустимый ток коллектора, Iк мах
, А
|
0,3
|
| Доп. напряжение коллектор-эмиттер, Uк мах
, В
|
35
|
| Рассеиваемая мощность коллектора, Pмах
, Вт
|
0,225
|
| Минимальный коэф. передачи тока базы, h21Э3
min
|
25
|
По статическим ВАХ выбранного транзистора согласно формулам (1), (2) находим:
h11Э4
= 1×103
Ом, m4
= 1000.
Рассчитываем ток базы VT4

3.2.3 Ток последовательно соединенных резисторов R5, R6 берем равным 10Iб4
и находим сопротивления резисторов:
I
дел
= 10×I
б4
= 10×1,6×10-4
= 1,6×10-3
А
,


В соответствии с рядом Е24 выбираем резистор R5 типа МЛТ- 0,125 6,2 кОм ±5%, резистор R6 типа МЛТ- 0,125 1,3 кОм ±5%.
3.3 Расчет токостабилизирующего двухполюсника
3.3.1 Рабочее напряжение стабилитрона VD1 определяем из соотношения:
UVD
1
= 0,1×U
вх
max
= 0,1×18,5 = 1,85В
.
Выбираем стабилитрон КС119А
Таблица 5 – параметры стабилитрона КС119А
| Параметр
|
КС119А
|
| Напряжение стабилизации U
ст
, В
|
1,9
|
| Средний ток стабилизации I
VD
1
, А
|
10´10-3
|
| Дифференциальное сопротивление стабилитрона rVD
1
, Ом
|
15
|
Вычисляем сопротивление резистора R1, задавши средний ток стабилитрона (IR
1
=
IVD
1
):

Мощность, рассеиваемая на резисторе R1, равняется
R
1 = 0,9×U
вх
max
× IR1
= 0,9×18,5×10×10-3
= 0,1665В
т
.
В соответствии с рядом Е24 выбираем резистор типа МЛТ- 0,25 1,8 кОм ±5%.
3.3.2 Определяем начальные данные для выбора транзистора VT1. Рассчитываем ток коллектора транзистора VT1:
I
к1
=
I
к4
+
I
б2
= 4×10-3
+ 1,33×10-3
=5,33×10-3
А
.
Находим напряжение коллектор-эмиттер VT1:
U
к1
max
=
U
вх
max
-
UR
2
+
U
к4
max
-
UVD
2
= 18,5 –1,1 + 3 – 9,1 = 11,4В
,
где UR2
= UVD1
- Uбэ1
– падение напряжения на резисторе R2.
Мощность, рассеиваемая на коллекторе транзисторa VT1:
Р1
=
U
к1
max
×I
к1
= 11,4×5,33×10-3
= 6,08×10-3
Вт
.
По полученным значениям U
к
max
, I
к
, Р1
выбираем тип транзистора и выписываем его параметры:
Таблица 6 – параметры транзистора КТ313Б
| Марка транзистора
|
КТ313Б
|
| Тип транзистора
|
Р-N-P
|
| Допустимый ток коллектора, Iк мах
, А
|
0,35
|
| Доп. напряжение коллектор-эмиттер, Uк мах
, В
|
60
|
| Рассеиваемая мощность коллектора, Pмах
, Вт
|
0,3
|
| Минимальный коэф. передачи тока базы, h21Э3
min
|
80
|
Рассчитываем сопротивление резистора R2:

Р
R2
= UR2
×I
К
1
= 1,1×5,3×10-3
= 5,83×10-3
Вт
.
В соответствии с рядом Е24 выбираем резистор типа МЛТ - 0,125 - 200 Ом ±5%.
3.3.3 Рассчитываем входное сопротивление источника стабильного тока:

3.4 Расчет параметров стабилизации
3.4.1 Рассчитываем параметры усилителя обратной связи.
Сопротивление нагрузки усилителя:

Коэффициент усиления напряжения усилителя:

3.4.2 Рассчитываем коэффициент стабилизации рассчитанного стабилизатора напряжения, а также величину пульсаций на выходе:


Рассчитываем коэффициент пульсаций:

Выходное сопротивление компенсационного стабилизатора будет

3.4.3 Проверяем соответствие рассчитанных параметров заданным условиям:
Кст
= 1818 > Кст.зад
= 1000,
Кп
= 9×10-3
% < Кп.зад
=
100×10-3
%.
Полученные параметры удовлетворяют заданным условиям.
3.5 Расчет КПД стабилизатора
3.5.1 Определяем номинальное и минимальное значения КПД:


3.6 Расчет выпрямителя
3.6.1 Рассчитываем параметры фильтра. Выходные параметры U
П
=
U
ВХСТАБ
= 16,8В
, U
СП
= 0,1В.
Выпрямленное напряжение при максимально допустимой нагрузке определяется по формуле:
U
П
=1,41×U
С
,
Из полученных в расчетах стабилизатора данных для входного напряжения получим:
Находим емкость конденсатора фильтра:
где PH
=
IH
×U
П
=
2×16,8 = 33,6Вт
, fC
– частота пульсаций выпрямленного напряжения, m – количество фаз выпрямления, UСП
– амплитуда пульсаций выходного напряжения, UCMIN
– минимальное напряжение сети.
Выбираем из справочника конденсатор К50-29 емкостью 1000мкФ +50…–20% с рабочим напряжением 63В.
3.6.2 Рассчитываем параметры выпрямительного моста.
Напряжение на входе фильтра:
U
С
= U
СНОМ
- U
ПМ
,
где U
СНОМ
- напряжение сети, U
ПМ
- падение выпрямленного напряжения на вентилях.
U
ПМ
= U
СНОМ
-
U
С
=14-12=2В
.
В мостовой схеме в плечо моста включены два вентиля последовательно, следовательно, падение напряжение на одном вентиле равно:

Обратное напряжение на вентиле в схеме Ларионова:
U
ОБРМАХ
=1,05×U
С
=1,05×12=12,6В
.
Находим долю выпрямленного тока, приходящуюся на вентиль:
I
СР
=0,33×I
0
=0,33×2=0,66А
,
где I
0
- ток нагрузки.
Выбираем из справочника вентиль КД208А.
Таблица 7 – параметры вентиля КД202В
| Параметр
|
КД208А
|
| Допустимое обратное напряжение U
ОБР,ДОП
, В
|
100
|
| Допустимый выпрямленный ток I
ДОП
, А
|
1
|
| Прямое падение напряжения U
ПР
, В
|
1
|
3.6.3 Определяем КПД выпрямителя:

где потери в вентиле P
Д
= I
0
×U
ПР
×N
= 2×1×2=4Вт
(N
– количество вентилей в плече).
4 Расчет КПД устройства
Коэффициент полезного действия рассчитываемого устройства может быть найден из произведения КПД его составных частей – выпрямителя и стабилизатора:

КПД компенсационных стабилизаторов постоянного напряжения порядка 50-60%, следовательно, сравнительно низкий полученный КПД является недостатком данного типа стабилизаторов.
5 Конструкторская часть
Максимальное рабочее напряжение рассчитанной схемы – 19В. Для печатной платы на основе стеклотекстолита минимальное расстояние между проводниками при данном напряжении – 0,15мм /7, с.306/.
Для печатных проводников, используемых в бытовой аппаратуре, допускается плотность тока до 30А/мм2
, следовательно для схемы с максимальной силой тока 2А необходимо использовать печатные проводники шириной не менее 1,3мм.
Диаметр контактной площадки определяем по формуле:
dK
= d + 2b + c
= 1,2 + 2×0,3 + 0,7 = 2,5мм
,
где, d – диаметр отверстия, берется из расчета, что диаметр выводов используемых элементов 0,9мм, и диаметр отверстия делают на 0,3мм больше; b – необходимая минимальная радиальная толщина контактной площадки, с – коэффициент разброса межцентрового расстояния и смещения фольги.
Плату изготовить химическим методом. Шаг координатной сетки 2,5мм. Материал – стеклотекстолит СФ-1Н-1,5 ГОСТ10316-78. Элементы паять припоем Прв КР2 ПОС-61 ГОСТ 21931-76. Длина выступающих выводов за плату 0,5-1,0мм. Установку элементов производить по ОСТ 4010.030-81
Разводка платы производилась с помощью программы ACCEL EDA V15.0.
Заключение
Курсовой проект выполнен в соответствии с заданием на проектирование, полученные результаты КСТАБ
=
1818, КП
0,01% удовлетворяют ТЗ.
Также в соответствии с ТЗ были разработаны односторонняя печатная плата и печатный узел размером 55Х85мм.
В данной схеме возможно установить элементы индикации о состоянии регулирующего элемента, о перегрузке компенсационного стабилизатора, о наличии питающего напряжения. Также возможна установка тепловой защиты РЭ.
Список литературы
1. Аксенов А.И., Нефедов А.В. Резисторы, конденсаторы, провода, припои, флюсы. Справочное пособие. – М.: СОЛОН-Р, 2000. - 240 с.
2. Аксенов А.И., Нефедов А.В., Юшин А.М. Элементы схем бытовой радиоаппаратуры. Диоды. Транзисторы. Справочник. - М.: Радио и связь, 1993. – 224 с.
3. Артамонов Б.И., Бокуняев А.А. Источники электропитания радиоустройств. – М.: Энергоиздат, 1982. – 296 с.
4. Гершунский Б.С. Справочник по расчету электронных схем. - Киев: Вища школа, 1983. - 240с.
5. Источники электропитания радиоэлектронной аппаратуры: Справочник /Под ред. Найвельта Г.С.- М.: Радио и связь, 1986. – 576 с.
6. Перельман Б.Л. Полупроводниковые приборы: Справочник. – М: СОЛОН, МИКРОТЕХ, 1996. – 176 с.
7. Фрумкин Г.Д. Расчет и конструирование радиоэлектронной радиоаппаратуры. – М.: Высшая школа, 1989. – 463 с.
|