| Ладыгин Е.А.
Объединенный институт ядерных
исследований г.Дубна
Реферат для сдачи кандидатского минимума по специальности 05.13.05:
Методы расчета и анализа усилительных устройств
Оглавление:
1. Введение
2. Основные принципы и уравнения
2.1 Характеристики элементов цепи
2.2 Принцип суперпозиции (линейности)
2.3 Принцип инвариантности во времени
2.4 Законы Кирхгофа
2.5 Экспоненциальное возмущение
3. Математические методы анализа цепей и переходных процессов в них
3.1 Системная функция
3.2 Преобразование Лапласа
3.3 Дискретные преобразования Лорана
4. Анализ усилительных систем, обратная связь, устойчивость
4.1. Понятие обратной связи
4.2. Устойчивость усилителей
4.2.1. Критерий Найквиста
4.2.2. Применение теоремы Найквиста
4.2.3. Диаграммы Боде.
5. Шумы усилителей и методы их расчета
5.1. Виды шумов
5.2. Шумовая модель усилителя
5.3. Расчет шумов цепи детектор-усилитель
5.4. Источники шума в зарядочувствительных усилителях
6. Заключение
Спиок литературы
1.
Введение
Теория электрических цепей (ТЭЦ) является общенаучной основой широкого круга технических дисциплин. В рамках ТЭЦ разрабатываются основополагающие для прикладных дисциплин методы описания электромагнитных явлений в электрических цепях и построения математических моделей процессов в них.
Задача анализа электрических цепей заключается в построении некой, как правило, математической модели, с помощью которой можно описать поведение этих цепей в тех или иных условиях. Например, можно определить токи отдельных ветвей или напряжения между двумя узлами цепи. При этом конфигурация цепи, параметры ее ветвей, параметры источников энергии должны быть заданы. Если исследуется переходной процесс либо реакция на возмущение, то необходимо знать начальные значения токов в индуктивных элементах и напряжения на емкостных элементах.
Все выше сказанное является теорией электрических цепей и относится к отдельной технической дисциплине. В работе будут рассмотрены:
· основные теоремы и законы, применимые к электрическим цепям,
· математические методы описания цепей,
· некоторые способы анализа усилительных схем на предмет их устойчивости,
· способ расчета шумов.
2.
Основные принципы и уравнения
Забиваем Сайты В ТОП КУВАЛДОЙ - Уникальные возможности от SeoHammer
Каждая ссылка анализируется по трем пакетам оценки: SEO, Трафик и SMM.
SeoHammer делает продвижение сайта прозрачным и простым занятием.
Ссылки, вечные ссылки, статьи, упоминания, пресс-релизы - используйте по максимуму потенциал SeoHammer для продвижения вашего сайта.
Что умеет делать SeoHammer
— Продвижение в один клик, интеллектуальный подбор запросов, покупка самых лучших ссылок с высокой степенью качества у лучших бирж ссылок.
— Регулярная проверка качества ссылок по более чем 100 показателям и ежедневный пересчет показателей качества проекта.
— Все известные форматы ссылок: арендные ссылки, вечные ссылки, публикации (упоминания, мнения, отзывы, статьи, пресс-релизы).
— SeoHammer покажет, где рост или падение, а также запросы, на которые нужно обратить внимание.
SeoHammer еще предоставляет технологию Буст, она ускоряет продвижение в десятки раз,
а первые результаты появляются уже в течение первых 7 дней.
Зарегистрироваться и Начать продвижение
2.1.
Характеристики элементов цепи
Характеристикой элемента электрической цепи называется уравнение, определяющее связь между током в элементе и напряжением на его зажимах-полюсах [1]. Для активного сопротивления эта характеристика представляет собой соотношение, которое часто называют законом Ома:
Для индуктивности такое соотношение можно записать как:
,
а для емкости: 
Также важными элементами в цепях являются идеальные источники тока и напряжения. Идеальный источник тока – это такой источник, у которого генерируемый ток не зависит от напряжения на его концах, а у идеального источника напряжения, э.д.с. на зажимах не зависит от тока протекающего через источник.
Элементы цепей могут иметь и более двух полюсов. Из идеальных многополюсных элементов к наиболее важным относятся идеальные управляемые источники такие как, источник тока управляемый током или напряжением, и источник напряжения управляемый током или напряжением. Идеальные управляемые источники – это, как правило, результат идеализации активных элементов, таких как транзисторы и операционные усилители работающие в линейной области.
2.2.
Принцип суперпозиции (линейности)
Идеальные двухполюсные элементы, исключая независимые источники, являются линейными, т.е. их динамические переменные удовлетворяют принципу суперпозиции
[2].
Это означает, что если
и
- произвольная пара функций, удовлетворяющая основным соотношениям элемента, а
и
- любая другая пара, удовлетворяющая тем же основным соотношениям, то говорят, что элемент подчиняется принципу суперпозиции (линейности), если пара функций
и
также удовлетворяет основным соотношениям для любых констант a
и b
.
2.3.
Принцип инвариантности во времени
Идеальные двухполюсные элементы, исключая независимые источники, удовлетворяют также принципу инвариантности во времени.
Если
и
- произвольная пара функций, удовлетворяющая основным соотношениям элемента, то элемент является инвариантным во времени
, если
и
также удовлетворяют основным соотношениям при любом значении T
. Цепи, составленные из линейных инвариантных во времени элементов, являются примерами линейных инвариантных во времени систем (ЛИВ
).
2.4.
Законы Кирхгофа
Помимо ограничений, обусловленных основными соотношениями для элементов, напряжения и токи в ветвях электрических цепей подчиняются ограничениям, обусловленным двумя фундаментальными законами:
Сервис онлайн-записи на собственном Telegram-боте
Попробуйте сервис онлайн-записи VisitTime на основе вашего собственного Telegram-бота:
— Разгрузит мастера, специалиста или компанию;
— Позволит гибко управлять расписанием и загрузкой;
— Разошлет оповещения о новых услугах или акциях;
— Позволит принять оплату на карту/кошелек/счет;
— Позволит записываться на групповые и персональные посещения;
— Поможет получить от клиента отзывы о визите к вам;
— Включает в себя сервис чаевых.
Для новых пользователей первый месяц бесплатно.
Зарегистрироваться в сервисе
· Закон Кирхгофа для токов:
алгебраическая сумма токов, притекающих к любому узлу цепи, равна нулю (рис.1а).
· Закон Кирхгофа для напряжений:
алгебраическая сумма направленных падений напряжений вдоль любого замкнутого контура цепи равна нулю (рис.1б).
2.5.
Экспоненциальное возмущение
Заданный ток в элементе электрической цепи может рассматриваться как некоторое возмущение. Ответом на это возмущение (реакция) будет напряжение на зажимах элемента. Для большей общности анализа электрических цепей желательно найти такой вид возмущения, который объединял бы все или большинство видов возмущений. Этому свойству отвечает экспоненциальное возмущение:
или
где
и - обобщенные комплексные амплитуды, а s
–
комплексная частота. При таком воздействии на линейные цепи значения токов и напряжений на любых участках представляют собой тоже экспоненциальные функции. При этом соотношения между амплитудами токов и напряжений подчиняются закону Ома и законам Кирхгофа аналогично соотношениям в цепи постоянного тока. Основное отличие от цепей постоянного тока заключается в том, что при экспоненциальном воздействии, кроме омического сопротивления, необходимо учитывать индуктивные и емкостные сопротивления, а также сопротивления взаимной индукции. Величины этих сопротивлений зависят от показателя степени
и определяются соотношениями:
для индуктивности и
для емкости.
3.
Математические методы анализа цепей и переходных процессов в них
3.1.
Системная функция
Для анализа электрических цепей очень удобно использовать понятие контурных токов [1]. Написав для каждого контура свое уравнение, мы получаем некую матрицу уравнений. Решение этой матрицы обычно приводит к нахождению токов в каждом контуре цепи. Точно такую операцию можно произвести и для узловых напряжений.
В случае, если цепь пассивна и имеется один вход, к зажимам которого подключается внешний источник напряжения , контурные токи определяются из системы уравнений:
,
,
………..
,
где - определитель матрицы контурных сопротивлений;
- алгебраическое дополнение элемента 1
k
этого определителя.
Анализируя зависимость, например, контурного тока в контуре lm
от входного напряжения получаем функцию:
,
что является системной функцией проводимости, а отношение напряжения в ветви lm
к напряжению на входе 
представляет собой системную передаточную функцию напряжения от ветви 1
к ветви lm
.
Определяя таким образом системные функции для всех ветвей, можно, очевидно, рассмотреть множество этих функций. Все они обладают следующей особенностью:
так как и - соответственно полиномы от контурных сопротивлений Z
, а сопротивление Z
в свою очередь является полиномом s
, то любая системная функция должна иметь вид рациональной дроби переменной s
:
,
где P
(
s
)
и Q
(
s
)
– полиномы.
Если найти корни полиномов P
(
s
)
и Q
(
s
)
путем решения уравнений :
(корни: s
1
,
s
1
,….
sm
)
и
(корни: sa
,
sb
,….
sn
),
то системную функцию можно представить в виде:
.
Корни s
1
,
s
2
,….
sm
называются нулями системной функции, а корни sa
,
sb
,….
sn
– полюсами системной функции. При равенстве s
одному из нулей s
1
,
s
2
,….
sm
системная функция обращается в ноль, а равенстве одному из полюсов sa
,
sb
,….
sn
– в бесконечность.
3.2.
Преобразование Лапласа
Системная функция T
(
s
)
в общем случае является функцией комплексного переменного [2]. Поэтому для исследования системных функций используется алгебра комплексных чисел, где .
По определению системная функция есть отношение выходной величины к входной величине. Поэтому, если известно возмущение на входе вида и системная функция T
(
s
)
, то выходная величина будет равна
.
При анализе системных функций как функций комплексной переменной очень удобно пользоваться односторонним преобразованием Лапласа.
Одностороннее преобразование Лапласа представляет собой оператор, отображающий функцию времени в функцию комплексной переменной в соответствии с формулой:
| X(s) =
L
[x(t)
] = 
|
|
Данный интеграл отображает функцию x
(
t
)
в функцию переменной s
, причем нас интересуют значения X
(
s
)
не в одной точке, а в некоторой области комплексной s
–плоскости. Поскольку при задании X
(
s
)
в некоторой области s
–плоскости можно однозначно восстановить x
(
t
)
для t
>0,
преобразование Лапласа обеспечивает взаимно однозначное соответствие. Именно это свойство взаимной однозначности обуславливает полезность преобразование Лапласа. Предположим нам необходимо описать оператор , характеризующий некоторую систему. Вместо прямого
решения этой задачи проще и нагляднее описывать оператор , связывающий преобразования Лапласа для входного и выходного сигналов. В силу взаимной однозначности это эквивалентно искомому описанию. S
-
называется комплексной частотой, а оператор характеризует систему в частотной области, тогда как характеризует ее во временной области.
Преобразование Лапласа в качестве математического инструмента для вычисления отклика на конкретные воздействия полезно главным образом для сосредоточенных линейных инвариантных [ЛИВ] во времени цепей. В случае нелинейных или изменяемых во времени систем описание или оценка F
[
s
]
обычно ничуть не легче, чем f
[
t
]
. Для простейших ЛИВ систем с простыми входными воздействиями наиболее эффективны прямые методы. Очень большие системы во всех случаях требуют технических вспомогательных средств. Методы преобразования Лапласа сопряжены с обработкой матриц, содержащих алгебраические элементы (функции s
), и включают нахождение корней полиномов высокого порядка. Однако внутри своей области преобразование Лапласа является эффективным средством для решения задач теории цепей.
3.3.
Дискретные преобразования Лорана
Переходные процессы в цепях, подвергающихся периодическим импульсным возмущениям (через определенные заданные интервалы времени) или периодическим переключениям удобно исследовать с помощью дискретных преобразований [1]. В основу метода дискретных преобразований входит понятие о решетчатой функции. Решетчатой функцией называется функция, значения которой определены только для дискретных равноотстоящих друг от друга значений независимой переменной (рис.2), где T
–положительная величина, определяющая расстояние между соседними значениями независимой переменной.
Решетчатую функцию можно образовать из непрерывной функции, если для функции f
(
t
)
положить t
=
nT
. Например, если имеется непрерывная функция
,
то решетчатая функция для нее будет иметь вид
.
Как видно из рисунка одной решетчатой функции могут соответствовать несколько непрерывных функций (f
1
(
t
),
f
2
(
t
)…
). Эти функции называются огибающими решетчатой функции.

4.
Анализ усилительных систем, обратная связь, устойчивость
Усилителем называют устройство позволяющее преобразовывать входной сигнал в сигнал большей мощности (тока, напряжения) без существенного искажения его формы [3]. При усилении тока или напряжения одновременно происходит усиление мощности.
Эффект усиления возможен только при наличии источника управляемой энергии, преобразуемой усилителем в энергию усиливаемых сигналов. Таким источником является источник питания. Энергия источника питания преобразуется в энергию полезного сигнала при помощи усилителя. Исходя из вышесказанного, процесс усиления сигналов можно представить следующей структурной схемой (рис.3).

Рис. 3 Структурная схема усиления электрических сигналов.
Устройство, которое является потребителем, называется нагрузкой (ZН
), а цепь усилителя, которой он подключается, называют выходной цепью (зажимы 3, 4). Потоком энергии от источника питания (ЕП
) к нагрузке (ZН
) управляет входной сигнал, представляемый входным напряжением U12
. Это напряжение зависит от величины источника Э.Д.С. ЕВХ
, его внутреннего сопротивления RВН
и входного сопротивления усилителя RВХ
. Источник энергии сигнала, который необходимо усилить называют входным сигналом, а цепь усилителя, которой он подключается, называют входной цепью усилителя (зажимы 1,2).
Часто зажимы 2 и 4 однопотенциальны и их называют общей шиной (массой) усилителя.
4.1
Понятие об обратной связи
Линейная система из двух линейных подсистем, соединенных, как показано на рис.4, называется простой системой с обратной связью [2].

Для нахождения общей системной функции можно записать два уравнения:
и 
Исключив временную переменную , получаем:
.
Если предположить, что кольцевой коэффициент усиления значительно превышает 1, то
.
Отсюда вытекают два важных положения:
- если усиление в петле большое, то общая системная функция не зависит от свойств прямого тракта ;
- если усиление в петле большое, то общая системная функция примерно равна обратному значению системной функции тракта обратной связи .
Важность первого вывода – обратная связь уменьшает влияние флуктуаций и искажений в прямом тракте при условии, что >>1.
В общем случае существуют два основных вида обратной связи. При рассмотрении общей формулы системной функции нетрудно заметить, что коэффициент передачи может меняться в зависимости от величины . Если эта величина больше нуля, то обратную связь называют отрицательной
. Такая связь уменьшает входное воздействие на блок . При условии <0 связь называется положительной
, т.е. сигнал обратной связи увеличивает входное воздействие.
В реальной жизни используются оба вида связи. Например, если необходимо построить усилитель мало зависимый от флуктуаций собственного внутреннего усиления , то необходимо охватить его отрицательной обратной связью, при этом усиление станет равное величине меньшей чем на величину коэффициента (глубину) обратной связи . Положительная обратная связь чаще всего используется в автогенераторах.
4.2
Устойчивость усилителей
Важной характеристикой усилителей является их устойчивость. Известно несколько методов оценки и расчета устойчивости усилителей. Наиболее распространенные – это применение теоремы Найквиста (критерий Найквиста) или построение диаграмм Боде [2,3,4,5].
4.2.1
Критерий Найквиста
Критерий устойчивости Найквиста основывается на анализе геометрического места точек или полярной диаграммы (называемой годографом Найквиста) комплексной величины при изменении вдоль контура, идущего по оси и по окружности правой полуплоскости. Таким образом, годограф Найквиста (рис.5) представляет собой отображение замкнутого контура С в
s
-плоскости на b
K
–плоскость.
Основой критерия Найквиста является теорема из теории функций, которая называется принципом аргумента Коши. В общем виде она характеризует контур, образуемый некоторой функцией X
(
s
)
в X
-плоскости при изменении s
по часовой стрелке вдоль любого простого контура на s
-плоскости. Она утверждает, что общее число полных оборотов по часовой стрелке вдоль замкнутого контура в X
-плоскости относительно точки X
(
s
)=0
равно (Z
-
P
)
, где Z
– количество нулей X
(
s
)
, а P
-
число полюсов X
(
s
)
, находящихся внутри контура на s
-плоскости. Для получения критерия Найквиста предполагаем, что
. Тогда при движении по часовой стрелке вдоль контура X
(
s
)
число оборотов вокруг начала координат или, что эквивалентно, число оборотов вокруг точки
при движении по часовой стрелке вдоль контура
равно разности между числом нулей и полюсов X
(
s
)
в правой полуплоскости.

Рис.5 Контуры на плоскостях S
и b
K
Поскольку нули X
(
s
)
являются полюсами системы с замкнутой обратной связью, а полюса X
(
s
)
являются полюсами передаточной функции кольца
, т.е. разомкнутой системы, система с замкнутой обратной связью будет неустойчива, если при движении по часовой стрелке число оборотов вокруг точки
окажется больше, чем число полюсов функции .
В литературе часто упрощают это положение, и критерий Найквиста звучит следующим образом:
линейная цепь считается стабильной, если петлевое усиление или функция не огибают критические точки (-1,0) или (0,0) соответственно на плоскости комплексного переменного в направлении движения по часовой стрелке.
Это утверждение является достаточно очевидным для системной функции усилителя с обратной связью , так как при выполнении этих условий функция становится неопределенной (деление на ноль).
4.2.2
Применение теоремы Найквиста
В реальной жизни для оценки устойчивости измерение напрямую комплексных величин и является затруднительным, но можно использовать косвенные методы, один из которых описан в [6]. С помощью этого метода, измеряя функцию входного сопротивления усилителя можно судить об его устойчивости.
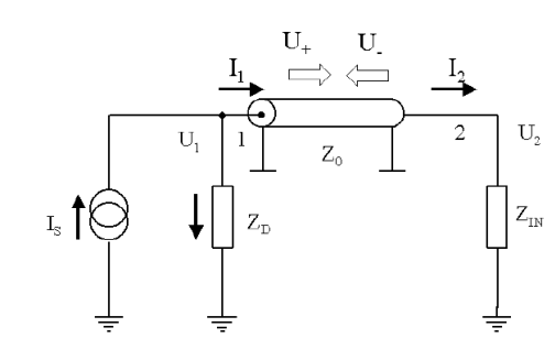
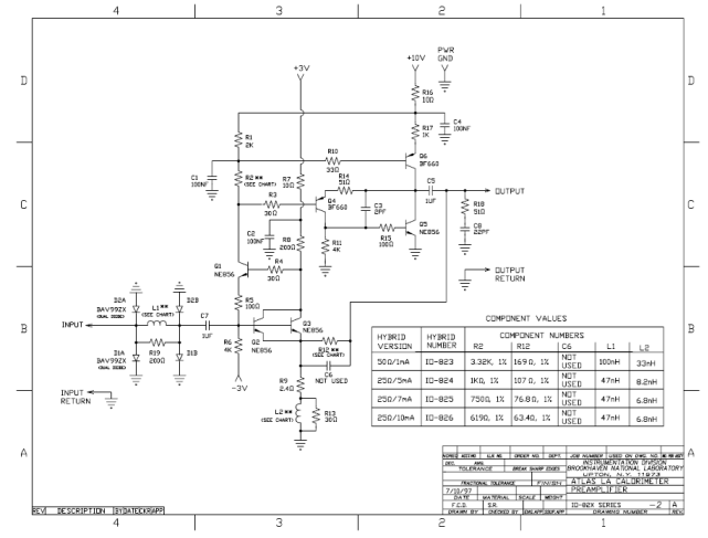
В работе рассмотрен усилитель, собранный по гибридной технологии с использованием высокочастотных транзисторов для поверхностного монтажа (рис.6). Этот усилитель разработан для снятия сигнала с детектора ионизирующего излучения и подсоединяется к детектору через длинную линию (коаксиальный кабель) с волновым сопротивлением . Его собственное входное сопротивление равно , а емкость детектора .
Рис.6 Схема усилителя
Эквивалентная схема детектора, длинной линии и усилителя показана на рис.7. Здесь - импеданс детектора, а - источник сигнала. Если заменить сопротивление детектора и волновое сопротивление кабеля общим сопротивлением , которое легко можно представить в виде
, а источник сигнала представить как , тогда цепь может быть представлена, как показано на рис.8.

Рис.7 Блок-схема цепи детектора

Рис.8 Эквивалентная схема усилителя, соединенного с детектором
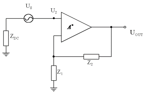
Очевидно, что для такой схемы справедливо выражение передаточной функции для цепи с обратной связью в виде: . Подставляя в эту формулу выражение для входного сопротивления усилителя , где - входное сопротивление усилителя без обратной связи, нетрудно получить: . Теперь если предположить, что входное сопротивление усилителя без обратной связи и внутренний коэффициент усиления не являются непредсказуемыми величинами (скажем, не равны нулю), то стабильность по Найквисту здесь можно оценить как поведение суммы , которая является детерминатором.
Отсюда можно сформулировать следующее условие:
Система стабильна, если траектория суммы не огибает критическую точку (0,0) при движении по часовой стрелке.
Эквивалентное сопротивление
является чисто реактивным, так как может быть представлено из индуктивностей и емкостей. Поэтому, если реальная часть
положительна в рабочем диапазоне частот, то огибание критической точки (0,0) суммой
не произойдет. Это означает, что необходимо измерить
и выяснить при каких условиях ее реальная часть меньше нуля.
Измерение входного импеданса (сопротивления)
было осуществлено с помощью спектрального анализатора HP4195A в диапазоне частот от 1MHz до 200MHz. Структурная схема измерения приведена на Рис.9.
Рис.9 Схема измерения входного импеданса
Измерения проводились для двух типов усилителей, когда используются на месте эмиттерного повторителя Q4 (рис.6) более медленный транзистор 2N3906 с граничной частотой ft
=250
MHz
и более высокочастотный транзистор BF660 с граничной частотой ft
=700
MHz
.
Результаты измерения
приведены на рис.10. Из диаграммы видно, что существует область
Рис.10 Диаграмма измеренного входного импеданса усилителя в случае использования транзистора 2N3906 (PA1) и транзистора BF660 (PA2)
Рис.11 Диаграммы входного импеданса усилителя PA1 для различных величин емкости детектора
частот, где реальная часть
меньше нуля или приближается к нему и, если к этой кривой добавить значения
(на рисунке диапазон показан стрелками), то суммарная кривая может охватить критическую точку. Далее были посчитаны значения
для реальных величин емкости детектора и длины кабеля и построены графики суммы
(рис.10,11,12). В случаях, когда кривая суммы огибает критическую точку, усилитель должен быть нестабильным, что и было подтверждено при измерении выходного сигнала с помощью цифрового осциллографа (рис.13,14).
Рис.12. Диаграммы входного импеданса усилителя PA1 для различных длин кабеля

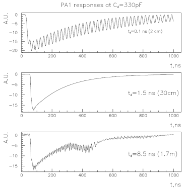
Рис.13 Осциллограммы выходного сигнала усилителя PA1 для различных длин кабеля с емкостью детектора 330pF.

Рис.14 Осциллограммы выходного сигнала усилителя PA1 и PA2 для различных емкостей детектора
В этой работе показано, что стабильность усилителя хорошо согласуется с диаграммами Найквиста. Также показано, что для определения стабильности усилителя не обязательно разрывать его обратную связь, чтобы измерить , тем более это невозможно, например, для твердотельного усилителя. В некоторых случаях применимы только косвенные методы такие, как метод описанный выше.
4.2.3
Диаграммы Боде.
Оценка устойчивости усилителей с помощью диаграмм Боде мало отличается от критерия Найквиста, но чуть более наглядна в графическом представлении. В данном случае одновременно рассматриваются амплитудные и фазовые характеристики обратной связи. В качестве амплитудной характеристики используется обычно петлевое усиление в частотной области
, представленное в виде
, а фазовой - соответственно фаза
. Условие устойчивости достигается, если при изменении частоты
в диапазоне от 0 до ∞ фаза не достигает величины
, а модуль петлевого усиления при этом становиться меньше 1 (рис.15).

Рис.15 Амплитудно-частотная и фазовая характеристики
устойчивого усилителя

Рис.16 Амплитудно-частотная и фазовая характеристики
неустойчивого усилителя
На рис.16 показан пример неустойчивого усилителя. При достижении петлевого усиления величины 1 (значение
) его фаза уже поворачивается больше, чем на 2
p
.
Это условие устойчивости можно легко объяснить тем, что при повороте фазы на 180° обратная связь вместо отрицательной становится положительной, т.е. возмущение на выходе увеличивает возмущение на входе.
5.
Шумы усилителей и методы их расчета
На клеммах электронных устройств наблюдаются случайные флуктуации напряжения или тока, и эти флуктуации обычно называют шумом. Данный шум не относится к дефектам контактов или чего-то подобного, он присущ самой системе. Зарождение этого шума происходит на макроуровне из-за случайного поведения носителей заряда внутри электорнной системы. Шумящий электронный прибор в общем виде можно представить как четырехполюсник с источниками шума (напряжения и тока) на входе и выходе (рис.17).

Рис.17 Четырехполюсник с шумовыми генераторами напряжения (Vn
(
t)
) и тока (I
n
(
t)
) на входе и выходе.
Представление шума в виде источников напряжения и тока отдельно не случайно, так как вклад этих источников разный в зависимости от самой схемы.
5.1
Виды шумов
Наиболее часто встречающимися разновидностями шумов являются тепловой и дробовый [7]. Тепловой шум (
thermal
noise
)
возникает вследствие случайных флуктуаций скорости носителей заряда, как электронов так и дырок, в резистивном материале. Этот механизм иногда относят к броуновскому движению носителей заряда, обусловленному тепловой энергией в материале. Тепловой шум присутствует в системе, когда резистивный элемент находится в тепловом равновесии с окружающей средой. Флуктуации теплового характера можно рассматривать как механизм, с помощью которого сохраняется тепловое равновесие. За исключением случайных отклонений от среднего состояния возвращение к нему, и очень большое число таких микроскопических событий ведет к резкому изменению тока или флуктуациям напряжения на клеммах. Согласно такой точке зрения форма сигнала теплового шума должна состоять из отдельных импульсов, связанных с дискретными событиями, происходящими в резистивном материале.
Дробовый шум
(
shot
noise
)
связан с прохождением тока через барьер, и в этом смысле он является неравновесной разновидностью шума. Впервые он был рассмотрен Шотки, который использовал аналогию мелкой дроби, сыплющейся в контейнер. Дробовый шум встречается в твердотельных устройствах, когда ток проходит через потенциальный барьер p
-
n
перехода. Электроны, образовавшиеся за счет эмиссии, под действием электрического поля перемещаются от катода к аноду. Эмиссия случайный дискретный процесс, поэтому поток этих электронов флуктуирует вокруг среднего значения случайно.
Природа теплового и дробового шума различна, но структура шумовых сигналов обоих типов похожа: оба сигнала можно представить как последовательность случайных импульсов, похожих по форме и случайно распределенных во времени.
Термин случайные означает, что дискретные события, создающие импульсы, независимы и статистический закон, описывающий распределение этих событий во времени, - это функция плотности вероятности Пуассона.
Если форма шумового сигнала описывается функцией , а форма отдельного импульса – функцией , то случайная последовательность импульсов есть линейная суперпозиция
,
где - амплитуда k
-го импульса в этой последовательности, а - момент времени, в который происходит k
-е событие. Распределение пордчиняется закону Пуассона, поэтому спектральную плотность можно представить в виде
.
Это утверждение известно как теорема Карсона. Здесь w
- угловая частота, - преобразование Фурье функции формы отдельного импульса, n средняя частота событий, - значение среднего квадрата амплитуд импульса, а черта над левой частью выражения означает усреднение по большому числу испытаний.
В особом случае, когда составляющие последовательности импульсов чрезвычайно малы. Функция формы отдельного выброса представляется импульсом бесконечно малой ширины. Последовательность случайных импульсов в этом случае считается импульсным процессом. Поскольку фурье-преобразование одного импульса равно единице, спектральная плотность импульсного процесса равна
.
Это важный результат, показывающий, что спектр импульсного процесса постоянен для всех частот вплоть до неограниченно высоких. Такой спектр называют “белым”.
В случае теплового шума вывод основывается на положениях статистической механики и закона равномерного распределения энергии, согласно которому любая система при абсолютной температуре T
, находящаяся в тепловом равновесии с окружающей средой, обладает тепловой энергией в среднем до kT
на каждую степень свободы, где k
– постоянная Больцмана. В результате спектральная плотность шумового напряжения на концах сопротивления в разомкнутом контуре имеет вид
.
Таким образом, активное сопротивление может быть представлено в виде самого сопротивления и последовательного генератора напряжения vn
(
t)
со спектральной плотностью :
После простого преобразования контура шумовое сопротивление также может быть представлено и в виде сопротивления и параллельного генератора шумового тока со спектральной плотностью ,
где .
Спектральная плотность дробового шума при среднем токе I
составляет
,
где q
– абсолютное значение заряда электрона. Это выражение легко следует из выражения спектральной плотности импульсного процесса, если предположить, что среднее число импульсов в единицу времени равно I/
q
, а все амплитуды импульсов равны заряду электрона q
, что дает .
Более интересны выражения не для спектральной плотности, а непосредственно для шумового напряжения и шумового тока. Они легко получаются из спектральной плотности умножением на диапазон рассматриваемых частот :
и

и

Как видно из этих выражений вклад теплового и дробового шумов тем выше чем шире диапазон рассматриваемых или рабочих частот.
Третьим по значимости является шум вида 1/
f
. Этот вид шума до сих пор не изучен до конца и поэтому он имеет в литературе несколько названий: токовый шум, фликкер-шум (flicker noise), шум контактов или избыточный шум (excess noise) [7,8]. Выражение для этих шумов в общем виде записывается как
,
где - коэффициент фликкер-шума, -величина постоянного тока, m
–экспонента фликкер-шума и n
–степень знаменателя, которая обычно считается равной ~1, но в некоторых работах [8] его величина достигает 1.3. На самом деле, все эти разновидности шумов могут существовать отдельно. Достаточно хорошо изучен контактный шум для некоторых материалов. Например, шум сопротивления, изготовленного на основе тонких металических пленок, можно описать формулами [9]

или
.
Дополнительно можно отметить, что существуют также другие виды шумов [9]:
- взрывной шум (
burst
noise
)
, появляющийся из-за загрязнения металлом p
-
n
перехода,
- частичный шум (
partition
noise
)
, вызванный делением тока, идущего по двум или более путям (например, заряды из эмиттера частично идут в базу, а частично в коллектор),
- рекомбинационный
шум
(generation-recombination noise).
Такой шум появляется в полупроводниках вследствие спонтанной флуктуации при генерации, рекомбинации и движении свободных носителей. В транзисторах с p
-
n
переходом рекомбинационный шум присутствует в базе при низких температурах из-за увеличения флуктуации сопротивления базы из-за случайной генерации-рекомбинации носителей.
5.2
Шумовая модель усилителя
В общем случае, усилитель – это четырехполюсник (рис.17), но для удобства расчетов шумовые генераторы тока и напряжения обычно рисуются только на входе усилителя (рис.18). Все внутренние источники шума пересчитаны на вход, что называется приведение шума к входу [7].
Рис.18 Шумовая модель усилителя
Здесь:
VS
- генератор сигнала,
ZS
=
RS
+
jXS
– комплексное внутреннее сопротивление генератора сигнала,
vts
- генератор теплового шума от RS
,
AV
=
VO
/
Vi
– комплексное усиление усилителя,
Zi
– комплексное входное сопротивление усилителя.
Для такой схемы выходное напряжение равно:
,
а полное напряжение генератора шума последовательно с источником сигнала определяется как

и называется эквивалентный шум на входе и равен
,
где B
n
- полоса частот шума, g - комплексный коэффициент корреляции между шумовыми источниками напряжения vn
и тока In
, рассчитываемый по формуле
.
Из формулы эквивалентного шума видно, что если реальная часть мала, то и g не очень важен. Наоборот, если реальная часть велика, то и g снова не очень важен.
Для оценки качества усилителя часто вводят параметер отношения сигнала к шуму (SNR):
либо ,
где - среднеквадратичная величина выходного напряжения, а - среднеквадратичная величина шума на выходе.
5.3
Расчет шумов цепи детектор-усилитель
Практическое применение теории расчета шумов для цепи детектор-усилитель хорошо описано в статьях [10,11].
Рассмотрим цепь: детектор, который преобразует внешнее воздействие (например, гамма лучи) в свободные электроны внутри себя, и усилитель, соединенный с детектором таким образом, чтобы он воспринимал появление заряда внутри детектора (рис.19). Обычно количество электронов, образовавшихся в детекторе пропорционально энергии внешнего воздействия, но величина заряда очень мала для ее прямой регистрации. В данном случае и необходим усилитель (здесь в основном рассматривается зарядочувствительный усилитель), который способен преобразовать заряд в некий импульс напряжения (тока), с амплитудой подходящей для регистрации.
Рис.19 Цепь детектор-усилитель
Детектор в большинстве случаев представляет собой конденсатор с двумя обкладками, к которому приложено напряжение для создания электрического поля, под воздействием которого заряды двигаются к контрольному электроду. Если предположить, что сам детектор не является источником шума (обычно это не так, но шумы ‘хорошего’ детектора заметно меньше чем усилителя), то эквивалентная схема цепи может быть представлена, как показано на рис.20.
Рис.20 Эквивалентная схема детектора и усилителя
для расчета шумов
На схеме детектор представлен как источник сигнала I
s
(
t)
. А так как любой детектор обладает емкостью (Сd
), то емкость детектора объединена с входной емкостью усилителя в Cin
=Сd
+
Ca
. Все резисторы, включая сопротивление утечки детектора, сопротивление смещения чувствительного электрода и входное сопротивление усилителя и обратной связи на рисунке представлены как RP
.
Рассматривая детектор, как источник заряда, обычно принято шум измерять в ‘эквивалентном шумовом заряде’ (ENC). Если нормализовать системную функцию h
(
t
)
так, что единичный дельта-импульс тока (заряда) d
(
t
)
в детекторе производит отклик на выходе системы с единичной амплитудой, тогда среднее отклонение sq
и есть ‘эквивалентный шумовой заряд’, т.е. такой заряд Qs
, выходная амплитуда от которого равна точно средней выходной амплитуде шума.
Как показано в работе [10] дисперсия ‘белого’ шума может быть рассчитана по формуле
,
где W
0
– спектральная плотность шума и h
(
t
)
импульсный отклик системы.
Тогда
.
В нашем случае (рис.20) источник шума представлен как генератор тока Inp
, паралллельно емкости детектора. Для такого источника
,
где для дробового шума от тока утечки детектора и входного тока усилителя, и для теплового шума резистора RP
.
Заметим, что токовый импульс от детектора интегрируется на эквивалентной емкости Cin
на входе усилителя и становится прямоугольным импульсом напряжения и результатом на выходе системы. И наоборот, токовый импульс мог быть вызван импульсом напряжения . Можно теперь оценить вклад случайной последовательности шумовых импульсов напряжения или заряда на входе на выход системы.
Представляя спектральную плотность шумовых зарядов как W0
=2<
n
>
q
2
=<
q
2
sn
>
и заменяя , получаем эквивалентный шумовой заряд
.
Это выражение было выведено с учетом только параллельного шума. Взяв во внимание и генертор последовательного шума (рис.18) и представляя qsn
=Сin
vn
получается выражение:
,
где .
Вклад двух источников шума, параллельного и последовательного, очевидно зависит от постоянной времени t
с
(t
с
часто называют постоянной времени перелома) и отклика системы h
(
t
).
Поэтому возникает вопрос, как минимизировать эквивалентный шумовой заряд? Минимизируя функцию получаем, что оптимальная передаточная функция должна быть

а оптимальный эквивалентный шумовой заряд тогда будет
.
Эта передаточная функция известна под названием ‘парный фильтр’ и подразумевает бесконечную задержку между событием (появлением заряда) и временем измерения. Реально, хвосты этой функции (оптимального отклика) имеют малый эффект на шум. Поэтому, если система имеет треугольный отклик (рис.21) с полушириной равной (3tс
)1/2
, то рассчитанный шум больше только на 8%, чем у идеального фильтра.
Рис.21 Отклик с идеальным (оптимальным) фильтром
и треугольный отклик с полушириной 
Для уменьшения вклада последовательного шума необходимо уменьшать Rs
. Вклад паралллельного шума обычно не аасоциируется с усилением, а целиком зависит от эквивалентного параллельного резистора R
р
. Величину R
р
надо делать как можно больше, т.к. . При разработки малошумящей системы необходимо увеличивать t
с
до величины много большей, чем длина отклика. Тогда второй член уравнения для ENC
становится пренебрежимо малым. Также нетрудно показать, что оптимальный отклик для последовательного шума усилителя является треугольный функция:
, для 
, для ,
где - время от нуля до пика и оно определяет время измерения относительно времени прихода импульса. Подставляю эту функцию в формулу для ENC
получаем, что первый интеграл для последовательного шума равен 2/
tm
и тогда эквивалентный шумовой заряд равен
,
а подставляя транзсторные параметры t
a
=
CGS
/
gm
и an
=
Rs
gm
, где CGS
–емкость между затвором и истоком, gm
–крутизна транзистора получаем

и для и an
=2/3

где -является минимумом для члена в квадратных скобках, а an
=2/3
– коэффициент для полевого транзмстора.
И предполагая, что транзистор имеет t
a
=
CGS
/
gm
»0.5
ns
, получаем rms
эквивалентного шумового заряда для следующих пар параметров CD
и tm
: 0.1pF при 100ns, 1pF при 1000ns, .10pF при 10ms.
5.4
Источники шума в зарядочувствительном усилителе
Для более детального рассмотрения источников шума в системе с зарядочувствительным усилителем необходимо разделить источники шума по группам и полосе их частот (рис.22).
Рис.22 Подробная схема источников шума в цепи детектор-усилитель
Последовательный белый шум.
Минимальная величина этого шума ограничивается временем пролета электронов tel
и постоянной времени усилителя t
a
=
CGS
/
gm
(рассматривается усилитель на полевом транзисторе, где CGS
–емкость между затвором и истоком, а gm
– крутизна транзистора). Это ограничение – удовлетворительная мера для транзисторов с длинным каналом, например, полевых транзисторов с p
-
n
переходом (JFET) и длиной канала L
=7
m
m
и t
a
=0.5
ns
. Если длина канала маленькая, эффект ‘короткого канала’ становиться важным. Ограничение скорости дрейфа электрона связано с увеличением их температуры, и такие ‘горячие’ электроны генерируют дополнительный шум увеличением шума канала и созданием тока между каналом транзистора и затвором посредством ударной ионизации. Ток утечки затвора действует как источник параллельного шума, так как он течет внутри емкости. Последовательное сопротивление у источника приводит к значительному уменьшению крутизны транзистора с коротким каналом. Оптимальная длина канала у транзисторов с p
-
n
переходом не установлена. Легче изготовить короткие каналы у транзисторов с МОП структурой. Однако, МОП транзисторы с каналом L
=3
m
m
не обязательно лучше, чем JFET с L
=7
m
m
, т.к. МОП имеют больший 1/
f
шум. P
-канальный МОП транзистор в этом отношении лучше, чем n
-канальный, потому что основные носители (дырки) у p
-канального транзистора имеют меньшую подвижность в инверсном слое по сравнению с электронами. Так что улучшение, связанное с уменьшением длины канала, много меньше, чем ожидается в соотношении длин.
У биполярных транзисторов постоянная времени меньше, чем у полевых, но основным отличием от вышеописанной шумовой модели является тепловой шум во внутреннем сопротивлении базы rbb
. Эквивалентное шумовое сопротивление последовательного шума для биполярного транзистора
.
У биполярных транзисторов rbb
обычно достигает десятков ом. И если 1/(2gm
)»40W при Ic
=1/3mA, то очевидно, что вклад rbb
значителен.
Параллельный белый шум
. Вклад параллельного шума зависит от временной шкалы измерения в отношении к временной шумовой константе. Можно рассмотреть показательный пример нахождения оптимального времени формирования, когда последовательный шум будет равен параллельному. Для последовательного шума справедливо выражение , а для параллельного - . Полагая, что и для биполярного транзистора, у которого коллекторный ток –последовательный шум, а базовый ток –параллельный шум получаем оптимальную формировку:

Если транзистор имеет hFE
=100
и t
a
=0.1
ns
, то минимальный шум достигается при . Очевидно, что биполярный транзистор предпочтительнее для быстрых детекторов и короткого времени измерения, длинное время измерения ограничено дробовым шумом базового тока. У полевых транзисторов ток утечки затвора значительно ниже так, что последовательный шум доминантен до и более.
1/
f
шум.
Кремниевые МОП транзисторы арсенид-галиевые металл-полупроводник транзисторы известны способностью иметь повышенный 1/
f
-шум по сравнению с полевыми транзисторами с p
-
n
переходом и биполярными транзисторами. Такой шум появляется вследствие флуктуации заряда в затворе, который модулирует проводящий канал, и выглядит как эквивалентный генератор напряжения последовательно с контрольным электродом (затвором) со спектральной плотностью:
,
где Af
[
V
2
]
–шумовая константа, определенная для 1/
f
шума как для всех частот, где это выражение действительно. Установлено, что величина Af
обратно пропорциональна ширине канала полевого транзистора, а коэффициент степени a
лежит в пределах –0.8 ¸1.2.
Эквивалентный шумовой заряд от 1/
f
шума не зависит от времени формировки и слабо зависит от весовой функции. Это из-за того, что интегрирование 1/
f
спектра в диапазоне частот f
low
¸ f
high
дает величину ~[
ln
(
f
lo
w
/
f
high
)]1/2
, а отношение (
f
lo
w
/
f
high
)
не зависит от временного параметра t
f
(или tm
).
Эквивалентный шумовой заряд от последовательного 1/
f
шума для фильтров, обычно используемых с радиационными детекторами, примерно равен:

Используя минимизацию (
CD
=
CGS
)
, получается:
.
Величина не зависит от площади транзистора и измеряется как энергия шума в джоулях. Она зависит от технологии и дизайна прибора и является функцией толщины окисла в МОП транзисторе.
У кремниевых полевых транзисторов с p
-
n
переходом и у биполярных 1/
f
шум очень мал (величина не превышает 10-26
Дж). Это означает ENC
~2.5 rms электрона, при tm
»130ms и CD
=1pF. У транзисторов с МОП структурой коэффициент уже больше на несколько порядков, например, для =10-23
Дж эквивалентный шум уже ~80 rms электрона.
Некоторые обобщения.
На рис.23 приведена обобщающая картинка шумов и оптимального времени измерения для большого диапазона типичных усилителей и детекторов.
Рис.23 Эквивалентный шумовой заряд как функция времени
измерения ряда типичных усилителей и детекторов
Заметим, что последовательный шум определяется как , параллельный - и 1/f
шум - . Параллельный белый шумовой ток интегрируется на входной емкости и становится 1/
f
2
шумом. Таким образом, мы имеем на входе: белый последовательный шум усилителя, последовательный или параллельный 1/
f
шум и 1/
f
2
шум от параллельных источников белого шума. Тогда связь между экспонентой a для шума со степенной спектральной зависимостью |
f
|
a
и эквивалентным шумовым зарядом является следующая функция:
.
Измерение общего системного ENC
в зависимости от tm
и Cin
может позволить разложить ENC
на несколько основных степенных членов и обеспечить понимание шумовых источников.
6.
Заключение
В работе рассмотрены основные математические законы, позволяющие описать электрические цепи и процессы, происходящие в них. На основе этих законов рассмотрены способы рассчета и анализа усилительных устройств на предмет их устойчивости. Описан один из практических методов применения теории устойчивости усилителя. Рассмотрены важные вопросы, касающиеся понимания возникновения и минимизации шумов в цепи детектор-усилитель.
Литература:
[1] Толстов Ю.Г., Теврюков А.А. Теория электрических цепей, “Высшая школа”, 1971
[2] У.М. Сиберт, Цепи, сигналы, системы, “Мир”, 1988
[3] И.Г. Мамонкин, Усилительные устройства, “Связь”, 1977
[4] И.С. Гоноровский, Радиотехнические цепи и сигналы, 1986
[5] С.И.Баскаков, Радиотехнические цепи и сигналы, Высшая школа, 2000
[6] G. Battistoni, D.V.Camin, N.Fedyakin, P.Ramaioli, R.Shuvalov, On the Stability of 0-T Preamplifier, ATLAS Internal Note LARG-NO-087, 1997
[7] М.Букингем, Шумы в электронных приборах и системах, Мир, 1986
[8] Hei Wong, Low-frequency noise study in electron devices:
review and update, Microelectronics Reliability 43 (2003) 585–599
[9] W. Marshall Leach, “Noise measurement”, copyright 2000 CRC press LLC
[10] V. Radeka, Low noise techniques in detectors, Annual review of Nuclear and Particle Science, 1988, v.38 p.217-277
[11] G. De Geronimo, P. O’Connor, V. Radeka*, B. Yu, Front-end electronics for imaging detectors, Nuclear Instruments and Methods in Physics Research A 471 (2001) 192–199
|