| СОДЕРЖАНИЕ
| РЕФЕРАТ
|
| ПЕРЕЧЕНЬ СОКРАЩЕНИЙ
|
| ВВЕДЕНИЕ
|
| 1 ВЫБОР И ОБОСНОВАНИЕ СТРУКТУРНОЙ СХЕМЫ ПРИЕМНИКА
|
| 2 ЭСКИЗНОЕ ПРОЕКТИРОВАНИЕ
|
| 2.1 Выбор промежуточных частот
|
| 2.2 Определение числа поддиапазонов
|
| 2.3 Расчет сквозной полосы пропускания радиоприемника
|
| 2.4 Определение структуры преселектора по требованиям к избирательности по зеркальным каналам и каналам прямого прохождения
|
| 2.5 Определение избирательной системы тракта промежуточной частоты
|
| 2.6 Выбор первых каскадов приемника
|
| 2.7 Распределение усиления между трактами радиоприемника
|
| 2.8 Оценка динамического диапазона приемника
|
| 3 РАЗРАБОТКА ПРИНЦИПИАЛЬНОЙ СХЕМЫ
|
| 3.1 Входное устройство
|
| 3.2 Усилитель радиочастоты
|
| 3.3 Усилитель первой промежуточной частоты УПЧ - 1
|
| 3.4 Усилитель второй промежуточной частоты УПЧ - 2
|
| 3.4.1 Расчет схемы электрической принципиальной УПЧ - 2
|
| 4 РАЗРАБОТКА ПЕЧАТНОЙ ПЛАТЫ УПЧ - 2
|
48
|
| 5 МОДЕЛИРОВАНИЕ РАБОТЫ УПЧ - 2 В СИСТЕМЕ OrCAD 9.1
|
| 5.1 Задачи моделирования
|
| 5.2 Расчет частотной характеристики
|
| 5.3 Анализ шумов
|
| 5.4 Статистический анализ по методу Монте-Карло
|
| 5.5 Анализ наихудшего случая (Worst case)
|
| 5.6 Анализ чувствительности выходного напряжения цепи постоянного тока к разбросам параметров
|
| 5.7 Температурный анализ
|
| 5.8 Анализ работ УПЧ – 2 при нестабильном питающем напряжении
|
| 5.9 Моделирование работы АРУ – 2
|
| РЕФЕРАТ
Пояснительная записка ......с., ..... рис., ..... табл., ..... источ., ..... прил.
ПРИЕМНИК, КВ, СВЯЗЬ, ИНФРАДИН, МОДЕЛИРОВАНИЕ, OrCAD.
Цель проекта – проектирование радиочастотного тракта инфрадинного приемника КВ диапазона. В процессе проектирования произведен выбор структурной схемы приемника. Выбраны в соответствии с результатами эскизного расчета и задания принципиальные схемы преселектора, УПЧ – 1, УПЧ – 2. Рассчитаны номиналы элементов схемы УПЧ – 2. Смоделирована работа схемы УПЧ – 2 в OrCAD 9.1.
В организационно – экономической части рассмотрена экономическая эффективность двух методов проектирования УПЧ - 2, входящего в состав проектируемого КВ приемника: «классический», с использованием системы автоматизированного проектирования OrCAD.
Проект выполнен с использованием программного обеспечения : Microsoft Word 2003, Компас 7+, PCAD 2001, OrCAD 9.1.
Забиваем Сайты В ТОП КУВАЛДОЙ - Уникальные возможности от SeoHammer
Каждая ссылка анализируется по трем пакетам оценки: SEO, Трафик и SMM.
SeoHammer делает продвижение сайта прозрачным и простым занятием.
Ссылки, вечные ссылки, статьи, упоминания, пресс-релизы - используйте по максимуму потенциал SeoHammer для продвижения вашего сайта.
Что умеет делать SeoHammer
— Продвижение в один клик, интеллектуальный подбор запросов, покупка самых лучших ссылок с высокой степенью качества у лучших бирж ссылок.
— Регулярная проверка качества ссылок по более чем 100 показателям и ежедневный пересчет показателей качества проекта.
— Все известные форматы ссылок: арендные ссылки, вечные ссылки, публикации (упоминания, мнения, отзывы, статьи, пресс-релизы).
— SeoHammer покажет, где рост или падение, а также запросы, на которые нужно обратить внимание.
SeoHammer еще предоставляет технологию Буст, она ускоряет продвижение в десятки раз,
а первые результаты появляются уже в течение первых 7 дней.
Зарегистрироваться и Начать продвижение
|
| |
|
|
|
|
2007 000 000 920 ПЗ
|
| |
|
|
|
|
| Изм
|
Лист
|
№докум.
|
Подп.
|
Дата
|
| Разраб.
|
|
|
|
Радиочастотный тракт инфрадинного приемника
Пояснительная записка
|
Лит.
|
Лист
|
Листов
|
| Пров.
|
Никитин Н.П.
|
|
|
|
|
|
2
|
|
| |
|
|
|
УГТУ – УПИ
кафедра РЭИС
РТ -
|
ПЕРЕЧЕНЬ СОКРАЩЕНИЙ
АМ – амплитудная модуляция
АРУ – автоматическая регулировка усиления
АЧХ – амплитудно-частотная характеристика
ВЦ – входная цепь
ВЧ – высокая частота
ГО – гражданская оборона
ГПД – генератор плавного диапазона
ЗК – зеркальный канал
КВ – короткие волны
ЛВЖ – легко воспламеняющиеся жидкости
ОЭ – общий эмиттер
ОИ – общий исток
ПЧ – промежуточная частота
ПЭВМ – персональная электронно - вычислительная машина
САПР – система автоматизированного проектирования
СДЯВ – сильно действующее ядовитое вещество
СК – соседний канал
СМ – смеситель
ТЗ – техническое задание
УПЧ – усилитель промежуточной частоты
УРЧ – усилитель радиочастоты
ФСС – фильтр сосредоточенной селекции
ЧС – чрезвычайные ситуации
ВВЕДЕНИЕ
За годы существования КВ радиосвязи (диапазон от 3 до 30 МГц) неоднократно высказывалось мнение, что другие средства связи превзойдут и даже вытеснят ее. Однако вопрос о ликвидации в обозримом будущем КВ связи не стоит практически ни в одной стране мира даже сейчас. Наоборот, последние годы характеризуются бурным развитием техники дальней связи, увеличением внимания к технической реконструкции КВ радиосвязи. Ряд недостатков радиосвязи в этом диапазоне объективно способствовали более быстрому развитию кабельных (в том числе и волоконно-оптических), радиорелейных и спутниковых систем связи. Тем не менее благодаря преимуществам этого вида связи перед другими, до настоящего времени не ослабевают ни внимание к нему со стороны организаторов связи и пользователей, ни усилия специалистов, направленные на ликвидацию или. по крайней мере. на уменьшение присущих ему недостатков. Основной причиной этого является правильная оценка КВ радиолиний как крайне важного резервного средства связи /2/.
Это определяется рядом свойств, которые делают КВ радиосвязь в определенных условиях незаменимой. Например, повреждение отдельных промежуточных станций радиорелейных линий при стихийных бедствиях или по другим причинам, а также выход из строя спутника могут привести к очень большим трудностям в общегосударственной сети связи или к полному нарушению ее функционирования на значительных участках территории.
Современная КВ радиосвязь находит широкое и разнообразное применение. В основном она обеспечивает следующие службы: магистральную, зоновую и местную радиосвязь, сеть радиовещания, службу стандартных частот, служебные линии для земных станций спутниковой связи, авиационную связь земля-воздух, морскую связь берег-судно, дипломатические службы, службы агентств новостей, службу радиосвязи железнодорожного транспорта, военную связь земля-воздух и берег-судно, межсудовую связь в
Сервис онлайн-записи на собственном Telegram-боте
Попробуйте сервис онлайн-записи VisitTime на основе вашего собственного Telegram-бота:
— Разгрузит мастера, специалиста или компанию;
— Позволит гибко управлять расписанием и загрузкой;
— Разошлет оповещения о новых услугах или акциях;
— Позволит принять оплату на карту/кошелек/счет;
— Позволит записываться на групповые и персональные посещения;
— Поможет получить от клиента отзывы о визите к вам;
— Включает в себя сервис чаевых.
Для новых пользователей первый месяц бесплатно.
Зарегистрироваться в сервисе
морском флоте, сеть радиосвязи Гидрометеослужбы, различные наземные подвижные радиослужбы, любительскую радиосвязь.
К преимуществам KB радиосвязи следует отнести оперативность установления прямой связи на большие расстояния, простоту организации радиосвязи с подвижными объектами, возможность обеспечения связи через большие труднодоступные пространства (зоны повышенного заражения. труднопроходимые водные и горные районы, лесные завалы), высокую мобильность средств KB радиосвязи, довольно простую восстанавливаемость связи в случае нарушения (в результате воздействия как случайных. так и преднамеренных помех) и низкую стоимость одного канала на километр дальности связи. Особое значение приобретает KB радиосвязь в чрезвычайных ситуациях - при организации и проведении аварийно-спасательных работ, координации действий, различных организаций и служб в районах стихийных бедствий (землетрясений, наводнений, крупных снежных и селевых лавин на промышленные и жилые районы) /15/.
Одновременно КВ связи присущи и такие недостатки, как резкое затухание сигнала на трассе радиосвязи. различный характер замирания сигнала, ограниченная ёмкость используемого диапазона частот. Качество связи существенно зависит также от времени суток, года и состояния ионосферы. Кроме того, системы KB радиосвязи характеризуются чувствительностью к случайным и преднамеренным помехам, а также высотным ядерным взрывам, малым отношением скорости передачи к занимаемой полосе частот, значительной доступностью для средств радиоразведки и одновременно малым отношением сигнал - помеха в точке приема. Пути устранения этих недостатков, в принципе, и определяют те направления, по которым в настоящее время ведется поиск мер по повышению эффективности KB радиосвязи. В зарубежной печати отмечается, что возрождение интереса к KB связи в настоящее время объясняется еще и установленной в ходе исследований уязвимостью в военное время спутниковых систем связи, получивших в 80-е годы весьма широкое распространение /15/.
Основная цель данного дипломного проекта – проектирование радиочастотного тракта инфрадинного радиоприемника. Достаточного высокие требования к некоторым характеристикам радиоприемного устройства делают необходимым заимствование методов, которые используются при проектировании профессиональных приемников КВ. В данном дипломном проекте будет применена система автоматизированного проектирования OrCAD для моделирования и анализа работы УПЧ – 2.
Век 21 – век катастроф техногенных, природных, террористических и, конечно же, противостояния этим катастрофам. Можно абсолютно точно сказать, что приемники КВ – диапазона являются частью комплекса мер по предупреждению катастроф. В условиях, когда работа других видов связи может быть парализована, КВ связь останется надежным инструментом обеспечивающим безопасность человека.
1 ВЫБОР И ОБОСНОВАНИЕ СТРУКТУРНОЙ СХЕМЫ ПРИЕМНИКА
Современные радиоприемники строятся по супергетеродинной схеме. Все супергетеродинные приемники состоят из трех основных частей: радиочастотного тракта, демодулятора и устройств регулирования. Радиочастотный тракт состоит из входной цепи, усилителя радиочастоты (может отсутствовать), смесителя, гетеродина, преобразователя частоты и усилителя промежуточной частоты. Для одновременного выполнения высокого требования к избирательности по зеркальному и соседнему каналам приема часто применяют супергетеродин с двойным преобразованием частоты.
Основой для выбора структурной схемы являются требования к стабильности частоты настройки, требования к уровню шумов гетеродина, сложности регулировок, себестоимости и др. При выборе структурной схемы следует учитывать, что нестабильность настройки приемника и, следовательно, частотная точность радиолиний определяется в основном гетеродином /7/.
Рассмотрим основные типы супергетеродинных приемников с двойным преобразование частоты:
а) Супергетеродин с плавным многодиапазонным первым гетеродином

Рисунок 1.1 - Структурная схема приемника с плавным многодиапазонным первым гетеродином
Перестройка первого гетеродина плавная в пределах каждого поддиапазона. При переходе с одного поддиапазона к другому скачком переключаются контура тракта радиочастоты и гетеродина. Переключение контура гетеродина по поддиапазонам, наличие контактов обусловливает невысокую стабильность частоты гетеродинирующего напряжения. Относительная нестабильность частоты многодиапазонного гетеродина составляет величину порядка 10-3
– 10-4
, причем лучшая граница стабильности достигается только в случае использования специальных мер параметрической стабилизации, герметизации контура гетеродина и стабилизации питания гетеродина. Сравнительно низкая стабильность частоты настройки указанной схемы предопределяет ее использование только в простейших профессиональных приемниках. Диапазон рабочих частот обычно разбивается на поддиапазоны простейшим способом - равных коэффициентов перекрытия. Для некоторого повышения стабильности гетеродина целесообразно по принципу равных коэффициентов перекрытия разбивать диапазон перестройки гетеродина. В этом случае контур гетеродина упрощается, а его стабильность повышается, так как элементы сопряжения включаются не в контур гетеродина, а в контуры преселектора.
б) Супергетеродин с плавным однодиапозонным первым гетеродином и умножителем частоты

Рисунок 1.2 - Структурная схема приемника с плавным однодиапозонным первым гетеродином и умножителем частоты
Основной особенностью схемы является применение однодиапозонного, непереключаемого первого гетеродина, в качестве которого использован генератор плавного диапазона ГПД.
Гармоники этого генератора используются в качестве гетеродинирующих частот в различных поддиапазонах. Для образования необходимых частот гетеродина по поддиапазонам используется также верхняя и нижняя настройки гетеродина. Выделение необходимой гармоники осуществляется каскадом умножителя частоты (УМИ).
Одновременно этот каскад является буфером, уменьшающим взаимное влияние между гетеродином и смесителем. Так как гетеродин не переключается и имеет минимально возможное число деталей и контактов, то стабильность его частоты существенно улучшается. Второй гетеродин собирается на кварце, вследствие чего нестабильность его частоты несущественно будет влиять на стабильность настройки приемника.
В рассматриваемой схеме приемника вся его нестабильность в основном определяется нестабильностью частоты первого гетеродина. Для повышения стабильности его частоты наряду с главной мерой - применением непереключаемой по поддиапазонам схемы - используются все рассмотренные для предыдущей схемы методы параметрической стабилизации частоты, стабилизации питания гетеродина, герметизация, повышение прочности конструкции и т. д. Предусматривается также возможность коррекции частоты первого гетеродина с помощью кварцевого калибратора.
Относительная нестабильность частоты однодиапозонного гетеродина с непереключаемым по поддиапазонам контуром примерно на порядок лучше многодиапазонного гетеродина и составляет 10-4
- 10-5
, причем лучшее значение стабильности достигается при использовании всех вышеперечисленных мер стабилизации. Разбивка диапазона рабочих частот на поддиапазоны в рассматриваемой схеме является частным случаем разбивки по равным коэффициентам перекрытия (по равным коэффициентам перекрытия разбивается диапазон гетеродина). По рассматриваемой схеме строятся профессиональные приемники классов III и II.
в) Супергетеродин с плавным однодиапозонным первым гетеродином и генератором подставок

Рисунок 1.3 - Структурная схема приемника с плавным однодиапозонным первым гетеродином и генератором подставок
В этой схеме в оптимальном участке с точки зрения стабильности частоты выбирается диапазон специального плавного генератора (
ГПД).
Этот диапазон берется равным интервалу частот в поддиапазонах, на которые разбивается диапазон принимаемых частот. Затем в специальном смесителе СМ с помощью дискретных частот, поступающих от кварцованного генератора подставок, диапазон ГПД переносится в необходимый поддиапазон изменения гетеродинирующей частоты. В приемниках этого типа при разбивке диапазона на равные частотные интервалы первая промежуточная частота постоянна во всех поддиапазонах.
В рассматриваемой схеме нестабильность настройки определяется нестабильностью ГПД.
Все остальные генераторы могут быть сделаны кварцованными. Так как ГПД - однодиапозонный, непереключаемый, то стабильность его частоты может быть сделана достаточно высокой. При выборе оптимального диапазона перестройки, малого коэффициента перекрытия, при
использовании всех применяемых мер стабилизации возможно получение стабильности ГПД порядка 10-5
.
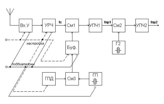
г) Супергетеродин с кварцованным первым и плавным вторым гетеродинами

а)

б)
Рисунок 1.4 - Структурные схемы приемников с кварцованными первыми и плавными вторыми гетеродинами
Основной особенностью схем супергетеродинов, является постоянство частоты первого гетеродина в пределах каждого поддиапазона. Вследствие этого первый гетеродин, вносящий в обычных схемах наибольшую нестабильность, в рассматриваемой схеме может быть кварцованным. Возможны два варианта реализации схемы кварцованного первого гетеродина:
а) рисунок 1.4 а - схема многокварцевой стабилизации, когда в каждом поддиапазоне подключается свой кварц, а схема гетеродина коммутируется, что ухудшает ее стабильность.
б) рисунок 1.4 б - схема однокварцевой стабилизации, когда имеется один опорный кварцевый генератор (ОКГ),
а необходимые для каждого поддиапазона частоты получаются путем умножения и деления частоты опорного кварцевого генератора.
Если в первой схеме с переключаемыми кварцами может быть реализована стабильность порядка 10-5
, то во второй схеме с непереключаемой схемой гетеродина возможно получение стабильности порядка 10-6
, а при термостатировании - даже более высокой.
В рассматриваемых схемах при перестройке преселектора в пределах некоторого поддиапазона, так как частота первого гетеродина постоянна, то оказывается переменной первая промежуточная частота. Целесообразно, чтобы при перестройке приемника в любом поддиапазоне первая промежуточная частота изменялась в одном и том же интервале. С этой целью осуществляется перенос одинаковых по ширине участков диапазона принимаемого сигнала в один и тот же участок изменения 1-й промежуточной частоты. Это осуществляется выбором дискретных значений частот первого гетеродина. Этим самым при первом преобразовании многодиапазонный приемник превращается в однодиапозонный. В последующем; чтобы сделать промежуточную частоту постоянной и на ней реализовать основные усиление и избирательность, вводится второе преобразование частоты. Второй гетеродин делается перестраиваемым.
Таким образом, второй гетеродин может быть однодиапозонным, непереключаемым. Стабильность частоты этого гетеродина может быть достаточно высокой.
В рассматриваемых схемах, так как первый гетеродин кварцован, практически вся нестабильность настройки приемника определяется нестабильностью частоты второго гетеродина. Поэтому в схеме этого гетеродина, кроме указанной возможности использовать непереключаемую схему, применяется весь комплекс методов стабилизации частоты плавного второго гетеродина. |В этом случае возможно получение стабильности порядка 10-5
. Из предыдущего следует, что в рассматриваемых схемах разбивка диапазона рабочих частот на поддиапазоны производится по способу равных частотных интервалов. По этим схемам строятся профессиональные приемники класса II.
В супергетеродинных приемниках используются различные варианты преобразований частоты:
а) с переносом спектра принимаемого сигнала как ниже минимальной, так и выше максимальной частоты диапазона приемника;
б) суммарное или разностное преобразование частоты;
в) разностное преобразование при верхней или нижней настройке гетеродина.
Каждое из этих видов преобразований имеет свои преимущества и недостатки /7/.
Перенос спектра ниже минимальной частоты диапазона резко упрощает схему приемника, так как при этом уменьшается количество преобразований частоты, облегчается получение в каскадах, стоящих после преобразователя, высоких коэффициентов усиления и высокой избирательности. Однако при этом более трудно получить сильное подавление побочных каналов приема по зеркальной и промежуточной частотам.
Перенос спектра выше максимальной частоты диапазона дает возможность резко увеличить подавление побочных каналов приема, а также уменьшить число комбинационных каналов в диапазоне рабочих частот.
Суммарное преобразование, используемое при переносе спектра принимаемого сигнала выше максимальной частоты диапазона приемника, обладает тем положительным свойством, что частота первого гетеродина может быть взята относительно низкой. Вместе с тем этому виду преобразования свойственны серьезные недостатки - увеличение числа комбинационных каналов приема в диапазоне рабочих частот, а также усложнение схемы перестройки, так как для сохранения постоянства промежуточной частоты настройки преселектора и гетеродина должны изменяться в разные стороны.
Разностное преобразование должно реализовываться с учетом следующего. При использовании нижней настройки гетеродина спектр принимаемого сигнала после преобразователя не инвертируется. При верхней настройке гетеродина происходит инверсия боковых спектров, что необходимо учитывать при последующей их обработке, в особенности при приеме сигналов с несимметричным спектром, например однополосных. В случае верхней настройки гетеродина целесообразно осуществлять перенос спектра сигнала «вверх», на нижней - «вниз». Причем, чем выше взята ПЧ1 в первом случае и чем ниже во втором, тем меньше комбинационных каналов попадет в диапазон рабочих частот приемника.
Двойное преобразование частоты применяется как способ разрешения противоречия между требованиями подавления помехи по зеркальному каналу и высокой избирательности по соседнему каналу. Первое условие предполагает выбор возможно более высокой первой промежуточной частоты, второе - возможно более низкой второй промежуточной частоты /4/.
В результате анализа приведенных выше схем приемников и условий ТЗ принято решение проектировать коротковолновый приемник по схеме супергетеродина с двойным преобразованием частоты.
Кроме того, первое преобразование частоты осуществляется «вверх», т.е. первая промежуточная частота будет выше диапазона принимаемых частот. Такие приемники называются инфрадином. При данном преобразовании будет возможно обеспечить высокую избирательность по зеркальному каналу. Если у супергетеродинных приемников, выполненных по принципу однократного преобразования частоты «вниз» на ПЧ - 465 кГц избирательность по зеркальному каналу в диапазоне КВ не превышает 28 - 34 дБ, в приемниках с преобразованием "вверх" этот параметр составляет величину порядка 80 дБ и выше. Кроме того, избирательность по соседнему каналу приема, которую в обычных супергетеродинных приемниках не удается сделать лучше 42 дБ, при использовании принципа преобразования «вверх», достигает уровня 70 дБ.
Используется структурная схема приемника с плавным многодиапазонным первым гетеродином и кварцованным вторым гетеродином. Нестабильность частоты данной схемы, как было отмечено выше, определяется нестабильностью частоты первого перестраевомого гетеродина, поэтому приняты меры для уменьшения величины нестабильности.
При работе в КВ диапазоне необходимо учесть некоторые особенности распространения радиоволн, а именно так называемое “замирание” сигнала в точке приема - “феддинг” /5/. Это явление выражается в том, что амплитуда сигнала, развиваемая радиостанцией в антенне приемника, на протяжении нескольких десятков секунд, может измениться в сотни раз. Динамический диапазон полезного сигнала на входе радиоприемного устройства достигает 80 – 120 дБ. Данное обстоятельство определяет жесткие требования к работе АРУ. Для увеличения эффективности АРУ используется двухпетлевая схема АРУ. Первая петля АРУ охватывает часть преселектора и преобразователь частоты – 1. Цепь АРУ-1 является защитой от разнообразных помех, которые возникают еще до первого преобразователя частоты и могут привести к интермодуляционным искажениям. Кроме того, перегрузка УРЧ опасна еще и тем, что может возникнуть эффект блокирования.
Вторая петля АРУ -2 охватывает УПЧ – 2 и предназначена для исключения перегрузки УНЧ, а, следовательно, искажение звукового сигнала, в случае резкого возрастания уровня сигнала ПЧ на выходе УПЧ приемника.

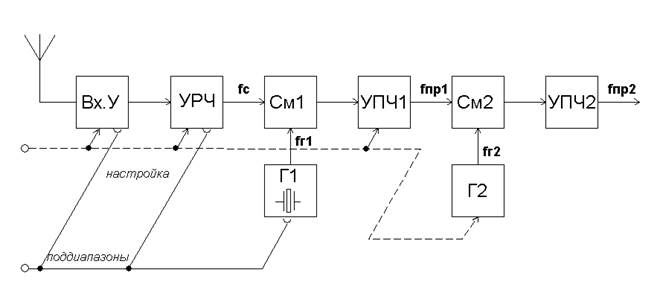
Рисунок 1.5 - Структурная схема КВ приемника
Сигнал от антенны А1 через фильтр Z1 входной цепи, далее через высокочастотный аттенюатор R поступает на вход усилителя А1. А1 широкополосный, охватывающий весь диапазон, высоколинейный, неперестраиваемый и малошумящий. После усиления поступает на первый смеситель V1.
Фильтр Z1 представляет собой неперестраиваемую систему контуров, с помощью которой осуществляется предварительная селекция сигналов в пределах выбранного диапазона волн. Полоса пропускания фильтра равна ширине поддиапазона. При смене поддиапазона меняется фильтр.
Первое преобразование частоты осуществляется «вверх». G1 - генератор плавного диапазона обеспечивает настройку приемника на частоту сигнала выбранной станции. Первая промежуточная частота выделяется кварцевым селективным фильтром Z2 из спектра частот. Далее сигнал поступает на вход усилителя А2, нагрузкой которого является второй преобразователь частоты V2. Второй гетеродин G2 - неперестраиваемый и высоко стабильный, кварцованный. Сигнал второй промежуточной частоты через селективный фильтр Z3 поступает на вход усилителя А3, после чего на вход амплитудного детектора АД3. Низкочастотный сигнал усиливается усилителем низких частот А4, нагрузкой которого является динамик. Как отмечалось выше, используется двухпетлевая схема АРУ. АРУ - 1 охватывает часть преселектора и преобразователь частоты – 1. Вторая петля АРУ -2 охватывает УПЧ – 2.
2 ЭСКИЗНОЕ ПРОЕКТИРОВАНИЕ
2.1 Выбор промежуточных частот
От выбора ПЧ зависит целый ряд показателей приемника, сложность системы стабилизации частот и селективных цепей и т. д. При выборе ПЧ в первую очередь руководствуются следующими соображениями: номинальное значение промежуточной частоты должно находиться вне диапазона рабочих частот приемника и отстоять как можно дальше от его границ, увеличение расстояния по частоте от границ диапазона увеличивает ослабление чувствительности по каналу промежуточной частоты; она (ПЧ) не должна совпадать с частотами мощных радиовещательных станций; для обеспечения более высокой селективности по зеркальному каналу ПЧ должна быть по возможности выше, а для обеспечения высокой селективности по соседнему каналу - как можно ниже /3/.
Кроме того, промежуточная частота должна выбираться, возможно, более высокой, так как чем выше fпч
, тем:
а) лучше фильтрация сигналов ПЧ на выходе схемы детектора;
в) меньше влияние шумов гетеродина на чувствительность приемника;
г) более устойчиво работает система автоматической подстройки частоты.
д) при высокой ПЧ уменьшается масса и габариты селективных цепей.
С другой стороны, промежуточная частота должна выбираться, возможно, более низкой, так как чем ниже fпч
, тем:
а) более высокое устойчивое усиление можно получить на один каскад;
б) меньше зависимость усиления и полосы пропускания от разброса и изменения параметров ламп и транзисторов;
в) меньший коэффициент шума можно реализовать в каскадах усиления промежуточной частоты .
Выбор высокой ПЧ затрудняет сопряжение настройки контуров гетеродина и преселектора, повышает уровень собственных шумов гетеродина /7/.
По возможности следует выбирать стандартизованные значения основных промежуточных частот, в соответствии с которыми создаются типовые блоки и необходимая измерительная аппаратура.
Выберем верхнюю настройку гетеродина G1 и стандартную первую промежуточную частоту (ПЧ1) 55.5 МГц. Вторую промежуточную частоту (ПЧ2) выберем ниже крайней частоты диапазона принимаемых приемником частот. На ней происходит основное усиление сигнала. Вторая ПЧ варьируется в пределах от 0,1 до 1,6 МГц /3/. При выборе ПЧ2 нужно обращать внимание на следующее явление: в приемниках с двойным преобразованием частоты образуется специфический побочный канал приема – второй зеркальный канал на частоте . Данный канал после первого преобразования примет следующее значение частоты: . Применим нижнюю настройку гетеродина G2 относительно первой промежуточной частоты. Второй гетеродин кварцован. Выберем значение второй промежуточной частоты – 1.455 МГц. Уменьшение ПЧ2 ухудшает избирательность по второму зеркальному каналу, но улучшает избирательность по каналу прямого прохождения. Увеличение ПЧ2 наоборот, ухудшает избирательность по каналу прямого прохождения и улучшает избирательность по второму зеркальному каналу.

Рисунок 2.1 Спектр частот инфрадинного приемника
2.2 Определение числа поддиапазонов
Согласно условию ТЗ радиоприемник должен работать в диапазоне частот: 5 МГц – 30 МГц. Чтобы узнать, необходимо ли разбивать диапазон приемника на поддиапазоны нужно подсчитать коэффициент перекрытия диапазона:
, (2.1)
где fmax
- максимальная частота диапазона, МГц;
fmin
- минимальная частота диапазона, МГц.

Разбивка на поддиапазоны производится, если Кn > 3. Очевидно, что необходимо разбивать диапазон.
Для того чтобы приемник мог принимать сигналы от станций, имеющих различные частоты, он должен иметь перестраиваемую резонансную систему для настройки на эти частоты. Но перестраиваемые резонансные системы во входных цепях малоэффективны, поэтому применим полосовые фильтры. Каждый поддиапазон будет сформирован на основе своего полосового фильтра.
Разобьем диапазон на так называемые полурастянутые поддиапазоны.
Таблица 2.1 - Частоты полурастянутых поддиапазонов
| № поддиапазона
|
Частота, МГц
|
| 1
|
7.0 – 5.0
|
| 2
|
9.0 – 7.0
|
| 3
|
12.0 – 9.0
|
| 4
|
15.0 – 12.0
|
| 5
|
18.0 – 15.0
|
| 6
|
22.0 – 18.0
|
| 7
|
25.0 – 22.0
|
| 8
|
30.0 – 25.0
|
2.3 Расчет сквозной полосы пропускания радиоприемника
Полоса пропускания высокочастотного тракта приемника П определяется шириной спектра сигналов и нестабильностью частот настройки узлов приемопередающего тракта .
, (2.2)
где
П – сквозная полоса пропускания приемника, Гц
- ширина спектра сигналов, Гц
- нестабильность частот настройки узлов приемопередающего тракта, Гц
Полоса сигнала определяется видом сигнала и характером его модуляции. Согласно условию ТЗ сигнал имеет амплитудную модуляцию, полоса пропускания приемника – 9 кГц. Так как применяются высокостабильные по частоте гетеродины, то нестабильность можно не учитывать /3/. Окончательно получим:
П = 9000 Гц.
2.4 Определение структуры преселектора по требованиям к избирательности по зеркальным каналам и каналам прямого прохождения
Избирательная система преселектора должна обеспечивать заданную избирательность по побочным каналам первого преобразования частоты и частично избирательность по побочным каналам второго преобразования частоты /3/, /7/. Если требования по данным видам селективности не будут выполнены в преселекторе, то осуществить ее эффективно в последующих каскадах приемника будет практически невозможно.
Проведем расчет избирательности по ЗК1 на максимальной частоте рабочего диапазона приемника – 30 МГц, так как на максимальной частоте диапазона избирательность по ЗК1 будет наименьшей. Зададимся добротностью контуров преселектора. Добротность контуров преселектора в рабочем диапазоне примем равной 80.
Селективность одиночного контура рассчитывается следующей формуле:
, (2.3)
где
f0 – частота настройки преселектора, Гц;
f – частота побочного канала приема, Гц;
Qэ – эквивалентная добротность контура;
sок
– избирательность одиночного контура.
Так как настройка первого гетеродина G1 верхняя, то частота первого зеркального канала ЗК1 вычисляется по формуле:
(2.4)
МГц

При использовании трехконтурного ФСИ (фильтр сосредоточенной избирательности) избирательность по ЗК1 будет определяться по формуле:
(2.5)
(153.3 дБ)
Проведем расчет избирательности по ЗК2 на минимальной частоте рабочего диапазона приемника – 5 МГц, так как на минимальной частоте диапазона избирательность по ЗК2 будет наименьшей. Значение частоты ЗК2 определяется выражением:
, (2.6)
где fc
- частота настройки преселектора, Гц;
fпр2
– вторая промежуточная частота, Гц.
МГц
Определим избирательность одиночного контура по формуле (2.3):

При использовании трехконтурного ФСИ избирательность по ЗК2 будет определяться по формуле (2.5):
(132 дБ)
Проведем расчет избирательности по каналу прямого прохождения для ПЧ1. Определим избирательность одиночного контура по формуле (2.3):

При использовании трехконтурного ФСИ избирательность по каналу прямого прохождения для ПЧ1 будет определяться по формуле (2.5):
(122 дБ)
Проведем расчет избирательности по каналу прямого прохождения для ПЧ2. Определим избирательность одиночного контура по формуле (2.3):

При использовании трехконтурного ФСИ избирательность по каналу прямого прохождения для ПЧ2 будет определяться по формуле (2.5):
(144 дБ)
2.5 Определение избирательной системы тракта промежуточной частоты
Избирательная система тракта промежуточной частоты определяет его полосу пропускания и избирательность по соседним каналам приема /3/, /7/. Два основных способа обеспечения заданной избирательности - используется либо распределенная по каскадам селекция, либо ставится ФСС - фильтр сосредоточенной селекции. Применим ФСС как наиболее рациональный способ получения заданной избирательности.
Согласно условию ТЗ общая избирательность линейного тракта по соседним каналам приема должна быть не хуже 40 дБ. В тракте ПЧ1 используется селективная система на основе кварцевого фильтра ФП2П-4-1-В. Справочные параметры фильтра позволяют утверждать, что затухание в полосе задержания будет 60 дБ. Таким образом, применение данного ФСС в полном объеме обеспечит ослабление соседних каналов. Приведем справочные параметры фильтра типа ФП2П-4-1-В:
Таблица 2.2 – Справочные параметры фильтра ФП2П-4-1-В
| Номинальная частота, МГц
|
55,5
|
| Ширина полосы пропускания по уровню 3 дБ, кГц
|
16
|
| Относительное затухание в полосе задерживания, дБ
|
60
|
| Затухание вносимое, дБ
|
0,2
|
| Входное сопротивление, кОм
|
2
|
| Выходное сопротивление, кОм
|
2
|
| Емкость нагрузки, пФ
|
50
|
2.6 Выбор первых каскадов приемника
Первые каскады приемника в значительной степени определяют его чувствительность. Для обеспечения высокой чувствительности требуется, как правило, применение каскада УРЧ после ВЦ, кроме того, полосовые фильтры вносят достаточный уровень затухания, который необходимо компенсировать. Выберем для применения в УРЧ высокочастотный малошумящий транзистор КТ399А. Приведем электрические параметры этого транзистора:
Статический коэффициент передачи тока в схеме ОЭ, h21Э
– 140;
Граничная частота, fГР
– 2.6 ГГц;
Постоянная времени цепи обратной связи, tОС
– 6 пс;
Минимальный коэффициент шума, NТР
– 1.5 дБ;
Емкость коллекторного перехода, СК
– 1.7 пФ.
Реальная чувствительность приемника оценивается его коэффициентом шума N, и в основном определяется коэффициентом шума его первых каскадов /3/. Проведем расчет коэффициента шума приемника при использовании УРЧ по формуле:
, (2.7)
где
NУРЧ
– коэффициент шума УРЧ, приблизительно равный ;
NТР
– паспортное значение коэффициента шума транзистора (используется безразмерная величина) = 1.58;
КР ВЦ
- коэффициент передачи мощности входной цепи;
КР УРЧ
– коэффициент передачи мощности УРЧ;
NСМ
– коэффициент шума смесителя;
КР ВЦ
– примем равным 0.8;
КР УРЧ
– рассчитываем по формуле:
, (2.8)
где
Y21Э
– прямая проводимость в схеме с ОЭ, См;
Y12Э
– обратная проводимость в схеме с ОЭ, См.
Расчет Y – параметров проведем для максимальной частоты рабочего диапазона – 30 МГц.
Рассчитаем Y21Э
по формуле:
, (2.9)
где
, (2.10)
где fC
– частота сигнала, Гц.
, (2.11)
где rБ
– справочный параметр;
h11Б
– коэффициент передачи по току в схеме с ОБ.
, (2.12)
где rЭ
– справочный параметр.

Гц

См
Рассчитаем Y12Э
по формуле:
(2.13)
См
(27.75 дБ)
(12.5 дБ)
Полученную величину коэффициента шума необходимо сравнить с допустимым коэффициентом шума, обеспечивающим заданную чувствительность .
, (2.14)
где Nдоп
– допустимый коэффициент шума;
Еа – заданная чувствительность, мкВ;
k = 1.38 10-23
Дж/К – постоянная Больцмана;
Т0
= 290 К – стандартная температура;
Пш
= 1.1·П Гц– эффективная шумовая полоса;
Rа = 75 Ом – активное сопротивление антенны;
γ = 10 (10) Дб– минимально-допустимое отношение сигнал/шум на выходе приемника.

Очевидно, что полученный при расчете коэффициента шума меньше допустимого коэффициента, следовательно, заданная ТЗ чувствительность обеспечивается.
2.7 Распределение усиления между трактами радиоприемника
Распределение усиления в приемнике определяется двумя противоречивыми условиями /7/:
а) с одной стороны, следует стремиться к увеличению усиления во входных цепях и каскадах приемника, так как чем больше коэффициент усиления по мощности первого и следующих за ним каскадов, тем меньше общий коэффициент шума приемника и лучше его чувствительность;
б) с другой стороны, усиление во входных каскадах приемника с точки зрения многосигнальной избирательности должно быть небольшим, чтобы амплитуда сигнала не превышала диапазона линейности каскадов УРЧ, первого преобразователя и т. д.
Общее усиление по напряжению ВЧ тракта приёмника определяется напряжением на входе детектора Uвх
д, из обеспечения режима линейного детектирования, и заданной чувствительностью приемника Еа. Обычно оно принимается с двух или трех кратным запасом и определяется следующим выражением /3/, /1/:
, (2.15)
где
Uвх
д – напряжение на входе детектора, необходимое для нормальной работы амплитудного детектора;
ЕА
– заданная чувствительность.
Для приемников АМ – сигналов на входе детектора необходимо обеспечить Uвх
д = 0.2..0.5В.
(100 дБ)
Для линейной работы первого смесителя по входному сигналу необходимо обеспечить напряжение на входе Uвхсм
<100..200 мкВ /5/. Тогда коэффициент передачи преселектора:
, (2.16)
где
Uвхсм
- напряжение на входе смесителя;
КВЦ
– коэффициент передачи входной цепи;
КУРЧ
– коэффициент передачи УРЧ.
(23.0 дБ)
Коэффициент передачи первого и второго смесителя (предполагается использовать кольцевые смесители на диодах), обычно имеет величину порядка 0,1 – 0,2. Зададимся коэффициентом передачи первого и второго смесителя:
Ксм
1 = Ксм
2 = 0.2 (-7 дБ)
Коэффициент усиления каскада первой промежуточной частоты Купч1
выбирают в пределах 10 – 15 /6/, зададимся значением Купч1
= 10 (20 дБ).
Распределим усиление по остальным каскадам приемника.
ФСС1 (ФП2П-4-1-В) в тракте первого УПЧ дает затухание – 0.2 ( - 7 дБ)
ФСС2 (ФП2П-6-524) в тракте второго УПЧ дает затухание - 0.4 ( - 4 дБ)
Коэффициент усиления тракта радиочастоты рассчитывается по формуле:
К0
= Квц
* Курч
* Ксм1
* Кфсс1
* Купч1
* Ксм2
* Кфсс2
* Купч2
(2.17)
Определим величину усиления которую необходимо получить от УПЧ2
Купч2
= К0
/ Квц
* Курч
* Ксм1
* Кфсс1
* Купч1
* Ксм2
* Кфсс2
(2.18)
Проведем расчет усиления УПЧ2 в дБ, тогда формула (2.18) примет вид:
Купч2
= К0
– (Квц
+ Курч
+ Ксм1
+ Кфсс1
+ Купч1
+ Ксм2
+ Кфсс2
) (2.19)
Купч2
= 100 – ((-2) + 27 + (-7) + (-7) + 20 + (-7) + (-4)) = 80 дБ
Построим диаграмму уровней сигналов и шумов на входе и выходе каскадов приемника.
  Рисунок 2.2 - Диаграмма уровней сигнала и шума по каскадам в тракте радиоприемника: 1 – для минимальной входной мощности, 2 - уровень шума
2.8 Оценка динамического диапазона приемника
Динамический диапазон (ДД) приемника ограничен снизу шумами приемника, сверху – пределами линейной части характеристик его каскадов. Строгий расчет динамического диапазона очень сложная работа, в данном проекте будет проведена его оценка по упрощенной методике /3/.
Первыми каскадами приемника являются УРЧ на биполярном транзисторе и кольцевой смеситель на диодах. Далее следует ФСС. Динамический диапазон приемника определяется динамическим диапазоном того каскада, стоящего до ФСС, у которого этот диапазон минимален.
Исходные параметры для расчета ДД:
УРЧ обладает следующими параметрами:
NУРЧ
= 3.16 (5 дБ);
GУРЧ
= 24.4 (13.9 дБ);
АВЫХ УРЧ
= 8 дБм.
СМ (кольцевой смеситель на диодах) обладает следующими параметрами:
NСМ
= 4 (6 дБ);
GСМ
= 0.2 (-7 дБ);
АВЫХ СМ
= 15 дБм.
АВХ СМ
= АВЫХ СМ
- GСМ
= 15 + 7 = 22 дБ
Получим АВЫХ УРЧ
= 8 дБм < АВХ СМ
= 22 дБ
При расчете приемника его каскады должны быть согласованы по максимальному допустимому уровню входных и выходных сигналов. Значение А
ВЫХ
первого каскада должно быть больше или равно значению А
ВХ
второго каскада /5/.
Совместный коэффициент шума УРЧ и смесителя определим по формуле:
(2.20)
(5.16 дБ)
Мощность шума, приведенная к входу приемника, рассчитывается по формуле:
, (2.21)
где
П – отношение полосы пропускания приемника к полосе 1 Гц;
N – безразмерный коэффициент шума преселектора.
дБ
Рассчитаем уровень полезного сигнала на входе приемника по формуле:
А
ВХ
= А
ВХ. СМ
– G
УРЧ
(2.22)
А
ВХ
= АВЫХ УРЧ
– G
УРЧ
= 8 дБм – 13.9 дБм = – 5.9 дБм.
Рассчитаем динамический диапазон по формуле:
(2.23)
дБ
Таким образом, значение динамического диапазона по соседнему каналу равно 82.3 дБ.
3 РАЗРАБОТКА ПРИНЦИПИАЛЬНОЙ СХЕМЫ
3.1 Входное устройство
На этапе эскизного проектирования было принято решение о применении полосовых фильтров во входной цепи радиоприемного устройства. Система из восьми полосовых неперестраевыемых фильтров обеспечит работу радиоприемника во всем заданном диапазоне частот. Диапазон частот от 5 до 30 МГц будет разбит на 8 полурастянутых поддиапазонов. На рисунке 3.1 изображен неперестраевыемый полосовой фильтр.

Рисунок 3.1 - Схема электрическая полосового фильтра
Восемь таких полосовых фильтров объединены в систему. Ее работой управляет селектор каналов приема. Сигнал частоты, на которой осуществляется прием и которая может быть любой в интервале от 5 до 30 МГц, от антенны поступает на вход селектора каналов приема. Этот селектор каналов обеспечивает определенные полосы пропускания, соответствующие приведенным в таблице 1.1 полурастянутым поддиапазонам.
Применение данного схемного решения исключает использование малоэффективных перестраиваемых резонансных систем во входных цепях, а так же снижает время настройки приемника /6/. Катушки, используемые в контурах двухпроводные, а, следовательно, просты в исполнении.
Коммутацию КВ - поддиапазонов предполагается осуществлять с помощью миниатюрных реле.
С выхода селектора каналов сигнал поступает на вход ВЧ – аттенюатора, реализованного на р - i – n - диоде. Который, в том случае, если амплитудное значение высокочастотного сигнала невелико, находится в состоянии максимальной высокочастотной проводимости. Следовательно, проходящий через него высокочастотный сигнал, практически, не ослабевает. Применение аттенюатора на р - i – n - диоде позволяет плавно регулировать величину сигнала. А значит, такой ВЧ – аттенюатор хорошо поддается непрерывному регулированию /36/.
С выхода аттенюатора сигнал поступает на фильтр нижних частот, пропускающий полосу частот до ПЧ1 – 55.5 МГц.
3.2 Усилитель радиочастоты
Усилители сигнальной частоты должны обеспечивать: 1) устойчивое усиление в рабочем диапазоне частот; 2) изменение коэффициента усиления в допустимых пределах в условиях нормальной эксплуатации; 3) требуемый динамический диапазон принимаемых сигналов; 4) минимальные линейные и нелинейные искажения сигнала; 5) необходимую полосу пропускания; 6) односигнальную и многосигнальную избирательность к помехам; 7) минимально возможный коэффициент шума /7/.
В УРЧ в области умеренно высоких частот наибольшее распространение получили схемы с общим эмиттером (для БТ), как позволяющие получить наибольшее усиление по мощности. В схемах УРЧ используются малошумящие БТ. В проектируемом приемнике используется широкополосный высоколинейный УРЧ на широкополосных трансформаторных линиях (ШПТЛ). Полоса пропускания такого УРЧ линейна до частоты 35 МГц, после чего его АЧХ имеет плавно спадающий характер /6/.
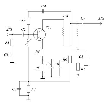
В основе УРЧ однокаскадный усилитель по схеме с ОЭ на биполярном транзисторе, в качестве нагрузки используется широкополосная трансформаторная линия. В схеме применена эмиттерная стабилизация рабочей точки. На рисунке 3.2 приведена схема УРЧ.

Рисунок 3.2 - Схема электрическая УРЧ
В схеме используется отрицательная обратная связь по переменному току. АЧХ данного широкополосного усилителя будет линейна и должна охватывать весь диапазон принимаемых частот. Усилители этого типа отличаются исключительно высокой стабильностью электрических параметров, низким уровнем шума /36/. Кроме того, данное решение упростит схему радиоприемника.
3.3 Усилитель первой промежуточной частоты УПЧ - 1
К усилителям первой промежуточной частоты обычно предъявляют высокие требования по линейности, обеспечению малого уровня собственных шумов. Кроме того, так как первое преобразование в проектируемом приемнике осуществляется «вверх», т.е. высокая ПЧ1, необходимо чтобы усилительный прибор был высокочастотным. Теоретики немецкой фирмы Роде и Шварц определили, что коэффициент усиления первой ПЧ не должен превышать 20 дБ или 10 раз по напряжению /36/. Такой оптимальный коэффициент усиления можно получить используя однокаскадный УПЧ1.
В качестве усилительного элемента используем полевой транзистор с двумя изолированными затворами. Данный тип транзисторов имеет значительно более высокое эквивалентное сопротивление в сравнении с биполярными транзисторами и обычными полевыми, что позволяет включать непосредственно в стоковую цепь резонансные системы /6/. При этом, не шунтируя их, то есть, сохраняя узкую полосу. Так же двухзатворные транзисторы обладают небольшим уровнем шума. Таким образом, данный тип транзистора является оптимальным для выскоимпедансного резонансного усиления.
Сигнал с выхода ФСС1 подается на первый затвор, на второй затвор подано фиксированное постоянное напряжение. Такой способ обеспечит более линейную регулировочную характеристику при меньших искажениях сигнала, чем, если бы сигнал был подан на второй затвор. В стоковую цепь транзистора включен одиночный параллельный колебательный контур, настроенный на первую промежуточную частоту – 55.5 МГц. Сигнал с частотой ПЧ2 через разделительный конденсатор поступает на второй смеситель.

Рисунок 3.3 - Схема электрическая УПЧ - 1
3.4 Усилитель второй промежуточной частоты УПЧ - 2
На этапе эскизного проектирование было определено, что УПЧ - 2 должен обеспечить усиление в 80 дБ (см. раздел 2.7). То есть, УПЧ - 2 должен обеспечить основное усиление сигнала в радиоприемнике. В качестве усилительного элемента используем полевой транзистор с двумя изолированными затворами. При выборе схемы УПЧ - 1 были описаны достоинства двухзатворных транзисторов. Усиление в 80 дБ невозможно получить от одного каскада. Таким образом, УПЧ – 2 многокаскадный, все каскады одинаковы. В стоковую цепь транзистора включен одиночный параллельный колебательный контур, настроенный на вторую промежуточную частоту – 1.455 МГц.
3.4.1 Расчет схемы электрической принципиальной УПЧ - 2
Выберем в качестве усилительного прибора кремниевый полевой транзистор с двумя изолированными затворами и каналом n – типа - BF998, выпускаемый фирмой Philips. Отечественная промышленность так же выпускает подобные усилительные приборы, но так как в данном проекте предполагается моделирование работы УПЧ - 2 на основе PSpice моделей то, соответственно, требуются и PSpice модели усилительных приборов. А таких моделей для подобных отечественных приборов не существует.
Приведем электрические параметры транзистора BF998:
Коэффициент шума N = 0.6 дБ;
Коэффициент усиления по мощности KP
= 25 дБ;
Крутизна характеристики по первому затвору S = 24 мА/В;
Емкость проходная по первому затвору CЗС
= 0.25 пФ;
Предельная частота усиления fГР
= 1300 МГц.
Рассчитаем, какой коэффициент устойчивого усиления сможет обеспечить один каскад УПЧ - 2 на основе BF998:
, (3.1)
где g21
– проводимость прямой передачи, См;
Y12
– проводимость обратной передачи, См
(3.2)
(3.3)
где fC
– частота ПЧ 2, Гц.
См
дБ
Минимальное число избирательных систем, необходимое для реализации усилителя с заданным коэффициентом усиления:
, (3.4)
где
К0
S
- заданный коэффициент усиления УПЧ - 2.

Таким образом, для устойчивой работы УПЧ - 2 и обеспечения необходимого усиления в 80 дБ необходимо три каскада построенных на транзисторе BF998.
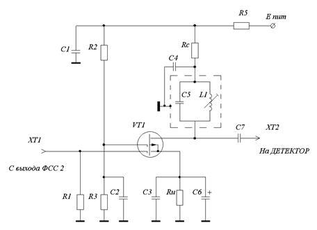
Для построения каскада будем использовать схему усилителя частоты с одноконтурным настроенным каскадами с истоковой стабилизацией рабочей точки.

Рисунок 3.4 - Схема электрическая каскада УПЧ - 2
Выбор рабочей точки осуществим графическим методом, построив нагрузочную прямую на семействе стоковых характеристик по первому затвору изображенных на рисунке 3.5.
Зададим RС
= 390 Ом.

Рисунок 3.5 - Семейство стоковых характеристик BF998
Параметры рабочей точки:
UСИ0
= 6.7 В, IС0
= 5.5 мА, Uз2-и0
= 4 В, Uз1-и0
= -0.2 В
Для возможности работы транзистора в заданной рабочей точке определим величину резистора в цепи истока по формуле:
(3.5)
Ом
Из ряда стандартных значений Е24 сделаем выбор номинала резистора RИ
= 330 Ом.
Для устранения отрицательной обратной связи по переменному току необходимо зашунтировать резистор RИ
конденсатором большой емкости. Проведем расчет этого конденсатора, соблюдая условие:
, (3.6)
где
С6
– емкость конденсатора, мкФ.
Зададимся величиной конденсатора C6 = 10 мкФ и проверим выполнение условия:
- условие выполняется
Необходимо установить потенциал второго затвора такой величины, чтобы обеспечить работу транзистора на квадратичном участке переходной вольт – амперной характеристики по первому затвору. Величину потенциала определяют резисторы R2, R3 (смотри рисунок 3.4). Определим их величину исходя из следующих условий:
, (3.7)
где
RВХ
– входное сопротивление транзистора по второму затвору;
RВХ
= 15 кОм
IЗУ
– ток утечки второго затвора.
В результате преобразований получено R2 = 1.25*R3, тогда R2 = 27.3 кОм, R3 = 21.8 кОм.
- условие выполняется
Выберем номиналы резисторов R2, R3 из ряда стандартных значений Е24:
R2 = 27 кОм;
R3 = 22 кОм.
Для обеспечения большей стабильности напряжения смещения применим включение конденсатора в цепь резистивного делителя, а так же включим конденсаторы в цепь истоковой стабилизации и в цепь стока. Емкость конденсаторов C2, C3, C4 – примем равной 0.01 мкФ.
Рассчитаем элементы параллельного колебательного контура.
Максимальная емкость контура рассчитывается по формуле:
, (3.8)
где
LMIN
– минимальная индуктивность катушки контура, мкГн
fC
– частота настройки контура, Гц
Зададимся значением минимальной индуктивности катушки контура исходя из условий конструктивной реализации, определяемых диапазоном рабочих частот. Величину индуктивности выберем из таблицы 3.1.
Таблица 3.1
| fC
, МГц
|
0.1-0.5
|
0.5-0.1
|
1.0-5.0
|
5.0-10.0
|
10.0-20.0
|
20.0-40.0
|
40.0-100.0
|
| LMIN
, мкГн
|
1000-400
|
400-250
|
250-20
|
20-10
|
10-5
|
5-0.8
|
0.8-0.05
|
Для ПЧ2 = 1.455 МГц зададим значение LMIN
= L1 = 130 мкГн
Тогда емкость контура ровна:
пФ
Рассчитаем емкость разделительного конденсатора:
ХС7
= 1/2*p*С7
<< RВХ СЛ
, (3.9)
где RВХ СЛ
– входное сопротивление следующего каскада, Ом.
СР
= С7
= 10 мкФ
Рассчитаем элементы развязывающего фильтра С1, R5:
(3.10)
Ом
Выберем номинал резисторов R5 из ряда стандартных значений Е24:
R5 = 430 Ом
(3.11)
нФ
Выберем номинал конденсатора C1 из ряда стандартных значений Е24:
C1 = 1 мкФ.
4 РАЗРАБОТКА ПЕЧАТНОЙ ПЛАТЫ УПЧ - 2
Проектируемый КВ приемник, в который входит плата, стационарный. Оценены условия эксплуатации, хранения, транспортирования, выбрана группа жесткости. В зависимости от условий эксплуатации определяется группа жесткости по ОСТ 4.077.000, обусловливающая требования к конструкции платы, материалу основания и проводящего рисунка и необходимость защиты от климатических, механических и других воздействий. Выбрана первая группа жесткости.
Выбрана двусторонняя печатная плата с металлизированными отверстиями. Класс точности разработанной платы четвертый, что позволяет получить высокую плотность монтажа, а, следовательно, минимизировать размеры печатной платы.
Для получения печатного рисунка выбран комбинированный метод. Комбинированный метод получения проводящего рисунка печатной платы, основан на травлении фольгированного диэлектрика и металлизации отверстий электрохимическим способом. Этот метод обеспечивает надёжную пайку элементов. Его используют для изготовления двухсторонних печатных плат, когда переходы с одной стороны платы на другую осуществляются за счёт переходных металлизированных отверстий, получающихся непосредственно в процессе технологического цикла изготовления платы. Комбинированный метод обеспечивает высокую надёжность.
Для выбора размеров печатной платы оценим необходимую площадь, занимаемую элементами по формуле:
Sпп = Кип*( ), (4.1)
где
- площадь, занимаемая резисторами, = 1140 мм2
;
- площадь, занимаемая конденсаторами, = 830 мм2
;
- площадь, занимаемая транзисторами, = 340 мм2
;
- площадь, занимаемая ИМС, = 250 мм2
;
- площадь, занимаемая разъемами, = 120 мм2
;
KИП
- коэффициент использования печатной платы, KИП
= 3.
С учетом этого площадь печатной платы будет равна:
SПП
= 3*2680= 8040 мм2
Выбираем размер 60х130 мм. Толщину платы выбираем равной 2 мм. В качестве материала основания выбираем стеклотекстолит фольгированный СФ-1-35 (ГОСТ 10316-78).
Для разработки топологии печатной платы исходными данными являются:
- размеры печатной платы;
- типы и размеры корпусов используемых микросхем;
- габаритные размеры используемых радиоэлементов (резисторов, конденсаторов, разъема и пр.).
Разработка печатной платы включает в себя следующие этапы:
- размещение радиоэлементов на плате;
- трассировка проводников печатной платы.
В УПЧ - 2 используются стандартные радиоэлементы. Разработка топологии печатной платы осуществлялась с помощью системы автоматизированного проектирования P-CAD 2001 фирмы Personal CAD System Inc. Данная САПР позволяет выполнить оба этапа разработки печатной платы в автоматическом или ручном режимах. Разработанная печатная плата УПЧ - 2 является двухсторонней (см. графический документ «2007 000000 920. УПЧ - 2. Плата печатная»).
5 МОДЕЛИРОВАНИЕ РАБОТЫ УПЧ - 2 В СИСТЕМЕ OrCAD 9.1
5.1 Задачи моделирования
В середине 80 – х годов началась постепенная переориентация систем проектирования с больших и среднего класса ЭВМ на класс персональных компьютеров. Этот период времени характеризуется образованием большого количества фирм разработчиков программного обеспечения (ПО) САПР для персонального класса вычислительных машин. В 1985 году была основана фирма OrCAD, специализация которой была направлена на создание САПРа схемотехнического проектирования. В настоящее время OrCAD 9.х – это интегрированное программное обеспечение, предназначенное для сквозного проектирования радиоэлектронных устройств, т.е. позволяющие проводить разработку аналого-цифровых схем от идеи до изготовления печатной платы /18/.
Использование программы OrCAD 9.1 позволит смоделировать процессы, происходящие в электрической схеме, а при необходимости, сделало бы возможным произвести большую часть отладочных работ при проектировании радиоэлектронного устройства, не прибегая к изготовлению макета. В данном дипломном проекте проведены стандартные методы анализа: расчет частотной характеристики, статистический анализ по методу Монте-Карло, расчет чувствительности схемы к разбросу параметров компонентов и проверка работоспособности для наихудшей комбинации отклонений от номинала, расчет чувствительности схемы к воздействию дестабилизирующих факторов, расчет отношение сигнал/шум для данной схемы. Кроме того, будет смоделирована работа схемы АРУ – 2.
Создание и редактирование схемы УПЧ – 2 осуществлялось графическим способом с помощью программы CAPTURE CIS входящей в состав OrCAD 9.1. Описание моделей элементов используемых при моделировании приведено в Приложении К.
5.2 Расчет частотной характеристики
Для построения частотной характеристики, анализа заданной схемы по переменному току, необходимо провести AC Sweep в заданном частотном диапазоне. Частотные характеристики рассчитываются в общем виде по директиве:
.AC [LIN] [OCT] [DEC] <n> <начальная частота> <конечная частота>,
где [LIN] – устанавливает линейный шаг по частоте с общим количеством точек <n>;
[OCT] [DEC] – устанавливают логарифмический характер изменения частоты октавами и декадами соответственно.
Директива анализа схемы УПЧ - 2:
.AC DEC 1000 100k 2000k
Необходимо получить общий коэффициент усиления трех каскадов УПЧ - 2 10000 (80 дБ). Подадим на вход исследуемой схемы синусоидальный сигнал с уровнем 50 мкВ. Синусоидальный сигнал сформирован с помощью источника напряжения VSIN описанный директивой:
+SIN 0 50u 1455k

Рисунок 5.1 - АЧХ УПЧ - 2 на выходе схемы
Как видно из рисунка 5.1 требуемый коэффициент усиления на ПЧ2 не достигнут. Необходимо получить 10000, а получено 2705. Для получения заданного значения усиления выполним параметрическую оптимизацию схемы методом наискорейшего спуска с помощью модуля входящего в OrCAD – PSpice Optimizer. В данном случае критерием оптимизации является получение необходимого уровня усиления по напряжению на выходе схемы.
В режиме оптимизации меняются величины резисторов R3, R8, R13, соответственно изменяется величины потенциалов по второму затвору транзисторов VT1, VT2, VT3. После завершения процесса оптимизации получена АЧХ УПЧ - 2 изображенная на рисунке 5.2.

Рисунок 5.2 - АЧХ УПЧ - 2 после оптимизации
Получен коэффициент усиления по напряжению на резонансной частоте 1.455 МГц - Купч2
= 10050 (80.04 дБ).
Полоса пропускания смоделированного усилителя определена с помощью стандартной функции «Bandwidth(1,db_level)» входящей в модуль OrCAD – PSpice A/D.
П0.707
= 48228 кГц.
Так же определен коэффициент прямоугольности по формуле:
, (5.1)
где
П0.001
– полоса пропускания по уровню 60 дБ;
П0.001
– полоса пропускания по уровню 3 дБ;
kП
= 22.054
5.3 Анализ шумов
Статические процессы в полупроводниках и резисторах приводят к возникновению мельчайших напряжений (тепловой шум, дробовой и фликкер-шум в полупроводниковых приборах), которые принято называть шумами. В частности шумы полевого транзистора определяются тепловыми, избыточными и дробовыми шумами. Важным критериев качества усилителя является величина отношения полезного сигнала к шумовому сигналу на выходе усилителя. Такое отношение (рассчитываемое логарифмически) обозначают как отношение сигнал/шум. В, программе OrCAD анализ шумов называется Noise Analysis и является составной частью анализа AC Sweep.
Анализ шумов в общем виде производится по директиве:
.NOISE V(<узел>,[<узел>])<имя>[<n>],
где n – общее количество точек расчета
На каждой частоте частотного анализа рассчитывается спектральная плотность внутреннего шумового напряжения, которая пересчитывается ко входу цепи и к ее выходу. Проведем анализ шумов на выходе схеме при температуре 27 С0
. Укажем в поле Interval значение 10, что означает – каждый десятый результат анализа будет записан в выходной файл.

Рисунок 5.3 - АЧХ и спектральная плотность шума на выходе УПЧ - 2
По результатам проведенного моделирования выведем два графика (см. рисунок 5.3): АЧХ на выходе схемы и кривую результирующих шумов (спектральная плотность), построенную при помощи стандартной функции ONOISE входящей в модуль OrCAD – PSpice A/D.
Для расчета отношения сигнал/шум воспользуемся формулой /16/:
(5.2)
где
А – действующее значение выходного напряжения на резонансной частоте, В;
В – полоса пропускания = 48228 Гц
С – спектральная плотность шума на резонансной частоте, В.
Сделав подстановку, получим:
дБ
OrCAD позволяет выявлять основную причину шума, т.е. определять основной его источник, подробные данные об этом записываются в выходной файл.
Проанализировав фрагмент выходного файла для частоты 1.455 МГц можно сказать, что наибольший вклад в шумовую картину вносит транзистор VT1, а точнее параметр этого полевого транзистора RS – объемное сопротивление истока. Далее по интенсивности вносимого шума следует резисторы R6, R2, R3.
5.4 Статистический анализ по методу Монте-Карло
Частотный анализ проводился при выполнении условия, что компоненты проектируемой схемы УПЧ - 2 действительно имеют свои номинальные значения, и, к примеру, резистор R5, рядом с которым установлен индикатор значения 330 Ом, на самом деле имеет значение 330 Ом. Однако это предположение далеко от реальности, так как все компоненты, устанавливаемые в реальной электронной схеме, естественно, имеют допуски. Следовательно, в условиях массового производства схема может не обеспечивать заданные параметры.
Программа OrCAD позволяет приписывать допуски параметрам компонентов. И тогда в ходе одного анализа Монте-Карло одна и та же схема будет моделироваться («прогоняться») множество раз: каждый раз с новым набором параметров, заданным по принципу случайной выборки, таким образом можно проверить чувствительность схемы к допускам компонентов.
Случайное значение параметра х рассчитывается в общем случае по формуле /17/:
, (5.3)
где хНОМ
– номинальное значение параметра х;
D - относительный разброс параметра х;
x - центрированная случайная величина, принимающая значения на отрезке (минус 1, плюс 1).
Величина относительного разброса каждого параметра D и закон распределения случайной величины x задаются опцией, которая имеет вид:
[[/<генератор #>] [/<закон распределения>] <разброс>[%]],
где параметр <генератор #> - указывает номер генератора случайных чисел.
Проведем анализ Монте-Карло, задав для пассивных элементов (резисторов и конденсаторов) допуск 10 %, стандартная величина для
отечественных электронных компонентов (характерно для разброса параметров партий изделий). Моделирование проведем для десяти «прогонов» и определим закон распределения случайных величин как нормальный (опция Uniform).
Все параметры определяются независимо друг от друга. В качестве анализируемого параметра УПЧ - 2 определим коэффициент усиления по напряжению схемы, а точнее, его максимальное отклонение от номинального значения.

Рисунок 5.4 - АЧХ УПЧ - 2 при анализе Монте-Карло (10 "прогонов" при нормальном распределении)

Рисунок 5.5 - АЧХ УПЧ - 2 при анализе Монте-Карло увеличенный фрагмент (нормальное распределение)
Проведем моделирование для десяти «прогонов» и определим закон распределения случайных величин как Гауссов (опция Gaussian) /17/.

Рисунок 5.6 - АЧХ УПЧ - 2 при анализе Монте-Карло (10 "прогонов" при Гауссовом распределении)

Рисунок 5.7 - АЧХ УПЧ - 2 при анализе Монте-Карло увеличенный фрагмент (Гауссово распределение)
Полученные следующие результаты для резонансной частоты 1.455МГц:
а) нормальное распределение - коэффициент усиления колеблется от 9171 до 10700 (плюс 5.8 % / минус 9.3 % от номинального значения); полоса пропускания при
номинальном значении элементов – 48228 кГц, при максимальном отклонении вверх - 48039, при максимальном отклонении вниз – 48400кГц; коэффициент прямоугольности соответственно – 22.054, , 22.56, 21.86;
б) гауссово распределение - коэффициент усиления колеблется от 9072 до 11640 (плюс 15.1 % / минус 10.3 % от номинального значения); полоса пропускания при максимальном отклонении вверх - 47700, при максимальном отклонении вниз – 48900кГц; коэффициент прямоугольности соответственно –22.80,21.43.
Анализ результатов позволяет сделать вывод, что схема работает достаточно стабильно, т.е. она малочувствительна к разбросу допусков резисторов и конденсаторов. При фактическом изготовлении такой схемы не нужно тщательно подбирать, а, следовательно, проводить измерение номинала каждого резистора и конденсатора, что, несомненно, удешевит работу при производстве данного устройства.
5.5 Анализ наихудшего случая (Worst case)
Анализ наихудшего случая тесно связан с анализом Монте-Карло. Здесь так же проводятся расчеты характеристик схемы при вариации параметров. Сначала по очереди изменяются все указанные параметры, что позволяет оценить параметрическую чувствительность. Измененные значения параметров рассчитываются по формуле:
новое значение = номинальное значение * (1 + RELTOL)
В заключение рассчитываются характеристики схемы при одновременном изменении всех параметров по методу наихудшего случая. При этом значения параметров определяются по формуле:
новое значение = номинальное значение * (1 плюс / минус D)
Как правило, с помощью анализа наихудшего случая удается смоделировать самый неблагоприятный вариант работы схемы. И в этом случае анализ Worst case имеет преимущество над анализом Монте-Карло.
Определим «экстремальное» значение коэффициент усиления по напряжению схемы. Оставим допуск для резисторов и конденсаторов - 10%. Выберем функцию YMAX для исследования максимального отклонения выходной величины от номинального случая (когда все компоненты имеют свои номинальные значения) в направлении снизу вверх (Hi), а так же направлении сверху вниз (Lo). В заключении проводится «прогон» наихудшего случая, когда все параметры имеют граничные в области своего допуска значения, т.е значения, которые позволяют ожидать наихудшего случая.
После проведения анализа построим АЧХ УПЧ - 2 для номинального случая, а так же для наихудшего случая в направлении снизу вверх и в направлении сверху вниз, после чего совместим все графики в одних осях.

Рисунок 5.8 - Результат анализа наихудшего случая: 1 - номинальный "прогон", 2 - "прогон" наихудшего случая с самым большим отклонением вниз, 3 - "прогон" наихудшего случая с самым большим отклонением вверх
Проведем анализ наихудшего случая для допуска резисторов и конденсаторов - 2%, сохраняя все прочие условия моделирования прежними. Рисунок 5.9 - Результат анализа наихудшего случая (допуск 2 %): 1 - номинальный "прогон", 2 - "прогон" наихудшего случая с самым большим отклонением вниз, 3 - "прогон" наихудшего случая с самым большим отклонением вверх
Полученные следующие результаты для резонансной частоты 1.455МГц:
а) допуск номиналов пассивных компонентов 10% - коэффициент усиления минимальный – 7147, максимальный – 14690; полоса пропускания при минимальном коэффициенте усиления – 51200 кГц, при максимальном коэффициенте усиления - 46039, коэффициент прямоугольности соответственно – 20.06 при максимальном усилении, 23.76 при минимальном усилении;
б) допуск номиналов пассивных компонентов 2% - коэффициент усиления минимальный – 9400, максимальный – 10850; полоса пропускания при минимальном коэффициенте усиления – 48780 кГц, при максимальном коэффициенте усиления - 48120, коэффициент прямоугольности соответственно – 21.90 при максимальном усилении, 22.40 при минимальном усилении;
Анализ наихудшего случая для допуска пассивных компонентов – 10 %, позволяет сделать вывод, что коэффициент усиления может значительно колебаться. В то же время, если для сборки схемы будут применяться компоненты (резисторы и конденсаторы) с допуском – 2 %, то отклонения коэффициента усиления от номинального значения и коэффициента прямоугольности становятся меньше.
Результаты проведенных типов анализов, при необходимости, можно сделать еще более точными, если количество итераций увеличить до максимально возможного в OrCAD – 400.
5.6 Анализ чувствительности выходного напряжения цепи постоянного тока к разбросам параметров компонентов
При проведении данного типа анализа вычисляются малосигнальные (дифференциальные) чувствительности выходных переменных к изменениям внутренних параметров на постоянном токе. После линеаризации цепи в окрестности рабочей точки рассчитывается чувствительность каждой из указанных выходных переменных к изменению параметров всех компонентов и моделей (за исключением индуктивности и конденсаторов). Анализ чувствительности позволяет установить, какое влияние оказывают изменения отдельных параметров схемы на выходное напряжение. В результате анализа можно выяснить, какие компоненты следует выбрать с как можно меньшим допуском, чтобы гарантированно обеспечить необходимую характеристику схемы. По результатам проведения анализа не предусмотрено получение, какого – либо графического материала. Все результаты анализа чувствительности записываются в выходной файл под заголовком DC Sensitivity Analysis.
Анализ чувствительности в общем виде производится по директиве:
.SENS <(выходная) переменная>,
где <(выходная) переменная> - в качестве выходных переменных допускаются любые напряжения и токи через источники напряжения.
В качестве выходной переменной назначим постоянное выходное напряжение схемы УПЧ - 2 в точке V(C20:2). Проведя анализ чувствительности, и изучив выходной файл можно сказать, что наибольшее влияние на выходную переменную оказывают следующие элементы, перечисленные в порядке убывания влияния:
V – V2 – напряжение источника питания
R – R14, R – R15 – сопротивление резисторов, обеспечивающих положение рабочей точки по постоянному току третьего каскада УПЧ - 2
R – R12, R – R13 – сопротивление резисторов, обеспечивающих величину напряжения смещения по второму затвору третьего каскада УПЧ - 2
Применение в данной схеме высокоточного электропитающего устройства позволит обеспечить стабильность работы схемы по постоянному току. Применение в третьем каскаде УПЧ - 2 резисторов с малой величиной допуска также обеспечит стабильность работы схемы по постоянному току.
5.7 Температурный анализ
Все вышеприведенные типы анализов проводились для установленной по умолчанию температуры: плюс 270
С. Но программа OrCAD позволяет установить и иную температуру при моделировании. Температура влияет на термозависимые параметры имитационных моделей PSpice используемых в схеме. Если указано несколько значений температуры, то анализ выполняется для каждой температуры. При этом все зависящие от температуры параметры компонентов пересчитываются для каждой температуры. Проведение температурного анализа позволит оценить работоспособность спроектированной схемы при воздействии температурного фактора.
При изменении температуры окружающей среды изменяется сопротивление, например, резистора. Закон изменения сопротивления достаточно сложен, он описан в модели резистора. Ниже записан пример модели резистора:
R<имя><узел(+)><узел(-)>[<имя модели>]<значение> [TC = TC1> [, TC2, TCE]],
где
TC1 – линейный температурный коэффициент
TC2 – квадратичный температурный коэффициент
TCE – экспоненциальный температурный коэффициент
Если в модели резистора отсутствует параметр TCE, то сопротивление резистора определяется выражением:
<значение>[1+TC1*(T-Tnom)+TC2*(T-Tnom)2
],
где
Tnom – номинальное значение температуры
T – текущее значение температуры
Если параметр TCE указан, то сопротивление равно:
<значение>*R*1.01TCE
*(
T
-
Tnom
)
.
Таким образом, во встроенных PSpice моделях для учета разброса и влияния температуры существуют следующие варианты расчетов: «спецификация случайного разброса значения параметра», «линейный температурный коэффициент», «квадратичный температурный коэффициент», «экспоненциальный температурный коэффициент». Кроме того, управлять температурой отдельных компонентов можно с помощью параметров T_MEASURED – температура измерений, T_ABS – абсолютная температура, T_REL_GLOBAL – относительная температура, T_REL_LOCL – разность между температурой резистора и модели – прототипа. Аналогичные модели температурной зависимости имеют и все остальные компоненты схемы.
Проведем температурное моделирование спроектированной схемы УПЧ2 для следующих температур: 0, 27, 50, 75, 100, 125, 150 0
С. Работу схемы при отрицательных температурах моделировать не будем, так как предполагается использовать проектируемый приемник в стационарном состоянии при комнатных температурах. По результатам моделирования получено 7 частотных характеристик изображенных на рисунке 5.10.

Рисунок 5.10 - АЧХ усилителя при температурном моделировании

Рисунок 5.11 - АЧХ усилителя при температурном моделировании (увеличенный фрагмент)
При изменении температуры от 00
С до 1500
С коэффициент усиления изменяется от 4114 до 13790. В то же время полоса пропускания изменяется от 52700 кГц (kП
= 24.5) до 47100 кГц (kП
= 19.9).
Величина выходного напряжения от температуры имеет нелинейную зависимость.

Рисунок 5.12 - График зависимости выходного напряжения УПЧ - 2 от температуры
5.8 Анализ работ УПЧ – 2 при нестабильном питающем напряжении
Программа OrCAD позволяет смоделировать ситуацию, когда источник питания схемы обладает заданной нестабильностью. В качестве параметра, на который влияет нестабильность питающего напряжения, определим коэффициент усиления по напряжению схемы. Зададим пределы колебания питающего напряжения – плюс 15% / минус 15% (от 7.65 В до 10.35 В). Данное отклонение номинала выходного напряжения соответствует применению источника электропитания низкой точности.
Проведем параметрическое исследование частотной характеристики. В качестве изменяемого параметра используем напряжение питающего источника у которого напряжение изменяется от 7.65 В до 10.35 В с шагом 0.5 В.

Рисунок 5.13 - Зависимость АЧХ усилителя от напряжения питания (нестабильность плюс 15% / минус 15%)
Проведем аналогичное моделирование при нестабильности питающего напряжения – плюс 1% / минус 1% (от 8.91 В до 9.09 В) с шагом 0.01 В. Данное отклонение номинала выходного напряжения соответствует применению высокоточного источника электропитания.

Рисунок 5.14 - Зависимость АЧХ усилителя от напряжения питания (нестабильность плюс 1% / минус 1%)
При нестабильном питающем напряжении (плюс 15 % / минус 15 % от номинального значения) коэффициент усиления изменяется от 5309 до 17880. В то же время полоса пропускания изменяется от 52300 кГц (kП
= 24.3) до 44800 кГц (kП
= 19.01).
При нестабильном питающем напряжении (плюс 1 % / минус 1 % от номинального значения) коэффициент усиления изменяется от 9670 до 10550. В то же время полоса пропускания изменяется от 48650 кГц (kП
= 22.3) до 48100 кГц (kП
= 22.0).

Рисунок 5.15 - График зависимости коэффициента усиления УПЧ - 2 от температуры
Очевидно, что использование для питания данной схемы низкоточных электропитающих устройств не будет эффективным.
5.9 Моделирование работы АРУ – 2
Цепь АРУ – 2 охватывает УПЧ - 2 и предназначена для исключения перегрузки усилителя низкой частоты, а, следовательно, искажение звукового сигнала, в случае резкого возрастания уровня сигнала ПЧ на выходе УПЧ приемника. Функционально схема АРУ – 2 состоит из дифференциального усилителя постоянного тока и источника тока управляемого напряжением (ИТУН) с добавочным усилителем тока на биполярном транзисторе. Нагрузкой ИТУН является светодиод, входящий в состав оптрона. Изменяющаяся величина тока в нагрузке ИТУН вызовет изменение величины сопротивления фоторезистора оптрона, а это в свою очередь вызовет изменение сигнала поступающего на первый затвор транзистора VT1 схемы УПЧ - 2.
В качестве оптрона предполагалось использовать устройство АОР124А. В настоящее время не представляется возможным использование для моделирования PSpice - модели оптрона АОР124А или электронного устройства с аналогичными параметрами, так как PSpice - моделей таких элементов не существует. Было принято решение смоделировать работу схемы АРУ – 2 и проанализировать ее работу отдельно от схемы УПЧ - 2. Далее с помощью возможностей параметрического моделирования исследовать работу схемы УПЧ - 2 в которой вместо фоторезистора, изменяющего свое сопротивление под воздействием светового потока, будет использован обычный резистор с параметрически изменяющимся сопротивлением.
Смоделировав работу схемы АРУ – 2 получено что, при изменении входного сигнала АРУ – 2 (выходное напряжение УПЧ - 2) изменяется ток нагрузки ИТУН (ток через светодиод оптрона). Входное напряжение изменялось от 0.1 В до 1 В с шагом 0.2 В. Величину входного напряжения, с которого необходимо начать регулирование усиления установим 0.5 В, причем это значение можно регулировать, изменяя величину сопротивления резистора R22. Смоделированный процесс изображен на рисунке 5.16.

Рисунок 5.16 - Изменение тока нагрузки АРУ – 2 при изменении выходного напряжения УПЧ - 2 от 0.1 В до 1.0 В
Для данного оптрона характерно, что отношение проводимости максимально освещенного фоторезистора к его минимальной, т.е. “темновой” проводимости, составляет величину порядка нескольких десятков тысяч.
Смоделируем работу схемы УПЧ - 2 в которой, как было сказано выше, вместо фоторезистора будет использован обычный резистор с параметрически изменяющимся сопротивлением. При максимальном освещении фоторезистор имеет сопротивление 100 – 150 Ом. Зададим минимальное значение резистору R (BL1) равное – 100 Ом. При минимальном освещении фоторезистор имеет максимальное сопротивление 10 МОм. Зададим максимальное значение резистору R (BL1) равное – 10 МОм. Подадим сначала на вход схемы напряжение величиной 10 мкВ, при этом схема АРУ – 2 не работает, так как выходное напряжение равно 0.1 В и величина резистора R (BL1) имеет максимальное сопротивление. Затем подадим на вход схемы напряжение величиной 35 мВ. В результате описанного моделирования получим две АЧХ, соответствующих двум значениям входного сигнала. Данные АЧХ изображены на рисунке 5.17.

Рисунок 5.17 - АЧХ УПЧ - 2 охваченного АРУ при входном воздействии: 1) 35 мВ, 2) 10 мкВ При изменении входного воздействия в 3500 раз (70 дБ), величина выходного напряжения изменилась в 2.1 раза (6.51 дБ). Таким образом, в данном случае цепь АРУ – 2 обеспечивает глубину регулирования 70 дБ / 6.5 дБ.
Данное моделирование не позволяет сделать вывод о величине глубины регулирования АРУ – 2 для замкнутой системы. В данном случае смоделированы два варианта поведения схемы для предельных паспортных величин фоторезистора входящего в состав оптрона. Можно сказать, что получена предельно возможная, для данной схемы, величина глубины регулирования.
7 ОРГАНИЗАЦИОННО – ЭКОНОМИЧЕСКАЯ ЧАСТЬ
7.1 Технико-экономическое обоснование проекта
Целью проекта является проектирование радиочастотного тракта КВ приемника, обладающего заданными техническими характеристиками. В настоящем разделе будет рассмотрена экономическая эффективность двух методов проектирования опытного образца УПЧ - 2, входящего в состав проектируемого КВ приемника:
а) «классический»;
б) с использованием системы автоматизированного проектирования OrCAD.
Для определения наиболее экономически выгодного варианта по проектированию УПЧ – 2 проведены расчеты себестоимости и точки безубыточности, а так же годового экономического эффекта.
7.2 Себестоимость продукции
Себестоимость продукции – это выраженные в денежной форме затраты, связанные с производством и реализацией продукции. В данном случае произведем расчет затрат, связанных только с производством устройства.
Себестоимость показывает, во что конкретно обходится создание продукции.
Себестоимость отражает уровень технической оснащенности и технологии производства, использование ресурсов, уровень производительности труда.
Себестоимость – один из обобщающих показателей эффективности потребления ресурсов. Снижение себестоимости способствует повышению эффективности производственной деятельности. В целях анализа, учета и планирования разнообразных затрат, входящих в состав в себестоимость продукции применяются две взаимодополняющие классификации поэлементная и калькуляционная.
В современных условиях перечень затрат, подлежащих включению в себестоимость продукции, определяется налоговым кодексом РФ, глава 25 и федеральным законом от 6.08.2001 № 110-ФЗ «О внесении изменений во вторую часть налогового кодекса».
Ими определён перечень экономических элементов, по которым могут быть сгруппированы затраты. Экономические элементы составляют смету затрат на производство.
Затраты на разработку и производство складываются из:
- затрат на сырье и материалы;
- затрат на покупные комплектующие изделия;
- зарплаты работников;
- отчислений на соцстрах по фонду оплаты труда;
- амортизационные отчисления;
- общепромышленных расходов;
- специальных расходов;
- прочих производственных расходов;
- внепроизводственных расходов.
Для большинства предприятий такую классификацию необходимо конкретизировать для оценки эффективности отдельных видов деятельности.
Для конкретизации составим калькуляцию себестоимости продукции. Калькуляция - это определение размера затрат в денежном выражении, приходящихся на единицу продукции. Состав статей калькуляции определяется с учетом специфики нашего изделия. Расчет производится укрупнено.
7.2.1 Расчет затрат на сырье и материалы
Данная статья предусматривает расчет расходов на сырье и материалы при изготовлении изделия. Затраты на сырье и материалы складываются из суммарных затрат на все виды материалов, израсходованных на изготовление изделия и рассчитываются по формуле (7.1):
, (7.1)
где ЗМ
– затраты на сырье и материалы, руб.;
mi
– норма расхода i-го вида материалов на изготовление изделия, ед. изм.;
Цi
– цена i–го вида материала, руб.;
- норматив транспортно – заготовительных расходов, %.
Произведем расчет по данной статье для первого варианта.
Таблица 7.1 – Смета затрат на сырье и материалы
| Материал
|
Ед. изм.
|
Цена за единицу, руб.
|
Расход на изделие
|
Сумма, руб.
|
| Стеклотекстолит фольгированный
СФ2-50-1,5
|
кг
|
201,94
|
0,0200
|
4,038
|
| Провод НВ-0,2 4600
|
м
|
1,55
|
0,2000
|
0,775
|
| Трубка белая 305ТВ-40, 3.0
|
кг
|
84,20
|
0,0500
|
4,210
|
| Припой ПОС 61
|
кг
|
620,34
|
0,0120
|
7,440
|
| Припой ПОС 40
|
кг
|
345,20
|
0,0500
|
17,260
|
| Краска контровочная
|
кг
|
143,00
|
0,0080
|
1,114
|
| Краска маркировочная
|
кг
|
280,37
|
0,0004
|
0,112
|
| Лак УР-231 02
|
л
|
1242,00
|
0,0150
|
18,600
|
| Флюс спиртово-канифольный
|
л
|
698,00
|
0,0100
|
6,980
|
| Спирт
|
л
|
98,67
|
0,0060
|
5,920
|
| Итого затрат на сырье и материалы (без учета транспортных расходов):
|
66,450
|
| Итого затрат на сырье и материалы (с учетом транспортных расходов-4%):
|
69,110
|
Затраты на сырье и материалы составили:
Зм
=69,11 рублей.
Затраты на сырье и материалы по второму варианту проектирования отсутствуют.
7.2.2 Расчет затрат на покупные и комплектующие изделия
Данная статья предусматривает расчет расходов на приобретение покупных радиодеталей. Затраты (без учета транспортных расходов) рассчитываются по формуле:
, (7.2)
где ЗП
– затраты на покупные комплектующие изделия, руб.;
Ni
- норма расхода i-го покупного комплектующего изделия, руб.;
Цi
– цена i–го вида материала, руб.
При расчёте затрат на комплектующие изделия использовалась информация из прайс-листа фирмы “Промэлектроника” за апрель 2006 г. Смета затрат на покупку радиодеталей приведена в таблице 7.2.
Таблица 7.2 – Смета затрат на покупку радиодеталей
| Наименование
|
Количество
|
Цена за единицу, руб.
|
Сумма, руб.
|
| Конденсаторы:
|
| К10-17а-М47-8200 пФ
|
1
|
5,30
|
5,30
|
| К10-42-М47-4,7 пФ
|
4
|
3,80
|
15,20
|
| К10-17а-Н90-1 мкФ
|
6
|
4,22
|
25,32
|
| К10-17а-М47-240 пФ
|
1
|
6,40
|
6,40
|
| К10-29б-П100-0,33 пФ
|
2
|
8,69
|
17,38
|
| К10-29б-П100-10 пФ
|
2
|
8,91
|
17,82
|
| К10-17а-М47-91 пФ
|
3
|
5,57
|
16,71
|
| К10-17а-М47-1500 пФ
|
4
|
7,80
|
31,20
|
| К10-17а-М47-68 нФ
|
4
|
3,25
|
13,00
|
| Дроссели:
|
| ДПМ-0,1-130 мкГн
|
3
|
2,80
|
8,40
|
| Резисторы:
|
| С2-33Н-0,125-130 Ом
|
2
|
0,24
|
0,48
|
| С2-33Н-0,125-330 Ом
|
3
|
0,24
|
0,72
|
| С2-33Н-0,125-390 Ом
|
3
|
0,24
|
0,72
|
| С2-33Н-0,125-1.2 кОм
|
3
|
0,08
|
0,24
|
| С2-33Н-0,125-1 кОм
|
1
|
0,18
|
0,18
|
| С2-33Н-0,125-3 кОм
|
1
|
0,18
|
0,18
|
| С2-33Н-0,125-10 кОм
|
7
|
0,08
|
0,56
|
| С2-33Н-0,125-68 кОм
|
3
|
0,12
|
0,36
|
| С2-33Н-0,125-82 кОм
|
3
|
0,12
|
0,36
|
| С2-33Н-0,125-100 кОм
|
2
|
0,10
|
0,20
|
| Диоды
|
| КД522Б
|
5
|
0,4
|
2,0
|
Продолжение таблицы 7.2
| Наименование
|
Количество
|
Цена за единицу, руб.
|
Сумма, руб.
|
| АЛ102В
|
1
|
4,80
|
4,80
|
| Оптроны резисторные
|
| 3ОР124А
|
1
|
64,91
|
64,91
|
| Транзисторы:
|
| BF998
|
3
|
7,50
|
22,50
|
| КТ361А
|
1
|
0,47
|
0,47
|
| КП103К
|
1
|
2,20
|
2,20
|
| Операционные усилители
|
| КР140УД1408А
|
2
|
7,06
|
14,12
|
| Соединители:
|
| СРГ-50-884ФВ
|
2
|
56,87
|
113,74
|
| Розетка ВР6.604.059
|
1
|
2,75
|
2,75
|
| Итого затрат на покупные и комплектующие изделия (без учета транспортных расходов):
|
375,82
|
| Итого затрат на покупные и комплектующие изделия (с учетом транспортных расходов-4%):
|
390,85
|
Затраты на покупные комплектующие изделия составили:
ЗП
= 390,85 рублей
Затраты на покупные комплектующие изделия по второму варианту отсутствуют.
7.2.3 Фонд оплаты труда рабочих
Затраты определяются из количества нормо – часов, необходимых для выполнения отдельных работ, тарифных почасовых ставок и квалификации исполнителя. Часовые ставки инженеров и техников, используемые при расчете зарплаты инженерно – технических работников (ИТР), приведены в таблице 7.3.
Таблица 7.3 - Часовые ставки работников
| Квалификация исполнителя
|
Часовая ставка
|
| Техник
|
5 разряд
|
4,45
|
| Инженер
|
8 разряд
|
6,51
|
| 10 разряд
|
7,88
|
| 11 разряд
|
8,66
|
| Монтажник
|
6 разряд
|
4,61
|
| Слесарь сборщик
|
6 разряд
|
4,61
|
Основная заработная плата производственных рабочих рассчитывается по формуле:
, (7.3)
где ЗОЗП
– основная заработная плата производственных рабочих, руб.;
tm
– норма времени изготовления изделия по каждому разряду, норма - часы;
СЧ
– часовая ставка, руб.;
Кур
– поясной (уральский) коэффициент (1,15).
Определим затраты на заработную плату по первому варианту.
В таблице 7.4 приведены расчеты по основным этапам изготовления модуля и заработная плата за конкретный вид работ.
Таблица
7.4 - Основная заработная плата
| Этапы НИР
|
Квалифи-кация исполнителя
|
Трудо-емкость, час
|
Часовая ставка, руб.
|
Основная зарплата, руб.
|
| Подбор и изучение литературы по теме
|
Инженер, 8 разряд
|
15
|
6,51
|
97,65
|
| Подготовка справочных материалов для разработки
|
Инженер, 8 разряд
|
20
|
6,51
|
130,20
|
Продолжение таблицы 7.4
| Этапы НИР
|
Квалифи-кация исполнителя
|
Трудо-емкость, час
|
Часовая ставка, руб.
|
Основная зарплата, руб.
|
| Разработка схем (функциональной и принципиальной)
|
Инженер, 11 разряд
|
100
|
8,66
|
866,00
|
| Оформление чертежей
|
Инженер, 10 разряд
|
70
|
7,88
|
551,60
|
| Монтаж
|
Техник, 5 разряд
|
45
|
4,45
|
200,25
|
| Сборка
|
Техник, 5 разряд
|
66
|
4,45
|
293,70
|
| Настройка
|
Техник, 6 разряд
|
89
|
5,03
|
447,67
|
| Итого:
|
2587,07
|
Затраты на заработную плату рабочих составляют:
ЗОЗП
= 941,62´1,15=1082,86 рублей.
Затраты на заработную плату ИТР составляют:
ЗОЗП
= 1645,45´1,15=1892,27 рублей.
Дополнительная заработная плата - это выплаты, установленные законодательством:
- оплата очередного, дополнительного, ученического отпусков;
- государственных и общественных обязанностей;
- выслуги лет.
Дополнительная заработная плата производственных рабочих рассчитывается по следующей формуле:
, (7.4)
где ЗДЗП
– дополнительная заработная плата, рублей;
НД
– норматив дополнительной заработной платы, который составляет 20%.
Затраты на дополнительную заработную плату рабочих составляют:
ЗДЗП
=1082,86´0,2=216,57 рублей
Затраты на дополнительную заработную плату ИТР составляет
ЗДЗП
=1892,27´0,2=378,45 рублей.
Определим затраты на заработную плату по второму варианту.
Таблица 7.5 - Основная заработная плата (второй вариант)
| Этапы НИР
|
Квалифи-кация исполни-теля
|
Трудо-емкость, час
|
Часовая ставка, руб.
|
Основная зарплата, руб.
|
| Подготовка справочных материалов для разработки.
|
Инженер, 8 разряд
|
20
|
6,51
|
130,20
|
| Разработка и моделирование схемы принципиальной.
|
Инженер, 11 разряд
|
50
|
8,66
|
433,00
|
| Оформление чертежей.
|
Инженер, 10 разряд
|
20
|
7,88
|
157,60
|
| Итого:
|
818,45
|
ЗОЗП
=818,45´1,15=941,22 руб.
ЗДЗП
= 941,22´0,2=188,24 руб.
7.2.4 Отчисления на социальные нужды
Величина отчислений на социальные нужды устанавливается в процентах к заработной плате и включает в себя отчисления:
- в фонд социального страхования - 4,0%;
- в пенсионный фонд - 28%;
- в фонд обязательного медицинского страхования - 3,6%;
- дополнительные отчисления на соцстрахование в связи с профессиональными заболеваниями и случаями производственного травматизма - 0,3%.
Итого: - 26%.
Рассчитаем величину отчислений:
(7.5)
О.С.Н рабочие
=337,85 руб.
(7.6)
О.С.Н ИТР
=590,39 руб.
По второму варианту отчисления составили О.С.Н = 293,66 руб.
7.2.5 Амортизационные отчисления
Для реализации первого варианта необходимо приобретение следующего оборудования: Осциллограф С1-67, Частотомер Ч3-12 , Генератор Г4-96, Анализатор спектра С4-46, Цифровой мультимер M890D . Для определения амортизационных отчислений используются следующие формулы:
, (7.7)
где На
– норма амортизации, %;
tслуж
– срок службы оборудования.
, (7.8)
где А – годовые амортизационные отчисления, руб.;
- стоимость основных средств, руб.
Сделаем расчеты по первому варианту и сведем их в таблицу 7.6.
Таблица 7.6 – Расчет амортизационных отчислений по первому варианту
| Наименование оборудования
|
Стоимость оборудова-
ния, руб.
|
Срок служ-
бы
|
Норма амортиза-
ции, %
|
Годовые амортизацион-
ные отчисления, руб.
|
Амортизаци-онные отчисления за 1 месяц, руб.
|
| Осциллограф С1-67
|
60000
|
8
|
12,5
|
7500
|
625,00
|
| Частотомер Ч3-12
|
50000
|
8
|
12,5
|
6250
|
520,83
|
| Генератор
Г4-96
|
40000
|
8
|
12,5
|
5000
|
416,67
|
| Анализатор спектра С4-46
|
80000
|
8
|
12,5
|
10000
|
833,33
|
| Цифровой мультимер M890D
|
900
|
2
|
50,0
|
450
|
37,50
|
| Итого:
|
29200
|
2433,33
|
Сделаем расчеты по второму варианту.
Таблица 7.7 – Расчет амортизационных отчислений по второму варианту
| Наименование оборудования
|
Стоимость оборудова-
ния, руб.
|
Срок служ-
бы
|
Норма амортиза-
ции, %
|
Годовые амортизацион-
ные отчисления, руб.
|
Амортизац-ионные отчисления за 1 месяц, руб.
|
| Компьютер
|
3000
|
5
|
33,33
|
999,90
|
83,33
|
7.2.6 Затраты на электроэнергию
Сделаем расчет затрат на электроэнергию по первому варианту и сведем их в таблицу 7.8:
Таблица 7.8 – Расчет затрат на электроэнергию по первому варианту
| Наименование оборудования
|
Кол-во
ед.
|
Потребляемая мощность единицей, Вт
|
Тариф за 1 Вт-ч –руб.
|
Расход на оплату за 1 час работы
|
| Осциллограф С1-67
|
1
|
150
|
0,221
|
33,15
|
| Частотомер Ч3-12
|
1
|
100
|
0,221
|
22,10
|
| Генератор Г4-96
|
1
|
100
|
0,221
|
22,10
|
| Анализатор спектра С4-46
|
1
|
200
|
0,221
|
44,20
|
| Цифровой мультимер M890D
|
1
|
000
|
0,221
|
00,00
|
| Итого за 1 час затраты составили:
|
121,55
|
| Итого затрат на изготовление изделия (200 час):
|
24310
|
Затраты на электроэнергию по второму варианту составили:
Таблица 7.9 - Расчет затрат на электроэнергию по второму варианту
| Наименование оборудования
|
Кол-во
ед.
|
Потребляемая мощность единицей, Вт
|
Тариф за 1 Вт-ч –руб.
|
Расход на оплату за 1 час работы
|
| Компьютер
|
1
|
150
|
0,221
|
33,15
|
| Итого за 1 час затраты составили
|
33,12
|
| Итого затрат на изготовление изделия (70 час)
|
2318,40
|
7.2.7 Общепромышленные расходы
Общепромышленные расходы складываются из затрат на транспортно-заготовительных расходов, расходов на обслуживание внецеховых подразделений и помещений, затрат на командировки работников
предприятия для решения производственных задач и некоторых других видов затрат общезаводского уровня.
Расчет затрат на общепромышленные расходы производится по формуле:
, (7.9)
где ЗОР
- затраты на общепромышленные расходы, руб.;
ЗОЗП
– основная зарплата производственных рабочих, руб.;
НОР
– норматив затрат на общепромышленные расходы. Общепромышленные расходы составляют 90 % от основной зарплаты производственных рабочих.
Общепромышленные расходы составляют:
рублей.
Общепромышленные расходы по второму варианту составили
З ОР
=941,22´0,9=847,10 рублей.
7.2.8 Специальные расходы
Специальные расходы (на изготовление оснастки), рассчитываются по формуле:
, (7.10)
где ЗСР
- специальные расходы, руб.;
ЗОЗП
- основная заработная плата, руб.;
НСР
- норматив специальных расходов составляет 5 % от основной зарплаты производственных рабочих.
Специальные расходы составляют:
рублей.
Специальные расходы по второму варианту составили:
рублей.
7.2.9 Прочие производственные расходы
Прочие производственные расходы включают в себя расходы на гарантийное обслуживание изделий, включаются платежи по страхованию имущества и рассчитываются по формуле:
, (7.11)
где ЗПР
- прочие производственные расходы, руб.;
ЗМ
- затраты на сырье и материалы, руб.;
ЗП
- затраты на покупные материалы, руб.;
ЗОЗП
- основная заработная плата, руб.;
ЗДЗП
- дополнительная заработная плата, руб.;
ЗНЗП
- начисления на фонд оплаты труда, руб.;
ЗА
– амортизационные отчисления, руб.;
Зэ
– затраты на электроэнергию, руб.;
ЗОР
- общепромышленные расходы, руб.;
ЗСР
- специальные расходы, руб.;
НПР
- норматив прочих производственных расходов составляет 1,5 %.
Прочие производственные расходы составляют:
рублей
Прочие производственные расходы по второму варианту составили:
рублей
7.2.10 Производственная себестоимость
Производственная себестоимость изделия равна сумме затрат на материалы, покупные изделия, основной и дополнительной заработных плат, начислений на заработную плату, затрат на обслуживание производства, общезаводских, специальных и прочих расходов и рассчитывается по формуле:
(7.12)
Затраты по каждому разделу для первого варианта приведены в таблице 7.10.
Таблица 7.10 - Производственная себестоимость по первому варианту
Статья затрат
|
∑, руб.
|
| Сырье и материалы
|
69,11
|
| Покупные комплектующие изделия
|
390,85
|
| Основная заработная плата производственных рабочих
|
1082,86
|
| Основная заработная плата ИТР
|
1892,27
|
| Дополнительная заработная плата производственных рабочих
|
216,57
|
| Дополнительная заработная плата ИТР
|
378,45
|
| Начисления на заработную плату производственных рабочих
|
337,85
|
| Начисления на заработную плату ИТР
|
590,39
|
| Амортизационные отчисления
|
2433,33
|
| Затраты на электроэнергию
|
24310,00
|
| Общепромышленные расходы
|
2677,62
|
| Специальные расходы
|
148,76
|
| Прочие производственные расходы
|
517,92
|
| Производственная себестоимость
|
35045,98
|
Затраты по каждому разделу для второго варианта приведены в таблице 7.11.
Таблица 7.11 - Производственная себестоимость по второму варианту
Статья затрат
|
∑, руб.
|
| Сырье и материалы.
|
00,00
|
| Покупные комплектующие изделия.
|
00,00
|
| Основная заработная плата производственных рабочих.
|
941,22
|
| Дополнительная заработная плата производственных рабочих.
|
188,24
|
| Начисления на заработную плату производственных рабочих
|
293,66
|
| Амортизационные отчисления
|
83,33
|
| Затраты на электроэнергию
|
2318,40
|
| Общепромышленные расходы.
|
847,10
|
| Специальные расходы.
|
47,06
|
| Прочие производственные расходы.
|
70,79
|
| Производственная себестоимость.
|
4789,80
|
7.2.11 Внепроизводственные расходы
Внепроизводственные расходы включают в себя расходы на рекламу, проведение выставок и рассчитываются по формуле:
, (7.13)
где ЗВР
- внепроизводственные расходы, руб.;
SПР
– производственная себестоимость изделия, руб.;
НВР
- норматив внепроизводственных расходов, составляет 2 % .
Внепроизводственные расходы составляют по первому варианту:
руб.;
Внепроизводственные расходы составляют по второму варианту:
руб.
7.2.12 Полная себестоимость
Полная себестоимость изделия складывается из промышленной себестоимости и внепроизводственных расходов и рассчитывается по формуле:
, (7.14)
где SПОЛН
- полная себестоимость изделия, руб.;
SПР
- производственная себестоимость изделия, руб.;
ЗКР
- внепроизводственные расходы, руб.
В итоге, полная себестоимость по первому варианту составила:
рублей
По второму варианту:
рублей
Полная производственная себестоимость опытного образца составила по первому варианту 35746 руб. 90 коп, по второму – 4885 руб. 60 коп. Очевидно, преимущество второго варианта, а именно с использованием системы автоматизированного проектирования. Также при использовании второго варианта затрачивается меньше времени (на 315 часов) на проектирование УПЧ – 2, потребуется меньше денежных средств (на 227900 руб.).
7.3 Расчет точки безубыточности и рентабельности производства
Для проведения данного расчета необходимо затраты поделить на условно- постоянные и условно – переменные.
Условно – переменные затраты – это затраты, которые изменяются пропорционально изменению объема выпуска продукции (сырье, основные и вспомогательные материалы, заработная плата рабочих).
Условно – постоянные затраты – затраты, которые не изменяются или меняются в незначительных размерах при изменении объема производства продукции (расходы, связанные с управленческим производством и его обслуживанием и так далее).
К условно – переменным затратам отнесем следующие статьи: оплата труда рабочих и ИТР с отчислениями, сырье и материалы, покупные комплектующие изделия, общепромышленные расходы, специальные расходы.
К условно – постоянным затратам отнесем следующие статьи: амортизационные отчисления, затраты на электроэнергию, прочие производственные расходы, внепроизводственные расходы.
Заложим прибыль 20 % и определим цену изделия при серийно производстве:
, (7.15)
где Ц - цена изделия, руб.
Цена УПЧ - 2 по первому варианту составила:
Ц = 42896,28 рублей.
Цена УПЧ - 2 по второму варианту составила:
Ц = 5862,72.
План производства 200 шт. в год.
Условно – постоянные затраты (Э-
) составили 27962,17 руб., условно – переменные (Э»
) – 7784,73 руб.
Во втором варианте Э-
= 2568,32 руб., Э»
=2317,28 руб.
Сделаем расчет и проведем исследование порога рентабельности, зоны финансовой безопасности и запас финансовой прочности производственной деятельности предприятия аналитическим (расчетным) методом. Обозначим с индексом 1 - первый вариант, с индексом 2 – второй вариант.
Критический объем продаж определяется по следующей формуле:
(7.16)
где Dкр
- критический объем продаж, ед.;
Dпл
- планируемый объем продаж, ед.;
Э-
- условно- постоянные расходы, руб.;
МD - маржинальный доход, руб.
МD=Ц - Э»
(7.17)
МD1
=35111,55 рублей
МD2
=3545,44 рублей
Dкр1
= =159 ед.
Dкр2
= =145 ед.
Зона безубыточности предприятия определяется по формуле:
ЗБ = Dпл
- D кр,
(7.18)
где ЗБ - зона безубыточности (или точка безубыточности), ед.
ЗБ1
=200-159=41 ед.
ЗБ2
=200-145=55 ед.
Запас финансовой прочности предприятия определяется по формуле:
, (7.19)
где - запас финансовой прочности, %.


На основании проведенного расчета видно, что наиболее выгодный – это второй вариант по проектированию УПЧ – 2, предназначенного для установки в КВ приемник, с использованием системы автоматизированного проектирования. Т.к. зона безопасности больше на 14 ед. и запас финансовой прочности составляет 27,5 %, а по первому варианту 20,5 %.
Безубыточный объем изделия составляет 55 ед., т.е если объем будет меньше, то доходы не будут покрывать все затраты предприятия. Условно- переменные расходы в начале работы (когда доходы -0) составляют 0 тыс. руб., а условно- постоянные затраты уже составляют на начало работы 2,7 тыс. руб. Увеличивая объем изготовления увеличиваются условно- переменные расходы. Точка безубыточности показывает тот период, когда нет убытка. Имеется зона безопасности, 27,5 %, запас финансовой прочности по сравнению с первым вариантом в абсолютном выражении больше на 7 пунктов.
7.4 Экономическая целесообразность дипломного проекта
Экономическая целесообразность разработок дипломного проекта определим на основе расчета годового экономического эффекта по формуле:
, (7.20)
где Зi
– годовой экономический эффект, руб.;
Зi
–текущие затраты по I - ому варианту, руб.;
Ен
– нормативный коэффициент экономической эффективности (0,15);
Кi
– капитальные вложения по I - ому варианту, рублей;
З1
= 35746,90 + 0,15´230900=70381,90 рублей;
З2
=4885, 60+0,15´3000=5335,60 рублей.
На основании проведенного расчета и анализа себестоимости по двум вариантам проектирования опытного образца УПЧ – 2, предназначенного для установки в КВ приемник, выбираем второй вариант, т.е с использованием системы автоматизированного проектирования. Данный вариант является экономически выгодным в связи с небольшой себестоимостью и наименьшими приведенными затратами.
СПИСОК ИСПОЛЬЗОВАННЫХ ИСТОЧНИКОВ
1. Проектирование радиоприемных устройств. / Под ред. А. П. Сиверса. Учебное пособие для вузов. М., 1976 – 486 с.
2. Головин О.В. Профессиональные радиоприемные устройства декаметрового диапазона М.: Радио и связь, 1985 – 288 с.
3. Проектирование радиоприемных устройств на базе аналоговых блоков: учебно-методическое пособие /Н.П. Никитин, В.В. Кийко. Екатеринбург: ГОУ ВПО УГТУ-УПИ, 2004 – 113 с.
4. Буга Н.Н. Радиоприемные устройства /Н.Н. Буга, А.И. Фалько, Н.И. Чистяков; под ред. Н.И. Чистякова. М.: Радио и связь, 1986 – 320 с.
5. Бунин С.С. Справочник радиолюбителя – коротковолновика /С.С. Бунин, Л.П. Яйленко и др. Киев: Техника, 1984 - 264 с.
6. Кульский А.Л. КВ-приемник мирового уровня. М.: Наука и техника, 2000 - 352 с.
7. Основы проектирования радиоприемников. Горшелев В.Д. и др. Л.: Энергия, 1977 – 384 с.
8. Войшвилло Г.В. Усилительные устройства: Учеб. для вузов. М.: Радио и связь, 1983 – 264 с.
9. Ногин В.Н. Аналоговые электронные устройства: Учеб. пособие для вузов. М.: Радио и связь, 1992 – 304 с.
10. Дроздов В.В. Любительские КВ трансиверы. М.: Радио и связь, 1988 – 176 с.
11. Любительская радиосвязь на КВ. Степанов Б. Г. и др. М.: Радио и связь, 1991 – 120 с.
12. Полупроводниковые приборы: Транзисторы. Справочник. /Аронов В.Л., Баюков А.В., Зайцев А.А. и др. Под общ. ред. Горюнова Н.Н. М.: Энергоатомиздат, 1985 – 904 с.
13. Схемотехника устройств на мощных полевых транзисторах: Справочник / Бачурин В.В., Ваксенбург В.Я., Дьяконов В.П. и др. Под ред. Дьяконова В.П. М.: Радио и связь, 1994 – 280 с.
14. Рэд Э. Справочное пособие по высокочастотной схемотехнике: Пер. с нем. М.: Мир, 1990 – 256 с.
15. KВ радиосвязь. Состояние и направления развития. Комарович В. Ф., Ромвненко В. Г. Интернет.
16. Хейнеман Р. PSPICE Моделирование работы электронных схем: Пер. с нем. М.: "ДМК Пресс", 2002 – 336 с.
17. Разевиг В. Д. Система проектирования OrCAD 9.2. – М.: СОЛОН – Р, 2003 – 528 с.
18. Петраков О.М. Создание аналоговых PSPICE – моделей радиоэлементов. – М.: ИП РадиоСофт, 2004 – 208 с.
19. Моделирование и анализ электронных схем на ЭВМ. Методические указания к курсовой работе по дисциплине "Автоматизированное проектирование радиоэлектронных схем". В.В. Кийко. Екатеринбург: УГТУ-УПИ, 1994.
20. Хоровиц П., Хилл У. Искусство схемотехники: Пер. с англ.-Изд. Шестое. М.: Мир, 2001 – 704 с.
21. Павлов С.П. Сорокин В.А. Организационно-экономическое обоснование конструкторско-технологических проектов в условиях рыночной экономики. Екатеринбург: УГТУ, 1995 – 39 с.
22. Оформление учебных студенческих работ: Учебное пособие для студентов радиотехнического факультета в электронной форме. 3 части. Калмыков А.А., Матюнина А. В.: Екатеринбург: УГТУ, 2000.
23. Рэд Э. Схемотехника радиоприемников. Практическое пособие.: Пер. с нем. М.: Мир, 1990 – 200 с.
|