| Министерство образования РФ
Череповецкий металлургический колледж
Для всех специальностей
ИНЖЕНЕРНАЯ ГРАФИКА
Методические указания и контрольные задания
для студентов заочной формы обучения
Составитель: Диванова О.П., преподаватель колледжа
Бутырина И.А., преподаватель колледжа
Череповец
2004
Инженерная г рафика. Методические указания и контрольные задания для студентов заочной формы обучения. /Составитель: Диванова О.П., Бутырина И.А./ - Череповец, Череповецкий металлургический колледж, 2004. - с.
Рецензенты:
Данная методическая разработка рассмотрена и одобрена на заседании цикловой комиссии «Инженерная графика».
Председатель: / Диванова О.П./
30 августа 2004 года
протокол №5
Содержание
| |
Введение
|
4
|
| 1
|
Список литературы
|
5
|
| 2
|
Содержание дисциплины
|
6
|
| 3
|
Контрольная работа
|
7
|
| 4
|
Графическая работа № 1
|
11
|
| 5
|
Графическая работа № 2
|
22
|
| 6
|
Графическая работа № 3
|
35
|
| 7
|
Графическая работа № 4
|
39
|
| 8
|
Графическая работа № 5
|
50
|
| 9
|
Графическая работа № 6
|
77
|
| 10
|
Графическая работа № 7, 8
|
85
|
| 11
|
Графическая работа № 9
|
90
|
| 12
|
Графическая работа № 10
|
94
|
| 13
|
Графическая работа № 11:
|
98
|
| для специальности 2101, 1806
|
102
|
| для специальности 1105, 1101
|
118
|
| для специальности 1701
|
125
|
| для специальности 2201
|
133
|
| 14
|
Вопросы для зачёта
|
140
|
| Приложение А – Пример оформления титульного
листа
|
144
|
| Приложение Б – Крепёжные (резьбовые) изделия
|
145
|
Введение
Программа дисциплины «Инженерная графика» предусматривает изучение правил графического оформления чертежей, теоретических основ геометрического черчения, начертательной геометрии, проекционного черчения, машиностроительного черчения, правил выполнения чертежей и схем по специальности, основы машинной графики, а также приобретение студентами практических навыков по технике выполнения чертежей.
Изучив дисциплину, студенты должны уметь, в соответствии с требованиями ЕСКД (Единой системой конструкторской документации), выполнять и читать чертежи.
Дисциплина изучается в течение одного года. Студенты должны выполнить одну контрольную работу, в сроки установленные учебным планом, и сдать на проверку в колледж.
Задания к контрольной работе составлены для 16 вариантов. Вариант выбирают из соответствующих таблиц и рисунков по двум последним цифрам личного дела (или по указанию преподавателя). Перед выполнением очередной графической работы внимательно прочтите методические указания и изучите рекомендованный программой материал.
Забиваем Сайты В ТОП КУВАЛДОЙ - Уникальные возможности от SeoHammer
Каждая ссылка анализируется по трем пакетам оценки: SEO, Трафик и SMM.
SeoHammer делает продвижение сайта прозрачным и простым занятием.
Ссылки, вечные ссылки, статьи, упоминания, пресс-релизы - используйте по максимуму потенциал SeoHammer для продвижения вашего сайта.
Что умеет делать SeoHammer
— Продвижение в один клик, интеллектуальный подбор запросов, покупка самых лучших ссылок с высокой степенью качества у лучших бирж ссылок.
— Регулярная проверка качества ссылок по более чем 100 показателям и ежедневный пересчет показателей качества проекта.
— Все известные форматы ссылок: арендные ссылки, вечные ссылки, публикации (упоминания, мнения, отзывы, статьи, пресс-релизы).
— SeoHammer покажет, где рост или падение, а также запросы, на которые нужно обратить внимание.
SeoHammer еще предоставляет технологию Буст, она ускоряет продвижение в десятки раз,
а первые результаты появляются уже в течение первых 7 дней.
Зарегистрироваться и Начать продвижение
Чертежи можно выполнять от руки или машинным способом с использованием прикладных программ (AutoCAD, Компас). Выполненные чертежи контрольной работы нужно сброшюровать в альбом формата А3 с обложкой в виде титульного листа (образец титульного листа приведен в приложении А). На титульном листе указывают наименование учебного заведения, специальность, наименование дисциплины, фамилию и инициалы, номер группы, фамилию и инициалы преподавателя, учебный год. Не зачтенную контрольную работу нужно поправить или переделать в зависимости от указаний преподавателя и повторно сдать на проверку. Рецензия на контрольную работу рассматривается на зачете.
1 Список литературы
1. Боголюбов С.К. Черчение: Учебник для средних специальных учебных заведений. – 2-е изд., испр. – М.: Машиностроение, 1989. – 336 с.: ил.
2. Миронова Р.С., Миронов Б.Г. Сборник заданий по инженерной графике: Учебное пособие.-2-е изд., испр.- М.: Высш. шк.; Изд. центр «Академия», 2000.-236 с.: ил.
3. Чекмарев А.А., Осипов В.К. Справочник по машиностроительному черчению. – 2-е изд.., перераб. М.: Высш. шк.: Изд. центр «Академия», 2000.- 493 с.: ил.
4. Стандарты ЕСКД. Основные положения. ИПК Издательство стандартов, 2001. – 256 с.: ил.
2
C
одержание дисциплины
Введение. Цели и задачи дисциплины
1 Геометрическое черчение
1.1 Основные сведения по оформлению чертежей
1.2 Чертежный шрифт и выполнение надписей на чертежах
1.3 Геометрические построения и приемы вычерчивания контуров
технических деталей
2 Проекционное черчение
2.1 Проецирование точки. Комплексный чертеж точки
2.2 Проецирование отрезка прямой линии
2.3 Проецирование плоскости
2.4 Проецирование геометрических тел
2.5 Аксонометрические проекции
2.6 Способы преобразования проекций
2.7 Сечение геометрических тел плоскостями
2.8 Взаимное пересечение поверхностей тел
2.9 Проекции моделей
2.10 Техническое рисование и элементы технического конструирования
3 Машиностроительное черчение
3.1 Основные положения машиностроительного черчения
3.2 Изображения- виды, разрезы, сечения
3.3 Резьба и резьбовые изделия
3.4 Эскизы деталей и рабочие чертежи
3.5 Разъемные и неразъемные соединения деталей
3.6 Зубчатые передачи
3.7 Общие сведения об изделиях и составлении сборочных чертежей
3.8 Чтение и деталирование чертежей
4 Чертежи и схемы по специальности
Сервис онлайн-записи на собственном Telegram-боте
Попробуйте сервис онлайн-записи VisitTime на основе вашего собственного Telegram-бота:
— Разгрузит мастера, специалиста или компанию;
— Позволит гибко управлять расписанием и загрузкой;
— Разошлет оповещения о новых услугах или акциях;
— Позволит принять оплату на карту/кошелек/счет;
— Позволит записываться на групповые и персональные посещения;
— Поможет получить от клиента отзывы о визите к вам;
— Включает в себя сервис чаевых.
Для новых пользователей первый месяц бесплатно.
Зарегистрироваться в сервисе
4.1 Виды и типы схем, их обозначение, требования к выполнению схем
4.2 Условные графические обозначения, применяемые в схемах
| Специальность
|
Изучаемые схемы и чертежи
|
| 1105,1101
|
Структурные схемы
|
| 1701
|
Кинематические или гидравлические
схемы
|
| 2101
|
Электрические cхемы
|
| 1806
|
Электрические схемы
|
| 2201
|
Схемы алгоритмов и программ
|
5 Общие сведения о машинной графике
5.1 Система автоматизированного проектирования (САПР) на персональных компьютерах. Система Автокад. Основные сведения и возможности
5.2 Порядок и последовательность работы с системой Автокад: запуск
системы, выполнение чертежа, сохранение чертежа, получение твердой
копии
3 Контрольная работа
Контрольная работа выполняется на листах формата А3 (297*420мм) карандашом (или автоматизированным способом) по индивидуальным заданиям.
Перечень графических работ:
1. Контур детали с применением деления окружности на равные части, построением сопряжений и нанесением размеров
2. Тела геометрические
3. Пересечение поверхности геометрического тела плоскостью
4. Комплексный чертёж модели с применением необходимых простых разрезов; аксонометрическая проекция модели с вырезом передней четверти
5. Соединения резьбовые
6. Передача зубчатая цилиндрическая (для специальности 1701)
7,8. Альбом эскизов
9. Рабочий чертеж детали
10. Сборочный чертеж
11. Чертеж или схема по специальности
Перед выполнением очередного листа изучите соответствующую тему программы. Работать над выполнением листов нужно в определенной последовательности: сначала ознакомится с содержанием и образцом листа, найти задание своего варианта, изучить методические рекомендации к графической работе и приступить к вычерчиванию листа.
Студенты, которые умеют работать с графическими программами Автокад, Компас могут выполнять чертежи автоматизированным способом.
Формат А3 необходимо располагать горизонтально. На формате в соответствии с ГОСТ 2. 301-68 вычерчивается внутренняя рамка поля чертежа. Её стороны идут параллельно сторонам формата на расстоянии 20 мм с левой стороны и 5 мм с трех других сторон. Обводится эта рамка сплошной толстой основной линией. Пример расположения формата показан на рисунке 1.
Основную надпись в соответствии с ГОСТ 2.104-68 располагают в правом нижнем углу. На форматах выполняют рамку 70*14мм – обозначение документа, повернутое на 180° при расположении основной надписи вдоль длинной стороны листа и на 90° для форматов при расположении основной надписи вдоль короткой стороны листа.

Рисунок 1- Расположение формата А3
В основной надписи пишут (рисунок 2):
· в графе 1- наименование изделия и вид документа. Наименование изделия в соответствии с ГОСТ 2.109-73 записывается в именительном падеже, единственном числе. На первом месте стоит имя существительное.
Например: Корпус
·в графе 2 - шифр чертежа.
Шифр чертежа состоит из: МЧ.1701.01.09.00.00
МЧ
- машиностроительный чертеж,
1701
- шифр специальности
01-
номер графической работы
09-
номер варианта
00
- нумерация для сборочных единиц
00-
нумерация для деталей
· в графе 3- обозначение материала детали по соответствующему стандарту с номером стандарта.
· в графе 4- наименование учебного заведения и группу. Например:
ЧМК
Группа ЗО-3-ТО
. В графе Разработал-
фамилия и инициалы студента
В графе Проверил-
фамилию и инициалы преподавателя
В графе Лист
– порядковый номер листа. Для чертежей размещающихся на одном листе, графу не заполняют.
В графе Листов
– общее количество листов, на которых выполнен данный чертеж.
В графе Литера
- у (учебный)
В графе Масштаб
- масштаб в котором выполнен чертеж.
Например: 1:1
В графе Подпись-
карандашом ставится подпись студента
В графе Дата-
дата выполнения чертежа
Графы Нормоконтроль и Утвердил
на учебных чертежах не заполняют
Образец основной надписи показан на рисунке 2.

Рисунок 2 - Основная надпись форма 1
Если чертеж выполняют на двух и более листах, то применяют основную
надпись по форме 2а, которая показана на рисунке 3.
В графе 2 пишут шифр чертежа точно такой же как и на первом листе.
В графе Лист
ставят номер листа.
Перед тем, как приступить к выполнению контрольной работы изучите темы связанные с оформлением конструкторского документа:
· Форматы ГОСТ 2.301-68, ГОСТ 2.302-68
· Масштабы ГОСТ 2.303-68
· Линии ГОСТ 2.303-68
· Шрифты чертежные ГОСТ 2.304-81
Все надписи на чертежах и размерные числа выполняют чертежным шрифтом типа Б с углом наклона 75 градусов.

Рисунок 3- Основная надпись форма 2а
4 Графическая работа № 1
Содержание работы
: вычертить контур детали в масштабе 1:1, применяя правила построения сопряжений и деления окружностей на равные части, нанести размеры.
Цель работы
: изучить деление окружности на равные части, построение сопряжений и правила нанесения размеров.
Методические указания
В практике при выполнении чертежей деталей встречаются случаи, где требуется деление окружности на равные части, которое выполняют с помощью треугольников, циркуля, применяя также таблицу коэффициентов.
При выполнении чертежей деталей также встречаются случаи плавного перехода от одной линии к другой, называемые сопряжениями. Различают виды сопряжений:
· Сопряжение двух прямых дугой окружности заданного радиуса
· Сопряжение дуги окружности и прямой линии дугой заданного радиуса
· Сопряжение углов дугой заданного радиуса
· Сопряжение двух окружностей дугой заданного радиуса. Различают внешнее, внутреннее и смешанное касания.
Чтобы построить сопряжение необходимо найти:
1. Центр сопряжения
2. Точки сопряжения
Прежде чем приступить к выполнению графической работы необходимо изучить главы 5-7 в учебнике «Черчение» С.К.Боголюбов.
Порядок выполнения работы
Образец выполнения работы показан на странице 12. Варианты выбирают на страницах 13 - 21.
Приступая к выполнению чертежа, проводят анализ графического состава изображения детали, т. е. определяют последовательность выполнения чертежа.
Чертеж детали начинают с проведения оси симметрии, откладывают расстояние между центрами окружностей. Выполняют элементы, которые будут сопрягаться. Строят сопряжения. При вычерчивании сопряжений необходимо точное построение центра сопряжения и точек сопряжения. Выполнить деление окружности на равное число частей с помощью циркуля. Линии построения не сохранять. Обвести контур чертежа. Обводку начинают с проведения окружностей и дуг от точек сопряжения. Нанести размеры. Заполнить основную надпись. Наименование детали указано на карточке.
5 Графическая работа №2
Содержание работы
: выполнить комплексный чертеж геометрического тела, построить проекции точек, принадлежащих поверхности тела. Выполнить аксонометрическую проекцию тела. Построить проекции точек, принадлежащих поверхности тела.
Цель работы
: изучить метод прямоугольного проецирования геометрических тел, освоить приемы проецирования точки на три плоскости проекций, научиться выполнять аксонометрические проекции.
Методические указания
Правила изображения на чертежах любых предметов, в том числе геометрических тел устанавливает ГОСТ 2.305-68. В этом стандарте оговорено, что изображения предметов должны быть получены с помощью метода прямоугольного проецирования и за основные плоскости проекций приняты шесть граней куба.
В проекционном черчении для построения изображений геометрических тел используют три грани куба. По стандарту изображения на этих гранях (плоскостях проекций) называют: вид спереди или главный вид (фронтальная плоскость проекций), вид сверху (горизонтальная проекция) и вид слева (профильная проекция).
Геометрические тела (изделия) ориентируют относительно плоскостей проекций так, чтобы их основные измерения (длина, ширина, высота) были бы параллельны этим плоскостям. На построенных изображениях рекомендуется показывать кроме видимых линий контура также невидимые, которые облегчают чтение чертежа.
Для различных построений на чертежах геометрических тел удобно использовать прямоугольную систему координат. Координатные плоскости такой системы обычно совмещают с плоскостями симметрии тела или с его гранями, параллельными плоскостям проекций. На чертежах геометрических тел эту систему координат задают ее проекциями или вводят мысленно.
Все геометрические тела делятся на две группы: многогранники (пирамида, призма) и тела вращения (конус, цилиндр, шар, тор)
Аксонометрическая проекция это наглядное изображение геометрического тела (изделия), полученное проецированием его на одну плоскость.
Аксонометрические проекции, у которых проецирующие лучи перпендикулярны к плоскости проекций, называют прямоугольными. Среди них наибольшее применение нашли:
· прямоугольная изометрическая проекция
· прямоугольная диметрическая проекция
Эти виды проекций применяют в согласно ГОСТ 2.317-69.
Прежде чем приступить к выполнению графической работы необходимо изучить главы 11-13, 16, 17 в учебнике С.К. Боголюбов «Черчение».
Порядок выполнения работы
1. Образец выполнения работы показан на странице 24. Варианты выбирают на страницах 25 – 34.
2. По двум заданным проекциям геометрического тела постройте третью, для этого сначала постройте прямоугольные оси координат X, Y, Z. Далее по размерам перечертите заданные проекции, недостающую постройте с помощью вспомогательной прямой комплексного чертежа. Линии проекционной связи выполните сплошной тонкой.
3. По заданным размерам постройте известные проекции точек. Определите недостающие проекции точек. Линии связи между проекциями точек проводите тонкими линиями и не стирайте их.
4. На чертежах принято обозначать:
А- наглядное изображение точки
a’ – фронтальная проекция точки А
а - горизонтальная проекция точки А
a” – профильная проекция точки А
5. Если проекция точки невидимая, то она обозначается следующим образом (a”).
6. Выполните аксонометрическую проекцию геометрического тела.
7. Постройте наглядное изображение точек на поверхности геометрического тела.
8. Масштаб выберите самостоятельно. В графе наименование укажите имя геометрического тела, например: Призма
6 Графическая работа № 3

Содержание работы:
построить три проекции геометрического тела, усеченного плоскостью Р, натуральную величину фигуры сечения, развертку и изометрию.
Цель работы:
закрепление навыков метода прямоугольного проецирования геометрических тел, изучить способы преобразования проекций, выполнение разверток геометрических тел.
Методические указания
Геометрические тела усекают проецирующими плоскостями. Проецирующей называется плоскость, перпендикулярная какой либо основной плоскости проекций.
Чтобы построить натуральную величину фигуры сечения, необходимо воспользоваться одним из способов преобразования проекций:
· способ вращения;
· способ совмещения;
· способ перемены плоскостей проекций;
Разверткой называется плоская фигура, полученная при совмещении поверхности геометрического тела с одной плоскостью (без наложения граней или иных элементов друг на друга).
Прежде чем приступить к выполнению работы необходимо изучить главы 15 и18 учебника С.К. Боголюбова.
Порядок выполнения работы
Образец выполнения работы показан на странице 36. Варианты выбирают на страницах 37 – 38.
1. Выберите из двух предложенных заданий то, которое вы будете выполнять. Постройте в тонких линиях не усеченную проекцию геометрического тела по размерам указанным в задании. Постройте проецирующую секущую плоскость. Определите фигуру сечения на трех плоскостях проекций.
2. Постройте натуральную величину фигуры сечения и заштрихуйте ее.
3. Линии проекционной связи сохраните.
4. Постройте прямоугольную изометрическую проекцию усеченного геометрического тела.
5. Выполните развертку усеченного геометрического тела.
6. Обведите ваш чертеж, соблюдая толщину линий.
7. Нанесите размеры.
8. Чертеж выполните в масштабе 1:1.
9. В графе наименование напишите: Призма усеченная
или
Цилиндр усеченный
7 Графическая работа № 4
Содержание работы
: по двум видам детали построить третий вид, выполнить на главном виде соединение части вида и части разреза, на виде слева местный разрез, проставить размеры, изобразить деталь в изометрии с вырезом передней четверти.
Цель задания
: закрепление навыков построения чертежа методом прямоугольного проецирования, ознакомление с правилами выполнения разрезов.
Методические указания
Приступая к построению третьего вида детали по двум данным, нужно сначала представить форму детали. Необходимо выяснить, какие геометрические тела составляют форму детали, мысленно представить, как эти тела будут изображены на отсутствующем третьем виде. Для правильного понимания формы детали, небходимо, два данных ее вида рассматривать одновременно.
Приступая к выполнению листа, следует изучить правила построения разрезов по ГОСТ 2.305-68 “Изображения- виды, разрезы, сечения”.
Изображение на чертежах должны давать ясное представление о внешнем виде и внутреннем устройстве предмета.
Внутренние очертания, невидимые снаружи, показывают штриховыми линиями. При изображении деталей со сложным внутренним устройством большое количество штриховых линий затрудняет чтение чертежа. По такому чертежу трудно представить форму детали, а также нельзя от штриховых линий наносить размеры.
Чертеж детали можно сделать более ясным и наглядным, применяя способ условного изображения, называемый разрезом.
Разрезом называется изображение предмета, мысленно рассеченного одной или несколькими секущими плоскостями, где показывают то, что находится в секущей плоскости и то, что расположено за ней.
Штриховку выполняют сплошной тонкой линией с углом наклона 45° к горизонтальной линии и шагом штриховки 3…4 мм.
Выполняя чертеж, следует учесть следующее:
· разрез располагают от оси справа, если последняя расположена вертикально, и снизу, если ось расположена горизонтально;
· при совпадении проекции ребра с осью симметрии предмета, границей между частью вида и частью разреза, на симметричной фигуре, должна быть волнистая линия;
· простые разрезы не обозначают, если секущая плоскость и плоскость симметрии предмета совпадают и соответствующие изображения расположены на одном и том же месте в проекционной связи;
· разрезы обозначают, если секущая плоскость не совпадает с плоскостью симметрии предмета. При этом положении секущей плоскости указывается на чертеже разомкнутой линией; (рекомендуемая длина штриха для формата А3 и А4 = 8…12 мм, толщина S…1,5 S), разрез надписывают по типу: А-А , надпись следует выполнять над изображением;
· при построении нескольких разрезов на чертеже нельзя менять направление штриховки и её шаг;
· тонкие стенки, вдоль рассеченные, не штрихуют;
· при построении разрезов размеры отверстий следует наносить от образующих, на разрезах;
· не следует изображать все элементы (например, одинаковые отверстия), достаточно изобразить одно, а место расположения других указывают центровыми линиями;
· соединяя часть вида и часть разреза на изображении, следует убрать линии невидимого контура, который четко изображен на разрезе;
В таблице 1 приведены изменения в построении и оформлении чертежей
Таблица 1 – Изменения в построении и оформлении чертежей
| Старый стандарт
|
Новый стандарт
|
| I.
Изображения и обозначения на чертежах
|
| 1.
Линии сгиба на развёртках
|
| Сплошная тонкая линия
|
Штрихпунктирная с двумя точками тонкая
|
| 2. Крайние положения подвижных частей изделия
|
| Старый стандарт
|
Новый стандарт
|
| Сплошная тонкая
линия
|
Штрихпунктирная
с двумя точками тонкая
|
| 3. Обозначение направления проецирования (не изменилось)
|
| 
|

|
| 4. Обозначение видов
a)
в общем случае
|
|
Вид А
Вид Б
Вид В
М 1:4 Лист 2
|
А Б(1:4) В(лист2)
|
| b)
когда изображение повёрнуто
|
|
Вид А
повёрнуто
М 1:2
|
|
| c)
когда изображение развёрнуто
|
|
Вид А
развёрнуто
Вид Б
развёрнуто
М 1:4
|

|
| d) выносные элементы
|
| 
|

|
Порядок выполнения работы
1. Внимательно изучите образец работы представленный на странице 43 - 44. Варианты работы представлены на страницах 45 - 49. Работу выполните в масштабе 1:1.
2. Перечертите по размерам данные виды.
3. Проанализируйте геометрическую форму детали. Определите ее симметричность.
4. Найдите элементы детали, форма которых выявляется с помощью разреза. Определите направление и место секущей плоскости. Мысленно представьте фигуру сечения.
5. Снимите на разрезе линии видимого контура, относящиеся к мысленно удаляемой части детали и преобразуйте линии невидимого контура в видимые. Удалите линии невидимого контура с части вида.
6. Заштрихуйте фигуры сечения, обведите линии видимого контура сплошной толстой основной линией.
7. Нанесите размеры, указанные в задании, распределите их на три вида. Размеры, относящиеся к одному элементу, следует группировать на одном изображении.
8. На свободном месте чертежа выполните прямоугольную изометрическую проекцию детали с вырезом передней четверти. Постройте деталь в тонких линиях, мысленно разрежьте ее фронтальной и профильной плоскостями, проходящими через оси симметрии детали. Заключенную между ними четверть детали удаляют, становится видна внутренняя конструкция детали.
9. Линии штриховки наносят параллельно диагоналям квадратов, лежащих в соответствующих координатных плоскостях, стороны которых параллельны аксонометрическим осям.
Графическая работа №5 (для всех специальностей)
Соединения резьбовые
Сборочный чертёж
Содержание работы:
на листе формата А3 выполнить два примера резьбовых соединений.
а)
Упрощённое соединение двух деталей болтом.
в)
Начертить деталь А(Б), ввёрнутой в деталь Б(А).
На чертежах поставить основные размеры (для сборочных чертежей). Чертёж болтового соединения оформить как сборочный – с нанесением номеров позиций и составлением спецификации.
Цель работы:
· научиться выполнять чертежи резьбовых соединений, с использованием справочной литературы;
· освоить первоначальные элементы по оформлению сборочных чертежей и спецификации.
Методические указания
1. Для правильного выполнения графической работы №5 необходимо ознакомиться с ГОСТ 2. 315 – 68 «Упрощённые и условные изображения крепёжных деталей на сборочных чертежах» и использовать справочные материалы, помещённые:
· учебник С.К. Боголюбов «Черчение» 1989 год, глава 33, страницы 180 – 184;
· А. А. Чекмарёв, В. К. Осипов «Справочник по машиностроительному черчению» 2002 год, глава 10, страницы 262 – 268.
2. При выполнении упрощённого соединения двух деталей болтом предлагается определить длину болта (l
) по формуле:
l = m + n + s + H + k,
где m, n – толщина соединяемых деталей в мм;
s – толщина шайбы в мм;
H – высота гайки в мм;
k – длина выступающего над гайкой конца болта в мм.
3. Подсчитав длину болта, по таблице 19 (учебник С.К. Боголюбов «Черчение» 1989 год, страница 176) или по таблице 9.1 (А. А. Чекмарёв, В. К. Осипов «Справочник по машиностроительному черчению» 2002 год, страницы 209 – 210) подбирают значение l
в зависимости от диаметра болта d
.
4. Начертить упрощённое болтовое соединение (в соответствии с образцом работы на странице 57, 58) по своему варианту (страница 59 – 76)
5. Нанести основные размеры, учитывая, что на сборочных чертежах проставляют не все размеры, а только габаритные, установочные,
присоединительные и необходимые справочные.
· Габаритные размеры определяют предельные внешние или внутренние очертания изделия
· Присоединительные размеры определяют размеры, по которым изделие присоединяется к другим изделиям.
6. Нанести номера позиций, в соответствии с рисунком 4.

Рисунок 4 – Нанесение линий-выносок
· На сборочных чертежах номера позиций на поле чертежа наносят в соответствии с порядком записи составных частей в спецификации.
· Номера позиций деталей, материалов или сборочных единиц, входящих в изделие, указывают на полках линий-выносок, проводимых от соответствующих деталей, материалов или сборочных единиц.
· Линии-выноски и полки на чертежах выполняют сплошной тонкой линией.
· Линию-выноску заканчивают точкой или стрелкой, если характер изображения составной части не позволяет закончить линию-выноску точкой.
· Линии-выноски по возможности не должны пересекаться с размерными и выносными линиями, что обеспечивается при коротких выносных линиях и оптимальной группировке позиций.
· Линии-выноски при пересечении заштрихованных участков изображений (разрезов, сечений) должны быть непараллельны линиям штриховки.
· Номера позиций располагают параллельно основной надписи чертежа вне контура изображения и группируют их в колонку или строчку
по возможности на одной линии и как можно ближе к
изображению, рисунок 4.
· Номера позиций присваивают всем составным частям изделия, т. е. сборочным единицам, деталям, стандартным изделиям и материалам.
· Нанесение номеров позиций выполняют по принципу сквозной нумерации.
· Порядок нумерации составных частей изделия следующий: вначале обозначают сборочные единицы изделия, затем его детали, далее стандартные изделия и в последнюю очередь материалы.
7. Составить спецификацию.
Спецификация
ГОСТ 2. 108 – 68
Спецификация представляет собой текстовой документ, определяющий состав изделия, состоящего из двух и более частей.
Спецификация выполняется и оформляется на отдельных листах формата А4 по форме приведённой образце к графической работе №5.
При большом количестве составных частей изделия спецификация оформляется на нескольких листах.
В нижней части первого листа должна быть основная надпись по
форме 2, рисунок 5

Рисунок 5 – Основная надпись, форма 2
На втором и последующих листах выполняют основную надпись по форме 2а, рисунок 6.

Рисунок 6 – Основная надпись, форма 2а
Спецификация в общем случае состоит из разделов, которые располагают в следующей последовательности:
· документация;
· комплексы;
· сборочные единицы;
· детали;
· стандартные изделия;
· прочие изделия;
· материалы;
· комплекты.
Наличие тех или иных разделов в спецификации определяется составом изделия.
Порядок заполнения спецификации
представлен на образце к графической работе №5
Графа «Наименование
Записывают наименование каждого раздела в виде заголовка и подчёркивают сплошной тонкой линией. Перед наименованием каждого раздела, а также после наименования оставляется по одной свободной строке.
После каждого раздела спецификации необходимо оставлять несколько cвободных строк для дополнительных записей.
В графе «Наименование» указывается:
· в разделе «Документация» - наименование документа, например «Сборочный чертёж», «Вид общий». Пояснительная записка вписывается в спецификацию «основного» чертежа (по которому разработана текстовая часть дипломного проекта)
· в разделах «Сборочные единицы» и «Детали» - наименование изделия или детали.
· в разделе «Стандартные изделия» записывают условное обозначение изделия, распределяя их по однородным группам, например:
крепёжные изделия, арматура, смазочные устройства, гидравлика, электрооборудование, изделия разные.
В пределах каждой группы изделия записывают в алфавитном порядке и в порядке возрастания обозначений (рисунок 7).
· в разделе «Материалы» указывают обозначения материалов, установленные стандартами. Материалы записывают по видам: металлы чёрные, магнитоэлектрические и ферромагнитные, цветные, благородные, редкие и т. д.
Графа «Обозначение».
Указывают обозначение документов, сборочных единиц и деталей. Для остальных разделов спецификации данная графа не заполняется.
Графа «Поз.» (позиция)
. Указывают порядковые номера составных частей, в последовательности записи их в спецификацию.
Составным частям радела «Документация» номера позиций не присваивают.
Графа «Формат»
. Записывают обозначение формата листа конструкторского документа (А1, А2…..). Для деталей на которые не выпущены чертежи (не выполнена деталировка), проставляют шифр БЧ
(без чертежа).
Если чертёж выполнен на нескольких листах, то в графе «Формат» ставят *, а в графе «Примечание» знак звёздочки повторяют и перечисляют все форматы в порядке их увеличения, например:
А1×3
или А1, А1
Для разделов «Стандартные изделия», «Материалы» графу «Формат» не заполняют.
Графа «Кол» (количество)
. Указывают количество каждого изделия. В разделе «Документация» эта графа не заполняется.
Графа «Примечание»
. Указывают дополнительные сведения, относящиеся к изделиям. Например, для деталей, на которые не выполнена деталировка, указывают массу. Графа не обязательно должна быть заполнена.
Обратите внимание.
Обозначение сборочного чертежа изделия идентично обозначению в соответствующей спецификации, но в конце этого обозначения записывается шифр СБ
(сборочный)
ДП.1701.02.00.00 СБ - для чертежа
ДП.1701.02.00.00 - для спецификации
8. При изображении в разрезе двух смежных деталей следует делать разный наклон штриховки влево или вправо. Если же в смежных сечениях направление штриховок совпадает, то на одном сечении изменяют расстояния между линиями штриховки или сдвигают линии штриховки одного сечения относительно другого.
Порядок выполнения работы
1. На листе формата А3 начертить внутреннюю рамку и основную надпись.
2. Выполнить в левой части формата задание варианта под буквой «а» - упрощённое соединение двух деталей болтом:
· Определить по варианту чертежа диаметр болта d
;
· Определить по варианту чертежа m
,
n
– толщину соединяемых деталей;
· Подсчитать по формулам условные соотношения размеров в зависимости от диаметра резьбы болта d
,
рисунок 2
D – диаметр гайки и головки болта
D = 2 × d
h – высота головки болта
h = 0,7 × d
Dш –
диаметр шайбы
Dш
= 2,2 × d
S – высота шайбы
S = 0,15 × d
H – высота гайки
H = 0,8 × d
k – длина выступающего над гайкой конца болта
k =0,3 × d
· Определить длину болта (l
) по формуле: l = m + n + s + H + k .
· По таблице 19 (учебник С.К. Боголюбов «Черчение» 1989 год, страница 176) или по таблице 9.1 (А. А. Чекмарёв, В. К. Осипов «Справочник по машиностроительному черчению» 2002 год, страницы 209 – 210) подбирают значение l
в зависимости от диаметра болта d
.
· Например при определении длины болта по формуле получилось l =71, по таблице определяем ближайшее значение l =70, отсюда следует, что мы должны при вычерчивании уменьшить значение k на 1 мм, чтобы получить стандартную длину болта.
· Начертить вид слева упрощённого соединения двух деталей болтом.
· Начертить главный вид упрощённого соединения двух деталей болтом.
· Нанести размеры.
· Проставить номера позиций.
· Составить спецификацию.
3. Выполнить в правой части формата задание варианта под буквой «в» - деталь А(Б), ввёрнутой в деталь Б(А).
· Рекомендуется ввёртывать одну деталь в другую не полностью, а на 10 – 15 мм. Это позволит более наглядно отобразить особенности вычерчивания резьбы двух соединяемых деталей.
· Нанести габаритные размеры и размер резьбы.
4. Заполнить основную надпись.
Графическая работа №6 (для специальности 1701)
Передача зубчатая цилиндрическая
Сборочный чертёж
Содержание работы:
на листе формата А3 выполнить чертёж цилиндрической зубчатой передачи. На чертеже поставить основные размеры (для сборочных чертежей), нанести номера позиций и составить спецификацию.
Цель работы:
· научиться выполнять чертеж цилиндрической зубчатой передачи, с использованием справочной литературы;
· освоить первоначальные элементы по оформлению сборочных чертежей и спецификации.
Методические указания
1. Для правильного выполнения графической работы №5 необходимо ознакомиться с ГОСТ 2.402 - 68 «Правила выполнения изображения зацеплений в зубчатых передачах» и использовать справочные материалы, помещённые:
· учебник С.К. Боголюбов «Черчение» 1989 год, глава 44 - 47, страницы 227 –237.
2. Выполнить чертёж цилиндрической зубчатой передачи в соответствии с образцом работы. Размеры отдельных элементов колёс, необходимые для выполнения чертежа, даны на странице 9.
Порядок выполнения работы
1. На листе формата А3 начертить внутреннюю рамку и основную надпись.
2. Выполнить в правой верхней части формата таблицу параметров (учебник С.К. Боголюбов «Черчение» 1989 год, глава 47, страница 234).
3. Заполнить таблицу параметров по образцу работы.
4. Определить по варианту:
· m – модуль зацепления;
· z1
- количество зубьев малого колеса (шестерни);
· z2
- количество зубьев большого колеса;
· D B
1
– диаметр шейки вала большого колеса;
· D B
2
– диаметр шейки вала шестерни.
5. Определить параметры зубчатых колёс по формулам таблицы 1.
Таблица 2 - Параметры цилиндрических зубчатых колёс
| Параметр
|
Обозначение
|
Расчётная формула
|
| шестерни
|
большого колеса
|
| Делительные окружности
|
d
|
d1
= z1
× m
|
d2 =
z2
× m
|
| Диаметры вершин зубьев
|
da
|
da1
= m (z1
+ 2)
|
da2
= m (z2
+ 2)
|
| Диаметр впадин
|
df
|
df1
= m (z1
– 2,5)
|
df2
= m (z2
– 2,5)
|
| Диаметры валов
|
D
|
D1
= 1,2 × D1
|
D2
= 1,2 × D2
|
| Размер фаски на валу
|
с
|
с = 1,5….3 мм
|
с = 1,5….3 мм
|
| Длины ступиц
|
LСТ
|
LСТ
1
=1,5 × D B1
|
LСТ
2
=1,5 × D B2
|
| Наружные диаметры ступиц
|
DСТ
|
DСТ
1
=1,6 × D B1
|
DСТ
2
=1,6 × D B2
|
| Ширина зубчатого венца
|
b
|
b = 6…7 × m
|
| Толщина обода зубчатого венца
|
δ1
|
δ1
=2,25 × m
|
| Толщина диска
|
δ2
|
δ2
= 1/3 × b
|
| Высота головки зуба
|
ha
|
ha
= m
|
| Высота ножки зуба
|
hf
|
hf
= 1,25 × m
|
| Межосевое расстояние
|
a
|
a = 0,5 (d1
+ d2)
|
6. По диаметрам валов, пользуясь ГОСТ 23360 – 78 (учебник С.К. Боголюбов
«Черчение» 1989 год, страница 221), подбирают размеры шпоночных пазов.
7. Построение изображения зубчатого зацепления начинают с вида слева.
8. Нанести межосевое расстояние a.
9. Провести на виде слева:
· осевые линии;
· делительные окружности d1
и d2
шрихпунктирной линией, они должны касаться друг друга в точке, расположенной на оси, соединяющей центры зубчатых колёс;
· окружности вершин зубьев da
1
и da
2
сплошной основной линией;
· окружности впадин df
1
и df
2
сплошной тонкой линией;
· окружности, соответствующие диаметрам шеек валов D B
1
и D B
2
с фасками;
· окружности, соответствующие наружным диаметрам ступиц DСТ1
и DСТ2
;
10. Для построения фронтального разреза из точек пересечения окружностей с вертикальной осевой линией проводят линии связи (учебник С.К. Боголюбов «Черчение» 1989 год, страница 236, рисунок 410 б).
11. Построить на главном виде и виде слева:
· шпоночные пазы (по подобранным размерам);
12. На виде слева построить окружность по толщине обода зубчатого венца.
13. Удалить лишние линии.
14. Обвести чертёж.
15. Заштриховать разрезы (угол наклона в разные стороны).
16. На фронтальном разрезе зуб ведущего колеса (сообщающее движение) изображается расположенным перед зубом ведомого колеса. Ввиду имеющейся разницы высот головки и ножки зубьев получаются радиальные зазоры (учебник С.К. Боголюбов «Черчение» 1989 год, страница 237, рисунок 411).
17. Нанести размеры диаметров шеек валов и межосевого расстояния.
18. Проставить номера позиций.
19. Составить спецификацию.
20. Заполнить основную надпись.
Графическая работа №7,8 (для всех специальностей)
Выполнение эскизов деталей
Содержание работы:
на листах формата А4 выполнить эскизы деталей по заданию преподавателя. Проставить размеры, обозначения шероховатости поверхностей.
Цель работы:
· научиться поэтапно выполнять эскизы деталей, с использованием справочной литературы.
Методические указания
1. Для правильного выполнения графической работы №7 необходимо изучить материал по учебнику С.К. Боголюбов «Черчение» 1989 год, глава36 – 41,страница 190 - 211.
2. Полученные детали следует тщательно осмотреть, выявить особенности их формы, установить рабочее положение детали или положение, в котором она обрабатывалась на станке; выбрать главный вид детали из такого расчёта, чтобы этот вид давал наиболее полное представление о форме и размерах детали; определить необходимое число видов, наметить рациональные разрезы и сечения.
3. При выполнении эскизов следует придерживаться той последовательности, которая рекомендована в учебной литературе.
4. Для ускорения работы деталь следует обмерять после составления эскиза, когда полностью подготовлены размерные линии для всех необходимых размеров.
5. Примеры выполнения эскизов приведены в образце работы.
6. Эскиз – конструкторский документ, выполненный от руки, без применения чертёжных инструментов, без точного соблюдения масштаба, но с обязательным соблюдением пропорций элементов деталей. Эскиз является временным чертежом и предназначен для разового использования.
7. Эскиз должен быть оформлен аккуратно с соблюдением проекционных связей и всех правил и условностей, установленных стандартами ЕСКД.
8. Эскиз может служить документом для изготовления детали или для выполнения её рабочего чертежа.
9. Выполнение эскизов (эскизирование) производится на листах любой бумаги стандартного формата.
10. Обозначение шероховатости поверхности
Согласно ГОСТ 2789 -73 требования к шероховатости поверхности должны быть обоснованными и устанавливаться, исходя из функционального назначения поверхности.
Структура обозначения шероховатости поверхности
приведена на рисунке 7. При наличии в обозначении шероховатости только значения параметра применяют знак без полки.
 
1 – графический знак шероховатости;
2 – параметр шероховатости;
3 – полка знака;
4 – базовая длина;
5 – условное обозначение направления неровностей;
6 – способ обработки и (или) другие дополнительные указания.
h = высоте цифр размерных чисел, применяемых на чертеже;
H = (1.5……3) × h.
Рисунок 7 – Структура обозначения шероховатости поверхности
В обозначении применяют один из знаков шероховатости:

- способ обработки поверхности не устанавливается;
- удаляется слой материала;
- поверхность образуется без удаления слоя материала.
11. Выбор шероховатостей для поверхностей деталей
Необходимая шероховатость поверхностей деталей задаётся с учётом их назначения и условий работы. Чтобы правильно задать шероховатость поверхности, надо обладать опытом конструирования и знаниями технологии машиностроения. В учебных условиях шероховатость поверхности задаётся ориентировочно в соответствии с таблицей 3.
Та блица 3 – Выбор шероховатости поверхности
| Ориентировочный выбор
|
Параметр
Ra
,
мкм
|
Параметр
Rz
,
мкм
|
| 1. Если детали соприкасаются между собой и перемещаются относительно друг друга
|
2,5
|
2,0
|
1,60
|
1,25
|
1,0
|
10
|
12,5
|
16
|
| 0,80
|
0,63
|
0,50
|
0,40
|
0,32
|
| 2. Если детали соприкасаются между собой и неподвижны относительно друг друга
|
20
|
16
|
12,5
|
10
|
8,0
|
80
|
63
|
50
|
40
|
32
|
| 6,3
|
5,0
|
4,0
|
3,2
|
2,5
|
25,0
|
20,0
|
16,0
|
12,5
|
10
|
| 3. Поверхности деталей, не соприкасающиеся с какими-либо поверхностями
|
20
|
16
|
12,5
|
10
|
8,0
|
80
|
63
|
50
|
40
|
32
|
| 6,3
|
5,0
|
25,0
|
20,0
|
|
|
|
| 4. При предъявлении эстетических требований к внешнему виду поверхностей
|
5,0
|
4,0
|
3,2
|
2,5
|
2,0
|
20,0
|
16,0
|
12,5
|
10
|
8,0
|
| 1,60
|
1,25
|
6,3
|
|
|
|
|
| 5. Шероховатость поверхности резьбы
|
10
|
8,0
|
6,3
|
5,0
|
4,0
|
40
|
32
|
25,0
|
20,0
|
16,0
|
| 3,2
|
2,5
|
2,0
|
1,60
|
1,25
|
12,5
|
10
|
8,0
|
6,3
|
|
| По способу обработки
|
| 6. Фрезерование и развёртывание
|
2,5
|
2,0
|
1,60
|
1,25
|
1,0
|
|
|
|
|
|
| 0,80
|
0,63
|
0,50
|
0,40
|
0,32
|
|
|
|
|
|
| 7. Точение и расточка
|
40
|
32
|
25
|
20
|
16,0
|
|
|
|
|
|
| 12,5
|
10
|
8,0
|
6,3
|
5,0
|
|
|
|
|
|
| 4,0
|
3,2
|
2,5
|
2,0
|
1,60
|
| 1,25
|
1,0
|
0,80
|
0,63
|
0,50
|
| 8. Протягивание и шлифование
|
2,5
|
2,0
|
1,60
|
1,25
|
1,0
|
|
|
|
|
|
| 0,80
|
0,63
|
0,50
|
0,40
|
0,32
|
|
|
|
|
|
| 0,25
|
0,20
|
0,160
|
| 9. Сверление
|
80
|
63
|
50
|
40
|
32
|
| 25,0
|
20,0
|
16,0
|
12,5
|
10
|
| 8,0
|
6,3
|
5,0
|
4,0
|
3,2
|
| 10. Резьбонарезание
|
40
|
32
|
25,0
|
20,0
|
16,0
|
| 12,5
|
10
|
8,0
|
6,3
|
5,0
|
| 4,0
|
3,2
|
2,5
|
2,0
|
1,60
|
· Если все поверхности детали имеют одинаковую шероховатость, то её обозначение помещают в правом верхнем углу чертежа и на изображении не наносят. Размер знака, вынесенного в правый верхний угол чертежа, должен обводиться утолщённой линией и быть приблизительно в 1,5 раза больше, чем в обозначении на изображении, рисунок 8
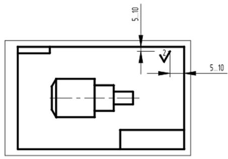
· Обозначение в правом верхнем углу чертежа должно располагаться на расстоянии 5-10 мм от сторон рамки.

Рисунок 8 – Обозначение одинаковой шероховатости
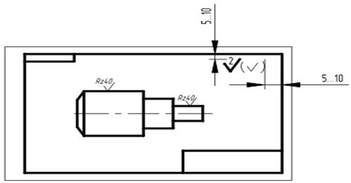
· В случае одинаковой шероховатости большей части поверхности детали в правом верхнем углу чертежа помещается обозначение одинаковой шероховатости и условное обозначение знака в скобках, которые означают, что все поверхности, не имеющие на чертеже знаков шероховатости, должны иметь шероховатость, указанную перед скобкой. Размеры знаков в скобке и на изображении – одинаковы; размер знака
перед скобкой увеличивается в 1,5 раза, утолщается и линия знака, рисунок 9.

Рисунок 9 – Обозначение шероховатости поверхности
· Обозначения шероховатости поверхности н еобходимо располагать как можно ближе к размерной линии, относящейся к данной поверхности.
Порядок выполнения работы
1. Получить у преподавателя детали для выполнения эскизов. Эскиз каждой детали выполнять на отдельном формате А4 (можно лист в клетку или миллиметровку).
2. Ознакомление с деталью.
3. Выбор главного вида и других необходимых изображений.
4. Подготовка формата листа (рамка, основная надпись).
5. Компоновка изображений на листе.
6. Нанесение изображений элементов детали.
7. Оформление видов, разрезов и сечений.
8. Нанесение размерных линий и условных знаков, определяющих шероховатость поверхностей.
9. Обмер детали и нанесение размерных чисел.
10. Окончательное оформление эскиза (в графе «Наименование чертежа» основной надписи записывается наименование детали в именительном падеже, единственного числа, без переноса части слова на другую строку).
Графическая работа №9 (для всех специальностей)
Выполнение рабочего чертежа детали по одному из эскизов графической работы 7,8
Содержание работы:
на листе формата А3 выполнить рабочий чертёж одной детали по заданию преподавателя. Проставить размеры, обозначения шероховатости поверхностей, оформить технические требования.
Цель работы:
· научиться поэтапно выполнять рабочий чертёж детали по эскизу, с использованием справочной литературы.
Методические указания
1. Для правильного выполнения графической работы №9 необходимо изучить материал по учебнику С.К. Боголюбов «Черчение» 1989 год, глава 42, страница 212 – 219.
2. Основные требования к рабочим чертежам деталей изложены в ГОСТ 2.109 – 73.
На рабочем чертеже детали указывают:
· размеры;
· предельные отклонения (на учебном чертеже допускается не указывать);
· шероховатость поверхности;
· технические требования (заголовок «Технические требования» не пишут);
· материал, из которого изготовлена деталь и другие данные, которые обеспечивают необходимое качество изготовления и контроля изделия.
· Изделие, при изготовлении которого предусматривается припуск на последующую обработку отдельных элементов в процессе сборки, указывают на чертеже с размерами, предельными отклонениями и другими данными, которым оно должно соответствовать после сборки, а в технических требованиях делают запись типа «Размеры в скобках после сборки».
11. Расположение изображений деталей на рабочих чертежах не должно быть обязательно таким же, как на эскизе. Все виды, разрезы, сечения и другие изображения выполняются по рекомендациям ГОСТ 2.305 – 68.
Для чертежа детали выбирается:
· масштаб изображений, с учётом её формы и размеров;
· формат листа;
· небольшие проточки, углубления, выступы и т. п. желательно изображать в виде выносных элементов в большом масштабе;
· для симметричных деталей обязательно применяется соединение части вида и части соответствующего разреза. Часть вида всегда располагается слева или сверху от оси симметрии.
Порядок выполнения работы
1. Выбрать главный вид вычерчиваемой детали (по эскизу) – вид спереди. Он должен дать наиболее полное представление о форме и размерах детали. Выбор главного вида обусловливается также рабочим положением детали или преимущественным положением её при обработке. Обычно изображение вида спереди для детали типа корпуса, крышки, фланца соответствует её рабочему положению.
Вид спереди детали, представляющей собой тело вращения (валик, ось, втулка и т.д.), должен быть вычерчен так, чтобы её ось располагалась параллельно основной надписи чертежа.
2. Установить минимальное, но достаточное число изображений, необходимое для полного выявления формы вычерчиваемой детали.
Число, а так же виды изображений – виды, разрезы, сечения – на эскизе и рабочем чертеже детали могут не соответствовать друг другу.
3. Выбрать масштаб изображения. Для изображений на рабочих чертежах предпочтителен масштаб 1:1.
Крупные и несложные детали можно вычерчивать в масштабе уменьшения, мелкие – в масштабе увеличения, добиваясь чёткости чертежа. Мелкие элементы деталей можно изображать отдельно, в виде выносных элементов в масштабе увеличения, для уточнения их формы и возможности чёткой простановки всех размеров.
4. Выбрать формат для чертежа (А3). Формат выбирается в зависимости от размера детали, числа и масштаба изображений. Изображения и надписи должны занимать примерно 2/3 рабочего поля формата. Рабочее поле формата ограничено рамкой и основной надписью.
После решения этих вопросов можно приступать к выполнению чертежа.
Чертёж детали выполняется как отдельный документ в такой последовательности.
1. На выбранном формате вычерчивают рамку, отступая 20 мм слева и по 5 мм со всех других сторон от границ формата, а также основную надпись и графу для обозначения чертежа 70×14. Основная надпись располагается в правом нижнем углу (на листе формата А4 основная надпись располагается вдоль короткой стороны листа).
2. Производят компоновку чертежа. Для рационального заполнения поля формата при компоновке рекомендуется тонкими линиями наметить контуры выбранных изображений, затем провести оси симметрии. Расстояния между контурами изображений и рамкой формата должны быть примерно одинаковыми со всех сторон. Они выбираются с учётом последующего нанесения выносных и размерных линий и соответствующих надписей.
3. Вычерчивают изображение. Вычерчивание необходимо начинать с проведения осевых линий. Не следует сразу вычерчивать изображение до конца; рекомендуется выполнять одновременно все изображения, переходя от одного к другому, постепенно выявляя особенности детали.
4. Наносят выносные и размерные линии. Размеры деталей определяют по эскизу.
5. Выполнив тонкими линиями чертёж, проверяют его, удаляют лишние линии. После этого обводят изображение.
Штриховые линии на первой стадии работы не наносят.
Линии чертежа обводят в такой последовательности: окружности и дуги, горизонтальные линии, вертикальные линии и затем наклонные
6. После обводки выполняют необходимые надписи.
7. Обозначают шероховатости поверхностей и наносят размерные числа.
8. Заполняют основную надпись.
Образец выполнения работы - страница 93.
Графическая работа №10 (для всех специальностей)
Выполнение сборочного чертежа по эскизам графической работы 7,8
Содержание работы:
на листе формата А4 или А3 выполнить сборочный чертёж по эскизам графической работы 7,8. Проставить основные размеры (для сборочных чертежей), нанести номера позиций и составить спецификацию.
Цель работы:
· научиться поэтапно выполнять сборочный чертёж по эскизам, с использованием справочной литературы.
Методические указания
1. Для правильного выполнения графической работы №10 необходимо изучить материал по учебнику С.К. Боголюбов «Черчение» 1989 год, глава 51 - 53, страница 255 – 278.
2. Содержание сборочного чертежа.
Сборочный чертёж изделия (сборочной единицы) должен содержать:
· изображения изделия (сборочной единицы), дающие представление о расположении и взаимной связи составных частей, соединяемых по данному чертежу, и обеспечивающие возможность сборки и контроля;
· размеры, предельные отклонения (по необходимости), справочные размеры;
· указания о выполнении неразъёмных соединений (сварных, паяных и др.);
· номера позиций составных частей, входящих в изделие (сборочную единицу);
· габаритные размеры;
· установочные, присоединительные и другие необходимые справочные размеры;
· техническую характеристику (при необходимости).
3. Сборочные чертежи
выполняют, как правило, с упрощениями
, соответствующими требованиям стандартов ЕСКД.
На сборочных чертежах можно не показывать:
· фаски, скругления, проточки, углубления, выступы, накатки, насечки, оплётки и другие мелкие элементы;
· зазоры между стержнем и отверстием;
· крышки, щиты, кожухи, перегородки и т. п., при этом над изображением делают соответствующую надпись, например «Крышка поз. 3 не показана».
4. Изображение неразъёмных соединений.
Сварное, паяное, клеевое изделия в сборе с другими изделиями в разрезах и сечениях штрихуют в одну сторону, изображая границы между деталями изделия сплошными основными линиями.
Условные изображения и обозначения швов соединений показаны в
таблице 4.
Таблица 4 – Условные изображения и обозначения швов соединений
| Условные изображения и обозначения швов соединений
|
| сварные
|
пайкой
|
склеиванием
|
|
|
|
|
5. Номера позиций.
На сборочных чертежах номера позиций на поле чертежа наносят в соответствии с порядком записи составных частей в спецификации.
Номера позиций деталей, материалов или сборочных единиц, входящих в изделие, указывают на полках линий-выносок, проводимых от соответствующих деталей, материалов или сборочных единиц.
6. Подробно о нанесении номеров позиций и составлении спецификации рассказано в методических указаниях к графической работе №5.
7. Последовательность выполнения сборочного чертежа готового изделия.
· Ознакомление с изделием.
· Распределение составных частей изделия по разделам спецификации и присвоение им обозначений.
· Эскизирование всех деталей (графическая работа №7,8), которые должны быть выполнены при изготовлении изделия (детали, которые могут быть отнесены к «Стандартным изделиям» или «Прочим изделиям», обычно не эскизируют). Особое внимание следует обратить на соответствие размеров сопрягаемых поверхностей деталей.
· Выполнение спецификации и сборочного чертежа изделия.
Порядок выполнения работы
1. Выбор количества изображений.
2. Выбор масштаба изображений.
3. Выбор формата листа.
4. Компоновка изображений.
5. Выполнение изображений.
6. Нанесение размеров.
7. Нанесение номеров позиций.
8. Выполнение текстового материала.
9. Заполнение основной надписи.
Графическая работа №11 (для всех специальностей)
Выполнение схемы по специальности
Содержание работы:
на листе формата А3 начертить схему по специальности с перечнем элементов в соответствии с вариантом задания (по специальности).
Цель работы:
· научиться поэтапно выполнять схему и перечень элементов, с использованием справочной литературы.
Методические указания
1. Для правильного выполнения графической работы №11 необходимо изучить материал по учебнику С.К. Боголюбов «Черчение» 1989 год, глава 56, страница 290 – 300 и по справочнику А. А. Чекмарёв, В. К. Осипов
«Справочник по машиностроительному черчению» 2002 год, глава 15, страницы 396 – 434.
2. Задания (разбитые по специальностям) представлены со страницы 101.
Схема
- это графический конструкторский документ, на котором показаны в виде условных изображений или обозначений составные части изделия и связи между ними.
Обозначение схем
Таблица 5 – Обозначения схем
| Виды
|
Пример обозначения
|
Типы
|
| Г - гидравлическая
|
МЧ.02.11.00 К3
ДП.12.11.00 Э3
ДП.08.11.00 Э1
|
1 – структурные
|
| П - пневматическая
|
2 – функциональные
|
| Э - электрическая
|
3 – принципиальные
|
| К - кинематическая
|
4 – соединений (монтажные)
|
| В – вакуумныее
|
| Л - оптическая
|
5 – подключения
|
| Р - энергетическая
|
6 – общие
|
| С - комбинированная
|
7 – расположения
|
| А - автоматизации
|
0 - объединённые
|
Построение схемы
1. Схемы выполняют без соблюдения масштаба и не учитывают действительное пространственное расположение частей изделия.
2. Расстояние между двумя соседними линиями условного графического обозначения = min 1 мм.
3. Расстояние между двумя соседними параллельными линиями связи должно быть = min 3 мм.
4. Расстояние между отдельными условными графическими обозначениями = min 2 мм.
Условные графические обозначения
1. Условные графические обозначения элементов изображают в размерах, установленных в стандартах или такой же величины, как они изображены в стандарте, если размеры отсутствуют.
2. Все размеры графических обозначений допускается пропорционально изменять.
3. Графические обозначения на схемах следует выполнять той же толщины, что и линии связи (кроме кинематических схем).
Линии связи
1. Линии связи выполняются толщиной от 0,2 до 1,0 мм в зависимости от форматов схемы и размеров графических обозначений.
2. Линии связи должны состоять из горизонтальных и вертикальных отрезков и иметь наименьшее количество изломов и взаимных пересечений.
Перечень элементов
1. Перечень элементов:
· помещают на первом листе схемы над основной надписью. Расстояние между перечнем элементов и основной надписью должно быть min 12 мм. Продолжение перечня элементов помещают слева от основной надписи, повторяя головку таблицы.
· Выполняют в виде самостоятельного документа на формате А4 с основной надписью по форме 2.
2. Перечень элементов оформляют в виде таблицы, рисунок 10, заполняемой сверху вниз.
3. Элементы в перечень записывают группами в алфавитном порядке буквенных позиционных обозначений
4. В пределах каждой группы, имеющей одинаковые буквенные позиционные обозначения, элементы располагают по возрастанию порядковых номеров.
 
Рисунок 10 – Таблица перечня элементов
Текстовая информация
1. На схемах допускается помещать различные технические данные.
2. Текстовые данные приводят на схеме лишь при необходимости.
3. Содержание текста должно быть чётким и кратким. В надписях на схемах не должно применяться сокращение слов, за исключением общепринятых или установленных в стандартах.
4. Текстовые данные, относящиеся к линии, ориентируют параллельно горизонтальным участкам соответствующих линий. При большой плотности схемы допускается вертикальная ориентация данных.
5. Надписи, знаки или графические обозначения, предназначенные для нанесения на изделие, на схемах заключают в кавычки.
Позиционные обозначения
1. Каждый элемент схемы должен иметь позиционное обозначение, состоящее из буквенного обозначения и последующего порядкового номера (для кинематических схем только порядковый номер).
2. В ГОСТах установлены соответствующие обязательные к применению позиционные обозначения для элементов схем.
3. Порядковый номер, входящий в цифровое обозначение элемента,
назначается с единицы в пределах группы одинаковых элементов с
одинаковыми буквенными обозначениями. Например:
фильтр – Ф1, Ф2
4. Порядковые номера обозначаются сверху вниз и слева направо.
5. Позиционное обозначение наносят на схеме рядом, справа или над
условным графическим изображением элемента.
7. На линиях связи допускается указывать направление потока рабочей
среды (жидкости, воздуха) в виде треугольников.
Порядок выполнения работы (для специальностей 1806 и 2101)
Схема электрическая принципиальная
1. Задания по вариантам представлены на страницах 106 – 118.
2. Схема в задании – часть сложной схемы, её наименование – чисто символическое. Все радиоизделия условно изображены кружками, содержащими их позиционные обозначения. Эти радиоизделия сведены в таблицу (не в форме перечня).
3. Схему расположить слева от основной надписи (смотри образец работы, с. 105). Вместо кружков начертить соответствующие условные графические обозначения радиоизделий, выбранные из таблицы 6, страница 103-104
4. По образцу работы рядом с условными обозначениями радиоизделий написать их позиционные обозначения шрифтом 3.5 (можно шрифтом 5).
5. Над основной надписью на расстоянии от неё не менее 12 мм начертить таблицу перечня элементов и вписать шрифтом 5 наименования радиоизделий своего задания.
6. В основной надписи указать:
· шифр чертежа шрифтом 7 (МЧ.01.11.00.00 Э3)
;
· наименование чертежа шрифтом 5(3.5) Модулятор
Схема электрическая принципиальна
Порядок выполнения работы (для специальностей 1105, 1101)
Схема структурная
1. Образец работы и задания по вариантам представлены на страницах
2. Схема структурная определяет функциональные части изделия и взаимосвязи между ними.
3. Схему вычерчивают графическим изображением простых геометрических фигур (прямоугольников, квадратов по произвольным размерам) или принятых условных графических обозначений.
4. Над ними записывают позиционные обозначения или порядковые номера, раскрытые в перечне элементов.
5. В прямоугольниках (и других геометрических фигурах) или рядом с ними наносят поясняющие надписи, указания параметров и др.
6. Возможно размещение на схеме диаграмм, графиков или таблиц, разъясняющих последовательность процессов и состояние параметров.
7.На линиях связи допускается обозначать направление хода процесса в изделии.
8. Перечертить схему по варианту задания.
9. Нанести позиционные обозначения
10. Начертить таблицу перечня элементов и вписать шрифтом 5 наименования элементов своего задания.
11. В основной надписи указать:
· шифр чертежа шрифтом 7 (МЧ.01.11.00.00 Д )
;
· наименование чертежа шрифтом 5 (3.5)
Процесс технологический
…
Схема структурная
Порядок выполнения работы (для специальности 1701)
Схема кинематическая принципиальная
1. Образец работы и задания по вариантам представлены на страницах 126 - 132
2. Условные графические обозначения элементов изделия должны соответствовать обозначениям, приведённым в ГОСТ 2.770 – 68 (учебник С.К. Боголюбов «Черчение» 1989 год, таблица 47, страница 293).
3. Размеры обозначений в стандартах не даны; соотношение размеров обозначений должно примерно соответствовать соотношению размеров этих элементов в стандарте.
4. Валы, оси, стержни, шатуны изображают на кинематических схемах сплошными основными толстыми линиями толщиной s
(
s
= 0,5 – 1,4 мм;
выбор значения s
зависит от величины и сложности изображения, а также от размера формата). Для формата А3 s
= 1 мм.
5. Контур изображения изделия, в который допускается вписывать схему для повышения её наглядности, выполняют сплошными тонкими линиями толщиной
s
/2
.
6. Каждому кинематическому элементу, изображённому на схеме, присваивают порядковый номер, начиная от источника движения.
7. Валы нумеруют римскими цифрами. Нумерацию валов не заносят в перечень элементов.
8. Остальные элементы нумеруют арабскими цифрами (1, 2….) и заносят в перечень элементов.
9. Порядковые номера наносят над полками линий – выносок. Полки линий – выносок группируют в колонку или строчку.
10. Под полкой линии – выноски указывают основные характеристики и параметры (по своему варианту) элементов кинематики, например, число зубьев (z), мощность и число оборотов двигателя и т. д.
11. Перечертить схему по варианту задания.
12. Над полками линий – выносок нанести порядковые номера, начиная от источника движения.
13. Начертить таблицу перечня элементов и вписать шрифтом 5 наименования элементов своего задания.
11. В основной надписи указать:
· шифр чертежа шрифтом 7 (МЧ.01.11.00.00 К3)
;
· наименование чертежа шрифтом 5 (3.5) Коробка скоростей
Схема кинематическая принципиальная
Порядок выполнения работы (для специальности 2201)
Схемы алгоритмов и программ
1. Образец работы и задания по вариантам представлены на страницах 138 - 139
2. Изучить материал по справочнику А. А. Чекмарёв, В. К. Осипов «Справочник по машиностроительному черчению» 2002 год (или 2000 год), глава 15, страницы 428 – 434.
3. Обязательные символы и отображаемые ими функции в алгоритме обработки данных приведены в таблице 7 на странице 134 – 137.
4. Перечертить схему по варианту задания, соблюдая размеры обязательных символов.
5. В основной надписи указать:
· шифр чертежа шрифтом 7 (МЧ.01.11.00.00 Д)
;
· наименование чертежа шрифтом 5 (3.5)Проектирование зубчатого колеса
Алгоритм расчёта
Вопросы для зачёта
| ВАРИАНТ 1
|
| 1. Что изучает дисциплина инженерная графика?
2. Что называется простым разрезом? Виды простых разрезов?
3. В каких единицах указываются размеры на чертеже? По каким правилам изображаются выносные и размерные линии? Размер стрелки? Где пишутся размерные числа, какие знаки встречаются перед размерными числами? Интервалы между размерными линиями?
4. Как обозначаются масштабы?
5. Обозначение метрической резьбы?
6. Сколько способов ввода команд вы знаете? (AutoCAD)
7. Виды и типы схем (перечислить)?
|
| ВАРИАНТ 2
|
| 1. Что называется форматом? Размеры основных форматов и их обозначение по ГОСТ 2.301 – 68?
2. Что такое проецирование?
3. Какой разрез называется сложным? Виды сложных разрезов, их обозначение?
4. Обозначение метрической резьбы?
5. Размеры шрифта?
6. Как создать текстовые стили? (AutoCAD)
7. Что такое схема?
|
| ВАРИАНТ 3
|
| 1. Какие тела называются многогранниками?
2. Что называется аксонометрической проекцией? Виды аксонометрических проекций по ГОСТ 2.317 – 69?
3. Правила изображения резьбы?
4. Знак секущей плоскости?
5. Знаки обозначения диаметра окружности, радиуса дуги, квадратной поверхности, толщины детали?
6. Как назначить имена слоев и связанных с ними параметров? (AutoCAD)
7. Правила выполнения схем?
|
| ВАРИАНТ 4
|
| 1. Какова роль чертежа в сфере профессиональной деятельности техника? (Показать на примере своей будущей профессии).
2. Стандарты ЕСКД. Что называется стандартом, как обозначаются государственные стандарты системы
ЕСКД, влияние стандарта на качество чертежа?
3. Перечислить виды изделий и конструкторских документов?
4. Знаки обозначения уклона и конусности?
5. Обозначение сварного шва?
6. Перечислите команды создания графических примитивов? (AutoCAD)
7. Условные графические обозначения для схем (по специальности)?
|
| ВАРИАНТ 5
|
| 1. Какие тела называются телами вращения?
2. Что называется техническим рисунком?
3. Что называется простым разрезом? Виды простых разрезов?
4. Обозначение шероховатости поверхности?
5. Обозначение паяного соединения?
6. Перечислите команды редактирования чертежа? (AutoCAD)
7. Виды и типы схем (перечислить)?
|
| ВАРИАНТ 6
|
| 1. Что называется масштабом? Виды масштабов по ГОСТ 2.302 – 68?
2. Какие типы линий применяют на чертеже, их размерность по ГОСТ 2.303 – 68?
3. В чем сходство и различие эскиза и рабочего чертежа детали? Последовательность выполнения эскиза?
4. Обозначение выносного элемента?
5. Как указывают на чертежах предельные отклонения линейных размеров?
6. Какая команда устанавливает контроль выхода графических примитивов за установленные границы? (AutoCAD)
7. Что такое схема?
|
| ВАРИАНТ 7
|
| 1. Что называется сопряжением? Виды сопряжений.
2. Что называется простым разрезом? Виды простых разрезов?
3. Что называется сборочным чертежом? Условности и упрощения на сборочных чертежах?
4. Обозначение на чертежах наименования и марки материала?
5. Какой знак применяют, если изображение повернуто?
6. Каково назначение команды ZOOM (ПОКАЖИ)
? (AutoCAD)
7. Правила выполнения схем?
|
| ВАРИАНТ 8
|
| 1. В чем заключается сущность метода прямоугольных проекций?
2. Какие размеры шрифта применяют на чертежах при выполнении надписей? Что называется шрифтом? Чем определяется размер шрифта?
3. Что называется сечением? Виды сечений, их обозначение?
4. Обозначение клееного соединения?
5. Знаки обозначения диаметра окружности, радиуса дуги, квадратной поверхности, толщины детали?
6. Какое действие на чертеж оказывает команда SNAP (ШАГ)
? (AutoCAD)
Условные графические обозначения для схем (по специальности)?
|
| ВАРИАНТ 9
|
| 1. Что такое координатный угол?
2. В каких единицах указываются размеры на чертеже? По каким правилам изображаются выносные и размерные линии? Размер стрелки? Где пишутся размерные числа, какие знаки встречаются перед размерными числами? Интервалы между размерными линиями?
3. Что называется выносным элементом? Обозначение выносных элементов на чертеже?
4. Обозначение вида?
5. Обозначение форматов?
6. Какой операции ручного черчения соответствует команда LIMITS
(ЛИМИТЫ)
системы AutoCAD?
7. Виды и типы схем (перечислить)?
|
| ВАРИАНТ 10
|
| 1. Какие тела называются телами вращения?
2. Что называется простым разрезом? Виды простых разрезов?
3. Что называется видом? Перечислить основные виды, изобразить схему расположения основных видов на чертеже.
4. Обозначение разрезов и сечений?
5. Обозначение направления взгляда наблюдателя?
6. Как вычерчиваются отрезки, если в команде ORTHO (ОРТО)
задан ключ ON (Вкл.)
? (AutoCAD)
7. Что такое схема?
|
| ВАРИАНТ 11
|
| 1. Что называется деталированием? Как определяют на сборочных чертежах действительные размеры детали?
2. Что называется схемой? Какие условные графические обозначения установлены для электрических схем (кинематических)?
3. Что определяет координата точки?
4. Обозначение метрической резьбы?
5. Знаки обозначения диаметра окружности, радиуса дуги, квадратной поверхности, толщины детали?
6. В чем основное отличие между командами LINE
и PLINE
? (AutoCAD)
7. Правила выполнения схем?
|
| ВАРИАНТ 12
|
| 1. Изображение и обозначение наружной и внутренней резьбы. Виды резьб?
2. Что называется форматом? Размеры основных форматов и их обозначение по ГОСТ 2.301 – 68?
3. Что такое проецирование?
4. Обозначение на чертежах наименования и марки материала?
5. Обозначение плоскостей проекций в проекционном черчении?
6. Как установить необходимые значения режима нанесения размеров? (AutoCAD)
7. Условные графические обозначения для схем (по специальности)?
|
| ВАРИАНТ 13
|
| 1. Стандартные крепежные изделия. Их условные обозначения. Привести примеры.
2. Что называется масштабом? Виды масштабов по ГОСТ 2.302 – 68?
3. Какие типы линий применяют на чертеже, их размерность по ГОСТ 2.303 – 68?
4. Обозначение шероховатости поверхности?
5. Размеры шрифта?
6. Перечислите команды создания графических примитивов? (AutoCAD)
7. Виды и типы схем (перечислить)?
|
| ВАРИАНТ 14
|
| 1. Разъемные и неразъемные соединения деталей.
2. Что такое чертеж?
3. Что называется уклоном и конусностью? Знаки условного обозначения уклона и конусности?
4. Как обозначаются масштабы?
5. Как указывают на чертежах предельные отклонения линейных размеров?
6. Какие форматы ввода численных значений координат вы знаете? (AutoCAD)
7. Что такое схема?
|
| ВАРИАНТ 15
|
| 1. Что называется местным и дополнительным видами? Их обозначение.
2. Какова роль чертежа в сфере профессиональной деятельности техника? (Показать на примере своей будущей профессии).
3. Что называется форматом? Размеры основных форматов и их обозначение по ГОСТ 2.301 – 68?
4. Обозначение сварного шва?
5. Размеры шрифта?
6. Объясните, что значит структура запросов команд в зависимости от ключей? (AutoCAD)
7. Правила выполнения схем?
|
| ВАРИАНТ 16
|
| 1. Какой разрез называется сложным? Виды сложных разрезов, их обозначение?
2. Что называется сборочным чертежом? Условности и упрощения на сборочных чертежах?
3. В чем заключается сущность метода прямоугольных проекций?
4. Обозначение метрической резьбы?
5. Какой знак применяют, если изображение развернуто?
6. Для чего используются слои в системе AutoCAD?
7. Условные графические обозначения для схем (по специальности)?
|
|