| Государственное образовательное учреждение
среднего профессионального образования
«Пермский промышленно-коммерческий колледж»
Дисциплина
Электроснабжение отрасли
Методические указания по выполнению контрольных работ для студентов заочного отделения специальности
140613 – Техническая эксплуатация и обслуживание электрического и электромеханического оборудования
(базовый уровень)
2010
Рассмотрено и одобрено на заседании предметно-цикловой комиссии специальности 140613 «Техническая эксплуатация и обслуживание электрического и электромеханического оборудования»
Председатель ПЦК
______________Е.Г. Лебедева
«____»________________2010
Составлена в соответствии с государственными требованиями к минимуму содержания и уровню подготовки выпускника по специальности 140613 «Техническая эксплуатация и обслуживание электрического и электромеханического оборудования»
УТВЕРЖДАЮ И.о.зам.директора по УР
_____________И.Г.Едовина
«___»_____________2010
Составитель: Лебедева Е.Г. – преподаватель Пермского промышленно-коммерческого колледжа, высшей категории
Пояснительная записка
Программой дисциплин «Электроснабжение предприятий» предусматривается изучение студентами вопросов производства, распределения и потребления электрической энергии на объектах, что необходимо для всесторонней подготовки техника-электрика по специальности 1806 «Техническая эксплуатация, обслуживание и ремонт электрического и электромеханического оборудования».
Изучение дисциплины основывается на занятиях, полученных студентами по общеобразовательным дисциплинам, а также по дисциплинам: «Теоретические основы электротехники», «Электротехнические и конструкционные материалы», «Стандартизация, метрология и сертификация», «Электроника», «Автоматика», «Электрические машины и аппараты», «Инженерная графика».
В результате изучения дисциплины студенты должны:
Иметь представление:
- об основных научно-технических проблемах развития энергетики;
- об общих вопросах проектирования электроснабжения объектов;
- о характере вредного влияния электротехнических объектов на окружающую среду и мерах защиты от него.
Знать:
- основные сведения об энергетических системах;
- методы определения электрических нагрузок потребителей электроэнергии;
Забиваем Сайты В ТОП КУВАЛДОЙ - Уникальные возможности от SeoHammer
Каждая ссылка анализируется по трем пакетам оценки: SEO, Трафик и SMM.
SeoHammer делает продвижение сайта прозрачным и простым занятием.
Ссылки, вечные ссылки, статьи, упоминания, пресс-релизы - используйте по максимуму потенциал SeoHammer для продвижения вашего сайта.
Что умеет делать SeoHammer
— Продвижение в один клик, интеллектуальный подбор запросов, покупка самых лучших ссылок с высокой степенью качества у лучших бирж ссылок.
— Регулярная проверка качества ссылок по более чем 100 показателям и ежедневный пересчет показателей качества проекта.
— Все известные форматы ссылок: арендные ссылки, вечные ссылки, публикации (упоминания, мнения, отзывы, статьи, пресс-релизы).
— SeoHammer покажет, где рост или падение, а также запросы, на которые нужно обратить внимание.
SeoHammer еще предоставляет технологию Буст, она ускоряет продвижение в десятки раз,
а первые результаты появляются уже в течение первых 7 дней.
Зарегистрироваться и Начать продвижение
- теоретические основы защиты электроприемников и электрических сетей от токов короткого замыкания и токов перегрузки;
- конструктивные особенности линии электропередачи, кабельных линии и электрооборудования электрических станций и подстанций;
- теоретические основы релейной защиты и автоматизации в энергосистемах;
- назначение и схемы управления, контроля и сигнализации на электростанциях и подстанциях;
- причины возникновения, особенностей протекания токов короткого замыкания и его воздействия на токоведущие части и электрооборудование в системах электроснабжения;
- основные сведения и требования ПУЭ к заземляющим устройствам и устройствам защиты электроустановок от перенапряжений.
Уметь:
- выполнять расчеты внутрицеховых электрических сетей напряжением до 1000 В, а также воздушных и кабельных сетей высокого напряжения;
- производить расчеты токов короткого замыкания и проверять выбираемое электрооборудование на их действие;
- составлять. схемы распределения электрической энергии внутри объекта на низком ( до 1000 В) и высоком ( выше 1000 В) напряжениях;
- выбирать региональный тип распределительного устройства, аппаратуру автоматизации, релейной защиты, управления, контроля и Сигнализации;
- производить расчеты электрических нагрузок и выбирать силовые трансформаторы;
- производить расчеты защит линии электропередачи и электрооборудования электрических станций и подстанций от токов короткого замыкания, ненормальных режимов работы перенапряжений;
- выполнять технико-экономических расчёты различных вариантов схем электроснабжения и применения того или иного вида оборудования;
- выполнить схемы включения аппаратов защиты и автоматики;
- выполнять расчеты заземляющих устройств и устройств грозозащиты зданий и сооружений.
Сокращение учебного времени для групп вечернего обучения рекомендуется проводить за счет более сжатого изложения материала или исключение тех вопросов, с которыми студенты этих групп уже знакомы по роду своей производительной деятельности.
Учебный материал, излагаемый для групп заочного обучения на установочных и обзорных занятий, также определяется предметной комиссией с учетом производственной деятельности студентов.
Лабораторные работы и практические занятия для студентов вечерней и заочной форм обучения определяет предметная комиссия из числа приведенных в программе, исходя из количества часов, предусмотренных учебными планами на их выполнение.
Сервис онлайн-записи на собственном Telegram-боте
Попробуйте сервис онлайн-записи VisitTime на основе вашего собственного Telegram-бота:
— Разгрузит мастера, специалиста или компанию;
— Позволит гибко управлять расписанием и загрузкой;
— Разошлет оповещения о новых услугах или акциях;
— Позволит принять оплату на карту/кошелек/счет;
— Позволит записываться на групповые и персональные посещения;
— Поможет получить от клиента отзывы о визите к вам;
— Включает в себя сервис чаевых.
Для новых пользователей первый месяц бесплатно.
Зарегистрироваться в сервисе
Распределение учебных часов по разделан и темам дисциплины, а также тематика лабораторных работ и практических занятий носят рекомендательных характер.
Преподаватель должен систематически пополнять программный материал новейшими сведениями о достижениях и перспективах развития энергетики.
Обоснованные изменения в содержании программного материала и в распределении учебных часов по разделам и темам, при условии сохранения общего количества учебного времени на предмет, вносятся предметной комиссией и утверждаются заместителем директора учебного заведения по учебной работе.
Оформление контрольной работы:
Титульный лист контрольной работы оформляется по установленному образцу. Работа оформляется на листах форматом А-4, объемом 11-12 страниц печатного текста (размер шрифта 14, интервал 1,5). Обязательны поля. Листы должны быть сброшюрованы и пронумерованы.
Главы и параграфы в работе должны быть относительно равномерны по объему. Материал должен излагаться логично, последовательно и соответствовать плану работы. Не допускается дословного механического переписывания текста из использованной литературы, за исключением цитат, которые должны сопровождаться ссылкой на источник. В тексте недопустимо сокращение слов, терминологических оборотов, наименований органов и организаций, если такие сокращения не являются общепринятыми в литературе.
Ссылка оформляется в конце страницы, на которой находится цитата. В ссылке указывается имя и фамилия автора, название статьи или монографии (для монографии — место и год издания, для периодических изданий — название журнала, год выпуска и номер), также указывается страница, на которой находится цитата, или цифровые данные. Все графики и рисунки сопровождаются номером, названием и ссылкой на источник. Все чертежи, графики необходимо выполнять простым карандашом, а когда это необходимо – цветным. Схемы должны выполняться с помощью чертежных принадлежностей, элементы должны иметь размеры согласно стандартам ЕСКД. Если графический материал выполнен на отдельном листе, то надо вклеить его в тетрадь.
Работа должна содержать: план, вводную часть, основной текст (главы и параграфы), заключительную часть, список использованной литературы.
Вводная часть отражает значение и актуальность темы, а также цели и задачи работы. В основной части излагаются и последовательно анализируются рассматриваемые проблемы, дается аргументация научных точек зрения, задачи выполняются с кратким пояснением.
В заключении приводятся собственные выводы автора по итогам работы, а также ее практическая значимость. В список использованной литературы могут быть включены учебники, монографии и статьи.
Контрольная работа, соответствующая всем предъявляемым требованиям, может быть оценена положительно и зачтена. Если работа не зачтена, она с учетом сделанных замечаний в рецензии должна быть переработана и вместе с первым отзывом представлена на повторное рецензирование.
Выполнение контрольной работы является обязательным условием для допуска студента к учебному зачету или экзамену.
Контрольные работы предъявляются на проверку не позднее, чем за две недели до начала сессии.
КОНТРОЛЬНАЯ РАБОТА
Вариант 1
1. Теплоэлектроцентраль. Принципы работы. Схема принципиальная функционирования.
2. Низковольтное электрооборудование. Предохранители. Конструкция. Принцип работы. Выбор.
3. Задача 1.
Выбрать предохранители и автоматические выключатели для защиты двигателей и магистрали. Результаты занести в итоговую таблицу. Одновременный пуск двигателей исключен.

| №
двигателя
|
Ток номинальный
I
ном
, А
|
Кратность тока
К
i
|
Режим пуска
|
| 1
|
10
|
5
|
Легкий
|
| 2
|
20
|
4
|
Тяжелый
|
| 3
|
12
|
6
|
Легкий
|
4. Задача 2.
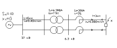
Рассчитать трехфазный ток короткого замыкания для указанной точки на рисунке 1 короткого замыкания, а так же найти в этой точке двухфазный ток короткого замыкания, мощность короткого замыкания и ударный ток

Рисунок 1- Схема электрическая принципиальная
Вариант 2
1. Гидроэлектростанция. Принципы работы. Схема принципиальная функционирования.
2. Низковольтное электрооборудование. Автоматические выключатели. Конструкция. Принцип работы. Выбор.
3. Задача 1.
Выбрать предохранители и автоматические выключатели для защиты двигателей и магистрали. Результаты занести в итоговую таблицу. Одновременный пуск двигателей исключен.
| №
двигателя
|
Ток номинальный
I
ном
, А
|
Кратность тока
К
i
|
Режим пуска
|
| 1
|
15
|
4
|
Тяжелый
|
| 2
|
17
|
5
|
Легкий
|
| 3
|
18
|
5
|
Легкий
|
4. Задача 2.
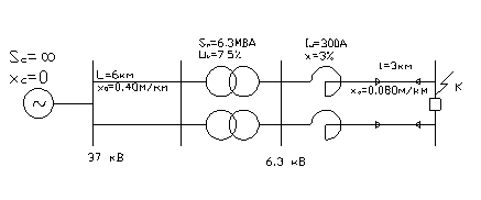
Рассчитать трехфазный ток короткого замыкания для указанной точки рисунок 2 короткого замыкания, а так же найти в этой точке двухфазный ток короткого замыкания, мощность короткого замыкания и ударный ток.

Рисунок 2- Схема электрическая принципиальная
Вариант 3
1. Одноконтурная атомная электростанция. Принципы работы. Схема принципиальная функционирования.
2. Низковольтное электрооборудование. Провода и шины. Конструкция. Принцип работы. Выбор.
3. Задача 1.
Выбрать предохранители и автоматические выключатели для защиты двигателей и магистрали. Результаты занести в итоговую таблицу. Одновременный пуск двигателей исключен.

| №
двигателя
|
Ток номинальный
I
ном
, А
|
Кратность тока
К
i
|
Режим пуска
|
| 1
|
11
|
7
|
Тяжелый
|
| 2
|
14
|
5
|
Легкий
|
| 3
|
25
|
4
|
Легкий
|
4. Задача 2.
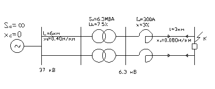
Рассчитать трехфазный ток короткого замыкания для указанной точки рисунок 3 короткого замыкания, а так же найти в этой точке двухфазный ток короткого замыкания, мощность короткого замыкания и ударный ток.

Рисунок 3- Схема электрическая принципиальная
Вариант 4
1. Конденсационная электростанция. Принципы работы. Схема принципиальная функционирования.
2. Высоковольтное оборудование. Силовые трансформаторы. Конструкция. Принцип работы. Выбор.
3. Задача 1.
Выбрать предохранители и автоматические выключатели для защиты двигателей и магистрали. Результаты занести в итоговую таблицу. Одновременный пуск двигателей исключен.

| №
двигателя
|
Ток номинальный
I
ном
, А
|
Кратность тока
К
i
|
Режим пуска
|
| 1
|
12
|
7
|
Тяжелый
|
| 2
|
17
|
6
|
Тяжелый
|
| 3
|
20
|
5
|
Легкий
|
4. Рассчитать трехфазный ток короткого замыкания для указанной точки рисунок 4 короткого замыкания, а так же найти в этой точке двухфазный ток короткого замыкания, мощность короткого замыкания и ударный ток.

6,3 кВ 115 кВ
Рисунок 4 - Схема электрическая принципиальная
Вариант 5
1. Двухконтурная атомная электростанция. Принципы работы. Схема принципиальная функционирования.
2. Высоковольтное оборудование. Вакуумные выключатели. Конструкция. Принцип работы. Выбор.
3. Задача 1.
Выбрать предохранители и автоматические выключатели для защиты двигателей и магистрали. Результаты занести в итоговую таблицу. Одновременный пуск двигателей исключен.

| №
двигателя
|
Ток номинальный
I
ном
, А
|
Кратность тока
К
i
|
Режим пуска
|
| 1
|
10
|
5
|
Легкий
|
| 2
|
20
|
4
|
Тяжелый
|
| 3
|
12
|
6
|
легкий
|
4. Рассчитать трехфазный ток короткого замыкания для указанной точки на рисунке 5 короткого замыкания, а так же найти в этой точке двухфазный ток короткого замыкания, мощность короткого замыкания и ударный ток

Рисунок 5- Схема электрическая принципиальная
Вариант 6
1. Электростанция с МГД-генератором. Принципы работы. Схема принципиальная функционирования.
2. Высоковольтное оборудование. Воздушные выключатели. Конструкция. Принцип работы. Выбор.
3. Задача 1.
Выбрать предохранители и автоматические выключатели для защиты двигателей и магистрали. Результаты занести в итоговую таблицу. Одновременный пуск двигателей исключен.

| №
двигателя
|
Ток номинальный
I
ном
, А
|
Кратность тока
К
i
|
Режим пуска
|
| 1
|
15
|
4
|
Тяжелый
|
| 2
|
17
|
5
|
Легкий
|
| 3
|
18
|
5
|
Легкий
|
4. Рассчитать трехфазный ток короткого замыкания для указанной точки рисунок 6 короткого замыкания, а так же найти в этой точке двухфазный ток короткого замыкания, мощность короткого замыкания и ударный ток.

Рисунок 6- Схема электрическая принципиальная
Вариант 7
1. Компенсационная электростанция. Принципы работы. Схема принципиальная функционирования.
2. Высоковольтное оборудование. Элегазовые выключатели. Конструкция. Принцип работы. Выбор..
3. Задача 1.
Выбрать предохранители и автоматические выключатели для защиты двигателей и магистрали. Результаты занести в итоговую таблицу. Одновременный пуск двигателей исключен.

| №
двигателя
|
Ток номинальный
I
ном
, А
|
Кратность тока
К
i
|
Режим пуска
|
| 1
|
11
|
7
|
Тяжелый
|
| 2
|
14
|
5
|
Легкий
|
| 3
|
25
|
4
|
Легкий
|
4. Рассчитать трехфазный ток короткого замыкания для указанной точки рисунок 7 короткого замыкания, а так же найти в этой точке двухфазный ток короткого замыкания, мощность короткого замыкания и ударный ток.

Рисунок 7- Схема электрическая принципиальная
Вариант 8
1. Теплоэлектроцентраль. Принципы работы. Схема принципиальная функционирования.
2. Высоковольтное оборудование. Масляные и маломасляные выключатели. Конструкция. Принцип работы. Выбор.
3. Задача 1.
Выбрать предохранители и автоматические выключатели для защиты двигателей и магистрали. Результаты занести в итоговую таблицу. Одновременный пуск двигателей исключен.

| №
двигателя
|
Ток номинальный
I
ном
, А
|
Кратность тока
К
i
|
Режим пуска
|
| 1
|
12
|
7
|
Тяжелый
|
| 2
|
17
|
6
|
Тяжелый
|
| 3
|
20
|
5
|
Легкий
|
4. Рассчитать трехфазный ток короткого замыкания для указанной точки рисунок 8 короткого замыкания, а так же найти в этой точке двухфазный ток короткого замыкания, мощность короткого замыкания и ударный ток.

6,3 кВ 115 кВ
Рисунок 8- Схема электрическая принципиальная
Вариант 9
1. Двухконтурная атомная электростанция. Принципы работы. Схема принципиальная функционирования.
2. Высоковольтное оборудование. Измерительные трансформаторы тока. Конструкция. Принцип работы. Выбор.
3. Задача 1.
Выбрать предохранители и автоматические выключатели для защиты двигателей и магистрали. Результаты занести в итоговую таблицу. Одновременный пуск двигателей исключен.

| №
двигателя
|
Ток номинальный
I
ном
, А
|
Кратность тока
К
i
|
Режим пуска
|
| 1
|
10
|
5
|
Легкий
|
| 2
|
20
|
4
|
Тяжелый
|
| 3
|
12
|
6
|
легкий
|
4. Рассчитать трехфазный ток короткого замыкания для указанной точки на рисунке 9 короткого замыкания, а так же найти в этой точке двухфазный ток короткого замыкания, мощность короткого замыкания и ударный ток

Рисунок 9- Схема электрическая принципиальная
Вариант 10
1. Электростанция с МГД-генератором. Принципы работы. Схема принципиальная функционирования.
2. Высоковольтное оборудование. Измерительные трансформаторы напряжения. Конструкция. Принцип работы. Выбор.
3. Задача 1.
Выбрать предохранители и автоматические выключатели для защиты двигателей и магистрали. Результаты занести в итоговую таблицу. Одновременный пуск двигателей исключен.

| №
двигателя
|
Ток номинальный
I
ном
, А
|
Кратность тока
К
i
|
Режим пуска
|
| 1
|
15
|
4
|
Тяжелый
|
| 2
|
17
|
5
|
Легкий
|
| 3
|
18
|
5
|
Легкий
|
4. Рассчитать трехфазный ток короткого замыкания для указанной точки рисунок 10 короткого замыкания, а так же найти в этой точке двухфазный ток короткого замыкания, мощность короткого замыкания и ударный ток.

Рисунок 10- Схема электрическая принципиальная
Вопросы к экзамену по дисциплине «Электроснабжение отрасли»
1
Развитие энергетики в России.
2
Понятие об электрических системах. Назначение и структура энергосистем.
3
Назначение и типы электрических станций.
4
Силовые трансформаторы и автотрансформаторы. Назначение и типы трансформаторов. Системы охлаждения и обозначения.
5
Токоведущие части высоковольтного оборудования. Разъединители, отделители, короткозамыкатели, разрядники, реакторы, в/в предохранители. Устройство и область применения.
6
Малообъемные масляные выключатели. Устройство, принцип работы и область применения.
7
Многообъемные масляные выключатели. Устройство, принцип работы и область применения.
8
Воздушные выключатели. Устройство, принцип работы и область применения.
9
Выключатели нагрузки. Устройство, принцип работы и область применения.
10
Трансформаторы тока, их типы, назначение.
11
Трансформаторы напряжения, их типы, назначение.
12
Классификация подстанций. Типы и назначение заводских и цеховых подстанций.
13
Конструктивное выполнение подстанций.
14
Комплектные трансформаторные подстанции (КТП и КТПН) и комплектные распределительные устройства типа КСО, КРУ и КРУН.
15
Электрические схемы главных понизительных подстанций (ГПП) и используемое оборудование.
16
Электрические схемы цеховых подстанций с вторичным напряжением до 1000 В.
17
Выбор рационального напряжения для электроснабжения отрасли.
18
Картограмма нагрузок промышленных предприятий и выбор места расположения ГПП.
19
Характеристики и режимы работы основных потребителей электроэнергии.
20
Расчет электрических нагрузок методом упорядоченных диаграмм.
21
Расчет электрических нагрузок цехов и заводов методом коэффициента спроса и методом удельных мощностей.
22
Определение потерь мощности и электроэнергии в воздушных и кабельных линиях методом среднеквадратичного тока.
23
Определение потерь мощности и электроэнергии в воздушных и кабельных линиях методом максимального тока.
24
Потери мощности и электроэнергии в трансформаторах.
25
Графики электрических нагрузок промышленных предприятий.
26
Схемы и конструктивное выполнение электрических сетей напряжением до 1000 В.
27
Предохранители, их назначение. Выбор предохранителей в электрических системах до 1000 В.
28
Автоматические выключатели. Конструкция, назначение. Выбор автоматических выключателей в электрических системах до 1000 В.
29
Выбор сечений проводов и кабелей по нагреву и по условию соответствия с защитной аппаратурой.
30
Проверка сечений проводов и кабелей на потерю напряжений.
31
Выбор сечений проводов и кабелей по экономической плотности тока.
32
Воздушные ЛЭП и элементы их конструкции.
33
Кабельные линии и шинопроводы высокого напряжения.
34
Расчет электрических сетей напряжением выше 1000 В на потерю напряжения.
35
Виды коротких замыканий. Электрические сети с глухозаземленной и изолированной нейтралями.
36
Изменение трехфазного тока короткого замыкания при питании от системы неограниченной мощности.
37
Расчетная схема и схема замещения. Определение сопротивлений отдельных элементов цепи короткого замыкания.
38
Расчет токов короткого замыкания при питании от системы неограниченной мощности.
39
Расчет токов короткого замыкания по расчетным кривым (кривым затухания).
40
Электродинамическое действие токов короткого замыкания.
41
Термическое действие токов короткого замыкания .
42
Выбор шин распределительных устройств и силовых кабелей с учетом действия токов короткого замыкания.
43
Выбор выключателей, разъединителей, отделителей и короткозамыкателей с учетом действия токов короткого замыкания.
44
Выбор трансформаторов тока с учетом действия токов короткого замыкания.
45
Выбор числа и мощности силовых трансформаторов по условию надежности электроснабжения.
46
Общие сведения о релейной защите. Требования к релейной защите.
47
Оперативный ток в схемах релейной защиты.
48
Реле типа РТ-80. Конструкция, назначение, принцип действия.
49
Реле типа РТ-40, промежуточное реле РП-341, Сигнальные реле, реле времени. Конструкция, назначение, принцип действия.
50
Максимальная токовая защита.
51
Токовая отсечка.
52
Защита силовых трансформаторов.
53
Защита высоковольтных электродвигателей.
54
Компенсация реактивной мощности.
55
Перенапряжение и защита от перенапряжений.
ЛИТЕРАТУРА:
Основная
1 .Липкин Б.Ю. Электроснабжение промышленных предприятий и установок.М.Зысшая школаЛ990.
2.Коновалова Л.Л.,РожковаЛ.Д, Электроснабжение промышленных предприятий и установок. М., Энергоатомиздат,1989.
3.Федоров. А А.Старкова Л.Е. Учебное пособие для курсового и дипломного проектирования по электроснабжению промышленных предприятий-М. Энергоатомиздат. 1987.
Дополнительная
1 .Правила устройства электроустановок М., Электроатомиздат1985.
2.Правила технической эксплуатации электроустановок потребителей и правила техники безопасности при эксплуатации электроустановок потребителей. М., Энергоатомиздат.1988,
3. Наклепаев Б.Н. Дрючков И.П Электрическая часть электростанций и подстанций. Справочные материалы для курсового и дипломного проектированном ?
Энергоатомиздат. 1989. .
4. Электромонтажные устройства и изделия.Справочник.М,Энергоатомиздат,1988.
5. Руководящие указания по релейной защите. Релейная защита трансформаторов и автотрансформаторов. Расчеты. М.,энергоатомиздат,1985.
6. Руководящие указания по релейной защите. Релейная защита трансформаторов и автотрансформаторов. Схемы, М., энергоатомиздат,1985. ,
7. Указания по проектированию компенсации реактивной мощности, а электрических сетях промышленных предприятий. М., 1984. .
8. Чернобровое Н.В. Релейная защита. М,, Энергия, 1974
Государственное образовательное учреждение
среднего профессионального образования
«Пермский промышленно-коммерческий колледж»
Предметно-цикловая комиссия специальности 140613
шифр_________
Дисциплина «ЭЛЕКТРОСНАБЖЕНИЕ ОТРАСЛИ»
КОНТРОЛЬНАЯ РАБОТА
Преподаватель: Е.Г. Лебедева
Студент гр.4ЭЗ И.О.Ф
2010
|